35KV变电站设计-35kv变电站接线图
- 格式:doc
- 大小:1.40 MB
- 文档页数:56
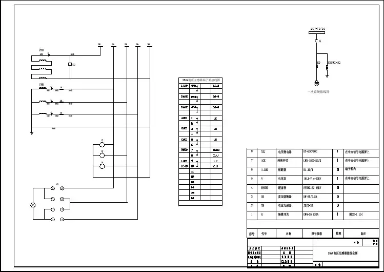
北京德威特电力系统自动化有限公司DV110105图册编号:工程名称:内蒙呼市和林新营子变电站扩建工程合同编号:02B086设计阶段:施工图设计图册名称:内蒙呼市和林新营子变电站扩建工程审定:审核:校对:设计:2002年6月10日第1张共50张电气图纸(文件目录序图纸文件名称或内容图号数量备注号1 封面 12 图纸目录 13 图纸说明 14 DVPS-600变电站综合自动化系统配置图02B086BSJK0-1 25 屏柜平面布置总图02B086BSJK0-2 46 中央信号测控接线图02B086BSJK0-3 27 公共端子排图02B086BSJK0-4 18 小母线布置图02B086BSJK0-5 19 35/10kV主变保护监控接线图02B086BSJK0-6 1310 35kV出线保护监控接线图02B086BSJK0-7 411 10kV出线保护监控接线图02B086BSJK0-8 412 电容器保护监控接线图02B086BSJK0-9 413 母线分段保护监控接线图02B086BSJK0-10 414 微机消谐记录装置接线图02B086BSJK0-11 115 母线电压互感器接线图02B086BSJK0-12 316 控制及转换开关接点图附页 117 设备表 1第2张共50张设计说明一:设计依据根据呼和浩特市供电局设计所同北京德威特电力系统自动化有限公司签订的技术协议及提供的有关技术要求进行设计。
二:设计范围根据甲方提供图纸及技术资料,按照合同所列设备进行设计。
本次设计为呼和浩特市和林新营子变电站扩建工程的保护监控部分。
三:标准设计按本企业标准及国家有关电力行业标准进行。
四:说明1.本系统设计所有事故及报警音响均通过CAN网络由微机中央信号监控装置发出。
2.本图仅供参考不指导现场施工。
第3张共50张设备表编号名称型号规格数量设备位置备注1 微机线路保护监控装置DVP-632 100/5-220 12 微机线路保护监控装置DVP-631 100/5-220 43 微机中央信号监控装置DVP-601 100/5-220 14 微机PT监控装置DVP-671 100/5-220 15 主变差动保护装置DVP-625 100/5-220 16 主变后备保护监控装置DVP-626 100/5-220 17 非电量保护装置 DVP-606 18 微机电容器保护监控装置DVP-641 100/5-220 19 连接片 JL1-2.5/2 4010 切换片 JL1-2.5/3 311 熔断器 RT18-32X/6A 4612 标签框 F31-20/50BH 14013 控制开关 LW2-Z-1a.4.6a.40.20.4/ F8514 控制开关 LW2-Z-1a.4.6a.40.20/F8 315 按钮 LA38-22/208 DC250V 2 绿色16 按钮 LA38-20/208 DC250V 13 绿色17 电铃 UZC4-3 DC220V 118 电喇叭 DDZ-1 DC220V 119 中间继电器 DZY-213 DC220V 120 切换开关 K22-33X2A/K 1021 切换开关 K22-11X2A/K 122 信号灯 AD11-22/21-8GZKDC220V 16 红绿各半23 信号灯 AD11-22/21-8GZK DC220V1 白色24 小母线支架 10825 小母线 26。
35KV变站电气主接线设计引言:35kV变电站是电力系统的重要组成部分,它起到将高压输电线路的电能进行降压、分配和供应给用户的作用。
为了保证变电站的安全稳定运行,电气主接线设计是十分关键的一环。
本文将对35kV变电站电气主接线设计进行详细阐述。
一、设计依据:2.电站设计规范:DL/T5183-2024变电站工程电气设计规范3.设备选型:参考国内外类似变电站、设备厂商评价、性价比分析等综合考虑二、设计步骤:1.需求分析:了解变电站的运行需求,包括负荷需求、电力分配需求、电能质量要求等。
2.主接线图设计:根据变电站的功能布置、设备选型、负荷需求等,设计主接线图。
主接线图应满足以下要求:-各设备之间的连接合理,布置紧凑。
-确保每个设备的最大电流能够通过。
-考虑主变压器的容量和并联变压器的选取。
-考虑备用设备的串并联,保证可靠性。
3.主接线布置设计:确定设备的放置位置,遵循以下原则:-各设备之间的距离符合安全操作和维护的要求。
-保证设备的冷却通风良好。
-考虑设备的重量和重心,保证稳定性。
4.主接线回路计算:根据电压等级、负荷要求等进行主接线回路计算。
计算包括电缆选型、电缆截面积确定、电缆长度计算、电缆负载流计算等。
5.系统接地设计:根据设计图纸和电气设备布置要求进行系统接地设计,包括接地电阻计算,接地极数量和布置等。
6.设备连接设计:根据设备类型和工作要求,确定设备之间的电缆连接,考虑电缆长度、连接方式等。
7.安全与可靠性设计:根据标准和规范,设计接地保护装置、电流互感器、电压互感器、分段绝缘开关等设备的选择和布置。
三、设计要点:1.主接线图设计时要考虑最大电流负荷,以及备用线路的布置,确保变电站的可靠性和灵活性。
2.设备的放置位置要合理,不能影响设备的冷却和通风,且便于操作和维护。
3.电缆的选型要充分考虑电流载流量、电压降和线损等因素,并满足国家标准和工程要求。
4.系统接地设计要符合标准和规范,确保人员安全和设备的可靠性。
毕业设计(论文)(说明书)题目: ____________姓名: ____________学号: ____________XXXXXR业技术学院2014年5月8日XXXX X只业技术学院毕业设计(论文)任务书姓名__________________________________专业班级______________________________任务下达日期2014 ____________ 年上_____ 月18 _______ 日设计(论文)开始日期2014 年2 月25 日设计(论文)完成日期2014 _年4 —月30 —日设计(论文)题目:________________________________________指导教师_______________________________院(部)主任___________________________XXXX X只业技术学院毕业设计(论文)任务书2014年5月8日XXXX XR业技术学院毕业设计(论文)答辩委员会记录电力工程学院专业,学生于2014年6 月」0 日进行了毕业设计(论文)答辩。
设计题目:__________________________________________________________ 专题(论文)题目:__________________________________________________ 指导老师:______________________答辩委员会根据学生提交的毕业设计(论文)材料,根据学生答辩情况,经答辩委员会讨论评定,给予学生毕业设计(论文)成绩为。
答辩委员会人,出席人答辩委员会主任(签字):答辩委员会副主任(签字):答辩委员会委员:, , ,XXXX XR业技术学院毕业设计(论文)评语第页毕业设计(论文)及答辩评语:_______________________________________________________摘要电力是当今世界使用最为广泛、地位最为重要的能源。
目录1 设计任务 (1)1.1 初始资料 (1)1.2 电力系统与本站连接情况 (1)1.3负荷情况 (1)2 变电站主接线设计 (1)2.1 主接线设计依据 (1)2.2主接线中设备配置 (2)2.3 设计步骤 (3)2.4 主接线方框图 (3)2.5 主接线方案的确定 (4)3 短路电流的计算 (5)3.1 概述 (5)3.2 短路计算的目的 (6)3.3 短路计算方法 (6)4 电气设备的选择 (7)4.1变压器的选择 (7)4.2断路器的选择与校验 (8)4.3隔离开关的选择 (9)4.4母线的选择 (10)5 设计结果 (10)5.1 设计图纸 (10)5.2 设计说明书 (11)1 设计任务1.1 初始资料(1)设计变电所在城市郊外,主要向市区及变电所附近农村和工厂供电(2)确定本变电所的电压等级为35kV/10kV,35kV是本变电所的电源电压,10kV是二次电压(3)出线向用户供电在35KV侧有2回出线,出线回路数在10KV侧有8回1.2 电力系统与本站连接情况电力系统通过35KV主接线,母线与本站直接连接1.3负荷情况该电站在5-10年建设扩建中10KV负荷为10MW。
其中1,2级负荷供电占75%,最小负荷为700MW,功率因数:cosφ=0.9,最大负荷年利用率:Tmax=4000h2 变电站主接线设计2.1 主接线设计依据(1)变电所在电力系统中的地位和作用:一般变电所的多为终端或分支变电所,电压一般为35kV。
(2)变电所的分期和最终建设规模:变电所建设规模根据电力系统5—10年发展计划进行设计,一般装设两台主变压器。
(3)负荷大小和重要性:对于一级负荷必须有两个独立电源供电,且当任何一个电源失去后,能保证全部一级负荷不间断供电,对于二级负荷一般也要两个独立电源供电,且当任何一个电源失去后,能保证全部或大部分二级负荷的供电,对于三级负荷一般只需一个独立电源供电。
(4)系统备用容量的大小:装有两台及以上主变电器的变电所,当其中一台事故断开时其余主变压器的容量应保证该变电所70%的全部负荷,在计及过负荷能力后的允许时间内,应保证用户的一、二级负荷供电。
35KV变电站设计35kV变电站设计1.总的部分本设计对应35kV配电装置采用户外软导线改进中型布置,架空出线;10kV配电装置采用户外软导线中型双列布置,架空出线;主变压器采用2台5MV A三相双绕组自冷式有载调压变压器,户外布置;配置2台容量为0.9Mvar无功补偿并联电容器组,户外布置组合成的方案。
1.1本设计的适用场合(1)规划为末端负荷站。
(2)35kV和10kV均采用架空出线。
(3)偏远地区。
1.2 对设计方案组合的说明35kV变电站设计户外站方案技术组合表1.3 主要技术指标主要技术指标2.电力系统部分2.1 电力系统本设计按照给定的主变压器及线路规模进行设计,在实际工程中,需要根据变电站所处系统情况具体设计。
各电压等级的设备短路电流按如下水平选择:(1)35kV母线的短路电流为:25kA。
(2)10kV母线的短路电流为:16kA。
2.2 系统继电保护及安全自动装置本设计不涉及系统继电保护具体配置,只根据工程规模,推荐组屏方案,配合土建专业进行二次设备的布置。
在实际工程设计阶段,需要根据变电站所处地区电力系统实际情况具体设计。
本设计35kV侧电气主接线为内桥接线,变电站按负荷变电站考虑,不设线路保护。
当考虑变电站有转供电的运行方式时,应增加35kV线路保护。
2.3 系统通信及站内通信本设计不涉及系统通信专业的具体内容,只根据工程规模配合土建专业进行二次设备室的布置。
在实际工程设计阶段,需要根据实际情况确定调度关系、通信方式,并进行通道安排。
(1)变电站监控系统应具有通信监控功能,不再另设通信监控系统。
(2)站内应设程控电话及市话各一部,不设站内总机。
(3)不单独设置通信电源。
2.4 系统调度自动化本设计不涉及调度自动化专业的具体内容,在实际工程中,只根据工程规模配合土建专业进行二次设备室的布置。
在实际工程设计阶段,需要根据实际情况确定调度关系、远动信息内容和通道要求,进行远动设备选型。
1、单电源一台变压器,高供低计
页脚内容1
2、单电源一台变压器,高供高计(负荷开关)
页脚内容2
3、单电源二台变压器,高供高计(负荷开关)
页脚内容3
4、单电源一台变压器,高供高计(断路器)
页脚内容4
5、高压双电源一台变压器,高压单母线,负荷开关
页脚内容5
6、双电源一高一低,一台变压器,高压线变组(负荷开关),低压单母线分段
页脚内容6
7、高压双电源二台变压器,高供高计(负荷开关),高压单母线、低压单母线分段
页脚内容7
8、高压双电源(一主一备)三台变压器,高供高计(断路器),高压单母线、低压环形接线
页脚内容8
页脚内容9
9、高压双电源(两路同供)四台变压器,高供高计(断路器),高压单母线分段、低压多分段,加所变
页脚内容10
110kV降压变电所电气一次部分设计原始资料
页脚内容11。
北京德威特电力系统自动化有限公司DV110105图册编号:工程名称:内蒙呼市和林新营子变电站扩建工程合同编号:02B086设计阶段:施工图设计图册名称:内蒙呼市和林新营子变电站扩建工程审定:审核:校对:设计:2002年6月10日第1张共50张电气图纸(文件)目录序图纸文件名称或内容图号数量备注号1 封面 12 图纸目录 13 图纸说明 14 DVPS-600变电站综合自动化系统配置图02B086BSJK0-1 25 屏柜平面布置总图02B086BSJK0-2 46 中央信号测控接线图02B086BSJK0-3 27 公共端子排图02B086BSJK0-4 18 小母线布置图02B086BSJK0-5 19 35/10kV主变保护监控接线图02B086BSJK0-6 1310 35kV出线保护监控接线图02B086BSJK0-7 411 10kV出线保护监控接线图02B086BSJK0-8 412 电容器保护监控接线图02B086BSJK0-9 413 母线分段保护监控接线图02B086BSJK0-10 414 微机消谐记录装置接线图02B086BSJK0-11 115 母线电压互感器接线图02B086BSJK0-12 316 控制及转换开关接点图附页 117 设备表 1第2张共50张设计说明一:设计依据根据呼和浩特市供电局设计所同北京德威特电力系统自动化有限公司签订的技术协议及提供的有关技术要求进行设计。
二:设计范围根据甲方提供图纸及技术资料,按照合同所列设备进行设计。
本次设计为呼和浩特市和林新营子变电站扩建工程的保护监控部分。
三:标准设计按本企业标准及国家有关电力行业标准进行。
四:说明1.本系统设计所有事故及报警音响均通过CAN网络由微机中央信号监控装置发出。
2.本图仅供参考不指导现场施工。
第3张共50张设 备 表编号名 称 型 号 规 格 数 量设 备 位 置 备注1 微机线路保护监控装置DVP-632 100/5-220 12 微机线路保护监控装置DVP-631 100/5-220 43 微机中央信号监控装置DVP-601 100/5-220 14 微机PT监控装置DVP-671 100/5-220 15 主变差动保护装置DVP-625 100/5-220 16 主变后备保护监控装置DVP-626 100/5-220 17 非电量保护装置 DVP-606 18 微机电容器保护监控装置DVP-641 100/5-220 19 连接片 JL1-2.5/2 4010 切换片 JL1-2.5/3 311 熔断器 RT18-32X/6A 4612 标签框 F31-20/50BH 14013 控制开关 LW2-Z-1a.4.6a.40.20.4/F8514 控制开关 LW2-Z-1a.4.6a.40.20/F8 315 按钮 LA38-22/208 DC250V 2 绿色16 按钮 LA38-20/208 DC250V 13 绿色17 电铃 UZC4-3 DC220V 118 电喇叭 DDZ-1 DC220V 119 中间继电器 DZY-213 DC220V 120 切换开关 K22-33X2A/K 1021 切换开关 K22-11X2A/K 122 信号灯 AD11-22/21-8GZKDC220V 16 红绿各半23 信号灯 AD11-22/21-8GZKDC220V1 白色24 小母线支架 10825 小母线 26。
昆明理工大学成人高等教育毕业设计(论文)任务书设计(论文)题目:某工厂35kV总降压变电所设计学生姓名:学号:专业年级:学习形式:函授□夜大□脱产□函授站:毕业设计(论文)内容:一、高压供电系统设计(根据供电部门提供的资料,选择本厂最优供电电压等级)二、总降压变电所设计1、主接线设计2、短路电流计算3、主要电器设备选择4、主要设备(主变压器)继电保护设计5、配电装置设计6、防雷接地设计(只要求方案)三、设计成果1、设计说明书2、设计图纸二张(1)总降压变电站电气主接线图(2)主变压器继电保护展开图专题(子课题)题目:主变的微机保护设计(选做)内容:1、方案选择与论证2、保护原理分析3、设备选型及整定计算设计(论文)指导教师:(签字)主管教学院长:(签字)年月日设计资料某××厂总降压变电所及配电系统设计一、基础资料1、全厂用电设备情况〈1〉负荷大小用电设备总安装容量:6630kW计算负荷(10kV侧)有功:4522 kW无功:1405kVar各车间负荷统计见表8—1〈2〉负荷类型本厂绝大部分用电设备均属长期连续负荷,要求不间断供电。
停电时间超过两分钟将造成产品报废;停电时间超过半小时,主要设备池,炉将会损坏;全厂停电将造成严重经济损失,故主要车间及辅助设施均为I类负荷。
〈3〉本厂为三班工作制,全年工作时数8760小时,最大负荷利用小时数5600小时。
〈4〉全厂负荷分布,见厂区平面布置图。
(图8—1)表8—1 全厂各车间负荷统计表序号车间名称负荷类型计算负荷Pjs(kW) Qjs(kVar) Sjs(kV A)1 2 3 4 5 6 7 8 9空气压缩车间熔制成型(模具)车间熔制成型(熔制)车间后加工(磨抛)车间后加工(封接)车间配料车间锅炉房厂区其它负荷(一)厂区其它负荷(二)共计同时系数全厂计算负荷IIIIIIIII-IIIII-III78056059065056036042040044047600.95452218015017022015010011016820014480.97140580058061468658037443443448349854735.242、电源情况〈1〉工作电源本厂拟由距其5公里处的A变电站接一回架空线路供电,A变电站110kV母线短路容量为1918MV A,基准容量为1000 MV A,A变电站安装两台SFSLZ1—31500kV A/110kV三圈变压器,其短路电压u高—中=10.5%,u高—低17,u低—中=6%。
摘要变电站是改变电压的场所。
为了把发电厂发出来的电能输送到较远的地方,必须把电压升高,变为高压电,到用户附近再按需要把电压降低,这种升降电压的工作靠变电站来完成。
变电站的主要设备是开关和变压器。
按规模大小不同,称为变电所、配电室等变电站是把一些设备组装起来,用以切断或接通、改变或者调整电压,在电力系统中,变电站是输电和配电的集结点,变电站主要分为:升压变电站,主网变电站,二次变电站,配电站。
一个典型的变电站要求变电设备运行可靠、操作灵活、经济合理、扩建方便。
出于这几方面的考虑,本论文设计了一个35kV降压变电站,此变电站有两个电压等级,一个是35kV,一个是10kV。
同时对于变电站内的主设备进行合理的选型。
本设计选择选择两台主变压器,其他设备如断路器,隔离开关,电流互感器,电压互感器,无功补偿装置和继电保护装置等等也按照具体要求进行选型、设计和配置,力求做到运行可靠,操作简单、方便,经济合理,具有扩建的可能性和改变运行方式时的灵活性。
使其更加贴合实际,更具现实意义。
本文以35kV厂用电变电所设计为例,论述了工厂供电系统中变电所一次二次设计全过程。
通过对变电所的主接线设计,站用电接线设计,短路电流计算,电气设备动、热稳定校验,主要电气设备型号及参数的确定,运行方式分析,防雷及过电压保护装置的设计,电气总平面及配电装置断面设计和无功补偿方案设计,较为详细地完成了电力系统中变电站设计。
关键词:35KV变电所设计负荷计算;短路电流;变压器选择word文档可自由复制I编辑AbstractThe place is change voltage substation. In order to make electricity powertransmission to distant places, must take voltage increases, into high voltage and to users according to need to nearby voltage reduced again, this kind of work by lifting voltage substation to complete. The main transformer substation equipment is switch and transformers. According to size different operations etc, called the substation, the substation is used to assemble some equipment to cut or connected, change or adjusting voltage, in the power system, the substation transmission and distribution of power are mainly divided into the rally point, the substation provids pressor substation, substation, power substation, second, match.A typical substation needs the reliable and flexible operation, the economic rationality and free expansion of the equipments. For the consideration of these aspects, the paper designs a transformer substation of 35kV which has tow level of voltage, one is 35kV, and the other is 10kV. At the same time, choose the rational selection as to the main equipments in substation. This design chooses two main transformers. As to other equipments such as Circuit Breaker, Isolating switch, Current Transformer, Voltage Transformer, Reactive power compensation device, Protective Relay and so on are to be selected, designed, and configured in accordance with specific requirements. In order to make it reliable to operate, easy and simple to manipulate, economical, with the possibility of expansion and flexibility of changing its operation. As to make it more actual and practical significant.This article 35 kV power substation factory to design as an example, this paper discusses the factory power supply system of substation a second design process. Through the design of substation Lord wiring, standing electricity wiring design, short-circuit current calculation, electrical equipment dynamic and thermal stability check, the main electrical equipment model and parameter determination, and operation mode analysis, overvoltage protection device lightning protection and the design, electrical total plane and power distribution equipment design and cross section of reactive power compensation scheme design, are detailed in the power system,completed the substation design.Key words:35kV substation design load calculation; short-circuit current;transformer choiceword文档可自由复制I编辑目录1.引言 (1)1.1工厂供电的意义和要求 (1)1.2工厂供电设计的一般原则 (2)2.原始资料 (4)2.1本厂产品及生产规模 (4)2.2本厂车间组成 (4)2.3设计依据 (4)2.3.1机修厂平面布置图(附后) (4)2.3.2供电协议 (4)2.3.3供电设计 (4)2.3.4机修厂负荷性质 (5)2.3.5机修厂自然条件 (5)3.负荷计算和无功补偿的计算 (6)3.1负荷分级与负荷曲线 (6)3.1.1供电负荷分级及其对供电的要求 (6)3.1.2负荷曲线 (6)3.2负荷计算内容和目的 (7)3.3负荷计算方法 (7)3.4各用电车间负荷计算 (7)3.4.1各车间负荷 (7)3.5全厂负荷计算 (9)3.6无功补偿 (10)3.6.1功率因数对供电系统的影响 (10)3.6.2提高负荷功率因数的意义 (11)3.6.3提高功率因数的方法 (11)3.6.4无功补偿概述 (11)3.6.5无功补偿装置 (12)3.6.6无功补偿的计算 (12)4.主变压器的选择 (15)4.1规程中的有关变电所主变压器选择的规定 (15)4.2主变压器台数的选择 (15)4.3主变压器的容量选择 (15)4.4主变压器形式选择 (16)4.5总变电所的型式 (16)5.主接线的设计 (17)5.1电气主接线概述 (17)5.2主接线的设计原则 (17)word文档可自由复制I编辑5.3变电所主接线方案选择 (17)5.3.1方案一 (17)5.3.2方案二 (18)5.3.3主接线方案的确定 (19)6.短路电流的计算 (21)6.1短路电流概述 (21)6.1.1产生短路的原因和短路的定义 (21)6.1.2短路的危害 (21)6.1.3短路的种类 (21)6.1.4短路电流计算的目的 (22)6.2短路电流标幺值计算方法 (22)6.2.1系统最大运行方式下短路计算 (23)6.2.2系统最小运行方式下的短路计算 (24)6.3短路电流计算结果 (25)7.电气设备的选择 (26)7.1电气设备选择的一般原则 (26)7.2高压断路器的选择与校验 (26)7.3高压隔离开关的选择与校验 (27)7.4电压互感器的选择和校验 (27)7.5电流互感器的选择与校验 (28)7.6高压熔断器的选择与校验 (28)7.7避雷器的选择 (29)7.8高压开关柜的选择与校验 (29)7.8.1进线柜的选择与校验 (30)7.8.2出线柜的校验 (31)7.8.3母联联络柜的选择 (32)7.8.4电压互感器、避雷器柜 (33)8. 变电所高低压线路的选择 (34)8.1高压架空线路的选择与校验 (34)8.2 6kV母线的选择以及校验 (35)9. 继电保护及二次系统 (37)9.1继电保护的任务和要求 (37)9.2工厂高压线路的继电保护 (37)9.2.1过电流保护的动作电流整定 (37)9.2.2电流速短保护的动作电流整定 (38)9.3电力变压器的继电保护 (38)9.3.1 变压器的过电流保护 (39)9.3.2 变压器的电流速断保护 (39)word文档可自由复制I编辑9.3.3 变压器的过负荷保护 (40)9.3.4 变压器的瓦斯保护 (40)9.4 进线柜的动作电流整定 (40)9.4.1定时限过电流保护 (40)9.4.2 电流速断保护 (40)9.5 出线柜的动作电流整定 (41)10.二次部分配置 (42)10.1 二次回路的操作电源 (42)10.2 中央信号装置 (42)10.3 电测量仪表 (43)10.4 变配电装置中各部分仪表的配置 (43)10.5 绝缘监视装置 (44)11.防雷与接地 (45)11.1 架空线路的防雷措施 (45)11.2 变配电所的防雷措施 (45)11.3 接地与接地装置 (46)11.3.1接地种类 (46)11.3.2电力设备接地一般要求 (46)11.3.3保护接地的范围 (47)结论 (48)致谢 (49)参考文献 (50)word文档可自由复制I编辑1 引言1.1工厂供电的意义和要求电能是发展国民经济的基础,是一种无形的、不能大量储存的二次能源。