35kV以下变电站典型主接线图
- 格式:docx
- 大小:271.55 KB
- 文档页数:9
35KV变站电气主接线设计引言:35kV变电站是电力系统的重要组成部分,它起到将高压输电线路的电能进行降压、分配和供应给用户的作用。
为了保证变电站的安全稳定运行,电气主接线设计是十分关键的一环。
本文将对35kV变电站电气主接线设计进行详细阐述。
一、设计依据:2.电站设计规范:DL/T5183-2024变电站工程电气设计规范3.设备选型:参考国内外类似变电站、设备厂商评价、性价比分析等综合考虑二、设计步骤:1.需求分析:了解变电站的运行需求,包括负荷需求、电力分配需求、电能质量要求等。
2.主接线图设计:根据变电站的功能布置、设备选型、负荷需求等,设计主接线图。
主接线图应满足以下要求:-各设备之间的连接合理,布置紧凑。
-确保每个设备的最大电流能够通过。
-考虑主变压器的容量和并联变压器的选取。
-考虑备用设备的串并联,保证可靠性。
3.主接线布置设计:确定设备的放置位置,遵循以下原则:-各设备之间的距离符合安全操作和维护的要求。
-保证设备的冷却通风良好。
-考虑设备的重量和重心,保证稳定性。
4.主接线回路计算:根据电压等级、负荷要求等进行主接线回路计算。
计算包括电缆选型、电缆截面积确定、电缆长度计算、电缆负载流计算等。
5.系统接地设计:根据设计图纸和电气设备布置要求进行系统接地设计,包括接地电阻计算,接地极数量和布置等。
6.设备连接设计:根据设备类型和工作要求,确定设备之间的电缆连接,考虑电缆长度、连接方式等。
7.安全与可靠性设计:根据标准和规范,设计接地保护装置、电流互感器、电压互感器、分段绝缘开关等设备的选择和布置。
三、设计要点:1.主接线图设计时要考虑最大电流负荷,以及备用线路的布置,确保变电站的可靠性和灵活性。
2.设备的放置位置要合理,不能影响设备的冷却和通风,且便于操作和维护。
3.电缆的选型要充分考虑电流载流量、电压降和线损等因素,并满足国家标准和工程要求。
4.系统接地设计要符合标准和规范,确保人员安全和设备的可靠性。
变电站一次系统图1、单母线接线特点:只有一组母线,所有电源回路和出线回路,均经过必要的开关电器连接到该母线上并列运行。
主要优点:接线简单、清晰,所用电气设备少,操作方便,配电装置造价便宜。
主要缺点:适应性差,母线故障或检修,全部回路均需停电;任一回路断路器检修,该回路停电。
适用范围:单电源的发电厂和变电所,且出线回路数少,用户对供电可靠性要求不高的场合;10kV纯无功补偿设备出线(电容器、电抗器)。
2、单母线分段接线特点:与单母线接线方法相比,增加了分段断路器,将母线适当分段。
当对可靠性要求不高时,也可利用分段隔离开关进行分段。
母线分段的数目,决定于电源的数目,容量、出线回数,运行要求等。
母线分段一般分为2-3段。
优点:母线发生故障时,仅故障母线段停电,缩小停电范围;对重要用户由两侧共同供电,提高供电可靠性;缺点:当一段母线故障或检修时,与该段所连的所有电源和出线均需断开,单回供电用户要停电;任一出线断路器检修,该回路要停电。
适用:6~10kV,出线6回以上;35~66kV,出线不超过8回时;110~220kV,出线不超过4回时。
3、单母线分段带旁路母线接线优点:增设旁路母线,增设各出线回路中相应的旁路隔离开关,解决出线断路器检修时的停电问题。
为了节省投资,可不专设旁路断路器,而用母线分段断路器兼作旁路断路器。
因为电压越高,断路器检修所需的时间越长,停电损失越大,因此旁路母线多用于35kV以上接线。
适用:6~10kV接线一般不设旁路母线;35~66kV,可设不专设旁路断路器的旁路母线;110kV出线6回以上,220 kV出线4回以上,宜用专设旁路断路器的旁路母线;出线断路器使用可靠性较高的SF6断路器时,可不设旁路母线。
4、双母线接线优点:两条母线互为备用,一条母线检修时,另一条母线可以继续工作,不会中断对用户的供电;任一母线侧隔离开关检修时,只需断开这一回路即可;工作母线故障时,所有回路能迅速切换至备用母线而恢复供电;可将个别回路单独接在备用母线上进行特殊工作或试验;因而可靠性高,运行方式灵活,便于扩建。
2×8MW(a)2×10MVA1G G1TG2G2T110KV 35KV2×8MW(b)20MVAG1G 2GG110KV2T2G(c)2×8MW2×10MVAG 1G1T G35KVTMY-100X8ZN21-10/1250配CD10ⅢLZZBJ-101000/5 0.5/10P 2×(ZR-YJV 22-6/3×240)RN2-6/0.5ASFWG8000-6/4950Ue=6.3kV Ie=916.45A COSφ=0.8LZX-10Q800/5 0.5/10PJ Y N 2-10-03(改)1G励磁变(厂家配套)励磁互感器(厂家配套)JDJ-6 36 0.1√3√J Y N 2-10-17J Y N 2-10-18RN2-6/0.5A 36 0.1 0.1JDZJ-63√√3J Y N 2-10-20√ 6 0.1 0.1√333JDZJ-6RN2-6/0.5AHY5WZ-10/302G同左ZN21-10/2500配CD10ⅢLFZJ-102000/5 0.5/0.5/10/10PJ Y N 2-10-03SF9-20000/110Y,d11121±3×2.5%/6.3kV U k %=10.5%LGJ-120GW4-110DW/630左接地LW25-1261250A,40kA GW4-110DW/630双接地LCWB 6-110100/50.2/0.5/10P/10PTYD-110/ -0.07H 3√LRD-60-B 50/5GW4-110DW/630双接地JDCF-110Y5W1-100/260√110 0.1 0.13√√33GW 13-60G/400Y1W-73/15ZN21-10/630配CD10ⅢLZZBJ-10100/5 0.5/10P J Y N 2-10-03ZR-YJV 22-6/3×50SC9-800/6.3D,yn116.3±5%/0.4kV Ud%=7LMZ1-0.5 1200/5LMZ1-0.5 1200/5SC9-800/10D,yn1110±5%/0.4kV Ud%=7ZR-YJV 22-10/3×50LZZBJ-10100/5 0.5/10PZN21-10/630配CD10ⅢJ Y N 2-10-06(改)ZR-YJV 22-10/3×5010kV外来电源J Y N 2-10-19JDZJ-10HY5WZ-17/51RN2-10/0.5A10/0.1kV0.4kVLMY100×8-40×8DW15-1200DW15-1200DW15-12000.1LMY100×8-40×8G~G~TMY-100X8GW4-110DW/630左接地图5-19 某水电站电气主接线全图图5-20 地区变电所接线8回35kV220kV4 回2×120MVA至无功补偿装置6 回2×60MVA4回2×10MVA1T图5-21 终端变电所接线4回10kV2T110kV 35kVVV22-13×50+1×251#厂变进线V 42L6-A,0~150A DT864-2,380/220V,3(6A)42L6-V,0~450V说明:BT95O9为事故照明切换板,其直流电源用VV22-1-2×4电缆引至直流屏。
第5、6章图形第五章图形L1 L2 L3 L4WBQS LQFQS BL4L1L2L3QS LQFQS BWBⅠ段Ⅱ段QFd电源Ⅰ电源Ⅱ电源Ⅰ电源Ⅱ图5-1不分段的单母线接线图5-2单母线分段接线L1 L2 L3 L4L1L2WBa1QSaQSa1WBa QSa2 1QF QFa QFaWBⅠ段WBⅡ段QFd 电源Ⅰ电源Ⅱ电源Ⅰ电源Ⅱ图5-3单母线带旁路母线接线图5-4单母线分段带旁路母线接线L2L1QSa1QSa2WBaQS SQS61QF QFd 2QF L11QFQSa1WBaQS4QFaL2QSa22QFⅠ段QS3WBQS4Ⅱ段Ⅰ段QS5WBQS3Ⅱ段QS1QS2QS1QS2电源Ⅰ电源Ⅱ电源Ⅰ电源Ⅱ图5-5 分段断路器兼作旁路断路器接线图5-6 旁路断路器兼作分段断路器接线L1 L2 L3L1L2 L31QSⅡ1QSⅠⅡ段Ⅰ段WBⅡ段Ⅰ段WB1QSⅡ1QSⅠQSjⅡQS jⅠQS jⅡQS jⅠ1QF QFj电源Ⅰ2QF电源Ⅱ1QF电源ⅠQFj2QF电源Ⅱ图5-7双母线接线L1L2 L3L4图5-8 用母联断路器代替出线断路器时电流的路径QFj1Ⅱ段Ⅰ段QFj2电源Ⅰ电源Ⅱ图5-9双母线分段接线L1L2 L3L1L2 L3WBa WBaQSa QSa1QFa QFjQS jⅡQS jⅠⅡ段Ⅰ段WBⅡ段Ⅰ段WB电源Ⅰ(a)电源Ⅱ电源Ⅰ(b)电源Ⅱ图5-10双母线带旁路接线(a)标准接线图5-10 双母线带旁路接线(b)母联断路器兼作旁路断路器接线(一)Ⅱ段L1 L2 L2WBⅡL1 L2 L3QS jⅡWBa QSaQFjQS jⅠⅡ段Ⅰ段WBⅠ段WBⅠ电源Ⅰ电源Ⅱ(c)图5-10双母线带旁路接线(c)母联断路器兼作旁路断路器(二)电源Ⅰ电源Ⅱ图5-11 一台半断路器接线L1 L2L1L21QF2QF3QF3QFQS1QS21QF2QF1T 2T1T2T(a)(b)图5-12桥形接线(a)内桥接线;(b)外桥接线G G G(a) (b) (c)图5-13 单元接线(a)发电机-变压器单元(b)发电机-三绕组变压器单元(c)发电机-自耦变压器单元G G图5-14扩大单元接线WL WLG (a)G G(b)(a) (b)图5-16 多角形接线图5-15 发电机-变压器-线路单元接线(a)四角形接线(b)三角形接线35KV 近区负荷10KV35KV近区负荷10KV4MVA8MVA2MVA4MVA 8MVA 2MVA6.3KV 6.3KVG1G 2G 3G G1GG2G G3G 3×3.2MW(a)(b)G G图5-17例5-1方案接线图(a)方案5-1-1接线,(b)方案5-1-2接线35KV 110KV35KV110KV1T 2T2×10MVA20MVA1T2T2×10MVAG1G G2G2×8MW(a)G1G2×8MWG2G G1G2×8MWG2G(b)(c)(a)方案5-2-1接线,(b)方案5-2-2接线,(c)方案5-2-3接线注:图5-19 见:“主接线厂用电实例”图图5-18 例5-2方案接线图LRD-60-B 50/5GW 13-60G/400Y1W-73/15GW4-110DW/630。
变电站主接线图(解释)变电站⼀次系统图1、单母线接线特点:只有⼀组母线,所有电源回路和出线回路,均经过必要的开关电器连接到该母线上并列运⾏。
主要优点:接线简单、清晰,所⽤电⽓设备少,操作⽅便,配电装置造价便宜。
主要缺点:适应性差,母线故障或检修,全部回路均需停电;任⼀回路断路器检修,该回路停电。
适⽤范围:单电源的发电⼚和变电所,且出线回路数少,⽤户对供电可靠性要求不⾼的场合;10kV纯⽆功补偿设备出线(电容器、电抗器)。
2、单母线分段接线特点:与单母线接线⽅法相⽐,增加了分段断路器,将母线适当分段。
当对可靠性要求不⾼时,也可利⽤分段隔离开关进⾏分段。
母线分段的数⽬,决定于电源的数⽬,容量、出线回数,运⾏要求等。
母线分段⼀般分为2-3段。
优点:母线发⽣故障时,仅故障母线段停电,缩⼩停电范围;对重要⽤户由两侧共同供电,提⾼供电可靠性;缺点:当⼀段母线故障或检修时,与该段所连的所有电源和出线均需断开,单回供电⽤户要停电;任⼀出线断路器检修,该回路要停电。
适⽤:6~10kV,出线6回以上;35~66kV,出线不超过8回时;110~220kV,出线不超过4回时。
3、单母线分段带旁路母线接线优点:增设旁路母线,增设各出线回路中相应的旁路隔离开关,解决出线断路器检修时的停电问题。
为了节省投资,可不专设旁路断路器,⽽⽤母线分段断路器兼作旁路断路器。
因为电压越⾼,断路器检修所需的时间越长,停电损失越⼤,因此旁路母线多⽤于35kV以上接线。
适⽤:6~10kV接线⼀般不设旁路母线;35~66kV,可设不专设旁路断路器的旁路母线;110kV出线6回以上,220 kV出线4回以上,宜⽤专设旁路断路器的旁路母线;出线断路器使⽤可靠性较⾼的SF6断路器时,可不设旁路母线。
4、双母线接线优点:两条母线互为备⽤,⼀条母线检修时,另⼀条母线可以继续⼯作,不会中断对⽤户的供电;任⼀母线侧隔离开关检修时,只需断开这⼀回路即可;⼯作母线故障时,所有回路能迅速切换⾄备⽤母线⽽恢复供电;可将个别回路单独接在备⽤母线上进⾏特殊⼯作或试验;因⽽可靠性⾼,运⾏⽅式灵活,便于扩建。
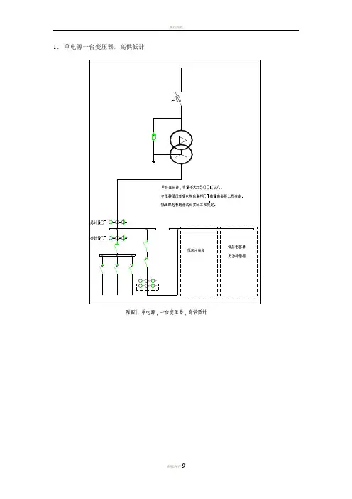
1、单电源一台变压器,高供低计
页脚内容1
2、单电源一台变压器,高供高计(负荷开关)
页脚内容2
3、单电源二台变压器,高供高计(负荷开关)
页脚内容3
4、单电源一台变压器,高供高计(断路器)
页脚内容4
5、高压双电源一台变压器,高压单母线,负荷开关
页脚内容5
6、双电源一高一低,一台变压器,高压线变组(负荷开关),低压单母线分段
页脚内容6
7、高压双电源二台变压器,高供高计(负荷开关),高压单母线、低压单母线分段
页脚内容7
8、高压双电源(一主一备)三台变压器,高供高计(断路器),高压单母线、低压环形接线
页脚内容8
页脚内容9
9、高压双电源(两路同供)四台变压器,高供高计(断路器),高压单母线分段、低压多分段,加所变
页脚内容10
110kV降压变电所电气一次部分设计原始资料
页脚内容11。
35kv变电站设计电气主接线选择(三)《电力工程技术》一书作为:全国电力职业教育规划教材、'十三五'普通高等教育规划教材,即大学电力课本教材,预订详询微信:dianli369,目录详见如下链接:《电力工程技术》一书目录,2016年9月中国电力出版社出版!3.1电气主接线的设计原则和要求变电站设计是否合理,供电和运行是否安全可靠,很大程度上取决于主结线的选择,因此,选择主结线应进行多方案的技术经济比较后决定。
变电站电气主接线系指变电所的变压器,输电线路怎样与电力系统相连接,从而完成输配电任务。
变电所的主接线是电力系统接线组成的一个重要组成部分。
主接线的确定,对电力系统的安全、稳定、灵活、经济运行以及变电所电气设备的选择、配电装置的布置、继电保护和控制方法的拟定将会产生直接的影响。
3.1.1 主接线的设计原则1、考虑变电所在电力系统中的地位和作用变电所在电力系统中的地位和作用是决定主接线的主要因素。
变电所是枢纽变电所、地区变电所、终端变电所、企业变电所还是分支变电所,由于它们在电力系统中的地位和作用不同,对主接线的可靠性、灵活性、经济性的要求也不同。
2、考虑近期和远期的发展规模变电所主接线设计应根据5~10年电力系统发展规划进行。
应根据负荷的大小和分布、负荷增长速度以及地区网络情况和潮流分布,并分析各种可能的运行方式,来确定主接线的形式以及所连接电源数和出线回数。
3、考虑负荷的重要性分级和出线回数多少对主接线的影响对一级负荷,必须有两个独立电源供电,且当一个电源失去后,应保证全部一级负荷不间断供电;对二级负荷,一般要有两个电源供电,且当一个电源失去后,能保证大部分二级负荷供电。
三级负荷一般只需一个电源供电。
4、考虑主变台数对主接线的影响变电所主变的容量和台数,对变电所主接线的选择将产生直接的影响。
通常对大型变电所,由于其传输容量大,对供电可靠性要求高,因此,其对主接线的可靠性、灵活性的要求也高。
图7-50 35kV 变电站电气主接线图 1.建立新文件
(1)启动AutoCAD 2014应用程序。
(2)在命令行键入命令“NEW”或单击快速访问工具栏上的
按钮,在弹出【选择样板】对话框中选择样板文件为“变电站电气工程图用样板.dwt”。
(3)单击快速访问工具栏上的
按钮,在弹出的【图形另存为】对话框中设置【文件类型】为“AutoCAD 2010/LT2010图形(*.dwg)”,输入【文件名】为“35kV 变电站电气主接线图.dwg”,并设置文件保存路径。
2.电气主接线图
(1)设定绘图区域
设定绘图区域大小为600×400。
(2)绘制高压线路部分
① 用多段线绘制长度为324,宽度为1.5的水平母线,然后将其向
下偏移120,将偏移后的多段线分别水平向左、向右各拉伸40,形成下
侧母线,结果如图7-51(a)所示。
② 以距点A(7,25)处为起点向下绘制长为100的线段,然后将其
在点A 处打断,将打断后的长线向右偏移,偏移量依次为15、15、30、
25、25、10、30、15、25、20、10、30、20、15、25,并在最右侧的
竖直线上端点向上绘制长度为25的线段,结果如图7-51(b)所示。
35kV 变电站电气主接线
图的绘制(1)。
1、单电源一台变压器,高供低计
MW500KVA ・
昶 您电柜搐姐发由莫际J
:!Wbt ・
Mkt ・CT 4_x|>
WB1单电13 -^3tO,
岛供低什
______ I I _______
衍图2 单电况一台爽扭器.
豪供高计
_x\ --
厂叩
蛊趟白十戌戈归冯.
25UkVA*
傀三宜屯疗社晤式臣突球二框块文.
IK 4
F —
—
EP
罕
-13
*
fnr_
■
Il I
11 能击贼|
II I
I
*=;.-;
I II mm
I削嘿电11
I II上鍊矶
I i^ut
I
I JttHf
htl3电特匚蚁肾遥毅询見秽酬
4、单电源一台变压器,高供高计(断路器)
, *«630KVA^±.
吏用事阿it爱金it恳卬疽「j if寓壽二显嫌瓷.
冗;诞議&』去n .程喊宜.
1----------- I II---- 三
1 H
I I
I I I
I I I 抚庙毛尊基
I 1t£zrti 址枪| |
I I I 止曲声鼻豪
I I I I
吋图埠啊龜•一停赍压器,贏J&飾u鼻.高供閒计
5、高压双电源一台变压器,高压单母线,负荷开关
2牡
丸
ilWfU r tfi250kVAJUK
松卡駆世粧u i莊丄Ik赶
HtE5
6、双电源一高一低,一台变压器,高压线变组(负荷开关)
,低压单母线分段
嘗朴匸
i
I 健損” ||
11
II Xit-5
MH
7、高压双电源二台变压器,高供高计(负荷开关),高压单母线、低压单母线分段
8、高压双电源(一主一备)三台变压器,高供高计(断路器) ,高压单母线、低压环形接线
i ________________________________________________ ___________________________________ ____ ________________________________________________________________________________________
______________
9、高压双电源(两路同供)四台变压器,高供高计(断路器),高压单母线分段、低压多分段,加所变
"Ju.=
*
p
七
J J. ----
J
—
-::L
-1
1 E牟1$f
L!r~111
* 1 1r ■L i:*
*9 * tl »
咏冷: 厂1。