江苏省建设工程施工图设计节能报审表(居住建筑)
- 格式:docx
- 大小:29.66 KB
- 文档页数:7
民用建筑节能施工图设计文件报审须知
为加强建筑节能设计审查,缩短审查周期,根据江苏省人民政府令第59号《江苏省建筑节能管理办法》的要求,结合施工图审查的有关规定,对民用建筑节能设计的报审要求明确如下:
一、节能设计范围
1、民用建筑,含居住建筑、公共建筑、工业建筑项目中具有民用建筑功能的建筑。
2、既有建筑加层、立面改造等涉及围护结构的改造部分。
二、节能报审资料
1、节能计算书,须注明选用计算软件及版本号、有责任人签字、加盖设计单位章。
公
共建筑采用集中空调的还须提供暖通计算书。
2、符合编制深度规定要求的建筑节能设计专篇。
居住建筑设计专篇包含建筑、电气专
业;公共建筑设计专篇包含建筑、电气、暖通专业。
三、太阳能热水系统应用
1、范围:新建、改建、扩建的宾馆、酒店、商住楼等有热水需要的公共建筑以及12
层及以下住宅(含农民拆迁安置房)。
2、拟减少应用或不应用太阳能热水系统的应按澄建总【2008】18号文要求先行审批,
审批通过后方可进行施工图报审。
四、节能设计变更
1、2009年12月1日以后接审的项目,我中心不再受理降低原节能设计标准的变更。
2、2009年12月1日以前审查合格的项目,节能尚未施工的项目如需进行节能设计变
更,须提供以下资料:
变更项目申报表(3份);
变更后的节能计算书(1份);
写入变更内容的完整的节能设计专篇(4份);
原审查通过的节能设计专篇(2份);
节能计算全套电子文档(含节能计算模型);
加盖审查通过章的全套建施图(1份)。
江苏省建筑设计方案节能设计审察表
工程名称 :
方案编号 :
建设单位 :
设计单位 :
江苏省住宅和城乡建设厅监制
江苏省建筑设计方案节能审察表
一、建筑基本状况
建设单位名称:
(盖印)
(一)
法定代表联系人
单位
设计单位
概略
名称
设计人
项目名称
建设地址
节能设计标准□ 50%□ 65%(二)
工程项
目概略
项目性质□居住建筑
单位
代码
联系
电话
单位
代码
项目负责
人(盖注
册单)
天气分区
□更高()
□甲类建筑□公共建筑
□乙类建筑
建筑面积建筑高度
建筑层数构造系统
(三)1、民用建筑设计方案总平面图、平面图、立面图、剖面图;附件 2、项目建筑设计方案节能设计专项说明。
收件人收件日期
二、节能设计方案重点介绍
围护构造节能
举措
公共建筑采暖通风
与空调系统节能措
施
可重生能源应用
照明电气系统节能
举措
其余节能举措
三、节能设计审察状况
审
查
意
审察人员(署名):
见
江苏省民用建筑工程设计施工图
建筑节能审察人员专项审察号:
(江苏省建筑设计方案
节能审察专用章)
年月日
说明: 1、方案编号与工程名称相对应。
2、表中一、二由报审单位填写、供给。
居住建筑施工图设计(建筑节能)报审表
所属市(区、县):
建筑气候分区:寒冷地区□夏热冬冷地区□200 年月日
特别承诺:本表所提供审查的全部数据、信息均真实反映了本工程的实际情况.如有任何虚假成分,本单位及有关人员愿承担相应的行政和法律责任!
设计项目负责人(签章)
设计单位法定代表人(签章)
设计单位(公章)
本页以下内容及下表中审查结论由审查单位填写
注:1、审查依据:
1)《实施工程建设强制性标准监督规定》建设部令第81号;《民用建筑节能管理规定》建设部令第143号:
2)《公共建筑节能设计标准》(GB50189—2005);《夏热冬冷地区居住建筑节能设计标准》JGJ134-2001;《江苏省民用建筑热环境与节能设计标准》DB32/478-2001;
3)关于下发《江苏省民用建筑热环境与节能设计标准》强制性条文的通知.
2、有关指标的计算应另附计算书或说明.。
江苏省建筑设计方案节能设计审查表建筑节能是我国可持续发展战略的重要组成部分,对于节约能源、保护环境、提高人民生活质量具有重要意义。
江苏省作为我国经济发达的省份之一,对建筑节能设计的要求也日益严格。
为了确保建筑设计方案符合节能标准,江苏省制定了建筑设计方案节能设计审查表,以规范和指导节能设计审查工作。
一、审查表的目的和作用江苏省建筑设计方案节能设计审查表的主要目的是对建筑设计方案中的节能措施和技术进行全面审查,以确保建筑在使用过程中的能源消耗符合国家和地方的节能标准。
通过审查表的使用,可以有效地监督和管理建筑节能设计,促进建筑节能技术的应用和发展,提高建筑能源利用效率,减少能源浪费和环境污染。
审查表的作用主要体现在以下几个方面:1、规范审查流程:审查表为建筑节能设计审查提供了统一的标准和流程,使审查工作更加规范化、标准化,提高审查效率和质量。
2、保证节能效果:审查表对建筑节能设计的各个方面进行了详细的规定和要求,能够确保建筑设计方案中的节能措施和技术得到有效落实,保证建筑的节能效果。
3、促进技术创新:审查表的不断更新和完善,能够引导建筑设计师和相关企业积极采用新的节能技术和材料,推动建筑节能技术的创新和发展。
4、加强监督管理:审查表为政府部门对建筑节能设计的监督管理提供了依据,有助于加强对建筑节能工作的监管力度,保障建筑节能政策的贯彻执行。
二、审查表的主要内容江苏省建筑设计方案节能设计审查表通常包括以下几个方面的内容:1、项目基本信息:包括项目名称、建设地点、建筑面积、建筑类型、建设单位等。
2、建筑围护结构节能设计:外墙:外墙的保温材料、保温层厚度、传热系数等。
屋面:屋面的保温材料、保温层厚度、传热系数等。
外窗:外窗的类型、玻璃品种、窗框材料、遮阳措施、传热系数、气密性等。
门:门的类型、传热系数等。
3、空调与通风系统节能设计:空调系统形式:如集中式空调系统、分散式空调系统等。
冷热源设备:冷热源设备的类型、能效比等。
项目编号:特别承诺:一、本单位对本报审表所填写内容及所附报审资料的真实性、准确性负责,如因弄虚作假等产生不良后果的,本单位自愿承担相应法律责任!二、本单位将严格按照本表附件1之“有关事项说明”,配合完成审查工作,如因本单位原因产生不良后果的,本单位自愿承担相应责任!建设单位(公章):建设单位法定代表人(签章):报审时间:附件1:一、房屋建筑及市政基础设施工程【含基础、设计变更及深基坑等】施工图审查流程二、有关事项说明1、建设单位在项目报审时,必须同时提交本表【一份】,本表所填项目名称【含子项】必须与所报送施工图设计文件【含勘察文件】的名称一致,表中“房屋建筑工程各单体概况”应严格按照建设部《工程设计资质标准》(2007年版)及江苏省建设厅《工程勘察设计资质分级标准汇编》(2001年版)填写,否则不予受理。
2、建设单位在领取审查意见书时,请一并领取收费通知单并在办理施工图审查合格手续前缴纳相关费用。
3、自收到审查意见书后,建设单位应督促勘察、设计单位在一周内完成审查意见回复,最长不得超过2个月,如超过2个月仍未回复的【包括历次回复间隔超过2个月的】,将视为审查终止,我中心不再保留该项目所有审查资料。
4、技术性审查工作结束后,建设单位应在三月内到我中心办理相关手续,逾期未办理的,我中心不承担相关责任和保存图纸【含勘察文件】的义务。
5、若修改内容涉及各专业图纸有重大变更的,则应按要求重新申报施工图审查。
6、建设单位应当妥善保存审查资料,包括:审查意见书、回复意见书【含变更通知单】、合格盖章图纸、施工图审查合格证、抗震审查合格证,以上资料如遗失无法补办。
7、建设单位应积极配合管理部门有关施工图审查的检查工作,及时提供审查合格的勘察文件、施工图设计文件【包括:回复意见】、审查意见书及审查合格书等。
附件2:1、各专业至少应有设计、校对、审核各一人。
2、建筑、结构专业必须加盖注册执业印章,注册师应按有关规定担任项目或专业负责人。
江苏省建筑工程施工图设计审查报审表项目名称:建设单位:填报日期:年月日接受单位:接受日期:年月日经办人:编号:江苏省建设厅监制盐城市设计质量管理和施工图审查须知一、建设单位必须遵守先勘察、后设计、再施工的法定建设程序,严格遵守先委托勘察,先期将勘察报告委托图审机构审查的原则,设计单位应在取得审查合格的勘察报告再进行工程设计。
二、市外(省外)勘察设计单位进盐承揽业务,须按省建设厅、市建设局规定办理进市备案登记手续。
市建设局办理时间统一为每周工作日一、三、五的上午。
三、严格执行工程建设强制性条文和图审限时(5天)回复制、对设计发生的严重安全隐患问题、违反强条超指标较多、图审一次整改回复不合格或时间超过7天的,予以公开曝光和依法查处。
设计单位须提供图审联络员、各专业设计人员联系电话,以利及时解决图审技术问题、提高服务效率。
四、开发类住宅小区的公建配套(小区环境景观、绿化、设施)项目,应依照规划总平、市建设局审查通过的初步设计编制施工图文件,并先于建筑单体施工图报审。
五、严格执行江苏省建筑节能地方标准、设计文件深度要求编制节能专篇。
盐城市区的建设项目,须按市政府规定执行居住节能65%标准、公共建筑选择绿色建筑标准、可再生能源建筑利用技术等一项的规定。
六、新建建筑须按规定统一安装太阳能热水利用系统编制太阳能热水系统应用专篇。
七、本市建筑工程禁止使用砖混结构、底框结构、预制多孔板、粘土制品墙材、水泥搅拌桩、硫磺胶泥接头,学校、医院等建筑禁止使用单跨框架,住宅工程禁止使用外墙保温砂浆。
八、居住建筑抗震构造措施国家规范标准提高一度。
现浇楼厚度、双层双向钢筋配置执行省质量通病防治标准。
以上有关规定和文件依据,请登陆盐城市建设局、市图审中心网站查阅、盐城市建设局二OO九年十月九日设计人员名单附件材料:1、江苏省建筑工程施工图设计审查报审表1份。
2、经审查合格盖章的地质勘探报告(单体建筑超过1万M22份)、3、设计合同复印件1份(核对原件)4、工程规划许可证副本复印件1份(核对原件)5、施工图(包括建筑、结构、给排水、电气、暖通等)不少于4套及施工图电子文件(光盘)一套。
word专业资料-可复制编辑-欢迎下载报审须知一、审查程序1、领填报审表一式三份;(建设单位在岩土工程勘察报告前置性审查合格后,可至本中心或市建设局建设工程管理处或行政审批中心建设局窗口领取房屋建设工程施工图审查报审表)2、报审并提交相关资料;(带齐前页所列资料至濠西路39号华侨花苑1号商办楼五楼审图中心报审)3、清核资料后受理报审;(若资料齐全,本中心将及时安排审查;若资料不全,由建设单位补齐后报审)4、组织审查并出具报告;(审查一次性合格的,我中心向建设单位发放《审查合格证书》并返还本中心存档以外的加盖审图专用章全套施工图、岩土勘察报告;审查一次性不合格的,向建设单位提出审查意见,出具《审查意见书》)5、缴费用后领取意见书;(建设单位在接到通知后应及时至本中心缴纳审查费用并领取审查意见书)6、组织修改后回复意见;(审查一次性不合格的,由建设单位提请勘察、设计单位根据审查意见书进行修改,经调整修改后形成书面的回复意见及设计变更单送至我中心复审。
回复意见一式2份,设计变更单一式5份)7、组织复审并出具意见;(复审一次性通过的,向建设单位发放审查合格证书,返还本中心存档以外的加盖审图专用章全套施工图、岩土勘察报告及设计变更单;复审一次性不通过的,本中心出具复审意见,建设单位应及时将意见送原勘察、设计单位并提请再修改,经调整修改后再次送审,直至审查合格)二、审查时限1、特级、一级建筑工程、大型市政工程审查时限为15个工作日。
2、二级及以下建筑工程、中型及以下市政工程审查时限为10个工作日。
3、以上审查时限是指资料齐全后的审查开始至出具意见书的时间,不包括需由建设单位提请勘察、设计单位对原施工图的调整修改、回复时间。
4、建设单位在收到审查意见书一个月内未到我中心进行复审,则作自动放弃处理。
若该项目需继续实施,应重新报审。
三、审查收费1、民用建筑工程设计按项目等级收取1.2~1.4元/平方米。
2、市政工程及专项工程(含建筑装饰、幕墙、轻型钢结构、建筑智能化专项工程)根据工程预算按0.5‰~0.9‰收取。
工程编号:10- 证书编号:[2010]号江苏省建设工程抗震、施工图设计审查报审表项目名称:建设单位: (公章)接审单位:宿迁市建设工程设计审核有限公司泗洪分公司收件日期年月日接审人:江苏省建设厅印制注意事项:一、勘察设计单位应履行告知义务,先期报审建设工程勘察报告审查,施工图审查需一次性提供法人声明、七套施工图和技术性审查资料;资料齐全,接审;资料不齐全,建设单位补齐资料后送审。
二、居住建筑总平面设计内容应包括:总平面图、竖向布置图、管道综合图、绿化及建筑小品布置图、配套公共服务设施布置图。
三、建筑设计总说明中应有节能设计专篇,并与节能报审表、热工计算书内容一致。
内容:建筑体形、各朝向窗墙面积比、所采用围护结构的传热系数以及门窗的气密性等级和外遮阳等。
采用固定遮阳的,应具体表明其构件及尺寸,并提供计算文件及结果。
采用活动遮阳时,应表现具体做法和节点构造。
四、按照《建筑工程建筑面积计算规范》GB/T50350-2005要求计算建筑面积,组团项目提供单体详表。
五、施工图纸应设计签章栏,便于出图专用章、执业印章、审查合格章集中签署,统一使用红色印泥,确保印章字迹清晰。
各专业三级签字人员姓名应有打印版和手签版,并加盖注册执业人员印章,以便登记、审查相关人员执业行为。
六、建设单位应将审查意见的回复单及变更通知单(必须三级签字、出图章齐全)、修改图及目录一式七份提交审查机构复审,否则不予接收。
七、交底时建设单位应将审查机构的审查意见书、回复意见及相应的设计变更一并交监理单位、施工单位随施工图一并实施。
八、凡涉及工程建设强制性标准(节能标准)和《宿迁市建设工程施工图技术要求(第一期)》中规定的变更内容时,必须报经原审查机构审查合格后方可实施。
审查意见书、回复意见未进行设计交底,需审查的设计变更未经审查,勘察设计单位不得签署验收意见。
九、建设单位应严格遵守上述事项,确保报审资料真实、准确,并承担相应责任。
审图机构内部审查流程表项目地址:/审查阶段及资料目录。
江苏省居住建筑施工图绿色设计专篇(电气〉一、项目名称:三、设计依据:1.《江苏省绿色建筑设计标准》00132/1173-20142.《绿色建筑评价标准》GB/T50378-20143.《民用建筑绿色设计规范》JGJ/T229-20104.《建筑照明设计标准》GB50034—20135.《民用建筑太阳能热水系统应用技术规范》GB50364-2005 (第5.6节)6.《建筑太阳能热水系统设计、安装与验收规范》DGJ32/J 08—20087.《住宅建筑规范》GB50368—20058.《住宅设计规范》GB50096-20119.《民用建筑电气设计规范》10116-200810.《江苏省绿色建筑施工图设计文件编制深度规定》(2014年版)11.国家、省、市现行的其它建筑节能相关的法律、法规。
四、本设计与绿色设计有关的内容为:照明节能设计、供配电系统节能设计。
五、照明节能设计:1.本工程公共部位的照明釆用高效光源、高效灯具。
2.本工程所采用灯具功率因数均要求大于0.9,镇流器应符合国家能效标准。
3.照明系统采取节能延时开关控制、定时控制、照度调节等节能控制措施。
应急照明采用节能自熄开关时,在应急时采用强制点亮的措施。
六、供配电系统节能设计1.每户设置电能计量表。
2.电动机应采用高效节能产品,其能效应符合《中小型三相异步电动机能效限定值及能效等级》GB18613节能评价值的规定。
3风机、水泵、电梯节能控制要求:。
七、与绿色建筑设计有关的其它设计要求:1.电气竖井设置在负荷中心。
本工程设计了智能系统。
(备注:智能系统如建设单位专项委托设计,应专项报审)。
江苏省民用建筑绿色设计规范(征求意见稿)1.总则1.0.1为推广绿色建筑,指导江苏省民用建筑的绿色设计,制定本规范。
1.0.2本规范适用于江苏省新建、改建和扩建民用建筑的绿色设计与管理。
1.0.3绿色设计应统筹考虑建筑全寿命期内建筑功能和节能、节地、节水、节材、保护环境之间的辩证关系,体现经济效益、社会效益和环境效益的统一;应降低建筑行为对自然环境的影响,遵循健康、简约、高效的设计理念,实现人、建筑与自然和谐共生。
1.0.4民用建筑的绿色设计除应符合本规范的规定外,尚应符合国家和江苏省现行有关标准的规定。
2.术语2.0.1 绿色建筑green building在建筑的全寿命期内,最大限度地节约资源(节能、节地、节水、节材) 、保护环境和减少污染,为人们提供健康、适用和高效的使用空间,与自然和谐共生的建筑。
2.0.2 绿色设计green design of civil buildings在设计中体现可持续发展的理念,在满足建筑功能的基础上,实现建筑全寿命周期内的资源节约和环境保护,为人们提供健康、适用和高效的使用空间。
2.0.3 建筑全寿命期building life建筑从建造、使用到拆除的全过程。
包括原材料的获取,建筑材料与构配件的加工制造,现场施工与安装,建筑的运行和维护,以及建筑最终的拆除与处置。
2.0.4 被动措施passive techniques通过优化规划和建筑设计,直接利用阳光、风力、气温、湿度、地形、植物等现场自然条件,来降低建筑的采暖、空调和照明等负荷,提高室内外环境性能,而采用的非机械、不耗能或少耗能的措施。
2.0.5 主动措施active techniques为提高室内舒适度,实现室内外环境性能,而采用的消耗能源的机械措施。
2.0.8 热岛强度heat island index城市内一个区域的气温与郊区气象测点温度的差值,是城市热岛效应的表征参数。
2.0.9绿色雨水基础设施(GSI)green storm infrastructure指一种由诸如林荫街道、湿地、公园、林地、自然植被区等开放空间和自然区域组成的相互联系的网络。
江苏省建设工程施工图设计节能报审表
(公共建筑)
江苏省建设厅制
公共建筑施工图设计(建筑节能)报审表
所属市(区、县):
建筑气候分区:寒冷地区□夏热冬冷地区□ 200 年月日
特别承诺:本表所提供审查的全部数据、信息均真实反映了本工程的实际情况。
如有任何虚假成分,本单位及有关人员愿承担相应的行政和法律责任!
设计项目负责人(签章)
设计单位法定代表人(签章)
设计单位(公章)
-----------------------------------------------本页以下内容及下表中审查结论由
注:1、审查依据:
1)《实施工程建设强制性标准监督规定》建设部令第81号;《民用建筑节能管理规定》建设部令第143号;
2)《公共建筑节能设计标准》(GB50189-2005);
2、有关指标的计算应另附计算书或说明。
江苏省建设工程施工图设计节能报审表
(居住建筑)
江苏省建设厅制
居住建筑施工图设计(建筑节能)报审表
所属市(区、县):
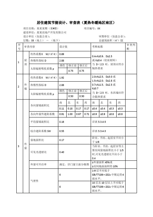
建筑气候分区:寒冷地区☐夏热冬冷地区☑ 200 年月日
建筑节能技术措施基本情况
建设单位名称
(章)设计单位名
称
-
工程项目名称-单位工程名
称
结构类型-层数地上-层,地下-层
设计建筑面积
(m2)
特别承诺:本表所提供审查的全部数据、信息均真实反映了本工程的实际情况。
如有任何虚假成分,本单位及有关人员愿承担相应的行政和法律责任!
设计项目负责人(签章)
设计单位法定代表人(签章)
设计单位(公章)
------------------------------------------本页以下内容及下表中审查结论由审查单位填写
审查结论
审查结论符合标准□
不符合标准
□
主要存在问题:
审查人(签字)
围护结构技术措施基本情况审定
意见
分项内容及要求设计情况是否符合标准
规划选址
通风
日照
不宜布置在洼地
是□
否□布局
布局
合理
不宜周边式、混合式
朝向
宜南北
朝向
宜为南偏西5︒至南偏东30︒之间
朝向:
-︒
是□
否□间距
满足
日照
间距
寒冷地区
新区建设
**
地区:—
间距系数:
是□
否□
旧城改造
**
夏热冬冷
新区建设
**
旧城改造
**
绿化绿化率
绿化率评价
绿化率:
%
是□
否□新区建设
≥35% 良好
≥30% 一般
<30% 较差
旧城改造
≥30% 良好
≥25% 一般
<25% 较差
外围护结构体形
系数
体形
系数
≤0.32
或在0.32~0.38之间;不得>0.38 体形系数:—
是□
否□建筑
遮阳
应设置
外遮阳
宜采用活动式遮阳;遮阳率应达到80%
遮阳形式:
遮阳率:%
是□
否□屋面
寒冷
地区
体形系数≤0.32
**~0.35
>0.35 热惰性指标
D:-
传热阻:-
m2·K/W
(传热阻单位,下同)
是□
否□传热阻
**
插值
**
夏热
冬冷
当体形系数
<0.35
当体形系数
≥0.35
ρ<0.70
**~0.85
D
**~6 **~4
>3 ≤3 >3 ≤3
** ** ** ** ** ** R
外围护结构
墙体
寒冷
地区
墙体
D
体形系数≤0.32 体形系数>0.35
是□
否□
**~6 **~4 **~6 **~4
南墙、东墙、
西墙
** ** ** ** D:
传热阻:
北墙
** ** ** ** D:
传热阻:
夏热
冬冷
墙体
D
体形系数≤0.32 体形系数>0.35
**~6 **~4 **~6 **~4
南墙
** ** ** ** D:—
传热阻:-
东墙
西墙
ρ≤0.6
** ** ** ** 东向D:—
传热阻:—
西向D:—
传热阻:—
ρ>0.6
** ** ** **
北墙
** ** ** ** D:—
传热阻:—冷桥传热阻≥0.52
传热阻:是□
否□
门窗
寒冷
地区
窗朝向窗墙比传热阻窗墙比传热阻
是□
否□
北窗
**
≥1/3.0
体形系
数>0.32
时随体
形系数
调整;
当体形
系数
≥0.35时
传热阻
≥1/2.7
东西
向窗
南北向
建筑
**
≥1/3.0
东西向
建筑
**
≥1/2.7
南窗
**
≥1/4.7
夏热
冬冷
北窗
**
≥1/3.0
——
东西
向窗
南北向
建筑
**
≥1/4.7
—-
东西向
建筑
**
≥1/2.7
—-
南窗
**
≥1/4.7
——门肚板传热阻≥0.59 传热阻:
底层
车库
顶板
寒冷
地区
车库地坪高于室外地坪时
** 传热阻:—
车库为半地下室时
**
夏热
冬冷
车库地坪高于室外地坪时
**
车库为半地下室时
**
楼梯间隔墙寒冷
地区
当建筑不超过6层时
** 传热阻:—当建筑超过6层时
**
夏热
冬冷
当建筑不超过6层时
**
当建筑超过6层时
**
非封闭式楼梯间隔墙按外墙计算
分户门传热阻要求同楼梯间隔墙传热阻要求传热阻:—
采暖、空调应符合《江苏省民用建筑热环境与节能设计标准》第7
章的要求
是□
否□
太阳能利用建筑设计施工中宜统一安装太阳能利用装置其它应积极推广节能新技术、新工艺、新材料、新产品
围护结构技术措施基本情况(续)备注
主要节能措施
外墙保温
保温型式
说明
外保温□内保温□
自保温□其它□
保温材料
种类
-
面积
(m2)
-
外墙
面颜
色
深色□
浅色□
选用
厚度
(mm)
-屋面保温
保温材料
种类
-选用厚度(mm) -外窗
窗框型材
塑料□金属材料□
断热金属材料□其它□
窗玻璃
材料
中空□单层□
中空空气
层A(mm)
6□9□12□
15□>20□
遮阳形式
南□东□西□北□
内□
外□
活动□
固定□
内□
外□
活动□
固定□
内□
外□
活动□
固定□
内□
外□
活动□
固定□架空或
外挑楼板
保温材料
种类
-
选用厚度
(mm)
-
外围护结构
其余部位
外门门斗□旋转□中空□其它□外墙、屋面
冷桥部位
技术措施
有□无□
新
型
墙
材
选
用
外墙材料内墙材料
注:1、审查依据:
1)《实施工程建设强制性标准监督规定》建设部令第81号;《民用建筑节能管理规定》建设部令第143号;
2)《夏热冬冷地区居住建筑节能设计标准》JGJ134 — 2001;《江苏省民用建筑热环境与节能设计标准》DB32/478 — 2001 ;
3)关于下发《江苏省民用建筑热环境与节能设计标准》强制性条文的通知。
2、有关指标的计算应另附计算书或说明。