信息系统UPS预防性充放电试验作业指导书(puer)
- 格式:doc
- 大小:26.50 KB
- 文档页数:3
ups电池充放电规范文件# UPS电池充放电规范。
一、前言。
大家好!咱们今天来讲讲UPS(不间断电源)电池的充放电规范。
这就好比照顾一个有点小脾气的小伙伴,你得按照正确的方法来,不然它可就不好好工作啦。
二、充电规范。
# (一)初始充电。
1. 新电池充电。
当你拿到新的UPS电池时,就像迎接一个新生儿,要特别小心哦。
第一次充电可是很关键的。
要使用专门为UPS电池设计的充电器,可别随便找个充电器就往上怼,那可就像给小婴儿乱喂东西一样危险。
新电池一般要充电8 10小时,这个时间就像是给它足够的时间来适应新环境,让它充满活力。
在充电过程中,要把电池放在通风良好的地方,就像让它在新鲜空气里畅快呼吸一样。
2. 长时间未使用电池充电。
如果电池很长时间没有使用了,比如闲置了好几个月,它可能会有点“虚弱”。
这时候充电也要小心。
首先要检查电池外观有没有破损或者漏液的情况,如果有,那可不能充电,得先处理好这些问题。
充电时间可能要适当延长,大概10 12小时。
因为它“饿”了很久,需要更多的时间来补充能量。
# (二)日常充电。
1. 充电环境。
充电的时候,温度很重要。
就像我们人,太热或者太冷都不舒服,电池也一样。
一般来说,最适合电池充电的温度是20 25摄氏度。
如果温度太高,电池可能会“中暑”,充电效率降低,还可能缩短寿命;温度太低呢,它又会变得“懒洋洋”的,充电速度慢。
还要保持充电环境干燥,潮湿的环境就像给电池穿上湿衣服,容易让它生病(出现短路等问题)。
2. 充电频率。
UPS电池在正常使用过程中,要定期充电。
如果UPS系统一直处于市电供电状态,也要每隔一段时间给电池充充电,就像给它做个小保健。
一般建议每个月至少进行一次完全充电放电循环。
这就像让电池活动活动筋骨,保持良好的状态。
3. 充电过程监控。
在充电的时候,要时不时地看看电池的状态。
有些UPS设备有充电指示灯或者监控系统,可以方便地查看。
如果发现充电过程中电池异常发热,这就像它在“发烧”,要赶紧停止充电,检查原因。
UPS操作规程标题:UPS操作规程引言概述:UPS(不间断电源)是一种用于保护计算机、通信设备、医疗设备等重要设备免受电力波动和停电影响的设备。
正确的操作规程能够确保UPS的正常运行,延长设备寿命,保障设备安全运行。
本文将详细介绍UPS的操作规程。
一、UPS设备安装1.1 确认UPS设备的额定功率和输出电压,选择合适的安装位置。
1.2 将UPS设备固定在干燥通风的位置,避免受潮和高温影响。
1.3 将UPS设备与电源线、设备连接好,确保连接牢固可靠。
二、UPS设备开机操作2.1 首先检查UPS设备的电源线是否连接正确,电源开关是否处于关闭状态。
2.2 按照设备说明书操作,先打开UPS设备的电源开关,再打开连接设备的电源开关。
2.3 确认UPS设备正常工作,监测输出电压和电流是否稳定。
三、UPS设备日常维护3.1 定期检查UPS设备的电池状态,保证电池正常工作。
3.2 清洁UPS设备的散热孔和风扇,避免灰尘积累影响散热效果。
3.3 定期进行UPS设备的功能测试,确保设备正常运行。
四、UPS设备故障处理4.1 当UPS设备出现故障时,首先查看设备显示屏或指示灯,了解故障原因。
4.2 根据设备说明书或厂家建议,采取相应的故障处理措施。
4.3 如无法解决故障,及时联系专业维修人员进行维修。
五、UPS设备关机操作5.1 在停电或需要关闭UPS设备时,首先关闭连接设备的电源开关。
5.2 再关闭UPS设备的电源开关,待设备指示灯全部熄灭后,再拔掉电源线。
5.3 关闭UPS设备后,定期进行设备检查,确保设备安全可靠。
结语:正确的UPS操作规程能够确保设备正常运行,延长设备寿命,保障设备安全运行。
遵循以上操作规程,将有助于提高UPS设备的稳定性和可靠性,保障重要设备的正常运行。
UPS电源冲放电试验报告一、实验目的:本实验的目的是测试UPS电源在冲放电情况下的性能和可靠性,以评估其在实际工作条件下的应变能力和持久性。
二、实验器材:1.UPS电源主机2.电子负载3.直流电源4.电能表5.示波器6.实验电路三、实验步骤:1.将UPS电源主机连接到直流电源,并使其正常工作。
2.在负载的情况下,观察UPS电源主机的输出电压和波形。
3.将电子负载调整到额定负载,然后突然切断直流电源,观察UPS电源主机在冲放电情况下的表现。
4.观察UPS电源主机在冲放电情况下的输出电压和波形,以及恢复正常工作的时间。
5.记录实验数据,并进行分析和总结。
四、实验结果和分析:本实验中,我们测试了UPS电源在冲放电情况下的性能和可靠性。
通过观察实验数据和分析结果,我们得出了以下结论:1.在冲放电情况下,UPS电源主机的输出电压会瞬间下降,并出现波形的异常。
2.UPS电源主机能够很快地恢复到正常工作状态,输出电压稳定。
3.在额定负载的情况下,UPS电源主机的冲放电时间会有所延长。
4.UPS电源主机的冲放电性能和可靠性与其设计和制造质量有关,高质量的UPS电源主机能够更好地应对冲击和恢复。
五、实验结论:通过本实验,我们验证了UPS电源在冲放电情况下的性能和可靠性。
我们发现UPS电源主机能够在冲击的瞬间迅速恢复正常工作,并保持稳定的输出电压。
这证明UPS电源主机具备较高的抗冲击性能和可靠性,能够在实际工作条件下应对突发情况。
六、实验总结:UPS电源冲放电试验是评估其性能和可靠性的关键实验之一、通过本次实验,我们深入了解了UPS电源的冲放电特性,发现其能够在冲击的瞬间迅速恢复正常工作,为电力设备提供稳定可靠的供电。
实验结果对于UPS电源的研发和应用具有重要意义,为进一步改进UPS电源的设计和制造提供了理论和实践依据。
ups放电试验操作流程UPS(不间断电源)放电试验是测试UPS系统在断电情况下的性能和稳定性的重要步骤。
通过这个试验,可以验证UPS系统在断电情况下能否正常工作,并且保证其在紧急情况下能够提供可靠的电力支持。
下面是UPS放电试验的操作流程:1. 准备工作:在进行UPS放电试验之前,首先需要对UPS系统进行全面的检查和准备工作。
确保UPS系统处于正常工作状态,所有连接线路都牢固连接,电池充电状态正常。
2. 设置参数:根据实际情况和要求,设置UPS系统的放电参数,包括放电时间、放电负载等。
确保参数设置正确,以便进行准确的测试。
3. 断电测试:在设置好参数后,可以开始进行UPS放电测试。
首先,将UPS系统从市电中断开,使其进入备用电池供电状态。
观察UPS系统的运行状态,确保其能够正常工作。
4. 监控测试:在进行放电测试的过程中,需要不断监控UPS系统的运行状态和电池容量。
通过监控UPS系统的输出电压、电流等参数,可以及时发现问题并进行处理。
5. 结果分析:在完成放电测试后,需要对测试结果进行分析和评估。
根据测试结果,判断UPS系统在断电情况下的性能和稳定性是否符合要求,是否需要进行进一步的调整和改进。
6. 记录报告:最后,将测试结果和分析记录在报告中,包括测试参数、测试过程、测试结果等内容。
报告可以作为UPS系统性能评估和改进的参考依据。
通过以上操作流程,可以有效地进行UPS放电试验,验证UPS 系统在断电情况下的性能和稳定性,保证其在紧急情况下能够提供可靠的电力支持。
UPS放电试验是保障电力系统安全和可靠运行的重要环节,需要认真对待并进行定期检测和评估。
ups放电实施方案UPS放电实施方案。
一、概述。
UPS(不间断电源)是一种用于在电源中断时提供临时电力的设备,其放电操作是其重要功能之一。
UPS放电实施方案主要是指在UPS需要进行放电操作时,如何合理、安全地进行放电,以确保设备和数据的安全。
二、放电前准备工作。
1. 检查UPS系统,在进行放电操作之前,需要对UPS系统进行全面检查,确保其运行状态良好,没有故障和异常情况。
2. 确定放电计划,根据实际情况,制定放电计划,包括放电时间、放电负载、放电环境等方面的详细内容。
3. 通知相关人员,在进行放电之前,需要提前通知相关人员,包括维护人员、运维人员等,确保放电操作的顺利进行。
三、放电操作步骤。
1. 停止输入电源,在进行放电操作之前,需要先停止UPS系统的输入电源,确保UPS系统完全依靠电池供电。
2. 调整负载,根据放电计划,调整UPS系统的负载,确保其在放电过程中能够正常运行。
3. 监控放电过程,在进行放电操作时,需要对UPS系统的放电过程进行实时监控,确保其运行状态正常,没有异常情况发生。
4. 处理异常情况,如果在放电过程中出现异常情况,需要及时处理,确保放电操作的顺利进行。
5. 完成放电操作,根据放电计划,完成UPS系统的放电操作,确保其安全、稳定地完成放电过程。
四、放电后处理工作。
1. 恢复输入电源,在完成放电操作之后,需要恢复UPS系统的输入电源,让其重新接入外部电源,准备下一轮的供电工作。
2. 恢复负载,根据实际情况,恢复UPS系统的负载,确保其能够正常运行,满足设备的用电需求。
3. 检查放电效果,在完成放电操作之后,需要对放电效果进行检查,确保放电操作达到预期效果。
4. 记录放电过程,对放电操作的整个过程进行记录,包括放电时间、负载情况、异常情况处理等内容,作为日后参考和总结。
五、安全注意事项。
1. 在进行放电操作时,需要严格遵守相关的安全操作规程,确保操作人员和设备的安全。
2. 在放电操作过程中,需要密切关注UPS系统的运行状态,及时处理异常情况,确保放电操作的顺利进行。
UPS操作规程一、概述UPS(不间断电源)是一种用于提供电力备份和稳定电源的设备。
本文档旨在提供UPS操作规程,确保UPS的正确使用和维护,以保障电力供应的可靠性和稳定性。
二、安全注意事项1. 在操作UPS之前,必须确保已经阅读并理解UPS的用户手册和安全说明书。
2. 在操作UPS时,应该遵循所有适合的安全规定和操作规程。
3. 在操作UPS之前,应确保工作区域干燥、通风良好,并远离易燃物品。
4. 在操作UPS时,应使用适当的个人防护装备,如手套和护目镜。
5. 在操作UPS时,应避免使用损坏的电源线或者插头,以防止电击或者火灾。
6. 在操作UPS时,应确保UPS的接地线连接良好,以确保安全操作。
7. 在操作UPS时,应避免过载,以防止电源故障和设备损坏。
三、UPS操作步骤1. 启动UPSa. 检查UPS的电源线是否连接到可靠的电源插座。
b. 按下UPS的电源开关,启动UPS。
c. 确保UPS的指示灯显示正常工作状态。
d. 检查UPS的电池电量,确保电池充电正常。
2. 运行UPSa. 监控UPS的运行状态,确保UPS正常工作。
b. 定期检查UPS的输出电压和频率,确保其稳定在设定范围内。
c. 如发现UPS运行异常或者故障,应即将采取适当的措施,如联系维修人员或者更换备用UPS。
3. 关闭UPSa. 在停电或者其他情况下,将需要供电的设备连接到UPS的输出插座。
b. 在停电后,UPS将自动切换到电池供电模式,以保障设备的连续供电。
c. 在停电恢复后,UPS将自动切换回电网供电模式。
d. 当停电结束或者再也不需要UPS供电时,按下UPS的电源开关,关闭UPS。
四、UPS维护保养1. 定期检查UPS的电池状态,确保电池正常工作。
如发现电池老化或者损坏,应及时更换。
2. 定期清洁UPS的外壳和散热孔,以确保良好的散热效果。
3. 定期检查UPS的连接线和插头,确保连接良好并无损坏。
4. 如发现UPS故障或者异常,应即将联系维修人员进行检修和维护。
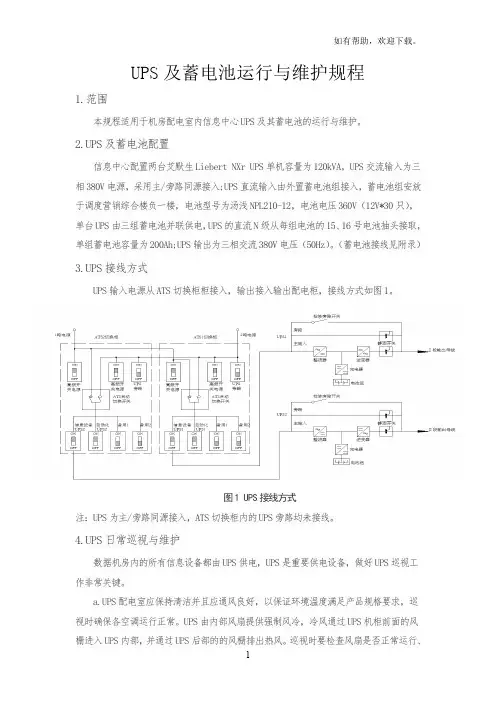
UPS及蓄电池运行与维护规程1.范围本规程适用于机房配电室内信息中心UPS及其蓄电池的运行与维护。
2.UPS及蓄电池配置信息中心配置两台艾默生Liebert NXr UPS单机容量为120kVA,UPS交流输入为三相380V电源,采用主/旁路同源接入;UPS直流输入由外置蓄电池组接入,蓄电池组安放于调度营销综合楼负一楼,电池型号为汤浅NPL210-12,电池电压360V(12V*30只),单台UPS由三组蓄电池并联供电,UPS的直流N级从每组电池的15、16号电池抽头接取,单组蓄电池容量为200Ah;UPS输出为三相交流380V电压(50Hz)。
(蓄电池接线见附录)3.UPS接线方式UPS输入电源从ATS切换柜柜接入,输出接入输出配电柜,接线方式如图1。
图1 UPS接线方式注:UPS为主/旁路同源接入,ATS切换柜内的UPS旁路均未接线。
4.UPS日常巡视与维护数据机房内的所有信息设备都由UPS供电,UPS是重要供电设备,做好UPS巡视工作非常关键。
a.UPS配电室应保持清洁并且应通风良好,以保证环境温度满足产品规格要求,巡视时确保各空调运行正常。
UPS由内部风扇提供强制风冷,冷风通过UPS机柜前面的风栅进入UPS内部,并通过UPS后部的的风栅排出热风。
巡视时要检查风扇是否正常运行、通风孔是否阻塞。
b.检查UPS面板指示灯,正常情况下UPS为市电逆变模式,整流、逆变、输出及状态指示灯(STATUS)为绿色,观察UPS是否有异响和报警声,查看操作面板历史记录中是否有异常事件。
c.查看UPS操作面板中各项指标是否正常,指标包括交流输入电压、直流输入电压、交流输出电压、交流输出各相负载率以及电池均充/浮充状态。
d.核对输出配电柜各空开位置,检查ATS切换柜及输出配电柜人机界面上是否有异常事件记录。
e.检查监控机与UPS通讯是否正常。
5.蓄电池巡视与维护a.蓄电池室通风、照明及消防设备完好,温度符合要求,无易燃易爆物品。
UPS作业指导书
1.1 UPS周检作业
(1)到车控室办理请点手续.
(2)作业者按照要求穿着工作服,携带相应工器具及耗材,佩带劳动防护用具。
(3)工器具配备标准
(4)主要耗材
(5)UPS周检作业
(6)质量检查
由①号对作业时所记录的相关数据进行复查,确认无误后,作业的两名作业人员对记录数据进行签认。
(7)作业结束
作业结束后,作业人员应关闭打开的柜门,复查试验好
才离开;整理好工器具及防护用品;离开设备房应重新锁好房门,回到车控室归还钥匙、消记后,在车控室值班员处办理消点手续。
1.2 UPS月检作业
(1)到车控室办理请点手续.
(2)作业者按照要求穿着工作服,携带相应工器具及耗材,佩带劳动防护用具。
(3)工器具配备标准
(4)主要耗材
(5)UPS月检作业
(6)质量检查
由①号对作业时所记录的相关数据进行复查,确认无误后,作业的两名作业人员对记录数据进行签认。
(7)作业结束
作业结束后,作业人员应关闭打开的柜门,复查试验好才离开;整理好工器具及防护用品;离开设备房应重新锁好房门,回到车控室归还钥匙、消记后,在车控室值班员处办理消点手续。
1.3 UPS季检作业
(1)到车控室办理请点手续.
(2)作业者按照要求穿着工作服,携带相应工器具及耗材,佩带劳动防护用具。
(3)工器具配备标准。
UPS电池放电试验(在线检测)
作业指导书
一、填报第一种工作票、管理处级检维修作业票,按规定流程审批完毕,按检维修作业票内容进行工艺操作后方可对UPS进行维修作业。
一、确认UPS装置处于逆变工作状态。
二、在线检测单体蓄电池参数,确认电池组容量、总电压满足负载要求。
如有不合格电池需进行更换。
三、将意外停电时可能引起误动作的阀门(进站阀、出站阀、出站调节阀、减压阀等)转到就地控制状态。
四、停下UPS装置市电(抽屉柜电源)。
五、观察UPS装置是否处于电池逆变工作状态。
六、在线检测放电30分钟和60分钟时的电池参数。
七、放电时每30分钟检查一次蓄电池输出电压,蓄电池组电压小于额定电压90%时或蓄电池容量小于30%时,停止放电测试,恢复UPS装置正常供电。
八、恢复现场阀门远控状态。
蓄电池放电测试记录表
蓄电池维护记录表
维护人员:_____________维护日期:______________。
UPS预防性维护一个有效的预防性维护计划可以帮助企业专注于其核心业务。
通过利用丰富的经验,企业可以进行资源优化,更加专注为客户提供服务,并将UPS委托给其服务提供商。
电气系统是一个构成复杂的综合系统,日常维护主要是为其关键组件提供可靠性——不间断电源(UPS)。
维护可以在企业核心业务时间之外安排,任何必要的更换可以提前安排,优先使用适当的协议。
企业在数据中心投资部署UPS之后,下一步将会是技术人员通过可靠的维护计划来备份其关键任务设备。
在你的UPS启动和服役后,你的趋势报告可以开始了。
每六个月应该对UPS和所配套的蓄电池进行测试,以确保系统运行正常,监控软件保持最新版本。
更重要的是,UPS的电池系统是关键,需要更多的监控与维护,组织根据其维护结果可以分析,并适当地衡量各种组件的预期工作寿命。
研究表明数据中心的大多数中断是可以预防的。
组织的维护计划不能引起生产商认为超出系统参数的任何问题,并适当地提供便利。
企业在预防性维护中要考虑的5个关键因素1应急计划应急计划是预防性维护的首要任务。
组织需要更好地与服务提供商合作,以成为企业计划的一部分。
这意味着对每种类型的事件都要实施一定的流程和程序,其中包括应急计划。
2预测分析预测维护可以延长UPS内的各种组件(包括电池)的生命周期。
在维护报告中应包括说明整体电池组的健康状况和风扇速度的报告。
3定期维护/更换周期有效的维护计划将提前描述服务访问,为数据中心提供充足的时间通知服务方。
如果需要更换,可以在开启的维护窗口中提供服务。
4得到UPS技术人员的帮助知识渊博和经验丰富的UPS技术人可以提供更多的帮助,对组织的UPS设备可靠运营至关重要。
企业可以获得UPS生产厂商的培训,并及时更换关键备件。
5最大限度地提高系统正常运行时间UPS供电系统的目标是最大限度地提高系统正常运行时间,这说得容易做着难这是UPS系统关键因素的总和。
紧急响应时间,预测分析,维护计划和熟练的UPS技术人员的组合都可以最大限度地提高系统的可靠性,并使组织能够专注于其核心业务。
UPS 巡检维护及电池放电测试方案一、服务描述1.巡检维护是指UPS设备在连续正常运行中,由工程人员对设备运行状况、数据以及相关的电池组、配电线路等进行总体的检查、测试,并对不符合运行要求的提出整改意见。
维护不包括UPS主机内部模块、零件层及各种故障点的维修工作。
2.巡检维护具体内容1).UPS主机的巡检维护是指工程师在现场服务中,利用数字仪器、仪表对UPS的电压、电流、频率、进行实时检测记录,并对其中的变化是否正常进行分析。
对一些明显的外部故障进行处理或提供意见以供用户进行解决。
并做好相应的整机清洁、除尘工作。
2).电池组维护具体内容电池组维护是指服务工程师现场检查电池的外表,如连接线是否松动、螺栓是否酸化、电池组是否存在漏液等等,并利用仪表对电池进行检测、记录。
查找是否存在单点故障,排除整体隐患,并在特定的现有负载下进行整体放电(断开UPS 输入开关),记录端电压变化、整体电流变化等一些数据,确保电池组工作在正常状态。
当UPS放电至电池容量的40%-50%应恢复供电,为延长电池的寿命不能使电池过度放电,若近期有过停电放电且放电供电都正常也可以不做放电。
为了保证客户重要负载的安全放电前最好关掉客户的重点负载,如有损坏,及时进行更换或采用相应的措施,并做好相应的清洁、除尘工作。
3).配电维护内容配电箱的维护关系到负载能否正常工作,是常被用户疏忽的地方。
如果UPS系统正常工作而输出配电存在问题,常常引起负载不能正常运行。
因此服务工程师必须现场检查空开的质量、端子排的接触点、负载回路容量以及各支路断路器的容量与实际容量的比较,提供合理建议以便用户进行整改。
4).另外,对于UPS系统的运行温度、湿度、UPS排风距离、空间清洁等综合方面服务工程师根据现场环境提出建议以便用户进行修改。
二、服务内容及步骤1.服务工程师到现场后检测UPS 主机的运行状态,控制面板上显示UPS 各个技术参数及各信号灯工作是否正常;,是否有异常报警信息。
U P S系统日常检查及放电试验操作步骤精编W O R D版IBM system office room 【A0816H-A0912AAAHH-GX8Q8-GNTHHJ8】UPS系统日常检查及放电试验操作步骤一、UPS日常维护主要内容:1、检查UPS的运行状态为逆变工作中,对应的正常状态指示灯。
2、检查UPS的前后散热通道是否足够空间,至少保持前后1 米内无障碍物。
3、检查UPS的散热风扇是否正常运转,有无异响。
4、检查UPS、UPS电池柜的上方的清洁无异物禁止在上方放置液体类物品(如矿泉水瓶、茶杯等)。
5、检查UPS运行噪音是否异常,与平常比较无明显的噪音加大,无明显的振动加急现象。
6、在UPS“测量画图”查看负载百分比小于50%。
7、对比二台UPS同相之间的的负载百分比不平衡度小于10%。
8、在UPS“测量画图”查看UPS、整流器、逆变器温度显示小于55度。
9、在UPS“测量画图”查看电池浮充电压为393V±1V。
10、紧急停机按键在负载正常运行中;在未发生火灾、地震、人身事故等紧急状态时禁止使用,此按键启用将禁止UPS的一切供电输出。
按键位置如图:? ?? ?? ?? ?? ?? ?? ?? ?? ?? ?? ?? ?? ?? ?? ?? ?? ?? ?? ?? ?11、维护旁路开关非专业维护人员禁止使用:开关位置如图:? ?? ?? ?? ?? ?? ?? ?? ?? ?? ?? ?? ?二、UPS日常放电试验操作步骤电池放电测试主要分为季度、年度。
季度测试主要目确是让长期处于浮充状态的电池,通过对电池的放电、充电动作来激活电池的性能。
如果本季度内未发生过市电中断现象,可以作人为电池放电测试。
建议直接在UPS上控制来完成测试方法如下:1、设定电池放电时间:进入UPS菜单的“参数设置”进入“电池设置” 进入“放电测试时间” 设定时间可以为30分钟。
2、手动电池测试:进入UPS菜单的:“系统控制”进入“电池手动测试”选择“ON”后确认即可。
概述1.UPS系统的用途 (1)2.UPS的规格、性能与工作环境以及面板指示灯显示 (2)3.操作与运行 (5)4. 电池维护与保养 (8)5.处理电池注意事项 (8)6.面板显示与故障排除 (9)一、UPS系统的用途A.必要性电力在运行、控制系统中起着非常重要的作用,电力的不稳定会影响系统的安全性和稳定性。
电力的不正常中断有可能会影响到设备的供气,从而造成很大的经济损失。
因此一般都需要备用不间断电源,并后备发电机组以保证电力的正常供应。
同时在电力线路配置上留有一定的余量,保证安全性。
B.电力分配电力系统为两路进线:一路为一般市电,除进入UPS外,分出几路供一般用电;另一路为柴油发电机直接供电到UPS。
两路进线可以自动切换。
从UPS出来的电源进入总分点盘,然后供给PLC盘柜,监控电脑,交换机等控制室设备,以及电力分配箱等。
Detector,LAU,EMO等现场仪器等设备从PLC盘柜直接取电。
GC,BGDS,VMB从电力分配箱就近取电,每个设备一个开关控制。
C.使用情况本气站使用的UPS系统是一种先进的在线式正弦波不间断供电系统,并带有维护开关。
它可以为设备提供可靠优质的交流电源,从电脑设备通讯系统到工业自动控制设备都可以使用。
由于它在线式设计,不同于后备式UPS,它对输入电压不断调整滤波,在市电中断时,会无时间中断地从备用电池上提供后备电源。
在过载或逆变失败情况下,UPS会转换到旁路状态,由市电供电。
若过载情况消除,UPS会自动转回到逆变器供电状态。
二、UPS的规格、性能与工作环境以及面板指示灯显示A.规格及性能C. 面板指示灯显示三、操作与运行A.操作1.接市电UPS开机1)确定电源配接正确后,先将输入开关置“ON”,此时风扇会转,UPS经由旁路对负载供电,此时UPS工作于旁路模式下。
2)持续按开机键1秒以上,UPS开机,即开启逆变器。
3)开机时UPS会进行自检,此时面板上负载/电源指示灯会全亮,从下到上逐一熄灭,几秒钟后逆变指示灯亮,UPS处于市电模式下运行。
ups充放电试验做法及标准概述说明以及解释1. 引言1.1 概述本文旨在介绍UPS充放电试验的做法和标准,并详细解释其原理和重要性。
UPS (不间断电源)是一种提供电力备份的设备,常被用于关键设备和系统。
为了确保UPS的正常运行和性能可靠,充放电试验十分重要。
1.2 文章结构本文主要分为五个部分:引言、UPS充放电试验做法概述、UPS充放电试验标准说明、UPS充放电试验解释及重要性以及结论与展望。
每个部分将详细介绍相应内容。
1.3 目的本文的目的在于向读者阐述如何进行UPS充放电试验,介绍国际和行业内相关的标准,并解释该试验的原理和意义。
通过本文的阅读,读者将能够全面了解UPS充放电试验并掌握相关知识,为实际应用中的需求提供参考。
文章组成如下所示:```1. 引言1.1 概述1.2 文章结构1.3 目的2. UPS充放电试验做法概述2.1 充电试验2.2 放电试验3. UPS充放电试验标准说明3.1 国际标准3.2 行业标准4. UPS充放电试验解释及重要性4.1 解释UPS充放电试验的原理与意义4.2 典型应用场景及需求分析5. 结论与展望5.1 总结所述内容和观点5.2 展望UPS充放电试验未来发展方向和趋势```通过以上引言的内容,读者能够在初步了解本文的目的、结构和概述的基础上,有助于更好地理解和思考UPS充放电试验相关内容。
2. UPS充放电试验做法概述2.1 充电试验在UPS系统的运行过程中,充电试验是一种常见而重要的实验。
该实验旨在测试并评估UPS设备在不同条件下进行充电时的性能和稳定性。
通常,充电试验可以分为三个阶段进行:初始充电、恒流充电和浮充。
初始充电阶段用于将蓄电池迅速带至已设定的容量水平。
之后,进行恒流充电阶段,这意味着以恒定的电流将蓄电池额定容量的一部分输送回去。
最后,在浮充阶段,蓄电池通过较低的恒定电压维持其容量。
在进行充电试验时,需要注意确保所使用的测试仪器和设备符合相关标准,并且操作过程应遵循正确而安全的程序。
附件1项目编号:UPS放电试验作业指导书发布日期:年月日实施日期:年月日编制单位:唐山电务段修订记录UPS放电试验作业指导书1.适用范围:适用于UPS电源设备检修作业。
2.工具工装、作业材料2.1材料:棉丝破布。
2.2工具:通讯工具、个人小工具、扁油刷。
仪表:万用表。
3.安全风险提示3.1做好作业预想及人员分工安排。
3.2严格落实人身安全作业制度。
4.安全措施4.1做好班前安全预想,对季节性高温、严寒和雷雨天,要有充分安全预想。
4.2检修人员作业前按规定穿戴好劳动防护用品。
4.3严禁在列车接近通过时检修设备,提速区段注意检查限速命令。
4.4严禁未要点进行UPS放电。
5.作业流程图6.作业程序、项目、内容及相关标准1.准备工作1.1检测人员必须按规定穿戴好劳动防护用品,带齐仪器、工具。
1.2电务驻站联络员在《行车设备检查登记簿》上登记,车站值班员签认,并与局中心联系。
2.UPS检修2.1检查引入线防护良好,无破皮现象。
2.2检查电源端子板固定良好、螺丝不松动。
2.3UPS良好,电源工作指示灯、负载指示灯、电池指示灯等正常;动态电源工作正常;防尘网清扫,清洁无尘;铭牌齐全、正确、清晰。
3.放电3.1断开220V输入断路器。
3.2观察UPS的放电指示灯。
3.3在电池电量显示剩余两格时停止放电,恢复220V电源断路器。
3.4放电结束检查各项设备运行情况,各表示灯显示正常,按标准填写UPS放电记录表格。
4.检修完毕4.1询问车站值班员使用情况,确认良好,电务驻站联络员在《行车设备检查登记簿》上登记销点。
7.红线管理7.1必须在垂直天窗点内或施工点内完成。
7.2使用绝缘防护用品,防止触电等人身安全问题发生。
7.3作业中严禁使用手机(作业负责人除外)。
8.应急处置8.1熟悉设备运用情况,掌握UPS设备接线图,防止断错断路器,扩大影响范围。
8.2放电过程不能离开UPS电源现场,电池电量不足时及时恢复供电。
8.3掌握甩开UPS电源直接供电方法,防止UPS电源故障后影响信号设备正常使用。
UPS放电作业指导书
1.范围
为规范UPS放电作业工作,保证作业过程的安全及质量,制定本作业指导书。
2.目的
对UPS进行周期性充放电,延长电池寿命,检验UPS各部分功能。
3.作业人员及其职责
作业人员两人以上,工作负责人(监护人)一人,其余人员为工作班组人员。
工作负责人负责对整个作业过程的安全、工作质量及图纸记录的准确性进行监督,同时对整个工作过程进行指导并负责,向上级作整个作业过程及存在问题的汇报。
工作班成员负责工作过程的实际操作。
工作负责人必须熟悉UPS系统接线及装置操作步骤。
(1)工作负责人(监护人):正确安全地组织工作;督促、监护工作人员遵守相关规程;负责检查全措施是否正确完备并符合现场实际条件;工作前对工作人员交待安全事项。
组织并合理分配工作,向工作班人员交待现场安全措施、带电部位和其他注意事项,对工作班人员的安全认真监护,及时纠正违反安全的动作。
对整个工作过程的安全、工作质量负责,工作过程中对工作班成员提供技术支持,协调各工种间的工作配合。
工作结束后工作负责人应周密检查工作质量,工作内容是否完整,试验记录是否齐全,使用仪表仪器的收集整理,工作现场的清扫、整理情况。
(2)工作班成员:认真学习有关规程、规定及有关“反措”,学习图纸资料,查阅设备历史资料,工作中严肃认真,确保人身和设备安全。
4.作业准备
(1)资料准备:UPS操作手册,UPS进线屏、出线屏图纸。
(2)技术准备:熟悉UPS技术资料,明确有关技术要求及质量标准并进行技术交底。
(3)条件准备:
①向用户通报需要进行的放电工作;核实工作期间电网稳定运行,无重大操作;
②核实工作前UPS系统的交流电源正常,指标(电压、频率)符合要求;
③UPS本体无影响工作的缺陷,各指示仪表、信号灯工作正常,UPS所接设备工作正常。
注:尽量避免在电网有重大操作时对UPS进行放电;在放电工作期间要保证UPS的交流供电正常;在UPS放电期间严禁UPS过载;两台UPS不可以同时放电。
(4)作业前纪录
①交流输入电压、电流;
②电池电压;
③UPS输出电压、电流;
④UPS负载率;
⑤UPS开关及指示灯状态。
5.放电操作步骤
(1)切断UPS市电输入
断开ATS柜对应的UPS电源,观察UPS是否由市电逆变模式正常切换到电池模式,此时电池指示灯呈绿色、整流器指示灯熄灭。
(2)放电监视
放电开始后必须设专人监视UPS的各项运行参数:
①UPS电池电压;
②UPS输出电压、电流;
③UPS负载率。
注:如果在放电过程中出现UPS设备异常声响、气味,必须进行检查;如果需要停机处理,先合上UPS市电电源此时由电池模式转变为市电逆变模式,状态正常后按INVERTER OFF约2s关
闭逆变器,UPS模式转变为静态旁路供电正常运行后将检修旁路开关MAINT由OFF位置切换至ON。
如果情况紧急,可直接按下紧急停机按钮EPO,关闭UPS。
在UPS放电期间所有的故障现象必须记录,并及时向上级领导汇报。
(3)放电结束
当UPS电池电压≤324V时,停止放电。
合上ATS柜内UPS电源,此时整流器指示灯呈绿色,电池模式装换为市电逆变模式。
纪录放电时间,放电电流及负载率。
将UPS当前状态与作业前纪录对比,确保当前指标及状态已经恢复正常。
全体工作人员撤离工作地点,无遗留物品。
所有工器具、图纸、工作记录清点归档。