HNi56-3镍黄铜标准 耐腐蚀性强
- 格式:docx
- 大小:12.69 KB
- 文档页数:1
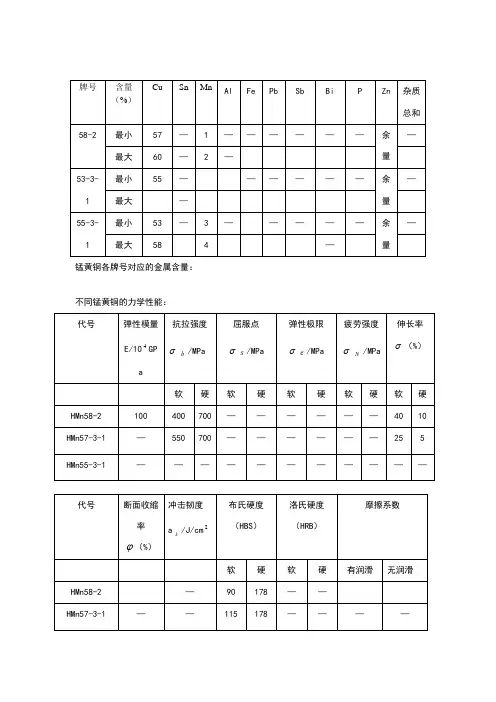
锰黄铜各牌号对应的金属含量:不同锰黄铜的力学性能:在锰黄铜中,几种金属的作用及含量确定:Mn的作用及含量:Mn的Zn当量系数小,只有,对合金组织影响不大。
但Mn固溶Cu中,假如少量Mn即可使合金强度得到显著提高。
但过高的Mn(如超过%),合金在低于375℃的温度下,Mn在Cu中的固溶度下降,析出富Mn的ξ相,固溶强化效果不佳,固标准含量定为3%—4%。
参照以往生产经验,Mn量在%—%时,合金有较好的综合性能。
铁的作用及含量:Fe在α相中的溶解度只有%,在(α+β)二相组织中的溶解度亦只有%,当Mn、Ni 和Al与Fe共存时,Fe在Cu中的溶解度可增大。
当合金中的含Fe量超过其溶解度之后,在结晶时Fe于高温下首先析出作为结晶核心,从而细化晶粒,提高合金性能。
同时,固溶于Cu中的部分Fe起到固溶强化作用。
此外,Fe还能防止合金中富Mn的ξ相析出。
但是,过高的Fe(超过%)含量,会使富铁相的量过多,且在晶界聚集与粗化,使合金力学性能恶化,耐蚀性能降低。
因此,标准规定其含量为%—%,配料时可按1%考虑。
在工艺中需加入%的Al:因为在黄铜加入少量Al后,铸件表面可形成三氧化二铝的薄膜,从而提高铸件的耐蚀性能和表面光洁度,在熔炼过程中可减少Zn的蒸发,同时提高在成型过程中合金的流动性。
从金属学角度看,在黄铜中有Mn、Fe、Ni或Al共存时,可增强Fe细化晶粒的作用,改善合金性能。
因此,在熔配黄铜合金时往往加入少量Al,但Al的Zn含量值高达6,对合金组织有较大影响,所以在非Al黄铜中的加入量不可太大,一般取%—%。
在不同初始应变速率下, 得到破断延伸率与拉伸温度之间的关系曲线, 如图1 所示。
由图可知在313×10- 3 s- 1、400 ℃时破断伸长率为最大, 达160%。
呈现超塑性的变形温度局限于380 ℃~ 420 ℃的范围之内。
铜合金copper alloy以纯铜为基体加入一种或几种其他元素所构成的合金。
纯铜呈紫红色﹐又称紫铜。
纯铜密度为8.96﹐熔点为1083℃﹐具有优良的导电性﹑导热性﹑延展性和耐蚀性。
主要用于制作发电机﹑母线﹑电缆﹑开关装置﹑变压器等电工器材和热交换器﹑管道﹑太阳能加热装置的平板集热器等导热器材。
常用的铜合金分为黄铜﹑青铜﹑白铜3大类。
黄铜以锌作主要添加元素的铜合金﹐具有美观的黄色﹐统称黄铜。
铜锌二元合金称普通黄铜或称简单黄铜。
三元以上的黄铜称特殊黄铜或称复杂黄铜。
含锌低於36%的黄铜合金由固溶体组成﹐具有良好的冷加工性能﹐如含锌30%的黄铜常用来制作弹壳﹐俗称弹壳黄铜或七三黄铜。
含锌在36~42%之间的黄铜合金由和固溶体组成﹐其中最常用的是含锌40%的六四黄铜。
为了改善普通黄铜的性能﹐常添加其他元素﹐如铝﹑镍﹑锰﹑锡﹑硅﹑铅等。
铝能提高黄铜的强度﹑硬度和耐蚀性﹐但使塑性降低﹐适合作海轮冷凝管及其他耐蚀零件。
锡能提高黄铜的强度和对海水的耐腐性﹐故称海军黄铜﹐用作船舶热工设备和螺旋桨等。
铅能改善黄铜的切削性能﹔这种易切削黄铜常用作钟表零件。
黄铜铸件常用来制作阀门和管道配件等。
青铜原指铜锡合金﹐后除黄铜﹑白铜以外的铜合金均称青铜﹐并常在青铜名字前冠以第一主要添加元素的名。
锡青铜的铸造性能﹑减摩性能好和机械性能好﹐适合於制造轴承﹑蜗轮﹑齿轮等。
铅青铜是现代发动机和磨床广泛使用的轴承材料。
铝青铜强度高﹐耐磨性和耐蚀性好﹐用於铸造高载荷的齿轮﹑轴套﹑船用螺旋桨等。
铍青铜和磷青铜的弹性极限高﹐导电性好﹐适於制造精密弹簧和电接触元件﹐铍青铜还用来制造煤矿﹑油库等使用的无火花工具。
白铜以镍为主要添加元素的铜合金。
铜镍二元合金称普通白铜﹔加有锰﹑铁﹑锌﹑铝等元素的白铜合金称复杂白铜。
工业用白铜分为结构白铜和电工白铜两大类。
结构白铜的特点是机械性能和耐蚀性好﹐色泽美观。
这种白铜广泛用於制造精密机械﹑化工机械和船舶构件。
镍镍铁和镍矿介绍1.1镍镍是略带黄色银白色金属,是一种具有磁性的过渡金属。
镍的应用在于镍的抗腐蚀性,合金中添加镍可增强合金的抗腐蚀性。
不锈钢与合金生产领域是镍最广泛应用领域。
全球约2/3的镍用于不锈钢生产,因此不锈钢行业对镍消费的影响居第一位。
捏镍不锈钢中的主要作用在于它改变了钢的晶体结构。
在不锈钢中增加镍的一个主要原因就是形成奥氏体晶体结构,从而改善诸如可塑性、可焊接性和韧性等不锈钢属性,所以,镍被称为奥氏体形成元素。
目前全球有色金属中,镍的消费仅次于铜、铝、铅、锌,居有色金属第五位。
因此,镍被称为战略物资,一直被各国所重视。
1.2镍铁镍铁主要成分为镍与铁,同时还含有Gr、Si、S、P、C 等杂质元素。
根据国际标准(ISO)镍铁按含镍量分为FeNi20(Ni15~25%)、FeNi30(Ni25~35%)、FeNi40(Ni35~45%)、FeNi50(Ni45~60%),又再分为高碳(1.0~2.5%)、中碳(0.030~1.0%)和低碳(1<0.030%);低磷(P<0.02%)与高磷(P<0.02%)镍铁。
目前国内生产厂家生产的镍铁品位10~15%,也有部分厂家生产20%或25%以上的镍铁。
1.3 镍矿世界上可开采的镍资源主要有两类,一类是流化矿床,另一类是氧化矿床。
由于硫化镍矿资源品质好,工艺技术成熟,现约60~70%的镍来源于硫化镍矿。
而世界上镍的储量80%为氧化镍矿,矿物组成主要是含水镍镁硅酸盐(xNi.yMgO)Si2n H2O,以及针铁矿Fe2O3.H2O、赤铁矿Fe2O3和磁铁矿2Fe3O4,由于铁的氧化,矿石呈红色,所以通称红土镍矿。
世界上的红土镍矿分布在赤道线南北纬30°以内的热带国家,其可开采部分一般由三层组成:褐铁矿层、过渡层和腐殖土层。
其化学成分组成见表1.褐铁矿层,含铁多、硅镁少、镍低、钴较高,一般采用湿法工艺回收金属;再下层是混有脉石的残积层(过渡层和腐殖土层)矿,含硅镁高、铁较低、钴较低、镍较高,这类矿一般采用火法工艺处理。
一、铜及铜合金按加工方式分类1、冶炼铜:通过电解精炼方法或电解沉积法生产得的阴极铜(铜锭、铜棒、线材)2、铸造铜:(1)铸造黄铜锭、青铜锭(2)铸造铜合金(青铜、黄铜)(3)压铸铜合金二、加工铜及铜合金(一)紫铜①纯铜:铜的含量在99.9%以上,代号:T1 99.95% T2 99.9% T3 99.7%②无氧铜:铜中不含氧元素,代号:TU0 99.99%、 TU1 99.97%、 TU2 99.95%③磷脱氧铜:只含铜和磷两种元素,代号:TP1 99.9% TP299.9%④银铜:代号:TAg0.1 Cu99.5%(二)黄铜:黄铜是以锌为主要加入元素的铜合金。
黄铜分普通黄铜(简单黄铜)和特殊黄铜(复杂黄铜)两种。
1、普通黄铜:铜和锌二元合金。
用字母H表示,如H62,表示含铜量约为62%,含锌量约为38%。
型号有:H96 H90 H85 H70 H68 H65 H63 H62 H592、特殊黄铜:在铜锌合金中加入其他元素(如锡、镍、锰、铅、硅、铝、铁等)的合金,表示方法是在H后面加除锌外的主要加入元素的符号及含量。
如:HNi65-5表示铜含量约为:65%,镍含量约为5%,其余量为锌含量。
型号有:①镍黄铜:HNi65-5 HNi56-5②铁黄铜:HFe59-1-1(铝) HFe58-1-1(Pb)③铅黄铜:HPb89-2 HPb66-0.5 HPb63-3 HPb63-0.1 HPb62-3 HPb62-2HPb61-1 HPb60-2 HPb59-3 HPb59-1④铝黄铜:HAl77-2 HAl67-2.5 HAl66-6(Al)-3(Fe)-2(Mn)HAl61-4(Al)-3(Ni)-1(Fe) HAl60-1-1(Fe) HAl59-3-2(Ni)⑤锰黄铜:HMn62-3(Mn)-3(Al)-0.7(Si) HMn58-2 HMn57-3-1(Fe) HMn55-3-1(Fe)⑥锡黄铜:Hsn90-1 Hsn70-1 Hsn62-1 Hsn60-1⑦砷黄铜:H85A As 0.02-0.08% H70A H68A⑧硅黄铜:Hsi80-3(三)白铜:白铜是铜合金的一种,是以镍为主要加入元素的铜合金。
CuZn37Mn3Al2Si对应国内牌号特性及用途:CuZn37Mn3Al2Si铝黄铜具有高的强度;耐蚀性是所有黄铜中最好的,腐蚀破裂倾向不大,冷态下塑性低,热态下压力加工性好。
CuZn37Mn3Al2Si铝黄铜用于发动机和船舶业以及其它在常温下工作的高强度耐蚀件。
中国标准GB: HAl59-3-2美国ASTM标准:C67800德国DIN标准: CuZn35Ni德国数字系统: 2.0540化学成份:黄铜、硅黄铜、锰黄铜等。
铅黄铜的切削性能优良,耐磨性好,广泛用于制造钟表零件,经铸造制作轴瓦和衬套。
锡黄铜的耐腐蚀性能好,广泛用于制造海船零件。
铝黄铜中的铝能提高黄铜的强度和硬度,提高在大气中的抗蚀性,铝黄铜用于制造耐蚀零件。
硅黄铜中的硅能提高铜的力学性能、耐磨性的耐蚀性,硅黄铜主要用于制造海船零件及化工机械零件。
材料销往全国各大城市:(林工①③⑥0①⑦④⑨⑨①⑤)河北省山西省辽宁省吉林省内蒙古江苏省浙江省安徽省福建省江西省山东省河南省湖北省湖南省广东省海南省四川省贵州省云南省陕西省甘肃省青海省台湾省北京市天津市上海市重庆市广西省澳门宁夏新疆香港黑龙江省现货供应规格?铜板厚度0.8 1.0 1.5 2.0 2.5 3.0 4.0 5.0 6.0 8.0 10 12 15 16 20---250mm铜带厚度0.15 0.2 0.25 0.3 0.4 0.5 0.6 0.8 1.0 1.2 1.5 1.6 2.0mm铜棒直径∮2.0 3.0 4.0 5.0 6.0 8.0 10 12 16 18 20 25 30 35 38 40--315mm铜线线径0.1 0.15 0.2 0.3 0.4 0.5 0.6 0.8 1.0 1.2 1.3 1.4 1.5 1.6 1.8 2.0 3.0 4.0mm以上常规规格均匀现货,特殊尺寸均可按要求订做!价格说明:市场瞬息万变具体价格请以当日电询为准!订购说明:(1)带材:不另外分条,1kg起订;如需另外分条,5kg起订(30kg以上免费分条,30kg以下另收取30元分条费);(2)线材:5kg起订,特殊规格订做视具体情况而定;(3)板材:(薄板),1张起订;(中厚板)可零切订;(4)棒材:小直径5kg起订,如需几支试样,另视情况而定收取样品费;中大直径1条起订;(5)管材:小直径5kg起订,如需几支试样,另视情况而定收取样品费;中大直径1条起订;本公司以诚信赢得客户,以质量开拓市场!相信每一次的合作,都会让我们彼此走得更近!国内铜合金牌号:纯铜:T1 T2 T3无氧铜:TU0 TU1 TU2磷脱氧铜:TP1 TP2 TAg0.1黄铜:H96 H90 H85 H80 H70 H68 H65 H63 H62 H59镍黄铜:HNi65-5 HNi56-3铅黄铜:HPb89-2 HPb66-0.5 HPb63-3 HPb63-0.1 HPb62-0.8 HPb62-3 HPb62-2 HPb61-1 HPb60-2 HPb59-3 HPb59-1加砷黄铜:HAl77-2 HSn70-1 H85A H70A H68A锡黄铜:HSn90-1 HSn62-1 HSn60-1铝黄铜:HAl67-2.5 HAl61-4-3-1 HAl60-1-1 HAl59-3-2 HAl66-6-3-2锰黄铜:HMn62-3-3-7 HMn58-2 HMn57-3-1 HMn55-3-1铁黄铜:HFe59-1-1 HFe58-1-1硅黄铜:HSi80-3锡青铜:QSn1.5-0.2 QSn4-0.3 QSn4-3 QSn4-4-2.5 QSn4-4-4 QSn6.5-0.1 QSn6.5-0.4 QSn7-0.2 QSn8-0.3铝青铜:QAl5 QAl7 QAl9-2 QAl9-4 QAl10-3-1.5 QAl10-4-4 QAl11-6-6 QAl9-5-1-1 QAl10-5-5铍青铜:QBe2 QBe1.9 QBe1.9-0.1 QBe1.7 QBe0.6-2.5 QBe0.4-1.8 QBe0.3-1.5硅青铜:QSi3-1 QSi1-3 QSi3.5-3-1.5锰青铜:QMn1.5 QMn2 QMn5锆青铜:QZr0.2 QZr0.4铬青铜:QCr1 QCr0.5 QCr0.5-0.2-0.1 QCr0.6-0.4-0.05镉青铜:QCd1镁青铜:QMg0.8铁青铜:QFe2.5碲青铜:QFe0.5白铜:B0.6 B5 B19 B25 B30铁白铜:BFe5-1.5-0.5 BFe10-1-1 BFe30-1-1锰白铜:BMn3-12 BMn40-1.5 BMn43-0.5锌白铜:BZn18-18 BZn18-26 BZn15-20 BZn15-21-1.8 BZn15-24-1.5铝白铜:BAl3-3 BAl6-1.5铸造黄铜锭:ZHD68 ZHD62铸造铝黄铜锭:ZHAlD67-5-2-2 ZHAlD63-6-3-3 ZHAlD62-4-3-3 ZHAlD67-2.5 ZHAlD61-2-2-1铸造锰黄铜锭:ZHMnD58-2-2 ZHMnD58-2 ZHMnD57-3-1铸造铅黄铜锭:ZHPbD65-2 ZHPbD59-1 ZHPbD60-2铸造硅黄铜锭:ZHSiD80-3 ZHSSiD80-3-3锰铜康铜:6J12 6J13 6J8 6J40。
HNi65-5镍黄铜成分及性能冶韩金属周工:1381—6166—343HNi65-5镍黄铜标准:GB/T 2042-1989●特性及适用范围:HNi65-5镍黄铜有高的耐蚀性和减摩性,良好的力学性能,在冷态和热态下压力加工性能极好,对脱锌和“季裂”比较稳定,导热导电性低,但因镍的价格较贵,故HNi65-5一般用得不多。
●化学成份:铜Cu :64.0~67.0锌Zn:余量铅Pb:≤0.03磷P:≤0.01镍Ni:5.0~6.5铁Fe:≤0.15锑Sb :≤0.005铋Bi:≤0.002杂质总和%≤0.3●力学性能:抗拉强度σb(MPa):≥294伸长率δ10(%):≥35注:板材的拉伸力学性能试样尺寸:厚度<15●热处理规范:热加工温度750~870℃;退火温度600~650℃;消除内应力的低温退火温度300~400℃。
HNi65-5镍黄铜力学性能良好,切削性好,易焊接和钎焊,导电,导热性低,耐蚀性高,且无腐蚀开裂倾向,船舶用零件,蒸汽及水管及配件我公司常备铜材现货规格:铜合金板材厚度(MM):0.5,0.6,0.7,0.8,1.0,1.5,2.0,2.5,3.0,3.5,4.0,4.5 5.0,6.0,6.5,7.0,7.5,8,9,10,12,14,15,16,18,22,24,25,28,30,35,38,40,45,50,55,60,65,70,75,80,88,85,90至400厚。
宽:200,300,310,305,600,1000,1500长:1500,1200,2000,2440,3000铜卷材(MM):0.1,0.2,0.3,0.4,0.5,0.6,0.7,0.8,0.9,1.0,1.2,1.5,2.0铜卷宽(MM):300,305,310,320,360,400,410,430,500,600,1000铜线材,铜合金棒材(MM):直径0.1,0.2,0.3,0.4,0.5,0.6,0.7,0.8,0.9,1,2,3,4.5 5.0 6.0 7.0 7.8 8.0 8.2 9.0 9.5 9.8 10 10.5 11 11.5 1212.5 12.7 13.0 13.5 14 14.5 15 15.5 16 16.5 17 17.5 18 18.3 19.8 20 20.5 21 22 23 24 24.5 25 26 27 28 29 30 31 32 32.5 33 34 35 35.5 36 37 38 40 41 42 42.5 43 45 45.8 46 48 50 581 52 53 53.5 54 54.5 55 56 58 60 62 63.5 64 64.8 70 73 75 80 86 87 90 92 95 100 105 110 115 120 130 150 155 160。
你不得不知的黄铜基础知识如果只是由铜、锌组成的黄铜就叫作普通黄铜。
如果是由二种以上的元素组成的多种合金就称为特殊黄铜。
如由铅、锡、锰、镍、铁、硅组成的铜合金。
黄铜有较强的耐磨性能。
特殊黄铜又叫特种黄铜,它强度高、硬度大、耐化学腐蚀性强。
还有切削加工的机械性能也较突出。
由黄铜所拉成的无缝铜管,质软、耐磨性能强。
黄铜无缝管可用于热交换器和冷凝器、低温管路、海底运输管。
制造板料、条材、棒材、管材,铸造零件等。
含铜在62%~68%,塑性强,制造耐压设备等。
含锌低于36%的黄铜合金由固溶体组成﹐具有良好的冷加工性能﹐如含锌30%的黄铜常用来制作弹壳﹐俗称弹壳黄铜或七三黄铜。
含锌在36~42%之间的黄铜合金由和固溶体组成﹐其中最常用的是含锌40%的六四黄铜。
为了改善普通黄铜的性能﹐常添加其他元素﹐如铝﹑镍﹑锰﹑锡﹑硅﹑铅等。
铝能提高黄铜的强度﹑硬度和耐蚀性﹐但使塑性降低﹐适合作海轮冷凝管及其他耐蚀零件。
锡能提高黄铜的强度和对海水的耐腐性﹐故称海军黄铜﹐用作船舶热工设备和螺旋桨等。
铅能改善黄铜的切削性能﹔这种易切削黄铜常用作钟表零件。
黄铜铸件常用来制作阀门和管道配件等。
一、普通黄铜它是由铜和锌组成的合金。
当含锌量小于39%时,锌能溶于铜内形成单相a,称单相黄铜,塑性好,适于冷热加压加工。
当含锌量大于39%时,有a单相还有以铜锌为基的b固溶体,称双相黄铜,b使塑性小而抗拉强度上升,只适于热压力加工。
若继续增加锌的质量分数,则抗拉强度下降,无使用价值。
代号用“H ”表示,H 表示黄铜,数字表示铜的质量分数。
如H68 表示含铜量为68%,含锌量为32%的黄铜,铸造黄铜则在代号前“Z ”字,如ZH62。
如Zcuzn38表示含锌量为38%,余量为铜的铸造黄铜。
H90、H80属于单相黄铜,金黄色,故有金色共称之,称为镀层,装饰品,奖章等。
H68、H59属于双相黄铜,广泛用于电器上的结构件,如螺栓,螺母,垫圈、弹簧等。
一般情况下,冷变形加工用单相黄铜,热变形加工用双相黄铜。
HNi56-3镍黄铜氩弧焊焊接标准:GB/T 2042-1989特性及适用范围:HNi56-3镍黄铜有高的耐蚀性和减摩性,良好的力学性能,在冷态和热态下压力加工性能极好,对脱锌和“季裂”比较稳定,导热导电性低,但因镍的价格较贵,故HNi56-3一般用得不多。
编辑本段化学成份化学成份:铜Cu :54.0~58.0锌Zn:余量铅Pb:0.2磷P:0.01镍Ni:2.0~3.0铁Fe:0.15锑Sb :0.005铋Bi:0.002杂质总和%0.3力学性能:抗拉强度σb (MPa):294伸长率δ10 (%):35热处理规范热处理规范:热加工温度750~870℃;退火温度600~650℃;消除内应力的低温退火温度300~400℃。
HNi65-5镍黄铜力学性能良好,切削性好,易焊接和钎焊,导电,导热性低,耐蚀性高,且无腐蚀开裂倾向,船舶用零件,蒸汽及水管及配件镍黄铜在铜锌合金基础上加入镍的黄铜。
65Cu-30Zn-5Ni是典型的α镍黄铜,镍能提高合金的强度和韧性,并能增强合金的抗脱锌及抗应力腐蚀的能力。
合金在软态时的拉伸强度为400MPa,延伸率为65%,能很好地冷、热压力加工成管、板、带、线,有良好的切削性的焊接性。
用于制造金属钱币、压力表管、造纸网、船用冷凝管及其他耐蚀耐压管件。
HNi56-3镍黄铜管道氩弧焊焊接方法一、操作方法:(1)引弧前应先在管内充氩气将管内空气置换干净后再进行焊接,在时钟6 点位置前5mm 处起焊,采用高频引弧,并提前5~10s 送气,钨极端部距焊件2mm 左右,引弧后先不加焊丝,待根部熔代形成熔池后,即可填丝焊接,为使背面成型良好,不产生内凹,在仰焊部位采用内填丝法焊接,即焊丝要顺着坡口沿管子切点送到熔池前端,熔化金属应送至坡口根部,为防止始焊处产生裂纹,始焊速度要慢些,并多填焊丝,电弧作横向摆动,两边稍作停留,焊丝均匀地、断续地送进熔池向前施焊。
(2)填丝过程中,焊丝不能与钨极接触,焊丝端部不得抽离保护区,以避免氧化,影响质量,填丝时切勿扰乱氩气气流,停弧时注意氩气保护熔池。
QSn8-0.3材料介绍牌号:QSn8-0.3标准:(GB/T 5231-2001)中文名称:锡青铜QSn8-0.3锡青铜是以锡为主要合金元素的青铜。
含锡量一般在3~14%之间,主要用于制作弹性元件和耐磨零件等。
化学成分Sn:7.0-9.0P:0.03-0.35Zn:≤0.20Ni:≤0.20Fe:≤0.01Pb:≤0.05Cu:余量力学性能抗拉强度σb (MPa):≥350伸长率δ10 (%):≥55注:棒材的纵向室温拉伸力学性能试样尺寸:直径或对边距离40~120 上海冶韩:❶❺---❽○❶---❾❶❻--❼❾❽用途适用于导电良好的弹簧接触片或弹簧,航空高度表升降速度表弹簧、连杆、垫圈、小轴、波纹管,精密仪器齿轮、电刷盒、接触器。
主要特性高强度,硬度好,耐磨性,弹性好,无火花,耐腐蚀性无磁性优良的冷加工性能具有优良的电镀,及焊接性能。
上海冶韩供应材料有:紫铜:T1,T2,T3无氧铜:TU0,TU1,TU2磷脱氧铜:TP1,TP2黄铜:H59, H62, H65,H68,H70,H85,H90,H96铅黄铜:HPb63-3,HPb63-1,HPb62-0.8,HPb61-1,HPb59-1,HPB89-2, HPB66-0.5, HPb62-0.8, HPb62-3, HPB62-2, HPb61-1镍黄铜:HNi65-5,HNi56-3锡黄铜: HSn90-1, HSn70-1, HSn62-1, HSn60-1铝黄铜: HAl77-2, HAl67-2.5, HAl66-6-3-2,HAl61-4-3-1, HAl60-1-1, HAl59-3-2,锰黄铜:HMn62-3-3-0.7, HMn58-2, HMn57-3-1, HMn55-3-1铁黄铜: HFe59-1-1, HFe58-1-1硅青铜: HSi80-3, QSi3-1, QSi1-3, QSi3.5-3-1.锡青铜: QSn1.5-0.2, -0.3, Qsn4-4-2.5, QSn4-4-4, QSn6.5-0.1, QSn6.5-0.4, QSn7-0.2, QSn8-0.3铝青铜: QAl5, QAl7,QAl9-2,Qal9-4,QAl9-5-1-1,QAl10-3-1.5,QAl10-4-4,QAl10-5-5,QAl11-6-6铬锆铜:QZr0.2,QZr0.4, QCr0.5, QCr0.5-0.2-0., QCr0.6-0.4-0.05, QCr1, QCd1铍青铜:QBe1.9,QBe2,QBe1.9 -0.1,QBe0.6-2.5,QBe1.7, QBe0.4-1.8, QBe0.3-1.白铜:B19,B30,BFe10-1-1, BFe5-1.5-0.5, BFe30-1-1, BMn3-12, BMn40-1.5, BMn43-0.5, BZn18-18, BZn18-26, BZn15-20, BZn15-21-1.8, BZn15-24-1.5, BAl13-3, BAl6-1.5QSn4。
加工用铜及铜合金的牌号、特性及应用序号组别牌号主要特性应用举例1.纯铜TI有良好的导电、导热、耐蚀和加工性能,可以焊接和钎焊。
含降低导电、导热性的杂质较少,微量的氧对导电、导热和加工等性能影响不大,但易引起“氢病”,不宜在高温(如>370℃)还原性气氛中加工(退火、焊接等)和使用用于导电、导热、耐蚀器材。
如:电线、电缆、导电螺钉、爆破用雷管、化工用蒸发器、贮藏器及各种管道等2.T23.T3有较好的导电、导热、耐蚀和加工性能,可以焊接和钎焊;但含降低导电、导热性的杂质较多,含氧量更高,更易引起“氢病”,不能在高温还原性气氛中加工、使用用于一般铜材,如:电气开关、垫圈、垫片、铆钉、管嘴、油管及其他管道等4.无氧铜TU1、TU2纯度高,导电、导热性极好,无“氢病”或极少“氢病”;加工性能和焊接、耐蚀、耐寒性均好主要用于电真空仪器仪表器件5.磷脱氧铜TP1焊接性能和冷弯性能好,一般无“氢病”倾向,可在还原性气氛中加工、使用,但不宜在氧化性气氛中加工、使用。
TP1的残留磷量比TP2少,故其导电、导热性较TP2高主要以管材应用,也可以板、带或棒、线供应。
用作汽油或气体输送管、排水管、冷凝管、水雷用管、冷凝器、蒸发器、换热器、火车厢零件6.TP27.银铜TAg0.1铜中加入少量的银,可显著提高软化温度(再结晶温度)和蠕变强度,而很少降低铜的导电、导热性和塑性。
实用的银铜其时效硬化的效果不显著,一般采用冷作硬化来提高强度。
它具有很好的耐磨性、电接触性和耐蚀性,如制成电车线时,使用寿命比一般硬铜高2~4倍用于耐热、导电器材。
如:电动机整流子片、发电机转子用导体、点焊电极、通信线、引线、导线、电子管材料等8.普通黄铜H95强度比纯铜高(但在普通黄铜中,它是最低的),导热、导电性好,在大气和淡水中有高的耐蚀性,且有良好的塑性,易于冷、热压力加工,易于焊接、锻造和镀锡,无应力腐蚀破裂倾向在一般机械制造中用作导管、冷凝管、散热器管、散热片、汽车水箱带以及导电零件等9.H90性能和H96相似,但强度较H96稍高,可镀金属及涂敷珐琅供水及排水管、奖章、艺术品、水箱带以及双金属片10.H85具有较高的强度,塑性好,能很好地承受冷、热压力加工,焊接和耐蚀性能也都良好冷凝和散热用管、虹吸管、蛇形管、冷却设备制件11.H80性能和H85近似,但强度较高,塑性也较好,在大气、淡水及海水中有较高的耐蚀性造纸网、薄壁管、皱纹管及房屋建筑用品12.H70H68有极为良好的塑性(是黄铜中最佳者)和较高的强度,可加工性能好,易焊接,对一般腐蚀非常安定,但易产生腐蚀开裂。
QSn6.5-0.1锡青铜棒管特性及用途标准:(GB/T 2059-2000)特性及适用范围:磷锡青铜,有高的强度.弹性.耐磨性和抗磁性,在热态和冷态下压力加工性良好,对电火花有较高的抗燃性,可焊接和纤焊,可加工性好,在大气和淡水中耐蚀。
化学成份:试样尺寸:厚度≥0.15国内铜合金牌号:纯铜:T1 T2 T3无氧铜:TU0 TU1 TU2磷脱氧铜:TP1 TP2 TAg0.1黄铜:H96 H90 H85 H80 H70 H68 H65 H63 H62 H59镍黄铜:HNi65-5 HNi56-3铅黄铜:HPb89-2 HPb66-0.5 HPb63-3 HPb63-0.1 HPb62-0.8 HPb62-3 HPb62-2 HPb61-1 HPb60-2 HPb59-3 HPb59-1加砷黄铜:HAl77-2 HSn70-1 H85A H70A H68A锡黄铜:HSn90-1 HSn62-1 HSn60-1铝黄铜:HAl67-2.5 HAl61-4-3-1 HAl60-1-1 HAl59-3-2 HAl66-6-3-2锰黄铜:HMn62-3-3-7 HMn58-2 HMn57-3-1 HMn55-3-1铁黄铜:HFe59-1-1 HFe58-1-1硅黄铜:HSi80-3锡青铜:QSn1.5-0.2 QSn4-0.3 QSn4-3 QSn4-4-2.5 QSn4-4-4 QSn6.5-0.1 QSn6.5-0.4 QSn7-0.2 QSn8-0.3铝青铜:QAl5 QAl7 QAl9-2 QAl9-4 QAl10-3-1.5 QAl10-4-4 QAl11-6-6 QAl9-5-1-1 QAl10-5-5铍青铜:QBe2 QBe1.9 QBe1.9-0.1 QBe1.7 QBe0.6-2.5 QBe0.4-1.8 QBe0.3-1.5硅青铜:QSi3-1 QSi1-3 QSi3.5-3-1.5锰青铜:QMn1.5 QMn2 QMn5锆青铜:QZr0.2 QZr0.4铬青铜:QCr1 QCr0.5 QCr0.5-0.2-0.1 QCr0.6-0.4-0.05镉青铜:QCd1镁青铜:QMg0.8铁青铜:QFe2.5碲青铜:QFe0.5白铜:B0.6 B5 B19 B25 B30铁白铜:BFe5-1.5-0.5 BFe10-1-1 BFe30-1-1锰白铜:BMn3-12 BMn40-1.5 BMn43-0.5锌白铜:BZn18-18 BZn18-26 BZn15-20 BZn15-21-1.8 BZn15-24-1.5铝白铜:BAl3-3 BAl6-1.5铸造黄铜锭:ZHD68 ZHD62铸造铝黄铜锭:ZHAlD67-5-2-2 ZHAlD63-6-3-3 ZHAlD62-4-3-3 ZHAlD67-2.5 ZHAlD61-2-2-1铸造锰黄铜锭:ZHMnD58-2-2 ZHMnD58-2 ZHMnD57-3-1铸造铅黄铜锭:ZHPbD65-2 ZHPbD59-1 ZHPbD60-2铸造硅黄铜锭:ZHSiD80-3 ZHSSiD80-3-3锰铜康铜:6J12 6J13 6J8 6J40QSn6.5-0.1现货供应规格?铜板厚度0.8 1.0 1.5 2.0 2.5 3.0 4.0 5.0 6.0 8.0 10 12 15 16 20---250mm铜带厚度0.15 0.2 0.25 0.3 0.4 0.5 0.6 0.8 1.0 1.2 1.5 1.6 2.0mm铜棒直径∮2.0 3.0 4.0 5.0 6.0 8.0 10 12 16 18 20 25 30 35 38 40--315mm铜线线径0.1 0.15 0.2 0.3 0.4 0.5 0.6 0.8 1.0 1.2 1.3 1.4 1.5 1.6 1.8 2.0 3.0 4.0mm以上常规规格均匀现货,特殊尺寸均可按要求订做!QSn6.5-0.1厂家、QSn6.5-0.1性能、QSn6.5-0.1铜合金、QSn6.5-0.1成分、QSn6.5-0.1用途、QSn6.5-0.1型号、QSn6.5-0.1规格、QSn6.5-0.1批发、QSn6.5-0.1棒材、QSn6.5-0.1铜线、QSn6.5-0.1管材、QSn6.5-0.1带材、QSn6.5-0.1价格、优质QSn6.5-0.1铜合金供应商【上海同铸】质量保证,为您提供原厂材质证明。
HNi56-3镍黄铜标准耐腐蚀性强
中文名:HNi56-3
标准:GB 13808-92
化学成份:
铜 Cu :54.0~58.0
锌 Zn:余量
铅 Pb:≤0.2
磷 P:≤0.01
镍 Ni:2.0~3.0
铁 Fe:≤0.15 徐梦婕:158--01-91-67-98
锑 Sb :≤0.005
铋 Bi:≤0.002
杂质总和%≤0.3
力学性能:
伸长率δ10 (%):≥35
抗拉强度:≥294 σb (MPa)
试样尺寸:厚度<15
注:板材的拉伸力学性能
特性及适用范围:
HNi56-3镍黄铜有高的耐蚀性和减摩性,良好的力学性能,在冷态和热态下压力加工性能极好,对脱锌和“季裂”比较稳定,导热导电性低,但因镍的价格较贵,故HNi56-3一般用得不多
热处理规范
热处理规范:热加工温度750~870℃;退火温度600~650℃;消除内应力的低温退火温度300~400℃。
HNi65-5镍黄铜力学性能良好,切削性好,易焊接和钎焊,导电,导热性低,耐蚀性高,且无腐蚀开裂倾向,船舶用零件,蒸汽及水管及配件。