【精品】男式正装西裤工艺及过程检验
- 格式:ppt
- 大小:3.85 MB
- 文档页数:6
裤装生产工艺流程简析一、男西裤的外形概述装腰头,串带袢七根,前开门,门襟装拉链,前裤片左、右反裥各两个,侧缝斜插袋各一只,后裤片左、右省各两个,双嵌线开袋左、右各一个只,平脚口。
见下图:二、男西裤的部件前裤片两片,后裤片两片,腰面、里、衬各一片,串带袢七根,门襟面、衬各一片,里襟面、里、衬各一片,后袋嵌线四片,袋垫布两片,后袋布两片,侧缝斜插袋袋布两片,袋垫布两片,拉链一根,四件扣一副。
三、男西裤的质量要求(1)符合成品规格.(2)外形美观,内外无线头。
(3)门里襟缉线顺直,长短一致,封口处无起吊。
(4)做、装腰头顺直,串带袢整齐、无歪斜,左右对称。
(5)侧袋、后袋口袋口平服,后袋四角方正,袋角无裥、无毛出。
(6)整烫符合人体要求,烫煞无极光。
四、男西裤缝制中的重点或难点(1)后开袋。
(2)装门里襟和拉链。
五、男西裤的工艺流程打线钉→拷边→收省、归拔裤片→做零部件(串带袢,门、里襟,腰头)→开后袋→装斜插袋、缝合侧缝→缝合下裆缝→缝合前后裆缝、装门里襟拉链→装压串带袢和腰头→门襟缉线、封小裆→手工→整烫六、男西裤的缝制(一)打线丁1.打线钉的作用服装的裁片多数是两片对称一致的。
粉线标志只画在两片正面相叠的裁片上层,由于毛料上的粉迹容易脱落,因此在毛料服装缝制前,先把裁片上下两片叠齐,做上下对称的线钉标记,表示衣片各部位缝头大小和配件装置部位,以达到左右对称,部位准确的目的。
2.打线钉的部位前片:裥位,烫迹线,侧袋位,封小裆高,中裆高,脚口贴边。
见图2(1)。
后片:省位,烫迹线,后袋位,后裆缝,中裆高,脚口贴边。
(二)拷边(1)前裤片装门襟处的裆缝一段可以不拷边,以减少厚度. (2)里襟做好后,两层一起拷边。
(3)腰里全部包光,不拷边. (4)裤片除腰口以外其他部位都要拷边。
(三)收省、归拔裤片平面造型的裤片,采用了省、裥、凹势、胖势、倾斜度等处理方法,但是还不能符合人体曲线形状。
必须再采用熨烫中归拔的方法,即归拢、拔开的工艺,改变织物丝绺,以达到与人体体型相吻合的目的.如在臀围部位拔出胖势,在横裆部位归拢凹势等等,使线的造型变为面的造型.一般以归拔后片为主,前裤片可稍归拔。
西装缝制工艺实验报告分类:男西装标签:杂谈西装样板的具备情况完成时间:2010年6月2号实验目的:掌握男西装的工艺制作流程,理解工艺中补正的方法实验要求::独立完成了解工艺全过程。
实验条件:工业缝纫机,锁眼机,蒸气熨斗,服装剪,手针,镊子,黏合机,小剪刀画粉1.材料布料扣子样板画粉2.设备缝纫机锁眼机熨烫台黏合机实验程序:开始西装工艺实验的时间是2010年6月1日1.准备a排料术语:排料横纱直纱方法:将面料熨好,按横纱正对正铺平在桌子上。
将剪好的西装纸样按纱向排好在面料上,要做到使用面料的最大利用率。
要领:先排大片的纸样在放小的纸样,多排几次找到面料的做大利用率。
完成时间2010年6月2日b剪裁术语:裁剪划粉方法:将纸样的轮廓在面料上画好,在用剪刀沿画好的轮廓剪下需要的面料。
注意有条或有格的面料小心细致要领:要对条或格。
完成时间2010年6月2日c粘衬术语:粘衬纸衬布衬方法:在布衬上剪好需要粘贴的部位,布衬也需要对纱向。
然后在压衬的机器上把衬粘好,压衬之前最好剪个10平方厘米的小样实验面料的缩率大小。
要领:粘衬之前可先用熨斗将布衬与面料固定一下,防止压衬的时候布衬与面料发生倾斜。
完成时间2010年6月3日d标记术语: 打线丁对齐方法:将粘衬的面料正对正对齐,再将纸样放在面料上面与其对齐,并在主要的结构部位用针打上线丁。
再将两片面料分离,剪开缝合线。
要领:线要留长一点,防止后来线丁太短会脱落。
完成时间2010年6月3日2.组件前片---a捏胸省缝术语: 省量省道方法:剪一长条布垫下边,按照线丁的位置缝合。
注意两头回针。
要领::缝纫线要平滑完成时间2010年6月4日前片---b表里分别纵向合缝术语: 合缝方法:将里子合片注意低下层拉直要领::里子大于布料完成时间2010年6月8日前片---c挖口袋术语: 缝份开三角方法:男士西装共五个挖口袋。
两个带口袋,先做粘好衬的带盖口袋0.6cm一次0.1cm一次0.5cm一次注意精确,在反面剪开在一厘米处开三角,反过来合好口袋布,在三角处回三针。
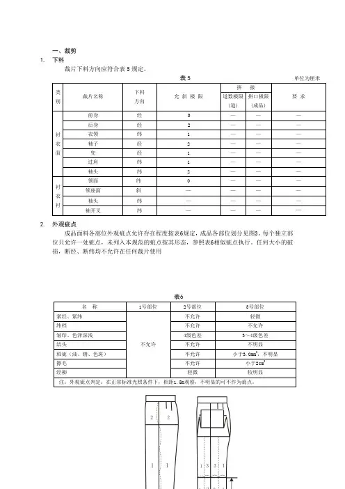
一、裁剪1.下料裁片下料方向应符合表5规定。
表5 单位为厘米2.外观疵点成品面料各部位外观疵点允许存在程度按表6规定,成品各部位划分见图3。
每个独立部位只允许一处疵点,未列入本规范的疵点按其形态,参照表6相似疵点执行。
任何大小的破损,断经、断纬均不允许在任何裁片使用表6图33、敷衬各部位敷衬要求应符合图4,裤腰、里襟里、门襟里按图示敷衬一层,袋口处敷扦条。
图44、缝制1.设备要求重点部位、部件缝纫设备及成品整烫设备应按表7规定。
2.针距二、原辅材料用料说明三、面料色差1、面料表面颜色与标样对比,色差应不低于4级,每条一致,色差评定级别应符合GB/T250-1995规定。
2、非表面部位与表面部位颜色色差对比应符合表3规定。
色差评定级别应符合GB/T250-1995规定。
表3、缝纫线颜色缝纫线颜色与面料标样对比,色差应不低于3-4级,只允许深,不允许浅。
白色面料用白色,藏青色面料用藏青色。
色差评定级别应符合GB/T 250-1995规定。
4、袋布、里料颜色袋布颜色与标样对比色差不低于3级。
左右裤袋布色差不应低于3-4级。
里料颜色与标样对比色差不应低于3级,里料拼接处色差不低于3-4级。
袋布、里料颜色色差评定级别应符合GB/T 250-1995规定。
5、拉链颜色拉链颜色与标样对比,色差应不低于3-4级。
色差评定级别应符合GB/T 250-1995规定。
6、成型腰里颜色成型腰里颜色与标样对比,色差应不低于3级。
色差评定级别应符合GB/T 250-1995规定。
7、粘合衬颜色粘合衬颜色为白色。
四、材料各种缝纫针距应符合表8定。
表8表83.缝制工艺缝制工艺应符合表规定。
表9(续)单位为厘米。
男西裤生产工艺单
男西裤生产工艺单:
一、准备工作:
1. 安排生产计划,确定生产批次和数量。
2. 下发面料和辅料采购单,确保原材料的供应。
3. 准备裁剪机和其他生产设备,确保正常运行。
4. 做好工人的培训和分工安排,确保生产顺利进行。
二、裁剪工艺:
1. 按照裁剪图纸,将面料进行裁剪。
2. 根据不同部位的尺寸,进行针对性的剪裁和修整。
3. 将修裁好的面料进行整理和折叠,便于后续的缝制工艺。
三、缝制工艺:
1. 进行针脚调试,确保适合面料和款式的缝线密度和长度。
2. 将裁剪好的面料进行缝合,包括前面部分、后面部分、两侧腿裤脚等。
3. 进行部分部位的补强缝合,如口袋口部位、裤脚边缘等。
4. 进行开襟、合腰、开裆等特殊部位的缝制。
四、整烫工艺:
1. 对缝制好的西裤进行整烫,保持平整。
2. 使用烫板、熨斗等工具,调整衣物的线条和外观。
3. 对特殊细节进行烫制,如口袋、裤褶等。
五、整形和质检工艺:
1. 对整烫好的西裤进行整形,使其达到穿着效果。
2. 进行质量检查,包括检查裁剪、缝制、整烫等环节是否符合要求。
3. 对质检合格的西裤进行包装,准备出厂。
六、包装和出厂:
1. 将西裤进行整理和折叠,放入塑料袋中。
2. 在塑料袋上标注产品编号、尺寸、款式等信息。
3. 对塑料袋进行封口后,装箱出厂。
以上是男西裤生产工艺单的基本内容,具体工艺流程可以根据产品款式和要求进行调整。
第二章裤子的缝制工艺第一节男西裤的制图、制板及排料图2-32、男西裤的排料(见图2-4)图2-4第二节男西裤的缝制工艺一、零部件的缝制方法1、拉链门襟的缝制方法(1)门襟贴边和里襟的反面烫衬。
](2)里襟面子与里襟里子正面相对,用平缝车缝外侧。
(3)将正面翻出烫平、沿折边车缝0.1cm明线。
(4)将拉链的反面与里襟的正面相对,拉链布右边距里襟毛边0.5cm车缝固定。
(5)右前片正面与里襟正面相对,按1cm缝份车缝并正面车缝0.1cm明线。
(6)将门襟贴边正面与左前片正面相对,按0.8cm缝份车缝。
(7)翻烫门襟贴边,将缝份倒向贴边一侧,沿缝口车缝0.1cm明线。
(8)将两前片正面相对,车缝前裆弯,缝至门襟下端止,打倒针。
分缝烫平。
将左侧门襟盖过右侧门襟约0.2cm,比好拉链位置,将拉链左侧布边与门襟贴边车缝固定。
(9)按要求车缝左门襟明线。
2、侧袋的缝制方法(1)将袋贴布与袋布的反面相对,用压辑缝固定。
(2)将袋贴布向外对折袋布,用来去缝车缝袋底。
(3)将前袋口贴布与前片袋口正面相对按净缝车缝,并翻折烫平,车缝0.1cm---0.6cm双明线。
(4)将口袋放平,前片褶裥向侧缝方向折倒,与袋布车缝固定。
(5)前片、后片正面相对,车缝外侧缝,分缝烫平。
(6)将袋布放平,从腰口下3cm处倒针固定上袋口,同时倒针固定下袋口。
(1)在衣片开袋位反面和嵌线布反面烫衬。
(2)折烫嵌线布,注意嵌线布两边不要对齐,要错开一定距离。
(3)在嵌线布上距折边1cm处车缝一道平行明线。
(4)在衣片上划出袋口的准确位置,将嵌线布的宽边朝上,嵌线布上明线与袋口下缘线重合,车缝,注意两端位置要准确并打倒针。
(5)将垫袋布放在袋口上缘位置,距上一条车缝线1cm处车缝平行线固定垫袋布与衣片,两端位置要准确并打倒针。
(6)分开嵌线布和垫袋布,沿中间将衣布剪开,距袋口两端1cm处剪三角,注意要剪到缝线根处,但不要剪断缝线,翻烫。
用到针车缝两端三角。
西裤制作工艺流程引言西裤是男士常穿的一种下装,其制作工艺流程对西裤的质量和外观起着关键作用。
本文将对西裤制作的整个流程进行全面、详细、完整且深入地探讨,让读者对西裤的制作工艺有更深入的了解。
西裤制作的一般流程西裤的制作过程一般包括选料、裁剪、剪线、缝纫、整烫等多个环节。
下面将详细介绍每个环节的具体步骤。
选料1.选择合适的面料:西裤常用的面料有棉、聚酯纤维、羊毛等。
根据西裤的用途和季节,选择适宜的面料。
2.测量面料尺寸:根据下装的尺码要求和设计稿,测量出所需的面料尺寸,确保裁剪出的部件能拼合成完整的西裤。
裁剪1.根据面料尺寸和裁剪图纸,在面料上进行标记和划线,标示出不同部位的裁剪线。
2.使用裁剪剪刀或裁剪机,按照标记的裁剪线将面料剪裁成对应的部件,如裤腿、裤头、裤带等。
剪线1.根据西裤的设计要求和图纸,选用适合的线材,一般为聚酯线或尼龙线。
在选用线材时,需考虑线的颜色、强度和耐用性。
2.使用剪线剪刀,将线剪断成所需的长度。
缝纫1.将裁剪好的面料部件按照裁剪图纸和设计要求进行拼接。
2.使用缝纫机,选择合适的线迹和针脚,进行缝合。
根据不同部位,可以选用不同的缝合方式,如平缝、包缝、侧缝等。
3.缝合过程中要注意保持线迹的平直、张力的均匀,确保缝合质量。
整烫1.使用熨斗将已缝合的西裤进行整烫,使其平整而光滑。
2.根据面料的特性和设计要求,设置熨斗的温度和湿度,避免面料受损或熨烫不彻底。
3.进行熨烫时,要注意熨斗的移动方向和力度,保持西裤的整体外观和线迹的清晰度。
西裤制作的特殊工艺除了上述一般流程,西裤的制作还可能涉及一些特殊的工艺,用于增加西裤的美观度和舒适度。
下面将介绍几种常见的特殊工艺。
口袋制作1.根据设计要求,在西裤的前部和后部安排相应数量和样式的口袋。
常见的口袋有斜口袋、平口袋和拉链袋等。
2.将口袋的布料裁剪成所需形状,进行缝制。
在缝制过程中,要注意口袋位置的准确性和线迹的牢固性。
腰带制作1.根据西裤的尺码要求,选择合适的腰带尺寸。
男西服的制作工艺步骤(一)检查裁片检查西服的部件是否齐全。
(二)验片检查有无不合规格的样片,并按样板修改正确或换片。
(三)打线丁1.前衣片驳口线,缺嘴线,手巾袋位,前袖窿装袖对档位,腰节线,大袋位,纽位,胸省线,底边线。
2.后衣片背缝线,背高线,腰节线,背衩线,底边线。
3.大、小袖片袖山对刀位,偏袖线,袖肘线,袖衩线,袖口折边线。
(四)粘黏合衬粘衬的部位包括大身、挂面、领面、袋盖面、手巾袋片、耳朵片、嵌线条、背衩等。
(五)收省1.收省(1)收胸省。
将肚省(袋口线)剪开,胸省剪至距省尖3.5~4 cm处,用线好车缉,省尖要缉尖,省缝要顺直。
省尖处丝绺不能有大于0.1 cm的偏差。
(2)剪掉肚省。
将胸省烫开,袋口摆平,袋口处搭合的量在下层剪掉(即肚省量)。
合并袋口处肚省缝,用线牢(或粘黏合衬),线两边线迹不要超过0.4 cm。
(3)合侧缝片。
大小衣片的腰节线、底边线对准,在袖窿深下10 cm一段大片有0.3~0.5 cm吃势,缝头为0.8 cm,缉线松紧适宜,缉线顺直。
2.缉背缝先用线把背缝好,后片胖势处线略抽紧些,好后把吃势烫平,车缉一道。
3.合缉前袖缝小袖在下,车缉前袖缝。
也可将袖片归拔好后再进行车缉,缉线要顺直。
(六)归拔1.归拔前衣片先将袋口处用黏合衬粘好,然后进行归拔。
(1)分烫省缝。
把衣片止口一边面向自己放平,分烫省缝。
省尖处可插一根针,以防省尖偏倒一边。
分烫时在腰节处丝绺向止口推出0.6~0.8 cm,并以腰节线为准向两边略拉伸。
分烫胁省时,两边丝绺放直,斜丝处不宜拉还。
(2)归拔前片。
止口靠身边(里襟则相反),将止口直丝推弹0.6~0.8 cm。
熨斗从腰节处向止口方向顺势拔出,然后顺门襟止口向底边方向伸长。
要求止口腰节处丝绺推弹烫平、烫挺。
熨斗反手向上,在胸围线处归烫驳口线,丝绺向胸省尖处推归、推顺。
(3)归烫中腰及袖窿处。
把胸省位至胁省的腰吸回势归到胁省至胸省的1/2处。
熨烫时一定要归平、归煞,以防回缩。
男西服的制作工艺步骤(一)检查裁片检查西服的部件是否齐全。
(二)验片检查有无不合规格的样片,并按样板修改正确或换片。
(三)打线丁1.前衣片驳口线,缺嘴线,手巾袋位,前袖窿装袖对档位,腰节线,大袋位,纽位,胸省线,底边线。
2.后衣片背缝线,背高线,腰节线,背衩线,底边线。
3.大、小袖片袖山对刀位,偏袖线,袖肘线,袖衩线,袖口折边线。
(四)粘黏合衬粘衬的部位包括大身、挂面、领面、袋盖面、手巾袋片、耳朵片、嵌线条、背衩等。
(五)收省1.收省(1)收胸省。
将肚省(袋口线)剪开,胸省剪至距省尖3.5~4 cm处,用线好车缉,省尖要缉尖,省缝要顺直。
省尖处丝绺不能有大于0.1 cm的偏差。
(2)剪掉肚省。
将胸省烫开,袋口摆平,袋口处搭合的量在下层剪掉(即肚省量)。
合并袋口处肚省缝,用线牢(或粘黏合衬),线两边线迹不要超过0.4 cm。
(3)合侧缝片。
大小衣片的腰节线、底边线对准,在袖窿深下10 cm一段大片有0.3~0.5 cm吃势,缝头为0.8 cm,缉线松紧适宜,缉线顺直。
2.缉背缝先用线把背缝好,后片胖势处线略抽紧些,好后把吃势烫平,车缉一道。
3.合缉前袖缝小袖在下,车缉前袖缝。
也可将袖片归拔好后再进行车缉,缉线要顺直。
(六)归拔1.归拔前衣片先将袋口处用黏合衬粘好,然后进行归拔。
(1)分烫省缝。
把衣片止口一边面向自己放平,分烫省缝。
省尖处可插一根针,以防省尖偏倒一边。
分烫时在腰节处丝绺向止口推出0.6~0.8 cm,并以腰节线为准向两边略拉伸。
分烫胁省时,两边丝绺放直,斜丝处不宜拉还。
(2)归拔前片。
止口靠身边(里襟则相反),将止口直丝推弹0.6~0.8 cm。
熨斗从腰节处向止口方向顺势拔出,然后顺门襟止口向底边方向伸长。
要求止口腰节处丝绺推弹烫平、烫挺。
熨斗反手向上,在胸围线处归烫驳口线,丝绺向胸省尖处推归、推顺。
(3)归烫中腰及袖窿处。
把胸省位至胁省的腰吸回势归到胁省至胸省的1/2处。
熨烫时一定要归平、归煞,以防回缩。
男西裤制作工艺书一、款式说明男西裤从外形看,有前裤片两片、后裤片两片、装腰头、串带袢5~7根。
其中前裤片有左右插袋各一只,左右正折裥各两只,前开门装拉链,后裤片左右省各两只,左右后开袋各一只。
二、效果图三、量体加放:(一)测量的主要部位与方法1、裤长:用软尺从髋骨上4cm开始量至踝骨下所需长度。
用“L”表示。
2、臀围:用软尺在臀部最丰满处水平围量一周。
用“H°”表示。
3、腰围:用软尺在腰围最细处水平围量一周。
用“W°”表示。
4、脚口:根据款式可以按臀围尺寸进行推算或测量。
(二)规格设计:1、裤长:按款式需要,应盖过脚面。
L=L°-4+1。
2、臀围:H=(净臀围)H+10cm~12cm。
3、腰围:W=(净腰围)W°+1cm~3cm。
4、脚口:SB=2/10H+2男装西裤结构设计175/78四、男西裤的用料计算1.面料:由于所采用的面料的幅宽不同,因此同一规格的男西裤的用料也不相同。
常用幅宽面料用料:2.里料用料:裤里料主要用在前片膝盖处,按使用长短分可以分为全里、半里之分。
单件算料一般采用纬纱。
五、男西裤部件六、结构图175/78七、排料图八、男装西裤的工艺流程(1)检查裁片,做标记(2)拷边(又称锁边、包缝)(3)缉后省(4)做后片口袋(5)缝合侧缝(6)装侧缝直袋,装里襟(7)缝合下裆缝(8)缝合前后裆缝(9)做腰头,做串带袢(10)装腰头、装串带袢(11)手工1.卷脚口贴边脚口贴边绷三角针。
2.锁扣眼(12)整烫(13)检验九、经纬纱向的技术规定:(1)前裤片:使用纱向为经纱。
以挺缝线为准,倾斜不大于1.5 cm;条格面料左右片条格对称,且不允斜;左右前中心线横条须对合。
(2)后裤片:使用纱向为经向。
以挺缝线为准,左右倾斜不大于2 cm;条格面料左右条格对称,且倾斜不大于1.5 cm;但内外缝须与前裤片内外缝横条对合;左右后档缝横格须对合。
(3)裤腰:使用纱向为经纱。
男西装工艺制做流程及方法
男西装的制作流程主要包括以下步骤:
1. 打线钉:在裁剪前,需要用线钉对布料进行标记,以确定西装的各个部位。
2. 裁剪:根据设计图纸和线钉标记,使用裁剪刀对布料进行裁剪。
裁剪时要确保裁剪的准确性,以免影响后续的缝制。
3. 缝制:根据设计图纸和裁剪好的布料,使用缝纫机对西装进行缝制。
缝制时要确保缝线的均匀和整齐,同时要注意处理细节,如领口、袖口、口袋等。
4. 熨烫:缝制完成后,需要对西装进行熨烫,以去除皱纹和折痕,使西装更加平整。
5. 质检:检查西装的整体质量和细节处理,确保符合要求。
6. 包装:将制作完成的西装进行包装,以方便携带和保存。
在制作男西装时,需要注意以下几点:
1. 选择合适的面料:根据季节和场合选择合适的面料,如羊毛、亚麻、棉等。
2. 注意版型:版型是决定西装是否合身的关键因素,需要根据个人的体型特征选择合适的版型。
3. 细节处理:在制作过程中,需要注意细节处理,如领口、袖口、口袋等部位的特殊处理。
4. 缝线和熨烫:缝线和熨烫是影响西装质量的关键因素,需要保证缝线的均匀和整齐,同时要注意去除皱纹和折痕。
5. 质检和包装:在制作完成后,需要进行严格的质量检查,并妥善进行包装,以方便携带和保存。
一实验名称:男西裤的缝制工艺二实验目的:能够全面掌握西裤的工艺制作技术,流程环节,质量标准等方面的实践性内容,能够达到自行设计,制定服装生产工艺的目标。
三实验要求:1.在实践中对衣料的质材,性能特征,面料纱向要有感性的认识。
2.熟练掌握西裤的工艺制作技术,对工艺流程有完整的组合能力。
3.对服装制作的独特工艺技巧和处理手法有明确的认识。
四实验条件:1.材料的准备:面料:黑色棉布料,幅宽1.5米,长1.4米辅料:白色无纺衬1米白色棉布0.5米,纽扣1颗,黑色涤纶线一个.2.设备:裁剪台工业平缝纫机包缝机熨烫机锁眼机等。
五、男西裤的用料计算:1、面料:由于所采用的面料的幅宽不同,因此同一规格的男西裤的用料也不相同。
常用幅宽面料用料裤里料主要用在前片膝盖处,按使用长短分可以分为全里、半里之分。
五工艺流程:排料——剪裁——辅料配备——缝制前插袋——后片收省——挖后口袋——合前后侧缝——缝制前门牌——归拔内裆——缝制腰里腰面——缝制腰鼻——安装腰头——安装腰头——安腰鼻——后工序男西裤样板图男西裤零辅料裁剪排料:双层布料,正面相对,根据纸样的尺寸,衣料的幅宽定排料图。
注意纸样的挺缝线要与布料的经向平行。
面料排料里料裁剪与排料衬料备料与裁剪六准备工作男西裤缝制前,需做一些必要的准备工作,首先应检查裁片,明确缝份大小,检查裤片与零辅件是否有漏裁的,检查眼刀和粉线是否准确。
确定无误后,再在裁片上作一些必要的缝制标记,打线钉是精做服装时的常用标记方法。
最后进行码边,包缝前要先将小裤底与裤绸缭好后,一起码边。
打线钉的部位有:前裤片的裥位、烫迹线、侧袋位、封小裆高、中裆高、脚口贴边和后裤片的省位、后袋位、中裆高、后裆缝的做缝等处。
包缝(码边)的部位有:前后裤片(留出前裤片下裆缝不码边,前裤片裆缝处不码边,后裤片后档缝处不码边)、侧袋垫布、后袋袋垫布、门襟。
码边时各部位不能抻拽,线迹要直顺,不能漏码。
缝制工作(一)检查裁片(1)检查裁片是否齐全,规格、色差是否符合要求。
男西装裤缝制方法及步骤1.粘衬、拷边给门里襟、上嵌、下嵌、腰粘衬。
四片裤片除腰处拷边。
2.做后袋(双嵌线袋)(1)缝合后片省道,在熨烫馒头上将省道烫倒。
(2)在袋口处贴有纺衬或无纺衬。
(3)嵌线袋布背面贴衬后,将袋布垫在裤片下面,袋布绱线要超过腰线0.5CM。
将嵌线布面和裤片正面相对,嵌线边中间缝对准袋口,袋布要参照袋口线,使其居中,然后距袋口线0.5CM处,各缉一条和袋口等长的线,两端要到回车固缝。
(4)沿袋口线剪开口,袋口两端剪成三角。
(5)将嵌线布翻向裤片反面,并将剪开的缝份分烫。
(6)掀起裤片,车缝固定下嵌线缝头及三角。
(7)将袋垫布放在袋布的相应部位上,然后用固定缝的方法车缝。
(8)将裤片卷折,缝袋布两侧。
先缝反面,缝份为0.3CM。
(9)将袋布翻向正面,将裤片掀起,车缝上嵌线,同时固定袋布和上嵌线。
(10)剪掉袋布超出腰口多余部分,嵌线要求上下左右一致,四角方正。
3.做侧插袋(1)袋口贴嵌条衬,防止斜丝被拉开,嵌条宽2CM,长20CM.(2)口袋布缝垫袋布,注意左右两边对称,距侧线1CM不缝死。
(3)将袋布斜口一侧对准口袋,扣烫前片袋口折边,袋口辑线双明线,第一条明线距袋口0.1CM,第二条距袋口0.8CM。
(4)将袋布折向反面,先辑缝下口0.3CM缝份,距袋口2CM处不缝。
(5)将袋布翻过来,再在正面辑线0.7CM的明线。
(6)车缝前腰褶裥2CM长并烫倒,正面倒向侧缝线,上面固定插袋对位。
下面固定对位时,将袋布和垫袋布分开,将袋布不被缝死。
最后将袋布余下额2CM 长的折边单缝一下。
4.缝合侧缝(1)侧缝缝合时将前裤片侧袋袋布掀开,使之不被缝合,并将袋布侧缝扣烫0.5CM。
(2)侧缝分缝后,铺好袋布,袋口封结。
(3)前后片侧缝正面完成。
5.车缝下裆缝(1)缝合下裆缝,分缝熨烫。
(2)烫后裤中缝,面料正面要垫水布。
6.门襟、里襟上拉链(1)里襟贴衬,折烫拷毛边。
(2)里襟正面与拉链反面相对,距拉链0.5CM处辑明线。