部标代码表001
- 格式:doc
- 大小:36.50 KB
- 文档页数:4
国内标准的代号和编号(一)国家标准的代号和编号国家标准的代号由大写汉字拼音字母构成,强制性国家标准代号为"GB",推荐性国家标准的代号为"GB/T"。
国家标准的编号由国家标准的代号、标准发布顺序号和标准发布年代号(四位数组成,示例如下:强制性国家标准推荐性国家标准国家实物标准(样品),由国家标准化行政主管部门统一编号,编号方法为国家实物标准代号(为汉字拼音大写字母"GSB")加《标准文献分类法》的一级类目、二级类目的代号及二级类目范围内的顺序、四位数年代号相结合的办法,如:(二)行业标准的代号和编号1、行业标准编号行业标准代号由汉字拼音大写字母组成。
行业标准的编号由行业标准代号、标准发布顺序及标准发布年代号(四位数)组成,示例如下:(1)强制性行业标准编号(2)推荐性行业标准编号2、行业标准代号由国务院各有关行政主管部门提出其所管理的行业标准范围的申请报告,国务院标准化行政主管部门审查确定并正式公布该行业标准代号。
已正式公布的行业代号见表。
(三)地方标准的代号和编号1、地方标准的代号由汉字"地方标准"大字拼音"DB"加上省、自治区、直辖市行政区划代码(见表1-2)的前两位数子,再加上斜线T组成推荐性地方标准;不加斜线T为强制性地方标准,如:强制性地方标准:DB××推荐性地方标准:DB××/T2、地方标准的编号地方标准的编号由地方标准代号、地方标准发布顺序号、标准发布年代号(四位数)三部分组成。
示列如下:3(四)企业标准的代号和编号1、企业标准的代号企业标准的代号由汉字"企"大写拼音字母"Q"加斜线再加企业代号组成,企业代号可用大写拼音字母或阿拉数字或两者兼用所组成。
企业代号按中央所属企业和地方企业分别由国务院有关行政主管部门或省、自治区、直辖市政府标准化行政主管部门会同同级有关行政主管部门加以规定。
文件编码建议按如下规则:1. 文件编码结构:1.1 抬头码:通常是公司简写1.2 文件阶层码:表明文件是哪一层的,比如,属于质量手册的用QM来表示1.3 文件类别码:代表过程,比如:用5来代表与管理职责相关的1.4 文件序列码:比如,在第5部分,用01来表示质量目标,用02来表示管理评审等等1.5 文件版本码:表明文件的版本2. 各部分详细规则:2.1 抬头码:公司简写,用大写英文表示2.2 文件阶层码:用大写英文表示,其中,一级文件质量手册用QM表示,二级文件程序文件用QP表示,三级作业文件等三级文件用QW表示,四级表单用QR表示,外来文件用ED表示。
2.3 文件类别码:代表文件所属过程,为管理规范,用一位阿拉伯数字表示。
特规定为文件类别码与ISO9001各个大点相对应:代码......表示过程......标准4 ...... 与体系策划、文件、记录管理相关的......质量管理体系5 ...... 与管理职责、质量目标、管理评审相关......管理职责6 ...... 与资源管理相关......资源管理7 ...... 与产品实现过程相关......产品实现8 ...... 与产品、过程测量和监视、持续改进有关......测量、分析与改进2.4 文件序列码:为两位阿拉伯数字,本部分,从01开始,直到99,在实际编写中,尽量与标准条文小点对应,比如:比如,在第5部分,用01来表示质量目标,用02来表示管理评审等等2.5 文件版本码:表明文件的版本,用一位大写英文字母和一位阿拉伯数字组成,如:A/0。
比如:ABC/QP/501—A/0阅读者能够很清楚地知道,这个文件是一个关于管理职责部分的A/0版程序文件ABC/QW/501—A/1关于管理职责部分的A/1版本的三级文件ABC/QR/501—A/1关于管理职责部分的A/1版本的记录表单ABC/ED/501—A/1关于管理职责部分的A/1版本的外来文件采用上述编码规则的好处在于:阅读者清楚文件分类和属性编写者清楚,在新编一个文件的时候,如何进行明确准确编码。
代码
部门
职务代码部门职务代码部门职务00
ISO 办01
董事长02
总经理03营销中心总监30
营销中心31
市场部经理09技术中心副总监90
技术中心91
开发管理部经理92
工模部经理921工模车间主管93
PIE 经理94
项目工程部主管95
设计工程1部经理951样板房96
设计工程2部经理97
研发工程3部经理98
研发工程4部经理99
品管部经理05管理中心总监50
管理中心51
人力资源部经理52
行政后勤部主管53
电脑咨询部经理06/07制造中心总监60
制造中心校长61
制造中心副总监梁生62
制造办经理63
ISO 办主管64
PE 部经理65PMC 部经理651采购主管652计划主管653不粘采购计划66
电器制造部经理661装配车间主管662钎焊车间67
物流部主管663电器制造品管主管70
不粘制造部664PPM 主管71
制造中心副总监师公72
不粘制造部经理721不粘品管主管73
五金部经理731五金车间主管732磨光车间主管08财务中心总监80
财务中心81
仓库主管41
伟裕公司经理42
伟利宝经理43铭牌公司经理
文件发放受控代码表。
单位类别代码表
基层表须准确填写单位类别代码。
各类填报单位的单位类别代码分别是:
001 国家档案局
002 省(自治区、直辖市)档案局
003 地(市、州、盟)档案局(处)
004 县(区、旗、市)档案局(科)
011 中央级国家综合档案馆
012 省(自治区、直辖市)级国家综合档案馆
013 地(市、州、盟)级国家综合档案馆
014 县(区、旗、市)级国家综合档案馆
021 中央级国家专门档案馆
022 省(自治区、直辖市)级国家专门档案馆
023 地(市、州、盟)级国家专门档案馆
031 中央、国家机关部门档案馆
032 省(自治区、直辖市)直机关部门档案馆
033 地(市、州、盟)直机关部门档案馆
041 企业集团和大型企业档案馆
051 省、部属事业单位档案馆
071 中央、国家机关,人民团体,民主党派档案室(处、科)
072 省(自治区、直辖市)直机关、人民团体、民主党派档案室(处、科) 073 地(市、州、盟)直机关、人民团体、民主党派档案室(处、科)
074 县(区、旗、市)直机关、人民团体、民主党派档案室(处、科)
081 企业集团和大型企业档案室(处、科)
082 中型企业档案室
091 省、部属事业单位档案室(处、科)
092 地师级事业单位档案室(处、科)
093 县级事业单位档案室(处、科)
111 开办档案专业教育的高等学校
112 开办档案专业教育的中等学校。
员工工号编制规则及管理制度
(试行)
为进一步规范人员管理,便于人力资源管理各项工作的有序、有效、快速、灵活的开展,加强公司企业文化建设,结合公司的实际情况,特制定本规则。
凡公司目前在册的所有员工,均按照本规则进行工号调整,以后入司的新进员工,均按照本规则进行工号编制。
第一部分:工号编制规则说明
一、
总说明
员工工号由工作单位识别码(公司代码、部门代码),个人信息识别码(人员代码、入司年码)共10位数字构成,其排列顺序为:
二、
工作单位识别码
“工作单位识别码”是,由四位数字组成。
前两位数字是“公司代码”,后两位是“部门代码”(详见附一《公司及部门代码一览表》)
三、
个人信息识别码
“个人信息识别码”由9位数字组成,分别为“职位”2位“组别”1位,“入职年份”2位,“员工代码”4位
“人员代码”是每个员工的编号码,由四位数字组成(0001-9999)。
1.公司目前在册人员“人员代码”排序优先级按照如下规则从0001依次排序。
注:H-高
M-中
L-低
2.新入司员工按照劳动合同生效日期的先后依次在尚未编用的“人员代码”依次排列,合同生效日期相同的,按照如下规则排列。
注:H-高
M-中
L-低
(二)
入司年码
“入司年码”是公司员工入司时间的标识符,由两位数字组成。
如1994年入司的员工其“入司年码”为94。
公司及部门代码一览表
组别代码:一组:A 二组:B 三组:C 四组:D 五组:E
六组:F
七组:G。
国家工作人员报备管理系统前端采集使用手册福建省公安厅出入境管理处2003年7月目录第1章国家工作人员报备前端采集介绍3 1.1系统描述3 1.2主要功能描述3 1.3软硬件环境要求3 1.4操作要求4第2章系统的安装与升级5 2.1系统安装5 2.2系统升级8第3章系统使用环境配置9 3.1配置内容9 3.2系统登录9 3.3系统主界面说明10 3.4报备单位信息设置12 3.5用户设置14 3.6代码装载15 3.7数据库备份16 3.8数据库恢复17第4章国家工作人员信息采集上报18 4.1功能介绍18 4.2首次报备人员的采集184.2.1 新增184.2.2 修改204.2.3 删除21 4.3已上报人员修改21 4.4已上报人员信息的撤销23 4.5已撤销数据清理24 4.6查询24 4.7数据卸载(数据上报)26 4.8数据卸载打印29 4.9数据卸载恢复30 4.10数据装载30 4.11外来数据装载31第5章常见问题解决36第1章国家工作人员报备前端采集介绍1.1 系统描述国家工作人员报备管理是公安出入境管理部门实现按需申领护照管理的一个重要组成部分,为实现按需申领护照后对国家工作人员的核查、审批提供依据。
国家工作人员报备前端采集系统(以下简称“前端采集系统”)提供在报备单位范围内采集按照规定需要在公安出入境管理部门备案的国家工作人员数据及向公安机关出入境管理部门上报这些数据的功能。
本手册旨在指导操作人员如何按要求使用前端采集系统。
1.2 主要功能描述前端采集系统的主要功能包括:1.国家工作人员采集:实现对首次报备人员的信息采集。
2.上报:将首次采集的信息、已上报人员的修改信息、已上报人员的撤销上报信息卸载成文件(加密存储),同时打印国家工作人员报备登记表,并通过软盘或其它方式上报到相关的公安出入境管理部门。
3.已上报人员修改:对已上报到出入境部门的数据进行修改。
4.已上报人员撤销:对已上报到出入境部门的人员撤销上报。
部标代码表001附件5:部标代码含义表1.ZZMMDM(政治面貌代码):01中共党员 02中共预备党员 03共青团员04民革会员 05民盟盟员 06民建会员07民进会员 08农工党党员 09致公党党员10九三学社社员 11台盟盟员 12无党派民主人士13群众2.MZDM(民族代码):01汉族 02蒙古族 03回族 04藏族 05维吾尔族06苗族 07彝族 08壮族 09布依族 10朝鲜族11满族 12侗族 13瑶族 14白族 15土家族16哈尼族 17哈萨克族 18傣族 19黎族 20傈傈族21佤族 22畲族 23高山族 24拉祜族 25水族26东乡族 27纳西族 28景颇族 29柯尔克孜 30土族31达斡尔族32仫佬族 33羌族 34布朗族 35撒拉族36毛难族 37仡佬族 38锡伯族 39阿昌族 40普米族41塔吉克族42怒族 43乌孜别克44俄罗斯族45鄂温克族46崩龙族 47保安族 48裕固族 49京族 50塔塔尔族51独龙族 52鄂伦春族 53赫哲族 54门巴族 55珞巴族56基诺族 97其他 98外国血统中国籍人士注:以上民族中未包含的少数民族归并到其他类(97)。
3.KSLBDM(考生类别代码):1城市应届 2农村应届 3城市往届 4农村往届注:凡已获得中等学历教育证书一年(含)以上者均为往届,其他归并为应届。
4.KSLXDM(考试类型代码):0春季统考 1秋季统考 2保送 3小语种 4二学位5实践青年 6职教师资 7运动训练、民族传统体育8高职班 9自定义项(单考)注:“KSLXDM”为9的各省自定义项须有明确含义,并报教育部备案,建议作为高职班(单考)的补充码,以便考务工作中编排单考应试科类。
5.BYLBDM(毕业类别代码):0普通高中毕业 1中等师范毕业 2其他中等专业学校毕业3职业高中毕业 4技工学校毕业 5其他中等学历教育毕业6高职(专科)学历教育毕业 7本科(含)以上学历教育毕业注:从初中毕业生中招收的“五年一贯制”等中等学历教育毕业直升者,均属其他中等学历教育毕业,并在转入高等学历教育当年参加高考报名,考生类别归为应届毕业生。
中华人民共和国知识产权行业标准——表格格式和代码标准文章属性•【制定机关】国家知识产权局•【公布日期】2001.12.31•【文号】国家知识产权局局长令第20号•【施行日期】2002.04.01•【效力等级】部门规章•【时效性】现行有效•【主题分类】知识产权综合规定,标准化正文国家知识产权局局长令(第20号)根据中国知识产权行业标准在制定中要为社会公众服务、为国家宏观决策服务、为行业管理部门管理服务的指导思想,为规范国家知识产权局的各种相关表格格式及代码,制定《表格格式和代码标准》第1部分:表格代码规则,现予公布,自二00二年四月一日起施行。
局长二00一年十二月三十日附中华人民共和国知识产权行业标准——表格格式和代码标准根据中国知识产权行业标准在制定中要为社会公众服务、为国家宏观决策服务、为行业管理部门管理服务的指导思想,为规范国家知识产权局的各种相关表格格式及代码,制定《表格格式和代码标准》第1部分:表格代码规则,现予公布,自二00二年四月一日起施行。
前言《表格格式和代码标准》分为二个部分:——第1部分:表格代码规则;——第2部分:表格格式规则。
本部分为ZC 0004-2001的第1部分。
ZC 0004-2001是中华人民共和国知识产权行业标准之一。
本部分的附录为规范性附录。
本部分由中华人民共和国国家知识产权局提出。
本部分由中华人民共和国国家知识产权局标准化委员会批准。
本部分由中华人民共和国国家知识产权局标准化委员会归口。
本部分起草单位:中华人民共和国国家知识产权局标准化委员会。
本部分主要起草人:田力普、林炳辉、黄庆、卜方、宁珑、翟薇、方克。
引言中华人民共和国国家知识产权局(以下简称国家知识产权局)为规范各种相关表格格式及代码(参见本标准第1部分1章确定的适用范围),配合全国专利信息化建设,提高国家知识产权局办事效率,更好地服务社会公众,特制定本标准。
表格格式和代码标准第1部分:表格代码规则1 范围ZC 0004-2001的本部分规定了国家知识产权局的各种相关表格的代码规则,并提供了《国家知识产权局表格代码汇编》。
目的制定物料分类代码办法,确保物料或产品具有独一无二的代码系统,便于物料追踪管理。
范围适合于进厂物料、中间产品、成品的分类代码管理。
职责质量部组织编定并监督实施,生产部、仓储等有关部门遵照执行。
参考无术语原材料:是指有药理活性作用的物料,除此之外,组成药品的其它物料为辅料。
不属于药品组分的物料按化学试剂或其它类物料代码。
当本类物料与化学试剂名称相同时,应注明不同级别或包装规格,如级别与包装规格也相同,以先代码者为准,一个代码必须对应唯一的物料产品。
内容1 定义1.1 GMP对物料的定义:物料是指用于生产的原材料、辅料、包装材料等。
1.2 本规定也包括中间产品、产成品在内。
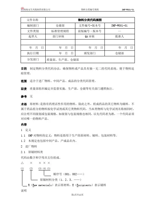
2 进厂物料2.1 原辅材料类代码由数字和字母共五位组成。
△××××顺序号(001、002……)原辅材料分类(1、2、3、……)R(Raw materials)表示原材料,E(Excipients)表示辅料说明●原辅材料分类1——固体类2——液体3——气体类4——中药材5——其他●R1005——表示顺序号为005的固体原材料。
●E2006——表示顺序号为006的液体辅料。
●代码细则详见:原辅材料代码表(SMP-W001-R1)2.2 包装材料类代码由数字和字母共六位组成。
M ×××××⑵⑶1、2…9;0表示不分规格)01、02……99)所属产品代码(01、02……99;00表示共用)M(Materials)表示包装材料类●例:M02031——表示产品代码为02 的031类包装材料,即活血止痛胶囊的小盒(36粒)。
●代码细则详见:包装材料代码表(SMP-W001-R2)。
3 中间产品代码由数字和字母共五位组成。
I ××××表示产品不同规格(1、2、3……)所属品种代码(01、02、03、……)(Intermediates)表示中间产品类说明:●每一中间产品必须归属在一个产品类别中,如该中间产品同时用于其它产品时,其代码不变;其中第(2)(3)位为所属产品代码细则详见:珠海安生凤凰制药有限公司产品代码(QA00004-R1):第5位:1表示第一工序(配料混合后)的第一中间品。
汽车零部件统一编码详细解析汽车零部件统一编码应遵循唯一性、稳定性、可扩展性、可追溯性、可兼容性的原则,适用于汽车生产、流通、维修、消费等环节。
对于汽车零部件统一编码的基本数据结构要素中的全球贸易项目代码GTIN的编制应满足唯一性、稳定性原则,同时还要兼顾汽车零部件统一编码在实际应用过程的可扩展性、可追溯性、可兼容性原则。
汽车零部件统一编码的唯一性是指汽车零部件产品的基本特征发生变化后应编制新的全球贸易项目代码GTIN,产品的基本特征一般包括产品名称、商标、种类、规格、数量、包装类型等关键属性要素,同时还要考虑产品自身的特性和市场销售需要确定其它属性要素,对汽车零部件产品的全球贸易项目代码GTIN进行合理的唯一性编码。
汽车零部件统一编码的稳定性是指一旦为汽车零部件的全球贸易项目代码GTIN编制了一个代码,只要产品的基本特征没有发生变化就不能重新编制新产品的代码,而且考虑到多数汽车零部件产品的较长使用周期,曾经使用过的全球贸易项目代码GTIN不建议再应用于新的零部件产品上。
汽车零部件统一编码的可扩展性、可追溯性、可兼容性主要是指编码时应充分考虑汽车零部件产品的行业特性,结合信息化技术,通过数据库和信息交换对汽车零部件统一编码与企业内部产品管理码、采购方或总装企业的OE码、售后的追踪追溯码进行整合关联、映射对照,在不同的应用环节中通过自动识别技术识读条码信息,通过网络调取数据库中零部件产品的详细信息,满足汽车生产、流通、维修、消费等不同环节中对于汽车零部件编码的信息化应用的目的。
汽车零部件统一编码的编码基本要求a)本标准编码按照 GB/T 16986-2009《商品条码应用标识符》和GB/T 15425-2014《商品条码128条码》中对字符串的规定进行编码;b)编码格式包括数字、字母及数字与字母组合编码三种格式,厂商对某个数据要素按其要求选用其中一种格式;c)编码字符集与GB/T 15425中GS1-128条码字符集相同,且不宜采用I、O、i、o等字母。
常见标准代号一览表中国标准:CB-中国船舶行业标准CH-中国测绘行业标准CJ-中国城镇建设行业标准CY-中国新闻出版行业标准DA-中国档案工作行业标准DB-中国农机工业标准DJ-中国电力工业标准DL-中国电力建设行业标DZ-中国地质矿产行业标准准EJ-中国核工业行业标准FZ-中国纺织行业标准GB-中国国家强制性标准GB/T-中国推荐性国家标准GJB-中国国家军用标准GY-中国广播电影电视行GA-中国公共安全行业标业标准准HB-中国航空工业行业标准HG-中国化工行业标准HJ-中国环境保护行业标准HY-中国海洋工作行业标准JB-中国机械行业(含机械、电工、仪器仪表等)强制性行业标准JC-中国建筑材料行业标准JB/T-中国机械行业(含机械、电工、仪器仪表等)推荐性行业标准JG-中国建筑工业行业标准JR-中国金融系统行业标准JT-中国公路、水路运输行业标准JY-中国教育行业标准JZ-中国建筑工程标准LD-中国劳动和劳动安全行业标准LY-中国林业行业标准MH-中国民用航空行业标准MT-中国煤炭行业标准MZ-中国民政工作行业标准NY-中国农业行业标准QB-中国轻工行业标准QC-中国汽车行业标准QJ-中国航天工业行业标准SB-中国商业行业标准SC-中国水产行业标准SH-中国石油化工行业标准SJ-中国电子行业标准SL-中国水利行业标准SN-中国进出口商品检验行业标准SY-中国石油天然气行业标准TB-中国铁路运输行业标准TD-中国土地管理行业标准TY-中国体育行业标准WB-中国卫生标准WH-中国文化行业标准WJ-中国兵器工业标准XB-中国稀土行业标准YB-中国黑色冶金行业标准YC-中国烟草行业标准YD-中国邮电通信行业标准YS-中国有色金属行业标准YY-中国医药行业标准ZB-中国专业标准ZBY-中国仪器行业专用标准ZY-中国中医行业标准CNS-台湾工业标准国际标准:ISO-国际标准化组织标准JSO/R-国际标准化组织建议IIW-国际焊接协会标准JCAO-国际民用航空组织标ICRP-国际射线防护委员会准标准美国标准:ASTMSTD-美国材料与试验协会标准AASHTOSTD-美国国家公路及运输公务员协会标准ANSISTD-美国标准协会AIAGSTD-自动化工业行动APISTD-美国石油协会标标准集团标准准ASNT(SNT)STD-美国无损AREASTD-美国铁路工程ASMESTD-美国机械工程检测协会协会标准师协会标准AIASTD-美国航空学会标准AWSSTD-美国焊接协会标准FAASTD-美国联邦标准MIL-STD-美国军用标准MSSSTD-美国制造商标准化协会标准ASA-美国国家标准NCRPSTD-美国国家辐射防护与测量理事会标准SAE-美国汽车工程师协会标准NAS-美国国家航空航天标准AMS-美国宇航材料规范ABS-美国海运局标准AES-美国原子能委员会标准AISI-美国钢铁协会标准DOD-美国国防部标准AIA-美国宇航工业协会标准DOE-美国能源部标准NBS-美国国家标准局标准日本标准:JIS-日本工业标准NDIS-日本无损检测协会标准HPI-日本高压技术协会标准加拿大标准:CSASTD-加拿大国家标准CANCGSB-加拿大工业通用标准IRS-加拿大标准化协会标准英国标准:BSI-英国标准协会标准DTD-英国航空材料规范BS-英国国家标准法国标准:NF-法国国家标准AFNOR-法国标准化协会标准AIR-法国国防部标准德国标准:LN-原西德航空标准SEL-原西德钢铁产品交货技术条件DIN-德国工业标准其他:UNI-意大利国家标准EN-欧洲标准化委员会标准ГОС-Т前苏联国家标准EFNDT-欧洲无损检测联盟STAS-罗马尼亚国家标准AS-澳大利亚国家标准中国标准化研究院标准馆采集的国际标准目录光盘类:AA美国铝协会AASHTO美国国家公路与运输协会标准ABS美国船舶局AES美国音频工程协会AIA美国航天工业协会AIAA美国航空与航天协会AIIM美国信息与图像管理协会ANS美国核协会ANSI美国国家标准协会API美国石油协会ARINC美国航空无线电设备公司AS澳大利亚国家标准ASA美国声协会ASHRAE美国采暖、制冷与空调工程师协会ASME美国机械工程师协会ASQ美国质量控制协会ASSE美国卫生工程协会ASTM美国材料与试验协会标准AWS美国焊接协会BHMA美国建筑小五金制造商协会CECC欧洲电子元器件协会CGSB加拿大通用标准局标准CSA加拿大标准协会CTI美国冷却塔学会DOD国防部标准化文件(含MIL标准)CEPT/ETSI/ECMA欧洲计算机通讯文档EIA美国电子工业协会Eurofile欧洲文档(包括欧洲标准、欧洲协调标准与欧洲指令)GM美国通用汽车公司标准IEEE美国电气与电子工程师协会标准IES美国照明工程学会IPC美国印刷电路协会ISO国际标准化组织ITU国际电信联盟MSS美国阀门及配件工业制造商标准化协会NACE美国全国腐蚀工程师协会NEMA美国电气制造商协会NISO美国国家信息标准协会NSF美国全国卫生基金会PFI美国制管学会RWMA美国电阻焊接机制造商协会SAE美国机动工程师协会SMPTE美国电影与电视工程师协会SSPC美国钢结构油漆委员会UL美国保险商实验室协会VDI德国工程师协会标准纸本类AAR美国铁路协会标准AI美国沥青学会标准*AISI美国钢铁协会标准*AOAC美国官方分析化学师协会标准APHA美国公共卫生协会*AREMA美国铁路工程协会标准ASAE美国农业工程师协会标准*ASME美国锅炉与压力容器标准ASME美国机械工程师协会标准ASTMSTP美国材料与试验协会特殊出版物ASTM美国材料与试验协会标准ATIS美国信息技术协会标准AWPA美国木材防腐协会标准*AWWA美国给水工程协会标准BGC保加利亚国家标准BMV德国联邦交通筑路规程*BS英国国家标准CAC国际食品法典委员会标准CDA美国铜发展协会标准*CFR美国联邦法规CHI美国氯气协会*CI美国绳索协会*CIE国际照明委员会标准CSMA美国化学特殊制品制造商协会标准* CSN捷克斯洛伐克国家标准DIN德国国家标准EARTO欧洲轮胎轮辋标准手册EPA美国环保局标准FAO联合国粮食与农业组织GA美国石膏协会标准GOST俄罗斯国家标准IEC国际电工委员会标准IIR国际制冷协会标准IPCS世界卫生组织环境健康标准ISO国际标准化组织标准JEM日本团体规格追录JIS日本国家标准JRA日本冷冻空调工业会标准JUS南斯拉夫国家标准JWWA日本给水协会标准kps北朝鲜国家标准ks韩国国家标准MS马来西亚国家标准NAPHCC美国全国管道供热、供冷承包商协会* NF法国国家标准NFPA美国防火协会标准NP葡萄牙国家标准NS挪威国家标准NZS新西兰国家标准OIE国际兽疫局标准OIML国际计量组织标准*SNAME美国船舶建筑师和海运工程师协会* SR(STAS)罗马尼亚国家标准SS新加坡国家标准TAPPI国家纸浆及造纸工业技术协会*TIS泰国国家标准TRA美国轮胎轮辋协会手册UIC国际铁路联盟德国公共卫生、采暖与空调协会*国际药典美国药典欧洲药典日本现行法规追录日本药典英国药典中国标准化研究院标准馆简介:中国标准化研究院标准馆是国家重点支持、面向全国的国家级标准文献服务中心,是国家科技图书文献中心标准分站点,其标准文献收藏量为全国之最。
组织形式标识码表-----------------------------------|分类|组织形式类别|国有资本比例|编码||----------|----------|------|----||一、非金融类企业|||||----------|----------|------|----||(一)非公司制|1、国有企业|国有独资|1110||企业|----------|------|----|||2、集体企业|国有控股|1121||||------|----||||国有参股|1122||||------|----||||国有独资|1123|||----------|------|----|||3、联营企业|国有控股|1131||||------|----||||国有参股|1132|||----------|------|----|||4、中外合作企业|国有控股|1141||||------|----||||国有参股|1142|||----------|------|----|||5、股份合作制企业|国有控股|1151||||------|----||||国有参股|1152||----------|----------|------|----||(二)公司制企|1、有限责任公司|国有控股|1211||业||------|----||||国有参股|1212||||------|----||||国有独资|1213|||----------|------|----|||2、股份有限公司|国有控股|1221||||------|----||||国有参股|1222|||----------|------|----|||3、中外合资企业|国有控股|1231||||------|----||||国有参股|1232||----------|----------|------|----||二、金融类企业|||||----------|----------|------|----||(一)银行|1、政策性银行|国有独资|2110||----------|----------|------|----|||2、商业性银行|国有控股|2121||||------|----||||国有参股|2122||||------|----||||国有独资|2123||----------|----------|------|----||(二)非银行金|1、保险公司|国有控股|2211||融机构||------|----||||国有参股|2212||||------|----||||国有独资|2213||----------|----------|------|----|||2、证券公司|国有控股|2221||||------|----||||国有参股|2222||||------|----||||国有独资|2223|||----------|------|----|||3、信托投资公司|国有控股|2231||||------|----||||国有参股|2232||||------|----||||国有独资|2233|----------------------------------------------------------------------||4、融资租赁公司|国有控股|2241|||----------|------|----||||国有参股|2242||||------|----||||国有独资|2243|||----------|------|----|||5、资产管理公司|国有控股|2251||||------|----||||国有独资|2252|||----------|------|----|||6、其他|国有控股|2261||||------|----||||国有参股|2262||||------|----||||国有独资|2263||----------|----------|------|----||三、其他类型企|1、国家授权投资机构||3000||业、机构和单位|----------|------|----||等|2、政府或政府有关部||4000|||门|||||----------|------|----|||3、政府直属事业单位||5000|||或政府管理的社会团体|||||----------|------|----|||4、外商||6000|||----------|------|----|||5、个人||7000|||----------|------|----|||6、境外企业||8000|||----------|------|----|||7、军队||9000|-----------------------------------注释:1、国有控股公司是指国有股权处于控股地位的公司,其中绝对控股的,国有股权比例不低于50%(含50%),相对控股的,国有股权比例一般不低于30%。
XXXXX限公司
文件编码规范
为规范公司表格管理,实现表格管理数据化标准化,特制定本表格编码规范。
一、表格编码结构
1.表格编码由四部分组成,每部分之间用“—”连接。
第一部分:公司名称
第二部分:发文机构
第三部分:文件密级
第四部分:文件建立日期
第五部分:文件流水号
第六部分:文件类型编号
2.各部分表示方法
1)第一部分:一律使用统一号为:
2)第二部分:发文机构
3)第三部分:文件密级
4)第四部分:文件建立日期
日期代号由年组成,如2016年建立的表格则写:2016
5)第五部分:文件流水号
表格流水号:数字表示,从0001到9999
6)第六部分:文件类型编号
7)第六部分:版本号
版本、版次号按该制度制订、修订的先后顺序确定,制度修订、整体更新一次就发布一次版本或版次号,修订一次即以阿拉伯数字形式修改版次,即用0、1、2、3...9表述,制度进行整体更新或修订次数过多时即用大写英文字母修改版本号,即用A、B、C、D…Z表述,如:第A版第零次的表述为“A/0”,第A版第1次的表述为“A/1”。
3、具体表示方式
举例:懒熊行政部文件交接登记簿表格
编码:LX -AD-FR-2016-01。
附件5:
部标代码含义表
1.ZZMMDM(政治面貌代码):
01中共党员 02中共预备党员 03共青团员
04民革会员 05民盟盟员 06民建会员
07民进会员 08农工党党员 09致公党党员
10九三学社社员 11台盟盟员 12无党派民主人士
13群众
2.MZDM(民族代码):
01汉族 02蒙古族 03回族 04藏族 05维吾尔族
06苗族 07彝族 08壮族 09布依族 10朝鲜族
11满族 12侗族 13瑶族 14白族 15土家族
16哈尼族 17哈萨克族 18傣族 19黎族 20傈傈族
21佤族 22畲族 23高山族 24拉祜族 25水族
26东乡族 27纳西族 28景颇族 29柯尔克孜 30土族
31达斡尔族32仫佬族 33羌族 34布朗族 35撒拉族
36毛难族 37仡佬族 38锡伯族 39阿昌族 40普米族
41塔吉克族42怒族 43乌孜别克44俄罗斯族45鄂温克族
46崩龙族 47保安族 48裕固族 49京族 50塔塔尔族
51独龙族 52鄂伦春族 53赫哲族 54门巴族 55珞巴族
56基诺族 97其他 98外国血统中国籍人士
注:以上民族中未包含的少数民族归并到其他类(97)。
3.KSLBDM(考生类别代码):
1城市应届 2农村应届 3城市往届 4农村往届
注:凡已获得中等学历教育证书一年(含)以上者均为往届,其他归并为应届。
4.KSLXDM(考试类型代码):
0春季统考 1秋季统考 2保送 3小语种 4二学位
5实践青年 6职教师资 7运动训练、民族传统体育
8高职班 9自定义项(单考)
注:“KSLXDM”为9的各省自定义项须有明确含义,并报教育部备案,建议作为高职班(单考)的补充码,以便考务工作中编排单考应试科类。
5.BYLBDM(毕业类别代码):
0普通高中毕业 1中等师范毕业 2其他中等专业学校毕业
3职业高中毕业 4技工学校毕业 5其他中等学历教育毕业
6高职(专科)学历教育毕业 7本科(含)以上学历教育毕业
注:从初中毕业生中招收的“五年一贯制”等中等学历教育毕业直升者,均属其他中等学历教育毕业,并在转入高等学历教育当年参加高考报名,考生类别归为应届毕业生。
6.WYYZDM(外语语种代码)
0不应试外语 1英语 2俄语 3日语 4德语 5法语
6西班牙语 7其他外语
7.KSTZ(考生特征)
A省级优秀学生 B思想政治品德突出
C省级以上青少年科技创新大赛或奥赛一等奖以上
D重大体育比赛前六名
E国家二级运动员(含)以上
F自谋职业城镇退役士兵 G三等功退役军人
J省级(含)以上优秀学生干部
H二等功(含)以上或被大军区以上单位授予荣誉称号的退役军人
K省级(含)以上三好学生L省级劳模、先进工作者
M聚居少数民族N归侨、华侨子女、归侨子女
O台湾省籍青年P烈士子女
Q退役军人R散居少数民族
S港澳青年 T残障人员
W有违规记录Y一级运动员
Z运动健将U国际健将
注:考生若有多项特征,应将对应标志代码同时填报在考生特征标志(KSTZ)字段
内,左对齐且其间不留空。
8.KLDM(科类代码)
0文理综合 1文史 2外语(文) 3艺术(文) 4体育(文)
5理工 6外语(理) 7艺术(理) 8体育(理) 9单独考试
注:对于高职班等单独考试的科类代码,各省在组织考试及录取的过程中,可结合
考试类型码8、9自定义为2位码,上报教育部时单考考生的应试科类代码一律归并为9。
9.LQLXDM(录取类型代码)
02保送生 03小语种 04二学位05实践青年
06职教师资 07运动训练、民族传统体育 08高职班
09其他单考单招 10一般统考生 11少年班(统考)
12艺术类专业(统考) 13体育类专业(统考)
14艺术特长生(统考) 15高水平运动员(统考)
16自主选拔(统考) 17西藏班(统考)
18新疆班(统考) 19少数民族预科班(统考)
10.BXLXDM(办学类型代码)
ll大学 12专门学院13高等专科学校
14高等职业技术学校 21高等学校分校22独立学院
31短期职业大学41成人高等学校51中等专业学校
11.XZLBDM(性质类别代码)
01综合院校 02工科院校03农业院校04林业院校
05医药院校06师范院校07语言院校08财经院校
09政法院校 10体育院校 11艺术院校 12民族院校
13军事院校
12.JHSXDM(计划属性代码)
1中央部门所属院校计划(不含军事院校) 2地方所属院校计划
3外埠地方所属院校在本地招生计划4军事院校计划
5电大函大普通班计划
13.WGSSDM(违规事实代码)
①违纪:
51携带规定以外的物品进入考场或者未放在指定位置
52未在规定的座位参加考试
53考试开始信号发出前答题或者考试结束信号发出后继续答题
54在考试过程中旁窥、交头接耳、互打暗号或者手势
55在考场或者教育考试机构禁止的范围内,喧哗、吸烟或者实施其他影响考场秩序的行为
56未经考试工作人员同意在考试过程中擅自离开考场
57将试卷、答卷(含答题卡、答题纸等)、草稿纸等考试用纸带出考场
58用规定以外的笔或者纸答题或者在试卷规定以外的地方书写姓名、考号或者以其他方式在答卷(含答题卡、答题纸等)上标记信息
59其他违反考场规则但尚未构成作弊的行为
②作弊:
61携带与考试内容相关的文字材料或者存储有与考试内容相关资料的电子设备参加考试 62抄袭或者协助他人抄袭试题答案或者与考试内容相关的资料
63抢夺、窃取他人试卷、答卷(含答题卡、答题纸等)或者强迫他人为自己抄袭提供方便
64在考试过程中使用通讯设备
65由他人冒名代替参加考试
66故意销毁试眷、答卷(含答题卡、答题纸等)或者考试材料
67在答卷(含答题卡、答题纸等)上填写与本人身份不符的姓名、考号等信息
68传、接物品或者交换试卷、答卷(含答题卡、答题纸等)、草稿纸
69其他作弊行为
71通过伪造证件、证明、档案及其他材料获得考试资格和考试成绩
72评卷过程中被发现同一科目同一考场有两份以上(含两份)答卷(含答题卡、答题纸等)答案雷同
73考场纪律混乱、考试秩序失控,出现大面积考试作弊现象
74考试工作人员协助实施作弊行为,事后查实
75其他应认定为作弊的行为
③其他违规:
81故意扰乱考点、考场、评卷场所等考试工作场所秩序
82拒绝、妨碍考试工作人员履行管理职责
83威胁、侮辱、诽谤、诬陷考试工作人员或其他考生
84其他扰乱考试管理秩序的行为。