汽车电线电缆明细表
- 格式:xls
- 大小:28.00 KB
- 文档页数:1
Q/HTQ 亨通电子线缆科技有限公司企业标准Q/HTQ-XXX-XXX-2015新能源汽车用高压电缆2015-01-XX发布2015-01-XX实施亨通电子线缆科技有限公司发布目次前言 (Ⅱ)1范围 (1)2规范性引用文件 (1)3定义 (1)4使用特性 (2)5产品代号说明、表示方法及产品型号规格 (2)6技术要求 (4)7试验方法 (10)8检验规则 (25)9交货长度 (26)10标志和标签 (26)11包装、运输和储存 (26)前言本标准的编制按照GB/T1.1-2009的要求编制。
本标准由企业技术研发部提出。
本标准由企业技术研发部归口。
本标准起草部门:技术研发部。
本标准主要起草人:XXXXXXX。
新能源汽车用高压电缆1范围本标准规定了新能源汽车用高压电缆的命名、技术要求、试验方法、检验规则以及标志、包装、运输和贮存等。
本标准所包括的电缆适用于纯电动及混合动力等新能源汽车内部高压电气系统。
2规范性引用文件下列文件中的条款通过本标准的引用而成为本标准的条款。
对于本文件的引用是必不可少的。
凡是注日期的引用文件,仅所注日期的版本适用于本标准。
凡是不注日期的引用文件,其最新版本(包括所有的修改单)适用于本标准。
GB/T2900.10电工术语电缆GB/T2951.11-2008电缆和光缆绝缘和护套材料通用试验方法第11部分通用试验方法厚度和外形尺寸测量-机械性能试验GB/T2951.21-2008电缆和光缆绝缘和护套材料通用试验方法第21部分弹性体混合料专用试验方法耐臭氧试验热延伸试验浸矿物油试验GB/T3048.8-2007电线电缆电性能试验方法第8部分:交流电压试验GB/T3953-2009电工圆铜线GB/T3956-2008电缆的导体GB/T4909裸电线试验方法GB/T4910-2009镀锡圆铜线GB/T6995-2008电线电缆识别标志方法GB/T12528-2008交流额定电压3KV及以下轨道交通车辆用电线电缆GB/T17650-1998取自电缆或光缆的材料燃烧时释出气体的试验方法GB/T17651-1998电缆或光缆在特定条件下燃烧的烟密度测定GB/T17737.1-2000射频电缆第1部分:总规范-总则、定义、要求和试验方法GB/T25085-2010道路车辆60V和600V单芯电线GB/T25087-2010道路车辆圆形、屏蔽和非屏蔽的60V和600V多芯护套电缆ISO6722-2011道路车辆—60V和600V单芯电缆—规格、试验方法和要求ISO14572-2006道路车辆—圆型,屏蔽及无屏蔽,60V及600V多芯护套电缆—基本性能及高性能电缆的试验方法和要求SN/T2003.1-2005电子电气产品中铅、汞、镉、铬、溴的测定:第一部分:X射线荧光光谱定性筛选法SN/T2004.2-2005电子电气产品中铅、镉、铬的测定:第二部分:火焰原子吸收光谱法DIN EN14372-2004Child use and care articles-Cuelery and feeding utensils-Safety requirements and testsJB/T8137-1999电线电缆交货盘LV216-2:2012汽车及其电动驱动器用高压屏蔽电缆的试验方法和要求QC/T1037-2016道路车辆用高压电缆3定义GB/T2900.10中确定的术语、定义适用于本标准。
德标系列:FLRY-B 型汽车电线●产品名称薄壁聚氯乙烯绝缘低压电缆 (B型绞合导体)●产品示意图●产品特性导体由符合DIN 40500.4要求的软铜线按DIN 72551.6对B型导体的要求绞合而成。
产品性能符合DIN 72551.5、VW 60306要求。
温度范围 -40℃~ 105℃●产品结构标称截面mm2导体结构根数/直径最小绝缘厚度mm电线最大外径mm参考重量kg/km0.35 12/0.20 0.20 1.4 4.50.5 16/0.20 0.22 1.6 6.60.75 24/0.20 0.24 1.9 9.01.0 32/0.20 0.242.1 11.01.5 30/0.25 0.242.4 16.02.5 50/0.25 0.283.0 26.04.0 56/0.30 0.32 3.7 42.06.0 84/0.30 0.32 4.3 61.0FLRY-A 型汽车电线●产品名称薄壁聚氯乙烯绝缘、A型绞合导体低压电缆。
●产品示意图●产品特性导体由符合DIN 40500.4要求的软铜线按DIN 72551.6对A型导体的要求绞合而成。
产品性能符合DIN 72551.5、VW 60306要求。
温度范围 -40℃~ 105℃●产品结构标称截面mm2导体结构根数/直径最小绝缘厚度mm电线最大外径mm参考重量kg/km0.22 7/0.20 0.20 1.2 3.1 0.35 7/0.25 0.20 1.3 4.5 0.5 19/0.19 0.22 1.6 6.60.75 19/0.23 0.24 1.9 9.01.0 19/0.25 0.242.1 11.01.5 19/0.32 0.242.4 16.02.5 19/0.40 0.283.0 26.0FLYW 型汽车电线●产品名称耐热聚氯乙烯绝缘低压电缆。
●产品示意图●产品特性导体由符合DIN 40500.4要求的软铜线绞合而成。
产品性能符合VW 60306要求。
根数直径导体结构序号规格/型号标称截面积(mm2)最大外径mm1m 电线铜含量 g 导线名称360.50105℃汽车线370.75105℃汽车线38 1.00105℃汽车线39 1.50105℃汽车线40 2.00105℃汽车线41 2.50105℃汽车线42 3.00105℃汽车线43 4.00105℃汽车线44 6.00105℃汽车线450.50125℃ 汽车线460.75125℃ 汽车线47 1.00125℃ 汽车线48 1.50125℃ 汽车线49 2.00125℃ 汽车线50 2.50125℃ 汽车线51 3.00125℃ 汽车线52 4.00125℃ 汽车线53 6.00125℃ 汽车线540.483221-2670.162耐高温150度交联PE辐照线 P14 550.763321-22170.16 2.35耐高温150度交联PE辐照线 P14 560.763321-2270.26 2.35耐高温150度交联PE辐照线 P14 570.923321-20210.18 2.5耐高温150度交联PE辐照线 P14 580.923321-20100.26 2.5耐高温150度交联PE辐照线 P1459 1.503321-16260.25 3.1耐高温150度交联PE辐照线 P1460 1.903321-14410.25 3.5耐高温150度交联PE辐照线 P1461 2.403321-12650.25 3.96耐高温150度交联PE辐照线 P14 620.483266-2670.16 1.28耐高温125度交联PE辐照线 P13 630.603266-24110.16 1.41耐高温125度交联PE辐照线 P13 640.763266-22170.16 1.56耐高温125度交联PE辐照线 P13 650.923266-20210.18 1.72耐高温125度交联PE辐照线 P13 660.923266-20100.25 1.72耐高温125度交联PE辐照线 P1367 1.153266-18340.18 1.95耐高温125度交联PE辐照线 P1368 1.153266-18160.25 1.95耐高温125度交联PE辐照线 P1369 1.503266-16260.25 2.3耐高温125度交联PE辐照线 P1370 1.903266-14410.25 2.9耐高温125度交联PE辐照线 P1371 2.403266-12650.25 3.4耐高温125度交联PE辐照线 P13 720.481007-267/0.160.16 1.28PVC 电子线730.761007-2217/0.160.16 1.56PVC 电子线740.761007-227/0.260.26 1.56PVC 电子线750.921007-2021/0.180.18 1.72PVC 电子线760.951007-2010/0.260.26 1.75PVC 电子线77 1.501007-1626/0.2540.25 2.30PVC 电子线最新铜价销售单价调整价格当日铜0.6502006-3-13473000.960.8562006-3-1347300 1.271.2202006-3-1347300 1.81 1.5012006-3-13473002.221.9952006-3-13473002.952.5532006-3-13473003.783.1742006-3-13473004.704.8482006-3-13473007.17 0.4782006-3-13473000.71 0.6912006-3-1347300 1.020.9082006-3-1347300 1.341.2802006-3-1347300 1.891.5782006-3-13473002.342.0812006-3-13473003.082.6612006-3-13473003.943.2922006-3-13473004.875.0882006-3-13473007.53 0.4872006-3-14474500.72 0.5902006-3-14474500.87 0.5902006-3-14474500.87 0.6412006-3-14474500.950.6412006-3-14474500.951.0132006-3-1447450 1.49 1.8852006-3-14474502.783.5562006-3-1447450 5.25 0.6002006-3-14474500.89 0.6322006-3-14474500.93 0.7272006-3-1447450 1.07 0.7902006-3-1447450 1.17 0.7902006-3-1447450 1.17 0.8532006-3-1447450 1.26 0.8532006-3-1447450 1.262.1332006-3-14474503.153.7452006-3-1447450 5.52 0.1102006-3-14474500.16 0.2002006-3-14474500.30 0.2002006-3-14474500.30 0.3002006-3-14474500.44 0.3002006-3-14474500.44 0.7202006-3-1447450 1.06。
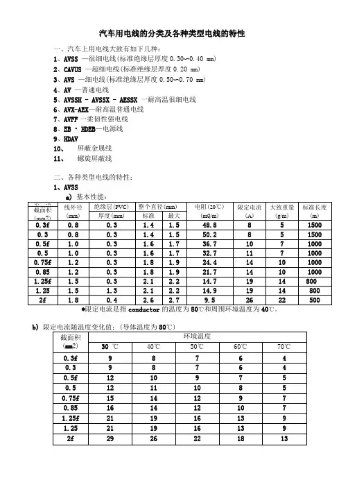
汽车用电线的分类及各种类型电线的特性一、汽车上用电线大致有如下几种:1、AVSS —很细电线(标准绝缘层厚度0.30〜0.40 mm)2、CAVUS —超细电线(标准绝缘层厚度0.20 mm)3、AVS —细电线(标准绝缘层厚度0.50〜0.70 mm)4、AV —普通电线5、AVSSH - AVSSX - AESSX 一耐高温很细电线6、AVX-AEX—耐高温普通电线7、AVFF一柔韧性强电线8、EB • HDEB—电源线9、HDAV10、屏蔽金属线11、螺旋屏蔽线二、各种类型电线的特性:1、AVSSa) 基本性能:*限定电流是指conductor的温度为80℃和周围环境温度为40℃。
b) 限定电流随温度变化值:(导体温度为80℃)2、CAVUSa) 基本性能:*限定电流是指conductor的温度为80℃和周围环境温度为40℃。
b) 限定电流随温度变化值:(导体温度为80℃)3、AVSa) 基本性能:*限定电流是指conductor的温度为80℃和周围环境温度为40℃。
b) 限定电流随温度变化值:(导体温度为80℃)4、AVa) 基本性能:*限定电流是指conductor的温度为80℃和周围环境温度为40℃。
b) 限定电流随温度变化值:(导体温度为80℃)5、AVSSHa) 基本性能:*限定电流是指conductor的温度为80℃和周围环境温度为40℃。
AVSSX、AESSXb) 基本性能:*限定电流是指conductor的温度为80℃和周围环境温度为40℃。
c) AVSSX、AVSSH限定电流随温度变化值:(导体温度为100℃)d) AESSX限定电流随温度变化值:(导体温度为120℃)6、AVX• AEXa)基本性能:*限定电流是指conductor的温度为80℃和周围环境温度为40℃。
b)AVX限定电流随温度变化值:(导体温度为100℃)c)AEX限定电流随温度变化值:(导体温度为120℃)7、AVFF基本性能:*f是指柔韧性电线8、HDAV基本性能:9、EB • HDEBa) EB基本性能:(EB主要用作地线)10、汽车用QVR、QFR型低压导线允许载流量、试验电流和参考载流量(A)汽车常用保险丝规格及熔断时间端子与电线之间的电压降整车电路的线束面积选择是根据用电器工作时电流大小而选择的,对于工作2电流很小的用电器电路所用导线截面积不小于0.5mm 2,整车电路电压降不得大于0.5丫起动机线路每100A电流所产生的电压降不能超过0.1~0.15v导线公称截面积及对应最小拉力电线束尺寸1、干线和保护套管长度应不小于100 mm,并为10的倍数,如:100 mm, 110 mm, 120 mm 等。
电线电缆规格型号表Document serial number【NL89WT-NY98YT-NC8CB-NNUUT-NUT108】电线电缆规格型号表,电线规格,电缆型号,电缆规格,电线型号,阻燃电缆厂耐火电缆产品有聚氯乙烯绝缘电线电缆、橡皮绝缘电线电缆、电力电缆、控制电缆、焊机电缆、矿用移动橡套软电缆、橡套软电缆、交联聚乙烯绝缘电力电缆及各种规格阻燃、耐火电缆!一、额定电压450/750V及以下聚氯乙烯绝缘电线(规格型号:BV、BLV、BVR、BVV、BLVV、BVVB、BLVVB、BV105度阻燃耐火系列。
)二、聚氯乙烯绝缘软电线、屏蔽线(规格型号:RV、RVB、RVS、RV105度、BVVB、RVV、RVVP阻燃耐火系列)三、聚氯乙烯绝缘聚氯乙烯护套电力电缆(规格型号:VV、VLV、VV22、VLV22)四、交联聚乙烯绝缘电力电缆(规格:电压:10KV 26/35KV YJV、YJLV、YJV22、YJLV22)五、塑料绝缘控制电缆(规格型号:KVV、KVV22、KVVR、KVVP、KVVP2)六、塑料绝缘耐火、阻燃电缆(规格型号:NH-VV、NH-VV22、ZR-VV、ZR-VV22、NH-KVV、NH-KVV22、NH-YJV、NH -YJV22、ZR-YJV、ZR-YJV22)七、橡皮绝缘编织电线 (规格型号:BX、BLX、BXR、BXF、BLXF) 八、农用直埋铝芯线(规格型号:NLYV NLVV)九、电焊机电缆(型号规格:YH、YHF)十、通用橡套软电缆(型号规格:YZ、YZW、YC、YCW)十一、交联聚乙烯绝缘低烟低卤、低烟无烟电力电缆(规格型号:DL-YJV、DL-YJV22、WL-YJV、WL-YJV22)十二、网线、耐高温导线、补偿导线、电话线、视频线十三、矿用电缆MY,MYP,MYPT,MYPTJ,MC,MCP,MCPT,MCPTJ,MZ,MZP,MYQ 十四、防水电缆 JHS,JHSB 十五、盾构机电缆 UGF,UGFP,UGEF,UGEFP,UGEFHP。
汽车线缆分类汽车线缆作为汽车电气系统的核心组成部分,对于车辆的正常运行和安全起着至关重要的作用。
随着汽车行业的不断发展,汽车线缆的种类和性能也得到了极大的提升。
本文将对汽车线缆进行详细分类,并介绍各类线缆的应用场景。
一、汽车线缆分类1.按照用途分类(1)动力线缆:主要用于传输发动机、电动机等动力装置的电力,如点火线缆、启动线缆等。
(2)信号线缆:主要用于传输车辆各种传感器和控制器之间的信号,如发动机控制线缆、制动系统线缆等。
(3)通信线缆:主要用于车辆内部各个电子设备之间的通信,如车载导航系统与车载娱乐系统之间的通信线缆。
(4)车身线缆:主要用于连接车身各个电器设备,如车窗、车门、空调等控制线缆。
2.按照材质分类(1)铜线:具有良好的导电性能,广泛应用于汽车线缆制造。
(2)铝线:密度较低,适用于轻型汽车线缆,但导电性能略逊于铜线。
(3)铁线:强度高,主要用于汽车内部的固定线缆。
(4)光纤:具有高速传输、抗干扰等优点,应用于汽车自动驾驶等领域。
3.按照结构分类(1)单股线:由单根导线组成,适用于较低电压和电流的场合。
(2)多股线:由多根导线绞合而成,具有较高的抗拉强度,适用于高电压和大电流场合。
(3)平行线:两根或三根导线平行排列,主要用于汽车传感器和执行器的连接。
二、汽车线缆应用场景1.发动机系统:包括点火线缆、启动线缆、传感器线缆等,用于监测和控制发动机的运行状态。
2.制动系统:包括制动灯线缆、刹车分泵线缆等,用于传输制动信号和动力。
3.车身电器:包括车窗、车门、空调等控制线缆,用于车辆内部设备的控制和连接。
4.传感器和控制器:包括各种传感器线缆和控制器线缆,用于监测车辆各个系统的运行状况并发出控制信号。
5.通信系统:包括车载导航、车载娱乐等系统之间的通信线缆,用于实现车辆内部各个电子设备的互联互通。
6.新能源汽车:包括电池管理系统、电机控制线缆等,用于新能源汽车的电力传输和控制。
总之,汽车线缆在汽车行业的地位举足轻重,各类线缆的性能和质量直接关系到车辆的安全和可靠性。
汽车电线(国标生产)名称型号特性工作温度℃普通聚氯乙烯绝缘低压电缆QVR普通型-40~+80耐热聚氯乙烯绝缘低压电缆QVR-105良好的耐热性能-40~+105聚氯乙烯绝缘聚氯乙烯护套电缆QVVR--聚氯乙烯-丁睛复合物绝缘低压电缆QFR--40~+70国家机械行业标准:JB/T 8139-1999 公路车辆用低压电缆(电线)QVR 型汽车电线:普通聚氯乙烯绝缘低压电缆产品示意图:产品特性:导体符合JB/T 8139的要求,由符合GB 3953要求的软铜线绞合而成。
产品性能符合JB/T 8139要求。
产品结构:标称截面mm2导体结构根数/直径标称绝缘厚度mm电线最大外径mm12/16/23/16/24/32/30/49/56/84/84/126/196/276/396/360/475/QVR-105 型汽车电线:耐热聚氯乙烯绝缘低压电缆产品示意图:产品特性:导体符合JB/T 8139的要求,由符合GB 3953要求的软铜线绞合而成。
产品性能符合JB/T 8139要求。
产品结构:标称截面mm2导体结构根数/直径标称绝缘厚度mm电线最大外径mm12/16/23/16/24/32/30/49/56/84/84/126/196/276/396/360/475/QVVR 型汽车电线:聚氯乙烯绝缘聚氯乙烯护套低压电缆产品示意图:产品特性:导体符合JB/T 8139的要求,由符合GB 3953要求的软铜线绞合而成。
产品性能符合JB/T 8139要求。
产品结构:标称截面mm2导体结构标称绝缘厚度mm标称护套厚度mm电缆最大外径mm根数/直径mm1×+6×49/+30/(2.5 mm2) (1.5 mm2)QFR 型汽车电线:聚氯乙烯-丁睛复合物绝缘低压电缆产品示意图:产品特性:导体符合JB/T 8139的要求,由符合GB 3953要求的软铜线绞合而成。
产品性能符合JB/T 8139要求。
产品结构:标称截面mm2导体结构根数/直径标称绝缘厚度mm电线最大外径mm12/16/23/16/24/32/30/49/56/84/84/126/196/德国标准汽车电线品种介绍——交联与聚氯乙烯系列交联EVA绝缘铝箔屏蔽TPE-U护套低压电缆聚氯乙烯绝缘聚氯乙烯护套扁平低压电线交联EVA绝缘TPE-U护套低压电缆聚氯乙烯绝缘聚氯乙烯护套低压电缆2芯聚氯乙烯绝缘平型低压电线交联EVA绝缘铝箔屏蔽TPE-U护套低压电缆产品型号:FL4GB11Y工作温度:-40~+110°C产品特性:具有优良的耐磨及耐弯曲疲劳性能适合于传输信号等用途。
汽车电线型号一览表标准名称型号截面范围 mm2使用温度名称AEX 0.58 -40120 汽车用交联聚乙烯耐热电缆JASO D608AVX 0.58 -40100 汽车用交联聚氯乙烯耐热电缆AVS 0.3 5 -4080 汽车用1型薄绝缘低压电缆AVSS 0.3 2 -4080 汽车用2型薄绝缘低压电缆JAOS D611CAVS 0.3 2 -4080 汽车用2型薄绝缘低压电缆CAVUS 0.3 1.25 -4080 汽车用3型薄绝缘低压电缆JIS C3406 AV 0.5100 -4080 汽车用低压电缆FLRY-A 0.22 2.5 -4080 单芯无屏蔽薄壁聚氯乙烯绝缘低压电缆DIN 72551.6FLRY-B 0.35 6 -4080 单芯无屏蔽薄壁聚氯乙烯绝缘低压电缆FLRY-A 0.22 2.5 -40105 单芯无屏蔽薄壁聚氯乙烯绝缘低压电缆FLRY-B 0.35 6 -40105 单芯无屏蔽薄壁聚氯乙烯绝缘低压电缆FLY 6120 -40105 单芯无屏蔽聚氯乙烯绝缘低压电缆FLR13Y-A 0.22 2.5 -40150 单芯无屏蔽薄壁热塑性弹性体绝缘低压电缆VW 603 06FLR13Y-B 0.35 6 -40150 单芯无屏蔽薄壁热塑性弹性体绝缘低压电缆FLR2X-A 0.22 2.5 -40125 单芯无屏蔽薄壁交联聚乙烯绝缘低压电缆FLR2X-B 0.35 6 -40125 单芯无屏蔽薄壁交联聚乙烯绝缘低压电缆FL2X 6120 -40125 单芯无屏蔽交联聚乙烯绝缘低压电缆STT 13103 -4080 薄壁热塑性绝缘起动机或接地装置电缆SGT 13103 -4080 通用热塑性绝缘起动机或接地装置电缆STR 13103 -4090 薄壁热固性弹性体绝缘起动机或接地装置电缆SGR 13103 -4090 通用热固性弹性体绝缘起动机或接地装置电缆SAE J1127STX 13103 -40125 薄壁交联聚烯烃绝缘起动机或接地装置电缆SGX 13103 -40125 通用交联聚烯烃绝缘起动机或接地装置电缆STE 13103 -40120 薄壁热塑性弹性体绝缘起动机或接地装置电缆SGE 13103 -40120 通用热塑性弹性体绝缘起动机或接地装置电缆TWP 0.228 -4080 薄壁热塑性绝缘电缆GPT 0.228 -4080 通用热塑性绝缘电缆HDT 0.228 -4080 重型热塑性绝缘电缆STS 0.228 -4090 标准负荷热固性弹性体绝缘电缆HTS 0.228 -40090重型热固性弹性体绝缘电缆SAE J1128TXL 0.228 -40125 薄壁交联聚烯烃绝缘电缆GXL 0.228 -40125 通用交联聚烯烃绝缘电缆SXL 0.228 -40125 特种用途交联聚烯烃绝缘电缆TWE 0.228 -40120 薄壁热塑性弹性体绝缘电缆GTE 0.228 -40120 通用热塑性弹性体绝缘电缆HTE 0.228 -40120 重型热塑性弹性体绝缘电缆SAE J1678UTA 0.13 3 -4080UTB 0.13 3 -40100UXC 0.13 3 -40125UXD 0.13 3 -40150WTA 0.13 3 -4080WTB 0.13 3 -40100标准名称型号 截面范围 mm 2使用温度 名称WXC 0.13 3 -40125WXD 0.13 3 -40150 QVR 0.2120 -4080 公路车辆用铜芯聚氯乙烯绝缘低压电缆 QFR 0.2120 -4070 公路车辆用铜芯聚氯乙烯-丁晴复合物绝缘低压电缆JB/T 8139QVR-105 0.2120 -40105公路车辆用铜芯耐热105聚氯乙烯绝缘低压电缆。
电缆线规格型号一览表(一)一、电线电缆产品主要分为五大类:1、裸电线及裸导体制品本类产品的主要特征是:纯的导体金属,无绝缘及护套层,如钢芯铝绞线、铜铝汇流排、电力机车线等;加工工艺主要是压力加工,如熔炼、压延、拉制、绞合/紧压绞合等;产品主要用在城郊、农村、用户主线、开关柜等。
2、电力电缆本类产品主要特征是:在导体外挤(绕)包绝缘层,如架空绝缘电缆,或几芯绞合(对应电力系统的相线、零线和地线),如二芯以上架空绝缘电缆,或再增加护套层,如塑料/橡套电线电缆。
主要的工艺技术有拉制、绞合、绝缘挤出(绕包)、成缆、铠装、护层挤出等,各种产品的不同工序组合有一定区别。
产品主要用在发、配、输、变、供电线路中的强电电能传输,通过的电流大(几十安至几千安)、电压高(220V至500kV及以上)。
3、电气装备用电线电缆该类产品主要特征是:品种规格繁多,应用范围广泛,使用电压在1kV及以下较多,面对特殊场合不断衍生新的产品,如耐火线缆、阻燃线缆、低烟无卤/低烟低卤线缆、防白蚁、防老鼠线缆、耐油/耐寒/耐温/耐磨线缆、医用/农用/矿用线缆、薄壁电线等。
4、通讯电缆及光纤(本公司目前不生产该类产品,故作简略介绍)随着近二十多年来,通讯行业的飞速发展,产品也有惊人的发展速度。
从过去的简单的电话电报线缆发展到几千对的话缆、同轴缆、光缆、数据电缆,甚至组合通讯缆等。
该类产品结构尺寸通常较小而均匀,制造精度要求高。
5、电磁线(绕组线)(本公司目前不生产该类产品,故作简略介绍)主要用于各种电机、仪器仪表等。
电线电缆的衍生/新产品:电线电缆的衍生/新产品主要是因应用场合、应用要求不同及装备的方便性和降低装备成本等的要求,而采用新材料、特殊材料、或改变产品结构⒒蛱岣吖ひ找蟆⒒蚪煌分值牟方凶楹隙?采用不同材料如阻燃线缆、低烟无卤/低烟低卤线缆、防白蚁、防老鼠线缆、耐油/耐寒/耐温线缆等;改变产品结构如:耐火电缆等;提高工艺要求如:医用线缆等;组合产品如:OPGW等;方便安装和降低装备成本如:预制分支电缆等。
汽车⽤电线的分类及各种类型电线的特性---001汽车⽤电线的分类及各种类型电线的特性⼀、汽车上⽤电线⼤致有如下⼏种:1、A VSS-很细电线(标准绝缘层厚度0.30~0.40 mm)2、CA VUS-超细电线(标准绝缘层厚度0.20 mm)3、A VS-细电线(标准绝缘层厚度0.50~0.70 mm)4、A V-普通电线5、A VSSH·A VSSX·AESSX-耐⾼温很细电线6、A VX·AEX-耐⾼温普通电线7、A VFF-柔韧性强电线8、EB·HDEB-电源线9、HDA V10、屏蔽⾦属线11、螺旋屏蔽线⼆、各种类型电线的特性:1、A VSS℃℃。
2、CA VUS℃℃。
3、A VS℃℃。
4、A V℃℃。
5、A VSSH℃℃。
A VSSX、AESSX℃℃。
6、A VX·AEX℃℃。
7、A VFF8、HDA V9、EB·HDEB10、汽车⽤QVR、QFR型低压导线允许载流量、试验电流和参考载流量(A)汽车常⽤保险丝规格及熔断时间端⼦与电线之间的电压降整车电路的线束⾯积选择是根据⽤电器⼯作时电流⼤⼩⽽选择的,对于⼯作电流很⼩的⽤电器电路所⽤导线截⾯积不⼩于0.5mm 2,整车电路电压降不得⼤导线公称截⾯积及对应最⼩拉⼒电线束尺⼨1、⼲线和保护套管长度应不⼩于100 mm,并为10的倍数,如:100 mm,110 mm,120 mm等。
2、⽀线长度应不⼩于50 mm。
3、接点之间距离、接点与分⽀点之间距离应不⼩于20 mm。
4、电线与端⼦连接处的绝缘套管长为20 mm±5 mm。
5、电线束基本尺⼨极限偏差应符合下表规定电线束未注公差尺⼨极限偏差 mm6、性能导线截⾯积与电流的关系⼀般铜线安全计算⽅法是:2.5平⽅毫⽶铜电源线的安全载流量--28A。
4平⽅毫⽶铜电源线的安全载流量--35A 。
6平⽅毫⽶铜电源线的安全载流量--48A 。
车用电线规格标准
车用电线规格标准主要包括以下几个方面:
1.导线截面积:汽车电线常用规格有0.5、0.75、1.0、1.5、
2.0、2.5、
4.0、6.0平方毫米等,不同规格的电线具有不同的负载电流值,用
于不同功率用电设备的导线。
2.颜色标识:汽车电线颜色标识应符合相关标准,如单色线绝缘层
表面颜色为黑色,多色线以相线颜色为主色,其余颜色为辅助色。
3.绝缘层厚度:汽车电线绝缘层厚度应满足要求,以保证电线在使
用过程中的绝缘性能。
4.耐高温性能:汽车电线应具备耐高温性能,能够在汽车发动机舱
内的高温环境下正常工作。
5.阻燃性能:汽车电线应具备阻燃性能,能够有效地阻止电线在火
灾等情况下燃烧,减少火灾发生的可能性。
6.弹性保持性能:汽车电线应具备良好的弹性保持性能,能够在汽
车振动和弯曲等情况下保持其形状和性能。
7.耐腐蚀性能:汽车电线应具备耐腐蚀性能,能够抵抗汽车内部的
酸碱等腐蚀性物质的侵蚀。
总之,车用电线规格标准是确保汽车电线性能和质量的重要保障,同时也能够提高汽车的安全性和可靠性。
电线电缆的价格受到多种因素的影响,包括型号、规格、质量等级以及是否包含附件(如护套、绝缘层等)。
因此,具体的价格会根据不同的产品而有所差异。
以下是一些常见电线电缆的价目表,仅供参考:
1. 普通铜芯电线(BV线):
* BVR 2.5mm ¥xx/卷
* BVR 4mm ¥xx/卷
* BVR 6mm ¥xx/卷
2. 铜芯电力电缆(VV线):
* VV 2.5mm ¥xx/卷(含普通护套、普通绝缘)
* VV 3+1 2.5mm ¥xx/卷(含铜导体、铠装护套、加强绝缘、聚氯乙烯)
* VV 4+1 2.5mm ¥xx/卷(同上,加强型)
3. 网线(RVV线):
* RVV 2.5mm ¥xx/卷(含多股铜芯线、双层护套)
* RVV 3+1 ¥xx/卷(同上,单层护套)
4. 同轴电缆(RVVSP线):
* RVVSP 2.5mm ¥xx/卷(含同轴电缆、双绞线)
* RVVSP 3+1mm ¥xx/卷(同上,加强型)
需要注意的是,以上价格仅供参考,实际价格可能会因地区、品牌、质量等级等因素而有所不同。
此外,购买电线电缆时还需考虑其他因素,如质量保证、售后服务等。
因此,建议在购买前咨询多个供应商,比较价格和质量,选择信誉良好的供应商。
此外,还有一些特殊用途的电线电缆,如高温电线电缆、低烟无卤电线电缆、阻燃电线电缆等,价格也会相应较高。
这些电线电缆通常用于特殊环境或对安全有较高要求的场合,如高温环境、易燃易爆场所等。
购买时需根据实际情况选择适合的电线电缆,并确保其符合相关安全标准和规范。
电线电缆载流量、电压降速查表单芯额定电压0.6/1kV聚氯乙烯绝缘聚氯乙烯护套电缆 VV、VLV标称截面mm21.52.5 4 6 10 16 25 35 50 70 95 120 150 185 240 300 400 500 630 800绝缘层厚度mm0.8 0.8 1.0 1.0 1.0 1.0 1.2 1.2 1.4 1.4 1.6 1.6 1.8 2.0 2.2 2.4 2.6 2.8 2.8 2.8护层厚度电缆近似mm 外径mm1.4 1.4 1.4 1.4 1.4 1.4 1.4 1.4 1.4 1.4 1.5 1.5 1.6 1.7 1.8 1.92.02.1 2.2 2.35.86.27.1 7.68.99.9 11.6 12.8 14.5 16.3 18.8 20.4 22.6 25.0 28.2 31.2 34.8 38.6 40.0 44.4电缆近似重量kg/km VV 49 62 86 110 165 230 335 440 580 7901080 1320 1620 2020 2620 3260 4130 5190 6420 8020VLV _ 46 61 72 99 126 176 220 280 360 480 570 700 860 1100 1350 1690 2100 2520 3070二芯额定电压0.6/1kV聚氯乙烯绝缘聚氯乙烯护套电力电缆 VV、VLV、VV22、VLV22无铠装电缆———————————————————————————————————————————————绝缘厚度 mm电缆近似护电缆重量kg/km 层近似厚外径度mm VV VLV mm铠装电缆外垫护层钢带层厚厚度厚度 mm度mmmm 1.2 1.2 1.2 1.2 1.2 1.2 1.2 1.2电缆近似重电缆量kg/km 近似外径mm VV22 VLV22标称截面mm2———————————————————————————————————————————————2*1.5. 0.8 1.8 10.3 114 __ 2*2.5 0.8 1.8 11.2 142 110 2*4 2*61.0 1.8 13.0 194 145 1.0 1.8 14.0 245 1692*0.2 1.8 13.6 300 __2*0.2 1.8 14.4 310 280 2*0.2 1.8 16.0 370 320 2*0.2 1.8 17.0 440 360 2*0.2 1.8 19.2 590 460 2*0.2 1.8 21.3 760 560 2*0.2 1.8 24.9 1050 7402*0.2 1.8 27.2 1310 8702*10 1.0 1.8 16.7 360 230 2*16 1.0 1.8 18.8 490 290 2*25 1.2 1.822.4 720 400 2*35 1.2 1.8 24.7 930 490 2*50 1.4 1.8 21.7 1140 560 2*70 1.4 1.9 24.3 1580 740 2*95 1.6 2.0 27.7 2140 980 2*120 1.6 2.1 30.3 2650 1180 2*150 1.8 2. 2 33.9 3250 1450 2*185 2.0 2.4 37.0 3990 17500.2*0.2 1.9 24.2 1290 710 2 1.2 1.2 1.2 1.2 1.22*0.5 2.0 26.9 1880 1040 2*0.5 2.1 30.4 2490 1330 2*0.5 2.2 34.2 3360 1890 2*0.5 2.4 37.7 4030 2230 2*0.5 2.5 40.9 4850 2610 三芯额定电压0.6/1kV聚氯乙烯绝缘聚氯乙烯护套电缆 VV、VLV、VV22、VLV22无铠装电缆标称截面mm2绝缘厚度 mm铠装电缆电缆近似重电缆量kg/km 近似外径mm VV22 VLV22———————————————————————————————————————————————__ 290 360 410 570 690电缆近似外护电缆重量kg/km 护层垫层钢带近似层厚厚度厚度外径厚度 mm mmmm VV VLV 度mmmm3*1.5 0.8 1.8 10.8 146 __ 1.2 2*0.2 1.8 14.4 310 3*2.5 0.8 1.8 11.7 196 140 _1.2 2*0.2 1.8 14.7 330 3*4 1.0 1.8 13.6 260 186 1.2 2*0.2 1.816.6 430 3*6 1.0 1.8 14.8 340 225 1.2 2*0.2 1.8 17.8 520 3*10 1.0 1.817.6 550 360 1.2 2*0.2 1.8 20.1 760 3*16 1.0 1.8 20.0 760 460 1.2 2*0.2 1.8 22.5 9903*25 1.2 1.8 23.8 1110 640 1.2 2*0.2 1.8 26.3 1400 920 3*35 1.2 1.8 26.3 1380 720 1.2 2*0.2 1.8 28.8 1690 1030 3*50 1.4 1.8 25.9 1690 820 1.2 2*0.5 1.9 28.6 2010 1140 3*70 1.4 2.0 28.6 2320 1070 1.2 2*0.5 2.1 31.2 2680 1420 3*95 1.6 2.1 33.9 3180 1440 1.2 2*0.5 2.2 37.8 3970 2230 3*120 1.6 2.2 36.9 3930 1730 1.2 2*0.5 2.3 40.8 4790 2580 3*150 1.8 2.3 40.6 4790 2100 1.2 2*0.5 2.5 44.5 5730 3030 3*185 2.0 2.5 44.8 5910 2550 1.2 2*0.5 2.6 48.8 6950 3580 3*240 2.2 2.7 51.5 7720 3300 1.2 2*0.5 2.8 55.5 8920 4480 3*300 2.4 2.9 56.0 9480 3980 1.2 2*0.5 3.0 59.9 10760 5240———————————————————————————————————————————————3+1芯额定电压0.6/1kV聚氯乙烯绝缘聚氯乙烯护套电缆 VV、VLV、VV22、VLV22电电缆近似护缆重量标称截面层近kg/km mm2 厚似主中度外线性mm 径 VV VLV 芯线 mm1.0.1.14.0 8 8 2 1.1.1.15.0 0 8 73*4+1*2.5 3*6+1*41.1.1.18.0 0 8 4绝缘厚度 mm无铠装电缆铠装电缆外垫护层钢带层厚厚度厚度 mm度mmmm———————————————————————————————————————————————电电缆近似重缆量kg/km 近似外VLV2VV22 径 2 mm470 5901.18.8 7 1.20.8 9 1.23.8 7 1.27.8 6 1.29.8 7 1.31.9 12.35.0 22.40.29 2.44.3 7 2.49.5 2 2.54.6 1800380 450 570300 210 1.2*0.2 2390 2601.2*0.580 350 2 2 830 470 1.2123660 0 1.790 2 1550 980 1.22011290 1.02———————————————————————————————————————————————2771700 1.0 3730 4700 5610 7020 91502060 2480 3050 39502*0.2 2*0.2 2*0.2 2*0.21.17.8 21080 720 1530 950 1870 1110 2350 1320 3150 1680 4580 25405630 2990 6640 3500 8150 4190 1040052003*10+1*6 1.1.1.21.0 0 8 23*16+1*101.1.1.25.3*25+1*16 2 0 8 1 3*35+1*16 1.1.1.27.2 0 8 23*50+1*251.1.1.28.3*70+1*35 4 2 9 6 3*95+1*50 1.1.2.32.4 2 0 73*120+1*701.1.2.37.3*150+1*70 6 4 1 0 3*185+1*95 1.1.2.40.6 4 2 8———————————————————————————————————————————————3*240+1*120 1.1.2.45.8 4 4 32.1.2.50.0 6 5 22*0.2 21.2*0.2 2 1.2*0.2 5 1.2*0.2 5 1.2*0.2 5 1.2*0.2 5四芯额定电压0.6/1kV聚氯乙烯绝缘聚氯乙烯护套电缆 VV、VLV、VV22、VLV22无铠装电缆绝标称缘截面厚mm2 度mm护层厚度 mm铠装电缆电缆近似重电缆量kg/km 近似外径mm VV22 VLV22410 470 610电缆近似重外垫电缆量kg/km 护层钢带近似层———————————————————————————————————————————————厚厚度外径厚度 mm VV VLV mm 度 mmmm4*4 1.0 1.8 14.8 320 225 1.2 2*0.2 1.8 17.8 510 4*6 1.0 1.8 16.0 420 270 1.2 2*0.2 1.8 19.0 620 4*10 1.0 1.8 19.2 630 380 1.2 2*0.2 1.8 21.7 8604*16 1.0 1.8 21.9 890 490 1.2 2*0.2 1.8 24.4 1160 760 4*25 1.2 1.8 26.1 1340 710 1.2 2*0.2 1.8 28.6 1660 1020 4*35 1.2 1.8 29.0 1770 890 1.2 2*0.2 1.9 31.5 2120 1240 4*50 1.4 1.9 28.7 2230 1239 1.2 2*0.2 2.0 31.3 2580 1420 4*70 1.4 2.0 32.7 3080 1400 1.2 2*0.5 2.1 36.6 3840 2160 4*95 1.6 2.2 37.2 4170 1850 1.2 2*0.5 2.3 41.1 5040 2720 4*120 1.6 2.3 41.0 5180 2240 1.2 2*0.5 2.4 44.9 6130 3190 4*150 1.8 2.5 45.4 6330 2720 1.2 2*0.5 2.6 49.4 7390 3780 4*185 2.0 2.6 50.5 7810 3320 1.2 2*0.5 2.7 54.3 8970 4480 4*240 2.2 2.9 56.8 10200 4280 1.2 2*0.5 3.0 60.8 11520 5600 4*300 2.4 3.1 62.9 12550 5190 1.2 2*0.5 3.2 66.9 14010 6650 五芯额定电压0.6/1kV聚氯乙烯绝缘聚氯乙烯护套电缆VV、VLV、VV22、VLV22 标称绝无铠装电缆铠装电缆截面———————————————————————————————————————————————mm2 缘电缆近似重护厚电缆量kg/km 层度近似厚mm 外径度 mm VV VLVmm 外垫护层钢带层厚厚度厚度 mm 度 mm mm 电缆近似重电缆量kg/km 近似外径 mm VV22 VLV22470540 5*4 1.0 1.8 16.0 390 260 1.2 2*0.2 1.8 19.0 590 5*6 1.0 1.8 17.4 510 320 1.2 2*0.2 1.8 20.4 7205*10 1.0 1.8 21.0 770 460 1.2 2*0.2 1.8 23.5 1030 710 5*16 1.0 1.8 23.9 1100 600 1.2 2*0.2 1.8 26.4 1390 890 5*25 1.2 1.8 28.7 1660 870 1.2 2*0.2 1.8 31.1 2000 1210 5*35 1.2 1.9 32.2 2200 1110 1.2 2*0.2 1.9 34.5 2580 1480 5*50 1.4 2.0 32.0 2760 1300 1.2 2*0.5 2.1 34.7 3160 1700 5*70 1.4 2.2 36.0 3820 1720 1.2 2*0.5 2.3 40.0 4670 2560 5*95 1.6 2.3 42.2 5210 2290 1.2 2*0.5 2.4 46.0 6180 3260 5*120 1.6 2.5 45.3 6450 2760 1.2 2*0.5 2.6 49.3 7500 3810 5*150 1.8 2.6 50.6 7900 3370 1.2 2*0.5 2.8 54.6 9080 4550 5*185 2.0 2.8 56.1 9760 4120 1.2 2*0.5 2.9 59.9 11050 54005*240 2.2 3.1 61.9 12600 5050 1.2 2*0.5 3.2 65.9 14030 6680 4+1芯额定电压0.6/1kV聚氯乙烯绝缘聚氯乙烯护套电缆 VV、VLV、VV22、VLV22绝缘厚度 mm无铠装电缆电电缆近似缆重量kg/km———————————————————————————————————————————————铠装电缆电缆近似外VV22 VLV22 径mm电缆近似重量kg/km护标称截面层近mm2主中厚似线性度芯线 mm 外径 mm1.0.1.15.0 8 8 5外垫护层钢带层厚厚度厚度 mm VV VLV 度 mmmm4*4+1*2.5 1.1.1.17.0 0 8 2———————————————————————————————————————————————4*6+1*41.1.1.20.10204*10+1*6 0 0 8 315304*16+1*10 1.1.1.23.0 0 8 4 19504*25+1*161.1.1.27.25204*35+1*16 2 0 8 834704*50+1*25 1.1.1.30.2 0 8 5 47204*70+1*351.1.2.30.59204*95+1*50 4 2 0 870704*120+1*70 1.1.2.34.88204 2 1 54*150+1*7011481.1.2.40.———————————————————————————————————————————————0 4*185+1*95 6 4 3 6 4*240+1*121.1.2.43.0 6 4 4 11.1.2.48.360 250 1.2*0.1.18.600 4402 2 8 5480 310 760 5201.2*0.1.20.710 420 2 2 8 2 1080 660560 1.2*0.1.22.1510 8402 2 8 8 800 2180 11301.2*0.1.25.970 2 2 8 9 2760 1350 1200 1570 2100 2540 3030 3730 48001.2*0.1.30.3460 1560 2 2 8 35090 2360 1.2*0.1.33.2 2 9 2 6790 3030 1.2*0.2.33.8370 3520 2 2 0 39940 4140 1.2*0.2.38.122449302 5 2 45920———————————————————————————————————————————————1.2*0.2.44.15052 5 4 50 1.2*0.2.47.2 5 5 0 1.2*0.2.52.8 4 5 0 2 5 7 12.1.2.53.0 6 7 2 2.1.3.58.2 6 0 71.2*0.2.57.2 5 8 1 1.2*0.3.62.2 5 1 63+2芯额定电压0.6/1kV聚氯乙烯绝缘聚氯乙烯护套电缆 VV、VLV、VV22、VLV22无铠装电缆铠装电缆电缆近似重电外量kg/km垫缆护层钢带近层厚厚度似厚度 mm 外VLV2度 VV22 mm 径 2 mmmm1.17.8 4 1.19.8 4 1.22.8 1 1.25.8 3 1.29.8 3 1.31.9 2 2.32.0 92.38.1———————————————————————————————————————————————2500 650 910400 490 640电电缆近似缆重量护kg/km标称截面层近mm2 厚似主中度线性mm 外VV VLV 芯线径mm 3*4+2*2.5 1.0.1.14.0 8 8 43*6+2*41.1.1.16.3*10+2*6 0 0 8 4 3*16+2*10 1.1.1.19.0 0 8 63*25+2*161.1.1.22.3*35+2*16 0 0 8 8 3*50+2*25 1.1.1.26.2 0 8 83*70+2*351.1.1.28.3*95+2*50 2 0 8 7 3*120+2*70 1.1.1.30.4 2 9 23*150+2*701.1.2.34.———————————————————————————————————————————————3*185+2*95 4 2 0 3绝缘厚度 mm320 220 1.2*0.2 2450 2901.2*0.660 400 2 2 970 540 1.2143760 0 1.890 2 1750 1051.0 22120 1461.0 23160 1961.0 24300 2411.0 2547———————————————————————————————————————————————2*0.2 2*0.2 2*0.2 2*0.2 2*0.2 2*0.21250 820 1780 1100 2110 1240 2490 1420 3950 2250 5220 28906470 3400 7330 3760 9190 46303*240+2*121.1.2.40.0 6 4 2 61.1.2.43.6 4 37 1.1.2.44.8 4 4 3 2.1.2.51.0 6 6 8 2.1.2.59.2 6 8 20 6300 8020 93802740 3460 40801.2*0.2 5 1.2*0.2 5 1.2*0.2 5 1.2*0.2 5 1.2*0.2 52.44.3 5 2.47.4 6 2.48.6 4 2.55.7 7 2.63.9 1116705730三芯XLPE电缆8.7/10 kV、8.7/15 kV、YJV、YJLV重量结构参数电气参数载流量(A)三芯额定电压8.7/10kV、8.7/15kV交联聚乙烯绝缘钢丝铠装电力电缆YJV32、YJLV32 结构参数内护套厚外护套厚导体标称钢丝直径———————————————————————————————————————————————度度截面mm2 mmmm mm 25 35 50 70 95 120 150 185 240 300 4001.6 1.6 1.7 1.8 1.8 1.9 1.9 1.92.0 2.0 2.12.5 2.5 2.5 2.5 2.5 2.53.15 3.15 3.15 3.15 3.152.7 2.8 2.93.0 3.1 3.2 3.4 3.5 3.6 3.84.0电缆近似外径 mm 56 58 61 65 69 72 77 82 86 91 99电缆近似重量kg/km Cu铜 5840 6400 7210 8210 9350 10460 11830 13480 15780 18140 22580Al铝 5370 5740 6270 6900 7570 8210 9030 10020 11300 12530 15100 电气参数导体交流电阻导体标称Ω/km 截面 mm2Cu Al 25 35 50 70 95 120 150 185 240 300 400用途电缆用于额定电压0.6/1,1.8/3,3.6/6,6/10,8.7/10,8.7/15,12/20,21/35,26/35kV输配电系统。
汽车电线〔国标生产〕名称型号特性工作温度℃普通聚氯乙烯绝缘低压电缆QVR普通型-40~+80耐热聚氯乙烯绝缘低压电缆QVR-105良好的耐热性能-40~+105聚氯乙烯绝缘聚氯乙烯护套电缆QVVR--聚氯乙烯-丁睛复合物绝缘低压电缆QFR--40~+70国家机械行业标准:JB/T 8139-1999 公路车辆用低压电缆(电线)QVR 型汽车电线:普通聚氯乙烯绝缘低压电缆产品示意图:产品特性:导体符合JB/T 8139的要求,由符合GB 3953要求的软铜线绞合而成。
产品性能符合JB/T 8139要求。
产品结构:标称截面mm2导体结构根数/直径标称绝缘厚度mm电线最大外径mm0.212/0.150.3 1.3 0.316/0.150.3 1.4 0.423/0.150.3 1.6 0.516/0.200.6 2.40.7524/0.200.6 2.61.032/0.200.62.81.530/0.250.6 3.12.549/0.250.73.74.056/0.300.8 4.5 6.084/0.300.85.1 10.084/0.40 1.06.716.0126/0.40 1.08.525.0196/0.40 1.310.635.0276/0.40 1.311.850.0396/0.40 1.513.770.0360/0.50 1.615.795.0475/0.50 1.618.2QVR-105 型汽车电线:耐热聚氯乙烯绝缘低压电缆产品示意图:产品特性:导体符合JB/T 8139的要求,由符合GB 3953要求的软铜线绞合而成。
产品性能符合JB/T 8139要求。
产品结构:标称截面mm2导体结构根数/直径标称绝缘厚度mm电线最大外径mm0.212/0.150.3 1.3 0.316/0.150.3 1.4 0.423/0.150.3 1.6 0.516/0.200.6 2.40.7524/0.200.6 2.61.032/0.200.62.81.530/0.250.6 3.12.549/0.250.73.74.056/0.300.8 4.5 6.084/0.300.85.1 10.084/0.40 1.06.7 16.0126/0.40 1.08.5 25.0196/0.40 1.310.6 35.0276/0.40 1.311.850.0396/0.40 1.513.770.0360/0.50 1.615.795.0475/0.50 1.618.2QVVR 型汽车电线:聚氯乙烯绝缘聚氯乙烯护套低压电缆产品示意图:产品特性:导体符合JB/T 8139的要求,由符合GB 3953要求的软铜线绞合而成。