成品检验汇总表
- 格式:docx
- 大小:160.13 KB
- 文档页数:2
原材、半成品、成品、出厂合格证及试(检)验报告
一、水泥
1.自发出日起7天内出具的3d强度;
-----------------32天内补发的28d----。
2.(1)合格证(水泥厂质检部门)
如:某水泥厂购买的水泥,进场需提供水泥出厂合格证原件抄件及复印件。
(2)合格证内容:
水泥牌号、厂标厂名、品种、强度等级、出厂日期、批号、合格证编号;(技术要求的试验结果):不容物、氧化镁、烧失量、三氧化硫、细度、凝结时间、安定性、强度、不容物含量、碱含量。
混合材料名称和掺和量,属旋窑和立窑生产。
水泥厂质检部门和技术部门加盖的印章;抄件上注明合格证品质指标;原件编号及存放处;抄件人及抄件单位印章材料员要注明水泥吨数并加盖抄件人及抄件单位印章。
(3)检验报告单的核查内容:
细度、凝结时间、安定性、抗压、抗折强度;
数据是否达到要求;
检验编号、检验报告吻合水泥批量;
签章手续;
3.出厂合格证和检验报告汇总并填写相应汇总表。
二、钢筋
1.钢筋品种分类:
(1)化学成分:碳素钢筋、普通低合金钢钢筋
(2)外形:光园钢筋、变形刚、钢丝、钢绞线等
(3)强度:热轧钢筋强度等级为Ⅰ(A)级Ⅱ级(B)Ⅲ级(C)Ⅳ级(D)
2.合格证、试验报告
出场质量证明书、实验报告和单机械性能试验
集中加工的。
质量检验管理制度引导语:产品质量是企业的的生命,为了提高员工质量意识,加强产品质量管理,贯彻执行国家质量方针政策。
下面为你带来的质量检验管理制度,希望对大家有所帮助。
推行本企业质量方针、政策、目标以及计划,并组织贯彻实施,特制定本制度。
一、质量检验程序:1.1检验程序主要有原材料、工序(过程检验)、成品、三个环节进行检验。
1.2各流程环节检验,用检验报告单和其它相关表单进行严格记录,交品检部备案存档。
1.3工作程序:1.3.1原材料检验:1.3.1.1材料进厂时,应对材料的供货厂家、材料名称、型号、等级、数量、日期、价格等进行核查,并按发布的检验标准对材料进行检验。
1.3.1.2检验结果应书面记录,填写原材料《入库检验记录表》详细注明检验情况。
1.3.1.4仓库保管员依据《入库检验记录表》确定是否进仓,物料必须经检验合格方可入库,仓管员必须对入库检验做好汇总记录,对物品做好标识,分类放置,妥善保管。
1.3.2工序检验(过程检验):1.3.2.1生产员工接受到生产任务的同时,必须要了解产品的型号、规格、数量、设计图纸以及工艺要求,按要求生产。
不能随便改变流程和要求。
1.3.2.2生产人员领取材料时,注意观察材料是否合格。
未经检验或检验不合格的材料,车间不得投入生产使用,并及时反馈。
1.3.2.3机具车间主要原材料上总装线前必须100%全检。
1.3.2.4制造部、产品检测部负责对各工序的质量进行控制和监督,按照产品工序质量检验要求进行检验和监督。
对各工序进行巡查和抽样检查,并作好记录。
1.3.2.5各工序生产人员严格进行首检、自检、交接检,如发现质量问题,立即停止生产,及时上报有关负责人,进行检验隔离,作好工序检验记录,保证各工序生产质量。
1.3.3成品检验1.3.3.1产品组装完成后,将成品放至待检验区,质检员按照成品质量标准及检测方法进行检验。
品检部随着成品的生产批次,随出随检。
1.3.3.2成品全部检验,检验结果要求书面记录,填写“成品检验记录表”,并出具检验结论。
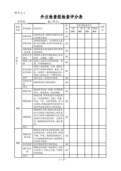
附件2-1
外业检查组检查评分表
附件2-2
水运工程实体检测项目汇总表
注:1.表中所列实测指标均为一般检查项目,检查中也可根据工程实际情况增补。
2.各受检合同段每项实测指标的实测点(组)数应不少于3点(组)且满足评价需要。
3. 各实测项目以其实测合格率乘以100为该项评分。
检测组检测得分以实测项目评分的平均值计。
附件2-3:
施工质保资料检查及评分表
附件2-4:
工地试验室检查表
日
附件2-5:
试验检测人员现场考核表
日
考核人:
附件2-6
监理工作检查及评分表(一)
9 / 17
监理工作检查及评分表(二)
10 / 17
监理工作检查及评分表(三)
11 / 17
监理工作检查及评分表(四)
12 / 17
附件2-7
造价与合同工作检查及评分表(一)
造价与合同工作检查及评分表(二)
附件2-8建设项目质量安全造价大检查评分表(通用表)
检查人:检查时间:年月日
附件2-9合同段工程质量评分表
合同号:
注:检查组检查结果与自查资料附合情况扣分标准分较好、一般、差三个等级,较好扣0-1分,一般扣2-4分,差扣5-8分。
附件2-10浙江省水运工程质量与造价执法大检查
组检查情况情况
工程项目名称:。
化妆品生产表单汇总汇总人:杜超衍日期:2016年5月1日- 1 - / 56表1 供应商评价表 (5)表2 合格供应商汇总表 (6)表3 到货通知单 (7)表4 物料入库单 (8)表5 采购物资检验/验证结果通知单 (9)表6 采购物资出入库台账 (10)表7 进货台账 (11)表8 批生产指令 (12)表9 领料单 (14)表10 称量记录 (16)表11 配料记录 (17)表12 投料记录 (18)表13 成品检验报告单 (19)表14 喷码、装盒记录 (20)表15 物料平衡计算表 (21)表16 成品同意放行审核记录 (22)表17 成品同意放行单 (23)表18 产品销售记录 (24)表19 不合格品处理审批表 (25)- 2 - / 56表20 不合格品销毁记录 (26)表21 不合格品台账 (27)表22 化妆品不良反应报告 (28)表23 投诉处理记录 (29)表24 运输车辆清洁记录 (30)表25 生产用具清洗、消毒记录 (31)表26 拆包、消毒记录 (32)表27 机器设备维修清洗保养记录 (33)表28 纯化水系统、贮罐及输送管道清洁消毒记录 (34)表29 虫害鼠害检查处理记录 (35)表30 化妆品安全风险分析记录表 (36)表31 温湿度记录 (37)表32 压差记录 (38)表33 人员进入车间审批表 (39)表34 内审自查报告 (40)表35 物料货位卡 (41)表36 成品货位卡 (42)表37 场所清洁消毒记录 (43)表38 清场记录 (44)- 3 - / 56表39 清场合格证 (45)表40 剧毒及易制毒性试剂保管使用台账 (46)表41 取样证 (47)表42 留样观察记录 (48)表43 质管员对外包岗位监督检查记录 (49)表44 员工培训计划 (50)表45 内部学习培训记录 (51)表46 外部学习情况登记表 (52)表47 从员人员健康检查档案 (53)表48 消毒剂配制使用记录 (54)表49 水池、地漏清洁消毒记录 (55)表50 车间臭氧消毒记录 (56)- 4 - / 56表1供应商评价表- 5 - / 56表2合格供应商汇总表- 6 - / 56到货通知单到货日期:年月日- 7 - / 56物料入库单第一联:仓库联第一联:仓库联白联第二联:财务联蓝联第三联:采购联红联第四联:品管联黄联- 8 - / 56采购物资检验/验证结果通知单编号:- 9 - / 56表6采购物资出入库台账产品名称/代号:包装规格:备注:本表用于单一采购物资的管理。
【大全】一个质量经理的超全经验总结 - 有工作手册清单哦!怎么做质量管控才能有效,质量部门有哪些工作要做?分享一位品质经理的质量管控总结,供大家参考!质量部门是服务部门,是负增值部门,也是在公司里处于相对比较尴尬的部门。
当产品质量不理想时,质量部的责任首当其冲;当产品质量相对稳定时,它又像是可有可无的花瓶,所以现在的有些企业的质量部门仍旧是可有可无的部门。
有些企业的质量部门是其它部门兼管,有些是某一个领导兼管,发与不发货、原材料接收与否、制程中出现不良时是否停线等等质量事件,也就由某领导手一挥,桌一拍,做下了决定,这样的质量管控基本上是没管控。
在下拙见,只有所有管理者足够重视质量,全员参与管控质量,才能做出让顾客满意的产品。
以下是笔者在公司做品质经理的主要质量管控:01最基础的质量检验1. 上任后,制定行业认可且正确的产品规范、制定有各测量、试验设备操作规程、普通产品来料、制程、半成品、成品、出货检验规程;特殊产品的各项检验规程若干。
2. 设立品质部,确认QC、QA人员,通过在岗在职培训考核、早会宣导等方法,要求质量人员对检验规范和标准的理解,能准确无误的判断,现实行每半年一次培训并考试,合格方可继续胜任原工作岗位,每一季度一次现场考核,通过QC验证后的产品进行再确认,确认误检、误判、漏检机率,并将此结果纳入检验员的绩效考核。
3. 要求QC人员能够对质量结果进行简单的分析和解释,当有QC向我汇报不良现象时,我都会问对方:你认为是何种原因导致这种不良现象产生,并与对方进行必要的讨论和分析。
02加强公司各部门对过程质量的认识1. 每天两次不定时走访车间各工序,观察现有正在生产产品的工作流程,以减少工作失误,提高工作效率为准,不合理的流程容易造成质量不稳定,部门间相互扯皮影响团体合作,若发现不合理流程,及时与管理层协商沟通,纠正其工作流程。
2. 观察全员质量意识,是否承担应有的质量责任,是否按流程工作,工作质量如何。
各工序检验项目汇总从一定的意义上来说,工序检验的主体应该是担负制造任务的操作者,每一粒料,每一寸电缆都要经过他们的手,在他们目光的注视下转向下一工序,流入每一个用户手中。
因此,他们是产品的最早见证者,是最熟悉产品的人。
以操作者为主体在产品生产过程中的检验就是“自检”和“互检”。
自检是操作人员对本工序产品的检验,通过严格自检,将合格产品交给下道工序。
互检是对本工序所用原材料和上道工序流转过来在制品的检验,通过互检,发现上道工序的漏检、错检,并及时采取补救措施。
专检以巡检或抽检的形式由专职检验人员实施,从广度来说没有自检和互检的覆盖面大,但专检贵在“专”,“深度”是专检之长。
通过专业的检测设备对产品进行深入检测,能及时发现表观检验所不能及的问题,并通过对数据的统计分析,找出问题症结所在,提出质量改进措施,进而实施质量控制措施,促使电缆质量再提高。
自检、互检、专检合称“三检”,自检、互检贵在“广”,专检贵在“深”,相互间起到互为补充、互为支持的作用。
工序不同,加工产品不一样,检验项目和质量要求也有很大差别,根据电线电缆的制造过程,将各工序的主要检验项目列举在表1中。
表1电线电缆制造各工序“三检”的主要检验项目序号工序名称互检项目自检项目专检项目1拉线退火铜铝杆(或铜铝丝)的结构尺寸;外观质量:无夹杂、无严重三角口、裂纹、油污、水分和严重氧化变色;成盘线材无压线单线直径、长度,退火的程度、外观(表观光洁、无三角口、裂纹、夹杂、油污和严重的氧化变色),退火质量符合要求,退火均匀,排线整齐,导体不超盘,无压线,装盘长度符合计划要求单丝表观质量、外径、长度、装盘长度和装盘质量、单丝直流电阻、抗拉强度、伸长率2绞线束线单线直径,单线表观:光洁、无三角口、裂纹、夹杂、油污和严重的氧化变色、退火质量符合要求、单线排线整齐,导体不超盘,无压线,装盘长度符合要求绞线节距(节径比)、绞向、外径、扇形(瓦形)髙和宽。
导体的外观质量:表面要光洁,色泽均匀、无明显三角口、裂纹、毛刺、刃边、梅花边、油污、氧化等。
货物质量检查制度一、总则1.为加强质量检验的管理,结合公司产品检验规程,严肃工艺纪律,保证不断巩固与提高产品质量、提高经济效益,特制定本制度。
2.质量检验工作在总经理,副总经理的领导下,以专职检查人员的检验为主,在共同搞好质量的前提下,调动全公司员工的积极性,把员工的首检、巡检、自检、互检、与专职检查结合起来。
3.质量检查工作,应贯彻分级管理,层层负责的精神:生产小组认真作好三检;车间作好所属各工序的质量检查;专职机构作好原材料入公司。
成品出公司和重点工序的质量检查,三者密切联系,相互协作。
在质保部的统一领导下,为提高产品质量而努力。
4.质量检查总的依据是:公司制定的工艺规程、技术标准及有关技术文件规定。
(1)原材料以金属原材料验收要求为检验标准。
(2)各类成品的零部件性能以及外观检查以国家相关标准为依据。
(3)产品工艺规程执行情况及半制品质量按公司制订工艺规程检查。
二、原材料检验1.凡入库的各种原材料应由供销科专人填写“原材料送验通知单”,详细注明原材料名称,数量、产地、单位编号,存放点连同原制造单位的质量检验合格证,一起交质保部进行检查抽样。
若遇货源紧张急迫待试需马上投产的,必须在送验通知单上写明“急”字样。
2.质保部接到“原材料送验通知单”和原制造单位的质量检验合格证后应由专人前往存放地点按国家或公司订技术条件的规定数量抽样送到并交给技术开发部。
3.技术开发部接到质保部原材料样品后按“急”或“一般”程序规定时间内拿出实验报告单如有某项指标不合格时应由该部门主任签署意见,说明该项不合格指标,对产品质量影响的意见,然后交质保部检验。
4.不合格的原材料经加工处理后,需重新检验加工项目,经质保部审查确实达到技术规定的标准应由质保部发给合格证,并盖上合格证章,供销科方可发给车间部门使用并严格按先进先出发用,否则一律不准投入生产。
5.合格的原材料,仓库必须按照规定的保管要求,按批分别堆放,不得将不同批次的原材料混杂堆放,否则作不合格品处理。
质量标准化管理检查汇总表注:建设、施工、监理单位检查意见分别由项目负责人、项目经理、项目总监签署;2.存在的问题必须整改落实到位;3.本汇总表作为竣工前检查资料填报;4.相关证明必须单独整理归档备查。
工程质量责任承诺书(范例)本法定代表人承诺:本单位在工程建设过程中认真履行了下列职责,并承担相应终身质量责任。
1、工程建设坚持先勘察、后设计、再施工的原则。
向勘察、设计、施工、监理、检测和施工图审查等单位提供真实、准确、齐全的建设项目相关的原始材料。
2、及时办理了项目选址、用地规划许可、建设工程规划许可、项目施工图审查和备案、质量安全监督、合同备案、开工安全生产条件审查等手续,领取施工许可证(含依法分项发包工程)后方开工建设。
3、工程发包给具有相应资质等级的施工、监理、勘察、设计、检测和施工图审查等单位,对规定必须招标的工程项目严格依法依规进行招标,未将建设工程肢解发包,无迫使承包方以低于成本价竞标情况,未任意压缩合理工期。
向施工现场提供经施工图审查机构审查合格并加盖了专用章的施工用图和设计变更等相关设计文件。
对依法分项发包而未指定总包管理的分部分项工程的质量负总责。
4、无明示或暗示勘察、设计、施工、检测等单位违反工程建设强制性标准或使用不合格的建筑材料、建筑配件和设备,降低工程质量。
5、年—月—日,我单位组织勘察、设计、监理、施工等有关单位进行竣工验收,并接受工程质量监督机构监督。
经验收本工程质量合格。
6、我单位将及时整理文件资料,建立健全工程项目档案,并自竣工备案后三个月内向城建档案管理部门移交建设项目档案。
法人代表签章:(单位公章)注:1、本表由建设、勘察、设计、施工、监理单位分别进行填写;法定代表人必须为本人的亲笔签名。
2、本附件为建设单位承诺书,其他单位应参照山东省质量责任信息档案的内容填写。
建设单位及质量责任人员信息登记表单位名称:注:、本表由建设、勘察、设计、施工、监理、检测、施工图审单位分别进行填写;必须为本人的亲笔签名。
成品检验作业指导书
一、目的:指导成品检验员正确操作程序,保障产品质量符合内控要求。
二、范围:适用于公司成品检验员。
三、职责:严禁按质量要求进行正确程序检验。
四、工作程序及作业内容:
1、窑炉烤出产品后检验员按要求将出品集中在未检验区。
2、根据生产单的质量等级进行检验。
3、要有参对样品、检验前应了解并核对颜色、亮度。
4、班长应按规划好的地方,带好检验员,按要求堆放,未检验、已检验合格品、不合格品、待处理品、废品,并要有明显的标识卡。
5、要爱护产品,轻拿轻放,禁止人为的破坏现象。
6、待处理的产品,经过处理后,同样要进行全检后才能流入至下一个工序。
7、俯视杯口、杯内,目测白胎质量情况,看产品变形及杯内有无落渣、黑点,按内控质量标准进行判定。
8、双手把杯从杯把不为开始转动检验、目测、变形、针孔、落渣、黑点、刺手、爆花、色脏、粘碰。
炉裂、图案变形、底标,有无达到内控。
9、严禁单手拿杯,同时检验2只产品,在检验时,不能聊与工作无关的话题。
10、要善于发现质量问题,并告知主管。
11、做好传票交接工作,合格产品一定要开好单。
12、检验之后要不定期对检验过的产品进行抽检,发现不达标超出2%的应要求全部重检。
13、做好检验记录表,及质量汇总表。
14、保持工作场地整洁、卫生。
食品生产环节记录明细表表1:场所清洁消毒记录表(食品生产企业)表2:供应商评价表(食品生产企业、小作坊)表3:合格供应商汇总表(食品生产企业、小作坊)表4:到货通知单(食品生产企业)表5:采购物资检验/验证结果通知单(食品生产企业、小作坊)表6:采购物资出入库台账(食品生产企业)表7:进货台账(食品生产企业、小作坊)表8:配料记录表(食品生产企业、小作坊)表9:内部学习培训记录(食品生产企业)表10:外出学习情况登记表(食品生产企业)表11:从业人员健康检查档案(食品生产企业、小作坊)表12:不合格品处置记录(食品生产企业、小作坊)表13:机器设备维修清洗保养卡(食品生产企业)表14:投料记录表(食品生产企业、小作坊)表15:领料单(食品生产企业)表16:成品出入库台账(食品生产企业)表17:产品销售台账(食品生产企业、小作坊)表18:抽检产品留样记录(食品生产企业、小作坊)表19:委托出厂检验登记表(食品生产企业、小作坊)表20:成品检验报告单(食品生产企业)表21:食品安全风险分析记录表(食品生产企业、小作坊)表22:不合格品销毁记录表(食品生产企业、小作坊)表23:食品召回措施报告(食品生产企业、小作坊)表24:食品召回阶段性进展报告表(食品生产企业、小作坊)表25:食品召回总结报告(食品生产企业、小作坊)表26:关键控制点记录表(食品生产企业、小作坊)监利县食品生产加工企业场所清洁消毒记录表企业名称:起止日期:年月日至年月日监利县食品药品监督管理局监制场所清洁消毒记录表备注:清洗消毒方式包括清扫、冲洗、杀虫、消毒等。
监利县食品生产加工企业供应商评价表企业名称:起止日期:年月日至年月日监利县食品药品监督管理局监制供应商评价表备注:食用农产品的合格供应商应有近半年内由有检验资质的第三方出具的产品质量合格检验报告,其他原辅料的合格供应商还应持有有效的营业执照和生产(流通)许可证(生产许可证仅针对已纳入生产许可证管理产品),否则不得列为合格供应商监利县食品生产加工企业合格供应商汇总表企业名称:起止日期:年月日至年月日监利县食品药品监督管理局监制合格供应商汇总表监利县食品生产加工企业到货通知单企业名称:起止日期:年月日至年月日监利县食品药品监督管理局监制到货通知单到货日期:年月日仓管员:填报日期:监利县食品生产加工企业采购物资检验/验证结果通知单企业名称:起止日期:年月日至年月日监利县食品药品监督管理局监制采购物资检验/验证结果通知单编号:备注:1、产品合格证明文件主要包括出厂检验合格证和质量检验合格报告两类。
1、目的确保产品品质符合客户要求,并找出潜在的品质问题作为改正制程及改善产品有依据,保证产品满足规定要求。
2、范围凡本公司生产的产品,外发加工产品于入库前半成品、成品检验均适用。
3、职责3.1品保中心3.1.1 FQC:产品委外加工的申请及产品转序检验。
3.1.2 QA:成品入库、出货前检验。
3.2制造中心工程研发:产品检验规范的制订和监督。
3.3资源发展中心物流:负责办理入库、出库作业。
3.4制造中心:产品委外加工的申请。
3.5 资源发展中心PMC:产品进度的跟进。
4、定义(无)5、内容5.1产品转序检验5.1.1表面处理前的检验5.1.1.1产品如需发黑、镀钛、氧化等工艺,由制造中心做好标识填写“货物送检单”送品保中心检测。
5.1.1.2FQC对照“货物送检单”上标注的品名型号查找相对应的工程图纸检测。
产品检测为合格时,按图纸的后工序要求填写“委外加工单”给PMC进行外协加工,并将产品标识后放置待外发产品放置区。
产品检测为不合格时,FQC填写“物料异常联络单”给到制造中心工程研发,产品流通同产品不合格时处理的相关规定操作。
5.1.1.3FQC需填写“检验报告表”及“FQC检验汇总报表”5.1.2热处理产品的检验5.1.2.1产品热处理前需是IPQC检测判定合格的产品,由制造中心依据图纸工艺要求填写“委外加工单”给到PMC外发加工。
5.1.2.2热处理后,由PMC清点数量连同“委外加工单”送FQC检测,FQC依“委外加工单”或图纸要求进行检测,合格品放置“热处理合格区”通知制造中心加工,不合格时填写“物料异常联络单”给到PMC,产品流通同产品不合格时处理的相关规定操作。
5.1.2.3FQC将检测的数据记录在“委外加工单”上,并签名存档,月末给到文员统计。
5.1.3产品部分工序外发的检验5.1.3.1产品由制造中心做好标识填写“货物送检单”送品保中心检测。
5.1.3.2FQC对照“货物送检单”上标注的品名型号查找相对应的工程图纸检测。
质检制度与流程
质检制度与流程可以根据不同的行业和公司而有所不同,以下内容仅供参考:
一、质检制度
质量第一、信誉至上:从严要求、重点把关;坚持原则、以理服人;一丝不苟、实事求足。
当工程(产品)质量与数量、进度发生矛盾时,均应服从质量。
采取由下至上的原则,不允许越级报验。
首先由作业班组兼职质检员自检后,报作业队质检员检查,作业队检查合格后报工长检查;工长检查合格后报技术负责人及专职检查员和监理公司检查。
所有施工人员要严格执行质量检查制度,对违反报验程序、破坏质量检查制度的人员将按质量奖罚制度进行处罚。
二、质检流程
每个施工(生产)班组都应配备一名兼职质量自检员协助班组长做好自检、互检、填写自检记录。
产品组装完成后,将成品放至待检验区,质检员按照成品质量标准及检测方法进行检验。
质检部随着成品的生产,随出随检。
成品全部检验,检验结果要求书面记录,填写“成品检验记录表”,
并出具检验结论。
经检验的产品分为合格品、不合格品,贴“合格品”、“不合格品”标识,不合格品注明原因、维修项目。
合格品入库,不合格品返修。
无法进行修理的即报废。
成品检验合格后,将检验结果汇总,填写“成品质量检验及入库汇总表”,随同产品入库。
出库检验:(安装人员负责)
以上就是质检制度与流程的相关内容,希望能对您有所帮助。
验证方案1概述XXXXX为公司一个主要生产品种,已对现行制备工艺进行了多次小试及中试,工艺稳定,各步中间体及成品质量符合规定。
为满足规模生产能力,制备小型玻璃器皿放大为反应罐,生产场地由实验室改为在公司二车间。
二车间的厂房设施、公用系统、关健设备均已进行了验证,空调净化系统、工艺用水系统已进行了验证,本次随生产工艺验证进行同步再验证。
所用原辅材料、内外包材均是由合格供应商提供的符合我公司质量标准的产品;公司的各级人员经过了相应规范意识和操作技能的培训。
已建立了系统化的生产质量管理文件体系并经过培训和试运行。
公司已具备工艺验证条件,准备进行工艺验证,证明在现有厂房设施、生产设备、机构人员和各项管理制度和规程整体运行下,工艺稳定可靠。
本产品生产工艺及使用的设备见《XXXXX生产工艺规程》。
验证批生产按现行生产质量程序正常进行。
2验证目的为评价XXXXX生产的工艺规程的可行性和重现性,根据GMP要求制定本验证方案,对其生产过程进行验证,以保证在正常生产条件下,生产出质量合格、均一、稳定产品。
3职责车间验证的组织实施;生技部经理负责工艺验证方案和报告的起草;工程部负责设备的正常运行、仪器仪表校验;QA 负责现场监控和取样;QC 负责按计划完成工艺验证方案中相关检验任务,确保检验结论正确可靠;质量部经理负责工艺验证方案及报告的审核;生产副总经理负责工艺验证方案及报告的批准。
4验证小组成员4验证工艺规程编码《XXXXX饮片生产工艺规程》STP-SC001-00 5验证批量猪胆膏原料150kgXXXXX成品约33kg6工艺流程图(见下页)911 .生产过程参数确认(记录见附表1)12 验证工序及内容粗品制备:主要工艺参数及设备参数皂化时间、温度:12小时/102~105℃皂化液冷却温度:至室温酸化PH值:调PH值至3记录填写:填写规范、准确及时、真实、完整,按规定修改验证项目(记录见附表2)●生产过程和关键参数确认验证方法:在生产过程中由QA全过程跟踪监控,按验证记录要求,独立观察记录关键过程参数,工序操作结束后与工艺规程、批记录核对。