安全隐患排查登记表格excel模版
- 格式:xlsx
- 大小:9.64 KB
- 文档页数:4
安全隐患排查报告表格
1. 背景
此报告旨在记录对某个场所进行的安全隐患排查结果。
通过隐
患排查,可以发现潜在的安全问题,并采取相应的措施以确保人员
和财产的安全。
2. 隐患排查过程
隐患排查过程分为以下几个步骤:
- 收集相关信息:收集与该场所安全相关的信息,如建筑结构、设备设施等。
- 检查场所:仔细检查场所内的各个区域,包括室内和室外,
寻找安全隐患。
- 记录隐患:对发现的安全隐患进行详细的记录,包括位置、
描述、级别等。
- 分析评估:对每个隐患进行分析评估,确定其危险程度和紧
急程度。
- 提出建议:根据评估结果,提出相应的改进建议,以减少或
消除安全隐患。
3. 隐患排查报告表格
请参考以下表格,记录隐患排查的结果:
4. 处理进展
记录每个隐患的处理进展情况,包括是否已处理、处理日期和处理人员。
5. 结论
根据本次隐患排查结果,需尽快处理所有高危隐患,并及时跟踪处理进展。
对于中等和低危隐患,也要制定明确的改进计划,确保安全问题的彻底解决。
6. 建议
- 对所有安全隐患进行正确分类和优先级排序。
- 确保高危隐患的处理具有紧急性。
- 持续监控和跟踪处理进展。
- 鼓励全体员工参与安全隐患排查和处理工作。
以上为安全隐患排查报告表格的内容,仅供参考。
根据实际情况,可以相应调整表格格式和内容。
安全隐患排查记录表模板
安全隐患排查记录表模板
一、概述
为了保障企业员工的生命安全和财产安全,加强对企业内部的安全管理,制定本安全隐患排查记录表模板。
二、企业基本信息
1. 企业名称:
2. 企业地址:
3. 联系人:
4. 联系方式:
三、排查内容
1. 排查时间:
2. 排查人员:
3. 排查范围:
四、排查结果
1. 安全隐患情况:(请在下方列出)
(1)电气设备是否符合国家标准;
(2)消防设施是否正常运转;
(3)危险品存放是否规范;
(4)作业场所是否存在滑倒、坠落等风险;
(5)其他可能存在的安全隐患。
2. 隐患等级评估:(请在下方列出)
(1)重大隐患;
(2)较大隐患;
(3)一般隐患;
(4)无风险。
3. 处理措施:(请在下方列出)
(1)立即整改的重大和较大隐患处理措施及时限;
(2)一般隐患的整改措施和时限。
4. 整改情况:(请在下方列出)
(1)重大和较大隐患的整改情况;
(2)一般隐患的整改情况。
五、附注
1. 本记录表应由企业安全管理部门或安全生产管理人员负责填写,记录表应存档备查;
2. 本记录表仅为排查结果的汇总,具体处理措施和整改情况应由企业
按照实际情况制定并执行;
3. 企业在排查过程中如发现重大隐患或紧急情况,应立即采取措施进行处置,并及时向有关部门报告。
六、签名
审核人:
填表人:
日期:。
附件2
建筑施工企业安全生产隐患排查治理情况统计表: 填报单位(章):填报日期:2013年月日
项目名称本月排查隐患
(条)
整改隐患
(条)
未整改隐患
(条)
累计排查隐患
(条)
累计整改隐患
(条)
整改率
(%)
金凤电子信息
产业园二期标
准厂房BT项
目(西区)
填报人:监理:填报日期:2013年月日填报说明:(1)本表格一式两份,一份施工单位留用作为安全隐患整改治理台账,一份交所在地城乡建设主管部门备案。
(2)各施工单位除按月填报本统计表外,应严格按照市安全总站《关于实施安全隐患检查记录制度的通知》(渝建安发〔2011〕20号)文件要求建立隐患排查治理台账和明细,以备检查。
项目部定期安全检查记录编号:
项目部定期安全检查记录
编号:
项目部定期安全检查记录编号:
项目部定期安全检查记录编号:
项目部定期安全检查记录编号:
项目部定期安全检查记录编号:
项目部定期安全检查记录编号:
项目部定期安全检查记录编号:
项目部定期安全检查记录编号:
项目部定期安全检查记录编号:
项目部定期安全检查记录编号:
项目部定期安全检查记录编号:
项目部定期安全检查记录编号:
项目部定期安全检查记录编号:
项目部定期安全检查记录编号:
项目部定期安全检查记录编号:
项目部定期安全检查记录编号:
项目部定期安全检查记录编号:
项目部定期安全检查记录编号:
项目部定期安全检查记录编号:
项目部定期安全检查记录编号:。
安全生产隐患排查登记表负责人签字:备注:A级:难度大 B级:难度较大 C级:难度小安全生产隐患排查登记表负责人签字:备注:A级:难度大 B级:难度较大 C级:难度小安全生产隐患排查登记表负责人签字:备注:A级:难度大 B级:难度较大 C级:难度小安全生产隐患排查登记表负责人签字:备注:A级:难度大 B级:难度较大 C级:难度小安全生产隐患排查登记表负责人签字:备注:A级:难度大 B级:难度较大 C级:难度小安全生产隐患排查登记表负责人签字:备注:A级:难度大 B级:难度较大 C级:难度小安全生产隐患排查登记表负责人签字:备注:A级:难度大 B级:难度较大 C级:难度小安全生产隐患排查登记表负责人签字:备注:A级:难度大 B级:难度较大 C级:难度小安全生产隐患排查登记表负责人签字:备注:A级:难度大 B级:难度较大 C级:难度小安全生产隐患排查登记表负责人签字:备注:A级:难度大 B级:难度较大 C级:难度小安全生产隐患排查登记表负责人签字:备注:A级:难度大 B级:难度较大 C级:难度小安全生产隐患排查登记表负责人签字:备注:A级:难度大 B级:难度较大 C级:难度小安全生产隐患排查登记表负责人签字:备注:A级:难度大 B级:难度较大 C级:难度小安全生产隐患排查登记表负责人签字:备注:A级:难度大 B级:难度较大 C级:难度小安全生产隐患排查登记表负责人签字:备注:A级:难度大 B级:难度较大 C级:难度小安全生产隐患排查登记表负责人签字:备注:A级:难度大 B级:难度较大 C级:难度小安全生产隐患排查登记表负责人签字:备注:A级:难度大 B级:难度较大 C级:难度小安全生产隐患排查登记表负责人签字:备注:A级:难度大 B级:难度较大 C级:难度小安全生产隐患排查登记表负责人签字:备注:A级:难度大 B级:难度较大 C级:难度小安全生产隐患排查登记表负责人签字:备注:A级:难度大 B级:难度较大 C级:难度小安全生产隐患排查登记表负责人签字:备注:A级:难度大 B级:难度较大 C级:难度小安全生产隐患排查登记表负责人签字:备注:A级:难度大 B级:难度较大 C级:难度小安全生产隐患排查登记表负责人签字:备注:A级:难度大 B级:难度较大 C级:难度小安全生产隐患排查登记表负责人签字:备注:A级:难度大 B级:难度较大 C级:难度小安全生产隐患排查登记表负责人签字:备注:A级:难度大 B级:难度较大 C级:难度小安全生产隐患排查登记表负责人签字:备注:A级:难度大 B级:难度较大 C级:难度小安全生产隐患排查登记表负责人签字:备注:A级:难度大 B级:难度较大 C级:难度小安全生产隐患排查登记表负责人签字:备注:A级:难度大 B级:难度较大 C级:难度小安全生产隐患排查登记表负责人签字:备注:A级:难度大 B级:难度较大 C级:难度小安全生产隐患排查登记表负责人签字:备注:A级:难度大 B级:难度较大 C级:难度小。
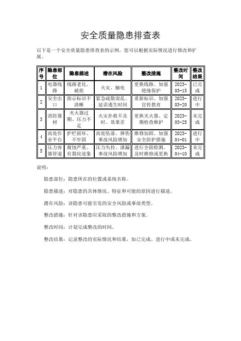
安全隐患排查处理情况表格模板
以下是一个简单的安全隐患排查处理情况表格模板。
请注意,具体的模板可能需要根据您的实际需求和组织的规定进行修改和调整。
这个表格包含了以下信息:
1.序号:隐患的编号,方便管理和查找。
2.隐患地点:隐患所在的具体位置。
3.隐患描述:对隐患的具体描述,包括隐患的性质、可能造成的危害等。
4.发现日期:隐患被发现的日期。
5.责任人:负责处理该隐患的人员。
6.处理措施:针对隐患采取的具体处理措施。
7.处理进度:处理措施的完成情况,包括“完成”、“进行中”和“未开始”。
8.完成日期:处理措施完成的日期,对于未完成的隐患,可以填写预计的完成日期。
9.备注:其他需要说明的信息,如处理过程中遇到的问题、需要的资源等。
安全隐患排查治理台账表格
1.序号:记录安全隐患排查治理的序号。
2.隐患名称:对排查出的安全隐患进行准确描述。
3.发现日期:记录安全隐患被发现的日期。
4.整改责任人:确定具体负责人,负责整改该安全隐患。
5.整改措施:详细描述整改计划和措施,包括整改内容、整改时间、整改方式等。
6.整改期限:设定整改期限,确保在规定时间内完成整改。
7.整改验收人:指定验收人,对整改结果进行验收。
8.验收日期:记录整改完成后的验收日期。
9.验收结果:记录验收结果,如合格、不合格等。
10.备注:对整改过程或其他相关信息进行备注说明。
通过以上表格,可以全面记录安全隐患排查治理的过程和结果,方便对安全隐患进行跟踪和管理。
同时,该表格也有助于提高企业安全管理水平,确保生产安全。
安全排查表格模板
一、基本信息
部门:__________ 岗位:__________ 负责人姓名:__________ 填写日期:____年__月__日
二、安全排查内容
1. 设备安全检查
- 设备运行正常(是/否)
- 安全防护装置完好(是/否)
- 存在隐患情况:______________________________
2. 工作环境安全
- 通道畅通(是/否)
- 灭火器配备齐全(是/否)
- 存在隐患情况:______________________________
3. 人员安全培训
- 是否接受过安全培训(是/否)
- 培训内容是否清晰(是/否)
- 培训效果评价:______________________________
4. 个人防护装备
- 是否佩戴安全帽(是/否)
- 是否佩戴护目镜(是/否)
- 是否佩戴其他防护装备(是/否)
- 存在隐患情况:______________________________
三、整改措施
- 存在的问题及整改措施:
_____________________________________________________________ _________
四、排查结果
- 排查结论:
______________________________
五、审核意见
(审核人员签名)__________ 日期:____年__月__日。