柴油发电机招标要求和参数(工程科技)
- 格式:doc
- 大小:104.50 KB
- 文档页数:6
柴油发电机组招标书尊敬的投标人:为了满足我公司对备用电源的需求,现面向社会公开招标柴油发电机组,具体招标事项如下:一、项目概况我公司是一家大型企业,需寻求一套优秀可靠的柴油发电机组作为电力备用设备,保证公司在发生停电时,能够及时启动发电机组,维持生产运作。
本次招标的柴油发电机组的主要用途是备用电源,额定电压380V,额定频率50Hz,额定功率1500KW。
二、招标范围1、标的物:本次招标的标的物为柴油发电机组一台,额定电压380V,额定频率50Hz,额定功率1500KW。
2、招标内容:(1)对标的物的技术要求①柴油发电机组应采用柴油机与发电机组成的一体化设备,配套有控制系统,操作简便且易于安装和维修。
②发电机应满足额定功率为1500KW的要求,电压为380V,频率为50Hz。
③发动机应满足以下要求:缸数不少于6个,排量不少于13L,噪音小于72分贝,耗油率低于240g/KW·h。
④控制系统应具备输出电压、电流、功率、频率、工作状态等多个标准显示和报警功能,并应支持远程控制和监控。
(2)投标文件评审的技术要求①投标文件应包括以下文件:·技术方案:详细阐述标的物各项技术要求的满足情况、方案优越性以及售后服务等;·资质证明:包括企业营业执照、生产许可证、ISO9001等质量管理体系认证、产品质量检验报告等证明文件;·销售合同:明确交货时间、付款方式、安装调试服务、售后服务等。
②投标文件中所有内容要求为中文书写,严禁出现涉及违禁内容。
三、投标要求1、投标人必须是合法注册的企业,并具备生产、销售柴油发电机组的资质。
2、投标人的产品必须满足技术要求。
3、投标人必须提供真实、准确的企业资料、技术方案及售后服务承诺等相关信息。
四、招标流程1、招标公告发布及投标:投标人需于公告发布日期起至截止日期止将投标文件报送至我公司招标办公室,逾期不予受理。
2、开标:开标日期为截止日期后10天,开标地点为我公司会议室,投标人可到场参加。
柴油发电机招标要求和参数
一、招标要求
1.招标方式:公开招标。
2.招标文件审查:供应商必须准备有关的资格文件,报价文件,财务文件等,招标单位审阅后,方可参加投标。
3.货物价格:报价应按采购招标文件规定价格给出,完成投标文件的供应商,其价格不可以超出文件所规定的价格范围。
4.项目成本:除货物费用外,还应考虑相关费用。
5.合格标准:供应商若投标成功,必须满足投标文件所规定的条件和质量标准,投标价格超出预算限额,或不符合投标文件所规定的条件和标准者,投标终止。
6.交付时间:交付时间要求及方式,应按投标文件所规定的时间进行交付,若有延期,应按延期规定协商处理。
7.质保期:本次招标产品质保期为12个月,质量问题出现在质保期内的,应免费更换配件。
8.投标文件:必须提供投标文件,包括完整的商业报价书、技术报价书、资信报告等,投标文件必须真实、有效,否则投标被取消,拒绝向败标者提供任何形式的补偿。
二、技术参数
1.柴油发电机的发电功率范围:20-1000kVA。
2.柴油发电机的额定电压:400/230V或230/127V。
3.柴油发电机的频率:50Hz/60Hz。
柴油发机电组招标技术要求一、引言柴油发机电组是一种常见的备用电源设备,广泛应用于工业、商业和住宅等领域。
为了确保柴油发机电组的质量和性能,本文将详细介绍招标技术要求,以便供应商在招标过程中提供准确的技术方案。
二、产品概述柴油发机电组由柴油发动机和发机电两部份组成,其主要功能是将燃油能量转化为电能。
以下是对柴油发机电组的基本要求:1. 功率范围:柴油发机电组的功率范围应满足需求,例如100KW至1000KW。
2. 发动机类型:柴油发机电组的发动机应采用可靠的柴油机,具有高效、低噪音和低排放的特点。
3. 发机电类型:发机电应采用无刷同步发机电,具有稳定的输出电压和频率。
4. 控制系统:柴油发机电组应配备先进的控制系统,能够实现自动启动、停机和监控功能。
三、技术要求为了确保柴油发机电组的可靠性和安全性,以下是对柴油发机电组的技术要求:1. 性能指标:a. 功率输出:柴油发机电组的额定功率输出应符合设计要求,并具有一定的过载能力。
b. 燃油消耗率:柴油发机电组的燃油消耗率应低于国家标准,并具有较高的燃油利用率。
c. 噪音水平:柴油发机电组的噪音水平应符合国家标准,并具有良好的噪音控制措施。
d. 振动水平:柴油发机电组的振动水平应符合国家标准,并具有有效的振动隔离装置。
2. 可靠性要求:a. 运行时间:柴油发机电组应具有长期的连续运行能力,以应对紧急情况。
b. 启动时间:柴油发机电组的启动时间应短,以确保在停电时能够快速启动并供电。
c. 故障自诊断:柴油发机电组应具备故障自诊断功能,能够及时发现和排除故障。
3. 环境要求:a. 温度范围:柴油发机电组应适应不同温度环境下的运行,例如-20℃至50℃。
b. 湿度范围:柴油发机电组应适应不同湿度环境下的运行,例如30%至90%。
c. 海拔高度:柴油发机电组应适应不同海拔高度下的运行,例如海拔3000米。
4. 安全要求:a. 防火防爆:柴油发机电组应具备防火防爆功能,确保在危(wei)险环境下的安全运行。
柴油发电机工程招标技术要求一、柴油发电机单元的选型及规定1.发电机容量:根据项目的用电需求,确定发电机的容量,确保能够满足负载要求。
2.发电机的品牌和型号:在选择发电机时应优先考虑知名品牌和质量可靠的型号,以确保设备的稳定性和可靠性。
3.发电机效率:要求发电机具备高效率运行的特点,降低能源消耗,减少运行成本。
4.发电机的振动和噪声:要求发电机具备低振动和低噪声的特点,降低对周围环境和使用者的干扰。
5.发电机的自动启停功能:要求发电机具备自动启停功能,能够根据负载需求进行自动切换,并能及时响应电网的变化。
二、机房和附属设备的设计和安装要求1.机房的选址和设计:要求机房能够满足发电机的运行和维护要求,包括足够的空间、通风等条件,并符合环境保护和安全要求。
2.机房的防火、防水和防腐蚀措施:要求机房具备良好的消防设施、防水措施和防腐蚀措施,以确保设备的安全和正常运行。
3.机房的维护和保养要求:要求机房具备便于设备维护和保养的条件,包括通道、工具和设备存放等。
4.发电机配套设备和附属设备的选型和安装:要求配套设备和附属设备的选型和安装符合国家标准和质量要求,能够满足发电机的运行和维护需求。
三、发电机系统的运行和维护要求1.发电机的运行和停机程序:要求制定详细的发电机运行和停机程序,确保设备的安全运行和停机。
2.发电机的巡视和监控要求:要求制定巡视和监控发电机的计划和程序,及时发现和排除故障,确保设备的稳定性和可靠性。
3.发电机的维护保养要求:要求制定发电机的维护保养计划和程序,定期进行设备的维护保养,延长设备的使用寿命和保证设备的性能。
4.发电机的备件和易损件的管理要求:要求建立发电机备件和易损件的清单和库存管理制度,确保备件和易损件的及时供应。
以上是柴油发电机工程招标技术要求的一些建议,招标人可以根据实际情况进行具体的制定和调整。
柴油发电机招标技术要求分解
一、招标技术要求
1.技术要求:
(1)柴油发电机机组的使用环境条件应符合GB/T2820—1997《柴油
发电机机组技术条件》的要求。
(2)柴油发电机机组的性能参数必须符合GB755—2023《发电机性
能和试验规程》的要求。
(3)负荷特性允许无负荷发电,允许无功补偿,允许发电机负荷调
节系统,允许电压、频率、电压幅值和相位调节,电压调节率杂波抑制幅
值应不小于25%。
2.技术指标:
(1)柴油发电机机组的额定功率、额定电压、额定电流、额定频率
等技术指标应同时符合GB737—2023《柴油发电机机组技术条件》和
GB755—2023《发电机性能和试验规程》的要求。
(2)柴油发电机机组负荷特性应符合GB753—2023《发电机性能和
试验规程》的要求,且抗涌流系数不小于0.8,允许发电机负荷调节系统,电压、频率、电压幅值和相位调节,电压调节率抑制杂波幅值应不小于25%。
(3)柴油发电机机组的整机效率应不低于95%,其中柴油发电机额
定负载时的效率应不低于98%,额定负荷无负荷发电时的效率应不小于95%。
(4)柴油发电机机组的噪声符合GB3783—2023《柴油发电机机组噪声技术要求》的规定,其噪声在7米距离处不。
柴油发电机招标技术资料
一、技术报价要求
1.技术报价分类
1.1要求技术报价应根据产品类别、特性及参数、使用条件、售后服务内容等构成报价要求分类。
1.2要求技术报价应包含设备技术参数主要指标、性能特点、结构特点等要求内容,明确提供的是否包括燃油投入和制冷投入及安装条件等。
2.产品标准/技术规格
2.1技术报价要求指明要求的发电机产品标准/技术规格,并考虑下述内容:
(1)发电机及部件的国家有关标准;
(2)发电机及部件的国际公认标准。
2.2要求技术报价要根据投标招标文件的标准、要求的发电机产品标准/技术规格、工作条件、考核标准等,提供技术报价。
3.技术报价要求
3.1技术报价要求指明报价要求的具体内容,要考虑下述内容:
(1)发电机的技术参数、性能及安全性要求;
(2)发电机结构及组合结构;
(3)发电机控制系统及性能要求;
(4)发电机装配及功率测试、热试验、全满载试验和制冷系统组合测试等要求;
(5)发电机图纸及其它资料要求;
(6)发电机安装所需的原料、构件和备品备件要求;
(7)发电机售后服务要求;。
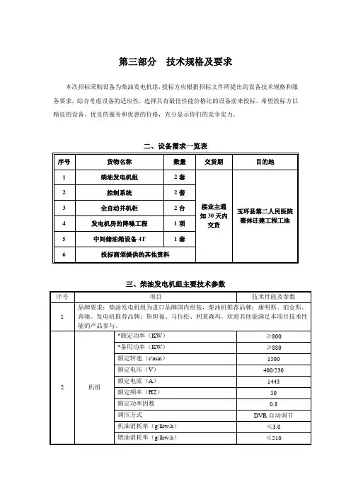
第三部分技术规格及要求
本次招标采购设备为柴油发电机组,投标方应根据招标文件所提出的设备技术规格和服务要求,综合考虑设备的适应性,选择具有最佳性能价格比的设备前来投标。
希望投标方以精良的设备、优良的服务和优惠的价格,充分显示你们的竞争实力。
二、设备需求一览表
三、柴油发电机组主要技术参数
A:面板有电流表×3个、电压表、电压转换开关、功率因素、频率、发电、供电指示
B:控制主开关出口接入三相四线
C:机组具有四保护功能:超速、高水温、低油压、高油温等功能
智能控制屏具有柴油机监视控制/保护
电池电压高:报警、报警延时、停机、停机延时。
电池电压低:报警、报警延时、停机、停机延时。
高水温:报警、报警延时、停机、停机延时。
低水温:报警、报警延时、停机、停机延时。
低油压:报警、怠速报警、报警延时、停机、怠速停机、停机延时、设定转速、速度监测
(注:文档可能无法思考全面,请浏览后下载,供参考。
可复制、编制,期待你的好评与关注)。
完整的柴油发电机组招标文件柴油发电机组招标文件一、引言本招标文件旨在向供应商介绍我方对柴油发电机组的需求,并明确招标程序、评标标准、合同条款等相关内容。
二、招标范围1. 项目概述本项目需要采购一套柴油发电机组,用于电力供应。
2. 技术要求1) 发电机组额定功率:X千瓦;2) 发电机组运行频率:XHz;3) 发电机组额定电压:X伏;4) 发电机组额定效率:不低于X%;5) 发电机组额定功率因数:X;6) 发电机组噪音限制:不大于X分贝;7) 发电机组排放标准:符合X环保要求;8) 其他技术要求:详见附件A。
3. 供应商资格要求1) 具备相关产品生产经验;2) 具备相关产品质量认证证书;3) 具备完善的售后服务体系;4) 具备良好的信誉和声誉;5) 其他资格要求:详见附件B。
三、招标程序1. 发售招标文件1) 招标文件的选取:供应商可通过我们提供的途径获取招标文件;2) 招标文件的获取时间和方式:详见附件C。
2. 投标要求1) 投标截止时间和地点:详见附件D;2) 投标文件的组成和要求:详见附件E;3) 投标保证金的要求:详见附件F。
3. 评标标准1) 技术标准得分占比:X%;2) 价格得分占比:X%;3) 售后服务得分占比:X%;4) 其他评标标准:详见附件G。
4. 中标公示1) 中标结果公示时间和方式:详见附件H;2) 中标供应商的通知时间和方式:详见附件I。
四、合同条款1. 交货时间和地点:详见附件J。
2. 付款方式和条款:详见附件K。
3. 质量保证和售后服务:详见附件L。
4. 合同变更和解除:详见附件M。
5. 法律适用和争议解决:详见附件N。
附件:A. 技术要求详细说明B. 供应商资格要求详细说明C. 招标文件获取时间和方式说明D. 投标截止时间和地点说明E. 投标文件组成和要求详细说明F. 投标保证金要求详细说明G. 其他评标标准详细说明H. 中标结果公示时间和方式说明I. 中标供应商通知时间和方式说明J. 交货时间和地点说明K. 付款方式和条款详细说明L. 质量保证和售后服务详细说明M. 合同变更和解除详细说明N. 法律适用和争议解决详细说明法律名词及注释:1. 合同:双方达成的合法协议,明确双方权利和义务的文件。
柴油发电机招标技术要求1.功率要求:确定所需的发电机功率,包括主要负载功率和备用负载功率。
根据需求选择合适的柴油发电机容量,确保其能够满足所需的电力供应。
2.效率要求:柴油发电机的效率对于能源利用和经济性具有重要影响。
要求设备具有高效的燃烧效率和电能转换效率,减少能源的浪费和使用成本。
3.操控要求:确保柴油发电机具备可靠的运行和自动控制系统,包括起动、停止、负载调整等功能。
同时,也要求设备具备故障自诊断和保护功能,以防止运行中的故障或危险情况。
4.噪音要求:对柴油发电机的噪音产生限制,特别是对于需要安装在噪音敏感区域的设备。
要求柴油发电机具备降噪设施或采取其他噪音控制措施,以确保设备在安静环境下运行。
5.震动要求:柴油发电机的震动对于设备的稳定性和长期运行具有重要影响。
要求设备具备良好的设计和工程结构,以减少震动和振动产生,提高设备的可靠性和耐久性。
6.可靠性要求:对于柴油发电机的可靠性要求非常高,要求设备能够连续、稳定地运行,且具备长时间的使用寿命。
对于重要领域的应用,建议选择高可靠性和备用性能强大的发电机设备。
7.环保要求:柴油发电机的环保要求是现代社会对设备的一项重要考虑因素。
要求设备满足国家、地方或行业相关的环保法规和标准,减少或消除对空气和水质的污染。
8.维护保养要求:为了确保柴油发电机持续、高效地运行,要求设备具备便捷的维护保养性能。
包括易于检查、清洁和维修,以及设备自身有良好的故障诊断和维护提示功能。
9.供应商经验:在招标过程中,要考虑供应商的经验和技术能力。
选择有丰富经验和良好声誉的供应商,以确保柴油发电机的质量和性能能够得到保证。
以上仅是对柴油发电机招标技术要求的一些建议,实际的技术要求应根据具体需求和应用场景进行制定。
招标单位可以根据具体情况,进一步明确技术要求,以确保选择到适合自身需求的柴油发电机设备。
柴油应急发电机组招标技术要求
一、技术要求
1.发电机组总功率:招标技术要求发电机组的总功率为1500KVA以上,具体功率要根据施工现场的实际需要确定。
2.发电机组设计要求:招标技术要求发电机组设计必须符合
ISO8528-1和ISO8528-6标准规定的发电机设计要求。
3.发电机组技术参数要求:招标技术要求发电机组的技术参数应符合ISO8528-1和ISO8528-6标准规定的各项技术参数要求,其中包括发电机
组的最高额定负荷,低额定负荷,最高运行频率,最低运行频率,最高转速,抗暴力转速,最大输出功率,单台发电机最大输出功率,单台发电机
最小输出功率,发电机组最大输出功率调节范围,输出功率精度,抗影响
功率特性要求,抗失态功率特性要求,抗偏载特性要求,功率恢复特性要求,最大电压,最大电流,最大瞬时谐波畸变率,最大谐波电流等技术参数。
4.发电机组物理参数要求:招标技术要求投标发电机组的物理参数应
符合ISO8528-1和ISO8528-6标准规定的各项物理参数要求,其中包括发
电机组结构尺寸,外壳材料型号,自重,冷却系统类型,进风口和排风口
的数量和尺寸等要求。
柴油发机电招标文件范本柴油发机电招标文件范本一、项目背景本项目为某公司新建工厂配套柴油发机电采购项目,旨在为工厂提供可靠的电力供应。
根据工厂需求,现公开招标采购产品,并邀请相关供应商参预投标。
二、投标要求1. 供应商资格要求(1)供应商应具备独立法人资格,且在国内注册、有合法经营资格。
(2)供应商应具备相关产品的生产和供应能力,具备一定的市场影响力和品牌知名度。
(3)供应商应具备良好的质量管理体系,并能提供相关证明文件。
2. 商品要求(1)柴油发机电型号:xxxxx(2)额定功率:xxx千瓦(3)发机电输出电压:xxx伏特(4)额定频率:50Hz(5)柴油发动机型号:xxxxx(6)燃油消耗率:不超过xxx克/千瓦时(7)噪声排放:不超过xx分贝(8)环保要求:符合国家环保标准3. 文件要求(1)投标书:包括供应商基本信息、合作意向、报价等相关信息。
(2)产品技术资料:包括产品参数、技术说明、质量认证等相关信息。
(3)质量管理体系文件:包括质量管理体系认证证书、质量管理手册等。
(4)供货承诺书:承诺按时供货,并保证产品质量。
(5)其他附加文件:如售后服务承诺书、投标保证金等。
三、报价方式1. 供应商应提供详细的报价单,包括单台柴油发机电的报价和总报价。
2. 报价有效期为xxx天,不得低于发布日期。
四、评标标准1. 投标文件的完整性和合规性。
2. 产品质量和性能。
3. 价格合理性。
4. 供应商的售后服务承诺和支持能力。
5. 供应商的交货期承诺和供货能力。
6. 供应商的资质和信誉。
五、投标流程1. 供应商准备投标文件。
2. 递交投标文件,包括纸质版和电子版。
3. 招标人组织评标。
4. 评标结果公示。
5. 签订合同。
六、附件本所涉及附件如下:1. 供应商基本信息表2. 柴油发机电产品技术资料3. 质量管理体系认证证书复印件4. 供货承诺书范本5. 投标保证金缴纳细则七、法律名词及注释本所涉及的法律名词及注释如下:1. 独立法人资格:指企业具有独立承担民事责任的能力。
工程施工柴油招标一、项目背景及需求随着我国经济的快速发展,基础设施建设日益加快,各类工程施工项目如雨后春笋般涌现。
在这些工程施工过程中,柴油发电机组作为重要的动力设备,发挥着至关重要的作用。
为确保工程施工的顺利进行,降低施工成本,提高工程质量,现就工程施工柴油发电机组采购进行公开招标。
二、招标概况1. 招标项目名称:工程施工柴油发电机组采购2. 招标编号:XXCG-2021-0013. 招标范围:柴油发电机组及配套设备采购、安装、调试、验收、质保期内维护服务等。
4. 招标方式:公开招标5. 资金来源:自筹资金6. 项目预算:人民币XX万元7. 工期要求:合同签订后30个工作日交付货物及完成安装调试。
三、投标资格要求1. 投标人应具备独立法人资格,具有有效的营业执照、组织机构代码证、税务登记证、开户许可证等。
2. 投标人应具备柴油发电机组生产或销售资质,具有相关行业协会认证或荣誉证书。
3. 投标人具有与本项目规模相当的成功案例,并提供相关合同复印件或业绩证明。
4. 投标人具有良好的银行资信和商业信誉,无不良记录。
5. 投标人应具备完善的售后服务体系,提供技术支持和维修服务。
6. 本次招标不接受联合体投标。
四、招标文件获取1. 获取时间:自公告发布之日起至投标截止时间止(工作日上午8:30-12:00,下午14:00-17:30)。
2. 获取地点:XX市XX区XX路XX号,招标代理机构办公室。
3. 招标文件售价:人民币XX元整,售后不退。
4. 购买招标文件时需提交的资料:营业执照副本、组织机构代码证、税务登记证、开户许可证、法定代表人身份证复印件、授权委托书、被授权人身份证、相关资质证书复印件、成功案例合同复印件或业绩证明、银行资信证明、法定代表人身份证明、投标人联系方式等。
五、投标保证金1. 投标保证金金额:人民币XX万元。
2. 投标保证金支付方式:银行转账或现金支付。
3. 投标保证金支付截止时间:投标文件递交截止时间前。
2#楼柴油发电机招标技术要求1、招标设备清单序号设备名称型号备注1、柴油发电机组常备容量800KW 自带设备安装基础并负责安装到位2、柴油发电机控制柜与发电机配套自带设备安装基础并负责安装到位3、发电机组与控制柜之间的连接电缆符合机组设备使用要求的阻燃电缆自带桥架并负责安装并负责安装到位4、发电机的延时启动信号线ZR-KVV-3x2.5 40m5、柴油油箱及柴油200L 自带设备安装基础、油量液位表、透气管。
加满柴油200L 6、油箱与发电机之间的输油管油箱出口端与发电机进口端均带阀门,并负责安装到位7、发电机冷却水箱与循环泵满足设备运行要求负责安装到位8、发电机排烟管道1250X500 带阻燃绝热材料,负责安装到位并完成烟道封堵。
2、柴油发电机型号参数及运行要求2#楼在地下室设一台常用功率为800KW的柴油发电机组,作为1~4号变压器的第二路电源的第二路电源。
当10KV市电停电或1~4号变压器故障时,启动柴油发电机;从1~4号变压器低压侧的低压主进线开关处拾取柴油发电机的延时启动信号,采用ZR-KVV-3x2.5送至柴油发电机房的启动控制屏,信号延时0~15S(可调)自动启动柴油发电机组,柴油发电机组30S内达到到额定转速、电压、频率后,投入额定负载运行。
当市电恢复30~60S (可调)后,自动恢复市电供电,投入额定负载运行。
柴油发电机组经冷却延时后,自动停机。
2、安装标准及要求柴油发电机房位置及发电机组安装位置详后附图纸。
柴油发电机的安装应符合国家建筑标准设计图集OOD202-2《应急柴油发电机组安装》的要求。
3、柴油发电机安装施工内容:本次招标施工内容为:所有招标设备的运输、卸货到施工安装位置;柴油发电机组的就位、固定、安装;发电机组进风口与土建风道的连接;发电机组与控制柜之间的电缆安装、桥架安装;发电机启动信号线的供货及安装;所有按图集要求需要接地的设备接地施工(接地端已引至发电机房,位置现场确定)。
柴油发电机组招标文件1. 背景与目的随着国民经济的快速发展,电力需求逐年增加。
在现代化的生产生活中,电力已经成为了必需品。
因此,为了满足电力需求,提高供电质量,我公司计划采购柴油发电机组。
本招标文件旨在通过公开招标,选择一家具有强大实力和较高信誉度的供应商,为公司提供高质量的柴油发电机组,确保公司生产、生活能够正常运转。
2. 采购要求2.1 技术要求1.发电机组功率:150KW2.电压:400V3.电机转速:1500RPM4.柴油发动机:CUMMINS 180HP5.制冷方式:闭式水循环6.隔音材质:聚氨酯泡沫7.发电机防护等级:IP238.发电机制造商:国内知名厂家2.2 环保要求本次采购的柴油发电机组应满足以下环保要求:1.废气排放要求符合国家标准2.噪音限制最大为75分贝2.3 售后服务要求供应商应提供完善的售后服务,包括但不限于以下内容:1.供应商负责安装调试,并提供详细的操作手册2.对设备质量负责,保修期内无条件修理或更换3.提供24小时售后服务热线,确保及时处理故障4.定期进行设备检测保养,并提供相应的检测报告3. 投标要求3.1 资质要求供应商应满足以下资质要求:1.生产资质:拥有柴油发电机组生产资质2.信誉度:具备良好的信誉度和商誉3.经验要求:曾提供5年以上柴油发电机组供货经验3.2 投标文件投标文件应包含以下资料:1.公司资质证明2.近5年提供柴油发电机组的合同和验收报告3.技术规格书4.售后服务承诺书3.3 投标保证金1.投标保证金:50,000元人民币2.保证金到账截止时间:2022年5月5日3.4 投标截止时间和地点1.截止时间:2022年5月5日 17:002.投标地点:公司采购部4. 开标时间和地点1.开标时间:2022年5月6日 9:002.开标地点:公司会议室5. 评标原则1.以报价和技术指标为主要依据2.质量、价格、服务等综合考虑3.评标结果将在开标后5个工作日内公示6. 其他事项1.本招标文件解释权归公司所有2.投标人应仔细阅读本招标文件,如有不清楚之处请及时与公司采购部联系3.本招标文件涉及到的内容,如有更新,将在公司网站上公布7. 联系方式公司名称:某某公司公司地址:XX省XX市XX区XX路XX号联系人:XX先生联系电话:XXXXXXXXXXX邮箱:*****************8. 投标确认书我公司已经认真阅读本招标文件,并完全同意承担所有责任和义务,投标价格为人民币XX万元整。
关于柴油发电机组采购的公开招标公告尊敬的各位投标人:根据我国的能源发展需求和电力供应保障需要,我公司决定进行柴油发电机组采购项目的公开招标。
特此发布公告,邀请各位有能力、经验和资质的供应商积极参与投标。
一、项目背景为了满足我公司对电力的需求,提高电网的可靠性和稳定性,我公司打算引入柴油发电机组完成备用电源的建设。
本次采购项目的目的是购买多台柴油发电机组,用于供应公司在电力出现短缺或故障的情况下的备用电力。
二、采购内容1.数量:本次采购总数量为20台柴油发电机组。
2.规格要求:柴油发电机组的额定功率必须在200KW至500KW之间,发电机的额定电流不得低于300A,额定电压为380V。
3.技术要求:柴油发电机组必须具备自动启停功能,具备自动监控和远程控制的能力,保证投入使用后能够自动运行并实时监测燃油消耗、电压输出等情况。
同时,发电机组的运行噪音要低于80分贝,排放浓度要符合国家环保标准。
4.采购金额:本次采购项目的预算金额为人民币500万元。
三、投标资格要求1.投标人应为具备独立法人资格的企事业单位或个人商户,持有与本次采购项目相符的企业资质证书,并具备相关经验和技术能力。
2.投标人应具备良好的商业信誉和财务状况,过去三年内没有发生重大违约行为和诉讼纠纷。
3.投标人应提供近三年以来的类似项目经验,并提供相关的项目参考案例和客户推荐信。
四、投标文件的编制与递交1.投标人应按照招标文件的规定,编制并递交投标文件。
投标文件包括但不限于以下内容:a.投标信函及附件;b.公司资质证书及法定代表人授权书;c.公司近三年财务报表;d.类似项目经验及客户推荐信;e.产品目录、技术规格书和相关证书;f.价格清单;g.其他必要的附件和材料。
2.投标文件递交截止时间为2024年XX月XX日,逾期将不予受理。
五、评标与中标1.根据投标文件的完整性和符合性,由评标委员会对投标人进行评审,并确定评标结果。
2.中标结果将在评标结束后公布,并与中标人签订合同。
柴油发电机组招标技术要求1. 引言本文档旨在为柴油发电机组招标提供详细的技术要求,以确保所选供应商能够提供符合要求的高质量柴油发电机组。
2. 技术要求2.1 功率要求•发电机组的额定功率应满足项目需求,应能够满足峰值负荷时的电力需求。
•额定功率和峰值负荷功率应明确标明。
2.2 燃料要求•发电机组应使用柴油作为燃料。
•燃油的硫含量应符合国家标准,并提供相关检测证明。
•燃油箱容量应能够满足连续运行所需的时间。
2.3 发电机要求•发电机应采用国际知名品牌,提供品牌和型号,并提供相关性能参数。
•发电机应具备良好的输出电压稳定性,保证电压波动在正常范围内。
•发电机应具备低噪音和低振动的特点,以满足项目要求。
2.4 控制系统要求•控制系统应能够实现自动开机、停机和切换等功能。
•控制系统应具备完善的故障诊断和报警功能,以便及时发现和解决问题。
•控制系统应支持远程监控和远程控制功能,便于运维人员进行远程管理。
2.5 冷却系统要求•冷却系统应采用高效可靠的散热器,确保发电机组在长时间运行时能够正常散热。
•冷却系统应具备自动控制功能,保证发电机组不会因过热而停机。
2.6 排气系统要求•排气系统应能够有效排出发电过程中产生的废气,并确保排气不会对环境造成污染。
•排气系统应具备降噪功能,以减少发电机组的噪音污染。
2.7 安全措施要求•发电机组应具备过载、短路、欠压、过压、过速等保护功能,以保障设备的安全运行。
•发电机组应配备火灾报警和灭火装置,确保在发生火灾时能够及时进行报警和灭火。
2.8 安装与维护要求•发电机组的安装应符合相关法规和标准,确保设备的安全和稳定。
•发电机组应提供详细的安装和维护手册,便于操作人员进行安装和维护工作。
•发电机组的维护周期和维护内容应明确标明。
3. 其他要求本文档仅为柴油发电机组招标的技术要求,具体的合同条款和商业条件将在后续合同中确定。
以上为柴油发电机组招标技术要求的文档,涵盖了功率要求、燃料要求、发电机要求、控制系统要求、冷却系统要求、排气系统要求、安全措施要求、安装与维护要求以及其他要求。
柴油应急发电机组招标技术要求1. 引言柴油应急发电机组是一种重要的备用电源设备,应用广泛于各种场所和行业。
本文档旨在规定柴油应急发电机组招标技术要求,以确保设备质量和性能满足需求。
2. 设备基本要求2.1 功率范围:柴油应急发电机组的功率范围应满足需求,从最小负载到最大负载都能正常工作。
2.2 运行稳定性:柴油应急发电机组在各种工况下都应能保持稳定的运行,不出现过载、短路等故障情况。
2.3 启动时间:柴油应急发电机组应具备快速启动能力,启动时间不超过10秒。
2.4 噪音控制:柴油应急发电机组应采取措施降低噪音,确保在合理范围内。
2.5 可靠性:柴油应急发电机组应具备高可靠性,能够在长时间运行时保持稳定工作。
3. 发动机要求3.1 功率:发动机的额定功率应满足需求,能够支撑发电机组的运行。
3.2 燃料类型:发动机应使用柴油作为燃料,并具有一定的燃油适应性。
3.3 烟气排放:发动机应符合国家相关的烟气排放标准,保护环境。
3.4 负载响应能力:发动机应具备良好的负载响应能力,能够迅速调整输出功率以适应负载变化。
3.5 故障自诊断:发动机应具备故障自诊断功能,能够及时报警并提供故障信息。
4. 发电机要求4.1 功率因数:发电机的功率因数应符合电网接入要求,确保稳定有效的电能输出。
4.2 电压稳定性:发电机应具备良好的电压稳定性,能够在负载变化时保持电压稳定。
4.3 调压范围:发电机应具备一定的调压范围,能够适应不同需求下的电压变化。
4.4 故障保护:发电机应具备过载、短路等故障保护功能,避免设备损坏。
4.5 隔离性:发电机应具备良好的隔离性,与电网之间能够有效隔离,保证安全。
5. 控制系统要求5.1 启停控制:控制系统应具备可靠的启停控制功能,确保发电机组能够及时启动和停止。
5.2 负载分配:控制系统应能够合理分配负载,保证发电机组各部分负载均衡。
5.3 数据监测:控制系统应具备数据监测功能,能够实时获取发电机组的运行数据并提供报警功能。
第三部分技术规格及要求本次招标采购设备为柴油发电机组,投标方应根据招标文件所提出的设备技术规格和服务要求,综合考虑设备的适应性,选择具有最佳性能价格比的设备前来投标。
希望投标方以精良的设备、优良的服务和优惠的价格,充分显示你们的竞争实力。
二、设备需求一览表序号货物名称数量交货期目的地1 柴油发电机组2套接业主通知30天内交货玉环县第二人民医院整体迁建工程工地2 控制系统2套3 全自动并机柜2台4 发电机房的降噪工程1项5 中间储油箱设备4T 1套6 投标商须提供的其他资料三、柴油发电机组主要技术参数序号项目技术性能及参数1 品牌要求:柴油发电机组为进口品牌国内组装,柴油机推荐品牌:康明斯、珀金斯、奔驰。
发电机推荐品牌:斯坦福、马拉松、利莱森玛。
欢迎其他能满足本项目技术性能的产品参与。
2 机组*额定功率(KW)≥800*备用功率(KW)≥880额定转速(r/min)1500额定电压(V)400/230额定电流(A)1443额定频率(HZ)50额定功率因数0.8调压方式DVR自动调节机油消耗率(g/lkw.h)≤3.0燃油消耗率(g/lkw.h)≤210电压整定范围(±%)10稳态电压偏差(稳态电压调整率±%) 1电压波动率(%)0.4电压不平衡度(%)≤1冷热态电压变化(±%)≤1输出电压波形畸变率(%)≤2不对称负载下的线电压偏差(±%)≤5 100%突减功率下的瞬态电压偏差(%)+20突加功率下的瞬态电压偏差(%)-15电压恢复时间(S)≤0.5频率降(%)0-3稳态频率带(频率稳态调整率%)≤2相对频率整定下降范围(%) 2.5相对频率整定上升范围(%) 2.5相对的频率容差带(%) 2频率波动率(%)0.5 100%突减功率下的瞬态频率偏差(%)+5突加功率下的瞬态频率偏差(%)-5频率恢复时间(S)≤1绝缘电阻(MΩ)≥2工频1min耐受电(V)1500机组环境噪音(dba)≤90机组重量(t)7.8外形尺寸(长*宽*高)4600×1800×22003 柴油机型号及生产厂投标单位填写缸数/排列12缸最大功率(KW)≥970额定转速(r/min)1500冷却方式空空中冷启动方式24V电启动燃油型号0#(常温)燃油消耗率(g/kw.h)≤210排量(L)37.8缸泾/行程159/159mm 燃油喷射方式直喷调速方式电子调速4 发电机*额定功率(KW)≥800结构型式磁场旋转式额定电压(V)400/230额定频率(HZ)50额定转速(r/min)1500功率因数0.8励磁方式无刷自励转子连接方式单支撑、弹性钢片连接温升(℃)125调压方式自动绝缘等级H防护等级IP235 机组控制屏屏体结构形式立体固定式额定电压(V)400额定电流(A)1443A屏内断路器型号及生产厂投标单位填写自启动装置型号及生产厂投标单位填写6 控制部分A:面板有电流表×3个、电压表、电压转换开关、功率因素、频率、发电、供电指示B:控制主开关出口接入三相四线C:机组具有四保护功能:超速、高水温、低油压、高油温等功能智能控制屏具有柴油机监视控制/保护电池电压高:报警、报警延时、停机、停机延时。
电池电压低:报警、报警延时、停机、停机延时。
高水温:报警、报警延时、停机、停机延时。
低水温:报警、报警延时、停机、停机延时。
低油压:报警、怠速报警、报警延时、停机、怠速停机、停机延时、设定转速、速度监测7全自动并机柜部分1、并机柜要求为GDD国家标准柜,开关使用容量为2000A的国内一线或合资品牌。
2、控制柜面板上控制器可对应显示每台机组的三相线电压、各线电流I)、有功功率KW、无功功率、功率因数PF、频率Hz等电力参数。
3、启动模式:可选择开关《手动-自动-后备》。
4、结构参数:4.1 防护等级:IP30;4.2 额定电压:400VAC,50HZ;4.3 输出总电流:3000A;5、故障与报警5.1当系统出现严重故障、除开关自动分闸外,报警系统会作出声/光报警指示。
故障排除后须按面板上的“紧急停机/复位”按钮复位或控制器“停机/复位”按钮复位或关断24V 电源进行复位,当系统出现逆功率时,需关断柜内的熔断器复位。
5.2 当设备出现非严重故障(如:蓄电池电压过高/过低、机组运行中水温、油压、转速到达预报警设定值)时,系统会进行预报警,报警系统同样会发出声/光报警指示。
5.3 当发电机停止运行、机组故障、逆功率时,开关会自动分闸。
自动并车对机组的短路、过载、过电压、逆功率等故障具备全电子保护系统,使发电机运行安全可靠。
6、其它事项:6.1 柜体与机组应可靠接地;6.2 接线时应严格按照接线图接线;6.3 应预留检修或更换元件所需位置及备用开关6.4 应有效解决控制柜内电气元件的绝缘水平;7、投入并联的发电机组能自动进行有功功率负载比例分配、分配差度不大于10%。
8、全自动并机柜能完成自动频率追踪同步并联。
8 启动方式24V直流电启动,设有直触式马达和柴油机带动的充电机;配自启动系统实现自动启动或者手动启动,启动时间≤15S9 停机方式可以电键手动停机亦可自动停机10 蓄电池采用24伏免维护高能蓄电池,满足机组连续6次以上的起动11 滤清系统采用整体更换式机油、壳式柴油滤清器和机油滤清器,干式筒型空气滤清器。
12 排气系统采用工业用高降噪效能消声器及波纹管弹性连接件,带烟处理系统,满足国家排放标准13 成套配置直流24V起动电机、散热水箱、风扇及其防护网、24V起动电池组(可连续起动6次以上)、起动电池充电器、电子调速器、柴油发电机组的排烟管道等。
14 附件排烟消声器、弹簧减振装置、石棉垫、排气波纹管(带法兰接头)、排气管弯管、燃油软油管、钢结构基座、不小于12小时日用油箱(提供验收、试运行需要的燃油)、专用工具等。
15 随机文件发动机合格证、原厂保修卡、原厂测试报告、原产地证书,发动机、发电机、发电机组使用手册,发电机组出厂合格证及测试报告。
16 备注提供对外开放的楼宇管理接口和免费开放的协议,包括所有控制所需的文本代码,并负责所供设备端口的调试开通,并能与火灾报警系统连接通讯;与低压配电设备连接调试正常、机组安装时机组、油箱均接入地线,可有效防雷。
17 燃油系统 1. 储油箱要求安装一个熔断式操作的重力释放阀,在火警发生时切断燃油供应并发出火警信号。
2. 储油箱进油由机组自带油泵吸油,油箱设高低油位报警;高、低油位停止或启动油泵。
3. 储油箱应采用闭式油箱,油箱上装设直通室外的通气管,通气管上设置阻火器和防雨设施。
油箱应装有油量指示表及与液位开关相连的满溢报警装置。
油箱上不应采用玻璃管式油位表。
4. 回油管的尺寸不得小于供油管。
不得将回油管直接回接机组进油管。
5. 室内外的供油管和回油管应采用地沟敷设,地沟内宜填砂,地沟上采用非燃烧材料封盖。
6. 油箱(罐)的进油管和回油管,应从油箱(罐)体顶部插入,管口应位于油液面下,并应距离箱(罐)底200mm。
7. 使用国产轻柴油和国产中增压柴油机用机油。
8. 燃油补给系统,日用油箱容积按满载运行12小时考虑。
18出线配电连接要求1.柴油发电机组设计下进线下出线端口时,应整体考虑柴油发电机组出线端与低压联络柜相连接的电缆,该电缆的规格尺寸、安装位置等应与低压联络柜相一致,故要求投标人必须主动与低压联络柜供应商联系,紧密结合现场条件、设计图纸及联络柜出线方式、规格尺寸、相序排列等要求,确定合理、配套的连接端口工艺,并完全满足现场拼接安装要求,否则,因柴油发电机组出线端口问题无法与低压联络柜之间的拼接连接,或连接工艺无法满足设计及验收要求,一切因此引起的责任及过程费用均由投标人承担。
2. 按要求提供发电机组停止、启动信号控制线预留接口,信号控制线由低压联络柜供应商成套提供。
3.要求二台发电机组并网后,设二台2000A二路出线端供电开关19 外观质量1.机组的焊接应牢固,焊缝应均匀、无裂纹。
2.机组的控制屏表面应平整、布线合理,接触良好,层次分明,整齐美观。
3.机组涂漆部分的漆膜应均匀,无明显裂纹、脱落、流痕、气泡、划伤等现象。
4.机组电镀件的镀层应光滑,无漏镀斑点,锈蚀等现象。
5.机组的紧固件应无松动。
20 其它控制屏类型:LED液晶显示(原装进口)电气保护:IP54安装方式:标准中间储油箱:容量4吨,安置在储油间,包括储油箱保护(费用包含在投标总价内)电瓶:高能免维护蓄电瓶,含连接线(费用包含在投标总价内)燃油:提供满足2套机组调试、验收所需用的0#柴油(费用包含在投标总价内)机油:提供2套机组调试验收所需机油(费用包含在投标总价内)烟管:从机组连接至机房外并高出地面6米,预计4×20米(费用包含在投标总价内)电缆:机组到并机柜之间的连接电缆,知名品牌,软芯电缆,预计120米(费用包含在投标总价内)*21 最高限价本项目最高限价为万元,超过最高限价的投标作无效标处理。