冷水机组验收检查表
- 格式:doc
- 大小:466.50 KB
- 文档页数:11
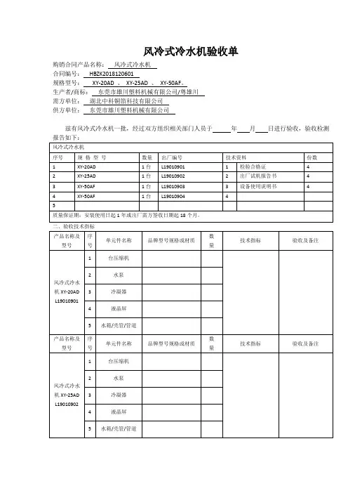
风冷式冷水机验收单
购销合同产品名称:风冷式冷水机
合同编号:HBZK2018120601
规格型号:XY-20AD 、XY-25AD 、XY-50AF。
生产者/商标:东莞市雄川塑料机械有限公司/粤雄川
需方单位:湖北中科铜箔科技有限公司
供方单位:东莞市雄川塑料机械有限公司
兹有风冷式冷水机一批,经过双方组织相关部门人员于年月日进行验收,验收检测报告如下:
二、验收技术指标
验收意见
★整体已达到双方签订的技术协议或合同约定的标准。
特殊说明:
☆未达到双方签订的技术协议或合同约定的标准。
说明:
供方项目负责人(签字,加盖公司章):
签发日期:年月日
需方项目负责人(签字):
签发时间:年月日说明:本件共2份,甲方1份,乙方1份,请双方负责人务必确认。
冷水机组验收检查表
工程名称:编号:施工位置:组别:图号:检查日期:
冷冻水泵验收检查表
工程名称:编号:施工位置:组别:图号:检查日期:
工程名称:编号:施工位置:组别:图号:检查日期:
工程名称:编号:施工位置:组别:
FFU验收检查表
工程名称:编号:施工位置:组别:
工程名称:编号:施工位置:组别:图号:检查日期:
工程名称:编号:施工位置:组别:图号:检查日期:
FCU自主检查表
工程名称:编号:施工位置:组别:图号:检查日期:
工程名称:编号:施工位置:组别:图号:检查日期:
工程名称:编号:施工位置:组别:图号:检查日期:
冷凝水系统验收检查表
工程名称:编号:施工位置:组别:图号:检查日期:
11。