磷化、脱脂原理和经验配方
- 格式:doc
- 大小:32.50 KB
- 文档页数:3
磷化液配方及制作方法
磷化液具有除油、除锈、磷化和钝化等性能。
轻度锈蚀的黑色金属器件,或有液状油污的黑色金属制品,均可直接用此药液进行磷化处理,所得磷化膜对金属有很好的防护作用,提高了金属的抗腐蚀性和绝缘性以及涂料的附着力。
一、配方(克/升)
氧化锌 30-50
重铬酸钾 0.2-0.4
硝酸锌 150-170
烷基磺酸钠 20-40
酒石酸 5-10
80%磷酸 110-180
氯化镁 15-30
水 600-900毫升
钼酸铵0.8-1.2
二、制法
把氧化锌用适量水调成糊状,在不断搅拌条件下,缓慢加入磷酸,溶解以后加入硝酸锌,酒石酸和氯化镁,再用水稀释至总体积的三分之二,搅拌,溶解。
把重饹酸钾和钼酸铵分别溶解后,加入上述药液中,搅拌混匀,继之加入烷基磺酸钠并加水至足量,充分搅拌,混合均匀即可。
三、说明
1.磷化处理时,药液温度控制在55-65℃(不能超过70℃),金属在其中浸泡处理5-15分钟即可。
2.药液中的亚铁含量在5-7克/升左右时,才有较好的处理效果。
3.游离酸与总酸度之比最好控制在1:8左右。
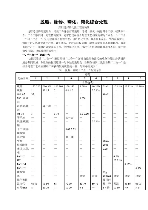
脱脂、除锈、磷化、钝化综合处理深圳雷邦磷化液工程部编辑选取适当的溶液组分,可使工件涂装前的脱脂、除锈、磷化、钝化四个工序,或其中三个、二个工序在同一处理槽内完成,通常把这种综合处理工艺相应地称为“四合一”、“三合一”和“二合一”。
采用这种综合处理工艺,可以简化工序,减少作业面积,节约设备费用,缩短工时,提高劳动生产率,降低成本,此种方法仅能用于涂装质量要求不高的场合。
但在实际生产中,因油污含量有多有少,锈蚀有轻有重,溶液中各组分消耗的速度不同,需注意调整控制,以保持应有的作用。
一、“二合一”处理工艺(1)脱脂除锈“二合一”脱脂除锈“二合一”溶液由能除去油污的成分和能除去铁锈的成分共同组成。
各组分的作用原理一与单独的脱脂剂、除锈剂相同二脱脂除锈“二合一”是综合处理工艺中应用最广和获得较高质量的一种。
配方举例见表1。
(2)脱脂磷化“二合一”脱脂磷化“二合一”溶液由能除去油污的成分和能使钢铁表面生成磷化膜的成分组成。
各组分的作用与单独的脱脂剂、磷化剂相同。
其配方及工艺条件举例如下:磷酸二氢按85份(粉状)磷酸一氢钠15份(粉状)表面活性剂(低泡非离子型) 5份(液状)将上述成分溶于水中,稀释至pH值为5.5-6,总酸度为5-7“点”。
用喷淋法磷化,处理温度为60-70℃,时间2min,获得的磷化膜约0.3-0.5g/m2。
(3)除锈磷化“二合一”除锈磷化“二合一”溶液由能除去铁锈的成分和能在钢铁表面生成磷化膜的成分组成。
各组分的作用与单独的除锈剂、磷化剂相同。
配方举例见表2。
二、“三合一”处理工艺(1)脱脂除锈磷化“三合一”脱脂除锈磷化溶液由能除去油污的成分、能除去铁锈的成分和能在钢铁表面生成磷化膜的成分组成。
各组分的作用与单独的脱脂剂、除锈剂和磷化剂相同。
其配方举例见表3.草酸150g平平加10g硫脉10g水1000mL操作温度85℃处理时间2-3min适用于薄油轻锈的工件的处理。
三、“四合一”处理工艺脱脂除锈磷化钝化“四合一”处理溶液含有脱脂成分、除锈成分、磷化成分和钝化成分。
金属表面除油工艺过程磷化金属表面除油工艺过程磷化第一步是金属表面除油,金属除油过程!金属表面脱脂除油处理主要利用溶解、皂化、乳化作用使其表面油垢去掉。
金属表面脱脂除油处理方法主要有三种,碱液脱脂法、乳化脱脂法、溶剂脱脂法!下面主要讲述这三种工艺过程第一种是碱液脱脂法碱液脱脂法主要借助于碱的化学作用(皂化作用)来清除金属表面的油脂和轻微锈蚀,使被涂表面净化,这种方法常用于清除钢铁、镍、铜等黑色金属以及不溶于碱液的有色金属。
碱液除油脂液的主要成分有氢氧化钠、磷酸三钠、硅酸钠、碳酸钠、硫酸钠等,其中起皂化和洗涤作用的是氢氧化钠;磷酸三钠主要起软化水的作用;酸碱度(pH)由碳酸钠进行调整;硅酸钠则起加强润湿和乳化作用。
如果金属表面油垢过多,用碱液除油效果不理想时,还可采用电化学除油,其溶液配方与碱液配方相同!碱液配方成分碱液配方成分碱液脱脂过程的主要方法(1)浸渍法(煮沸法)这种方法是把被清洗物件置于加热的碱清洗液中煮沸而除油脱脂的方法。
为了加速其除油脱脂乳化作用,在浸煮的同时,应该给予充分搅拌或振动等机械作用,以便提高净化质量。
(2)喷射法它适用大量生产和流水线生产,主要是把碱清洗液喷射到置于传送带上的被清洗零件面上,达到除油脂的目的。
(3)电解法这是把浸入碱清洗液中的零件通电电解产生的气体,经物理作用而清除零件表面上的油垢。
(4)旋转法这种方法是把被清洗零件置于碱清洗液的容器中,然后旋转以清除零件表面油垢,一般适用于小件和多油污的零件。
(二)乳化脱脂法这种方法是利用能促使两种互不相溶的液体(如油和水),形成稳定的乳浊液的物质(乳化剂),即在有机溶剂中加入一种或数种表面活性剂,也可添加弱碱性洗净剂组成的混合液,将这种乳浊液浸渍或喷射到被清洗的零件表面上时,浸透油脂层后使油脂微粒化,表面活性剂使油脂微粒乳化分散在水中,从而达到除掉油脂的目的。
乳化洗净液是由有机溶剂和表面活性剂组成的,这种洗净液对湿度反应不大,在室温条件下就可以进行,其特点是无毒,除油效果比碱液高(因为有些水溶性污物在水中就被溶解了),故获得广泛应用。
脱脂磷化工艺说明文件脱脂磷化工艺是一种用于金属表面处理的工艺,主要用于防止金属材料的腐蚀和增加其表面粗糙度,以提高涂层的附着力。
下面是脱脂磷化工艺的说明文件:1. 工艺概述:脱脂磷化是一种将金属表面上的油脂和污垢去除,并在金属表面形成一层磷化膜的工艺。
脱脂磷化可以提高金属表面的粗糙度,增加涂层的附着力,并提高金属的耐腐蚀性能。
2. 工艺流程:(1)脱脂:将金属材料浸泡在脱脂剂中,去除金属表面的油脂和污垢。
脱脂剂的选择应根据金属材料的性质和污染程度进行。
(2)清洗:将脱脂后的金属材料进行清洗,去除脱脂剂残留和表面的杂质。
清洗剂的选择应根据金属材料的性质和清洗效果进行。
(3)磷化:将清洗后的金属材料浸泡在磷化液中,形成一层磷化膜。
磷化液的成分和工艺参数应根据金属材料的性质和磷化效果进行调整。
(4)清洗:将磷化后的金属材料进行清洗,去除磷化液残留和表面的杂质。
(5)中和:将清洗后的金属材料浸泡在中和液中,中和磷化液的残留,以防止对涂层的影响。
(6)干燥:将中和后的金属材料进行干燥,以便进行后续的涂层处理。
3. 工艺参数:(1)脱脂时间和温度:根据金属材料的性质和污染程度进行调整,一般脱脂时间为10-30分钟,温度为40-60摄氏度。
(2)清洗时间和温度:根据金属材料的性质和清洗效果进行调整,一般清洗时间为5-15分钟,温度为20-40摄氏度。
(3)磷化时间和温度:根据金属材料的性质和磷化效果进行调整,一般磷化时间为5-20分钟,温度为40-60摄氏度。
(4)中和时间和温度:根据磷化液的成分和中和效果进行调整,一般中和时间为5-10分钟,温度为20-40摄氏度。
4. 安全注意事项:(1)在进行脱脂、清洗、磷化等操作时,应佩戴防护手套、防护眼镜等个人防护装备,避免直接接触化学品。
(2)工艺液体应储存在密封容器中,避免泄漏和挥发。
(3)工艺液体的处理应符合环保要求,避免对环境造成污染。
(4)根据工艺液体的性质,选择合适的储存和处理方式,避免火灾和爆炸的风险。
磷化处理技术(1)所谓磷化处理是指金属表面与含磷酸二氢盐的酸性溶液接触,发生化学反应而在金属表面生成稳定的不溶性的无机化合物膜层的一种表面的化学处理方法。
所形成的膜称为磷化膜。
它的成膜机理为:(以锌系为例)a)金属的溶解过程当金属浸入磷化液中时,先与磷化液中的磷酸作用,生成一代磷酸铁,并有大量的氢气析出。
其化学反应为;Fe+2H3PO4=Fe (H2PO4)2+H2•↑ (1)上式表明,磷化开始时,仅有金属的溶解,而无膜生成。
b)促进剂的加速上步反应释放出的氢气被吸附在金属工件表面上,进而阻止磷化膜的形成。
因此加入氧化型促进剂以去除氢气。
其化学反应式为:3Zn(H2PO4)2+Fe+2NaNO2=Zn3(PO4)2+2FePO4+N2↑+2NaH2PO4+4H2O (2) 上式是以亚硝酸钠为促进剂的作用机理。
c)水解反应与磷酸的三级离解磷化槽液中基本成分是一种或多种重金属的酸式磷酸盐,其分子式Me(H2PO4)2,这些酸式磷酸盐溶于水,在一定浓度及PH值下发生水解泛音法,产生游离磷酸:Me(H2PO4)2=MeHPO4+H3PO4(3 )3MeHPO4=Me3(PO4)2+H3PO4( 4)H3PO3=H2PO4-+H+=HPO42-+2H+=PO43-+3H+( 5 )由于金属工件表面的氢离子浓度急剧下降,导致磷酸根各级离解平衡向右移动,最终成为磷酸根。
d)磷化膜的形成当金属表面离解出的三价磷酸根与磷化槽液中的(工件表面)的金属离子(如锌离子、钙离子、锰离子、二价铁离子)达到饱和时,即结晶沉积在金属工件表面上,晶粒持续增长,直至在金属工件表面上生成连续的不溶于水的黏结牢固的磷化膜。
2Zn2++Fe2++2PO43-+4H2O→Zn2Fe (PO4)2•4H2O↓ ( 6 )3Zn2++2PO42-+4H2O=Zn3(PO4)2•4H2O ↓( 7 )金属工件溶解出的二价铁离子一部分作为磷化膜的组成部分被消耗掉,而残留在磷化槽液中的二价铁离子,则氧化成三价铁离子,发生(2)式的化学反应,形成的磷化沉渣其主要成分是磷酸亚铁,也有少量的Me3(PO4)2。
脱脂、酸洗、表调、磷化表面处理的技术介绍一. 脱脂、酸洗、表调、磷化常作为表面处理的预处理或中间处理工序二. 脱脂定义工件在进行化学成膜之前,必须先除去表面的油脂及附着在表面的灰尘、锈迹、金属细铁屑等污物,才能保证转化膜化学反应的顺利进行,使转化膜与金属基体牢固结合,获得质量优良的转化膜。
除油的方法包括机械法、化学法两类。
机械法主要是:手工擦刷、喷砂抛丸、火焰灼烧等。
化学法主要是:溶剂清洗、强碱液清洗、低碱性清洗剂清洗、酸性清洗剂清洗。
三.酸洗定义1.指清洁金属表面的一种方法。
通常与预膜(pre-passiviting treatment)一起进行。
一般将制件浸入硫酸等的水溶液,以除去金属表面的氧化物等薄膜。
是电镀、搪瓷、轧制等工艺的前处理或中间处理。
2. 方法说明1).利用酸溶液去除钢铁表面上的氧化皮和锈蚀物的方法称为酸洗。
氧化皮、铁锈等铁的氧化物(Fe3O4,Fe2O3,FeO等)与酸溶液发生化学反应,形成盐类溶于酸溶液中而被除去。
2).酸洗用酸有硫酸、盐酸、磷酸、硝酸、铬酸、氢氟酸和混合酸等。
最常用的是硫酸和盐酸。
在酸洗时务必加入酸洗缓蚀剂,防止酸对金属的腐蚀。
3).酸洗工艺主要有浸渍酸洗法、喷射酸洗法和酸膏除锈法。
一般多用浸渍酸洗法,大批量生产中可采用喷射法。
钢铁零件一般在10%~20%(体积)硫酸溶液中酸洗,温度为40℃。
当溶液中含铁量超过80g/L,硫酸亚铁超过215g/L时,应更换酸洗液。
常温下,用20%~80%(体积)的盐酸溶液对钢铁进行酸洗,不易发生过腐蚀和氢脆现象。
由于酸对金属的腐蚀作用很大,需要添加缓蚀剂。
清洗后金属表面成银白色,同时钝化表面,提高不锈钢抗腐蚀能力。
采用浓度为5%~20%的硫酸水溶液,清除工件表面氧化皮和粘附盐类的工艺称为硫酸酸洗法。
四.表调定义1.表调就是表面调整,是把工件放入装有表调液的槽子里进行表面调整处理的过程。
有人说我们的磷化液不需要表调,也可以做的很好,其实这种说法是完全错误的。
磷化实验方法1.磷化工艺流程脱脂—水洗—除锈—水洗—表调—磷化—水洗—干燥(1)脱脂除油脂的目的在于清除掉试样表面的油脂、油污、脏物,使磷化液与金属表面有良好的接触,从而得到质量良好的磷化膜。
目前低碱液除油逐渐被广泛应用,它是一种有效的除油方法,而且不损伤试样表面,它能把试样表面上的杂质彻底清洗干净,使磷化液与金属表面有良好的接触,充分润湿金属表面。
脱脂液的配制先将250 ml的水加入到烧杯中,慢慢加入三聚磷酸钠3克、硅酸钠2克、碳酸钠3克、磷酸钠2克、草酸1克,搅拌均匀,加水稀释至500ml,配制成低碱脱脂液。
处理条件在室温下浸泡2—5分钟。
(2)除锈采用磷酸与柠檬酸混合液酸洗除锈。
磷酸酸洗除锈有特殊的作用,在酸洗过程中可以在金属表面形成不溶性的磷酸亚铁。
磷酸亚铁在磷化处理过程中可起晶核作用,但是过多会妨碍磷化,加入有机阻蚀剂可以防止清洁的金属表面进一步受到磷酸酸液的侵蚀,同时又不妨碍磷酸对剩余氧化物起作用。
除锈处理液的配制将85%的磷酸5ml与3克柠檬酸,混合均匀,加水配制成250 ml的溶液。
处理条件将试样浸入该溶液中2—5分钟。
(3)水洗水洗的目的是去除试样表面残留的酸和碱。
经过脱脂和除锈的试样表面残留一定的碱和酸。
如果把这样的试样浸入磷化液中势必会影响磷化液的成分,进而影响磷化液膜的质量。
此外,磷化后的试样如不经过水洗,残留在磷化膜上的酸会降低磷化膜的耐蚀性能。
水洗液采用自来水为水洗液。
处理条件在室温浸泡5—10分钟。
(4)表调本实验采用酸性表调剂(草酸)对试样进行表面调整。
经过表面调整的试样,可以直接进行磷化处理,无需再经过水洗。
表面调整液的配制先将清水加入烧杯中至400ML,温度升至35摄氏度左右,将3克表调剂(草酸)加入烧杯中进行搅拌,待草酸完全溶解,加水至500ML彻底搅拌均匀。
表面调整的处理条件温度20—30摄氏度,时间30—150秒,处理方式为浸泡。
(5)磷化磷化液的配制(1)取适量的水放入500 ml的烧杯中,加热到25-35摄氏度。
磷化处理管理要点磷酸盐处理虽然稳定,但对于产品质量管理来说,却是药剂生产厂家与用户必须协调配合。
为了让用户能更深刻地理解皮膜生成的原理、工艺目的、母材、设备、处理液的管理,特作解释如下。
一、前言一般认为含电镀钢材在内的涂装前的磷化处理是比较稳定的。
可是工艺管理就未必那么简单。
尽管因磷化处理不当而引起涂装不良的现象较少,但认真做好磷化处理的管理工作是保证质量、降低成本的一个重要方面。
然而对于工程服务不可缺少的厂家来说,希望能有很好的管理工作。
在本文中,阐述了对采用使用较为广泛的碱性脱脂、胶钛的表面调整,以磷酸锌工艺为主的生产线的各个管理点和磷化不良时的对应措施。
二、磷化处理的原理一般磷化处理的作用被轻视的原因,是由于原理难以理解,加之生成的皮膜被涂膜遮盖,难以认识其真正作用。
在脱脂、表面调整后的磷化工艺、母材的界面与磷化液进行反应,具有1~10um 的厚度,并带灰白色~灰黑色的绝缘性,析出无机质的细微结晶性皮膜。
皮膜的耐蚀性并不是其单独显现出来的。
但涂装时,磷化膜表现出来的粘附性、耐蚀性的效果就非常大。
下面简单叙述各工艺的原理:1 碱性脱脂使用含界面活性剂的碱性脱脂剂,目的是去除附着在母材上、妨碍磷化的防锈油和污物,使其成为亲水性的表面。
2 表面调整胶态状的特殊Ti化合物一吸附在表面,即迅速生成微细的结晶皮膜。
3 皮膜磷化(1)皮膜生成的反应(以Fe原材料为例)在PH为3左右的磷酸二氢锌饱和溶液中,母材的表面被溶解[1式]。
在其界面的处理液因失去游离磷酸而成为磷酸二锌的过饱和溶液。
一旦过饱和溶液。
一旦过饱和,在水里的不溶性的结晶皮膜即析出在母材表面[2式]。
Fe+2H3PO4→Fe(H2PO4)2+2H+ ………………[1式]Zn(H2PO4)2+Fe(H2PO4)2→Zn2Fe(PO4)2•4H2O+Zn3(PO4)2•4H2O…… [2式](P hosphopillite皮膜)(H opeite皮膜)P比值=P/(P+H)(2)残渣产生磷化处理的最大缺点是出现残渣,其中有铁的化合物{FePO4•2H2O},皮膜的副生成物{Zn3(PO4)2•4H2O}产生,附着在物品上并引起配管堵塞。
磷化作业指导书引言概述:磷化作业是一种常见的表面处理工艺,用于改善金属材料的表面性能和耐腐蚀性。
为了确保磷化作业的安全和有效进行,制定一份磷化作业指导书是至关重要的。
本文将从五个大点出发,详细阐述磷化作业指导书的内容和要求。
正文内容:1. 磷化作业的基本原理1.1 磷化作业的定义和分类1.2 磷化作业的原理和作用机制1.3 磷化作业的适用材料和应用领域2. 磷化作业的准备工作2.1 表面处理的重要性2.2 磷化作业前的材料准备2.3 磷化作业前的设备和环境准备2.4 磷化作业前的安全措施和个人防护要求3. 磷化作业的操作步骤3.1 清洗和脱脂3.2 酸洗和除锈3.3 磷化液的配制和调整3.4 磷化液的浸渍和处理时间控制3.5 磷化作业后的中和和清洗4. 磷化作业的质量控制4.1 磷化液的监测和调整4.2 磷化膜的质量评价和测试4.3 磷化液的循环和管理4.4 磷化作业的问题处理和纠正措施5. 磷化作业的安全与环保要求5.1 磷化作业的安全操作规范5.2 磷化作业的废液处理和排放控制5.3 磷化作业的环保法规和标准要求总结:综上所述,磷化作业指导书是确保磷化作业安全和有效进行的重要文件。
通过对磷化作业的基本原理、准备工作、操作步骤、质量控制和安全环保要求的详细阐述,可以帮助操作人员全面掌握磷化作业的要点和技术要求。
制定和遵守磷化作业指导书,可以提高磷化作业的质量和效率,确保产品的表面质量和使用寿命。
同时,严格遵守磷化作业的安全和环保要求,减少对人体健康和环境的影响,实现可持续发展的目标。
因此,磷化作业指导书的编制和执行是非常必要的。
磷化、脱脂原理和经验配方磷化是一种化学与电化学反应形成磷酸盐化学转化膜的过程,所形成的磷酸盐转化膜称之为磷化膜。
磷化的目的主要是:给基体金属提供保护,在一定程度上防止金属被腐蚀;用于涂漆前打底,提高漆膜层的附着力与防腐蚀能力;在金属冷加工工艺中起减摩润滑使用。
1 基本原理磷化过程包括化学与电化学反应。
不同磷化体系、不同其材的磷化反应机理比较复杂。
虽然科学家在这方面已做过大量的研究,但至今未完全弄清楚。
在很早以前,曾以一个化学反应方程式简单表述磷化成膜机理:8Fe+5Me(H2PO4)2+8H2O+H3PO4Me2Fe(PO4)2?4H2O(膜)+Me3(PO4)?4H2O(膜)+7FeHPO4(沉渣)+8H2↑Me为Mn、Zn 等,Machu等认为,钢铁在含有磷酸及磷酸二氢盐的高温溶液中浸泡,将形成以磷酸盐沉淀物组成的晶粒状磷化膜,并产生磷酸一氢铁沉渣和氢气。
这个机理解释比较粗糙,不能完整地解释成膜过程。
随着对磷化研究逐步深入,当今,各学者比较赞同的观点是磷化成膜过程主要是由如下4个步聚组成:①酸的浸蚀使基体金属表面H+浓度降低Fe –2e→ Fe2+2H2++2e→2[H] (1)H2②促进剂(氧化剂)加速[O]+[H] → [R]+H2OFe2++[O] → Fe3++[R]式中[O]为促进剂(氧化剂),[R]为还原产物,由于促进剂氧化掉第一步反应所产生的氢原子,加快了反应(1)的速度,进一步导致金属表面H+浓度急剧下降。
同时也将溶液中的Fe2+氧化成为Fe3+。
③磷酸根的多级离解H3PO4+H2PO4-+H+ +HPO42-+2H+ +PO43-+3H-(3)由于金属表面的H+浓度急剧下降,导致磷酸根各级离解平衡向右移动,最终为PO43-。
④磷酸盐沉淀结晶成为磷化膜当金属表面离解出的PO43-与溶液中(金属界面)的金属离子(如Zn2+、Mn2+、Ca2+、Fe2+)达到溶度积常数K sp时,就会形成磷酸盐沉淀Zn2++Fe2++PO43-+H2O→Zn2Fe(PO4)2?4H2O↓ (4)3Zn2++2PO43-+4H2O=Zn3(PO4)2?4H2O↓ (5)磷酸盐沉淀与水分子一起形成磷化晶核,晶核继续长大成为磷化晶粒,无数个晶粒紧密堆集形而上学成磷化膜。
金属表面磷化过程磷化工艺包括脱脂、除锈、表面调整、磷化、钝化及各工序间的水洗,有的还包括水洗后的烘干。
1、脱脂钢材及其零件在储运过程中要用防锈油脂保护,零件上的油脂不仅阻碍了磷化膜的形成,而且在磷化后进行涂装时会影响涂层的结合力、干燥性能、装饰性能和耐蚀性。
首先要脱去金属表面的油脂。
2、涂装前除锈、除氧化皮钢铁热加工时受氧化产生硬而脆的氧化皮,如热轧钢板、热处理零件、锻件、焊接件都会有氧化皮。
而这氧化皮和黄锈在涂层下时会加快钢铁的腐蚀速度。
可见充分的除去钢铁表面的氧化皮和黄锈,对涂装物得到有效保护是非常重要的。
3、表调所谓磷化表面调整句是采用磷化表面调整剂使需要磷化的金属表面改变微观状态,促使磷化过程中形成结晶细小的、均匀、致密的磷化膜。
4、磷化处理所谓磷化处理是指金属表面与含磷酸二氢盐的酸性溶液接触,发生化学反应而在金属表面生成稳定的不溶性的无机化合物膜层的一种表面的化学处理方法。
所形成的膜称为磷化膜。
(一)磷化反应原理阴极区域:Fe →Fe2+ +2e阳极区域:2H + 2e → H2或者O + H2O + 2e → 2(OH)成膜反应:H3PO4 + Zn(H2PO4)2 + Fe(H2PO4)2+Fe →Zn3(PO4)2 + Zn2Fe(PO4)2 + ZnHPO4 + FePO4磷化膜:Zn3(PO4)2; Zn2Fe(PO4)2 (4份水)磷化渣:ZnHPO4; FePO45、钝化处理原理:在磷化膜表面形成一层聚合物覆盖膜,这层覆盖膜能与磷化膜螯合。
作用:1、封闭磷化膜孔隙,提高耐腐蚀性能。
2、为后续油漆提供一个微酸性的表面,加强油漆与底材的结合力。
6、水洗以及烘干洗净工件表面的化学残留物,避免对下道工位的不良影响;。
脱脂及磷化处理技术教案磷化是大幅度提高金属表面耐腐蚀性的一个简单可靠、费用低廉、操作方便的工艺方法,因此被广泛的应用在实际生产中。
现代磷化工艺流程一般为:脱脂→水洗→除锈→表调→磷化→水洗→烘干。
~~~~~~~~~~~~~~~~~~~~~~~~~~~~~~~~~~~~~~~~~~~~~~~~~~~~~~~~~~~~~~~~~~~~~~~~~~~~1、1、脱脂钢材及其零件在储运过程中要用防锈油脂保护,一般合金在压力加工时要用到拉延油,林件在切削加工时要接触乳化液,热处理时可能接触冷却油,零件上还经常有操作者手上的油迹和汗迹,零件上的油脂还总是和灰尘等杂质掺和在一起的。
零件上的油脂不仅阻碍了磷化膜的形成,而且在磷化后进行涂装时会影响涂层的结合力、干燥性能、装饰性能和耐蚀性。
要脱去金属表面的油脂,首先就要了解油脂的有关性质:1、1、油污的性质和组成在选择脱脂方法和脱脂剂时,首先要了解金属表面所带的油污的性质和组成,只有这样,才能进行正确的选择,达到满意去油效果。
1、1、油污的组成(1)、矿物油、凡士林他们是防锈油、防锈脂、润滑油、润滑脂及乳化液的主要成分。
(2)皂类动植物油脂、脂肪酸等他们是拉延油的主要成分。
(3)防锈添加剂他们是防锈油和防锈脂的主要成分。
此外,金属屑、灰尘及汗渍等污物也会混杂在上述的油污中。
1、1、2油污的性质(1)化学性质根据油污能否与脱脂剂发生化学反应而分为可皂化油污和不可皂化油污。
植物油脂和动物油脂是可皂化的,他们可以依靠皂化、乳化和溶解的作用脱除。
矿物油和凡士林是不可皂化的,他们只能依靠乳化或溶解的作用来脱除。
(2)物理性质根据油污黏度或滴落点的不同,其形态有液体和半固体。
黏度越大或滴落点越高,清洗越困难。
根据油污对基体金属的吸附作用,可分为极性油污和非极性油污。
极性油污,如含有脂肪酸和极性添加剂的油污,有强烈的吸附在基体金属上的倾向,清洗较困难,要靠化学作用或较强的机械作用力来脱除。
脱脂(二)工程作业指导书
一、目的:
确定前处理脱脂工程参数及操作规范,以确保涂装质量。
二、适用范围:
涂装生产脱脂工序
三、脱脂槽工艺参数:
1、使用药剂及方法:
2、浓度检测:
用10ml移液管从脱脂槽中移取10.0ml槽液到三角烧杯中,滴加3-5滴BPB指示剂,再以0.3N H2SO4滴定之,溶液由蓝色变为黄色为终止点。
在这之间所消耗0.3N H2SO4之ml数即为全碱度,用TAL表示,1ml=1PT
3、配槽:
先往槽中注入90%体积水,加入800KG#1102脱脂剂,搅拌使之溶解,再加热到工艺温度。
4、槽液的调整和维护:
每班检测全碱度,若偏低则进行补加,补加约40KG#1102脱脂剂,全碱度升高1PT。
经长时间使用后,槽液老化,除油能力下降,这时即使添加脱脂剂,除油效果也无明显改善,此时需更新槽液,可进行油份测定,当油份大于2000ppm时,需要跟换槽液。
一般约6-12个月更新一次,换槽时要将槽内杂志清洗干净,液面油污也要及时进行打捞清理。
所谓磷化,是指把金属工件经过含有磷酸二氢盐的酸性溶液处理,发生化学反应而在其表面生成一层稳定的不溶性磷酸盐膜层的方法,所生成的膜称为磷化膜。
磷化膜的主要目的是增加涂膜附着力,提高涂层耐蚀性。
磷化的方法有多种,按磷化时的温度来分,可分为高温磷化(90-98℃),中温磷化(60-75℃),低温磷化(35-55℃)和常温磷化。
为提供良好的涂装基底,要求磷化膜厚度适宜,结晶致密细小。
中、高温磷化工艺,虽然磷化速度快,磷化膜耐蚀性好,但磷化膜结晶粗大,挂灰重,液面挥发快,槽液不稳定,沉渣多,而低、常温磷化工艺所形成的磷化膜结晶细致,厚度适宜,膜间很少夹杂沉渣物,吸漆量少,涂层光泽度好,可大大改善涂层的附着力、柔韧性、抗冲击性等,更能满足涂层对磷化膜的要求。
值得注意的是,过去一直认为磷化膜厚,涂装后涂层的耐蚀性高,磷化膜本身在整个涂装体系中并不单独承担多大的耐蚀作用,它主要起到使漆膜具有强粘附性,而整个涂层系统的耐蚀力则主要取决于漆膜的耐蚀力以及漆膜与磷化膜的优良配合所形成的强粘附力。
磷化液一般由主盐、促进剂和中和剂所组成。
过去使用的磷化液,大多采用亚硝酸钠(NaNO2)作促进剂,效果十分年、明显,但在NaNO2在磷化液中有很大危害:一是影响磷化液的稳定性,NaNO2在酸性条件下极不稳定,在极短的时间内就分解了。
因此,不得不经常添加。
NaNO2的这种特性,往往引起磷化液的主盐不稳定,磷化液沉淀较多,磷化膜挂灰严重,槽液控制困难,磷化质量不稳定;二是NaNO2是世界公认的致癌物质,长期接触危害人体健康,环境污染严重。
解决的方法:一是减少NaNO2的用量;二是寻找替代物。
配方:XH-1B 4%+H2O4、钝化磷化膜的钝化技术,在北美和欧洲国家被广泛应用,采用钝化技术是基于磷化膜自身特点决定的,磷化膜较薄,一般在1-4g/m2,最大不超过10g/m2,其自由孔隙面积大,膜本身的耐蚀力有限。
有的甚至在干燥过程中就迅速生黄锈,磷化后进行一次钝化封闭处理,可以是磷化膜孔隙中暴露的金属进一步氧化,或生成钝化层,对磷化膜可以起到填充、氧化作用,使磷化膜稳定于大气之中。
脱脂磷化工艺说明文件一、引言脱脂磷化是一种常用的金属表面处理工艺,用于提高金属表面的附着力和耐腐蚀性能。
本文将详细介绍脱脂磷化工艺的原理、操作步骤、工艺参数以及质量控制要点。
二、工艺原理脱脂磷化是通过在金属表面形成一层磷化膜,提高金属表面的粗糙度和附着力,从而增强涂层的附着力和耐腐蚀性能。
该工艺主要包括以下几个步骤:1. 表面清洗:使用碱性清洗剂去除金属表面的油污、灰尘等杂质。
2. 脱脂处理:使用脱脂剂去除金属表面的油脂,使表面干净、无油。
3. 酸洗处理:使用酸性溶液去除金属表面的氧化物,提高表面的活性。
4. 磷化处理:在酸洗后的金属表面形成一层磷化膜,增加金属表面的粗糙度和附着力。
5. 中和处理:使用中和剂中和金属表面的酸碱度,防止后续处理过程中产生不良反应。
6. 水洗处理:使用清水冲洗金属表面,去除残留的处理液和杂质。
7. 干燥处理:将金属表面进行干燥,以便后续涂层的施工。
三、操作步骤1. 准备工作:清洗工作区域,检查设备和工具是否完好,准备所需的化学药剂和试剂。
2. 表面清洗:将待处理的金属件放入清洗槽中,使用碱性清洗剂进行清洗,清洗时间约为15分钟。
3. 脱脂处理:将清洗后的金属件放入脱脂槽中,使用脱脂剂进行脱脂处理,脱脂时间约为30分钟。
4. 酸洗处理:将脱脂后的金属件放入酸洗槽中,使用酸性溶液进行酸洗处理,酸洗时间约为20分钟。
5. 磷化处理:将酸洗后的金属件放入磷化槽中,使用磷化剂进行磷化处理,磷化时间约为40分钟。
6. 中和处理:将磷化后的金属件放入中和槽中,使用中和剂进行中和处理,中和时间约为10分钟。
7. 水洗处理:将中和后的金属件放入水洗槽中,使用清水进行水洗处理,水洗时间约为15分钟。
8. 干燥处理:将水洗后的金属件放入干燥室中,进行干燥处理,干燥时间约为60分钟。
四、工艺参数1. 温度控制:脱脂、酸洗、磷化和水洗的温度应分别控制在40-60摄氏度。
2. 时间控制:每个步骤的处理时间应根据具体情况进行调整,但总处理时间不应超过2小时。
脱脂、酸洗、表调、磷化表面处理的技术介绍一. 脱脂、酸洗、表调、磷化常作为表面处理的预处理或中间处理工序二. 脱脂定义工件在进行化学成膜之前,必须先除去表面的油脂及附着在表面的灰尘、锈迹、金属细铁屑等污物,才能保证转化膜化学反应的顺利进行,使转化膜与金属基体牢固结合,获得质量优良的转化膜。
除油的方法包括机械法、化学法两类。
机械法主要是:手工擦刷、喷砂抛丸、火焰灼烧等。
化学法主要是:溶剂清洗、强碱液清洗、低碱性清洗剂清洗、酸性清洗剂清洗。
三.酸洗定义1.指清洁金属表面的一种方法。
通常与预膜(pre-passiviting treatment)一起进行。
一般将制件浸入硫酸等的水溶液,以除去金属表面的氧化物等薄膜。
是电镀、搪瓷、轧制等工艺的前处理或中间处理。
2. 方法说明1).利用酸溶液去除钢铁表面上的氧化皮和锈蚀物的方法称为酸洗。
氧化皮、铁锈等铁的氧化物(Fe3O4,Fe2O3,FeO等)与酸溶液发生化学反应,形成盐类溶于酸溶液中而被除去。
2).酸洗用酸有硫酸、盐酸、磷酸、硝酸、铬酸、氢氟酸和混合酸等。
最常用的是硫酸和盐酸。
在酸洗时务必加入酸洗缓蚀剂,防止酸对金属的腐蚀。
3).酸洗工艺主要有浸渍酸洗法、喷射酸洗法和酸膏除锈法。
一般多用浸渍酸洗法,大批量生产中可采用喷射法。
钢铁零件一般在10%~20%(体积)硫酸溶液中酸洗,温度为40℃。
当溶液中含铁量超过80g/L,硫酸亚铁超过215g/L时,应更换酸洗液。
常温下,用20%~80%(体积)的盐酸溶液对钢铁进行酸洗,不易发生过腐蚀和氢脆现象。
由于酸对金属的腐蚀作用很大,需要添加缓蚀剂。
清洗后金属表面成银白色,同时钝化表面,提高不锈钢抗腐蚀能力。
采用浓度为5%~20%的硫酸水溶液,清除工件表面氧化皮和粘附盐类的工艺称为硫酸酸洗法。
四.表调定义1.表调就是表面调整,是把工件放入装有表调液的槽子里进行表面调整处理的过程。
有人说我们的磷化液不需要表调,也可以做的很好,其实这种说法是完全错误的。
脱脂磷化工艺我在制造业的圈子里混了好些年了,见过各种各样的工艺,今天就想和你唠唠脱脂磷化工艺。
这可不是什么晦涩难懂的外星科技,而是在金属表面处理领域相当厉害的一种工艺呢。
你知道吗?金属这玩意儿,就像一个调皮的小孩,表面总是有些“小毛病”。
比如说,在加工过程中,它的表面会沾上油污啊,油脂就像一层脏兮兮的外套,紧紧地裹在金属表面。
这时候脱脂就闪亮登场了。
脱脂就好比是给金属表面来一场彻底的大扫除,把那些油污油脂统统赶走。
这脱脂的过程啊,就像是我们洗脸一样,得用合适的清洁剂。
对于金属来说,那就是脱脂剂啦。
脱脂剂就像一群勤劳的小清洁工,它们分子结构中的一些成分对油污有着超强的亲和力,一下子就把油污给拽下来了。
我有个朋友,在一家汽车零部件生产厂工作,他就跟我说,他们厂要是脱脂没做好,那后面的工序简直就是灾难。
他说:“你想啊,油污还在金属上,就好比你在脏桌子上画画,能画得好吗?”脱脂完成后,就到了磷化这一步。
磷化啊,可真是个神奇的步骤。
这就像是给金属表面穿上了一层坚固又漂亮的铠甲。
磷化液和金属表面发生化学反应,会生成一层磷化膜。
这磷化膜就像是金属的保护神,它不仅能够提高金属的耐腐蚀性,还能增强金属和后续涂层的附着力。
我曾经在一个小五金厂看到过这样的对比。
有一批五金件,一部分做了脱脂磷化处理,一部分没有。
过了一段时间,没做处理的那些五金件已经开始生锈了,就像生了病的老人,萎靡不振的。
而做了脱脂磷化处理的五金件呢,还是光亮如新,就像朝气蓬勃的年轻人。
那脱脂磷化工艺到底是怎么操作的呢?这可就有点复杂了。
不同的金属,不同的使用场景,工艺的参数都会有所不同。
比如说,温度就像一个调皮的精灵,在脱脂过程中,温度高一点,脱脂剂的活性可能就会强一些,但是也不能太高,不然脱脂剂自己可能都要被烤干了。
而在磷化过程中,温度同样重要,就像厨师做菜时火候的把握一样。
我认识一个老师傅,他搞脱脂磷化工艺都几十年了。
他跟我说:“这工艺啊,就像养孩子,得细心地照顾每个参数,一点都不能马虎。
磷化是一种化学与电化学反应形成磷酸盐化学转化膜的过程,所形成的磷酸盐转化膜称之为磷化膜。
磷化的目的主要是:给基体金属提供保护,在一定程度上防止金属被腐蚀;用于涂漆前打底,提高漆膜层的附着力与防腐蚀能力;在金属冷加工工艺中起减摩润滑使用。
1 基本原理
磷化过程包括化学与电化学反应。
不同磷化体系、不同其材的磷化反应机理比较复杂。
虽然科学家在这方面已做过大量的研究,但至今未完全弄清楚。
在很早以前,曾以一个化学反应方程式简单表述磷化成膜机理:
8Fe+5Me(H2PO4)2+8H2O+H3PO4
Me2Fe(PO4)2•4H2O(膜)+Me3(PO4)•4H2O(膜)+7FeHPO4(沉渣)+8H2↑
Me为Mn、Zn 等,Machu等认为,钢铁在含有磷酸及磷酸二氢盐的高温溶液中浸泡,将形成以磷酸盐沉淀物组成的晶粒状磷化膜,并产生磷酸一氢铁沉渣和氢气。
这个机理解释比较粗糙,不能完整地解释成膜过程。
随着对磷化研究逐步深入,当今,各学者比较赞同的观点是磷化成膜过程主要是由如下4个步聚组成:
①酸的浸蚀使基体金属表面H+浓度降低
Fe –2e→ Fe2+
2H2++2e→2[H] (1)
H2
②促进剂(氧化剂)加速
[O]+[H] → [R]+H2O
Fe2++[O] → Fe3++[R]
式中[O]为促进剂(氧化剂),[R]为还原产物,由于促进剂氧化掉第一步反应所产生的氢原子,加快了反应(1)的速度,进一步导致金属表面H+浓度急剧下降。
同时也将溶液中的Fe2+氧化成为Fe3+。
③磷酸根的多级离解
H3PO4+H2PO4-+H+ +HPO42-+2H+ +PO43-+3H-(3)
由于金属表面的H+浓度急剧下降,导致磷酸根各级离解平衡向右移动,最终为PO43-。
④磷酸盐沉淀结晶成为磷化膜
当金属表面离解出的PO43-与溶液中(金属界面)的金属离子(如Zn2+、Mn2+、Ca2+、Fe2+)达到溶度积常数K sp时,就会形成磷酸盐沉淀
Zn2++Fe2++PO43-+H2O→Zn2Fe(PO4)2•4H2O↓ (4)
3Zn2++2PO43-+4H2O=Zn3(PO4)2•4H2O↓ (5)
磷酸盐沉淀与水分子一起形成磷化晶核,晶核继续长大成为磷化晶粒,无数个晶粒紧密堆集形而上学成磷化膜。
磷酸盐沉淀的副反应将形成磷化沉渣
Fe3++PO43-=FePO4(6)
以上机理不仅可解释锌系、锰系、锌钙系磷化成膜过程,还可指导磷化配方与磷化工艺的设计。
从以上机理可以看出:适当的氧化剂可提高反应(2)的速度;较低的H+浓度可使磷酸根离解反应(3)的离解平衡更易向右移动离解出PO43-;金属表面如存在活性点面结合时,可使沉淀反应(4)(5)不需太大的过饱和即可形成磷酸盐沉淀晶核;磷化沉渣的产生取决于反应(1)与反应(2),溶液H+浓度高,促进剂强均使沉渣增多。
相应,在实际磷化配方与工艺实施中表面为:适当较强的促进剂(氧化剂);较高的酸比(相对较低的游离酸,即H+浓度);使金属表面调整到具备活性点均能提高磷化反应速度,能在较低温度
下快速成膜。
因此在低温快速磷化配方设计时一般遵循上述机理,选择强促进剂、高酸比、表面调整工序等。
关于磷化沉渣。
因为磷化沉渣主要是FePO4,要相减少沉渣量就必须降低Fe3+的产生量,即通过两个方法:降低磷化液的H+浓度(低游离酸度)减少Fe2+氧化成为Fe3+。
锌材与铝材磷化机理基本与上相同。
锌材的磷化速度较快,磷化膜只有磷酸锌盐单一组成,并且沉渣很少。
铝材磷化一般要加入较多的氟化合物,使之形成AlF3、AlF63-,铝材磷化步聚与上述机理基本相同。
磷化(Ⅱ)——磷化前的预处理
一般情况下,磷化处理要求工件表面应是洁净的金属表面(二合一、三合一、四合一例外)。
工件在磷化前必须进行除油脂、锈蚀物、氧化皮以及表面调整等预处理。
特别是涂漆前打底用磷化还要求作表面调整,使金属表面具备一定的―活性‖,才能获得均匀、细致、密实的磷化膜,达到提高漆膜附着力和耐腐蚀性的要求。
因此,磷化前处理是获得高质量磷化膜的基础。
1 除油脂
除油脂的目的在于清除掉工件表面的油脂、油污。
包括机械法、化学法两类。
机械法主要是:手工擦刷、喷砂抛丸、火焰灼烧等。
化学法主要:溶剂清洗、酸性清洗剂清洗、强碱液清洗,低碱性清洗剂清洗。
以下介绍化学法除油脂工艺。
1.1 溶剂清洗
溶剂法除油脂,一般是用非易燃的卤代烃蒸气法或乳化法。
最常见的是采用三氯乙烷、三氯乙烯、全氯乙烯蒸汽除油脂。
蒸汽脱脂速度快,效率高,脱脂干净彻底,对各类油及脂的去除效果都非常好。
在氯代烃中加入一定的乳化液,不管是浸泡还是喷淋效果都很好。
由于氯代卤都有一定的毒性,汽化温度也较高,再者由于新型水基低碱性清洗剂的出现,溶剂蒸汽和乳液除油脂方法现在已经很少使用了。
1.2 酸性清洗剂清洗
酸性清洗剂除油脂是一种应用非常广泛的方法。
它利用表面活性剂的乳化、润湿、渗透原理,并借助于酸腐蚀金属产生氢气的机械剥离作用,达到除油脂的目的。
酸性清洗剂可在低温和中温下使用。
低温一般只能除掉液态油,中温就可除掉油和脂,一般只适合于浸泡处理方式。
酸性清洗剂主要由表面活性剂(如OP类非离子型活性剂、阴离子磺酸钠型)、普通无机酸、缓蚀剂三大部分组成。
由于它兼备有除锈与除油脂双重功能,人们习惯称之为―二合一‖处理液。
常见的酸性清洗剂配方及工艺参数见下表。
工艺低温型中温型磷酸酸基型
工业盐酸(31%)20%~50% 0 0
工业硫酸(98%)0%~15% 15%~30% 0
工业磷酸(85%)0 0 10%~40%
表面活性剂
(OP类,磺酸类) 0.4%~1.0% 0.4%~1.0% 0.4%~1.0%
缓蚀剂适量适量适量
使用温度常量~45℃50~80℃常温~80℃
处理时间适当5~10min 适当<
盐酸、硫酸酸基的清洗剂应用最为广泛,成本低,效率较高。
但酸洗残留的Cl-、SO42-对工件的后腐蚀危害很大。
而磷酸酸基没有腐蚀物残留的隐患,但磷酸成本较高,清洗效率低些。
对于锌件,铝件一般不采用酸性清洗剂清洗,特别锌件在酸中的腐蚀极快。
1.3强碱液清洗
强碱液除油脂是一种传统的有效方法。
它是利用强碱对植物油的皂化反应,形成溶于水的皂化物达到除油脂的目的。
纯粹的强碱液只能皂化除掉植物油脂而不能除掉矿物油脂。
因此人们通过在强碱液中加入表面活性剂,一般是磺酸类阴离子活性剂,利用表面活性剂的乳化作用达到除矿物油的目的。
强碱液除油脂的使用温度都较高,通常〉80℃。
常用强碱液清洗配方与工艺如下:
氢氧化钠5%~10%
硅酸钠2%~8%
磷酸钠(或碳酸钠)1%~10%
表面活性剂(磺酸类)2%~5%
处理温度>80℃
处理时间5~20min
处理方式浸泡、喷淋均可
强碱液除油脂需要较高温度,能耗大,对设备腐蚀性也大,并且材料成本并不算低,因此这种方法的应用正逐步减少。
1.4低碱性清洗液清洗
低碱性清洗液是当前应用最为广泛的一类除油脂剂。
它的碱性低,一般pH值为9~12。
对设备腐蚀较小,对工件表面状态破坏小,可在低温和中温下使用,除油脂效率较高。
特别在喷淋方式使用时,除油脂效果特别好。
低碱性清洗剂主要由无机低碱性助剂、表面活性剂、消泡剂等组成。
无机型助剂主要是硅酸钠、三聚磷酸钠、磷酸钠、碳酸钠等。
其作用是提供一定的碱度,有分散悬浮作用。
可防止脱下来的油脂重新吸附在工件表面。
表面活性剂主要采用非离子型与阴离子型,一般是聚氯乙烯OP类和磺酸盐型,它在除油脂过程中起主要的作用。
在有特殊要求时还需要加入一些其它添加物,如喷淋时需要加入消泡剂,有时还加入表面调整剂,起到脱脂、表调双重功能。
低碱性清洗剂已有很多商业化产品,如PA30-IM、PA30-SM、FC-C4328、Pyroclean442等。
一般常用的低碱性清洗液配方和工艺如下:
浸泡型喷淋型
三聚磷酸钠4~10g/l 4~10g/l
硅酸钠0~10g/l 0~10g/l
碳酸钠4~10g/l 4~10g/l
消泡剂0 0.5~3.0g/l
表面调整剂0~3 g/l 0~3 g/l
游离碱度5~20点5~15点
处理温度常温~80℃40~70℃
处理时间5~20min 1.5~3.0min
浸泡型清洗剂主要应注意的是表面活性剂的浊点问题,当处理温度高于浊点时,表面活性剂析出上浮,使之失去脱脂能力,一般加入阴离子型活性剂即可解决。
喷淋型清洗剂应加入足够的消泡剂,在喷淋时不产生泡沫尤为重要。
铝件、锌件清洗时,必须考虑到它们在碱性条件下的腐蚀问题,一般宜用接近中性的清洗剂。