机械联锁操作机构使用说明书
- 格式:docx
- 大小:595.02 KB
- 文档页数:8
安装使用说明书Single & Double Poles Manual Disconnector Specification目录页码产品介绍 (1)适用围和采用标准 (1)产品工作条件和工作环境 (1)主要技术参数 (1)主要构成 (1)隔离开关安装 (2)电磁锁安装调整 (3)运行及维护 (3)包装运输与保管 (3)通常成套形式 (3)订货 (3)联系方式 (4)装箱单 (4)安装图 (5). . . . . . . . . . . . . . .. . . . . . . . . . .3~4位数字,产品的额定电流值。
Ⅱ-双极。
2~3位英文字母,见表1。
隔离开关、户外型。
额定电压。
标准设计序列。
号。
GW4-27.5 /□□□1.产品介绍1.1 产品名称:电气化铁道耐污型高压隔离开关。
1.2 型号详述 英文字母:1.3 常用组装件:1.3.1 手动操作:用作接触网设备时,配置短筒CS11(G)手力操作机构。
用作变电所设备或隔离开关动作需电气顺序联锁、位置信号的使用场所,配置长筒CS11(G)手力机构,通常带有8极空接点(4a,4b )的辅助开关一个,也可按使用要求增减节点对数。
1.3.2 万向节:通常为单十字联轴器,用于操作杆连接,可消除安装偏差造成的操作附加力。
1.3.3 电磁锁:以电信号为钥匙,锁体安装于手力机构的左上方或右上方,锁扣固定在操作杆上,可人为紧急开锁。
使用电磁锁可实现手力操作机构的电气闭锁。
2.适用围和采用标准 2.1 GW4-27.5系列户外交流隔离开关,是针对铁路牵引供电系统负荷特性而生产的标准化户外高压电器。
适用于额定电压为27.5kV 、55kV 、工频50Hz 的电气化接触网、变电所,实现电气回线在有电压无载流情况下的切换或电气安全隔离。
2.2 该产品严格规于企业标准,并符合国家标准:DLT 593-1996 《高压开关设备的共用订货技术导则》DL 486-92 《交流高压隔离开关订货技术条件》GB 5273-85 《变压器、高压电器和套管的接线端子》 GB 1985-2004《交流高压隔离开关和接地开关》 GB 763-90 《交流高压电器在长期工作时的发热》 GB 3309-89《高压开关设备常温下的机械试验》 GB 2706-89《交流高压电器动热稳定试验方法》 3.产品工作条件和工作环境 3.1 环境温度: -35℃~+40℃。
KYN44(VEZ)-12型铠装移开式交流金属封闭开关设备安装试验、操作使用维护手册广州白云电器设备股份有限公司2004年6月第一章产品简介KYN44(VEZ)-12型交流金属铠装移开式开关设备(以下简称开关柜)可双面维护,前面检修继电器室的二次元件,维护操作机构、机械联锁、传动部分及检修断路器;后面检修及维护主母线、电缆终端、联络母线等。
电缆室装有照明灯,前后门均安装有高压带电显示器,后门可同时实现机械和电气联锁。
1.1产品型号说明KYN44(VEZ)-囗/囗-囗户内铠装移开式开关柜额定短路开断电流(kA)额定电流(A)额定电压(kV)1.2开关柜技术参数1.3主开关——断路器手车装于柜内的手车根据用途可分为断路器手车、电压互感器手车、隔离手车、避雷器手车、计量手车,同类手车的高度和深度统一,相同规格的手车可以互换。
手车在柜内有断开/试验位置及工作位置,当手车移到工作位置时其动、静触头的插入深度≥25mm,当手车需移开柜体进行检查、维护时利用专用转运车取出。
断路器小车具有下列三种工作状态,即工作位置:主要回路及控制回路均已连接,并具有锁定装置和指示;试验位置:主要回路隔离,控制回路连能,并具有锁定装置和指示;隔离位置:主要回路及控制回路都断开,而且两者都有不能再连接。
1.4开关柜具备下列的联锁功能:1)当接地开关处于分闸位置时,断路器手车才能从隔离/试验位置移至工作位置;2)断路器手车在工作位置时,接地开关不能合闸;3)接地开关处于合闸位置时,断路器手车不能从试验位置移至工作位置;4)接地开关仅在断路器手车处于隔离/试验位置时才能操作;5)断路器手车在工作位置,二次插头被锁定不能拔除;6)断路器手车处于试验或工作位置,而没有控制电压,仅能手动分闸;7)无论断路器手车处于试验或工作位置,只要断路器合闸,手车就不能移动;8)只有当断路器手车处于试验位置时,断路器室门才能打开;9)只有当接地开关处于合闸位置时,前/后下门才能打开。
机械联锁操作机构1适用范围(户内柜体机械联锁操作机构)JS系列联锁操作机构,系户内柜体机械联锁操作机构,用于合、分操作的联锁装置。
机构采用机械联锁方式控制各项操作程序,能满足开关柜的“五防”及其他多种功能的要求,适用于XGN-12等固定式开关柜的各种线路方案和结构形式,可操作各种隔离开关,接地开关和负荷开关,并能与断路器、前后柜门锁、电磁(程序)锁及辅助开关联锁联动,可实现防误保护系统;是一种较先进,合理操作简便的操作机构。
2型号规格(括弧中字母为机构的辅助装置,不需要时不标注)TS O □ □ —(F)—CO-T T T 丁匸带电眩或程序锁装萱◎育z组装萱__________ 带辅朋开关装苴F2两2组黑苴_________________ 天表HE "F隔离* D表示下接地-------------------------------- 5表示上隔离D表示上捲地;P表------------------------ 示旁路隔离{旁路的有关方器见规格表)---------------------------- 联*贡操作机构标注示例:DSX-F C该机构表示可操作上接地、上隔离、下隔离并带一组辅助开关和一个电磁锁或程序联锁装置。
2.1户内柜体机械联锁操作机构的主要型号规格表4D-1104下接地下接地合、分操作5SX201上隔卜隔先合上隔后合下隔,先分下隔后分上隔6XS202卜隔上隔与序5程序相反09-12、17-20、25-30、34-367DS203上接地上隔闭锁合分61-678SD204下接地上隔闭锁合分02-04、13-169DX205上接地卜隔闭锁合分10XD206下接地下隔闭锁合分11SS207上隔上隔按先后程序同时合同时分12SS-1208上隔上隔可同时分、不可同时合13SS-2209上隔上隔可同时合、不可同时分14PS210旁路上隔同序号1115PS-1211旁路上隔同序号1216PS-2212旁路上隔同序号1317PS-3213旁路上隔P在运行时可合分、S分P合可检修18PS-4214旁路上隔S分时P无论处于合分均不能操作;S 合时P可操作P无论处于合分,S均可操作19DSX301上接地上隔卜隔按闭锁、程序合分05-08、21-25、31-33、37-3920DSD302上接地上隔下接地双闭锁合分21SXD303下接地上隔卜隔闭锁合分22DXD304上接地卜隔下接地双闭锁合分23DXS305上接地卜隔上隔接地分时先合下隔离后合上隔离(下进线)24PSX306旁路上隔卜隔旁路与主回路可同时分不可同时合25PSX-1307旁路上隔下隔旁路与主回路可同时合不可同时分26PSX-2308旁路上隔卜隔旁路与主回路可同时合同时分27PSX-3309旁路上隔卜隔主回路分时旁路可合分,SX分P合可检修28PSX-4310旁路上隔:卜隔与序号18相同29SSX311上隔上隔j[卜隔50/29,52/29,29/53,46/302.2户内柜体机械联锁操作机构的主要功能a. 每台机构可操作1 —3台隔离开关或接地开关b. 按程序操作上下隔离开关c. 按闭锁程序操作上下隔离开关和接地开关d. 按程序操作旁路隔离开关e •与断路器的操动机构联锁f •与柜门联锁和紧急解锁g. 与辅助开关联动h. 可安装电磁锁或程序锁的附加装置i .防误操作功能2.3当进出线需分段检修时,机构有解程功能(特殊加工)3结构与操作程序户内柜体机械联锁操作机构,由底座、操作盘、面板、切换手柄、牵引杆及程序联锁板等主要零部件组成,操作盘的合分动作分别于隔离开关、接地开关及断路器的操动机构实现机械联锁,每项操作均由机械联锁控制,具备安全可靠,操作灵活和防误操作等功能。
编号:XGN2-12高压开关柜使用说明书襄阳展宇电气有限公司XIANGFAN ZHANYU ELECTRIC CO.,LTD.公司地址:湖北省襄阳市春园西路101号技术服务:传真:(0710)3342898销售直拨:(0710)3343998 邮编:441000前言感谢您选用展宇电气XGN2-12型高压开关柜系列产品。
本说明书提供给用户安装、运行参数设定、异常诊断、日常维护及安全使用相关注意事项。
为了保证正确地安装及操作本产品,请在装机之前,详细阅读本使用说明书。
我们的服务就和我们的产品一样,全体员工一直坚信用户是上帝的原则。
如在使用过程中遇到解决不了的疑难问题,请联络本公司的各地经销商或直接与本公司联系。
产品购入后,请检查本产品是否因运输不慎而造成损伤;产品的规格、型号是否与订购产品的机种相符;有无合格标志等。
由于产品在不断地更新换代可能出现设备及产品的个别地方或文字与宣传资料不符,如果发现设备出现此种问题请咨询本公司。
拆箱后请检查设备前柜门内文件盒内的产品说明书。
如有问题,请与供货商联系。
希望用户妥善保管本说明书,这对今后的维护、保养以及其它应用的场合会有所俾益。
用户应将本说明书交给直接使用或操作人员手中,如需对本说明书存档,请与本公司联系,本公司将免费为您提供一套存档用说明书。
安全警告✧禁止野蛮搬运及安装,禁止雨淋,远离电磁干扰。
✧防止儿童和公众接触或接近本设备,本设备有危险电压。
✧本设备只能按照制造商规定的用途使用,未经授权的修改或不按本手册的规定操作可能会导致严重地人身伤害及其它伤害。
✧只有经过严格训练的专业操作人员及专业技术人员才能允许操作及维护本产品。
✧请在操作本设备前,认真阅读本手册中的所有安全说明安装操作和维护规程。
目录1、概述 (4)2、产品型号及含义 (4)3、主要技术数据 (4)4、结构概述 (6)5、使用说明 (7)6、安装 (7)7、维护要点 (8)8、包装、运输、存储和启封 (9)9、订货须知 (9)一、概述◆主要用途XGN2-12型高压开关柜,适用于3~10kV三相50HZ交流单母线系统,作为接受和分配电能用。
机械联锁----顾名思义就是通过机械装置或机构,实现设备启动或操作过程的联锁。
联锁的作用多是为了保证设备和人员的安全。
可以保证设备启动或操作过程按规定顺序进行,机械联锁装置一般只能实现简单的联锁。
“五防”保安全--高压开关柜机械联锁的探讨高压开关柜的"联锁"是保证电力网安全运行、确保设备和人身安全、防止误操作的重要措施。
GB3906-1991《3-35千伏交流金属封闭开关设备》对此作了明确规定。
一般把"联锁"描述为:防止误分、误合断路器;防止带负荷分、合隔离开关;防止带电挂(合)接地线(接地开关);防止带接地(开关)合闸;防止误入带电间隔。
上述五项防止电气误操作的内容,简称"五防"。
"五防"装置一般可分为机械、电气和综合三类。
目前,市场上高压开关梧类型很多,大多数都有较完善的联锁方式。
但仍有不少高压开关柜的联锁尤其是机械联锁不完善,尚不能完全达到"五防"要求。
为此,本文着重就机械联锁提出一些看法,与同仁探讨。
联锁实现方式在固定柜和手车柜中。
众所周知隔离开关无专门的灭弧装置,一般不能用来接通或切断负荷电流。
在固定柜中,断路器与隔离开关的联锁关系明确,即只有在断路器分断的情况下才能操作隔离开关,隔离开关和断路器之间的机械联锁关系较易实现。
如在CC-1A(F)中,为防止带负荷分、合隔离开关,常采用一个扇形撞块和圆板结构,与操作隔离开关的CS6-1机构上的弹性定位锁配合,在断路器合闸时,圆板阻止定位锁拔出,从而防止带负荷分闸。
但手车柜的情况有所不同,,手车迸出实际上相当于固定柜中隔离开类的合分操作,因而对隔离开关的联锁要求同样适用于手车的进出要求。
当手车在试验位置与工作位置之间移动时,必须保证断路器处于分闸状态,不得合闸,即应具有所谓的"合闸闭锁"。
在投运的各型手车柜中,"合闸"电气闭锁一般通过将反映手车位置的行程开关接点串入断路器的合闸回路中来实现。
1 概述VS1 (ZN63A)型户内高压真空断路器(以下简称断路器)是用于12 kV 电力系统的户内开关设备,作为电网设备、工矿企业动力设计的保护和控制单元。
由于真空断路器的特殊优越性,尤其适用于要求额定工作电流的频繁操作,或多次开断短路电流的场所。
断路器采用操动机构与断路器本体一体式设计,既可作为固定安装单元,也可配用专用推进机构,组成手车单元使用,其中固定式断路器可以增加相应的机械联锁,以满足配XGN2、GG1A、GGX等固定柜的需要。
2 型号的表达方式V S 1 - 12 / □-□真空断路器额定短路开断电流kA Vacuum circuit-breaker森源开关Senyuan Switch额定电流A产品设计序号额定电压kV3 产品依据的标准断路器符合GB 1984-2003《高压交流断路器》、JB 3855-1996《3.6 ~ 40.5 kV 户内交流高压真空断路器》、DL /T 403-2000《12~40.5 kV 高压真空断路器订货技术条件》标准要求,并符合IEC62271-100:2001的相关要求。
4 使用环境条件a)环境温度最高温度:+40ºC最低温度:-15ºCb)环境湿度日平均相对湿度:≤95%月平均相对湿度:≤90%日平均蒸气压:≤2.2×10-3 MPa月平均蒸气压:≤1.8×10-3 MPac)海拔高度:不超过1000m;d)地震烈度不超过8度;e)周围空气没有明显地受到尘埃、烟、腐蚀性和/或可燃性气体、蒸气或盐雾的污染。
注:超出以上正常使用环境条件的要求,需与厂方协商。
5 主要规格及技术参数主要规格及技术参数见表一(本表为配国产灭弧室的参数,配西门子、西屋等灭弧室的略有差异,此略)6 产品结构及工作原理6.1 主体结构断路器主体部分设置在由环氧树脂采用APG工艺浇注而成的绝缘筒内,这种结构能有效地防止包括外力冲击、污秽环境等外部因素对真空灭弧室的影响。
一、概述
JSXGN-12箱式柜机械闭锁(以下简称闭锁),是箱式柜用强制性的闭锁装置,采用机械联锁方式控制各个操作程序,满足开关设备“五防”功能的要求,功能的要求,具有操作方便、安全可靠等特点。
本闭锁适用于XGN-12箱型固定式金属封闭开关设备中各种接线方案和结构形式,并能分别与电磁操动机构、弹簧操动机构,F1辅助开关,程序锁,电磁锁联锁,加装电脑附件可实现微机联锁控制。
二、使用环境条件
1. 海拔高度:1000m。
2. 空气温度:上限+40℃,下限-25℃。
3. 相对湿度:日平均不大于95%,月平均不大于90%。
4. 无火灾、爆炸危险、严重污秽、化学腐蚀及剧烈震动的场所。
5. 地震烈度:不超过8度。
a. 每台机构可操作1-3项隔离和接地开关。
b. 操作上、下隔离开关程序闭锁。
c. 操作上、下隔离和接地开关程序闭锁。
d. 与断路器的操动机构及辅助开关联锁联动。
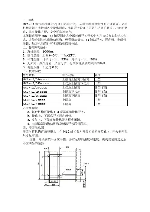
四、安装示意图
安装时将机构背面基座上4个M12螺栓套入开关柜机构安装孔内,开关柜开孔尺寸见右图。
注意:开关安装平面应平整,并有足够的强度和刚度,机构安装固定之后不应明显的倾斜。
司机控制器S640U-B CC.005型使用维护说明书版本:第2版批准总工校核开发部编制开发部姓名部门日期签名目录1 说明 (3)1.1产品描述 (3)1.2技术参数 (4)1.3工作原理 (5)1.4结构及技术说明 (5)2 检修和维护 (9)2.1 检修准备 (9)2.2 检修与维护 (10)2.2.1 检修与维护方法 (10)2.2.1.1 发光装置更换方法 (10)2.2.1.2弹片组件更换方法 (19)2.2.1.3 速动开关S847W2A2b的更换方法 (19)2.2.1.4 电位器输出值整定及电位器更换方法 (21)2.2.2 检修与维护时应注意的内容 (24)2.3 检修周期 (27)2.4 调试 (27)2.5 调试及退出调试 (28)2.6 常见故障处理与维护 (29)3 零件目录及备件采购 (29)3.1 零件目录 (29)1 说明1.1产品描述S640U-B CC.005司机控制器是HXD3C型电力机车司机用来操纵机车运行的主令控制器,是利用控制电路的低压电器间接控制主电路的电气设备。
用来控制机车的运用工况和行车速度。
该司机控制器符合TB1333-2002《机车电器基本技术条件》和TB/T1391-2007《机车司机控制器》。
司机控制器的特点与型号:该司机控制器的特点:结构紧凑、体积小、重量轻、高可靠、长寿命、少维修或免维修。
速动开关采用德国沙尔特宝公司先进的速动开关模块,速动开关为速动自净型、密封结构。
该司机控制器具有夜间档位显示功能。
司机控制器的型号规格为:S640U-B CC.005。
正常使用环境条件:a) 海拔不超过2500m;b) 使用环境温度在-25℃~40℃之间,最高周围空气温度见表1;表1 最高周围空气温度海拔 1400m及以下1400~2500m最高周围空气温度 40℃ 由40℃起,海拔每升高100m,递降0.5℃c) 温度保持40℃不变时,相对湿度为95%;温度从-25℃~+30℃快速变化时,相对湿度为95%,最大绝对湿度为30g/m3;d) 振动和冲击条件按TB/T 1391-2007的规定;e) 污染条件按TB/T 1391-2007的规定;f) 过电压条件按TB/T 1391-2007的规定;g) 装在有防雨、雪、风、沙的车(箱)体内。
浅析 10kV 高压开关柜的机械联锁摘要:机械联锁在 10kV 高压开关柜起着至关重要的作用,能够确保设备和人员的安全,防止误操作,进而能够确保电网的稳定可靠运行。
介绍了机械联锁中断路器与隔离开关的联锁实现,阐述了 10kV 高压开关柜断路器隔离开关的操作顺序,同时对联锁方式进行了探讨。
关键词:高压开关柜联锁方式机械联锁完整性1.概述为了防止现场操作人员无意识地实施错误的操作从而导致事故,除了加强对操作人员的培训以及实施工作票制度,我们还应在开关柜的设计中加入强制联锁装置或采取提示性措施。
对于高压开关柜而言需提供五种防止误操作功能,简称五防联锁:1、防止误分误合断路器;2、防止带负荷分合上下隔离开关或带负荷推入拉出断路器手车;3、防止带电操合接地开关或挂接临时接地线;4、防止带有临时接地线或接地开关合闸时送电;5、防止人误入带电间隔。
为达到联锁实现,通常有以下几种方式机械联锁、?C 械程序锁、电磁锁、带电显示装置。
机械联锁:优点是可靠性高,但缺点零部件结构复杂,对加工工艺要求较高有些情况下很难实现;机械程序锁:优点是结构非常简单很容易实现,缺点但由于存在万能钥匙很难完全避免操作人员误操作。
而且这一方式无法适应无人值守变电站的要求;电磁锁:优点是机械联锁、机械程序锁都无法实现的情况下可考虑。
缺点由于电磁锁、分压瓷瓶传感器和导线均有损坏的可能还需外部电源供电可靠性差;带电显示装置:只能算是提示性措施毫无可靠性可言一般不推荐使用。
目前,我国 10kV 配电设备通常使用的开关设备都是金属封闭式设备,例如高压进出线柜、高压隔离柜、高压压变柜和所用变柜等。
变电所运行人员操作最为频繁的一种设备就是高压开关柜,所以 10kV 高压开关柜的机械联锁对于确保设备的安全运行,确保人员安全,预防误操作有着非常重要的作用,也是确保电网稳定安全运行的重要措施。
10kV 高压开关柜机械联锁是在其操作部位之间用互相联动和制约的机械结构来达到先后动作的闭锁要求, 10kV 高压开关柜机械联锁操作时不需要利用钥匙等进行辅助操作,能够随着操作顺序的正确进行,实现自动解锁。
JSXGN-12操作联锁机构(机械闭锁)
产品概述:JSXGN-12操作联锁机构(机械闭锁)适用于XGN2-12、XGN17-35、HGN66-12、GG-1A箱型固定式多属封闭开关设备各种接线方案和结构形式,可操作各种隔离开关,接地开关和负荷开关,并能与断路器、前后柜门锁、电磁(程序)锁、微机挂锁及辅助开关连锁联动,实现防误保护系统,是一种较为先进、合理、操作简便的操作机构。
使用环境条件
◎海拔高度:安装地区海拔不高于1000m。
◎周围空气温度:上限+40℃,下限-10℃。
◎相对湿度:日平均值不大于95%;月平均不大于90%。
◎污秽等级:Ⅱ级。
◎地震烈度:不超过8度。
订货须知
1.注明型号规格,数量(必要时提供机构的操作功能)。
2.备品配件的名称、规格、数量。
3.特殊规格的功能内容,操作及方向。
4.机构的面板为1.5-2mm厚的镜面不锈钢板、表面零件为镀铬处理。
如有特殊要求时就注明。
—安全产品安全锁GKey产品手册阅读和理解本文档使用产品前,请阅读和理解本文档。
如果您有任何问题或意见,请咨询 ABB Jokab Safety 代表。
适用性ABB Jokab Safety 对于客户应用中的产品组合或产品使用是否符合相应的任何标准、法令或法规不负责任。
产品的第三方认证文件可在https:///low-voltage/products/safety-products上获得。
仅凭此信息不足以完全确定产品是否适用或是否适合与最终产品、机器、系统或其他应用一起使用。
以下是一些必须特别注意的应用示例。
这不是产品的所有可能用途的完整列表,也不表示列出的用途可能适合产品:•室外使用、涉及可能的化学污染或电气干扰的使用,或者本文档中未介绍的情况或用途。
•核能控制系统、燃烧系统、铁路系统、航空系统、医疗设备、娱乐游戏机、车辆以及受单独的行业或政府法规约束的系统。
•危及生命财产安全的系统、机器和设备。
请了解并遵守产品的所有使用禁忌。
对于严重危及生命财产安全且无法确保整个系统的设计可排除该风险以及 ABB JOKAB SAFETY 产品具有正确的额定值并正确安装在整个设备或系统内按预定用途使用的应用,切勿使用该产品。
目录1简介 (4)范围 (4)目标读者 (4)阅读前提.................................................................................... Error! Bookmark not defined.特殊事项 (4)2概述 (5)一般说明 (5)安全信息 (5)3安装 (6)安装注意事项 (6)安装 (6)3.2.1机械安装 (6)3.2.2安装后检查 (6)3.2.3安装参考范例 (7)4电气接头 (8)5功能 (9)一般功能 (9)RFID 编码 (9)逃生释放 (9)手动解锁功能(辅助解锁) (9)闭锁功能 (10)LED诊断 (10)复位说明– RFID 执行机构 (11)5.7.1使用内部复位按钮复位 (11)5.7.2使用外部复位输入进行复位(终端“ER”) (11)6维护 (12)7模型概述 (13)GKey系列 (13)按钮指示装置 (13)尺寸 (14)8技术参数 (15)9EC 符合标准声明 (17)1简介范围该原始说明旨在介绍GKey安全锁并提供安装和使用所需的必要信息。
KYN28-12铠装中置式金属封闭开关设备使用说明书千福安电气技术电话:02网址:.qfadq.地址:市白云区建设南路泰和花园KYN28-12使用说明书型号:KYN28-12一产品概述及适用围铠装中置式金属封闭开关设备(以下简称开关柜)是大亚电器集团在吸收国外先进制造技术的基础上自行设计开发的新型产品,可取代各种老型的金属封闭开关设备, 如 KYN1-10,JYN2-10,GBC-10等系列产品.其产品具有以下明显优点:二产品优点1.1 产品的外壳完全是由覆铝锌钢板经机床加工多重折弯成形后用螺栓组装而成,具有很高的机械强度,有效地保证了产品的整齐和美观,柜门采用喷塑涂覆,具有较强的抗冲击和耐腐蚀能力.产品外壳具有IP4X级的防护等级。
1.2 本产品的主开关可配置ABB公司生产的VD4型真空断路器,C3系列固定式负荷开关,同时也可配置多种国产系列真空断路器(如VS1,VH1,VK,ZN28),以取代国外同类产品。
1.3 无论是选用何种断路器,其裸导体空气绝缘距离均能保证大于125mm,复合绝缘大于60mm.其断路器均具有长寿命,高参数,少维护,体积小的独特优点.KYN28-12铠装中置式金属封闭开关设备适用于3.6~12kV三相交流50Hz电网,作为接受和分配电能,并对电路实行控制,监测和保护之用.可用于单母线,单母线分段系统或双母线系统.开关设备符合IEC298《额定电压1kV以上52kV及以下交流金属封闭开关设备和控制设备》,IEC694《高压开关控制设备共用条款》,我国GB3906《3-36kV交流金属封闭开关设备》及DL404《户交流高压开关柜订货条件》,德国DIN.VDE0670《额定电压1kV以上的交流开关设备》等标准的要求.并且具有完善,可靠的防误操作功能。
三 KYN28-12型号含义K Y N 28-12 /□│││││└──────额定电流││││└───────额定电压(KV)│││└─────────设计序号││└──────────户│└───────────移开式└────────────铠装式金属封闭开关设备四技术参数断路器及操作机构的技术参数五开关柜结构特点开关设备按GB3906-91中的铠装金属封闭开关设备而设计.开关柜由固定的柜体和可抽出部件(简称手车)两大部分组成,柜体的外壳和各功能单元的隔板均采用螺栓联接.开关柜外壳防护等级为IP4X,断路器室门打开时的防护等级为IP2X.开关柜可配用真空断路器手车,也可配用固定式负荷开关.具有架空进(出)线,电缆出线及其它功能方案。
CJ6B电动机操动机构安装使用说明书西安整高电器开关制造有限公司X i’an ZhengGao electric switch manufacturing Co.,LTD一、概述CJ6B电动机操动机构是我公司继CJ6A电动机操动机构之后又一系列隔离开关用电动机操动机构。
本产品具有结构简单、功能可靠、体积小、重量轻、噪音低等优点。
本产品符合GB1985-89《交流高压隔离开关和接地开关》。
产品可10年免维修。
本产品适合126Kv高压隔离开关、接地开关电动操作使用。
二、技术参数1.适用于高压隔离开关及接地开关的参数详见表1表12.电动机操动机构的额定参数见表2表23.适用环境:3.1 海拔高度:一般≤1000m;特殊情况≤2500m;3.2 环境温度:上限+400C 下限-250C,极限最低温度-400C;3.3 相对湿度:95%RH;3.4 地震烈度:能满足8度的要求;3.5 覆冰厚度:不大于20mm;3.6 污秽等级:III级;3.7 不适用于有易燃物质、爆炸危险、化学腐蚀及剧烈振动场所。
三、操动机构特点1.实用性强1.1 机构接通电源就能在‘就地’或‘远方’进行操作,一台电机通过两级蜗轮减速器输出转矩,就可驱动隔离开关或接地开关准确、可靠地实现合闸、分闸动作。
1.2 利用行程(微动)开关控制操动机构输出转角或它运行的最终位置。
利用蜗杆蜗轮传动保证需要的输出转矩和速度,本机构操作平稳、冲击力小,噪音低,并具有可靠的自锁性。
1.3 本机构可分别实现电动和手动操作,电动和手动能互锁。
1.4 箱体为冷轧钢板喷塑处理(或根据用户要求采用不锈钢板)铆接结构。
其外形美观、结构合理,具有可靠的防水、防尘、防腐及防锈蚀性。
对各种地域均能适应,与传统的焊接和螺栓连接结构相比,更为轻巧和美观。
2.经济性2.1 只需电源电压就能操作,不需其它附属设备;2.2 机构零部件标准化程度高,便于加工制造;2.3 产品价格合理。
联锁操作规程联锁操作规程是指在生产过程中对设备或工艺环节进行限制与控制的一种管理方式,旨在保证设备的安全运行和产品的质量。
以下是关于联锁操作规程的1200字详细介绍:一、概述联锁操作规程是根据工艺流程和设备特性制定的一套操作准则,通过设置各种联锁机构,限制和控制操作的步骤和条件,防止操作失误,减少事故的发生,保证生产安全和质量。
二、联锁目的1. 保护设备:通过联锁机构的设置,能够有效地防止设备的错误操作,保护设备免受不必要的损害。
2. 提高安全性:联锁操作规程能够明确各种操作的顺序和步骤,有效地防止操作人员的失误和不当行为,提高生产过程的安全性。
3. 保证产品质量:通过联锁操作规程的执行,可以确保操作的准确性和一致性,减少因操作失误而造成产品质量问题。
三、联锁机制1. 机械联锁:采用物理机构实现设备操作的控制,如按钮、阀门等的互锁装置。
2. 电气联锁:利用电气控制系统实现设备操作的控制,如电气接线、感应器、控制开关等。
3. 逻辑联锁:通过逻辑控制系统对设备的操作进行限制控制,如PLC、微机控制器等。
四、联锁操作规程的编制1. 了解设备特性:首先需要详细了解设备的结构、工作原理和动作规律,明确需要设置联锁机构的位置和方式。
2. 分析操作过程:对每一个操作步骤进行分析,确定联锁操作的先后顺序,明确操作所需的条件和约束。
3. 制定联锁条件:根据设备特性和操作过程,制定联锁条件,明确操作的限制条件和安全措施。
4. 设计联锁机构:根据联锁条件,设计并布置相应的联锁机构,确保机构的可靠性、稳定性和实用性。
5. 制定操作规程:根据联锁机构的设置和操作要求,制定详细的操作规程,并加以测试和验证,确保规程的正确性和可行性。
五、联锁操作规程的执行1. 操作前检查:在进行操作之前,必须仔细检查设备和联锁机构的状态,确保操作前的准备工作已经完成。
2. 操作顺序:按照联锁操作规程的步骤和要求进行操作,禁止跳过任何步骤或以错误的顺序进行操作。
1 适用范围(户内柜体机械联锁操作机构)
JS系列联锁操作机构,系户内柜体机械联锁操作机构,用于合、分操作的联锁装置。
机构采用机械联锁方式控制各项操作程序,能满足开关柜的“五防”及其他多种功能的要求,适用于XGN-12等固定式开关柜的各种线路方案和结构形式,可操作各种隔离开关,接地开关和负荷开关,并能与断路器、前后柜门锁、电磁(程序)锁及辅助开关联锁联动,可实现防误保护系统;是一种较先进,合理操作简便的操作机构。
2 型号规格(括弧中字母为机构的辅助装置,不需要时不标注)
标注示例:DSX-F.C该机构表示可操作上接地、上隔离、下隔离并带一组辅助开关和一个电磁锁或程序联锁装置。
5 SX 201 上隔下隔先合上隔后合下隔,先分下隔后分上隔
6 XS 202 下隔上隔与序5程序相反09-12、17-20、25-30、34-36
7 DS 203 上接地上隔闭锁合分61-67
8 SD 204 下接地上隔闭锁合分02-04、13-16
9 DX 205 上接地下隔闭锁合分
10 XD 206 下接地下隔闭锁合分
11 SS 207 上隔上隔按先后程序同时合同时分
12 SS-1 208 上隔上隔可同时分、不可同时合
13 SS-2 209 上隔上隔可同时合、不可同时分
14 PS 210 旁路上隔同序号11
15 PS-1 211 旁路上隔同序号12
16 PS-2 212 旁路上隔同序号13
17 PS-3 213 旁路上隔P在运行时可合分、S分P合可检修
18 PS-4 214 旁路上隔S分时P无论处于合分均不能操作;S 合时P可操作
P无论处于合分,S均可操作
19 DSX 301 上接地上隔下隔按闭锁、程序合分05-08、21-25、31-33、37-39
20 DSD 302 上接地上隔下接地双闭锁合分
21 SXD 303 下接地上隔下隔闭锁合分
22 DXD 304 上接地下隔下接地双闭锁合分
23 DXS 305 上接地下隔上隔接地分时先合下隔离后合上隔离(下进线)
24 PSX 306 旁路上隔下隔旁路与主回路可同时分不可同时合
25 PSX-1 307 旁路上隔下隔旁路与主回路可同时合不可同时分
26 PSX-2 308 旁路上隔下隔旁路与主回路可同时合同时分
27 PSX-3 309 旁路上隔下隔主回路分时旁路可合分,SX分P合可检修
28 PSX-4 310 旁路上隔下隔与序号18相同
29 SSX 311 上隔上隔下隔50/29,52/29,29/53,46/30
2.2 户内柜体机械联锁操作机构的主要功能
a.每台机构可操作1—3台隔离开关或接地开关
b.按程序操作上下隔离开关
c.按闭锁程序操作上下隔离开关和接地开关
d.按程序操作旁路隔离开关
e.与断路器的操动机构联锁
f.与柜门联锁和紧急解锁
g.与辅助开关联动
h.可安装电磁锁或程序锁的附加装置
i.防误操作功能
2.3当进出线需分段检修时,机构有解程功能(特殊加工)
3 结构与操作程序
户内柜体机械联锁操作机构,由底座、操作盘、面板、切换手柄、牵引杆及程序联锁板等主要零部件组成,操作盘的合分动作分别于隔离开关、接地开关及断路器的操动机构实现机械联锁,每项操作均由机械联锁控制,具备安全可靠,操作灵活和防误操作等功能。
3.1机构的切换手柄从左至右分别为检修—工作—操作三个档位,操作时水平拉出少许左旋45°为检修位,垂直(中间)为工作位,每个档位均能自行定位。
3.2分闸操作(由工作至检修)
当开关柜在工作时,即上下隔离开关及断路器处于合闸,接地开关分闸时,前后柜门已闭锁,切换手柄于“工作”挡位。
3.2.1分上下隔离开关:按程序先分断路器,切换手柄旋至“操作”位,操作手柄插入(先下隔离后上隔离)操作盘孔内向上推动少许揿下定位键向上拉至分闸位。
3.2.2挂接地:操作手柄插入接地开关操作盘孔内下压少许揿下定位键向上推至合闸位,切换手柄旋至“检修”位,打开前柜门取出(旋转)门内壁程序锁钥匙开启后柜门即可进行检修。
3.3合闸操作(由检修至工作)
当开关柜在分断时,即接地开关合闸,上下隔离开关及断路器处于分闸状态时,在检修完毕,关锁后柜门将程序锁钥匙于前门壁后,并锁前柜门,切换手柄由“检修”旋至“操作”位。
3.3.1分接地:操作手柄插入接地开关操作盘孔内向上推动少许揿下定位键向下拉至分闸位。
3.3.2合隔离开关:操作手柄插入(先上隔离后下隔离,下进线柜相反)操作盘孔内下压少许揿下定位键向上推至合闸位,切换手柄旋至“工作”位,操作完毕即可合断路器。
3.4解锁操作
在机构德右边设有紧急解锁装置及标志,当需要紧急打开前柜门时,将解锁钥匙(专用)插入钥匙孔内逆时针旋转180°即可打开前柜门,取出钥匙的同时顺时针旋转180°使解锁迅即复位。
4 安装与调试
4.1户内柜体机械联锁操作机构的外形与安装尺寸见图
4.2户内柜体机械联锁操作机构的附件(与断路器联锁各厂不尽相同仅供参考)见图
4.3安装前应检查机构的型号规格是否正确,整机应完好,转动灵活,动作可靠,附配件齐全,确认后方可进行安装。
4.4户内柜体机械联锁操作机构与柜体用M12螺栓紧固,锁杆与门锁扣(附件)孔应配合正确,伸缩灵活,切换手柄于“检修”挡位时前柜门应能顺利打开,其他挡位均不能打开(紧急解锁除外)。
4.5连接开关的拉杆(用户自备)与机构的可调接套连接,通过可调接套的调整可使开关的合分位置正确(拉杆的拉力不可过大否则会影响机构的定位键和操作盘的操作力),调整后应拧紧放松螺母。
4.6当操作机构时,操作盘上的合分定位槽应能被定为销锁定,且动作灵活可靠。
4.7机构与断路器的操作机构的连接杆(附件)为可调式,当需伸长或缩短时可调节中间的接套,使其与断路器联锁可靠。
4.8当操作手柄(可卸式)作合分(推位)操作时应先反向用力以便定位销顺利脱扣,待脱扣后再作快速合分操作。
4.9安装调试后应使机构操作程序,动作可靠,位置正确连接部位无松脱,转动部位无卡滞及操作无强扭现象。
4.10安装调试后按第3条的要求进行合分操作数5次,必要时再进行调整直至符合第3条的要求,然后作2次非程序操作,所有动作及功能均不能实现。
5 注意事项
5.1用户应按开关设备的线路方案选用本户内柜体机械联锁操作机构的型号规格或工厂代号,对有特殊要求的应协商加工,订货时对型号规格应标注正确、完整,必要时应有文字说明。
5.2本机构为强制性机械联锁装置,应严格按规定的程序操作,不得违规或借助外力操作。
5.3对转动、连杆和紧固零件应定期检查、维护或更换,对转动部分应注润滑油。
6 订货须知
a 注明型号规格或工厂代号、数量;
b 特殊要求的应注明主要功能要求及尺寸要求。
c 注明运输方式要货时间等。
JS型户内柜体机械联锁操作机构尺寸图
JS型户内柜体机械联锁操作机构安装尺寸图
JS2型户内柜体机械联锁操作机构外形及安装尺寸(适用于大电流及各种开关型号)
JS、JS2户内柜体机械联锁操作机构的开孔尺寸
户内柜体机械联锁操作机构与CT19联锁安装示意图(后视)。