电压与电流参数的测量共83页
- 格式:ppt
- 大小:7.97 MB
- 文档页数:83
测量电路中的电流和电压电流和电压是电路中最重要的两个物理量,对于电路的分析和设计非常关键。
本文将介绍测量电路中的电流和电压的方法和技巧。
一、直流电路中的电流测量方法直流电路中的电流测量方法较为简单,一般可使用毫伏表或电流表进行测量。
下面将分别介绍两种方法:1. 毫伏表法毫伏表是一种测量小电流的仪器,通常用于测量电路中的微弱电流。
其工作原理是通过将一个高稳定的内阻与电路串联,利用欧姆定律测量电压并计算所需的电流值。
具体操作如下:- 将毫伏表的正负极分别接入电路中的测量位置;- 确保毫伏表的量程适合待测电流,避免过量程或超出量程造成的错误;- 读取毫伏表上显示的电压数值,并利用欧姆定律计算电流值。
2. 电流表法电流表是一种专门用于测量电流的仪器,其内部一般连接有一个低阻抗的电流互感器。
使用电流表测量电路中的电流需要将其串联在待测电路中,并根据电流表的量程选择合适的量程档位进行测量。
具体操作如下:- 将电流表的正负极分别接入电路中的测量位置,并确保连接正确;- 根据电流表的量程选择合适的量程档位,以避免过载或低灵敏度;- 读取电流表上显示的电流数值,即为待测电路中的电流值。
二、交流电路中的电流测量方法交流电路中的电流测量相对复杂一些,需要考虑到交流电压的幅值和频率等因素。
一般可采用示波器、电流表和电阻的组合来进行测量。
下面将介绍两种常用的方法:1. 示波器法示波器是一种用于观察和测量周期性信号的仪器,可以直观地显示电流和电压的波形。
使用示波器测量电流的方法是将待测电路中的电流引出与示波器相连,通过示波器的屏幕上显示的波形来判断和测量电流的大小。
具体操作如下:- 将示波器的地线接入待测电路的共地点,以确保参考电位一致;- 将待测电路中的电流引出,并通过示波器的输入通道连接;- 调整示波器的时间基准和电压基准,以合适的波形显示电流的幅值和频率。
2. 电流互感器法电流互感器是一种专门用于测量交流电流的设备,可以将高电流转换为低电流,并通过测量低电流来得到高电流的数值。
电压电流的有效值测量1. 介绍电压(Voltage)和电流(Current)是电路中最基本的参数,对于电路的分析和设计具有重要的意义。
在实际应用中,我们通常关心电压和电流的有效值,它们反映了电压和电流的平均功率。
本文将详细介绍电压电流有效值的测量方法和相关知识。
2. 电压电流的概念电压是指电位差,在电路中表示为V,单位是伏特(V)。
它代表了单位正电荷在电路中所具有的能量。
电流是指电荷在单位时间内通过某个截面的量,在电路中表示为I,单位是安培(A)。
它代表了单位时间内通过截面的电荷量。
3. 电压电流的波形在实际应用中,电压和电流都是随时间变化的,通常呈现为连续的波形。
例如,交流电压和交流电流的波形为正弦函数。
正弦波的周期T表示一个完整的波形所经历的时间,频率f表示每秒钟所发生的周期数,频率和周期之间有如下关系:f=1/T。
4. 电压电流的峰值电压和电流的峰值是表示它们最大值的指标,在实际测量中非常重要。
对于正弦波,峰值等于有效值(约等于0.707)乘以根号2。
例如,220V交流电压的峰值约等于311V。
5. 电压电流的平均值电压和电流的平均值是在一个完整周期内所有值的总和的平均值。
对于正弦波,平均值为0。
因此,对于交流电压和电流的分析,通常使用的是有效值,即RMS(Root Mean Square)值。
6. 电压电流的有效值电压和电流的有效值是表示其平均功率的指标。
对于正弦波,有效值等于峰值乘以约0.707。
例如,220V交流电压的有效值约为155.7V。
7. 电压电流有效值的测量方法测量电压和电流的有效值有多种方法,下面介绍两种常见的测量方法。
方法一:使用示波器测量示波器是一种用于显示电压和电流波形的仪器,通过示波器可以直接读取波形的峰值和有效值。
示波器通常配备有测量功能,可以在显示屏上直接测量出电压和电流的有效值。
方法二:使用万用表测量万用表是一种常用的电工仪器,可以测量电压、电阻、电流等多种参数。
电流和电压的测量方法电流和电压是电学中两个基本的物理量,它们的准确测量对于电路的设计和故障排查至关重要。
本文将介绍一些常见的电流和电压的测量方法,并对其原理和步骤进行详细解释。
一、电流的测量方法电流的测量是电路分析和设计的基础,下面将介绍两种常用的电流测量方法。
1. 电流表测量法电流表是直接测量电流的仪器,按照量程分为模拟式和数字式两种。
下面以数字式电流表为例进行说明。
(1)接线方法首先将电流表的两根线分别接到待测电路的测量点,保证极性正确。
应注意电流表内部的电阻很小,接线时要保证电路的安全。
(2)量程选择根据待测电流的估计范围,选择合适的电流量程。
电流表的量程应大于待测电流,但也要注意不要设置过大的量程,以免电流表过载。
(3)读数记录待测电路正常工作后,观察数字显示屏,并记录所测得的电流值。
2. 电压法测量电流较大或无法接入电流表的电路,可以使用电压法来间接测量电流。
(1)外接电阻法在待测电路的电路中串联一个已知阻值的电阻(如1欧姆)。
通过测量电阻两端的电压,再结合欧姆定律(U = R × I),可以由电压计算出电流值。
(2)霍尔效应测量法利用霍尔元件,通过测量磁场的变化来求解电流。
这种方法适用于测量较大电流。
二、电压的测量方法电压的测量对于电路工程师来说是常见的任务,下面将介绍几种常用的电压测量方法。
1. 电压表测量法电压表是直接测量电压的仪器,按照量程分为模拟式和数字式两种。
以下以数字式电压表为例进行说明。
(1)接线方法将电压表的两根线分别接到待测电路的测量点,保证极性正确。
应注意电压表的量程应大于待测电压,但也要注意不要设置过大的量程,以免电压表过载。
(2)量程选择根据待测电压的估计范围,选择合适的电压量程。
电压表的量程应大于待测电压,但也要注意不要设置过大的量程,以免电压表过载。
(3)读数记录待测电路正常工作后,观察数字显示屏,并记录所测得的电压值。
2. 示波器测量法对于复杂的电压波形或交流电压,可以使用示波器进行测量。
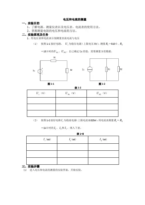
电压和电流的测量
一、实验目的
1、了解电源、测量仪表以及电压表、电流表的使用方法。
2、掌握测量电阻的电压和电流的方法。
二、实验原理及任务
1、用电压表和电流表分别测量直流电流与电压
(1) 按图1-1接好电路,s U 为稳压电源(上限电压5V ),测量1R =510Ω、2
R =1K Ω时的1R U 、2R U ,自己确定Us 的值,需要测量3组数据。
图1-1
图1-2
表1-2
(2) 按图1-2接好电路s I 为稳流电源(上限电流0.025A ),用电流表测量1R =2
R =1k Ω时的1I 、2I 和s I ,填入下表。
表1-3
(1) 进入电压和电流的测量的实验界面,开始实验。
件
电阻值为510欧,右边电阻值为1000欧),点击确认即可。
器件的参数修改基本类似。
检查器件连接完整以后,选择工具栏的“运行实验”。
接着会出现一个对话框,点击确认即可。
此时,界面中心将显示正在计算中。
待“正在计算中…”的字样消失以后,双击电压表,显示电压表示数。
接着可以直接修改电压源参数值,设置完成后等待几秒,点击电压表查看示数,记录相关参数。
最后点击停止实验,清空实验场景,以方便进行其他操作。
(3)测量电流与测量电压步骤相同,不再赘述。