施工现场质量管理检查记录表51863
- 格式:doc
- 大小:92.00 KB
- 文档页数:24
施工现场质量管理检查记录表1. 项目概述本次文档记录了施工现场质量管理的检查情况。
该记录表旨在对施工现场的质量管理工作进行全面的检查和评估,以确保施工过程中的质量控制和施工质量的持续改进。
2. 检查详情2.1 检查时间检查日期:[日期]2.2 检查人员检查人员:[姓名]2.3 检查对象检查对象:施工现场质量管理工作3. 检查内容3.1 建设单位管理3.1.1 施工管理人员序号施工管理人员是否符合要求备注1233.1.2 现场施工组织管理序号现场施工组织管理是否符合要求备注1233.2 质量管理3.2.1 施工质量控制序号施工质量控制是否符合要求备注1233.2.2 材料使用管理序号材料使用管理是否符合要求备注1233.3 安全管理3.3.1 安全生产措施序号安全生产措施是否符合要求备注1233.3.2 现场人员安全保护序号现场人员安全保护是否符合要求备注1234. 检查结果4.1 总体评价检查项目是否合格备注建设单位管理质量管理安全管理4.2 问题整理在本次检查中,发现以下问题:1.问题一的描述2.问题二的描述3.问题三的描述5. 后续措施根据本次检查结果,制定以下后续措施:1.解决问题一的方案2.解决问题二的方案3.解决问题三的方案6. 结论本次施工现场质量管理检查记录表旨在对施工现场质量管理工作进行全面的检查和评估。
通过本次检查,发现了一些问题,并制定了相应的后续措施。
希望能够持续改进施工质量管理工作,确保施工质量和安全。
建筑工程施工现场质量管理检查记录表开工日期:下面总结范文为赠送的资料不需要的朋友,下载后可以编辑删除!祝各位朋友生活愉快!员工年终工作总结【范文一】201x年就快结束,回首201x年的工作,有硕果累累的喜悦,有与同事协同攻关的艰辛,也有遇到困难和挫折时惆怅,时光过得飞快,不知不觉中,充满希望的201x年就伴随着新年伊始即将临近。
可以说,201x年是公司推进行业改革、拓展市场、持续发展的关键年。
现就本年度重要工作情况总结如下:一、虚心学习,努力工作(一)在201x年里,我自觉加强学习,虚心求教释惑,不断理清工作思路,总结工作方法,一方面,干中学、学中干,不断掌握方法积累经验。
我注重以工作任务为牵引,依托工作岗位学习提高,通过观察、摸索、查阅资料和实践锻炼,较快地完成任务。
另一方面,问书本、问同事,不断丰富知识掌握技巧。
在各级领导和同事的帮助指导下,不断进步,逐渐摸清了工作中的基本情况,找到了切入点,把握住了工作重点和难点。
(二)201x年工程维修主要有:在卫生间后墙贴瓷砖,天花修补,二栋宿舍走廊护栏及宿舍阳台护栏的维修,还有各类大小维修已达几千件之多!(三)爱岗敬业、扎实工作、不怕困难、勇挑重担,热情服务,在本职岗位上发挥出应有的作用二、心系本职工作,认真履行职责,突出工作重点,落实管理目标责任制。
(一)201x年上半年,公司已制定了完善的规程及考勤制度。
201x年下半年,行政部组织召开了年的工作安排布置会议年底实行工作目标完成情况考评,将考评结果列入各部门管理人员的年终绩效。
在工作目标落实过程中宿舍管理完善工作制度,有力地促进了管理水平的整体提升。
(二)对清洁工每周不定期检查评分,对好的奖励,差的处罚。
(三)做好固定资产管理工作要求负责宿舍固定资产管理,对固定资产的监督、管理、维修和使用维护。
(四)加强组织领导,切实落实消防工作责任制,为全面贯彻落实“预防为主、防消结合”的方针,公司消防安全工作在上级领导下,建立了消防安全检查制度,从而推动消防安全各项工作有效的开展。
施工现场质量管理检查记录表(总27页)-CAL-FENGHAI.-(YICAI)-Company One1-CAL-本页仅作为文档封面,使用请直接删除四、质量与经济挂钩制度项目部要求班组完成工程质量的合格率达100%,优良率20%以上,其中不合格点偏差最大放宽至150%。
1.达不到质量标准要求的班组每一检验批将受罚1000元。
2.每个分项工程100%达到质量标准要求的班组将受奖500元。
3.公司组织的年检、月检其检验批实测项目合格点率达95%以上的,项目部奖给300元。
4.若逾期未能按时完成的检验批工程,项目部有权给予每拖延一天罚款500元。
5.各班组因工程质量问题被上级检查团罚款,项目部将加倍给予处罚。
6.为鼓励各班组争创优质工程,被评上市优质工程项目部奖给参与施工的班组工资总额的15%;若创省优质工程的项目部则奖给参与施工的班组工资总额的30%五、图纸自审、会审制度1、图纸自审制度图纸自审由项目经理部技术负责人负责组织。
接到图纸后,项目经理部技术负责人应及时安排或组织技术部门有关人员及有经验的老工人进行自审,并提出各专业自审记录。
及时召集有关人员,组织内部会审,针对各专业自审发现的问题及建议进行讨论,弄清设计意图和工程的特点及要求。
图纸自审的主要内容:1.4.1各专业施工图的张数、编号、与图纸目录是否相符。
施工图纸、施工图说明、设计总说明是否齐全,规定是否明确,三者有无矛盾。
平面图所标注坐标、绝对标高与总图是否相符。
图面上的尺寸、标高、预留孔及预埋件的位置以及构件平、立面配筋与剖面有无错误。
1.4.5建筑施工图与结构施工图,结构施工图与设备基础、水、电、暖、卫、通等专业施工图的轴线、位置(坐标)、标高及交叉点是否矛盾。
平面图、大样图之间有无矛盾。
图纸上构配件的编号、规格型号及数量与构配件一览表是否相符。
图纸经自审后,应将发现的问题以及有关建议,做好记录,待图纸会审时提交讨论解决。
2、图纸会审制度图纸会审目的了解设计意图,明确质量要求,将图纸上存在的问题和错误,专业之间的矛盾等,尽最大可能解决在工程开工之前。
施工现场质量管理检查记录表
证明文件
1.施工图现场核对工作已完成,并经核对无误。
2.已经完成**制梁场(D1K503+463)征地、拆迁工作,施工场地三通一平已完成,临建工程满足开工要求,安全、环保、水保等措施符合公司规定有关要求。
4.进场人员满足施工需要,且均经培训合格,见附件:《主要进场人员报审表》。
5.开原制梁场(D1K503+463)单位工程的现场技术负责人为王圣林。
6.施工机具设备已按投标承诺进程,满足施工需要,并已安装调试就绪,见附件:《进场施工机械、设备报验单》。
7.进场材料满足连续施工需要,且完成检验、水质化验、配合比选定等必要的实验工作,见附件:《进场材料/构配件/设备报验单》等。
8.实时性施工组织设计编制完成并已审批,见附件:《开原制梁场箱梁预制实施性施工组织设计》。
9.施工工序及有关工序的施工工艺已经编制完成并已审核;涉及的重大施工方案、技术方案已经完成;观测、检测方案已通过审查。
10.该工程的突发事件处理办法和保证措施已编制完成。
11.本工程施工期的有关保证已编制完成。
12.其他应作的准备工作已完成。
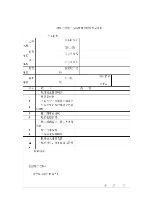
施工现场质量管理检查记录表工程名称建设单位设计单位监理单位施工单位序锦州黑山八道壕镇沉陷区 20 兆瓦光伏发电项目黑山县富士新能源有限企业1.光伏区、升压站设计:陕西榆林镕奥电力工程有限企业2.66kV 送出线路工程设计:平高企业吉林华生电力设计有限企业山东泰和建设管理有限企业江苏盘石新能源开发股项目经理份有限企业动工日期:年月日施工允许证(开工证)项目负责人杨春宵项目负责人总监理工程师谷波项目技术负责高附中黄凯人项目内容号施工图纸已会审、设计交底已达成、技术交底制度已建1现场质量管理制度立、施工组织设计已编制及报审,工序交接、质量检查评定制度已拟订。
质量责任人的分工已落实,各项质量责任制度已落实、2质量责任制按期检查,人员的奖罚制度已成立。
主要专业工种操作上岗证3丈量工、电工、机械操作工等皆持上岗证书本单位的资质在承包业务范围内承建工程,高出范围的已分包方资质与对分包单位4办理特许书,在分包状况下,本单位有分包单位的制度,主的管理制度假如质量、技术的管理制度等。
建设行政主管部门已出具了施工图审察报告及审察机构5施工图审察状况已出具的审察报告6地质勘探资料施工组织设计、施工方案及7已编制达成并已上报审批8施工技术标准《质量手册》、《程序言件》一、原资料、设施进场检察制度,二、施工过程中的试9工程质量查验制度验报告,三、完工后的抽查检测,已拟订了抽测项目,四、施工组织设计已编制了有关内容10搅拌站及计量设置还没有成立11现场实验室资质切合要求现场资料、设施寄存与管依据资料、设施性能拟订了管理制度、并成立了相应的12理储存室13强迫性条则实行计划按要务实行质量通病预防举措实行计14按要求编制实行划检查结论:现场质量管理制度基本完好监理工程师:总监理工程师:(建设单位项目负责人)年月日。
附表A.0.1施工现场质量管理检查记录开工日期:工程名称施工许可证(开工证)建设单位项目负责人设计单位项目负责人监理单位总监理工程师施工单位集团建设工程有限公司项目经理林志平项目技术负责人序号项目内容1 现场质量管理制度①工地质量例会制度;②月评比及奖罚制度;③三检及交接检制度;④质量与经济挂勾制度。
2 质量责任制①岗位责任制②技术交底制度③挂牌制度3 主要专业工种操作上岗证书电焊工、电工、架子工、机械工、钢筋工有证4 分包方资质与对分包单位的管理制度有分包资质,总包即有管理分包单位的制度5 施工图审查情况图纸自审、会审制度6 地质勘察资料岩土工程详细勘察报告7 施工组织设计、施工方案及审批施工组织设计、施工方案及审批手续齐全8 施工技术标准国家及地方规范9 工程质量检验制度①见证取样制度②竣工后的抽查检测制度③施工过程的试验及报告制度10 搅拌站及计量设置符合要求11 现场材料、设备存放与管理材料、设备存放与管理制度12检查结论:总监理工程师:(建设单位项目负责人)年月日施工现场质量技术管理制度本制度主要内容为:1、质量例会制度;2、月评比及奖惩制度;3、工程质量三检及交接检制度;4、质量与经济挂钩制度;5、岗位责任制;6、图纸会审制度;7技术交底制度、;8、挂牌制度; 9、技术复核制度;10、见证取样制度;11、工程质量检验制度;12、材料、设备存放与管理制度;13、科技开发和推广应用管理制度;14、施工技术总结。
一、质量例会制度项目部应建立质量例会制度,固定每旬召开一次质量例会,即每月的10号、20号和30号为质量例会日。
由项目经理或项目技术负责人主持,由专职质量检查员负责记录,参加人员有各专业工长(施工员)、各工种班组长以及班组的主要骨干等人员参加的会议。
召开质量例会的主要内容是:针对现阶段存在的质量问题和通病进行分析,并制订改正措施和防范措施。
会议要求每人均要发言,并做到畅所欲言,以采集众人的智惠和才学。
会议形式应力求活泼、和谐,不要拘于一格,可召开成座谈会、分析会、研讨会和碰头会等形式进行。
现场质量例会应以一种制度固定下来,不管问题多少、是否闲忙,均应按期按时召开,并将会议成果整理打印出来。
无故不参加者应进行处分和制裁。
二、月评比及奖罚制度(一)、月评比办法为了确保工程(产品)质量,提高企业信誉,促使管理水平再上新台阶、质量超高国家标准,特对工程(产品)质量和技术管理进行每月的质量评比及建立质量奖罚制度。
项目部每月组织一次全工地性的综合质量评比活动,总分第一名的选手(施工管理人员或员工),项目部给予物质奖励(价值约500元);总分第二名的选手(施工管理人员或员工),项目部给予物质奖励(价值约300元);总分第三名的选手(施工管理人员或员工),项目部给予物质奖励(价值约100元)。
(二)奖励1.单位工程质量经工程相关各方共同验收一致认为达优良等级的,则按该工程合同价款0.5%奖励给管理人员和班组;2.单位工程质量被市工程质量协会评为“水仙花杯”奖的,则按该工程合同价款1%奖励给管理人员和班组;3.单位工程质量被省工程质量协会评为“闽江杯”奖的,则按该工程合同价款2%奖励给管理人员和班组;4.单位工程质量被国家建设部评为“鲁班奖”的,则按该工程合同价款3%奖励给管理人员和班组;5.单位工程优良奖金,只能按最上一级得奖给予奖励,不重复奖励。
(三)罚则:1.各项目部每年内必须要有一幢面积在2000平方米以上的优良工程,如若年度无完成优良工作指标的,公司罚项目部10000元。
2.在与甲方签订施工合同时,约定质量等级为优良的,但在工程竣工质量评价时未能被工程相关各方评为优良等级的,造成的损失由承包的项目经理自负外,公司再对该项目经理处以合同价款1%的罚款。
3.单位工程(包括分项、分部)质量被建设(监理)、监督机构和建设行政主管部门抽查为不合格产品而被处以罚款的,其金额由施工管理人员和参与的班组共同分摊,公司还要按被罚款额加倍处罚。
并停止该项目经理部参加投标工程半年。
4.不论平时检查或公司组织季度生产大检查,根据工程形象进度考核,经检查发现施工员技术资料均没有做罚款1000元;施工组织设计没有编制罚款500元,内容简单针对性不强且与现场严重不符的每本罚款300元,并限期补写至符合要求;其他技术资料每缺一项罚款100元;每缺一道工序罚款10元。
(1)、质量保证资料:A.混凝土、砂浆配合比设计,按规定按同厂同品种同批号的水泥,按设计要求的不同标号分别做,每欠缺一项时(按图纸设计要求的各种标号计算)罚300元(砼)、砂浆罚200元。
B.二强试压报告:如无按规范规定组数做,试块每缺一组罚款100元;龄期超过2天视同没有做每组罚款100元(混凝土与砂浆同)C.机砖每20万块应有一组试验报告,不同标号应分别做;应先试验合格后才准使用。
检查时如发现先使用后试验等同没有做,每缺一组罚款200元。
D.钢材应先试验合格后,方准使用,检查时根据设计图纸需用规格逐项检查,每缺一项试验报告罚款100元。
钢材焊接的试验报告,按500个接头为一个验收批,不足500个也作为一个验收批,每缺一种规格罚款200元。
E.防水材料应先试验合格后方准使用,每缺一项罚款300元。
(2)、工程质量:A.公司季度生产大检查被抽检的分项工程质量达到优良,项目部奖励该班组100元;反之检查不合格则重罚该班组500元;并责成返工至符合质量标准。
B.市、县建委组织的质量半年检、年检,被检查的分部分项工程质量达到优良的,项目部奖给该班组500元;反之检查不合格则重罚该班组1000元,并责成返工至符合质量标准。
三、工程质量三检及交接检制度在项目经理(项目技术负责人)的领导下,班组要对所担负的分项工程(产品)质量负完全责任。
工地严格实行班组自检、专业工长(施工员)复检和专职质检员检查的三检制度,以及实行上、下道工序交接班检查制。
1.班组长应组织班组工人严格按图施工,按操作规程和技术交底操作;严格按工程建设标准强制性条文进行施工。
2.经常对班组工人进行“质量第一”、“精心施工”的教育,牢固树立为下道工序着想的思想,严格把好每一道工序的操作质量关。
3.全面负责班组质量自检和工序交接检工作,发挥兼职质检员的作用,虚心接受施工员和质检员的检查、监督;对不合格的分项工程主动返工重做,直至符合质量标准4.参加项目经理(施工员)组织的分项工程质量验收评定。
5.认真把好使用原材料、成品、半成品的质量关,对进场不合格的要拒绝使用,并及时汇报项目经理(施工员)。
6.经常督促班组工人,严格掌握各种材料配合比,不得套用、乱用配合比或随意改变比例操作,确保工程质量。
7.对出现质量问题或事故应本着实事求是精神向施工员反映,不得隐瞒。
8.在施工操作中,不断总结创"优良"工程(产品)的经验,不断提高自身技术素质,帮助班组工人提高操作技术水平。
员工在班组长领导下,担负每一道工序操作质量的责任,特要求员工做到: A.努力学习操作技术,做到“二懂三会”,即懂操作规程、懂质量标准;会看图纸、会施工操作、会检测方法;坚持按图纸、按技术交底施工,按质量标准操作。
B.做好个人质量自检和班组内质量互检工作,对不合格的分项工程(产品)坚决返工重做,直到符合质量标准。
C.牢固树立“质量第一”的思想,严格把好工程质量关,切实做到“三不”,即不合格材料不使用,不合格工序不交班,不合格的分项工程(产品)不交工。
D.虚心接受施工员、专职质检员和班组质检员的检查和指导,努力提高操作水平,为确保工程(产品)质量严格把关。
四、质量与经济挂钩制度项目部要求班组完成工程质量的合格率达100%,优良率20%以上,其中不合格点偏差最大放宽至150%。
1.达不到质量标准要求的班组每一检验批将受罚1000元。
2.每个分项工程100%达到质量标准要求的班组将受奖500元。
3.公司组织的年检、月检其检验批实测项目合格点率达95%以上的,项目部奖给300元。
4.若逾期未能按时完成的检验批工程,项目部有权给予每拖延一天罚款500元。
5.各班组因工程质量问题被上级检查团罚款,项目部将加倍给予处罚。
6.为鼓励各班组争创优质工程,被评上市优质工程项目部奖给参与施工的班组工资总额的15%;若创省优质工程的项目部则奖给参与施工的班组工资总额的30%五、图纸自审、会审制度1、图纸自审制度1.1图纸自审由项目经理部技术负责人负责组织。
1.2接到图纸后,项目经理部技术负责人应及时安排或组织技术部门有关人员及有经验的老工人进行自审,并提出各专业自审记录。
1.3及时召集有关人员,组织内部会审,针对各专业自审发现的问题及建议进行讨论,弄清设计意图和工程的特点及要求。
1.4图纸自审的主要内容:1.4.1各专业施工图的张数、编号、与图纸目录是否相符。
1.4.2施工图纸、施工图说明、设计总说明是否齐全,规定是否明确,三者有无矛盾。
1.4.3平面图所标注坐标、绝对标高与总图是否相符。
1.4.4图面上的尺寸、标高、预留孔及预埋件的位置以及构件平、立面配筋与剖面有无错误。
1.4.5建筑施工图与结构施工图,结构施工图与设备基础、水、电、暖、卫、通等专业施工图的轴线、位置(坐标)、标高及交叉点是否矛盾。
平面图、大样图之间有无矛盾。
1.4.6图纸上构配件的编号、规格型号及数量与构配件一览表是否相符。
1.5图纸经自审后,应将发现的问题以及有关建议,做好记录,待图纸会审时提交讨论解决。
2、图纸会审制度2.1图纸会审目的了解设计意图,明确质量要求,将图纸上存在的问题和错误,专业之间的矛盾等,尽最大可能解决在工程开工之前。
2.2会审参加人员项目经理、项目技术负责人、专业技术人员、内业技术人员、质检员及其它相关人员。
2.3会审时间一般应在工程项目开工前进行,特殊情况也可边开工边组织会审(如图纸不能及时供应时)。
2.4会审组织一般由建设单位组织,项目部应根据施工进度要求,督促业主尽快组织会审。
2.5会审内容2.5.1审查施工图设计是否符合国家有关技术、经济政策和有关规定。
2.5.2审查施工图的基础工程设计与地基处理有无问题,是否符合现场实际地质情况。
2.5.3审查建设项目坐标、标高与总平面图中标注是否一致,与相关建设项目之间的几何尺寸关系以及轴线关系和方向等有无矛盾和差错。
2.5.4审查图纸及说明是否齐全和清楚明确,核对建筑、结构、上下水、暖卫、通风、电气、设备安装等图纸是否相符,相互间的关系尺寸、标高是否一致。
2.5.5审查建筑平、立、剖面图之间关系是否矛盾或标注是否遗漏,建筑图本身平面尺寸是否有差错,各种标高是否符合要求,与结构图的平面尺寸及标高是否一致。
2.5.6审查建设项目与地下构筑物、管线等之间有无矛盾。