新版-土方开挖工程放坡系数表
- 格式:doc
- 大小:23.50 KB
- 文档页数:1
土方工程放坡系数表土壤类别放坡起点( m ) 人工挖土机械挖土在坑内作业在坑上作业一、二类土1.20 1∶0.501∶0.33 .1∶0.75三类土 1.50 1∶0.331∶0.25 1∶0.67四类土2.00 1∶0.251∶0.10 1∶0.33放坡起点,混凝土垫层由垫层底面开始放坡,灰土垫层由垫层上表面开始放坡,无垫层的由底面开始放坡。
定时才能放坡,放坡高度应自垫层下表面至设计室外地坪标高计算。
做土建的看看拉。
土建工程工程量计算规则公式汇总平整场地: 建筑物场地厚度在±30cm以内的挖、填、运、找平. 1、平整场地计算规则(1)清单规则:按设计图示尺寸以建筑物首层面积计算。
(2)定额规则:按设计图示尺寸以建筑物首层面积计算。
2、平整场地计算方法(1)清单规则的平整场地面积:清单规则的平整场地面积=首层建筑面积(2)定额规则的平整场地面积:定额规则的平整场地面积=首层建筑面积3、注意事项(1)、有的地区定额规则的平整场地面积:按外墙外皮线外放2米计算。
计算时按外墙外边线外放2米的图形分块计算,然后与底层建筑面积合并计算;或者按“外放2米的中心线×2=外放2米面积”与底层建筑面积合并计算。
这样的话计算时会出现如下难点:①、划分块比较麻烦,弧线部分不好处理,容易出现误差。
②、2米的中心线计算起来较麻烦,不好计算。
③、外放2米后可能出现重叠部分,到底应该扣除多少不好计算。
(2)、清单环境下投标人报价时候可能需要根据现场的实际情况计算平整场地的工程量,每边外放的长度不一样。
大开挖土方1、开挖土方计算规则(1)、清单规则:挖基础土方按设计图示尺寸以基础垫层底面积乘挖土深度计算。
(2)、定额规则:人工或机械挖土方的体积应按槽底面积乘以挖土深度计算。
槽底面积应以槽底的长乘以槽底的宽,槽底长和宽是指混凝土垫层外边线加工作面,如有排水沟者应算至排水沟外边线。
排水沟的体积应纳入总土方量内。
春有春的温暖,夏有夏的火热,秋有秋的收获!
土方开挖工程放坡系数表
说明:
1、放坡起点深是指,挖土方时,各类土超过表中的放坡起点深时,才能按
表中的系数计算放坡工程量。
例如,图中若是三类土时,H>1.50m才能计算放坡。
2、表中,人工挖四类土超过2m深时,放坡系数为1:0.25,含义是每挖深
1m,放坡宽度b就增加0.25m。
3、从图中可以看出,放坡宽度b与深度H和放坡角度a之间的关系是正切
函数关系,即tana=b/H,不同的土壤类别取不同的a角度值,所以不难看出,放坡系数就是根据tana来确定。
例如,三类土的tana=b/H=0.33,我们将
tana=K来表示放坡系数,故放坡宽度b=KH。
高考是我们人生中重要的阶段,我们要学会给高三的自己加油打气
1。
土方工程放坡系数表土壤类别放坡起点( m ) 人工挖土机械挖土在坑内作业在坑上作业一、二类土1.20 1∶0.501∶0.33 .1∶0.75三类土 1.50 1∶0.331∶0.25 1∶0.67四类土2.00 1∶0.251∶0.10 1∶0.33放坡起点,混凝土垫层由垫层底面开始放坡,灰土垫层由垫层上表面开始放坡,无垫层的由底面开始放坡。
注:1.沟槽、基坑中土壤类别不同时,分别按其土壤类别、放坡比例以不同土壤厚度分别计算;2.计算放坡工程量时交接处的重复工程量不扣除,符合放坡深度规定时才能放坡,放坡高度应自垫层下表面至设计室外地坪标高计算。
做土建的看看拉。
土建工程工程量计算规则公式汇总平整场地: 建筑物场地厚度在±30cm以内的挖、填、运、找平. 1、平整场地计算规则(1)清单规则:按设计图示尺寸以建筑物首层面积计算。
(2)定额规则:按设计图示尺寸以建筑物首层面积计算。
2、平整场地计算方法(1)清单规则的平整场地面积:清单规则的平整场地面积=首层建筑面积(2)定额规则的平整场地面积:定额规则的平整场地面积=首层建筑面积3、注意事项(1)、有的地区定额规则的平整场地面积:按外墙外皮线外放2米计算。
计算时按外墙外边线外放2米的图形分块计算,然后与底层建筑面积合并计算;或者按“外放2米的中心线×2=外放2米面积”与底层建筑面积合并计算。
这样的话计算时会出现如下难点:①、划分块比较麻烦,弧线部分不好处理,容易出现误差。
②、2米的中心线计算起来较麻烦,不好计算。
③、外放2米后可能出现重叠部分,到底应该扣除多少不好计算。
(2)、清单环境下投标人报价时候可能需要根据现场的实际情况计算平整场地的工程量,每边外放的长度不一样。
大开挖土方1、开挖土方计算规则(1)、清单规则:挖基础土方按设计图示尺寸以基础垫层底面积乘挖土深度计算。
(2)、定额规则:人工或机械挖土方的体积应按槽底面积乘以挖土深度计算。
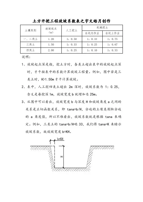
土方开挖工程放坡系数表之宇文皓月创作
说明:
1、放坡起点深是指,挖土方时,各类土超出表中的放坡起点深
时,才干按表中的系数计算放坡工程量。
例如,图中若是三类土时,H>1.50m才干计算放坡。
2、表中,人工挖四类土超出2m深时,放坡系数为1:0.25,
含义是每挖深1m,放坡宽度b就增加0.25m。
3、从图中可以看出,放坡宽度b与深度H和放坡角度a之间的
关系是正切函数关系,即tana=b/H,分歧的土壤类别取分歧的a角度值,所以不难看出,放坡系数就是根据tana来确定。
例如,三类土的tana=b/H=0.33,我们将tana=K来暗示放坡系数,故放坡宽度b=KH。
土方开挖工程放坡系数表
说明:
1、放坡起点深是指,挖土方时,各类土超过表中的放坡起点深时,
才能按表中的系数计算放坡工程量。
例如,图中若是三类土时,
H>1.50m才能计算放坡。
2、表中,人工挖四类土超过2m深时,放坡系数为1:0.25,含义是
每挖深1m,放坡宽度b就增加0.25m。
3、从图中可以看出,放坡宽度b与深度H和放坡角度a之间的关系是正切函数关系,即tana=b/H,不同的土壤类别取不同的a角度值,所以不难看出,放坡系数就是根据tana来确定。
例如,三类土的tana=b/H=0.33,我们将tana=K来表示放坡系数,故放坡宽度b=KH。
Welcome To Download !!!
欢迎您的下载,资料仅供参考!。
土方开挖放坡系数根据土方工程定额,对计算挖沟槽土方放坡系数规定如下:(1)挖土深度在l m以内,不考虑放坡;(2)挖土深度在1.0l m~2.00m,按l:0.5放坡;(3)挖土深度在2.0l m~4.00m,按l:0.7放坡;(4)挖土深度在4.01m~5.00m,按1:1放坡;(5)挖土深度大于5m,按土体稳定理论计算后的边坡进行放坡。
放坡系数为高宽比普土:放坡起点:1.2m,放坡系数,人工挖:1:0.5,机械挖:1:0.33(坑内),1:0.75(坑上作业)坚土:放坡起点:1.8m,放坡系数,人工挖:1:0.3,机械挖:1:0.2(坑内作业),1:0.5(坑上作业)混合土:放坡起点:1.5m, K=(k1h1+k2h2)/hk--综合放坡系数k1k2--不同土类放坡系数h1h2--不同土类的厚度h--放坡总深度挖地槽、地坑、土方需放坡者,可按下表规定的放坡起点及放坡系数计算工程量。
土方工程放坡系数表放坡起点:1.混凝土垫层由垫层底面开始放坡,2.灰土垫层由垫层上表面开始放坡,3.无垫层的由底面开始放坡。
注意:计算工程量时,地槽交接处放坡产生的重复工程量不予扣除。
因土质不好,基础处理采用挖土、换土时,其放坡点应从实际挖深开始。
在挖土方、槽、坑时,如遇不同土壤类别,应根据地质勘测资料分别计算。
边坡放坡系数可根据各土壤类别及深度加权取定这张表的数据并不是在每个地方都适用,只是通用规则,根据2009年新规范讲义:土类单一土质时,普通土(一二类)开挖深度大于1.2米开始放坡(K=0.50),坚土(三四类)开挖深度大于1.7米开始放坡(K=0.30).土类混合土质时,开挖深度大于1.5米开始放坡,然后按照不同土质加权计算放坡系数K.。
创作时间:贰零贰壹年柒月贰叁拾日
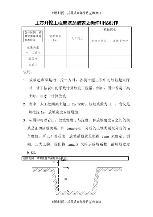
土方开挖工程放坡系数表之樊仲川亿创作
说明:
1、放坡起点深是指,挖土方时,各类土超出表中的放坡起点深
时,才干按表中的系数计算放坡工程量。
例如,图中若是三类土时,H>才干计算放坡。
2、表中,人工挖四类土超出2m深时,放坡系数为1:,含义是
每挖深1m,放坡宽度b就增加。
3、从图中可以看出,放坡宽度b与深度H和放坡角度a之间的关
系是正切函数关系,即tana=b/H,分歧的土壤类别取分歧的a 角度值,所以不难看出,放坡系数就是根据tana来确定。
例如,三类土的,我们将tana=K来暗示放坡系数,故放坡宽度b=KH。
创作时间:贰零贰壹年柒月贰叁拾日。
土方开挖工程放坡系数表之吉白夕凡创作
说明:
1、放坡起点深是指,挖土方时,各类土超出表中的放坡起点深
时,才干按表中的系数计算放坡工程量。
例如,图中若是三类土时,H>1.50m才干计算放坡。
2、表中,人工挖四类土超出2m深时,放坡系数为1:0.25,含
义是每挖深1m,放坡宽度b就增加0.25m。
3、从图中可以看出,放坡宽度b与深度H和放坡角度a之间的关
系是正切函数关系,即tana=b/H,分歧的土壤类别取分歧的a 角度值,所以不难看出,放坡系数就是根据tana来确定。
例如,三类土的tana=b/H=0.33,我们将tana=K来暗示放坡系数,故放坡宽度b=KH。
欧阳歌谷创编 2021年2月1
土方开挖工程放坡系数表
说明:
1、放坡起点深是指,挖土方时,各类土超过表中的放坡起点深
时,才能按表中的系数计算放坡工程量。
例如,图中若是三类土时,H>1.50m才能计算放坡。
2、表中,人工挖四类土超过2m深时,放坡系数为1:0.25,含
义是每挖深1m,放坡宽度b就增加0.25m。
3、从图中可以看出,放坡宽度b与深度H和放坡角度a之间的关
系是正切函数关系,即tana=b/H,不同的土壤类别取不同的a 角度值,所以不难看出,放坡系数就是根据tana来确定。
例如,三类土的tana=b/H=0.33,我们将tana=K来表示放坡系数,故放坡宽度b=KH。
欧阳歌谷创编 2021年2月1。
土方工程放坡系数表土壤类别放坡起点( m ) 人工挖土机械挖土在坑内作业在坑上作业一、二类土1.20 1∶0.501∶0.33 .1∶0.75三类土 1.50 1∶0.331∶0.25 1∶0.67四类土2.00 1∶0.251∶0.10 1∶0.33放坡起点,混凝土垫层由垫层底面开始放坡,灰土垫层由垫层上表面开始放坡,无垫层的由底面开始放坡。
注:1.沟槽、基坑中土壤类别不同时,分别按其土壤类别、放坡比例以不同土壤厚度分别计算;2.计算放坡工程量时交接处的重复工程量不扣除,符合放坡深度规定时才能放坡,放坡高度应自垫层下表面至设计室外地坪标高计算。
做土建的看看拉。
土建工程工程量计算规则公式汇总平整场地: 建筑物场地厚度在±30cm以内的挖、填、运、找平. 1、平整场地计算规则(1)清单规则:按设计图示尺寸以建筑物首层面积计算。
(2)定额规则:按设计图示尺寸以建筑物首层面积计算。
2、平整场地计算方法(1)清单规则的平整场地面积:清单规则的平整场地面积=首层建筑面积(2)定额规则的平整场地面积:定额规则的平整场地面积=首层建筑面积3、注意事项(1)、有的地区定额规则的平整场地面积:按外墙外皮线外放2米计算。
计算时按外墙外边线外放2米的图形分块计算,然后与底层建筑面积合并计算;或者按“外放2米的中心线×2=外放2米面积”与底层建筑面积合并计算。
这样的话计算时会出现如下难点:①、划分块比较麻烦,弧线部分不好处理,容易出现误差。
②、2米的中心线计算起来较麻烦,不好计算。
③、外放2米后可能出现重叠部分,到底应该扣除多少不好计算。
(2)、清单环境下投标人报价时候可能需要根据现场的实际情况计算平整场地的工程量,每边外放的长度不一样。
大开挖土方1、开挖土方计算规则(1)、清单规则:挖基础土方按设计图示尺寸以基础垫层底面积乘挖土深度计算。
(2)、定额规则:人工或机械挖土方的体积应按槽底面积乘以挖土深度计算。
土方工程放坡系数表土壤类别放坡起点( m ) 人工挖土机械挖土在坑内作业在坑上作业一、二类土1.20 1∶0.501∶0.33 .1∶0.75三类土 1.50 1∶0.331∶0.25 1∶0.67四类土2.00 1∶0.251∶0.10 1∶0.33放坡起点,混凝土垫层由垫层底面开始放坡,灰土垫层由垫层上表面开始放坡,无垫层的由底面开始放坡。
注:1.沟槽、基坑中土壤类别不同时,分别按其土壤类别、放坡比例以不同土壤厚度分别计算;2.计算放坡工程量时交接处的重复工程量不扣除,符合放坡深度规定时才能放坡,放坡高度应自垫层下表面至设计室外地坪标高计算。
做土建的看看拉。
土建工程工程量计算规则公式汇总平整场地: 建筑物场地厚度在±30cm以内的挖、填、运、找平. 1、平整场地计算规则(1)清单规则:按设计图示尺寸以建筑物首层面积计算。
(2)定额规则:按设计图示尺寸以建筑物首层面积计算。
2、平整场地计算方法(1)清单规则的平整场地面积:清单规则的平整场地面积=首层建筑面积(2)定额规则的平整场地面积:定额规则的平整场地面积=首层建筑面积3、注意事项(1)、有的地区定额规则的平整场地面积:按外墙外皮线外放2米计算。
计算时按外墙外边线外放2米的图形分块计算,然后与底层建筑面积合并计算;或者按“外放2米的中心线×2=外放2米面积”与底层建筑面积合并计算。
这样的话计算时会出现如下难点:①、划分块比较麻烦,弧线部分不好处理,容易出现误差。
②、2米的中心线计算起来较麻烦,不好计算。
③、外放2米后可能出现重叠部分,到底应该扣除多少不好计算。
(2)、清单环境下投标人报价时候可能需要根据现场的实际情况计算平整场地的工程量,每边外放的长度不一样。
大开挖土方1、开挖土方计算规则(1)、清单规则:挖基础土方按设计图示尺寸以基础垫层底面积乘挖土深度计算。
(2)、定额规则:人工或机械挖土方的体积应按槽底面积乘以挖土深度计算。
创作时间:二零二一年六月三十日
土方开挖工程放坡系数表之吉白夕凡创作
说明:
1、放坡起点深是指, 挖土方时, 各类土超越表中的放坡起点深时,
才华按表中的系数计算放坡工程量.例如, 图中若是三类土时,
H>1.50m才华计算放坡.
2、表中, 人工挖四类土超越2m深时, 放坡系数为1:0.25, 含
义是每挖深1m, 放坡宽度b就增加0.25m.
3、从图中可以看出, 放坡宽度b与深度H和放坡角度a之间的关
系是正切函数关系, 即tana=b/H, 分歧的土壤类别取分歧的a 角度值, 所以不难看出, 放坡系数就是根据tana来确定.例如, 三类土的tana=b/H=0.33, 我们将tana=K来暗示放坡系数, 故放坡宽度b=KH.
创作时间:二零二一年六月三十日。
建筑工程
土方开挖工程放坡系数表
说明:
1、放坡起点深是指,挖土方时,各类土超过表中的放坡起点深时,
才能按表中的系数计算放坡工程量。
例如,图中若是三类土时,
H>1.50m才能计算放坡。
2、表中,人工挖四类土超过2m深时,放坡系数为1:0.25,含义是
每挖深1m,放坡宽度b就增加0.25m。
3、从图中可以看出,放坡宽度b与深度H和放坡角度a之间的关系
是正切函数关系,即tana=b/H,不同的土壤类别取不同的a角度值,所以不难看出,放坡系数就是根据tana来确定。
例如,三类土的tana=b/H=0.33,我们将tana=K来表示放坡系数,故放坡宽度b=KH。