最新《建筑构造与识图》习题与复习资料
- 格式:doc
- 大小:56.50 KB
- 文档页数:6
建筑识图与构造整本知识点复习第一章制图基本知识1.常用绘图工具:图板、丁字尺、三角板、比例尺、曲线板;常用绘图仪器: 圆规、分规、绘图笔;常用绘图用品: 图纸、绘图铅笔、墨水、橡皮、模板、软毛刷等。
2.一副三角板有两个: 一副由45°、45°、90°构成, 一副由30°、60°、90°构成。
3.比例尺又称三棱尺, 一般刻有六种不一样旳刻度。
4.最常使用旳绘图笔是绘图墨水笔, 又称为针管笔。
5.图纸有绘图纸和描图纸两种, 后者又称为硫酸纸, 是作为复制蓝图旳底图旳图纸。
6、绘图铅笔中“B”表达软铅芯, “H”表达硬铅芯。
7、图纸图幅及图框尺寸: A0: 841mm×1189 mm(宽×长);A1: 594 mm×841 mm(宽×长);A2: 420 mm×594 mm(宽×长);A3: 297 mm×420 mm(宽×长);A4: 210 mm×297 mm(宽×长)。
8、图线旳画法:1)在同一张图纸内, 相似比例旳图样选用相似旳线宽组。
2)互相平行旳图线, 其间隙不不不小于其中旳粗线宽度, 且不不不小于0.7mm。
3)虚线、点画线旳线段长度和间隔, 应各自相等, 在较小旳图形中, 点画线可以用实线替代。
4)点画线旳两端不应是点, 而是线段;点画线与点画线或其他线交接处也应是线段。
5)虚线与虚线或者其他线交接时, 应是线段交接而不是空白处交接;虚线为实线旳延长线时, 不得与实线连接。
6)图线不得与文字、数字或者符号重叠混淆, 不可防止时应保证文字等旳清晰。
9、中文旳书写才采用长仿宋体。
10、书写长仿宋体时, 应注意: “横平竖直, 起落分明, 笔锋满格, 布局均匀”。
11、数字和字母旳书写有斜体和直体两种, 当与中文混写时, 应为直体。
斜体字旳宽度和高度应与直体相等, 倾斜度为逆时针向上倾斜75°。
一、单选题(每题1分共35分)1.结构的承重部分为梁柱体系,墙体只起围护和分隔作用,此种建筑结构称为( B )。
A. 砌体结构B.框架结构C. 板墙结构D. 空间结构2.组成房屋的构件中,下列既属承重构件又是围护构件的是.AA. 墙、屋顶B. 楼板、基础C. 屋顶、基础D. 门窗、墙3.竖向承重构件为砖墙或砖柱,水平承重构件采用钢筋混凝土楼板、屋顶板,此种建筑结构称为( b )。
A. 砌体结构B.框架结构C. 板墙结构D. 空间结构4.模数60M的数值是,经常用于。
( C )A.60mm,构件截面和缝隙B.600mm,门窗洞口C. 6000mm,柱距或开间D. 60000mm,建筑总尺寸5.模数3M的数值是,经常用于。
( a )A.300mm,建筑跨度和缝隙尺寸 B.300mm,门窗洞口和柱距C. 3000mm,柱距或开间D. 3000mm,大型建筑的跨度和进深6.建筑物最下面的部分是( C )A. 地基B. 首层地面C. 基础D. 首层墙或柱7.当地下水的常年水位和最高水位处在地下室地面标高时,需要对地下作防潮气处理。
( C )A. 以上;墙体和地坪B.以上;地坪C. 以下;墙体和地坪D.以下;墙体8.基础埋置深度不超过( B )时,叫浅基础。
A . 500mmB . 5m C. 6m D . 5.5m9.按所用材料和受力特点,基础分为刚性和柔性两类,( c )属于刚性基础。
A.钢筋混凝土板式基础和砖基础B.钢筋混凝土板式基础和条形基础C.砖基础和混凝土基础D.钢筋混凝土条形基础和砖基础10.以下分类是按基础的材料受力特点分类的是( a )。
A.筏板基础、独立基础、条形基础B.刚性基础、柔性基础C.砖基础、条石基础、混凝土基础D.端承桩基础、摩擦桩基础11.锥形基础最薄处高度不小于,基础垫层厚度和混凝土强度分别不低于。
A.150mm;80mm厚和C15 B.200mm;100mm厚和C15 C.200mm;100mm厚和C20 D.250mm;100mm厚和C2012.属于柔性基础的是( b )A.混凝土基础B.钢筋混凝土基础C.毛石基础D.砖基础13.钢筋混凝土过梁,两端支承在墙上的长度不少于(d)A .180mmB .200mmC .120mm D.240mm14.钢筋混凝土圈梁断面高度不宜小于(d )A . 180mmB . 200mm C. 60mm D.120mm15.散水的宽度应比房屋挑檐宽外缘多出(c )A . 300mmB . 600mmC . 200mm D.240mm16.纵墙承重的优点是( c )。
模块1 建筑制图基本知识(1)《房屋建筑制图统一标准》(GB/T 50001—2010)中统一规定了所有设计图纸的幅面及图框尺寸,主要有A0、A1、A2、A3、A4等。
(2)尺寸界线应用细实线绘制,与被注长度垂直,其一端离开图样轮廓线不应小于2mm,另一端宜超出尺寸线2~3mm。
(3)常用的图板规格有0号、1号和2号,绘制时应根据图纸幅面的大小来选择图板。
(4)比例尺一般为木制或塑料制成,比例尺的三个棱面刻有6种比例,通常有1∶100、1∶200、1∶300、1∶400、1∶500、1∶600,比例尺上的数字以米(m)为单位。
(5)图纸幅面的形式有哪几种?答:图纸幅面的形式有A0:1189×841 ;A1:841×594;A2:594×420 ;A3:420×297 ;A4:297×210 (单位mm)。
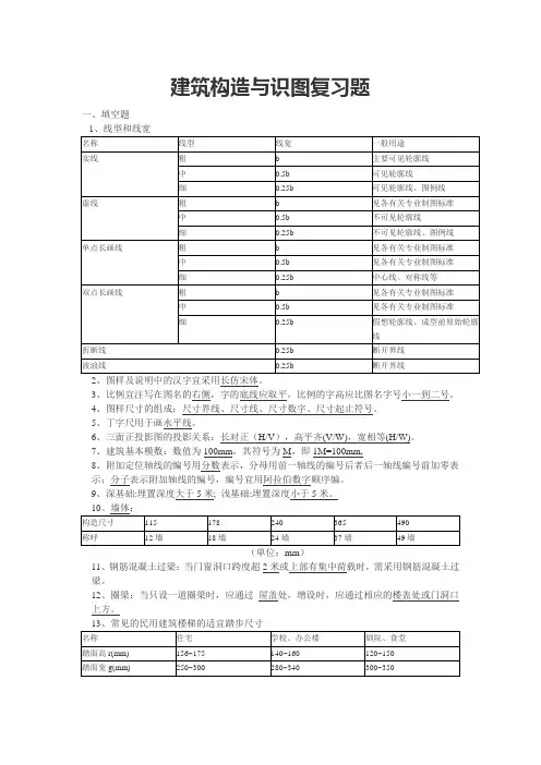
(6)简述线型的种类与用途。
答:表图线的线型、宽度及用途名称线型线宽用途实线粗 b 主要可见轮廓线中粗0.7 b可见轮廓线中0.5 b可见轮廓线、尺寸线、变更云线细0.25 b图例填充线、家具线虚线粗 b 见各有关专业制图标准中粗0.7 b不可见轮廓线中0.5 b不可见轮廓线、图例线细0.25 b图例填充线、家具线单点长画线粗b见各有关专业制图标准中0.5 b见各有关专业制图标准细0.25 b中心线、对称线、轴线等双点长画线粗b见各有关专业制图标准中0.5 b见各有关专业制图标准细0.25 b假想轮廓线、成型前原始轮廓线折断线细0.25 b断开界线波浪线细0.25 b断开界线(7)绘制图线的要求有哪些?答:1)在同一张图纸内,相同比例的图样应选用相同的线宽组,同类线应粗细一致。
图框线、标题栏线的宽度要求见下表。
图框线、标题栏线的宽度要求(单位:mm)幅面代号图框线标题栏外框线标题栏分格线A0、A1 b0.5 b0.25 bA2、A3、A4 b 0.7 b0.35 b2)相互平行的图例线,其净间隙或线中间隙不宜小于0.2mm。
建筑识图与构造复习题一、填空题1、民用建筑构造一般由基础、墙或柱、楼地层、楼梯、屋顶、门窗等构件组成。
2、基础按构造不同分为条形基础、独立基础、井格基础、片伐基础、箱形基础、桩基础、井桩基础等。
3、勒脚是指外墙墙身下部与靠近室外地面的部分。
4、门的主要作用是交通联系、紧急疏散、并兼有采光、通风的作用。
5、地面按面层材料及施工方法分为整体地面、块料地面、塑料地面和木地面四大类。
6、墙体的作用是承重作用、围护作用、分隔作用、装饰作用。
7、楼梯的宽度不应小于1100毫米,楼梯平台宽不应小于1100毫米。
8、当踏面尺寸较小时,可以采取将踏步出挑20-30㎜加宽踏面。
9、屋顶主要解决防水、排水、保温、隔热等问题。
10、建筑施工图包括首页、建筑总平面图、建筑平面图、建筑立面图、建筑剖面图、建筑详图。
11、建筑工程施工图设计一般包括初步设计和施工设计两个阶段。
12、纵向定位轴线应从下至上顺序注写,并用大写拉丁字母标注。
13、钢筋混凝土楼板按施工方式分为现浇式、预制式、装配整体式。
14、地下室一般由墙体、底板、顶板、门窗、楼梯、采光井等部分组成。
15、阳台按与外墙的相对位置分凸阳台、半凸半凹阳台和凹阳台三类。
16、一般楼梯由楼梯段、平台、栏杆扶手三大部分组成。
17、平屋顶层面坡可以通过结构找坡和材料找坡两种方法形成。
18、窗按开启方式可分为固定窗、平开窗、悬窗和推拉窗、立转窗百叶窗等类型。
19、变形缝包括伸缩缝、沉降缝和防震缝三种。
20、平屋顶的排水方式分为无组织排水和有组织排水两类。
二、判断题1、建筑工程的建设程序一般要先设计施工图后再做可行性研究。
(×)2、一般把基础上部的圈梁成为过梁。
(×)3、实体砌块不能组砌空体墙。
(×)4、勒脚属于外墙接近地面的那部分的墙身。
(√)5、楼梯每个梯段的踏步数量一般不能超过28级。
(√)6、墙体按材料分有砖墙、石墙、板材墙和山墙。
(×)7、高层建筑以电梯主要交通渠道,设不设楼梯视经济情况而定。
建筑识图与构造练习题库含参考答案一、单选题(共65题,每题1分,共65分)1.若一条直线既平行于V面又平行于H面,则这条直线是( )。
A、侧平线B、一般位置线C、正平线D、水平线正确答案:A2.砖拱过梁有平拱和弧拱两种。
平拱砖过梁的跨度不应超过( )。
A、1.3mB、1.2mC、1.5mD、1.4m正确答案:B3.图样中的某一局部或构件,如需另见详图,应以索引符号索引,索引符号的端部是由直径为( )mm的圆组成。
A、14B、12C、10D、8正确答案:C4.平屋顶的排水坡度一般不超过5%,最常用的坡度为( )。
A、1%B、5%C、2%~3%D、4%正确答案:C5.当房间的跨度超过10m,并且平面形状近似正方形时,常采用( )。
A、板式楼板B、无梁楼板C、肋梁楼板D、井式楼板正确答案:D6.隔墙自重一般可由( )承受。
A、柱B、墙C、小梁D、基础正确答案:C7.《民用建筑设计统一标准》规定,纪念性建筑和特别重要的建筑的设计使用年限为( )A、50年B、70年C、25年D、100年正确答案:D8.地下室采用防潮处理方案时,须在( )情况下。
A、地下水位在地下室底板标高以上B、地下水位在地下室底板标高以下C、设计最高地下水位在地下室底板标高以下D、设计最高地下水位在地下室底板标高以上正确答案:B9.“37墙”厚度的构造尺寸为( )。
A、375mmB、360mmC、370mmD、365mm正确答案:D10.高度为30M的建筑,按照1:100的比例作立面图,图纸上应标注的高度尺寸为( )。
A、30B、300C、30000D、3000正确答案:A11.建筑平面图的外部尺寸俗称外三道,其中最外一道尺寸标注的是( )。
A、房屋的开间、进深B、房屋外墙的墙段及门窗洞口尺寸C、房屋内墙的厚度和内部门窗洞口尺寸D、房屋水平方向的总长、总宽正确答案:D12.地下室的外包卷材防水构造中,墙身处防水卷材须从底板包上来,并在最高设计水位( )处收头。
建筑识图与构造复习题答案一、选择题1. 建筑图纸中,"A-A"表示的是:A. 建筑立面图B. 建筑平面图C. 建筑剖面图D. 建筑详图答案:C2. 建筑图纸中的“剖面符号”通常由什么组成?A. 直线和数字B. 曲线和字母C. 直线和字母D. 曲线和数字答案:C3. 建筑平面图中,墙体的表示方法通常是:A. 实线B. 虚线C. 点线D. 双线答案:A4. 在建筑图纸中,"N"通常代表:A. 北B. 南C. 东D. 西答案:A5. 建筑图纸中,“标高”是指:A. 建筑物的总高度B. 建筑物的层数C. 某一点相对于基准面的高度D. 建筑物的占地面积答案:C二、判断题1. 建筑平面图中的“轴线”是用来确定建筑物各部分位置的基准线。
(对)2. 建筑剖面图可以清晰地展示建筑物的内部结构和层次。
(对)3. 建筑图纸中的“尺寸标注”是为了展示建筑物的详细尺寸。
(对)4. 建筑图纸中的“比例尺”是用来表示图纸与实际建筑物的比例关系。
(对)5. 建筑图纸中的“索引符号”是用来指示图纸中其他部分的详细信息。
(对)三、简答题1. 请简述建筑平面图的作用。
答:建筑平面图是展示建筑物内部布局和空间关系的图纸,它显示了建筑物的平面形状、房间的划分、门窗的位置以及楼梯、走廊等的布局。
2. 建筑剖面图与建筑立面图有何不同?答:建筑剖面图是通过建筑物的某一垂直面进行切割,展示建筑物内部结构和层次的图纸;而建筑立面图则是展示建筑物外部形状和外观特征的图纸,通常包括建筑物的正面、侧面等。
3. 建筑图纸中的“结构图”主要展示什么内容?答:结构图主要展示建筑物的结构系统,包括梁、柱、板、墙等的结构布置,以及它们之间的连接关系和承重方式。
四、论述题1. 论述建筑图纸在建筑设计和施工中的重要性。
答:建筑图纸是建筑设计和施工过程中的重要工具。
它不仅为设计师提供了一个展示设计意图的平台,同时也为施工人员提供了详细的施工指导。
《建筑构造与识图》复习一、填空题1、建筑物的耐火等级分为()级。
2、砖混结构是承重墙为()楼板和屋顶为()的建筑。
3、建筑按使用功能分为()、()、()三大类。
4、一般民用建筑由()、()、( )、( )、( )、()和门窗组成。
5、耐火等级标准主要根据房屋主要构件的( )和它的( )来确定。
6、民用建筑中横向定位轴线之间的距离称为(),一般是按()的模数数列选定的;纵向定位轴线之间的距离称为(),一般是按()的模数数列选定的。
7、楼房的层高是指该层楼面上表面至()的垂直距离。
8、人工地基加固方法有三大类,即( )、( )、( )。
9、影响基础埋置深度的因素有( )、( )和( )的影响。
10、按所用材料基础的受力特点分为( )和( )。
11、为了保证建筑物的安全,基础的埋置深度至少不浅于( )。
12、能有效防止不均匀沉降的基础形式为( )。
13、普通砖的规格为()14、墙体结构的布置方案一般有()()()三种形式。
15、变形缝分为()、( )、( )三种。
其中从基础底面到屋顶全部断开的是( )。
16、圈梁一般采用钢筋混凝土材料,现场浇筑,混凝土强度等级不低于( )。
17、外墙与室外地坪接触的部分叫( )。
18、泛水高度不应小于( ).19、凸阳台按承重方案的不同可以分为()和()两种。
20、阳台栏杆高度不低于()。
21、楼板层由()、()、()和附加层组成。
22、地面的基本构造层为()()()。
23、顶棚按构造不同分为分为()()两种。
24、雨篷外边缘下部必须制作(),防止雨水越过污染蓬底和墙面。
25、块料面层与下层的连接层为()26、双股人流通过楼梯时,设计宽度为()。
27、现浇钢筋混凝土楼梯有()和()两种。
28、楼梯平台部位净高应不小于(),梯段部位净高应不小于不小于()。
29、楼梯是建筑物的垂直交通设施,一般由()、()、()、()等部分组成。
30、台阶由()()组成。
31、常用的垂直交通设施有()()()()()。
《建筑识图与构造》考试复习题库(汇总版)一、单选题基本信息:[矩阵文本题] *1.屋顶的坡度形成中材料找坡是指()来形成。
[单选题] *A、利用预制板的搁置B、选用轻质材料找坡(正确答案)C、利用由毡的厚度D、利用结构层2.民用建筑包括居住建筑和公共建筑,其中()属于居住建筑。
[单选题] *A、托儿所B、宾馆C、公寓(正确答案)D、疗养院3.建筑平面图的外部尺寸俗称外三道,其中最外一道尺寸标注的是()。
[单选题] *A、房屋的开间、进深B、房屋内墙的厚度和内部门窗洞口尺寸C、房屋水平方向的总长、总宽(正确答案)D、房屋外墙的墙段及门窗洞口尺寸4.观察下面的图样,下面的图样采用()投影法绘制的。
[单选题] *A、中心投影B、正投影(正确答案)C、斜投影D、轴测投影5.“12墙”厚度的标志尺寸为()。
[单选题] *A、120mm(正确答案)B、110mmC、125mmD、115mm6.引出线应以()绘制。
[单选题] *A、点画线B、中实线C、细实线(正确答案)D、粗实线7.楼板层通常由()组成。
[单选题] *A、面层、楼板、地坪B、面层、楼板、顶棚(正确答案)C、支撑、楼板、顶棚D、垫层、梁、楼板8.防止建筑物在外界因素影响下而产生变形和开裂使结构破坏的缝叫()。
[单选题] *A、分仓缝B、构造缝C、变形缝(正确答案)D、通缝9.垂直于H面,平行于V、W面的直线,称为()。
[单选题] *A、正垂线B、铅垂线(正确答案)C、侧垂线D、一般线10.垂直面的三面投影,有()投影为原图形的相似形。
[单选题] *A、1个B、2个(正确答案)C、3个D、0个11.楼梯梯段净高最小值为()。
[单选题] *A、1.8mB、2.0mC、2.2m(正确答案)D、2.5m12.垂直于V面,倾斜于H、W面的平面,称为() [单选题] *A、正垂面(正确答案)B、铅垂面C、侧垂面D、一般位置平面13.地基软弱的多层砌体结构,当上部荷载较大且不均匀时,一般采用()。
建筑构造与识图考试试题答案一、选择题(每题2分,共20分)1. 建筑物按使用性质分类,以下哪项属于工业建筑?A. 住宅B. 办公楼C. 工厂D. 学校答案:C2. 以下哪种材料属于有机材料?A. 混凝土B. 砖C. 木材D. 钢筋答案:C3. 建筑构造中,下列哪项属于承重结构?A. 楼板B. 柱C. 墙D. 屋面答案:B4. 以下哪个属于建筑构造的基本要素?A. 基础B. 门窗C. 楼梯D. 墙答案:D5. 建筑物的防潮层一般设置在以下哪个位置?A. 基础B. 地面C. 墙体D. 屋面答案:C二、填空题(每题2分,共20分)1. 建筑物按层数分类,一般可分为______层建筑、多层建筑和高层建筑。
答案:一层2. 建筑物的耐久性是指建筑物在正常使用条件下,能够保持其______和______的能力。
答案:使用功能,结构安全3. 建筑构造中的墙分为______墙和______墙。
答案:承重墙,非承重墙4. 建筑物的防火等级分为______级。
答案:四级5. 建筑物的防潮层主要作用是防止______和______。
答案:地下水,毛细水三、判断题(每题2分,共20分)1. 建筑物的耐久性主要取决于建筑材料的耐久性。
()答案:正确2. 建筑物的防火等级越高,其防火性能越好。
()答案:正确3. 建筑物的防潮层可以防止地下水上升。
()答案:正确4. 建筑物的屋面排水方式有内排水和外排水两种。
()答案:正确5. 建筑物的楼梯可以分为直跑楼梯、转角楼梯和螺旋楼梯等。
()答案:正确四、识图题(每题10分,共30分)1. 请指出下列图纸中的基础、柱、梁、板、楼梯等建筑构造部位。
答案:略2. 请指出下列图纸中的屋面防水层、隔热层、保温层等建筑构造部位。
答案:略3. 请指出下列图纸中的门窗、楼梯、阳台等建筑构造部位。
答案:略五、论述题(每题15分,共30分)1. 请论述建筑构造中,墙体的作用及分类。
答案:建筑构造中,墙体是建筑物的主要承重构件之一,其主要作用有:承重、分隔、围护、保温、隔热等。
建筑构造与识图复习题一、填空题、图样及说明中的汉字宜采用长仿宋体。
3、比例宜注写在图名的右侧,字的底线应取平,比例的字高应比图名字号小一到二号。
4、图样尺寸的组成:尺寸界线、尺寸线、尺寸数字、尺寸起止符号。
5、丁字尺用于画水平线。
6、三面正投影图的投影关系:长对正(H/V),高平齐(V/W),宽相等(H/W)。
7、建筑基本模数:数值为100mm,其符号为M,即1M=100mm.8、附加定位轴线的编号用分数表示,分母用前一轴线的编号后者后一轴线编号前加零表示;分子表示附加轴线的编号,编号宜用阿拉伯数字顺序编。
9、深基础:埋置深度大于5米; 浅基础:埋置深度小于5米。
(单位:mm)11、钢筋混凝土过梁:当门窗洞口跨度超2米或上部有集中荷载时,需采用钢筋混凝土过梁。
12、圈梁:当只设一道圈梁时,应通过屋盖处,增设时,应通过相应的楼盖处或门洞口上方。
14、楼梯段的宽度不小于1100mm,楼梯平台的宽度应不小于楼梯段的宽度,对于双跑平行式楼梯,平台宽度应不小于楼梯段的宽度,并且不小于1100mm。
15、一般建筑物楼梯扶手高度为900mm;平台上水平扶手长度超过500mm时,其高度应不小于1000mm。
16、室外台阶由平台和踏步组成,平台面应比门洞口每边宽出500mm左右,并比室内地坪低20~50mm。
当室内外高差超过1000mm时,应在台阶临空一侧设置围护栏杆或栏板。
17、一般情况下,门保证通行的高度不小于2000mm,当上方放亮子时,应加高300~600mm;宽度一般为700~1000mm。
18、首页图包括图纸目录、设计说明、工程做法和门窗表。
二、名词解释1、平行投影:指投影线相互平行所形成的投影。
2、斜轴测投影:平行投影的方向倾斜于轴测投影面。
3、平面图:用一个假想的水平剖切平面沿略高于窗台的位置剖切房屋后,移去上面部分,对剩下部分向H面做正投影,所得的水平剖面图及为建筑平面图,简称平面图。
三、问答1、民用建筑各部分的作用及构造要求(一)基础作用:基础是建筑物最下面埋在土层中的部分,它承受建筑物的全部荷载,并把荷载传给下面的土层——地基。
建筑识图与构造试题与参考答案一、单选题(共100题,每题1分,共100分)1.假想用一个平行于某投影面的剖切平面在形体的适当部位将形体剖开,移去观察者和剖切平面之间的形体,对余下形体所作的投影图称为。
()A、示意图B、剖面图C、详图D、断面图正确答案:B2.用来限定被标注的尺寸范围的是()。
A、尺寸数字B、尺寸线C、尺寸起止符号D、尺寸界线正确答案:D3.下列的楼地面做法中,是块状材料的是()。
A、预制水磨石B、细石砼C、水泥砂浆D、现浇水磨石正确答案:A4.基础埋深不得过小,一般不小于()。
A、300mmB、500mmC、200mmD、400mm正确答案:B5.下列的楼地面做法中,是块状材料的是 ( ) 。
A、水泥砂浆B、细石砼C、预制水磨石D、现浇水磨石正确答案:C6.钢筋砖过梁两端的砖应伸进墙内的搭接长度不小于()mm。
A、20B、240C、120D、60正确答案:B7.半砖墙的实际厚度是 ( ) 。
A、125mmB、115mmC、120mmD、110mm正确答案:B8.墙体按施工方法分为()。
A、块材墙和板筑墙等B、纵墙和横墙C、承重墙和非承重墙D、空体墙和实体墙等正确答案:A9.室内标高为-0.3m,条形基础基底标高为-1.8m,则基础埋深为()。
A、1.8mB、0.3mC、2.1mD、1.5m正确答案:D10.在抗震设计中,确定箍筋肢数时要满足对柱纵筋()。
A、隔一拉一B、隔二拉二C、隔二拉一D、隔一拉二正确答案:A11.装配式钢筋混凝土楼板的板缝宽度一般要求不小于 mm。
()A、25mmB、40mmC、30mmD、20mm正确答案:D12.平面与曲面立体的截交线,一般情况下是一条(B)A、不封闭的平面曲线B、封闭的平面曲线C、不封闭的平面折线D、封闭的平面折线正确答案:B13.从基础开始到屋顶全部断开的变形缝是()。
A、伸缩缝B、温度缝C、抗震缝D、沉降缝正确答案:D14.三个投影均为斜直线的空间直线是()。
《建筑构造与识图》习题库及答案建筑识图部分:一、单选题:(每题1分)1、表示为(B )。
A.A号轴线之后的第三根附加轴线B.A号轴线之前的第三根附加轴线C.0A号轴线之后的第三根附加轴线D.0A号轴线之前的第三根附加轴线2、定位轴线应用( D )绘制。
A.中粗实线 B.细实线 C.虚线 D.细点划线3、定位轴线的端部圆圈直径为(A)A.10mmB.14mmC. 24mmD.没有要求4、定位轴线的端部圆圈线型为(C)A.粗实线B.中实线C.细实线D.细虚线5、横向定位轴线是从图纸的左下角开始用(A)表示。
A.从左往右用①-⑩等表示B.从上往下用A-G等表示C.从右往左用①-⑩等表示D.从下往上用A-G等表示6、在建筑平面图中,纵向定位轴线用拉丁字母并按(D)顺序编号A、从左向右B、从右向左C、从上向下D、从下向上7、对于(A),一般用分轴线表达其位置。
A.隔墙B.柱子C.大梁D.屋架8、房间的( A)是指平面图中相邻两道横向定位轴线之间的距离。
A.开间 B.进深 C.层高 D.总尺寸9、、纵向定位轴线用大写拉丁字母编号,拉丁字母中的(C)是不得用于轴线编号的。
A、H、K、ZB、I、O、QC、I、O、ZD、E、G、K10、指北针的圆圈直径宜为(C)。
A. 14mmB.18mmC.24mmD.30mm11、详图符号应以粗实线画出,直径为(B)mm。
A.12 B.14 C.16 D.1812、建筑物及其构配件在装修、抹灰以后表面的相对标高称为( A )。
A.建筑标高B.结构标高C.相对标高D.绝对标高13、总平面图中室外地面整平标高标注的是(D)。
A.建筑标高B.结构标高C.相对标高D.绝对标高14、相对标高的零点正确的注写方式为(A )。
A. ±0.000B. -0.000C. +0.000D.无特殊要求15、相对标高是以建筑的()高度为零点参照点。
A、基础顶面B、基础底面C、室外地面D、室内首层地面16、建筑剖面图及其详图中注写的标高为( A )。
《建筑识图与构造》习题库(含参考答案)一、单选题(共50题,每题1分,共50分)1、下列关于台阶踏步尺寸的要求,说法正确的是( )。
A、踏面宽度≥300㎜,踢面高度≥150㎜;B、踏面宽度≥300㎜,踢面高度≤150㎜;C、踏面宽度≥300㎝,踢面高度≤150㎝。
D、踏面宽度≤300㎜,踢面高度≤150㎜;正确答案:B2、一般民用建筑门洞的高度不宜小于( )mm,如门设有亮子时,亮子高度一般为300mm~600mm。
A、2100B、1200C、3000D、1500正确答案:A3、地下室的外包卷材防水构造中,墙身处防水卷材须从底板包上来,并在最高设计水位( )处收头。
A、以上500~1000mmB、以下500~1000mmC、以上50mmD、以下50mm正确答案:A4、外墙外侧墙脚处的排水斜坡构造称为( )。
A、勒脚B、散水C、墙裙D、踢脚正确答案:B5、当采用无组织排水时,散水的宽度可按檐口线放出( )。
A、400~600mmB、200~300mmC、300~400mmD、100~200mm正确答案:B6、梯段改变方向时,扶手转向端处的平台最小宽度不应小于梯段宽度,并不得小于( )。
A、1200mmB、900mmC、1000mmD、1100mm正确答案:D7、雨篷是建筑物上重要的附属构件,一般在( )平面图上予以表示。
A、中间层B、首层C、顶层D、二层正确答案:D8、表示房屋内部的结构形式、屋面形状、分层情况、各部分的竖向联系、材料及高度等的图样,称为( )。
A、外墙身详图B、楼梯剖面图C、建筑剖面图D、楼梯结构剖面图正确答案:A9、A2的图幅尺寸是( )A、420×594B、210×297C、840×1189D、420×297正确答案:A10、水平线的水平投影反映与( )面的倾角。
A、H、WB、V、WC、V、HD、H、W正确答案:B11、当基础受到冰冻的影响时,将破坏基础结构,因此,必须将基础埋置在冰冻线以下( )mm方为合格。
建筑识图与构造复习题与答案一、单选题(共100题,每题1分,共100分)1.字体的号数,即字体的()。
A、角度B、宽度C、高度D、长度正确答案:C2.下列关于构造柱,说法错误的是()。
A、构造柱的作用是增强建筑物的整体刚度和稳定性。
B、构造柱的最小截面尺寸是240mm、180mm。
C、构造柱处的墙体宜砌成马牙搓。
D、构造柱可以不与圈梁连接。
正确答案:D3.下列关于圈梁,说法错误的是()。
A、一般情况下,圈梁必须封闭。
B、圈梁可以兼做过梁。
C、过梁可以兼做圈梁。
D、当遇有门窗洞口时,需增设附加圈梁。
正确答案:C4.下面关于比例描述正确的是()。
A、一个图样只能选择一个比例B、1:100小于1:200C、比例是图样与实物相对应的线型尺寸之比D、图形越复杂,则比例越小正确答案:C5.若一条直线在某一投影面上投影积聚为一点,另两面投影同时平行于一条相应的投影轴且反映实长,则它与投影面的关系是()。
A、平行B、垂直C、不确定D、斜交正确答案:B6.圈梁的设置主要是为了()。
A、承受竖向荷载B、提高建筑物的整体性和抗震能力C、建筑设计需要D、便于墙体砌筑正确答案:B7.高层阳台的栏杆高度不宜小于()。
A、1000mmB、1100mmC、1050mmD、1150mm正确答案:B8.一般把交接处均为刚性节点的房屋结构叫()。
A、框架结构B、砌体结构C、砖混结构D、木结构正确答案:A9.下列不属于刚性基础的是()。
A、砼基础B、砖砌独立基础C、毛石基础D、钢筋砼基础正确答案:D10.注写文字说明时,文字的高度不应小于()。
A、5.0mm`B、2.5mmC、3.0mmD、3.5mm正确答案:D11.下列()不是门常见的高度。
A、2000mmB、2200mmC、2100mmD、1950mm正确答案:D12.下列何种砂浆具有较高的强度()。
A、混合砂浆B、水泥砂浆C、粘土砂浆D、石灰砂浆正确答案:B13.砖基础的采用阶梯式、逐级向下放大的做法,一般为每2皮砖挑出()的砌筑方法。
《建筑构造与识图》复习资料答案单元1子单元1 投影知识一、单选题1.C2.A3.C4.B5.C6.D7.B8.C9.C 10.C11.D 12.B 13.D 14.B 15.C 16.C 17.B 18.B 19.C 20.D21.B 22.D 23.A 24.D 25.A二、填空题1. H W V2.W Z H X 23.上下4.15 25 105.一般位置直线投影面平行线投影面垂直线6. 一般位置平面投影面平行面投影面垂直面7.根据图①,判断直线与平面的空间位置关系:1)直线SA是正平线;直线BC是正垂线;直线SB是一般位置线;直线AB是水平线;直线SC是一般位置线;2)平面SBC是正垂面;平面ABC是水平面。
8.根据图②,在投影图上注明空间形体各表面的三面投影,并判断其空间位置。
P为侧垂面;Q为侧平面;R为正平面; N为水平面。
9.根据断面图在视图上的位置不同,可分为移出断面图、中断断面图、重合断面图三种。
10.根据不同剖切方式,剖面图有全剖面图、半剖面图、阶梯剖面图、旋转剖面图、局部剖面图五种。
子单元2 建筑制图知识一、单选题1.D2.A3.C4.A5.A6.A7.D8.B9.A 10.D11.A 12.D 13.A 14.C 15.C 16.D 17.B 18.B 19.D 20.C21.B 22.D 23.B 24.B 25.C 26. C 27.D 28.C 29.C 30.B31.A 32.A 33.A 34.D 35.C 36.D 37.A 38.C 39.B 40.A41.C 42.D二、填空题1. 2:12.建筑工程制图中图线宽度可分为粗、中粗、中、细四种,线宽比为 1: 0.7 : 0.5 : 0.25 。
3.图纸中图示比例1:100指图形与实物相对应的线性尺寸之比。
4. J103 2 55. 14mm 粗实线6. 24mm 细实线7. 风玫瑰 8. 细单点长画线9. 尺寸线、尺寸界线、尺寸起止线和尺寸数字10.对称符号由对称线和两端的两对平行线组成,对称线用细单点长画线绘制。
建筑构造与识图复习题一、简答题简述民用建筑的基本组成部分包括哪些?按层数如何分类?简述一套完整的建筑施工图包括哪些内容?地下室在什么情况下应做防潮处理,在什么情况下应作防水处理?常见的地面构造做法有哪几大类?墙面装修构造做法有哪几大类?墙身加固措施有哪些?基础埋深建筑标高简述构造柱的设置位置及构造要求。
楼板层应满足哪些设计要求?墙体有哪些作用?有何设计要求?屋顶的作用是什么?屋顶有哪几部分组成?平屋顶的隔热方式有哪些?什么是刚性防水防水屋面?其分格缝的作用是什么?分格缝通常设在哪些部位?什么是工业建筑?工业建筑有哪些特点?如何解决底层楼梯平台下供人通行时的净空高度问题?单层工业厂房有哪几种结构类型?常见的排架结构的单层工业厂房主要由哪些结构构件组成?请绘制柔性防水屋面的构造图,并按要求标注构造层次的名称。
请绘制卷材防水屋面的泛水构造图,并归纳泛水构造处理的要点。
二、填空题住宅建筑中把层称为低层建筑,把层称为多层建筑,把层称为中高层建筑,把层以上或总高度超过米的建筑称为高层建筑。
一般民用建筑是由、、、、和等基本构件组成。
普通烧结实心粘土砖的标准尺寸为。
变形缝包括、、。
一套工程图,根据专业设计分工的不同,一般分为、、。
泛水应具有足够的高度,一般不小于,非迎风面为。
建筑物按其使用功能不同,一般分为、和等。
《建筑模数协调统一标准》中规定,基本模数以表示,数值为。
公共建筑及综合性建筑总高度超过 m者为高层(不包括单层主体建筑);高度超过 .m时,为超高层建筑。
地基分为和两大类。
大量民用建筑中,常用的隔墙有、和等。
按装修材料及施工方法分类,墙面装修可分为、、、、五大类。
根据受力和传力情况不同,现浇钢砼楼板分为、、、等几种形式。
和统称为楼地面。
常见的地面构造类型有整体式地面、、、四大类型。
踢脚高度一般为 mm,材料一般与地面材料相同。
墙裙高度一般为 mm,经常有水作用的房间应适当增加。
顶棚又称为天棚、天花板或望板,按其构造形式分为和两种。
1. 《建筑模数统一制》中规定建筑中采用的模数有基本模数、__ 分模数______和扩大模数。
2.柱子在平面上排列所形成的网格称为___柱网____,其尺寸由柱距和跨度组成。
3.为增加墙体的稳定性,加固措施包括设圈梁、__结构柱____、壁柱和门垛。
4. 勒脚是墙身接近室外地面的部分,常用的抹灰材料为水泥砂浆。
5.泛水是指屋面防水层与垂直墙面交接处的____防水构造______,泛水高度一般为_____250_____mm。
6.平屋顶按屋面防水材料不同,可分为柔性防水屋面,刚性防水屋面、____涂料防水屋面和粉剂防水屋面。
7. 变形缝有伸缩缝、沉降缝、防震缝三种。
8. 根据基础埋置深度的不同,基础有深基础、浅基础、不埋基础。
9.《建筑模数协调统一标准》中规定,基本模数以 M 表示,数值为100mm。
10. 变形逢包括伸缩缝、沉降缝和防震缝。
11.地面根据面层所用的材料及施工方法的不同,常用地面可分为整体地面、块材地面、卷材地面、涂料地面等四大类型。
12.顶棚按构造形式不同有直接式顶棚和吊顶两种类型。
13.平屋顶找坡的方法有材料找坡和结构找坡两种。
14.平屋顶材料找坡的坡度宜为 2% ,找坡层的最薄处不小于20厚。
15.门的主要作用是交通联系,兼采光和通风。
窗的主要作用是采光、通风和眺望。
16.楼梯的净高在平台处不应小于 2米,在梯段处不应小于 2.2米。
17.楼板层主要由三部分组成: 面层、结构层、顶棚层。
18.为增加墙体的稳定性,加固措施包括设圈梁、结构柱、壁柱和门垛。
单选题:1.泛水系屋面防水层与垂直墙交接处的防水处理,其常见高度为(D)。
A、120B、180C、200D、2502. 公共建筑中,建筑高度在( A )m以上的为高层建筑。
A.50B. 60C.30D.403.对抗震不利的为(D)楼梯。
A、预制梁板式B、预制墙承式C、现浇板式D、预制悬臂踏步4.厂房室内外地坪高差一般为( A )mm。
A.150B.300C.450D.6005.对于有抗震要求的建筑,其墙身水平防潮层不宜采用(C)。
A、防水砂浆B、细石混凝土(配3φ6)C、防水卷材D、圈梁6. 建筑物的耐久等级为二级时其耐久年限为( A )年,适用于一般性建筑。
A、50 ~ 100B、80 ~ 150C、25 ~ 50D、15 ~ 25 7.砖基础采用台阶式、逐级向下放大的做法,一般为每2皮砖挑出( B )的A、1/2砖B、1/4砖C、3/4砖D、1皮砖8.一般情况下,对埋置在粉砂、粉土和黏土中的基础,基础底面应埋置在冰冻线以下( C )mm。
A、300B、250C、200D、1009.墙体设计中,构造柱的最小尺寸为( B )。
A、180mm×180mmB、180mm×240mmC、240mm×240mmD、370mm×370mm10.阳台栏杆的垂直杆件间净距不应大于( A )mm。
A、 110B、 120C、 130D、 15011.楼梯栏杆扶手的高度一般为900mm,供儿童使用的楼梯应在不小于( C )mm高度增设扶手。
A、400B、700C、600D、50012.混凝土刚性防水屋面的防水层应采用不低于( B )级的细石混凝土整体现浇。
A、 C15B、 C20C、 C25D、 C3013.为了使外墙具有足够的保温能力,应选用( C )的材料砌筑。
A、强度高B、密度大C、导热系数小D、导热系数大14.以下哪点不是压型钢板组合楼板的优点?(C)A、省去了模板B、简化了工序C、技术要求不高D、板材易形成商品化生产15.在居住建筑中,使用最广泛的木门是(D)。
A、推拉门B、弹簧门C、转门D、平开门多选题:1.下列( A C)项数字符合建筑模数统一制的要求。
A.3000mmB.3330mmC.50mmD.1560mm2.现浇钢筋混凝土楼板的特点在于( BD )。
A.施工简便B.整体性好C.工期短D.不需湿作业3. 水平防潮层的材料可用( ACE )。
A.细石混凝土加配筋B.混合砂浆C.防水砂浆D.石灰砂浆E.油毡4. 轻钢龙骨石膏板吊顶的主要优点是( BCE )。
A.造价低B.施工安装快C.无湿作业D.自重大E.耐火性好5.基础根据所用材料及受力的不同,可分为(BC)。
A.砖基础B.柔性基础C. 刚性基础D.混凝土基础简答题:1. 影响基础埋深的因素有哪些。
(6分)解:1、建筑物上部荷载的大小和性质,多层建筑一般根据地下水位及冻土深度等来确定埋深尺寸。
2、工程地质条件。
3、水文地质条件。
4、地基土壤冻胀深度。
5、相邻建筑物基础的影响。
2.简述一般民用建筑物的组成及各组成部分的作用。
(8分)解:基础,基础承受着建筑物的全部荷载,并将这些荷载传给地基;墙,是建筑物的承重构件和围护构件;楼板层,是楼房建筑中水平方向的承重构件;地坪,承受底层房间内的荷载;楼梯,是楼房建筑的垂直交通设施;屋顶,是建筑物顶部的外围护构件;门,主要供人们内外交通和隔离房间之用;窗,主要是采光和通风。
3.简述屋顶坡度的形成方法及其在平屋顶施工中的适宜坡度。
(6分)解:1、材料找坡是指屋顶坡度由垫坡材料形成,一般用于坡向长度较小的屋面。
平屋顶材料找坡的坡度宜为2%。
2、结构找坡是指屋顶结构自身带有排水坡度,平屋顶结构找坡的坡度宜为3%。
4.构造柱的作用和设置要求是什么?(7分)钢筋混凝土构造柱是从构造角度考虑设置的,是防止房屋倒塌的一种有效措施。
构造柱必须与圈梁及墙体紧密相连,从而加强建筑物的整体刚度,提高墙体抗变形的能力。
(2分)a.构造柱最小截面为180mm×240mm,纵向钢筋宜用4φ12,箍筋间距不大于250mm,且在柱上下端宜适当加密;7度时超过六层、8度时超过五层和九度时,纵向钢筋宜用4φ14,箍筋间距不大于200mm;房屋角的构造柱可适当加大截面及配筋。
(2分)b. 构造柱与墙连结处宜砌成马牙槎,并应沿墙高每500mm设2φ6拉接筋,每边伸人墙内不少于1m(如构造柱马牙槎构造图)。
(2分)c.构造柱可不单独设基础,但应伸入室外地坪下500mm,或锚入浅于500mm的基础梁内。
(1分)名词解释:1.大量性建筑:指建筑规模不大,但修建数量多,与人们生活密切相关的分布面广的建筑,如住宅、中小学教学楼、医院、中小型影剧院、中小型工厂等。
2.基础埋置深度基础埋置深度是指室外设计地坪至基础底面的垂直距离.3.散水屋面为无组织排水时一般设散水,但应加滴水砖(石)带。
散水的做法通常是在素土夯实上铺三合土、混凝土等材料,厚度60~70mm。
散水应设不小于3%的排水坡。
散水宽度一般0.6~1.0m。
4.无组织排水:是指屋面雨水直接从檐口落到室外地面的一种排水方式。
绘图与识图题:1.写出下图中1-4处墙体各部分名称。
(6分)1外纵墙 2山墙 3内纵墙 4内横墙2. 试绘出通常情况下楼板层(预置楼板)的组成图。
(10分)2.试绘出通常情况下卷材防水屋面的泛水构造图。
(6分)计算题:1. 某居民住宅,层高为2.8m,公用楼梯的楼梯间净宽为2.3m,净深为5.2m,预设计16级踏步,其中两梯段之间的缝隙宽为160mm。
1)求踏步高。
(2分)2)现采用2h+b=600mm的公式来计算踏步宽,问求出的踏步宽是否合理。
(3分)3)若以上式计算出的踏步宽合理,问楼梯间的净深是否满足要求。
(8分)解:1)h=2.8/16=0.175m=175mm2)b=600-2*h=600-2*175=250mm满足住宅公用楼梯踏步最小宽度250mm的要求,合理。
3)L=(N/2-1)b=(16/2-1)*250=1750mm=1.75mB=(A-C)/2=(2.3-0.16)/2=1.07m因D≥B故所需最小净深为L+2B=1.75+2*1.07=3.89m<5.2m满足要求。
2、某办公楼的层高为3000mm,楼梯间开间2700mm,进深为5400mm,试设计一双跑并列式楼梯,要求在楼梯平台下作出入口。
(也可绘出楼梯间的平面图及入口处剖面来说明,标明尺寸)。
答:本题主要是计算出踏步的尺寸与数量及解决平台下出入口的净高问题。
(8分)1.计算出标准层楼梯具体尺寸。
因为开间为2.7m,减去两面墙厚和楼梯井(两梯段的间隙)宽60mm,就可确定梯段的宽度,即:根据平台宽度大于等于梯段宽度的规定,可计算出梯段最大长度:L=5400-2×120-2×1200=2760mm踏步尺寸首先应按建筑使用性质与用途,先求出踏步的宽度b。
梯段长度为2760mm。
暂取9个踏步面考虑,此时:b=2760÷9=300mm该宽度对办公建筑比较合适。
9个踏步面是10个踏步高度,所以踏步高h为:h=1500÷10=150mm这时2h+b=150×2+300=600mm界于600~620mm。
可见上面求得的数据合理。
(4分)2.为保证平台梁下有2m净空,考虑梁的高度为300mm左右,若一楼到二楼也做成等跑楼梯,则楼梯间地面标高定为-0.80m,梁底净空可作为2m。
楼梯间和室外还必须设一个踏步或100mm高差,所以室内外高差最少做到0.9m。
酒店总经理年度个人工作汇报。