安全质量环保检查考核评分表
- 格式:docx
- 大小:66.95 KB
- 文档页数:14
环保企业排放标准检查评分表
一、概述
本文档旨在制定一份环保企业排放标准检查评分表,以评估企业的排放情况并促进环境保护。
二、评分标准
1. 排放种类:(满分:10分)
- 废气排放:(满分:5分)
- 符合国家废气排放标准:得分满分
- 超出国家废气排放标准但符合地方废气排放标准:得分4分- 未达到废气排放标准:得分0分
- 废水排放:(满分:5分)
- 符合国家废水排放标准:得分满分
- 超出国家废水排放标准但符合地方废水排放标准:得分4分- 未达到废水排放标准:得分0分
2. 监测与报告:(满分:10分)
- 定期监测排放情况并编制报告:得分满分
- 监测排放情况但未及时编制报告:得分8分
- 未监测排放情况:得分0分
3. 环境改善措施:(满分:10分)
- 采取有效的环境改善措施,如废气净化设备、废水处理设施等:得分满分
- 采取一定的环境改善措施但效果不显著:得分8分
- 未采取环境改善措施:得分0分
4. 违规情况:(满分:10分)
- 近一年内没有违规行为:得分满分
- 近一年内有轻微违规行为但已整改:得分8分
- 近一年内有违规行为且未整改:得分0分
5. 环境管理体系:(满分:10分)
- 建立并有效运行环境管理体系:得分满分
- 未建立或环境管理体系运行不完善:得分8分
- 未建立环境管理体系:得分0分
三、评分总结
根据以上评分标准,对环保企业排放标准检查评分表的得分进
行总结,满分为50分。
企业可以根据自身得分情况进行环境改善,提高排放标准的符合程度。
注意:评分表仅供参考,具体情况仍需根据相关法规和政策进
行判断和执行。
安全环保部综合考评评分表
为了推进企业安全生产和环境保护工作的落实和进一步提高企业安全生产和环境保护水平,我们公司制定了安全环保部综合考评评分表,用于对每个部门的安全生产和环境保护工作进行全面考核评估,以下是该评分表的内容:
一、安全生产考核指标(满分100分)
1.安全生产目标责任制度是否健全:15分
2.事故隐患排查整改是否到位:20分
3.安全教育培训是否有效:15分
4.安全管理制度是否完善:20分
5.事故应急预案是否健全:10分
6.安全技术措施是否有效:10分
7.安全生产月度目标完成情况:10分
8.安全生产专项检查情况:10分
9.安全生产考试成绩:10分
二、环境保护考核指标(满分100分)
1.环境保护目标责任制度是否健全:15分
2.环保设施运行情况是否正常:20分
3.环保设施的维护及保养状况:10分
4.环境监测数据是否合格:20分
5.生产废气、废水、废固处理是否规范:20分
6.环保信用评价要求是否达标:5分
7.环保投入是否充分:10分
8.环保检查及整改情况:10分
三、综合评估
1.评估部门在安全生产和环境保护两个方面的总得分:满分200分
2.评估部门所开展的其他工作表现情况:可以适当加减分,但加减分不超过总得分的10%。
考核评估结果和得分将会被用于企业的绩效考核,评估表将会定期进行修订和更新,以适应企业安全生产和环境保护工作的不断变化。
通过这样的考核评估,安全环保部门将能够更好地推动企业安全生产和环境保护工作的落实,提高企业的安全生产和环境保护水平。
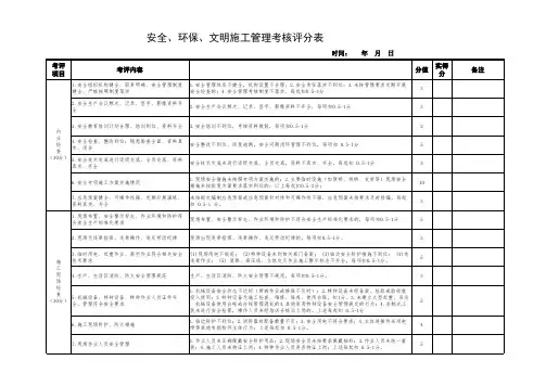
附件三:安全环保考核表为规范G346巢庐路改建工程01标施工现场安全环保管理,有效提升安全环保管理标准化、规范化、程序化水平,特制定本标准。
一、考核计分说明(一)安全环保检查考核采取评分表计分形式。
分项评分表考核内容为临时用电(100分)、安全防护(100分)、安全标志标牌(100分)、梁场作业安全(100分)、特种设备(100分)、梁板架设及运输(100分)、项目推行标准化及消防管理(100分)、其他安全责任管理(100分)、环境保护管理(100分),安全奖罚根据考核项目的实际情况。
(二)每项考核评分表满分为100分,考核中遇有缺项时,分项评分表得分按下式计算:考核项目实际得分分项评分表得分=-----------------------------×100考核项目应得分值∑分项评分表考核得分(三)月度安全检查考核得分=------------------------∑实际考核分项评分表个数(四)各小项扣分上限值为该小项标准1二、安全环保考核汇总表21、临时用电考核检查表(满分100分)考核人:审核人:日期:32、安全防护考核检查表(满分100分)考核人:审核人:日期:43、安全标志标牌考核检查表(满分100分)考核人:审核人:日期:54、梁场作业安全考核检查表(满分100分)6考核人:审核人:日期:5、特种设备考核检查表(满分100分)7考核人:审核人:日期:6、梁板架设及运输考核检查表(满分100分)8考核人:审核人:日期:7、标准化及消防管理考核检查表(满分100分)9考核人:审核人:日期:108、其他安全管理考核检查表(满分100分)考核人:审核人:日期:9、环境保护考核项目考核人:审核人:日期:。
月度安全环保考核表【知识专栏】月度安全环保考核表一、引言在当今社会,安全环保问题越来越受到人们的关注。
人们意识到,只有保障安全和环保,才能保证人的生命健康和社会的可持续发展。
为了管理和监控企业的安全环保情况,月度安全环保考核表成为了一种重要的工具。
月度安全环保考核表可以对企业的安全环保工作进行全面、深入而有针对性的评估,帮助企业从源头预防事故和污染,持续改进工作,并达到高质量的安全环保目标。
二、全面评估的重要性1. 考核指标及其重要性月度安全环保考核表是根据企业具体的安全环保要求制定的,常见的考核指标包括安全培训、事故预防、危险化学品管理、废物处理、环境监测等。
这些指标在评估企业安全环保工作时起着重要的作用。
安全培训能提高员工的安全意识和技能,事故预防能有效避免事故的发生,废物处理和环境监测能保护环境免受污染。
2. 深度评估的价值通过深度评估,企业可以全面了解安全环保工作的现状,并明确改进的方向。
深度评估可包括现场检查、文件审核、员工访谈等方法。
通过现场检查可以了解设备设施的安全性和规范操作的执行情况;通过文件审核可以查阅企业的安全环保文件是否完备和有效;通过员工访谈可以了解员工对安全环保工作的态度和实施情况。
深度评估能帮助企业发现和纠正存在的问题,更好地落实安全环保政策和措施。
三、值得思考的问题1. 安全环保的重要性和挑战安全环保是企业可持续发展的基石,同时也是一个充满挑战的领域。
如何平衡安全和效益、如何提高员工的安全意识和技能、如何避免事故和污染的发生等问题都需要我们深入思考并找到解决方案。
2. 安全环保考核表的优化随着社会的发展和安全环保意识的提高,安全环保考核表也需要不断优化。
如何使考核指标更加贴合企业的实际情况,如何通过考核促使企业持续改进安全环保工作等问题都需要我们的关注和思考。
四、个人观点和理解我个人认为,月度安全环保考核表是企业安全环保工作管理的重要工具,可帮助企业从全面、深入的角度评估自身的安全环保情况,并持续改进工作。
安全检查评分表安全检查评分表一、场所外部安全检查1. 房屋外部是否存在裂缝或倒塌的迹象?2. 门窗是否完好无损,能否顺畅打开和关闭?3. 是否安装了防盗门锁或其他防盗措施?4. 是否清理了路面积水和其它障碍物,以保障安全通行?二、灾害防范安全检查1. 是否存在火灾隐患,如电线杂乱,明火使用等?2. 是否存在漏电隐患,如电线老化,socket不合格等?3. 是否存在天气灾害隐患,如窗户密封性差等?4. 是否存在自然灾害隐患,如地震,海啸等?三、应急处理安全检查1. 是否准备了消防器材及第一扑救工具?2. 是否有紧急通讯手段,例如电话或对讲机?3. 是否制定了应急预案,以应对各种突发事件?四、人员安全检查1. 安全负责人是否及时通知员工有关安全事项?2. 员工是否接受了必要的安全培训?3. 是否定期开展安全教育活动,以提高员工安全意识?4. 是否制定了职业病防护规定,以保障员工职业健康?五、设备安全检查1. 机器设备是否按照规定操作?2. 是否及时保养维护设备,确保设备正常运转?3. 是否进行了必要的安全检测,以保证设备质量?六、其他安全检查1. 场所内是否存在走路打滑的危险?2. 是否存在物品悬挂在高处,可能掉下伤人?3. 是否存在堆放杂物的现象,可能引发安全事故?4. 是否遵守环保规定,避免污染环境?七、评估措施1. 检查结果如下,请对照真实情况填写,并得出相应措施。
项目得分相应措施一、场所外部安全检查1.房屋外部 /10 消除存在安全隐患的问题,确保房屋稳定安全。
2.门窗 /10 安装防盗门锁及其它防盗措施,保障安全。
3.路面通行 /10 清理路面积水和其它障碍物,以保障安全通行。
二、灾害防范安全检查1.火灾隐患 /10 清理杂物,规范使用材料,防患于未然。
2.漏电隐患 /10 更换电线及plug,防患于未然。
3.天气灾害 /10 检查窗户密封,更换需要更换的窗户。
4.自然灾害 /10 根据地理位置决定所需防范措施。