光模块pd的作用
- 格式:docx
- 大小:16.53 KB
- 文档页数:1
光模块pd的作用光模块PD的作用光模块是一种集成了光电转换功能的器件,它能够将光信号转换为电信号或将电信号转换为光信号。
其中,PD(Photodiode)是光模块中的一个重要组成部分,它承担着光电转换的关键任务。
本文将围绕光模块PD的作用展开阐述。
光模块PD作为光电转换器,负责将光信号转换为电信号。
当光信号照射到PD上时,光子能量被PD吸收,激发电子从价带跃迁到导带,产生电子空穴对。
这些电子空穴对在电场作用下被分离,形成电流。
通过测量这一电流,我们可以获得光信号的强度和光功率的信息。
因此,光模块PD在光通信、光传感等领域中扮演着重要的角色。
光模块PD还可以作为光信号的接收器。
在光通信中,光模块PD 接收到光信号后,将其转换为电信号,并通过电路进行放大和处理,最终恢复出原始的数据信息。
这种接收功能对于光纤通信等高速传输应用尤为重要,能够实现高速、长距离的数据传输。
光模块PD还具有光电探测的功能。
通过接收外界的光信号,PD能够实时感知光源的存在和状态。
例如,在光纤通信系统中,PD可以用作光纤断线检测器,当光纤发生断裂或故障时,光信号无法到达PD,从而产生异常的电信号,用以报警或进行故障诊断。
除了上述的基本功能外,光模块PD还可以通过一些特殊的设计和工艺实现其他功能。
例如,通过控制PD的工作电压和光敏区的结构,可以实现光电转换的灵敏度调节。
这样一来,可以根据实际需求灵活调整PD对光信号的响应程度。
另外,PD还可以通过改变光敏区的尺寸和形状来实现对特定波长的光信号的选择性接收。
光模块PD作为光电转换器和接收器,承担着将光信号转换为电信号以及接收和探测光信号的重要任务。
它在光通信、光传感等领域中发挥着不可替代的作用。
随着光通信和光传感技术的不断发展,光模块PD的性能和功能也在不断提升,为相关应用带来了更多的可能性。
未来,我们可以期待光模块PD在光电领域中的更广泛应用和进一步创新。
光模块工作原理
光模块是一种用于光通信的设备,它将光信号转换为电信号或将电信号转换为光信号。
光模块通常由光电器件(例如激光二极管、光电二极管)和相关的电路组成。
光模块的工作原理可以分为发送和接收两个步骤。
发送:
1. 发送端电路将电信号转换为光信号。
首先,电路将待发送的信号进行数字到模拟转换,以便生成连续的电信号波形。
2. 将模拟电信号输入到激光二极管(LD)中。
激光二极管处于正向偏置状态,当电流流过时,激光二极管会发射出激光光束。
3. LD发射的激光光束经过配适的透镜和光纤等光学元件,将光信号传输到接收端。
接收:
1. 光信号到达接收器之前,经过了光纤传输和其他光学元件的衰减和失真。
所以,接收端首先需要光电二极管(PD)来将光信号转换为电信号。
2. PD将接收到的光信号转换为电压或电流信号,并通过电路进行放大、滤波和恢复等处理。
3. 最终的电信号可以通过解调器或其他数据处理器进行数字信号的恢复和解码。
总之,光模块的工作原理是将电信号转换为光信号(发送)或
将光信号转换为电信号(接收),通过光电器件和电路的协同工作实现光通信的功能。
光模块pd的作用光模块PD的作用光模块PD(Photodiode)是一种能够将光信号转换为电信号的器件,广泛应用于通信、光网络、光纤传输等领域。
光模块PD的作用主要体现在以下几个方面:1. 光电转换光模块PD是一种半导体器件,具有光电转换的功能。
当光线照射到PD表面时,能量会被光敏材料吸收,并激发出电子和空穴。
通过适当的电场结构,光电子和空穴会被分离,进而产生电荷,形成电流信号。
这样就实现了光信号到电信号的转换,方便信号的传输和处理。
2. 接收光信号光模块PD作为光通信系统中的接收器,能够接收光纤传输过来的光信号。
光模块PD的灵敏度高,能够接收到微弱的光信号,并将其转换为电信号。
这样就可以实现光纤通信的双向传输,提高通信速率和稳定性。
3. 光电检测光模块PD具有高速响应和高灵敏度的特点,可以用于光电检测领域。
例如,在光电传感器中,光模块PD可以将光信号转换为电信号,并通过电路进行放大和处理,以实现对光强、光频率等参数的检测。
在工业控制、环境监测等领域中,光模块PD的应用可以实现对光信号的准确检测和分析。
4. 光功率测量光模块PD还可以用于光功率的测量。
通过将光信号引入光模块PD,通过电路对电信号进行放大和处理,可以得到与光信号强度成正比的电信号。
通过测量电信号的大小,可以准确地得到光信号的功率值。
这对于光通信系统的测试、调试和故障排除非常重要。
5. 光模块的保护光模块PD还可以用于光模块的保护。
光模块PD通常会在光模块的接收端用于检测光功率的强弱,一旦光功率超过一定范围或其他异常情况发生,PD会向控制电路发送信号,触发保护机制,以避免光模块的损坏。
总结:光模块PD作为一种光电转换器件,在光通信、光网络和光纤传输等领域中发挥着重要的作用。
通过光电转换,光模块PD能够将光信号转换为电信号,实现光与电之间的传输和转换。
其主要作用包括接收光信号、光电检测、光功率测量和光模块的保护等。
光模块PD的应用不仅提高了通信系统的性能和稳定性,同时也推动了光通信技术的发展和应用。
光模块上的参数的具体意思光模块是在光通信系统中用来转换光信号的设备,它有很多参数需要进行配置和调整。
以下是一些常见的光模块参数及其具体意义的详细解释。
1.激光器发射功率:激光器是光模块的核心部件之一,用来产生光信号。
激光器的发射功率是指激光器输出的光信号的强度,通常以dBm为单位表示。
激光器发射功率的大小与传输距离、光纤损耗等因素有关,需要根据具体需求进行配置。
2.接收器灵敏度:接收器是光模块用来接收光信号的部件,接收器灵敏度是指接收器能够识别和解读的最低光功率。
接收器灵敏度越高,表示接收器对光信号的要求越低,可以接收到较弱的光信号。
一般来说,接收器灵敏度越高,光模块的传输距离越远。
3. 工作波长:光模块的工作波长是指激光器发射的光信号的波长。
不同的光模块可能在不同的波长范围内工作,常见的波长有850nm、1310nm和1550nm。
工作波长需要与其他设备或光纤的波长匹配,以保证正常的信号传输和通信。
4.驱动电流:光模块中的激光器需要通过驱动电流来工作。
驱动电流是指激光器所需的电流大小,通常以毫安(mA)为单位表示。
驱动电流的大小与激光器的特性有关,需要根据具体激光器的规格进行配置。
5.峰值偏移:峰值偏移是指激光器发射的光信号的中心波长与设定工作波长之间的偏差。
由于激光器的特性和工作环境的影响,激光器的实际工作波长可能会与设定的工作波长存在一定的偏差。
峰值偏移需要通过调整激光器的工作电流或其他参数进行校正。
6.插入损耗:插入损耗是指光模块在光信号的传输过程中引入的信号强度的衰减。
光模块的插入损耗包括传输介质(如光纤)的损耗、连接器和适配器的损耗以及模块内部元件的损耗等。
插入损耗需要尽量降低,以保证信号的质量和传输的距离。
7.相对强度噪声(RIN):相对强度噪声是光模块中激光器发射的光信号中的噪声强度的度量。
光模块的相对强度噪声会对信号传输的质量产生影响,需要保证在一定的范围内。
8.温度范围:光模块的温度范围是指光模块可以正常工作的温度范围。
如何去看PD的介绍PIN光二极管的工作机理具有PN结结构的二极管由于内部载流子的扩散作用会在P 型与N型材料的交界处形成势垒电场,即所谓耗尽层。
当二极管处于反向偏置状态时由于势垒电场的作用,载流子在耗尽层区域中的运动速度要比在P 型或N 型材料区中快得多。
降低半导体材料的掺杂浓度可以增加耗尽层的宽度。
因此人们在设计、制造光二极管时,往往在P 型材料与N 型材料的中间插入一层掺杂浓度十分低的I型半导体材料(接近本征型)以形成较宽的耗尽层。
这就是PIN光二极管的由来。
在入射光作用下,由于光吸收过程产生的电子/空穴对的运动,并在PN结两边形成附加电势,从而在闭合外电路中形成光生电流的器件,就是简单的PN结光电二极管。
如果在P型层和N型层之间增加一层掺杂浓度很低或非故意掺杂的本征层(I),就构成PIN光电二极管。
PIN光电二极管光吸收区较厚,结电溶较小,因而光响应度可达0.85A/W,光响应速率可达10Gb/s以上。
这是一种结构简单,性能优良的器件。
空穴—电子是以对的形式存在的,首先我们来了解一下空穴—电子一个原子周围会环绕N个电子,当电子从原子中脱出后就会产生副电荷。
而电子脱出以后会留下一个缺口,这个缺口我们叫做空穴。
从这幅图上可以看出当有光照射进来的时候,带正电荷的空穴流向P节,带负电荷的点子流向N节那么这个时候就产生了电荷。
光电极抗反射膜P+(n)N+E电极从这幅图上可以看出在PN节的两端加上电极形成回路,这样在有光的照射下就可以通过这个回路得到响应的电流。
加一个抗反射模起到一个抗光反射的的作用,使芯片能够更佳充分的吸收光,避免光照射到芯片表面(P+)时因反射造成的流失。
波长和响应度特别注意上面这幅图,它表明了各种不同材料对光波长的响应。
通常我们用的探测器使用的材料是InGaAs,从图上可以看出来它从900nm-1700nm的光都是可以接收的。
一般我们常用的波长如1310nm,1550nm以及CWDM使用的1470nm,1490nm,1510nm,1530nm,1550nm,1570nm,1590nm,1610nm都是可以接收的。
按摩对类风湿有效吗文章目录*一、按摩对类风湿有效吗1. 按摩对类风湿有效吗2. 类风湿怎样才能确诊3. 类风湿严重会导致什么后果*二、导致类风湿出现的主要原因*三、类风湿患者什么不能吃呢按摩对类风湿有效吗1、按摩对类风湿有效吗可以先用推、理、揉手法,轻轻按摩,先使患部肌肉松弛,气血畅行;继而使用点、按、捏、拿手法、达到舒筋活络止痛的目的,最后用摇、滚、揉等手法。
每次治疗时间15到30分钟,2到3天一次。
由此可见,按摩对类风湿是有效的。
2、类风湿怎样才能确诊其实现在对于类风湿的检查,一般都是进行对于血象的检查,因为类风湿的发病的过程,一般都是比较慢的,并且如果是比较严重的类风湿的话一般都是会出现比较轻的中度的贫血,如果是活动期的话一般病人还会出现血小板的增高。
并且如果是比较严重的类风湿的话,还有可能还会有一些人还会出现全部血细胞的减少,其实对于类风湿的确诊的方法还可以做血沉和C反应蛋白的检查,类风湿关节活动期,并且血沈加快。
3、类风湿严重会导致什么后果类风湿连累人的关节主要是表现出类风湿性关节炎,发病的具体部位是关节滑膜,并且还会进一步连累到关节软骨,会使得关节的骨质遭到破坏,最后使得关节发生畸形。
类风湿如果不积极治疗,有75%的人会在发病过后三年左右出现关节残废的现象。
导致类风湿出现的主要原因1、环境因素长期居住在寒冷潮湿环境中的人类风湿的发病率远远高于其它人,类风湿主要是由于外部风邪入侵所致,此外,强烈的精神刺激、外伤、营养不良和过度劳累等都会增加类风湿的发病几率。
2、性激素研究表明,类风湿性关节炎存在明显性别差异,男女发病比例越为1:3,且女性患者在妊娠期症状减轻,服用避孕药的女性较少患病,因此认为性激素在类风湿的产生过程中起到了一定作用。
3、内分泌因素类风湿多发生于女性,患者在怀孕期间症状有所减轻,应用肾上腺皮质激素可以抑制该病,因此推断类风湿的发生于内分泌因素存在关系。
4、免疫因素类风湿的产生是由于感染原侵入关节腔,刺激滑膜或者浆细胞,从而产生特异性免疫球蛋白抗体,当抗原抗体复合物形成后抗体就会转化为异体,再次刺激浆细胞就会产生新的抗体,即类风湿因子,从而导致类风湿发生。
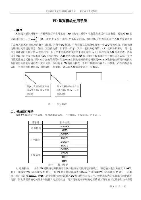
PD 阵列模块使用手册一、概述X 射线入射到闪烁体中并被吸收后产生可见光,PD (光电二极管)吸收这些光后产生光电流,通过对PD 的电流进行积分,∫+=T t tidt c V 1,其中C 是积分电容,T 是积分时间,然后对积分所得电压进行A/D 变换就得到了反映入射X 射线强度的数字化结果。
对每个PD 通道,有两套独立的积分电路和一个A/D 变换电路,两套积分电路可以交替进行积分、保持、复位的动作。
如下图一所示,其中一套积分电路第(n-1)次积分结束时,另一套积分电路同时开始了第n 次的积分;积分结束的电路将保持结果电压直到(n-1)次积分的A/D 变换完成,然后该套电路将进行复位以准备(n+1)次的积分;A/D 变换结束后PD 板上的所有数据通过串行移位的方式以一个串行数据流的方式输出。
每次A/D 变换所需的时间是0.5mS ,因此最短的积分时间是(0.5mS+数据输出所需的时间),数据输出所需的时间将在下文中说明。
同时每个PD 模块还接收一个串行数据流的输入,与模块上产生的数据构成同一个串行移位数据流,即每输出一位数据,就从输入数据流中锁存一位数据。
图一 积分脉冲二、模块接口端子每快PD 模块有三个插座,分别是电源插座、上行插座、下行插座,见下表一。
端子排信号名称 POWER电源插座 GNDCONV+CONV-DOUT+上行插座 DOUT-CONV+CONV-DIN+下行插座 DIN-表一 接口端子1、电源插座 多个PD 模块的电源插座可以以并行的方式接到电源总线上。
额定输入电压为直流5.5~9V ,对于4组双能PD (高低能各64路,一共128路)额定电流为340mA ;2组双能PD (高低能各32路,一共64路)额定电流为220mA 。
注意:这个范围内的电源输入PD 模块均可正常工作,但是模块内的电源采用的是线性电源,因此其需要的电流基本不随输入电压而改变,而其消耗的功率则随电压的增大而增加(这些增加功率将转化为PD模块的发热)。
光模块功率指标光模块功率指标(也称为光衰)是光通信领域中一个重要的参数,用于衡量光模块的输出功率。
在光纤通信中,信号通过光纤进行传输,输出功率的大小直接影响到信号的传输质量和通信距离。
因此,光模块功率指标对于光通信系统的性能和稳定性非常关键。
光模块电导领域的一个主要功率指标是平均功率。
平均功率是指一个特定时间段内的光输出功率的平均值。
典型的单位是毫瓦(mW)。
平均功率是对光模块的整体性能的总体评估,可以用来比较不同光模块之间的性能差异。
另一个重要的功率指标是峰值功率。
峰值功率是指输出功率的最大值。
在一些应用中,需要短时间内传输高功率的光信号,这时峰值功率就成为了一个重要的指标。
峰值功率通常比平均功率要高很多,因此需要特殊的设计和监控来保证光模块的稳定性和可靠性。
光模块功率衰减是指光信号在传输过程中因为各种原因而逐渐减弱的现象。
光模块功率衰减可以通过两种方式来表示,一种是单位长度的功率衰减,典型的单位是dB/km;另一种是指整个传输链路上的总功率衰减,典型单位是dB。
光模块功率衰减的主要原因包括光纤本身的衰减、光连接器的衰减以及其他衰减源(如弯曲、插损等)。
除了平均功率和峰值功率,光模块功率指标还包括一些其他参数。
例如,光模块的输出功率稳定性是指在特定的工作条件下,光模块输出功率的波动范围。
输出功率的稳定性对于保证通信质量和数据传输的稳定性非常重要。
另一个指标是光模块的功率控制能力。
光模块应该具备自动功率控制的功能,以便在不同的工作条件下自动调节输出功率,以保持在光纤上的光功率适当且稳定。
总之,光模块功率指标是衡量光模块性能和稳定性的重要参数。
光模块的平均功率、峰值功率、功率衰减、输出功率稳定性和功率控制能力等指标都对光通信系统的性能和可靠性有着重要的影响。
在设计和选择光模块时,需要仔细考虑这些指标,以满足特定应用需求并提高系统性能。
光模块里的光芯片光模块里的光芯片是一种重要的元器件,在光通信、激光雷达、光学传感器等领域中广泛应用。
它通过将电信号转换为光信号,实现了远距离、高速率、低损耗的数据传输。
光芯片的基本结构由半导体材料构成,主要包括发光器和接收器两部分。
其中,发光器是将电信号转换为光信号的重要器件,它由LED、LD、VCSEL等组成。
LED是一种常见的发光器,具有低成本、低功耗、长寿命等优点,但速率较低,仅适用于低速率的数据传输。
LD和VCSEL则是更高级别的光源,速率可以达到几十Gbps,适用于高速率的数据传输。
接收器则是将光信号转换为电信号的重要器件,它由PIN光电二极管、APD等构成。
PIN光电二极管是最常见的接收器,具有高速率、低噪声、宽频带等优点,但灵敏度较低,适用于短距离的数据传输。
APD则是一种更高级别的接收器,具有高灵敏度、低误码率等优点,但成本较高,适用于长距离、高速率的数据传输。
除了发光器和接收器,光芯片中还包括驱动电路、控制电路等部分。
驱动电路用于控制发光器的工作状态,控制电路则用于控制整个光芯片的工作状态。
光芯片的性能指标包括速率、距离、功率等。
速率是指光芯片能够实现的最大传输速率,一般用Gbps表示;距离是指光芯片能够覆盖的最大传输距离,一般用km表示;功率是指光芯片的发射功率和接收灵敏度,一般用dBm表示。
在实际应用中,光芯片需要与光纤、光器件等组成光模块,以实现数据的传输和处理。
光模块包括SFP、SFP+、QSFP、CFP等多种类型,不同的类型适用于不同的应用场景,如数据中心、光通信、激光雷达等。
光模块里的光芯片是实现高速、长距离、低损耗数据传输的重要元器件,具有广泛的应用前景。
随着科技的不断进步,光芯片的性能和应用场景将会得到进一步拓展和优化。
多模光模块未来的高速光纤网络与当今的网络相比,它的传输速率更快,传输距离更远,并使用的技术更加多样化。
然而,这一切的发展都有一个核心多模光模块(Multi-mode Optical Module)。
多模光模块允许一条光缆上传输多个不同波长的光信号,可以同时传送不同类型的数据。
多模光模块可以根据波长将光信号划分为多个信道,并将多个信道独立地传输。
多模光模块还支持高速双工传输,即双向传输,可以有效地提高网络速率,同时将多种信号类型,如音频、视频、数据和图片等信号类型无缝整合在一起,为网络的发展及应用打造出一条完美的舞台。
要实现这种高性能光模块需要很多设计要素,尤其是具有良好的抗噪能力和良好的光学特性。
其中,首先要考虑是材料,因为多模光模块的有效传输距离取决于材料,其次是光学元件,如激光器、PD (偏振器)和滤波器的性能。
此外,结构设计也起着至关重要的作用,包括采用性能优异的机械结构、熔点焊、抗震性和耐用性等等。
最后,为了满足客户的多样化需求,还需要采用先进的自动化生产工艺来实现高效率的批量生产。
多模光模块是未来光纤通信技术的核心元素,一个多模光模块可以实现多种通信功能,如宽带、多播、宽带多播技术等,同时支持多种不同的信号类型,可以实现更高的网络速率,更高的系统可靠性,并在数据传输时提供更高的网络安全性。
多模光模块的普及将为我们打造一个更快速、更便捷、更安全的网络环境。
随着新技术的发展,多模光模块的市场需求也在不断增长,满足不同用户需求。
目前,多模光模块的应用领域已经从传统的FTTH(光纤到户)和LTD(本地传输网络)领域扩展到了包括有线电视网络和高速移动网络等多个领域。
面对内部竞争的多模光模块厂商,如何提高其竞争力?一方面,厂商要加大自身技术研发能力,推出具有更高性能的产品。
另一方面,重视品牌宣传,提升企业的知名度与影响力,使产品建立起更强的市场根基,从而获得更多的市场份额。
未来,多模光模块的发展将以更快的脚步进行,技术也将持续进步,新一代的多模光模块将实现更高的性能、更稳定的电气特性和更高的可靠性。
光模块(Optical Module)是一种集成了光电转换器件和光传输设备的组件,用于光纤通信系统中的光信号的发送和接收。
其基本原理如下:
1. 光电转换:光模块内部通常包含一个光电转换器件,如光电二极管(PD)或光电探测器(APD)。
当光信号通过光纤到达光模块时,光信号会被转换为电信号。
这个过程是通过光电转换器件中的半导体材料的光电效应实现的。
2. 光信号调制:在光模块中,光信号通常需要进行调制以便携带信息。
这种调制可以是强度调制、相位调制或频率调制。
调制的方法通常取决于具体的应用需求。
3. 光信号传输:光模块通过光纤将光信号传输到目标设备或接收光纤。
光模块通常包含光纤连接器,使其能够与其他光纤设备进行连接。
4. 光信号接收:在目标设备或接收光纤处,光模块使用光电转换器件将传输的光信号转换为电信号。
这个过程与光电转换相反,通过光电二极管或光电探测器将光信号转换为电信号。
总的来说,光模块的基本原理就是将光信号转换为电信号,或者将电信号转换为光信号,实现光纤通信系统中的光信号的发送和接收。
名詞解釋:TO-CAN TO=Transistor OutlineCAN金屬製作的圓形容器TOSA:transmitter optical sub-assemblyROSA:receiver optical sub-assemblyESA : electric sub-assemblyBOSA : Bi-directional optical sub-assembly一、Optical Output Power(Po):在持續的溫度和脈衝信號觸發之下,LD所能達到的最大光功率輸出能量。
二、Reverse Voltage(VR):LD或PD所能承受的最大逆向偏壓。
三、Threshold Current(Ith):使LD/VCSEL內部光子產生振盪而形成雷射光所需的臨界電流。
對於VCSEL而言,在某個溫度(To)之下,其Ith會最低;當環境溫度低於To或高於To時,VCSEL 的Ith均會升高。
而對於Laser Diode而言,則單純為溫度低時,Ith就小;溫度高時,Ith就大。
四、Operating Current(Iop):為了讓LD產生我們所指定的輸出光功率,而必須提供給LD的順向電流。
五、Operating Voltage(Vop):當LD發出的雷射光為我們指定的數值時,在LD陽極與陰極兩端所形成的電壓降。
六、光譜寬度(△λ,Full-Width-Half-Maximum):對於Single-Mode Device而言,其發光的光譜近似於單一中心波長;而對Multi-Mode Device而言,其△λ的定義則為:「從發光強度最強的中心波長開始,向左右二旁延伸,直到其發光強度為中心波長之光源強度的一半,如下圖所示」七、Monitor Current(Imon):需要更多学习资料,或者积分不够者请打开我的网盘下载。
需要更多学习资料,或者积分不够者请打开我的网盘下载。
在指定的輸出光功率(Po )條件之下,流過PD 的電流。
光模块的功能和作用
光模块是用于光通信领域的设备,其主要功能是将电信号转换为光信号,或将光信号转换为电信号,从而实现电信号与光信号之间的互相转换。
光模块常用于光纤通信系统中,可以与光纤互连,实现数据的传输和通信。
其作用主要体现在以下几个方面:
1. 光信号的发射:光模块可以将电信号转换为光信号,通过光纤传输到目标地点。
光信号具有传输速度快、带宽大、抗干扰能力强、损耗小等优点,适用于长距离、高速传输。
2. 光信号的接收:光模块可以将经过光纤传输的光信号转换为电信号,以便接收和处理。
通过光模块接收到的光信号,可以恢复为原始的数字信号,进一步进行数据处理。
3. 光模块的调制和解调:光模块中通常包含光调制器和光解调器,用于将电信号调制成光信号,或将光信号解调为电信号。
调制和解调技术是光通信的核心技术之一,可以实现高速、高带宽的数据传输。
4. 光模块的传输距离和速率:光模块可以根据不同的需求和应用场景,选择不同的传输距离和速率。
例如,用于短距离通信的光模块一般传输距离较短,速率较低;而用于长距离通信的光模块则传输距离长,速率高。
总而言之,光模块是光通信中不可或缺的设备之一,其功能和
作用主要是实现光信号的发射和接收,完成电信号与光信号的相互转换,以满足不同应用场景下的通信需求。
光模块结构
光模块是一种硬件器件,其结构包含多个模块和组件。
通常情况下,光模块由激光器、放大器、波导、PD芯片、TIA芯片、调制器等部分组成。
每个模块都有其特定的构造,以实现其特定的功能。
下面将分步骤阐述光模块结构:
1. 激光器模块:激光器模块是光模块的核心部分,主要作用是将电信号转换为光信号。
其结构包括一个半导体值激光器器件,一个反射器以及一个温度控制器。
激光器是多层结构,用于实现激光发射所需的反向和当前注入,这些都是通过反射器和温度控制器实现的。
2. 放大器模块:放大器模块主要作用是将光信号放大,以确保其信号质量和距离。
通常情况下,它由一些半导体放大器构成。
与激光器类似,其结构也具有多个层次,以增强放大器的效果。
3. 波导模块:波导模块主要作用是将光信号传输到其他部分。
它由多个光纤通道组成,这些通道用于将光信号传输到激光器、放大器、PD芯片和调制器等其他组件中。
4. PD芯片和TIA芯片:这些芯片是光模块的接收端。
PD芯片主要用于探测光信号,而TIA芯片用于将光信号转换为电信号。
PD芯片和TIA芯片通常密集安装在一起,以保证其灵敏度和信噪比。
5. 调制器模块:调制器模块主要作用是将电信号调制到光信号上。
它由一些半导体调制器构成,这些调制器通过电场引发光的折射率变化。
因此,在调制器的作用下,信息就可被传输到光信号中。
总之,光模块结构很复杂,包含多个关键零件,这些零件共同工作,才能实现光信号的转换和传输。
因此,在设计和生产光模块时,必须高度关注每个模块的构造,以确保模块的可靠性和性能。
光模块pd的作用以光模块PD的作用为标题,我们来探讨一下光模块PD的具体功能和应用。
光模块PD(Photodiode)是一种光电二极管,主要用于将光信号转换为电信号。
PD是光通信中非常重要的一部分,广泛应用于光纤通信、光纤传感、光学测量等领域。
光模块中的PD可以用于光接收。
在光纤通信中,光信号经过光纤传输到达接收端时,需要将光信号转换为电信号进行处理和解码。
这时,光模块中的PD起到了关键作用。
当光信号通过PD时,光子的能量被转化为电子能量,产生光电流。
通过测量光电流的大小,可以获取原始的光信号信息。
光模块中的PD还可以用于光功率检测。
在光纤通信系统中,光功率的稳定和准确检测对于保证通信质量至关重要。
通过将PD与适当的电路连接,可以实现对光功率的测量。
光功率的检测可以用于光纤通信系统的光路监测、光功率调节和光功率补偿等功能。
光模块中的PD还可用于光信号的定时和时钟恢复。
在光纤通信系统中,光信号的传输速率非常高,需要精确的时钟同步来确保数据的准确传输。
PD可以通过检测光脉冲的上升沿和下降沿,实现对光信号的定时和时钟恢复。
这对于高速光通信系统的稳定性和可靠性非常重要。
光模块中的PD还可以用于光学传感应用。
光传感是一种基于光与物质相互作用的测量技术,广泛应用于环境监测、生物医学、工业生产等领域。
利用PD对光信号的接收和转换,可以实现对光学传感器测量信号的提取和分析。
总结起来,光模块中的PD具有光接收、光功率检测、光信号定时和时钟恢复以及光学传感等多种功能。
其在光纤通信、光学测量和光学传感等领域中的应用广泛且重要。
随着光通信和光学技术的不断发展,对于光模块PD的要求也越来越高,需要更高的灵敏度、更低的噪声和更宽的频率响应范围,以满足不断提升的通信和测量需求。
希望通过本文的介绍,读者能够更加了解光模块PD的作用和应用,以及其在光通信和光学测量领域的重要性。
ld和pd的工作原理
嘿!今天咱们来聊聊LD 和PD 的工作原理呀!这可真是个超级有趣又重要的话题呢!
首先呢,咱们得搞清楚啥是LD 呀?LD 就是激光二极管(Laser Diode)的简称哟!它的工作原理可神奇啦!它通过在半导体材料中注入电流,激发电子和空穴的复合,从而产生受激辐射,发出高度相干、单色性好的激光光束呢!哎呀呀,这过程听起来是不是有点复杂?但其实简单来说,就是电流一进去,神奇的激光就跑出来啦!
那PD 又是啥呢?PD 就是光电二极管(Photo Diode)呀!它的工作原理也很妙呢!当光照射到PD 上时,光子会被吸收,产生电子空穴对,从而形成电流。
哇!是不是感觉很神奇?这就像是光的魔法,一下子就变成了电流!
LD 和PD 在很多领域都发挥着重要作用呢!比如在通信领域,LD 能发送高速、高质量的光信号,PD 则负责接收这些信号。
哎呀呀,没有它们,咱们的网络可就没那么快啦!在光学测量中,LD 可以提供稳定的光源,PD 能精确检测光的强度。
这对于科学研究和工业生产来说,简直太重要啦!
不过,要让LD 和PD 工作得好,也有不少讲究呢!比如说,LD 对温度和电流的控制要求很高,稍有偏差,激光的性能就可能大打折扣!PD 呢,则要注意灵敏度和响应速度的优化。
总之呀,LD 和PD 的工作原理虽然各有特点,但它们都是现代科技中不可或缺的宝贝呢!未来,随着技术的不断进步,它们肯定还
会给我们带来更多的惊喜和便利!哇,想想就觉得超棒的,不是吗?。
光模块pd的作用
光模块中的PD(Photodetector,光电探测器)是光通信系统中的一个重要组件,它的作用是将光信号转换为电信号。
PD是光电转换器件,用于接收传输的光信号,并将其转换为相应的电信号,以便在光通信系统中进行信号传输和处理。
PD的作用包括以下几个方面:
1.光信号接收:PD能够接收来自光纤或其他光源的光信号。
当光信号到达PD的光敏区域时,光子能量会被转换为电子能量,产生电子-空穴对。
2.光电转换:PD将接收到的光信号转换为相应的电信号。
当光子撞击PD中的光敏区域时,光电效应使得电子被激发并脱离原子,从而形成电流。
3.电信号放大:由于PD产生的电流较小,因此通常需要通过放大器来增强电信号的强度,以便进一步传输和处理。
4.数据传输:光模块中的PD是光通信系统中的一个重要组成部分,它接收光信号并将其转换为电信号后,可以用于传输数据。
这些数据可能是音频、视频、图像或其他形式的信息。
总的来说,PD在光通信系统中起到了将光信号转换为电信号的关键作用。
它是实现光纤通信和其他光通信技术的重要部件,能够将高速、大容量的光信号转化为电信号,实现光与电之间的相互转换,从而实现高效、可靠的数据传输和通信。
1/ 1。