电气设备检修记录(填写模板)
- 格式:doc
- 大小:53.50 KB
- 文档页数:4
设备检维修记录范文设备检修维修记录日期:20XX年XX月XX日设备名称:XXXX设备型号:XXXX设备编号:XXXX维修人员:XXX问题描述:在日常使用中发现设备出现故障,详细问题描述如下:1.开机后设备无法正常启动,无显示界面。
2.设备开始发出异常噪音,伴随有异味散发。
3.设备运行时自动关机。
维修过程:1.针对设备无法启动的问题,首先检查设备电源线是否连接稳固,电源是否正常。
发现电源线连接良好,电源也正常。
因此,进一步拆卸设备外壳,检查内部电路板和连接线路,发现一条电路板连接线疑似松动,重新连接后设备能正常启动。
2.针对异常噪音和异味,首先断开电源,对设备进行安全检查。
发现机器内部灰尘较多,进一步拆卸设备外壳,清理内部灰尘,包括风扇、散热片等区域。
同时,检查风扇是否正常运转和散热片是否受损,发现风扇有异物卡住,导致风扇运转困难,同时散热片出现变形。
清理异物并更换新的散热片后,设备的异常噪音和异味问题得到解决。
3.针对设备自动关机的问题,首先检查设备散热是否良好,是否存在过热现象。
经过前面的维修,散热问题已经解决,因此进一步检查设备内部电路板,发现其中一块电路板短路,导致设备过载运行,进而自动关机。
重新更换电路板后,设备能正常运行,并且自动关机问题解决。
维修结果及建议:经过上述维修过程,设备问题得到解决,现设备能正常启动、无异味和异常噪音、不再自动关机。
在维修过程中也发现了一些设备维护上的问题:1.维修前设备外壳的密封性较差,导致灰尘较多进入设备内部。
建议定期清洁设备外壳和内部组件,并加强密封性。
2.过去没有定期维护设备的风扇和散热片,导致散热性能下降,进而引起设备故障。
建议定期检查和清理风扇和散热片,保障设备散热正常运行。
3.维修过程中发现多个电路连接松动或短路的问题,可能是设备在运输和使用过程中造成的。
建议在安装设备时加强内部连接线松动的检查,以及定期检测电路连接的稳定性。
维修人员签字:XXXXXXXX。
1泵站特别维修养护记录表
泵站特别检查、维修养护记录表
维修养护责任单位:检查、维养日期:年月日天气:
记录人:检查人:维修养护人:
2泵站特别维修养护记录表
3泵站特别维修养护记录表
按有关规定定期维护、检修。
4泵站特别维修养护记录表
路、虚连等现象,经常清除架空线路上的树障,保持线路畅通,定期测量导线绝缘电阻值;指示仪表、接地系统及避雷器等均应按供电部门有关规定
变压器仓运行状态下各参数正常(三相绕组温度,电流电压等)
混凝土建筑物的维修养护混凝土结构表面整洁,无脱壳、剥落、露筋、裂缝等现象,因地制宜地采取适当的保护措施及时修补;伸缩缝填料无流失。
进、出水流道表面气蚀的检查与处理。
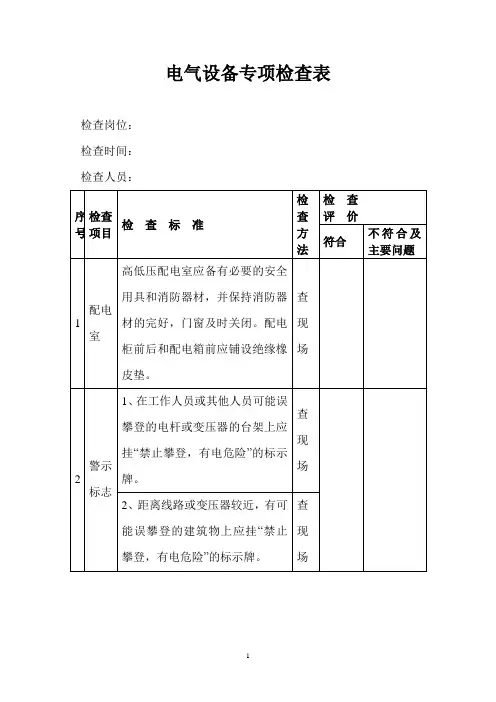
电气设备专项检查表检查岗位:检查时间:检查人员:序号检查项目检查标准检查方法检查评价符合不符合及主要问题1配电室高低压配电室应备有必要的安全用具和消防器材,并保持消防器材的完好,门窗及时关闭。
配电柜前后和配电箱前应铺设绝缘橡皮垫。
查现场2警示标志1、在工作人员或其他人员可能误攀登的电杆或变压器的台架上应挂“禁止攀登,有电危险”的标示牌。
查现场2、距离线路或变压器较近,有可能误攀登的建筑物上应挂“禁止攀登,有电危险”的标示牌。
查现场序号检查项目检查标准查方法评价符合不符合及主要问题3、变配电室或室外单独配电柜(箱)应有明显的带电警示标志。
查现场4、在转动设备检修或清理作业时,应切断电源并悬挂“禁止合闸,有人工作”警示牌。
查现场3电气试验高低压电气设备及电气安全用具在规定的试验周期内做好各项试验。
查记录4电气作业1、电工必须持有电工特种作业证才能上岗,作业时,应按规定穿戴好劳动防护用品,并正确使用符合安全要求的电气工具。
查记录查现场2、电气设备作业或检修前必须办理相关票证,严格执行操作票、工作票等制度。
查记录序号检查项目检查标准查方法评价符合不符合及主要问题3、在高压设备、大容量低压总盘上倒闸操作及在带电设备附近作业时,必须由两人进行,并由技术熟练的员工担任监护。
查记录5 电气设备检查1、电扇、移动电气每年使用前必须经电工检查并贴合格标签。
查现场2、班组《安全设备设施台帐》中漏电断路器记录(数量、型号等)与现场情况相符,且保持良好的在用状态。
查记录3、电机风叶、风罩齐全,外壳有明显的接地接(零)保护,导线无破损、老化现象。
查现场4、易燃易爆区域的电气设备采用防爆型设备。
查现场序号检查项目检查标准查方法评价符合不符合及主要问题5、设备的转动部位应有封闭式防护罩。
查现场6、配电箱的闸刀防护盖应完好无损,无带电部位裸露的情况。
查现场7、配电柜前后、电气开关下方应铺设绝缘橡皮;绝缘橡皮周边应有黄黑相间的安全警示色,绝缘橡皮必须保持干燥,并摆放到能有效覆盖人员电气操作时所处的位置。
检修报告模板一、引言在设备运行和维护过程中,及时进行检修和维修工作,对确保设备的正常运行和延长设备的使用寿命具有重要作用。
为了提高检修工作的效率和准确性,制定了本检修报告模板,以便记录和总结检修过程中的各项工作和结果。
二、检修目的本次检修的目的是对设备进行全面的检查、维修和保养,确保设备的正常运行,提高设备的可靠性和安全性,延长设备的使用寿命。
三、检修范围本次检修的范围包括但不限于以下内容:1. 设备的外观检查:检查设备的外观是否完好,有无损坏、破损或变形。
2. 设备的电气部分检查:检查设备的电源线、插头、电路板、继电器等电气元件的连接情况和工作状态。
3. 设备的机械部分检查:检查设备的传动系统、传感器、运动部件等机械元件的连接情况和工作状态。
4. 设备的润滑和保养:检查设备的润滑系统、冷却系统、过滤系统等润滑和保养装置的工作状态。
5. 设备的安全检查:检查设备的安全装置、报警系统等安全设备的工作状态。
四、检修工作内容根据检修范围的要求,本次检修的工作内容包括但不限于以下几个方面:1. 清洁和维护设备的外观:清除设备表面的灰尘、污垢,修复设备外壳的损坏。
2. 检查和修复设备的电气部分:检查设备的电源线和插头的连接情况,修复或更换损坏的电气元件。
3. 检查和修复设备的机械部分:检查设备的传动系统和运动部件的连接情况,修复或更换损坏的机械元件。
4. 检查和更换设备的润滑和保养装置:检查设备的润滑系统和冷却系统的工作情况,更换润滑油和滤芯。
5. 检查和测试设备的安全设备:检查设备的安全装置和报警系统的工作状态,修复或更换损坏的安全设备。
五、检修结果根据检修工作的实际情况和结果,本次检修的结果如下:1. 设备的外观:设备的外观完好,无损坏、破损或变形。
2. 设备的电气部分:设备的电源线、插头、电路板、继电器等电气元件连接良好,工作正常。
3. 设备的机械部分:设备的传动系统、传感器、运动部件等机械元件连接良好,工作正常。
电气设备检修记录
中海炼化惠州炼油分公司
填写说明:
1、设备修试记录的作用:除继电保护自动装置外,它是所有设备的修试工作的一种综合的检修记录,通过该记录可以直观的反映设备检修的全过程。
2、记录内容除验收意见外由工作负责人填写。
3、设备修试记录应具备以下内容:
修试日期,修试设备的名称,修试性质,修试内容,存在问题及结论,验收意见,工作负责人和验收值班员签名。
3、对设备修试记录的填写要求:
1)在工作内容栏检修负责人应将检修的全过程,及检修中发现的问题和处理情况交代清楚。
2)修试性质分类:a、新投入设备的解体检修,以及大修、小修、预试、临修(临检)、状态检修后的交接;b、消除非检修类的缺陷;c、计量及指示仪表的校验工作;d、取油样进行油化试验。
4)存在的问题和结论:工作负责人应说明该设备是否有遗留问题,运行中应注意事项,并作明确结论。
如:a、对停电检修的设备的结论为可以投运;b、对不停电的工作(缺陷消除)结论为放油阀处无渗油、螺丝已紧固,油位正常,油的色谱分析、简化试验结论待报告等。
5)验收意见:由当值人员对设备进行验收后填写,根据验收情况,说明设备现状,确定该设备经检修后是否符合要求。
具体结论为a、对停电检修设备的结论为通过对试验数据和外部检查,手动、电动、保护试跳动正确、合格,可以投运;b、对不停电检修工作(取油样)结论为经外观检查无油迹、螺丝紧固、油位正确、符合运行要求。
电气设备检修记录。
设备检查记录表编制单位:中铁十一局集团桥梁有限公司南漳制梁场设备部设备名称:发电机组规格型号:TFW-544 管理编号:1117466105011填表示例:√正常;×异常;(×)处理完;△其他检查记录人:学习资料分享设备检查记录表编制单位:中铁十一局集团桥梁有限公司南漳制梁场设备部设备名称:柴油发电机组规格型号:JHS-600GF 管理编号:1117466105022填表示例:√正常;×异常;(×)处理完;△其他检查记录人:学习资料分享设备检查记录表编制单位:中铁十一局集团桥梁有限公司南漳制梁场设备部设备名称:变压器规格型号:800KVA 管理编号:/填表示例:√正常;×异常;(×)处理完;△其他检查记录人:学习资料分享设备检查记录表编制单位:中铁十一局集团桥梁有限公司南漳制梁场设备部设备名称:混凝土搅拌站规格型号:HZS180Q 管理编号:1117263101038填表示例:√正常;×异常;(×)处理完;△其他检查记录人:学习资料分享设备检查记录表编制单位:中铁十一局集团桥梁有限公司南漳制梁场设备部设备名称:混凝土搅拌站规格型号:HZS180Q 管理编号:1117263101039填表示例:√正常;×异常;(×)处理完;△其他检查记录人:学习资料分享设备检查记录表编制单位:中铁十一局集团桥梁有限公司南漳制梁场设备部设备名称:轮胎式提梁机规格型号:DLT900-36/40.5-12 管理编号:1117219911007填表示例:√正常;×异常;(×)处理完;△其他检查记录人:学习资料分享设备检查记录表编制单位:中铁十一局集团桥梁有限公司南漳制梁场设备部设备名称:双梁门式起重机规格型号:MGH95/10-40A3 管理编号:1117211201025填表示例:√正常;×异常;(×)处理完;△其他检查记录人:学习资料分享设备检查记录表编制单位:中铁十一局集团桥梁有限公司南漳制梁场设备部设备名称:双梁门式起重机规格型号:MGH95/10-40A3 管理编号:1117211201026填表示例:√正常;×异常;(×)处理完;△其他检查记录人:学习资料分享设备检查记录表编制单位:中铁十一局集团桥梁有限公司南漳制梁场设备部设备名称:单梁门式起重机规格型号:MH10-40m 管理编号:1117211204025填表示例:√正常;×异常;(×)处理完;△其他检查记录人:学习资料分享设备检查记录表编制单位:中铁十一局集团桥梁有限公司南漳制梁场设备部设备名称:单梁桥式起重机规格型号:LD10T-23.1M 管理编号:1117211202025填表示例:√正常;×异常;(×)处理完;△其他检查记录人:学习资料分享设备检查记录表编制单位:中铁十一局集团桥梁有限公司南漳制梁场设备部设备名称:单梁桥式起重机规格型号:LD10T-23.1M 管理编号:1117211202026填表示例:√正常;×异常;(×)处理完;△其他检查记录人:学习资料分享设备检查记录表编制单位:中铁十一局集团桥梁有限公司南漳制梁场设备部设备名称:轮胎式装载机规格型号:CLG855 管理编号:1117222001022填表示例:√正常;×异常;(×)处理完;△其他检查记录人:学习资料分享设备检查记录表编制单位:中铁十一局集团桥梁有限公司南漳制梁场设备部设备名称:轮胎式装载机规格型号:CLG855 管理编号:1117222001023填表示例:√正常;×异常;(×)处理完;△其他检查记录人:学习资料分享设备检查记录表编制单位:中铁十一局集团桥梁有限公司南漳制梁场设备部设备名称:洗石机规格型号:TKGS-150 管理编号:1117263404001填表示例:√正常;×异常;(×)处理完;△其他检查记录人:学习资料分享设备检查记录表编制单位:中铁十一局集团桥梁有限公司南漳制梁场设备部设备名称:筛沙机规格型号:TKSS-100 管理编号:1117263404002填表示例:√正常;×异常;(×)处理完;△其他检查记录人:学习资料分享设备检查记录表编制单位:中铁十一局集团桥梁有限公司南漳制梁场设备部设备名称:砂石分离机规格型号:TKSF-100-1 管理编号:1117263404003填表示例:√正常;×异常;(×)处理完;△其他检查记录人:学习资料分享设备检查记录表编制单位:中铁十一局集团桥梁有限公司南漳制梁场设备部设备名称:混凝土输送泵规格型号:HBTS80.18GT 管理编号:1117263501018填表示例:√正常;×异常;(×)处理完;△其他检查记录人:学习资料分享设备检查记录表编制单位:中铁十一局集团桥梁有限公司南漳制梁场设备部设备名称:混凝土输送泵规格型号:HBTS80.18GT 管理编号:1117263501019填表示例:√正常;×异常;(×)处理完;△其他检查记录人:学习资料分享设备检查记录表编制单位:中铁十一局集团桥梁有限公司南漳制梁场设备部设备名称:混凝土输送泵规格型号:HBT80.16.110S 管理编号:1117263501020填表示例:√正常;×异常;(×)处理完;△其他检查记录人:学习资料分享设备检查记录表编制单位:中铁十一局集团桥梁有限公司南漳制梁场设备部设备名称:布料机规格型号:HGY19/2 管理编号:1117263705001填表示例:√正常;×异常;(×)处理完;△其他检查记录人:学习资料分享设备检查记录表编制单位:中铁十一局集团桥梁有限公司南漳制梁场设备部设备名称:布料机规格型号:HGY19/2 管理编号:1117263705002填表示例:√正常;×异常;(×)处理完;△其他检查记录人:学习资料分享设备检查记录表编制单位:中铁十一局集团桥梁有限公司南漳制梁场设备部设备名称:布料机规格型号:HGY19/2 管理编号:1117263705003填表示例:√正常;×异常;(×)处理完;△其他检查记录人:学习资料分享设备检查记录表编制单位:中铁十一局集团桥梁有限公司南漳制梁场设备部设备名称:混凝土搅拌运输车规格型号:凌宇牌CLY5257GJB7 管理编号:1117316011059填表示例:√正常;×异常;(×)处理完;△其他检查记录人:学习资料分享设备检查记录表编制单位:中铁十一局集团桥梁有限公司南漳制梁场设备部设备名称:混凝土搅拌运输车规格型号:凌宇牌CLY5257GJB7 管理编号:1117316011060填表示例:√正常;×异常;(×)处理完;△其他检查记录人:学习资料分享设备检查记录表编制单位:中铁十一局集团桥梁有限公司南漳制梁场设备部设备名称:混凝土搅拌运输车规格型号:凌宇牌CLY5257GJB7 管理编号:1117316011061填表示例:√正常;×异常;(×)处理完;△其他检查记录人:学习资料分享设备检查记录表编制单位:中铁十一局集团桥梁有限公司南漳制梁场设备部设备名称:混凝土搅拌运输车规格型号:ZZ5251GJBM3649W 管理编号:1117316011013填表示例:√正常;×异常;(×)处理完;△其他检查记录人:学习资料分享设备检查记录表编制单位:中铁十一局集团桥梁有限公司南漳制梁场设备部设备名称:智能直盘条弯箍机器人规格型号:WGZP16 管理编号:1117262001011填表示例:√正常;×异常;(×)处理完;△其他检查记录人:学习资料分享设备检查记录表编制单位:中铁十一局集团桥梁有限公司南漳制梁场设备部设备名称:斜面式智能钢筋机器人规格型号:G2W50 管理编号:1117262001012填表示例:√正常;×异常;(×)处理完;△其他检查记录人:学习资料分享设备检查记录表编制单位:中铁十一局集团桥梁有限公司南漳制梁场设备部设备名称:立式智能钢筋机器人规格型号:G2L32E-2 管理编号:1117262001013填表示例:√正常;×异常;(×)处理完;△其他检查记录人:学习资料分享设备检查记录表编制单位:中铁十一局集团桥梁有限公司南漳制梁场设备部设备名称:智能钢筋自动剪切机器人规格型号:XQ120 管理编号:1117262001014填表示例:√正常;×异常;(×)处理完;△其他检查记录人:学习资料分享设备检查记录表编制单位:中铁十一局集团桥梁有限公司南漳制梁场设备部设备名称:铁路桥梁预应力自动张拉系统规格型号:TYZ/60-VII/YT 管理编号:1117262004024填表示例:√正常;×异常;(×)处理完;△其他检查记录人:学习资料分享设备检查记录表编制单位:中铁十一局集团桥梁有限公司南漳制梁场设备部设备名称:铁路桥梁预应力自动张拉系统规格型号:TYZ/61-VII/YT 管理编号:1117262004025填表示例:√正常;×异常;(×)处理完;△其他检查记录人:学习资料分享设备检查记录表编制单位:中铁十一局集团桥梁有限公司南漳制梁场设备部设备名称:铁路桥梁预应力智能压浆系统规格型号:TGZY/400-I/TK 管理编号:1117262004026填表示例:√正常;×异常;(×)处理完;△其他检查记录人:学习资料分享设备检查记录表编制单位:中铁十一局集团桥梁有限公司南漳制梁场设备部设备名称:水制冷设备规格型号:LSBLG-300 管理编号:1117464501001填表示例:√正常;×异常;(×)处理完;△其他检查记录人:学习资料分享设备检查记录表编制单位:中铁十一局集团桥梁有限公司南漳制梁场设备部设备名称:洒水车规格型号: / 管理编号:1117222001024填表示例:√正常;×异常;(×)处理完;△其他检查记录人:学习资料分享设备检查记录表编制单位:中铁十一局集团桥梁有限公司南漳制梁场设备部设备名称:卧式燃油锅炉规格型号:WNS4-1.25-Y(Q)管理编号:1117461403028填表示例:√正常;×异常;(×)处理完;△其他检查记录人:学习资料分享。
电气设备检修记录
中海炼化惠州炼油分公司
填写说明:
1、设备修试记录的作用:除继电保护自动装置外,它是所有设备的修试工作的一种综合的检修记录,通过该记录可以直观的反映设备检修的全过程。
2、记录内容除验收意见外由工作负责人填写。
3、设备修试记录应具备以下内容:
修试日期,修试设备的名称,修试性质,修试内容,存在问题及结论,验收意见,工作负责人和验收值班员签名。
3、对设备修试记录的填写要求:
1)在工作内容栏检修负责人应将检修的全过程,及检修中发现的问题和处理情况交代清楚。
2)修试性质分类:a、新投入设备的解体检修,以及大修、小修、预试、临修(临检)、状态检修后的交接;b、消除非检修类的缺陷;c、计量及指示仪表的校验工作;d、取油样进行油化试验。
4)存在的问题和结论:工作负责人应说明该设备是否有遗留问题,运行中应注意事项,并作明确结论。
如:a、对停电检修的设备的结论为可以投运;b、对不停电的工作(缺陷消除)结论为放油阀处无渗油、螺丝已紧固,油位正常,油的色谱分析、简化试验结论待报告等。
5)验收意见:由当值人员对设备进行验收后填写,根据验收情况,说明设备现状,确定该设备经检修后是否符合要求。
具体结论为a、对停电检修设备的结论为通过对试验数据和外部检查,手动、电动、保护试跳动正确、合格,可以投运;b、对不停电检修工作(取油样)结论为经外观检查无油迹、螺丝紧固、油位正确、符合运行要求。
电气设备检修记录。