高中化学一轮复习 课时跟踪检测(三十九)物质制备类实验
- 格式:doc
- 大小:412.50 KB
- 文档页数:12
跟踪检测(三十)物质的检验和制备1.下表是Fe2+、Fe3+、Zn2+被OH-完全沉淀时溶液的pH。
某硫酸锌酸性溶液中含有少量Fe2+、Fe3+杂质,为制得纯净的ZnSO4,应加入的试剂是( )金属离子Fe 2+Fe3+Zn2+完全沉淀时的pH 7.7 4.5 6.5A.H2O2、ZnO B.氨水C.KMnO4、ZnCO3 D.NaOH溶液解析:选A 要使Fe2+和Fe3+全部除去,由题给信息可知,需将Fe2+全部氧化成Fe3+,再调节溶液pH范围为4.5≤pH<6.5,即可将Fe3+完全转化为Fe(OH)3沉淀,且保证Zn2+不沉淀。
氧化Fe2+时不能引入新的杂质,只能用H2O2,调pH时也不能引入新的杂质,用ZnO能促进Fe3+的水解。
2.仅用下表提供的玻璃仪器(非玻璃仪器任选)或实验装置就能达到相应实验目的的是( )选项 A B C D实验目的除去KCl中少量MnO2用10 mol·L-1盐酸配制100 mL0.1 mol·L-1盐酸用NaCl溶液制备NaCl晶体除去乙烯中少量SO2实验仪器或装置烧杯、玻璃棒、分液漏斗100 mL容量瓶、玻璃棒、烧杯2不是分液漏斗,错误;B项,缺少量取盐酸的仪器,如酸式滴定管或移液管等,错误;D项,SO2和乙烯均能与酸性KMnO4溶液反应,故不能达到除杂的目的,错误。
3.下列实验中,所采取的分离方法与对应原理都正确的是( )选项实验目的分离方法原理A 除去CO2中的HCl通入饱和Na2CO3溶液洗气HCl与Na2CO3溶液反应生成CO2B 除去乙醇中少量的乙酸加入足量生石灰蒸乙醇和乙酸钙的沸点相差较大馏冷却热饱和溶液重C 除去KNO3固体中的NaClNaCl在水中的溶解度很大结晶D 分离乙酸乙酯和乙醇分液乙酸乙酯和乙醇的密度不同解析:选B 饱和Na2CO3溶液可吸收CO2,A项错误;用重结晶法除去KNO3固体中的NaCl 是因为KNO3在水中的溶解度受温度的影响大,C项错误;乙酸乙酯和乙醇互溶,不能直接采取分液的方法分离,应先加入饱和Na2CO3溶液,然后分离,D项错误。
课时跟踪检测(五十) 物质制备的实验探究(实践课)1.(2021·湖北省选考模拟演练)无水FeCl 3是常用的芳香烃取代反应催化剂,它具有易水解、易升华的性质。
铁粉与氯气反应制备无水FeCl 3的实验装置如下图所示:E 和G 用来收集产物。
回答下列问题:(1)通入氯气后,A 中观察到有酸雾产生,C 中P 2O 5的作用是________________________________________________________________________。
(2)在E 、G 处收集产物是利用了FeCl 3________的性质。
(3)实验过程中若F 处出现堵塞,则在B 处可观察到的现象是________________________________________________________________________。
可通过________(填简单操作),使实验能继续进行。
(4)I 中反应的离子方程式为_______________________________________________。
(5)某同学用 5.60 g 干燥铁粉制得无水FeCl 3样品13.00 g ,该次实验的产率是________________________________________________________________________。
(6)实验室中还常用SOCl 2与FeCl 3·6H 2O 晶体共热制备无水FeCl 3,其化学反应方程式为________________________________________________________________________________________________________________________________________________。
检验水合三氯化铁原料中是否存在FeCl 2的试剂是________。
第66讲以物质制备为主的综合实验[复习目标]1.掌握物质制备型实验方案设计的原则。
2.掌握解答物质制备型实验综合题的思维模型。
类型一无机物的制备1.常见的气体发生装置辨认下列常见的气体发生装置,完成下列问题:(1)①用氯化铵与消石灰制取氨气,化学方程式为_____________________________________,选用装置:______(填字母,下同)。
答案2NH 4Cl +Ca(OH)2=====△CaCl 2+2NH 3↑+2H 2O A②用浓氨水与碱石灰制取氨气,选用装置:___________________________________________。
答案C(2)①用碳酸钠与稀硫酸制取二氧化碳,选用装置:__________。
答案C②用石灰石与稀盐酸制取二氧化碳,选用装置:__________。
答案B 或C(3)①用浓盐酸与二氧化锰制取氯气,化学方程式为___________________________________,选用装置:______。
答案MnO 2+4HCl(浓)=====△MnCl 2+Cl 2↑+2H 2O D②用漂白粉与浓盐酸制取少量氯气,化学方程式为____________________________________,选用装置:______。
答案Ca(ClO)2+4HCl(浓)===CaCl 2+2Cl 2↑+2H 2O C(4)铜与浓硝酸反应制取二氧化氮,选用装置:__________。
答案C(5)实验室制取乙烯的装置,可以通过选用上面哪个装置进行改进?若橡皮塞最多只允许打两个孔,应如何改进所选实验装置:____________________________________________________ _______________________________________________________________________________。
课时跟踪练32一、选择题1.图1是实验室合成溴苯并检验其部分生成物的装置,下列说法错误的是( )A .苯和液溴在A 中发生反应的化学方程式为+Br 2――→FeBr 3+HBrB .实验中C 中的液体逐渐变为浅红色,是因为溴具有挥发性C .D 、E 、F 均具有防倒吸的作用,其中F 不可以用图2所示装置代替D .D 中石蕊试液慢慢变红,E 中产生浅黄色沉淀解析:实验室制取溴苯的反应为+Br 2――→FeBr 3+HBr ,在题图1所示的A 中进行,A 项正确;苯、溴苯、溴、HBr 均易挥发,溴苯、溴均会溶于苯,溴苯溶于苯无色,少量溴溶于苯为浅红色,B 项正确;D 、E 、F 均具有防倒吸的作用,F 的作用是尾气处理,不影响性质探究了,可用题图2所示装置代替,C 项错误;产物有HBr 且不溶于C 中的苯,那么HBr 到D 中后溶于水显酸性,使石蕊溶液变红,HBr 来到E 中后生成浅黄色的AgBr 沉淀,D 项正确。
答案:C2.(2020·首都师范大学附属中学第三次模拟)实验室制备和提纯硝基苯过程中,下列实验或操作正确的是( )选项 实验操作 实验装置A 配制浓硫酸和浓硝酸的混合液B 在55 ℃水浴温度下发生硝化反应制备硝基苯C 用氢氧化钠溶液洗涤反应产物并分离出粗硝基苯D 将粗硝基苯蒸馏提纯此应将浓硫酸注入浓硝酸中,错误;B 项,题图中所示是苯加入浓硫酸和浓硝酸的混酸中,在50~60 ℃水浴中加热,发生硝化反应,操作正确;C 项,粗硝基苯中含有的杂质是硝酸、苯、浓硫酸,先加入氢氧化钠溶液碱洗,然后水洗,硝基苯难溶于水,应选用分液的方法用分液漏斗分离,错误;D 项,蒸馏时,冷却水的进出方向为“下进上出”,错误。
答案:B3.(2020·安徽马鞍山第二次模拟)在一定条件下,向Al 2O 3和过量C 粉的混合物中通入氯气,可制得易水解的AlCl 3,实验装置如图所示(尾气吸收略)。
下列说法正确的是( )A .a 装置分液漏斗中药品为稀盐酸B .b 装置中盛装的是浓硫酸C .实验结束时,先熄灭d 处的酒精灯D .e 装置可以用装有氢氧化钠溶液的洗气瓶代替解析:本实验为制备AlCl 3的实验,a 装置为二氧化锰和浓盐酸在加热条件下制取氯气的装置,b 、c 为洗气装置,分别除去HCl 和水蒸气,d 装置为制备AlCl 3的装置,反应的方程式为2Al 2O 3+6Cl 2+3C=====△4AlCl 3+3CO 2,e 为尾气处理装置,并防止空气中的水蒸气进入装置d 中,据此分析解答。
2019-2020年高考化学一轮复习 课时跟踪检测33 合成高分子化合物 有机合成与推断 新人教版1.(xx·山东高考)聚酰胺-66常用于生产帐篷、渔网、降落伞及弹力丝袜等织物,可利用下列路线合成:――→H 2Ni ――→HCl ――→HCl D ――→2NaCN ①A B CE已知反应:R —CN ――→H 2O H+R —COOH R —CN ――→H 2Ni R —CH 2NH 2(1)能与银氨溶液反应的B 的同分异构体的结构简式为______________________。
(2)D 的结构简式为__________________________________________________________; ①的反应类型为________。
(3)为检验D 中的官能团,所用试剂包括NaOH 水溶液及____________________。
(4)由F 和G 生成H 的反应方程式为___________________________________________________________________________________________________________________。
2.肉桂醛F(CHCHCHO)在自然界存在于桂油中,是一种常用的植物调味油,工业上主要是按如下路线合成的:已知两个醛分子在NaOH 溶液作用下可以发生反应,生成一种羟基醛:请回答:(1)D 的结构简式为____________(2)反应①~⑥中符合原子经济性的是________(填序号);(3)写出有关反应的化学方程式:③________________________________________________________________________,判断有关反应的类型:⑥____________;(4)E物质的同分异构体中,苯环上有两个取代基,其中一个是羧基的有________种;(5)下列关于E的说法正确的是________。
跟踪检测(三十九)物质的分离与提纯气体的制备1.下列仪器常用于物质分离的是( )A.①③⑤B.②③⑤C.②④⑤ D.①②⑥解析:选B ①试管常用于物质的制备、发生装置;②普通漏斗常用于过滤,可用来分离固液混合物;③分液漏斗常用于分离互不相溶的液体混合物;④托盘天平常用于称量固体的质量;⑤蒸馏烧瓶常用于分离沸点不同的液体混合物;⑥研钵常用于固体药品的研磨,不能用来分离。
2.为达到下列实验目的,所采用的方法正确的是( )A.分离饱和食盐水和沙子的混合物——过滤B.分离水和汽油的混合物——蒸馏C.从硝酸钾和氯化钾混合液中获取硝酸钾——蒸发D.从溴水中提取溴——分液解析:选A 沙子不溶于水,食盐溶于水,则利用过滤法可分离,故A正确;水和汽油的混合物分层,则利用分液法分离,故B错误;硝酸钾、KCl的溶解度受温度影响不同,若蒸发均从溶液中析出,应利用结晶法分离,故C错误;溴水不分层,不能利用分液分离,溴易溶于有机溶剂,不易溶于水,应利用萃取分液,故D错误。
3.除去括号内的杂质,所选用的试剂和操作方法都正确的是( )22项,乙酸能与碳酸钠溶液反应,乙酸乙酯不溶于水,也不与碳酸钠溶液反应,且在饱和碳酸钠溶液中溶解度很小,分液后乙酸乙酯在饱和碳酸钠溶液的上层,正确;C项,CaO能与水反应生成氢氧化钙,碳酸钙不与水反应,不符合除杂原则,错误;D项,胶体能透过滤纸,不能透过半透膜,溶液既能透过滤纸又能透过半透膜,因此应该用渗析的方法,错误。
4.为了净化和收集由盐酸和大理石制得的CO2气体,从图中选择合适的装置并连接。
其中连接顺序合理的是( )A.a—a′→d′—d→e B.c—c′→d—d′→gC.b—b′→d—d′→g D.d—d′→c—c′→f解析:选B 盐酸和大理石制得的CO2气体含有氯化氢和水蒸气,除氯化氢用饱和NaHCO3溶液,除水蒸气用浓硫酸,CO2比空气密度大,所以用向上排空气法收集CO2气体。
5.(2018·潍坊一模)下列做法正确的是( )A.KNO3粉末中含有少量的NaCl杂质,可用重结晶法提纯B.向沸水中滴加饱和FeCl3溶液并不断搅拌制备Fe(OH)3胶体C.向某溶液中加入BaCl2溶液,产生不溶于稀硝酸的白色沉淀,该溶液一定含有SO2-4 D.将pH试纸浸入待测溶液后取出,与标准比色卡进行对比,测得pH约为2解析:选A A项,KNO3的溶解度随温度的升高而增大,NaCl的溶解度受温度影响小,故除去KNO3粉末中少量的NaCl用重结晶的方法,正确;B项,向沸水中滴加饱和的FeCl3溶液加热煮沸得到Fe(OH)3胶体,不能搅拌,错误;C项,加入BaCl2溶液,产生不溶于稀硝酸的白色沉淀,溶液中可能含有SO2-3、SO2-4或Ag+,错误;D项,测定pH的方法是将一小片pH试纸放在表面皿上,用玻璃棒或胶头滴管将待测液滴在试纸上,再将变色的试纸与标准比色卡对照读出数值,错误。
课时跟踪练[基础巩固]1.在给定条件下,下列选项中所示物质间的转化均能实现的是( )A .CH 3CH 2CH 2Br ――→浓硫酸△CH 3CH===CH 2――→Br 2 CH 3CHBrCH 2Br B .NaOH(aq)――→苯酚 C 6H 5ONa(aq)――→CO 2 NaHCO 3(aq)C .NaOH(aq)――→CuSO 4(aq) 新制Cu(OH)2――→蔗糖 Cu 2O(s)D .石油――→裂解 CH 3CH===CH 2――→催化剂△ CH 3CHCH 2解析:选B 。
CH 3CH 2CH 2Br 和氢氧化钠醇溶液共热发生消去反应得到CH 3CH===CH 2,A 错误;苯酚有弱酸性,能与氢氧化钠反应生成苯酚钠和水,苯酚的电离能力介于碳酸的一级电离和二级电离之间,苯酚钠可以和二氧化碳反应生成碳酸氢钠和苯酚,B 正确;蔗糖不是还原糖,不能与新制氢氧化铜反应,C 错误;聚丙烯的结构简式为,D 错误。
2.以丙烯为基础原料,可制备离子导体材料中有机溶剂的单体丙烯酸丁酯,合成路线如下:CH 3CH===CH 2―――――――――→CO 、H 2,钴或铑① CH 3CH 2CH 2CHO ――→ ②CH 3CH 2CH 2CH 2OH ―――――――――→CH 2===CH —COOH ③下列判断错误的是( )A .反应①是一个碳链增长的反应B .反应②是还原反应,可以通过加成的方式实现C .反应③的条件是浓硫酸、加热D .该合成工艺的原子利用率为100%解析:选D。
A项,对比反应①的反应物和生成物可知,反应①是一个碳链增长的反应,A项正确;B项,反应②中醛基被还原为羟基,在一定条件下醛基与H2加成可得到羟基,B项正确;C项,反应③是酯化反应,反应条件是浓硫酸、加热,C项正确;D项,反应③有水生成,故该合成工艺的原子利用率小于100%,D项错误。
3.是一种有机醚,可由链状烃A(分子式为C4H6)通过如下路线制得。
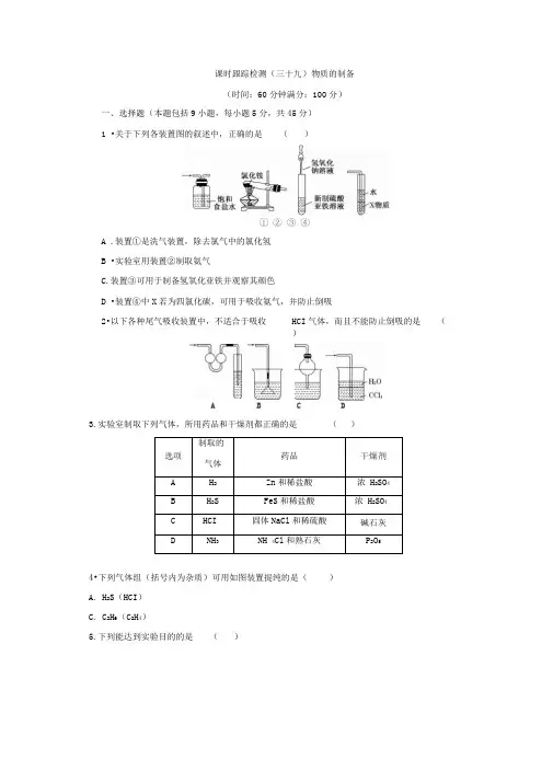
课时跟踪检测(三十九)物质的制备(时间:60分钟满分:100分)一、选择题(本题包括9小题,每小题5分,共45分)1 •关于下列各装置图的叙述中,正确的是 ( )A .装置①是洗气装置,除去氯气中的氯化氢B •实验室用装置②制取氨气C .装置③可用于制备氢氧化亚铁并观察其颜色D •装置④中X 若为四氯化碳,可用于吸收氨气,并防止倒吸 2•以下各种尾气吸收装置中,不适合于吸收 HCI 气体,而且不能防止倒吸的是 ()A B C D3.实验室制取下列气体,所用药品和干燥剂都正确的是( )选项制取的气体药品干燥剂 A H 2 Zn 和稀盐酸 浓 H 2SO 4 B H 2S FeS 和稀盐酸浓 H 2SO 4 C HCI 固体NaCl 和稀硫酸碱石灰DNH 3NH 4Cl 和熟石灰 P 2O 54•下列气体组(括号内为杂质)可用如图装置提纯的是( )A . H 2S (HCI ) C . C 2H 6(C 2H 4)5.下列能达到实验目的的是()① ② ③ ④ccTgB. NO2(CO2)D. CO2(H2S)AL气体a b c dCO2 稀盐酸CaCO3 饱和Na2CO3溶液浓H2SO4Cl2 浓盐酸MnO 2 NaOH溶液浓H2SO4SO2 稀H2SO4 Cu 品红溶液浓H2SO4H2 稀盐酸锌粒NaOH溶液浓H2SO4A. CO2B. Cl 2C. SO2D. H2& (2013安徽江南十校联考)实验是研究化学的基础,下列图中所示的实验方法、装置或操作中正确的是(B .收集并吸收多余的C12D .吸收HCI制盐酸6•下图装置可用于制取、提纯并收集表格中的四种气体(a、b、c表示相应仪器中加入的试剂),其中可行的是()选项气体 a b cA NO2 浓硝酸铜片NaOH溶液B SO2 浓硫酸Cu 酸性KMnO 4溶液C NH3 浓氨水生石灰碱石灰D CO2 稀硝酸CaCO3 浓硫酸7. (2013大连双基测试)用如图所示装置制取表中的四种气体(图中加热及气体收集装置均已略去;必要时可以加热;a、b、c、d表示相应仪器中加入的试剂)。
课时跟踪检测三十二物质的制备(时间:45分钟满分:100分)一、选择题(每小题7分,共56分)1.下列关于气体的制备的说法不正确的是( )A.用碳酸钠粉末可以制备CO2B.用铁片和稀H2SO4反应制取H2时,为加快产生H2的速率可改用浓H2SO4C.加热分解NH4HCO3固体,将所得的气体进行适当处理可获得NH3D.用KMnO4固体和用KClO3固体制备O2的装置完全相同解析:碳酸钠粉末与盐酸或硫酸反应可以制备CO2,A项正确;铁片遇浓硫酸发生钝化,B项错误;加热NH4HCO3固体,用碱石灰吸收CO2和水蒸气,可制得NH3,C项正确;用KMnO4和KClO3固体制备O2,均是固体加热制备气体,其装置相同,D项正确。
答案:B2.(2016年新课标卷Ⅲ)下列有关实验的操作正确的是( )解析:浓硫酸稀释时应将422后应先移出导管后熄灭酒精灯,防止发生倒吸,B项错误;浓盐酸与MnO2反应制备纯净Cl2,应先将气体通过饱和食盐水,除去HCl,再通过浓H2SO4除去水蒸气,否则水蒸气不能除去,C项错误;CCl4的密度比水大,在下层,分液时应先从下口放出有机层,再从上口倒出水层,D项正确。
答案:D3.实验室制备下列物质的方法合理可行的是( )A.用石灰石与稀硫酸反应制取CO2B.食醋和无水酒精及浓硫酸共热,以制取乙酸乙酯C.加热NH4Cl晶体使其分解制取氨气D.铜和浓硝酸反应制NO2解析:石灰石和稀硫酸反应生成CaSO4,CaSO4微溶于水,会覆盖在石灰石表面,阻止反应继续进行,实验室常用石灰石和稀盐酸反应制取CO2,A项不符合题意;在制取乙酸乙酯时,常用冰醋酸和无水乙醇、浓硫酸共热来制备,B项不符合题意;氯化铵分解产生NH3和HCl,遇冷NH3和HCl又化合生成NH4Cl,不能用加热NH4Cl晶体的方法制取氨气,C项不符合题意;铜和浓硝酸反应生成NO2,可用来制备NO2,D项符合题意。
答案:D4.如图为实验室制氢气的简易装置。
物质制备综合实验探究1下列有关气体制备的说法正确的是A.在实验室中,可用加热NH4Cl固体的方法制备氨气B.在实验室中,可用浓H2SO4分别与NaCl、NaBr、NaI反应制取HCl、HBr、HIC.可用Na2SO3固体与较浓的H2SO4反应制取SO2D.可用稀硝酸与FeS固体反应制取H2S【答案】C【解析】A.加热NH4Cl固体生成氨气和氯化氢,越冷两者又生成氯化铵固体,不能制备氨气,A错误;B.浓H2SO4具有强氧化性,碘离子具有还原性,浓硫酸会和碘离子发生氧化还原反应生成碘单质,不能生成碘化氢,B错误;C.Na2SO3固体与较浓的H2SO4发生复分解反应生成二氧化硫气体,可以制取SO2,C正确;D.硝酸具有强氧化性,会和硫离子发生氧化还原反应生成硫单质,不能生成硫化氢,D错误;故选C。
2实验室制备下列气体所选装置,制备试剂、除杂试剂及所选装置均正确的是(干燥、收集装置略)气体制备试剂除杂试剂所选装置A NH3NH4Cl--b、cB Cl2MnO2+浓HCl饱和NaCl溶液a、cC C2H4C2H5OH+浓H2SO4NaOH溶液b、cD C2H2电石+饱和NaCl溶液CuSO4溶液a、cA.AB.BC.CD.D【答案】D【解析】A.实验室中不能采用直接加热氯化铵制取氨气,应用浓氨水加热制取,故A错误;B.二氧化锰与浓盐酸加热生成氯气,氯气中混有挥发出的HCl气体,可用饱和食盐水除去,装置可选b、c,故B错误;C.乙醇与浓硫酸发生消去反应生成乙烯需要控制温度迅速升至170℃,因此装置中需用温度计控制反应温度,故C错误;D.电石和饱和食盐水常温下反应生成乙炔,因电石中含有硫化物,同时会生成硫化氢,可用硫酸铜溶液将硫化氢沉淀除去,装置应选a、c,故D正确;故选:D。
3实验室制备、纯化硝基苯需要用到下列装置,其中不正确的是()【答案】B【解析】A.将2甲基1丙醇和POCl3溶于盛在三口烧瓶的CH2Cl2中,搅拌、加热回流(反应装置中的球形冷凝管用于回流),制备产物,A项正确;B.产生的HCl气体可用NaOH溶液吸收,但要防止倒吸,导气管不能直接伸入NaOH溶液中,B项错误;C.分液收集CH2Cl2层需用到分液漏斗,振荡时需将分液漏斗倒转过来,C项正确;D.蒸馏时需要用温度计控制温度,冷凝水从下口进、上口出,D项正确。
课时跟踪练[基础巩固]1.(2024·广州白云中学高三测试)我国是一个历史悠久的文明古国。
下列古代生产工艺中涉及化学变化的是()A.烧制瓷器B.纺纱织布C.雕刻石像D.活字印刷答案:A2.(2024·广东四校联考)以下物质属于混合物的是()A.液氯B.漂白粉C.胆矾D.碳酸氢钠答案:B3.顺式Pt(NH3)2Cl2(相对分子质量为300)是临床广泛使用的抗肿瘤药物。
下列有关说法正确的是()A.Pt的化合价为+4价B.该物质由PtCl2和NH3组成,属于混合物C.NH3属于碱D.该物质由4种元素组成解析:选D。
顺式Pt(NH3)2Cl2中Pt的化合价为+2价,A错误;顺式Pt(NH3)2Cl2是化合物,B错误;NH3是氢化物,不是碱,C错误;顺式Pt(NH3)2Cl2由Pt、N、H、Cl 4种元素组成,D正确。
4.(2024·东莞光正实验学校月考)广东有众多国家级非物质文化遗产,如广东剪纸、粤绣、潮汕工夫茶和香云纱染整技艺等。
下列说法不正确的是() A.广东剪纸的裁剪过程不涉及化学变化B.冲泡工夫茶时茶香四溢,体现了分子是不断运动的C.制作粤绣所用的植物纤维布含有天然高分子D.染整技艺中去除丝胶所用的纯碱水溶液属于纯净物解析:选D。
A.广东剪纸的裁剪过程中没有新物质生成,故不涉及化学变化,A正确;B.冲泡工夫茶时茶香四溢,是因为茶水的香味分子不停地做无规则运动,扩散到空气中,B正确;C.制作粤绣所用的植物纤维布含有纤维素,属于天然高分子,C正确;D.染整技艺中去除丝胶所用的纯碱水溶液属于混合物,D错误。
5.(2024·广东四校联考)下列说法正确的是()A.硫酸、纯碱、碳酸氢钠和生石灰分别属于酸、碱、盐和氧化物B.只含一种元素的物质可能为混合物,也可能为纯净物C.生石灰与水混合的过程只发生物理变化D.H2O、HCOOH、[Cu(NH3)4]SO4中均含有氧元素,都是氧化物解析:选B。
证对市爱幕阳光实验学校【优化指导】高三化学总复习第11章第3节物质的制备课时跟踪检测1.(2021·一中模拟)化学设计和操作中必须十分平安问题和环境保护问题,以下的设计或操作不合理的是( )①室用加热分解KClO3的方法制取O2,排水收集O2后,先停止加热,再撤除装置②结束后将固体残渣深埋入土壤中,废液倒入下水道排出③给试管中的液体加热时不时地移动试管,以免暴沸伤人④为检验CO气体的纯度,用排空气法收集一试管气体,然后移近火焰点燃听有无锋利爆鸣声A.①②B.①②③④C.①②④D.②④解析:选C 室用KClO3热分解法制O2,用排水法收集O2后先将导管从水槽中取出,然后再停止加热撤除装置;结束后将固体残渣、废液按照室的规放入指的容器中;CO的密度与空气的接近,不能用排空气法。
2.(2021·)利用以下装置进行相,能到达目的的是( )A.用装置①除去Cl2中含有的少量HClB.用装置②从氯化铁溶液中直接蒸发结晶获得无水氯化铁C.用装置③制取少量纯洁的CO2气体D.用装置④别离CCl4萃取碘水后已分层的有机层和水层解析:选D A项中Cl2也能与NaOH溶液反,不能到达目的;B项中氯化铁会发生反:FeCl3+3H2O=====△Fe(OH)3↓+3HCl↑,最终得不到无水氯化铁,不能到达目的;C项中纯碱易溶于水,不能用该装置,不能到达目的;D项中有机层与水层互不溶,可用分液漏斗别离,能到达目的。
3.(2021·菏模拟)以下图装置可用于制取并收集表的四种气体(a、b、c 表示相仪器中参加的试剂)其中可行的是( )解析:选故错误。
B项,二氧化硫能被高锰酸钾氧化,故错误。
C项,c装置中盛放液体不是固体,故错误。
4.室对制备气体反的根本要“反条件易满足、能平稳地产生气流、所得气体中尽可能不含杂质成分(除少量水蒸气及少量原料汽化形成的物质)〞,以下反一般能用于室制备气体的是( )A.Na2O2与CO2反制备O2B.H2O2与MnO2混合制备O2C.加热浓硝酸制备NO2D.浓NaOH与NH4Cl溶液混合加热制备NH3解析:选B A项易引入较多的CO2杂质;C项加热浓HNO3制NO2时还会产生O2,C项错;氨气易溶于水,用浓NaOH溶液与NH4Cl溶液反制得的NH3量较少,D项错。
课时跟踪检测(二十二)物质的制备1.ICl(氯化碘)红棕色液体,熔点13.9 ℃,沸点97.4 ℃,易水解,接触空气时能形成五氧化二碘,能与许多单质发生作用,溶于乙醇、乙醚等。
某校研究性学习小组的同学拟用下列仪器制备氯化碘。
回答下列问题:(1)检查A装置气密性的方法为_______________________________。
(2)上述装置,按气流方向连接的顺序为______________(装置可重复使用),A中发生反应的离子方程式为________________________________________________________________________________________________________________。
(3)C装置的作用是_______________________________________________________。
(4)E装置的烧瓶反应时需放在水中,控制温度大约40 ℃,其目的是________________________________________________________________________。
(5)按上述连接好的装置进行实验,实验步骤如下:①检查装置气密性后,装入药品②打开分液漏斗活塞③关闭分液漏斗活塞④停止加热E,充分冷却⑤水浴加热E请按正确的顺序填入上述步骤的序号__________________。
(6)在A装置后可连接如图的装置,当反应结束关闭分液漏斗活塞后,关闭K,该装置的作用是___________________。
(7)ICl和水反应的化学方程式为_______________________________________。
解析:(1)利用排水法进行A装置气密性检查,具体方法如下:从A的导管口连接一个导管伸入水中,关闭分液漏斗旋钮,手握圆底烧瓶,若导管口有气泡冒出,手放开烧瓶后,有一段水柱倒吸入导管,说明A 装置气密性良好。
2021年高考化学一轮复习课时跟踪检测29 化学实验的基本技能从熟悉实验元件开始新人教版1.(xx·西安铁一中模拟)下列操作中,所用仪器合理的是( )A.用托盘天平称量5.22 g食盐B.用100 mL的量筒量取5.2 mL稀盐酸C.用100 mL的容量瓶配制50 mL 0.1 mol/L盐酸D.用25 mL的酸式滴定管量取15.12 mL高锰酸钾溶液2.(xx·武威模拟)对下列各组物质:①NaNO3和NaCl;②CaCl2和CaCO3;③MnO2和KCl;④BaSO4和AgCl,可按照溶解、过滤、蒸发的实验操作顺序,将它们相互分离的是( )A.只有①B.③④C.②③ D.②④3.下列叙述正确的是( )A.将用水润湿的pH试纸浸入稀盐酸溶液测定溶液的pHB.用托盘天平称取NaOH固体20.00 gC.滴定管的“0”刻度线在上部,而量筒的“0”刻度线在下部D.在配制一定物质的量浓度的溶液时,定容后,经摇匀发现液面低于刻度线,此时无需再加入蒸馏水使其液面与刻度线水平4.(xx·福建高考)下列做法不.正确的是( )A.易燃试剂与强氧化性试剂分开放置并远离火源B.用湿润的红色石蕊试纸检验氨气C.在50 mL量筒中配制0.100 0 mol·L-1碳酸钠溶液D.金属钠着火时,用细沙覆盖灭火5.实验室保存化学试剂选用容器不当的是( )6.(xx·西北师大附中一模)下列各项实验的基本操作中,正确的是( )A.为了加快过滤速度,可用玻璃棒搅拌过滤器中的液体B.蒸发操作中,将蒸发皿放在三脚架上,并垫上石棉网加热C.为了使制取氢气的速率加快(锌与稀硫酸反应),可向稀硫酸中加入少量硫酸铜溶液D.为了使配制的FeCl3溶液不产生浑浊,可加入盐酸和铁片7.化学实验必须以实验安全为前提。
下面的操作不会出现危险的是( )A.强碱溶液滴到皮肤上,应立即用较多的水冲洗,然后用稀醋酸冲洗B.取适量水沿玻璃棒缓缓注入盛有浓硫酸的烧杯中C.为防止试剂污染,用剩的金属钠放入垃圾桶中D.制备CO时,为防止CO逸出,待刚刚出现气体时就在气体发生器出气口点燃8.(xx·大连模拟)下列各组物质中,仅用水及物质间相互反应不能一一区别的一组是( )A.Na2O2、Al2(SO4)3、MgCl2、K2CO3B.BaCl2、Na2SO4、(NH4)2SO4、KOHC.AgNO3、NaCl、KCl、CuCl2D.Fe2(SO4)3、K2CO3、KHSO4、NH4Cl9.(xx·山东高考)利用实验器材(规格和数量不限)能完成相应实验的一项是( )A.加入NaOH溶液,有白色沉淀生成,则原溶液中一定含有Al3+B.加入AgNO3溶液有白色沉淀生成,加稀盐酸沉淀不消失,则原溶液中一定含有Cl-C.加入盐酸产生能使澄清石灰水变浑浊的气体,则原溶液中一定含有CO2-3或SO2-3D.某无色溶液焰色反应呈黄色,则该溶液中一定含有Na+12.化学实验设计和操作中必须十分重视安全问题和环境保护问题。
第3节物质的制备课时跟踪练一、选择题1.实验室制备下列气体时,所用方法正确的是( )A.制氧气时,用Na2O2或H2O2作反应物可选择相同的气体发生装置B.制氯气时,用饱和NaHCO3溶液和浓硫酸净化气体C.制乙烯时,用排水法或向上排空气法收集气体D.制二氧化氮时,用水或NaOH溶液吸收尾气解析:用Na2O2和水反应制取氧气,与用在MnO2催化下分解H2O2制取氧气的发生装置相同,A项正确;饱和NaHCO3溶液显碱性,能与氯气反应,B项错误;相同条件下,乙烯的密度与空气的密度相差不大,故不能用排空气法收集乙烯,C项错误;NO2与水发生反应3NO2+H2O===2HNO3+NO,产生的NO仍是有毒气体,故不能用水吸收含NO2的尾气,D项错误。
答案:A2.用下列装置制取并收集NO2气体,其中最合理的是( )解析:铜与浓硝酸反应的产物是NO2,其密度比空气的大,因此应利用向上排空气法收集NO2气体,导气管应长进短出,这样才能将装置中的空气排尽,且还要防止倒吸,只有C 项符合。
答案:C3.某学生想利用如图装置(烧瓶位置不能移动)收集下列气体:①H2②Cl2③CH4④HCl⑤NH3⑥NO⑦NO2⑧SO2,下列操作正确的是( )A.烧瓶是干燥的,由A进气收集①③⑤B .烧瓶是干燥的,由B 进气收集②④⑥⑦⑧C .在烧瓶中充满水,由A 进气收集①③⑤⑦D .在烧瓶中充满水,由B 进气收集⑥解析:由A 进气,应该收集密度比空气小且不和空气反应的气体,①③⑤可以用此方法收集,A 项正确;由B 进气,应该收集密度比空气大且不和空气反应的气体,②④⑦⑧可以用此方法收集,B 项错误;用排水法收集的气体在水中的溶解度小,且应该由A 进气,因此C 、D 两项错误。
答案:A4.下列图示实验正确的是( )解析:A 项,除去粗盐溶液中的不溶物用过滤的方法,玻璃棒下端应紧靠过滤器中三层滤纸一侧,错误;B 项,碳酸氢钠受热分解为固体加热制气体,试管口应略向下倾斜,错误;C 项,除去CO 气体中的CO 2气体,气流方向应为长管进气,短管出气,错误;D 项,乙酸乙酯的制备演示实验图示正确。
课时跟踪检测(三十五)物质制备类实验1.(2014·山东高考)工业上用重铬酸钠(Na2Cr2O7)结晶后的母液(含少量杂质Fe3+)生产重铬酸钾(K2Cr2O7)。
工艺流程及相关物质溶解度曲线如图:(1)由Na2Cr2O7生产K2Cr2O7的化学方程式为______________________。
通过冷却结晶析出大量K2Cr2O7的原因是__________________________________________________________________________________________________________________________。
(2)向Na2Cr2O7母液中加碱液调pH的目的是________________________________________________________________________。
(3)固体A主要为________(填化学式)。
固体B主要为________(填化学式)。
(4)用热水洗涤固体A,回收的洗涤液转移到母液________(填“Ⅰ”“Ⅱ”或“Ⅲ”)中,既能提高产率又可使能耗最低。
2.实验室欲制取少量NaHCO3与NH4Cl。
实验步骤如下:请回答:(1)步骤Ⅰ、Ⅱ中需用到氨气,下列装置可用于实验室制氨气的是________(填序号)。
(2)步骤Ⅰ中发生反应的化学方程式是________________________________________________________________________________________________________________________________________________。
若用图甲装置进行该沉淀反应,实验时,须先从________(填“a”、“b”或“c”)管通入________。
(3)有人设计了如图乙所示的装置来验证步骤Ⅲ所得的晶体中含有NH+4。
课时跟踪检测(三十九)物质制备类实验1.(2016·银川模拟)氢化锂(LiH)在干燥的空气中能稳定存在,遇水或酸能够引起燃烧。
某活动小组准备使用下列装置制备LiH固体。
甲同学的实验方案如下:(1)仪器的组装连接:上述仪器装置接口的连接顺序为____________________,加入药品前首先要进行的实验操作是______________________(不必写出具体的操作方法);其中装置B的作用是____________________。
(2)添加药品:用镊子从试剂瓶中取出一定量金属锂(固体石蜡密封),然后在甲苯中浸洗数次,该操作的目的是____________________,然后快速把锂放入到石英管中。
(3)通入一段时间氢气后加热石英管,在加热D处的石英管之前,必须进行的实验操作是________________________________________________________________________。
(4)加热一段时间后停止加热,继续通氢气冷却,然后取出LiH,装入氮封的瓶里,保存于暗处。
采取上述操作的目的是为了避免LiH与空气中的水蒸气接触而发生危险。
(反应方程式:LiH+H2O===LiOH+H2↑),分析该反应原理,完成LiH与无水乙醇反应的化学方程式________________________________________________________________________________________________________________________________________________。
(5)准确称量制得的产品0.174 g,在一定条件下与足量水反应后,共收集到气体470.4 mL(已换算成标准状况),则产品中LiH与Li的物质的量之比为_____________________。
(6)乙同学对甲的实验方案提出质疑,他认为未反应的H2不能直接排放,所以在最后连接了装置E用来收集H2,请将E装置补充完整。
解析:(1)A装置生成的H2含有HCl和H2O,所以B装置中的碱石灰除去HCl和H2O,把纯净的H2通入D中制取LiH,后面连接C,防止外界中的H2O进入,所以连接顺序为:e 接a,b接f,g接d或e接a,b接g,f接d;与气体相关的实验,在装入药品前首先要进行装置气密性的检验;A装置生成的H2含有HCl和H2O,所以B装置中的碱石灰除去HCl和H2O,得到纯净的H2。
(2)石蜡是有机物,易溶于甲苯等有机溶剂中,所以固体石蜡密封的金属锂在甲苯中浸洗数次的目的是除去锂表面的石蜡。
(3)必须是纯净的H2与Li反应,如果还有空气,H2与空气的混合气体有可能发生爆炸,所以在加热D处的石英管之前,必须进行的实验操作是:收集c处排出的气体并检验H2纯度。
(4)分析LiH+H2O===LiOH+H2↑的反应原理,LiH中的H元素为-1价,与H2O中+1价的H元素发生氧化还原反应生成H2,所以LiH中的H元素也能与CH3CH2OH中—OH 的H元素发生氧化还原反应,所以化学方程式为LiH+CH3CH2OH===CH3CH2OLi+H2↑。
(5)气体的物质的量为0.470 4 L÷22.4 L·mol-1=0.021 mol,设LiH物质的量为x,Li物质的量为y,根据质量可得8x+7y=0.174 g,根据气体物质的量可得x+1/2y=0.021 mol,解得x=0.02 mol,y=0.002 mol,所以产品中LiH与Li的物质的量之比为10∶1。
(6)利用排水法收集剩余的H2,所以将E装置补充完整如图所示:答案:(1)e接a,b接f,g接d 检验装置的气密性除去H2中的H2O和HCl(2)除去锂表面的石蜡(3)收集c处排出的气体并检验H2纯度(4)LiH+CH3CH2OH===CH3CH2OLi+H2↑(5)10∶1(6)如图(见解析)2.(2016·成都模拟)四氯化钛是无色液体,沸点为136 ℃。
它极易水解,遇空气中的水蒸气即产生“白烟”(TiCl4+H2O===TiOCl2+2HCl↑)。
在650~850 ℃下,将氯气通过二氧化钛和炭粉的混合物可得到四氯化钛和一种有毒气体。
如图是某科研小组制备TiCl4的反应装置,其主要操作步骤如下:①连接好整套装置,在通Cl2前先通入CO2气体并持续一段时间;②当锥形瓶中TiCl4的量不再增加时,停止加热,从侧管中改通CO2气体直到电炉中的瓷管冷却为止;③将TiO2、炭粉混合均匀后,装入管式电炉中;④将电炉升温到800 ℃,一段时间后改通Cl2,同时在冷凝管中通冷凝水。
试回答下列问题:(1)正确的操作顺序为(填序号)________。
(2)C装置中的反应的化学方程式为_________________________________________。
(3)B中的试剂为________;其作用是_____________________________________。
(4)D装置的作用是____________________________________________________。
(5)干燥管中无水CaCl2的作用是_________________________________________。
(6)从环境保护的角度,提出一个优化方案:_______________________________________________________________________________________________________。
解析:由题意四氯化钛极易水解,故应首先用惰性气体(这里指CO2)排尽装置中的空气,且制得的氯气应先经过干燥,即B中应盛装浓硫酸,且制得的四氯化钛应采取保护措施,避免与空气中的水蒸气反应,故在冷凝管后连接了无水氯化钙;在650 ℃~850 ℃下发生反应生成四氯化钛和一氧化碳,在D装置中被冷却并收集,尾气中含有没反应的氯气以及一氧化碳,故装置最后还需要添加处理一氧化碳的装置。
由上分析可得正确的操作顺序应为③①④②。
答案:(1)③①④②(2)TiO2+2Cl2+2C650~850 ℃,TiCl4+2CO (3)浓硫酸干燥氯气(4)冷凝四氯化钛(5)防止E中的水蒸气进入D中使TiCl4水解(6)在尾气出口处加一点燃的酒精灯或增加一尾气处理装置3.某实验小组用下图所示的装置制备一硝基甲苯(包括邻硝基甲苯和对硝基甲苯):反应原理:实验步骤:①配制浓硫酸与浓硝酸(体积比按1∶3)的混合物(即混酸)40 mL;②在三颈瓶中加入13 g甲苯(易挥发);③按图所示装好药品,并装好其他仪器;④向三颈瓶里加入混酸,并不断搅拌(磁力搅拌器已略去);⑤控制温度约为50 ℃,反应大约10 min,三颈瓶底有大量淡黄色油状液体出现;⑥分离出一硝基甲苯,经提纯最终得到纯净的一硝基甲苯共15 g。
可能用到的有关数据如下:密度/g·cm -3 沸点/℃ 溶解性 甲苯0.866 110.6 不溶于水,易溶于硝基甲苯 产品11.286 237.7 不溶于水,易溶于液态烃 产品2 1.162 222 不溶于水,易溶于液态烃请回答下列问题:(1)实验前需要先在三颈瓶中加入少许________________,目的是________________。
(2)冷凝管的作用是________________;冷却水从冷凝管的________(填“a”或“b”)端进入。
(3)仪器A 的名称是________,在使用之前必须进行的操作是________。
(4)分离产品的方案如下:操作1的名称是________;操作2必需的玻璃仪器有酒精灯、温度计、锥形瓶、牛角管(接液管)和________、________。
(5)本实验中一硝基甲苯的产率为________。
A .77.5%B .68.7%C .62.3%D .53.0%解析:(2)甲苯易挥发,冷凝管可使挥发出的甲苯冷凝回流,从而提高了反应物的利用率。
(4)题中涉及的有机物不溶于水而无机物溶于水,所以分离有机混合物和无机混合物的方法是分液。
产品1、2的沸点不同,可用蒸馏的方法进行分离。
(5)13 g 甲苯理论上可生成1392×137 g 一硝基甲苯,故产率为15 g 1392×137 g ×100%=77.5%。
答案:(1)碎瓷片(或沸石) 防止暴沸 (2)冷凝回流 a (3)分液漏斗 检漏 (4)分液 蒸馏烧瓶 冷凝管 (5)A4.(2016·南京模拟)以冶铝的废弃物铝灰为原料制取超细α氧化铝,既降低环境污染又可提高铝资源的利用率。
已知铝灰的主要成分为Al 2O 3(含少量杂质SiO 2、FeO 、Fe 2O 3),其制备实验流程如下:硫酸铝铵溶液 NH 42SO 4溶液结晶、干燥、煅烧αAl 2O 3(1)铝灰中氧化铝与硫酸反应的化学方程式为___________________________________________________________________________________________________。
(2)图中“滤渣”的主要成分为________(填化学式)。
(3)加30%的H 2O 2溶液发生的离子反应方程式为____________________________________________________________________________________________________。
(4)煅烧硫酸铝铵晶体,发生的主要反应为:4[NH 4Al(SO 4)2·12H 2O]=====1 240 ℃2Al 2O 3+2NH 3↑+N 2↑+5SO 3↑+3SO 2↑+53H 2O ,将产生的气体通过下图所示的装置。
①集气瓶中收集到的气体是____________(填化学式)。
②足量饱和NaHSO 3溶液吸收的物质除大部分H 2O(g)外还有________(填化学式)。
③KMnO 4溶液退色(MnO -4被还原为Mn2+),发生的离子反应方程式为________________________________________________________________________。
解析:(1)氧化铝与硫酸反应生成硫酸铝和水。
(2)氧化铝、氧化亚铁、氧化铁都能与硫酸反应,生成可溶性物质,只有二氧化硅不与稀硫酸反应,过滤后得到的滤渣为二氧化硅。
(3)在酸性条件下,H2O2具有强氧化性,可以把Fe2+氧化为Fe3+,同时有水生成。