北京某高层住宅混凝土施工方案
- 格式:pdf
- 大小:391.79 KB
- 文档页数:19
高层住宅混凝土工程施工方法一、基础施工1.地基处理:首先进行地表净空、碎石垫层等处理,然后进行基坑挖掘和支护。
挖掘完基坑后要对边坡进行加固,同时测量坑底标高,确保基础的水平和标高准确。
2.浇筑地下室底板:先进行防水层和隔音层的施工,然后浇筑混凝土地下室底板。
要保证地下室底板的平整度和强度,同时设置伸缩缝和接缝带,防止裂缝的产生。
3.地下室墙体施工:根据设计要求施工地下室墙体,可以采用模板浇筑或者现浇混凝土的方法。
在施工过程中要注意加强墙体与地下室底板和地下室顶板的连接,提高结构的整体稳定性。
二、结构施工1.楼层平整度测量:在进行结构施工之前,要对楼层的平整度进行测量,并根据测量结果进行调整,确保楼层的平整度符合设计要求。
2.模板安装:根据建筑设计图纸和施工方案,安装模板系统。
模板要牢固可靠,保证混凝土浇筑时不会发生变形。
3.钢筋绑扎:按照设计要求进行钢筋的配筋和绑扎,确保钢筋与模板之间的间距和位置准确,钢筋的连接牢固。
4.混凝土浇筑:浇筑混凝土时要控制浇筑速度和浇筑厚度,确保混凝土能够充分振实,并进行均匀的浇筑,避免空鼓和冷缝的产生。
5.细部施工:包括梁柱节点的施工、楼板开槽预留管道和孔洞、墙面水平度的调整等,需要密切配合设计和施工方案。
三、装饰施工1.墙体腻子找平:对混凝土墙体进行找平处理,填补墙体的凹凸不平和孔洞,确保墙体的平整度和光滑度。
2.刷涂料和贴瓷砖:根据设计方案进行内外墙涂刷和贴瓷砖等施工,注意涂刷的均匀性和瓷砖的贴合度,避免出现刷涂不均匀和瓷砖空鼓的情况。
3.安装门窗:根据设计要求安装门窗,注意做好防水密封处理,保证门窗的质量和使用功能。
以上是高层住宅混凝土工程施工方法的主要内容。
在施工过程中,需要严格按照设计要求和施工方案进行操作,合理安排施工顺序和时间进度,确保工程的质量和安全。
同时,施工过程中需要加强施工现场的管理和监控,确保施工的顺利进行。
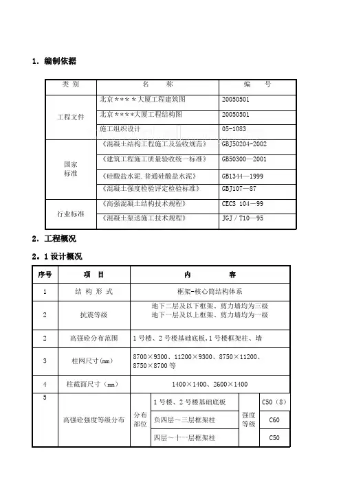
1.编制依据2.工程概况2。
1设计概况2。
2工程概况:北京****大厦工程建筑面积为95490平方米,由1#、2#、及3 #楼三部分组成,其中1#楼筑功能为写字楼,地上为27层,结构总高度为98。
75米;2#楼建筑功能为写字楼,地上为14层,结构总高度为52。
6米;3#楼建筑功能为公寓,地上为9层,结构总高度为29.7米。
地下共四层,为停车库及设备用房,其中地下四层为六级人防。
3.施工安排3。
1劳动组织及职责分工建立以项目经理为组长、项目副经理为调度的领导小组,分工负责全面管理。
组长:副组长:组员:3。
2劳动力计划:3.2.2各施工人员分工所有施工人员应在领导小组的统一安排下进行各自范围的施工操作,正式施工前领导小组中主管技术、生产等人员应有针对性的对所有参与操作施工的人员进行详细地技术交底。
操作人员务必遵照交底要求进行施工操作,施工过程中领导小组以及施工负责人对整个施工过程进行检查监督,发现问题及时纠正。
4.施工准备4。
1技术准备项目部与搅拌站签订技术协议,根据项目部技术要求,搅拌站试验室根据混凝土强度及抗渗等级的不同做混凝土试配并给出配合比通知单.技术协议内容如下:4。
1。
1材料要求主要包括对水泥、掺和料(粉煤灰)、砂、石、外加剂、水等材料的技术要求.4。
1。
2碱含量要求高强砼所使用的砂石等集料必须采用低碱集料,在此种情况下砼中的碱含量必须控制在低于3kg/m3,并且要求搅拌站进行相应试验并出具此类试验报告。
4。
1。
3技术要求对混凝土供应,混凝土初、终凝时间,混凝土和易性,混凝土入模温度,本技术协议适用范围等进行明确规定.4。
1.4技术资料规定对混凝土搅拌站需提供的供货小票、混凝土配合比申请单、混凝土配合比通知单及水泥试验报告等资料提出要求,并提出资料填写内容要求及其它资料的分级管理要求。
4.1。
5其它规定1)对混凝土的调度,现场指挥及其它注意事项进行规定.2)技术协议内容确定后,必须加盖双方单位公章并分别保存原件一份。
混凝土工程施工方案1 编制依据表14 5 **区2 工程概况2.1 设计概况 表2结构类型 结构自防水 材料防水2.2 设计图2.2.1 ±0以下部分平面图即地下部分施工流水段划分图3段4段2.2.2 ±0以上部分平面图即地上部分施工流水段划分图2.3 施工重点和难点概述:2.3.1 底板混凝土施工地下室底板厚分别为400mm、600mm和700mm,混凝土强度等级为C30,抗渗等级为S6。
由于基础底板分段施工,每段混凝土方量大,且底板施工阶段处在于冬季施工。
既要保证混凝土连续浇筑不延误进度,又要保证冬季施工养护能达到混凝土质量验收标准,必须经过严密的施工组织计划和充足的物资准备。
此为本工程重点施工内容,详见《基础底板混凝土施工方案》。
2.3.2 冬季施工本工程地下室与基础,地上一、二层主体工程施工进入冬季施工阶段,为确保工程质量与工程进度,按规范要求,采取必要的冬季施工措施与准备。
此阶段为本工程的重点施工之一,详见《冬季施工方案》。
2.3.3 混凝土施工缝的留臵及处理本工程为三栋住宅楼,相邻建筑之间留有施工缝,每单元面积划分大,为了既保证结构工程质量又便于施工,地上地下划分了较多的流水段。
流水段处的施工缝是结构的薄弱部位,不宜过多,且留臵部位严格。
此段施工难点多,难度大。
施工缝的留臵方法及施工要点详见5.2.4节。
3 施工部署3.1 施工部位及工期安排本工程全部采用商品混凝土,主体结构施工顺序为:先施工墙、柱分项,后施工梁、板分项,柱、梁、板、墙体采用泵送。
地下工程及二层(含二层)以下采用汽车泵浇筑,局部配合使用地泵泵送。
二层以上主体结构混凝土采用HBT—60混凝土泵浇筑。
泵车分别臵于基坑北侧和西侧(详见混凝土泵平面布臵图),泵管随结构施工同步升高,在顶板用架子管顶牢并加固。
泵送混凝土最大高度为65.4m。
根据施工工序及工期安排,混凝土浇筑尽量安排在白天进行,若混凝土浇筑量较大,白天不能浇筑完成又不能留臵施工缝时,现场管理人员分成两班,每班12h,各专业有关领导及施工人员跟班作业,负责检查,同时做好各方协调工作。
北京某高层住宅工程施工方案北京高层住宅工程施工方案:一、项目概况本项目是位于北京市地的高层住宅工程,总建筑面积为XXXX平方米。
项目包括主楼、附楼、地下车库等配套设施。
主楼高度共有30层,附楼高度共有20层。
工程施工周期为XX个月。
二、施工组织设计1.施工组织机构:我们将根据工程施工的特点和需求,成立包括施工经理、技术负责人、质量监督员、安全员、材料管理员等职务的施工组织机构,以确保工程的顺利进行和质量的保障。
2.施工组织流程:首先,我们将进行现场调查和勘测,确定各种条件和技术参数。
然后,根据施工图纸和设计方案,对土地进行平整处理和基坑开挖。
随后,进行桩基础施工,确保楼体的稳定和安全。
同时,我们将开展主体结构的施工,包括楼板、柱子、梁等。
在主体施工之后,进行外墙、屋面等装饰工程。
最后,进行内部装修和设备安装,以及场地的清洁整理和绿化工作。
三、施工方案1.土地平整和基坑开挖:根据调查和勘测结果,使用相应的机械设备对土地进行平整处理,确保工程施工的基础条件。
在平整之后,对基坑进行合理的开挖和支护,保证施工的顺利进行。
2.桩基础施工:根据设计方案和荷载要求,采用适当的桩基础形式,施工桩基础。
我们将严格按照规范进行施工,确保桩基础的质量和稳定性。
3.主体结构施工:主楼和附楼的主体结构施工采用钢筋混凝土结构。
我们将按照施工图纸和设计要求进行施工,严格控制施工质量和安全。
4.外墙和屋面装饰:外墙和屋面采用符合设计要求的装饰材料进行施工。
我们将确保装饰材料的质量和外观效果,保证工程的美观和耐久性。
5.内部装修和设备安装:根据项目需求和设计要求,进行内部装修和设备安装工作。
我们将配备专业的施工队伍和技术人员,确保装修和安装工作的质量和进度。
6.场地整理和绿化:在工程施工完成之后,我们将进行场地的清理整理和绿化工作。
确保场地的整洁和环境的美观。
四、质量控制措施1.建立质量管理体系:我们将根据ISO9001质量管理体系的要求,建立完善的质量管理体系,对施工过程中的各个环节进行管理和控制。
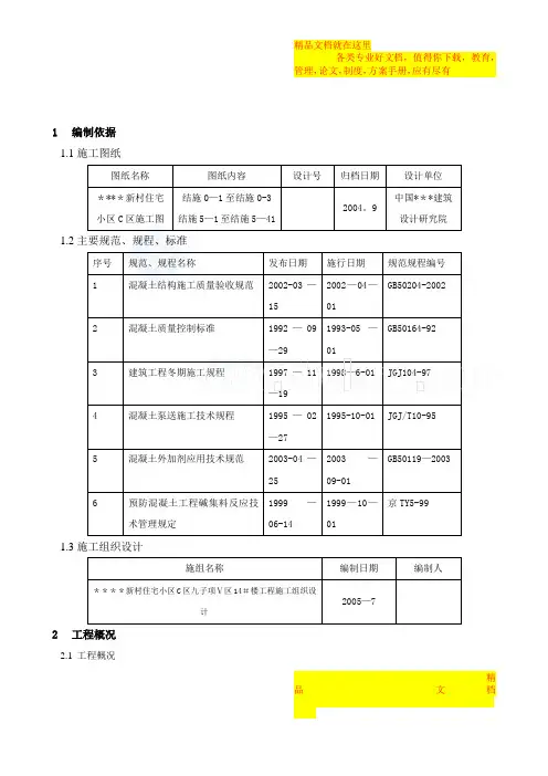
-----------------------------------------------------------------------------------------------------------------------------------------------------------------------------------------------------精品 文档--------------------------------------------------------------1 编制依据 1.1 施工图纸图纸名称 图纸内容 设计号归档日期设计单位 ****新村住宅小区C 区施工图 结施0—1至结施0-3结施5—1至结施5—412004。
9中国***建筑设计研究院1.2 主要规范、规程、标准序号 规范、规程名称发布日期 施行日期 规范规程编号 1混凝土结构施工质量验收规范2002-03—152002—04—01 GB50204-20022混凝土质量控制标准1992—09—291993-05—01GB50164-92 3建筑工程冬期施工规程1997—11—191998—6-01 JGJ104-974混凝土泵送施工技术规程1995—02—271995-10-01 JGJ/T10-95 5混凝土外加剂应用技术规范2003-04—252003—09-01 GB50119—20036预防混凝土工程碱集料反应技术管理规定1999—06-141999—10—01京TY5-99 1.3 施工组织设计施组名称编制日期 编制人 ****新村住宅小区C 区九子项Ⅴ区14#楼工程施工组织设计2005—72 工程概况2.1 工程概况-----------------------------------------------------------------------------------------------------------------------------------------------------------------------------------------------------精品 文档--------------------------------------------------------------序号 项目 内容1 工程名称 ****新村住宅小区C 区9子项2 工程地址 丰台区****西300米3 建设单位 北京****房地产开发有限公司4 设计单位 中国****建筑设计研究院5 监理单位 ****建设工程咨询有限公司6 监督单位 丰台区质量监督站7 施工单位 中煤建设集团工程公司****分公司 8 基本情况工期质量目标510天合格9工程概况 建筑规模占地面积 4349。
一、编制依据1.1. 《北京市****公司综合业务楼施工组织设计》1.2. 北京****设规划设计有限公司设计的《北京市****公司综合业务楼结构施工图》1.3. 《混凝土结构工程施工质量验收规范》(GB50204-2002)1.4. 《混凝土泵送技术规程》(JGJ/T10-95)1.5. 《普通混凝土配合比设计规程》(JGJ55-2000)1.6. 《建筑工程冬季施工规程》(JGJ104-97)1.7. 《混凝土质量控制标准》(GB50224-92)1.8. 《混凝土强度检验评定标准》(GBJ107—87)二、工程概况北京市****公司综合业务楼工程拟建建筑物包括两栋分别为8层及15层的高层办公楼、中庭、报告厅及地下室,总建筑面积约6万平米。
地下室共三层,主要为车库、设备用房、库房、变配电室、柴油发电机室,约1.8万平米;地上建筑总高度60米,主要为办公室、餐厅、多功能厅、会议室等,约4.2万平米。
拟建建筑物±0.00标高为48.00m,采用筏板基础,基础埋深17.85 m。
本工程根据其地理位置、施工季节和现场情况,为加快施工进度,确保施工质量,拟一律采用预拌混凝土。
混凝土的浇筑采用HBT-80混凝土输送泵,使混凝土的施工机械化、自动化,并采用新工艺,新方法,在混凝土的搅拌、运输、浇筑、振捣、养护及施工缝处理等方面,严格按工艺要求操作,确保混凝土质量。
梁、柱、板接头部位的处理须遵循由技术室根据设计要求提出的技术交底。
本工程质量目标为北京市“结构长城杯”金奖,竣工“鲁班奖”。
混凝土用量见下表:地下室混凝土用量地上部分混凝土用量三、施工部署3.1. 施工管理组织机构根据总进度计划与本工程施工现场的条件及混凝土浇筑量大的特点,技术室根据现场要求制定方案,由项目工程室按进度计划进行总工程调度,技术室进行技术方案的指导及技术交底并对施工质量进行控制,加强现场施工管理,明确人员的管理职责,施工管理组织机构如下图。
高层住宅楼混凝土浇筑施工方案一、工程概述本工程为高层住宅楼,总建筑面积为X平方米,建筑高度为米。
该工程采用钢筋混凝土框架结构,共包括地上层、地下X层。
二、施工条件和特点该高层住宅楼的施工条件和特点可以概括如下:1、工程规模大,结构复杂,施工难度高。
2、对混凝土的强度等级、耐久性等要求严格。
3、施工现场位于市区,周边环境复杂,对施工质量和安全要求高。
4、施工期间可能遭遇雨季、高温等不利天气条件,需要采取相应的技术措施。
三、混凝土浇筑方案针对该工程的施工条件和特点,我们制定了以下混凝土浇筑方案:1、施工前准备(1)编制详细的混凝土浇筑方案,明确各阶段的任务和要求。
(2)组织技术交底,确保所有施工人员了解施工方案和要求。
(3)准备充足的施工设备、材料和劳动力资源。
2、模板安装(1)按照设计要求进行模板制作和安装,确保模板的强度和稳定性。
(2)对模板表面进行清理和涂刷脱模剂,确保混凝土表面质量。
3、钢筋工程(1)按照设计要求进行钢筋加工和绑扎,确保钢筋的位置、数量和间距正确。
(2)设置钢筋保护层垫块,确保混凝土保护层厚度。
4、混凝土浇筑(1)根据工程特点和施工条件,选择合适的混凝土输送方式(泵送或塔吊)。
(2)进行混凝土分层浇筑,每层厚度不超过厘米,确保混凝土的密实性和整体性。
(3)使用插入式振动器进行振捣,确保混凝土充分密实。
5、养护及成品保护(1)混凝土浇筑完成后应及时进行养护,防止出现裂缝。
养护期间应保持混凝土表面湿润。
高层住宅楼塔吊施工方案一、引言随着城市化进程的加速,高层住宅楼的建设已成为城市发展的重要组成部分。
塔吊作为高层住宅楼施工的核心设备,其施工方案的科学性和可行性直接关系到工程的安全性和效率。
本文旨在阐述高层住宅楼塔吊施工方案的具体内容,以确保工程的顺利进行。
二、塔吊的选择与布置1、塔吊型号选择:根据工程需求,选择适合的塔吊型号。
考虑因素包括起吊重量、工作半径、安装高度等。
2、塔吊布置:根据施工平面图和现场环境,合理布置塔吊的位置。
本工程为某地某高层住宅项目,共28层,地下1层,建筑面积约3.2万平方米。
结构形式为钢筋混凝土框架剪力墙结构,建筑高度约98米。
本工程混凝土施工包括基础、主体结构、装饰装修等部分。
二、施工准备1. 技术准备:熟悉图纸,掌握施工规范和施工技术要求,编制混凝土施工方案。
2. 材料准备:确保水泥、砂、石子、钢筋等原材料符合设计要求,并做好进场检验。
3. 机械设备准备:配置混凝土搅拌站、混凝土输送泵、振捣器、钢筋加工机械等设备。
4. 人员准备:组织专业技术人员、施工人员,进行技术交底和安全教育。
三、施工工艺1. 混凝土浇筑(1)浇筑前,对模板、钢筋、预留孔洞进行检查,确保符合设计要求。
(2)浇筑顺序:先浇筑梁、板、柱,再浇筑剪力墙、电梯井等。
(3)分层浇筑,每层厚度不超过30cm,分层间隔时间不超过1小时。
(4)浇筑过程中,严格控制混凝土坍落度,确保混凝土质量。
2. 振捣(1)振捣器插入混凝土中,插入深度为10-15cm,振动时间不宜过长,以混凝土表面出现浆液为准。
(2)振捣过程中,避免振捣器碰撞模板、钢筋等。
3. 养护(1)混凝土浇筑完成后,及时进行覆盖,保持湿润养护。
(2)养护时间不少于7天,高温天气适当延长养护时间。
四、质量控制1. 混凝土配合比:严格按照设计要求,进行混凝土配合比设计,确保混凝土强度、坍落度等指标符合要求。
2. 混凝土原材料:对水泥、砂、石子、钢筋等原材料进行进场检验,确保质量合格。
3. 施工过程:严格控制混凝土浇筑、振捣、养护等工序,确保混凝土质量。
4. 混凝土强度:按照规范要求,进行混凝土强度试验,确保混凝土强度达到设计要求。
五、安全措施1. 施工现场设置安全警示标志,确保施工人员安全。
2. 机械设备操作人员必须经过培训,取得操作资格。
3. 严格执行安全操作规程,确保施工安全。
4. 加强施工现场管理,防止安全事故发生。
六、环境保护1. 施工现场设置围挡,防止扬尘。
2. 施工过程中,严格控制噪音、废水、废气等污染。
北京某高层住宅工程模板施工方案一、工程概述北京某高层住宅工程位于城市中心繁华地段,规划为多层住宅建筑,总占地面积约XX平方米,总建筑面积约XXXX平方米。
本工程旨在打造一处现代化、舒适、安全、环保的宜居高层住宅。
二、施工方案1. 施工准备•确定施工组织结构及人员分工,建立施工组织管理体系。
•制定工程施工计划书,明确施工工序、施工周期等关键信息。
•搭建临时工棚和生活区,安排好施工人员的生活和工作条件。
•检查施工场地,确保符合安全施工要求。
2. 基础施工•进行地基开挖及处理,确保地基符合承载要求。
•进行基础桩基础、承台、柱、梁的浇筑,保证基础结构牢固可靠。
3. 主体结构施工•进行钢筋的绑扎和混凝土浇筑,确保主体结构的承载能力。
•完成主体结构的墙体砌筑、楼板浇筑等工序。
4. 细部装修•进行内墙、天花板装修,包括涂料、墙纸、瓷砖等材料的装饰。
•完成外墙保温、幕墙、外饰板等装修工程。
5. 室内设施安装•完成电气、给排水、消防设施等基础设施的安装。
•进行门窗、地板、卫浴设备等装置工作。
6. 竣工验收•完成工程的所有施工工序后,进行整体验收,确保工程符合相关标准和要求。
三、工程质量控制•全程配备专业监理人员进行施工过程监督检查,确保工程质量。
•严格按照相关标准和规范进行施工,避免出现质量问题和安全隐患。
•定期组织施工单位进行质量检测和评估,及时发现并处理质量问题。
四、施工安全管理•配备专业安全员进行现场安全管理,加强安全培训和教育。
•制定详细的安全生产方案,加强施工现场的安全设施和警示标识。
•定期开展安全演练和应急预案,提高应对紧急情况的能力。
五、环境保护•严格控制工地污染,避免施工废弃物对环境的污染。
•积极开展资源回收和回用工作,减少对环境的破坏。
•加强施工单位的环保意识教育,促进绿色施工理念的落实。
六、总结北京某高层住宅工程施工方案涵盖了施工准备、基础施工、主体结构施工、细部装修、室内设施安装、竣工验收等多个环节,旨在确保工程质量、安全和环保。
c15基础混凝土垫层的施工方案C15基础混凝土垫层施工方案一、工程概况本工程为C15基础混凝土垫层施工,位于北京市朝阳区,占地面积约2000平方米,设计厚度为150mm,混凝土强度等级为C15。
该垫层主要用于承载上部结构传来的荷载,保证建筑物的稳定性。
二、施工准备1、材料准备:砂、石、水泥等原材料应符合设计要求,进场时应进行质量检验,确保材料质量合格。
2、机械设备:混凝土搅拌站、运输车辆、振捣器等机械设备应提前安排,确保设备运行正常,满足施工要求。
3、人员配备:组织经验丰富的施工队伍,配备技术员、质检员、安全员等人员,确保施工顺利进行。
三、施工流程1、基层处理:清理基层杂物,修整不平整部位,确保基层表面平整、干净。
2、测量放线:根据设计图纸要求,布设测量控制网,放出垫层的边线和标高。
3、砂石铺设:将按照设计要求铺设的砂石铺设在基层上,调整砂石的粒径和铺设厚度,确保符合设计要求。
4、混凝土搅拌:将按照设计配合比搅拌的混凝土运至施工现场,确保混凝土的质量和配合比符合设计要求。
5、混凝土浇筑:将搅拌好的混凝土浇筑在砂石垫层上,采用机械振捣的方式,确保混凝土密实、均匀。
6、表面处理:在混凝土初凝前,进行表面压实、抹平,确保表面平整、光滑。
7、养护:在混凝土浇筑完成后,进行养护,保持表面湿润,防止开裂。
四、质量保证措施1、材料进场时进行质量检验,确保材料质量合格。
2、按照设计要求进行砂石铺设,确保粒径和铺设厚度符合要求。
3、混凝土搅拌时严格按照配合比进行,确保混凝土的强度和稳定性符合要求。
4、采用机械振捣的方式,确保混凝土密实、均匀。
5、在混凝土初凝前进行表面处理,确保表面平整、光滑。
6、加强混凝土养护,保持表面湿润,防止开裂。
五、安全施工措施1、施工人员应佩戴安全帽、防护手套等必要的劳动保护用品。
2、机械设备应定期进行检查和维护,确保设备运行正常。
3、施工现场应设置安全警示标志,确保施工安全。
4、加强施工现场的消防安全管理,防止火灾事故的发生。
北京某住宅混凝土施工方案一、前言混凝土是建筑工程中常用的一种结构材料,其施工质量直接关系到建筑物的安全性与稳定性。
本文将针对北京某住宅项目的混凝土施工方案进行详细阐述。
二、施工准备2.1 材料准备混凝土施工所需材料包括水泥、砂、碎石、水等。
材料质量应符合国家标准,并进行验收。
2.2 设备准备施工所需设备包括搅拌机、输送泵、浇筑机等。
设备应保持良好状态,确保施工顺利进行。
三、施工工艺3.1 基础处理在施工前,需对基础进行清理和处理,确保基础表面平整,并进行防水处理。
3.2 模板安装根据设计要求,进行模板的安装,保证混凝土浇筑后的结构形状正确。
3.3 混凝土配制按照设计配方比例,将水泥、砂、碎石等材料进行搅拌,保证混凝土的均匀性和质量。
3.4 浇筑与振实将混凝土均匀地浇入模板内,用振动器进行振实,排除空隙,确保混凝土的密实性。
3.5 养护混凝土初凝后,需及时进行养护,包括湿润养护和覆盖保护,保持混凝土的强度和耐久性。
四、质量控制4.1 施工过程监测在施工过程中,应严格按照设计要求进行监测,确保施工质量符合标准。
4.2 强度检测混凝土强度是评定混凝土施工质量的重要指标,需定期进行抽检和检测。
五、安全保障5.1 安全防护施工人员需佩戴好安全防护用具,严格遵守安全操作规程,确保施工过程中的安全。
5.2 应急预案在施工中,需做好应急预案,防患于未然,确保施工中能够及时有效地处理突发情况。
结语本文详细介绍了北京某住宅项目的混凝土施工方案,从施工准备、施工工艺、质量控制和安全保障等方面对混凝土施工进行了全面的阐述。
通过科学规范的施工过程,将确保建筑物结构的安全性和稳定性,为项目的顺利进行提供有效保障。
目 录
一、编制依据: (2)
二、工程概况: (2)
三、施工安排 (3)
四、施工准备: (4)
五、主要项目施工方法 (6)
六、砼的质量控制及预防 (14)
七、雨施措施 (16)
八、安全、环保注意事项: (16)
九、流水段平面图: (17)
一、编制依据:
混凝土结构工程施工及验收规范
地下防水工程及验收规范
人防工程施工及验收规范
混凝土泵送施工技术规程
建筑工程冬期施工规程
北京城乡建设委员会关于印发“预防砼
工程碱集料反应技术管理规定”(试行)通知
施工技术资料管理规定
****施工合同
****施工设计图纸
本工程施工组织设计
二、工程概况:
本工程位于东三环华威桥东侧,邻接沙板庄路、左安东路及南磨房庄并与山水文园隔水相望,地理位置优越,交通便捷。
该程为两座单体住宅建筑,7#楼为地下2层,地上24层,8#楼为地下2层,地上25层。
总建筑面积为47189.8m2,地下建筑面积约为4000m2。
现浇剪力墙结构,筏板基础,基础埋深-7.41M,地下二层为五级人防。
结构施工时基础底板及地下二层部分混标号为C35,底板及外墙抗S8;地下一层至六层墙、梁混凝土为C35,板为C30;七至十八层墙梁混凝土为C30,板C25;十九层以上为C25;其余圈梁、构造柱等为C20。
基础部分混凝土施工时不分流水段,不留垂直施工缝。
三、施工安排
3.1由于施工现场十分狭小,现场不能存放大量的材料,所有结构施工采用预拌商品砼。
经比较,决定采用一直与我公司合作的北京港兴混凝土有限公司提共的商品砼。
3.2本工程所用商品砼需进行现场取样试验;所有试验委托北京永衡真建筑材料检测试验室进行。
3.3 施工进度安排
基础:2004-12-13日---2005-3-25
首层至封顶2005-3-1日至2005-9-11日
3.4流水段的划分:地下工程不分流水段施工,地上每栋楼分四个流水段。
详见流水段划分图。
3.5劳动力安排:
基础阶段施工混凝土浇筑量巨大,而且基础底板、地下室外墙不允许留施工缝,所以需要混凝土工多。
经过研究决定,基础施工时,组织三个混凝土班组。
每个班30人,在基础筏板浇筑时可以合并成二个班组。
主体施工阶段,每次混凝土浇筑量小,每栋楼各设一个班,每班25人,基本满足需要。
3.6 砼的运输采用地泵配合布料杆完成。
3.7 砼的冬期施工详见《冬期施工方案》
四、施工准备:
4.1根据图纸、施工规范、各项法规及现场实际情况与商品混凝土厂家签订详细、明确的商品合同。
合同中主要明确以下方面要求:
4.1.1原材料的使用及要求
本工程混凝土所用商品砼要求搅拌站所用原材料必须有复试报告,外加剂必须是建委认可产品,并要有各种原材料的碱含量报告及砼碱含量报告。
所有经选用的原材需取样送试验室做原材复试试验,试验合格后方可确定及使用。
4.1.2搅拌站必须根据现场需要及时按要求发车并按时到达现场。
砼坍落度、出罐温度和初凝时间必须符合工地的实际需要。
4.2各种材料的取样及试验
4.2.1根据施工需要,现场建成临时试验室,负责对商品混凝土进行取样及制作标准砼试块等。
4.2.2 现场试验室根据工程特点购置标准恒温养护箱一台,10×10cm、15×15cm试模、抗渗试模、坍落度筒、环刀、钢尺等试验取样及养护设备。
4.2.3施工时以砼每一施工批次抽样并分别留取标养、同条件28天的砼试块各一组,到期后送试验室进行压强试验。
对于地下室有抗渗要求的砼,应按规定留置抗渗试块。
对于墙体砼要多留置一组 1.2Mpa 拆模试块,外墙还要留置7.5Mpa试块一组。
试块留置具体如下(冬施的试块留置详见《冬期施工方案》:
墙体砼试块
1 拆模依据1.2MPa
2 外架提升依据7.5Mpa(地上)
3 28天(同条件)
4 抗渗试块(抗渗砼)
5 标养28 天
顶、底板砼试块
1 28 天(同条件)
2 抗渗试块(抗渗砼)
3 标养28 天
4 拆模一组
4.3 混凝土泵的选用与泵管布置
4.3.1泵和泵管的计算(根据《混凝土泵送技术规程》)
砼泵的实际平均输出量
Q1= Q max×α1×η
= 60×0.8×0.5=24m3/h
按地上部分最大浇筑方量100 m3,基本能在4小时内施工完成。
4.3.2混凝土泵的布置
根据实际情况,基础部分浇筑量大的时候现场设两台HBT-60泵,置于7#楼的东侧,地上部分浇筑量小的时候设一台泵,布置详施工总平面图。
4.3.3混凝土泵管的布置
地下施工时,泵管由地面经过垂直泵管架输送到作业面,垂直管
末端接半径1.0m的弯管,下端搭设钢管架支撑,不得以弯管作为支
撑,墙体浇筑时采用布料杆。
主体施工时,各楼层均设泵管预留洞,
每层搭满架固定泵管,垂直管下端弯管不能作支撑,应单独搭设支撑
架。
由于泵管拐弯处的冲击力很大,所以在每个弯头处应顺冲击力方
向加钢管反支撑。
五、主要项目施工方法
5.1 施工工艺:
混凝土运输→质量检查→地泵输送→浇筑振捣→养护→成品保护
5.2砼的进场
5.2.1搅拌站根据试验室下达的砼配合比通知单进行搅拌。
项目部随
时派专人到搅拌站进行现场原材检查及监督搅拌。
5.2.2浇筑前派专人检查砼的出罐温度坍落度,搅拌好的砼应均匀,
颜色一致且具有良好的和易性和保水性,不离析,当不符合上述
要求时退回搅拌站。
5.2.3运输时间:混凝土从搅拌机卸出到浇筑完毕时间(min):
C30 C35 温度
时间(min) 时间(min)
≤25℃120 90
>25℃90 60 在风雨或者暴热天气时运输混凝土,罐车应加遮盖,以防进水或者水
分蒸发。
冬期施工有保温措施。
5.3砼的输送。