梁ansys分析实例讲解
- 格式:ppt
- 大小:135.00 KB
- 文档页数:10
本章介绍桥梁结构的模拟分析。
桥梁是一种重要的工程结构,精确分析桥梁结构在各种受力方式下的响应有较大的工程价值。
模拟不同类型的桥梁需要不同的建模方法,分析内容包括静力分析、动荷载响应分析、施工过程分析等等。
在本章中着重介绍桁架桥、刚架桥和斜拉桥三种类型桥梁。
内容 提要 第6章 ANSYS 桥梁工程应用实例分析本章重点结构分析具体步骤结构静力分析 桁架结构建模方法 结构模态分析本章典型效果图6.1 引言ANSYS通用有限元软件在土木工程应用分析中可发挥巨大的作用。
我们用它来分析桥梁工程结构,可以很好的模拟各种类型桥梁的受力、施工工况、动荷载的耦合等。
ANSYS程序有丰富的单元库和材料库,几乎可以仿真模拟出任何形式的桥梁。
静力分析中,可以较精确的反应出结构的变形、应力分布、内力情况等;动力分析中,也可精确的表达结构的自振频率、振型、荷载耦合、时程响应等特性。
利用有限元软件对桥梁结构进行全桥模拟分析,可以得出较准确的分析结果。
本章介绍桥梁结构的模拟分析。
作为一种重要的工程结构,桥梁的精确分析具有较大的工程价值。
桥梁的种类繁多,如梁桥、拱桥、钢构桥、悬索桥、斜拉桥等等,不同类型的桥梁可以采用不同的建模方法。
桥梁的分析内容又包括静力分析、施工过程模拟、动荷载响应分析等。
可以看出桥梁的整体分析过程比较复杂。
总体上来说,主要的模拟分析过程如下:(1) 根据计算数据,选择合适的单元和材料,建立准确的桥梁有限元模型。
(2) 施加静力或者动力荷载,选择适当的边界条件。
(3) 根据分析问题的不同,选择合适的求解器进行求解。
(4) 在后处理器中观察计算结果。
(5) 如有需要,调整模型或者荷载条件,重新分析计算。
桥梁的种类和分析内容众多,不同类型桥梁的的分析过程有所不同,分析侧重点也不一样。
在这里仅仅给出大致的分析过程,具体内容还要看具体实例的情况。
6.2 典型桥梁分析模拟过程6.2.1 创建物理环境建立桥梁模型之前必须对工作环境进行一系列的设置。
AnsysWorkbench工程实例之——梁单元静力学分析本文可能是您能在网络上搜索到的关于Ansys Workbench梁单元介绍最详细全面的文章之一。
梁单元常用于简化长宽比超过10的梁与杆模型,比如建筑桁架、桥梁、螺栓、杠杆等。
Workbench中的梁单元有Beam188(默认)与Beam189两种,Beam188无中节点,Beam189有中节点。
在全局网格设置下,梁单元的中节点设置Element MIdside Nodes默认为dropped(无中节点),即默认使用Beam188单元,如果改为kept(有中节点),则将改变为Beam189单元。
类型单元形状中节点自由度形函数Beam188 3D梁无 6 线性Beam189 3D梁有 6 二次Beam188Beam1891 梁单元分析概要1.1 建模与模型导入线框模型可在DM中创建,也可导入stp/igs等模型。
以下分别介绍通过DM创建与通过CAD软件创建导入过程。
1.1.1 梁线体的创建方法1,简单的线体模型可以在DM中创建,一般在XY平面绘制草图或点,再通过Concept——Lines From Sketches、Lines From Points或3D Curve等创建。
区别在于Lines From Sketches是提取草图所有的线条,如果线条是相连接的,提取的结果为一个线几何体。
Lines From Points或3D Curve用于将草图的点(可以是草图线条的端点)连接成为线体,结合Add Frozen选项,可以创建多个线几何体。
操作3次后多个线条可以通过From New Part功能组合为一个几何体,组合后两条线共节点,相当于焊接在一起。
选中后右击方法2,通过CAD软件创建后导入。
如果读者使用的是creo建模,可在草图中创建点,退出草图后选择基准——曲线——通过点的曲线。
操作3次后输出时需要注意,可另存为stp或igs格式,在输出对话框中必须勾选基准曲线和点选项。
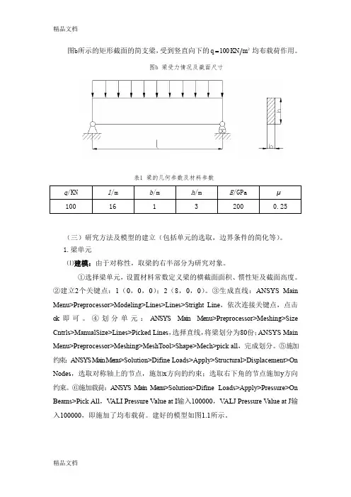
图b所示的矩形截面的简支梁,受到竖直向下的2q 均布载荷作用。
100mKN图b 梁受力情况及截面尺寸表1 梁的几何参数及材料参数(三)研究方法及模型的建立(包括单元的选取,边界条件的简化等)。
1.梁单元⑴建模:由于对称性,取梁的右半部分为研究对象。
①选择梁单元,设置材料常数定义梁的横截面面积、惯性矩及截面高度。
②建立2个关键点:1(0,0,0);2(8,0,0)。
③生成直线:ANSYS Main Menu>Preprocessor>Modeling>Lines>Lines>Stright Line,依次连接关键点,点击ok即可。
④划分单元:ANSYS Main Menu>Preprocessor>Meshing>Size Cntrls>ManualSize>Lines>Picked Lines,选择直线,将梁划分为80份;ANSYS Main Menu>Preprocessor>Meshing>MeshTool>Shape>Mech>pick all,完成划分。
⑤施加约束:ANSYS Main Menu>Solution>Difine Loads>Apply>Structural>Displacement>On Nodes,选取对称轴上的节点,施加x方向的约束;选取右下角的节点施加y方向约束。
⑥施加载荷:ANSYS Main Menu>Solution>Difine Loads>Apply>Pressure>On Beams>Pick All,V ALI Pressure Value at I输入100000,V ALJ Pressure Value at J输入100000,即施加了均布载荷。
建好的模型如图1.1所示。
图1.1 梁单元模型图⑵分析计算:ANSYS Main Menu>Solution>Solve>Current LS ⑶计算结果:图1.2 梁单元计算位移云图由图2.1可以看出,最大位移发生在梁的对称轴即中点处,m y 3-max 10190.0⨯=,支座处位移为0。
ANSYS案例——20例ANSYS经典实例】针对【典型例题】3.3.7(1)的模型,即如图3-19所示的框架结构,其顶端受均布力作用,用有限元方法分析该结构的位移。
结构中各个截面的参数都为:113.010PaE=,746.510mI-=,426.810mA-=,相应的有限元分析模型见图3-20。
在ANSYS平台上,完成相应的力学分析。
图3-19框架结构受一均布力作用图3-20单元划分、节点位移及节点上的外载解答对该问题进行有限元分析的过程如下。
1.基于图形界面的交互式操作(tepbytep)(1)进入ANSYS(设定工作目录和工作文件)程序→ANSYS→ANSYSInteractive→Workingdirectory(设置工作目录)→Initialjobname(设置工作文件名):beam3→Run→OK(2)设置计算类型(3)选择单元类型(4)定义材料参数ANSYSMainMenu:Preproceor→MaterialProp→MaterialModel→Struc tural→Linear→Elatic→Iotropic:E某:3e11(弹性模量)→OK→鼠标点击该窗口右上角的“”来关闭该窗口(5)定义实常数以确定平面问题的厚度ANSYSMainMenu:Preproceor→RealContant…→Add/Edit/Delete→Add→Type1Beam3→OK→RealContantSetNo:1(第1号实常数),Cro-ectionalarea:6.8e-4(梁的横截面积)→OK→Cloe(6)生成几何模型生成节点ANSYSMainMenu:Preproceor→Modeling→Creat→Node→InActiveCS→Nodenumber1→某:0,Y:0.96,Z:0→Apply→Nodenumber2→某:1.44,Y:0.96,Z:0→Apply→Nodenumber3→某:0,Y:0,Z:0→Apply→Nodenumber4→某:1.44,Y:0,Z:0→OK生成单元ANSYSMainMenu:Preproceor→Modeling→Create→Element→AutoNum bered→ThruNode→选择节点1,2(生成单元1)→apply→选择节点1,3(生成单元2)→apply→选择节点2,4(生成单元3)→OK(7)模型施加约束和外载左边加某方向的受力ANSYSMainMenu:Solution→DefineLoad→Apply→Structural→Force/Moment→OnNode→选择节点1→apply→Directionofforce:F某→VALUE:3000→OK→上方施加Y方向的均布载荷ANSYSMainMenu:Solution→DefineLoad→Apply→Structural→Preure→OnBeam→选取单元1(节点1和节点2之间)→apply→VALI:4167→VALJ:4167→OK左、右下角节点加约束(8)分析计算(9)结果显示(10)退出系统(11)计算结果的验证与MATLAB支反力计算结果一致。
Ansys Workbench是一款广泛应用于工程领域的有限元分析软件,可以用于解决各种结构力学、流体动力学、电磁场等问题。
本文将以Ansys Workbench为例,介绍一个结构力学的例题,并详细讲解解题过程。
1. 问题描述假设有一个悬臂梁,在梁的自由端施加一个集中力,要求计算梁的应力分布和挠度。
2. 建模打开Ansys Workbench软件,新建一个静力学分析项目。
在几何模型中,画出悬臂梁的截面,并确定梁的长度、宽度和厚度。
在材料属性中,选择梁的材料,并输入对应的弹性模量和泊松比。
在约束条件中,将梁的支座固定,模拟悬臂梁的真实工况。
在外部荷载中,施加一个与梁垂直的集中力,确定力的大小和作用位置。
3. 网格划分在建模结束后,需要对悬臂梁进行网格划分。
在Ansys Workbench 中,可以选择合适的网格划分方式和密度,以保证计算结果的准确性和计算效率。
通常情况下,悬臂梁的截面可以采用正交结构网格划分,梁的长度方向可以采用梁单元网格划分。
4. 设置分析类型在网格划分完成后,需要设置分析类型为结构静力学。
在分析类型中,可以选择加载和约束条件,在求解器中,可以选择计算所需的结果类型,如应力、应变、位移等。
5. 求解和结果分析完成以上步骤后,可以提交计算任务进行求解。
Ansys Workbench软件会自动进行计算,并在计算完成后给出计算结果。
在结果分析中,可以查看悬臂梁的应力分布图和挠度图,进一步分析梁的受力情况和变形情况。
6. 参数化分析除了单一工况下的分析,Ansys Workbench还可以进行参数化分析。
用户可以改变材料属性、外部加载、几何尺寸等参数,快速地进行批量计算和结果对比分析,以得到最优的设计方案。
7. 结论通过Ansys Workbench对悬臂梁的结构分析,可以得到悬臂梁在外部加载下的应力分布和挠度情况,为工程设计和优化提供重要参考。
Ansys Workbench还具有丰富的后处理功能,可以绘制出直观的分析结果图,帮助工程师和研究人员更好地理解和使用分析结果。
谱分析的实例——板梁结构一单点响应谱分析的算例某板梁结构如图3所示,计算在Y方向的地震位移响应谱作用下整个结构的响应情况。
板梁结构结构的基本尺寸如图 3所示,地震谱如表5所示,其它数据如下:1.材料是A3钢,相关参数如下:杨氏模量=2e11N/m 2泊松比=0.3密度=7.8e 3Kg/m 32.板壳:厚度=2e-3m3.梁几何特性如下:截面面积=1.6e-5 m 2惯性矩=64/3e-12 m 4宽度=4e-3m高度=4e-3m图3板梁结构模型(mm)谱表1 GUI方式分析过程第1步:指定分析标题并设置分析范畴1、取菜单途径Utility Menu>File>Change Title。
2、输入文字“Single-point response analysis of a shell-beam structure”,然后单击OK。
第2步:定义单元类型1、选取菜单途径Main Menu>Preprocessor>ElementType>Add/Edit/ Delete,弹出Element Types对话框。
2、单击Add,弹出Library of Element Types对话框。
3、在左边的滚动框中单击“Structural Shell”。
4、在右边的滚动框中单击“shell63”。
5、单击Apply。
6、在右边的滚动框中单击“beam4”。
7、单击OK。
8、单击Element Types对话框中的Close按钮。
第3步:定义单元实常数1、选取菜单途径Main Menu>Preprocessor>Real Constants,弹出Real Constants对话框。
2、单击Add,弹出Element Type for Real Constants对话框。
3、选择1号单元,单击OK,弹出Real Constants for Shell63对话框。
4、在TK(I)处输入2e-3。
(ii )纵向钢筋:PIPE20 (iii )横向箍筋:PIPE202.2 材料性质(i )、混凝土材料表5-4 混凝土材料的输入参数一览表[16~19]·单轴受压应力-应变曲线(εσ-曲线)在ANSYS ○R程序分析中,需要给出混凝土单轴受压下的应力应变曲线。
在本算例中,混凝土单轴受压下的应力应变采用Sargin 和Saenz 模型[17,18]:221⎪⎪⎭⎫ ⎝⎛+⎪⎪⎭⎫ ⎝⎛-+=c c s c c E E E εεεεεσ (5-30)式中取4'4')108.0028.1(c c c f f -=ε;断面图配筋图断面图配筋图断面图配筋图RCBEAM-01 RCBEAM-02 RCBEAM-03图5-12 各梁FEM模型断面图(a)单元网格图(b)钢筋单元划分图图5-13 算例(一)的FEM模型图2.4 模型求解在ANSYS○R程序中,对于非线性分析,求解步的设置很关键,对计算是否收敛关系很大,对于混凝土非线性有限元分析,在计算时间容许的情况下,较多的求解子步(Substeps)或较小的荷载步和一个非常大的最大子步数更容易导致收敛[2]。
在本算例中,设置了100个子步。
最终本算例收敛成功,在CPU为P41.6G、内存为256MB的微机上计算,耗时约为8小时。
2.5 计算结果及分析2.5.1 荷载—位移曲线图5-14为ANSYS○R程序所得到的各梁的荷载-跨中挠度曲线,从图中可以看出:(i)、梁RCBEAM-01:曲线形状能基本反映钢筋混凝土适筋梁剪切破坏的受力特点,而且荷载-跨中挠度曲线与钢筋混凝土梁的弯剪破坏形态非常类似,即当跨中弯矩最大截面的纵筋屈服后,由于裂缝的开展,压区混凝土的面积逐渐减小,在荷载几乎不增加的情况下,压区混凝土所受的正应力和剪应力还在不断增加,当应力达到混凝土强度极限时,剪切破坏发生,荷载突然降低。
(ii)、梁RCBEAM-02:荷载-跨中挠度曲线与超筋梁的试验荷载-跨中挠度曲线很相似,在荷载达到极限情况下,没有出现屈服平台,而是突然跌落。
三梁平面框架结构的有限元分析针对【典型例题】3.3.7(1)的模型,即如图3-19所示的框架结构,其顶端受均布力作用,用有限元方法分析该结构的位移。
结构中各个截面的参数都为:113.010Pa E =⨯,746.510m I -=⨯,426.810m A -=⨯,相应的有限元分析模型见图3-20。
在ANSYS 平台上,完成相应的力学分析。
图3-19 框架结构受一均布力作用(a ) 节点位移及单元编号 (b ) 等效在节点上的外力图3-20 单元划分、节点位移及节点上的外载解答 对该问题进行有限元分析的过程如下。
1.基于图形界面的交互式操作(step by step)(1) 进入ANSYS(设定工作目录和工作文件)程序 →ANSYS → ANSYS Interactive →Working directory (设置工作目录) →Initial jobname (设置工作文件名): beam3→Run → OK(2) 设置计算类型ANSYS Main Menu: Preferences… → Structural → OK(3) 选择单元类型ANSYS Main Menu: Preprocessor →Element Type →Add/Edit/Delete… →Add… →beam :2D elastic 3 →OK (返回到Element Types 窗口) →Close(4) 定义材料参数ANSYS Main Menu:Preprocessor →Material Props →Material Models→Structural →Linear →Elastic→Isotropic: EX:3e11 (弹性模量) →OK →鼠标点击该窗口右上角的“ ”来关闭该窗口(5) 定义实常数以确定平面问题的厚度ANSYS Main Menu: Preprocessor →Real Constant s… →Add/Edit/Delete →Add →Type 1 Beam3→OK→Real Constant Set No: 1 (第1号实常数), Cross-sectional area:6.8e-4 (梁的横截面积) →OK →Close(6) 生成几何模型生成节点ANSYS Main Menu: Preprocessor →Modeling →Creat→Nodes→In Active CS→Node number 1 →X:0,Y:0.96,Z:0 →Apply→Node number 2 →X:1.44,Y:0.96,Z:0 →Apply→Node number 3 →X:0,Y:0,Z:0→Apply→Node number 4 →X:1.44,Y:0,Z:0→OK生成单元ANSYS Main Menu: Preprocessor →Modeling →Create →Element →Auto Numbered →Thru Nodes →选择节点1,2(生成单元1)→apply →选择节点1,3(生成单元2)→apply →选择节点2,4(生成单元3)→OK(7)模型施加约束和外载左边加X方向的受力ANSYS Main Menu:Solution →Define Loads →Apply →Structural →Force/Moment →On Nodes →选择节点1→apply →Direction of force: FX →V ALUE:3000 →OK→上方施加Y方向的均布载荷ANSYS Main Menu: Solution →Define Loads →Apply →Structural →Pressure →On Beams →选取单元1(节点1和节点2之间)→apply →V ALI:4167→V ALJ:4167→OK左、右下角节点加约束ANSYS Main Menu:Solution →Define Loads →Apply →Structural →Displacement →On Nodes →选取节点3和节点4 →Apply →Lab:ALL DOF →OK(8) 分析计算ANSYS Main Menu:Solution →Solve →Current LS →OK →Should the Solve Command be Executed? Y→Close (Solution is done! ) →关闭文字窗口(9) 结果显示ANSYS Main Menu: General Postproc →Plot Results →Deformed Shape … →Def + Undeformed →OK (返回到Plot Results)(10) 退出系统ANSYS Utility Menu: File→Exit …→Save Everything→OK(11) 计算结果的验证与MA TLAB支反力计算结果一致。
实体梁ANSYS分析
如下图为实体梁图,其它梁材料的弹性模量为E=2.06×105MPa,泊松比为0.3。
分析在其上表面均布载荷5MPa作用下的变形及应力分布特点。
解:用ANSYS软件求解如下:
1.新建文件,命名Box。
如下图所示
2.选择95号单元,20个节点。
3.输入材料的弹性模量和泊松比:
4.定义几何模型及其关键点:
5.定义好的几何模型如下图所示:
6.由上述关键点生成梁的截面:
7.沿Z轴拉伸形成实体几何模型:
至此,几何模型生成完毕。
8.下面进行网格划分:
9.添加左平面为完全约束:
10.上平面添加5MPa的平均应力:
11.计算分析,得出结果:
12.由上图可看出左侧受约束平面的应力状况。
下图分别为实体梁的应力和位移分布图:
由上图可得出,在梁的左侧根部时应力值最大,为371.365。
由上图可得出,在实体梁的端部位移最大,为2.618。
基于ANSYS的悬臂梁剪力与弯矩图分析1、问题简介已知某外伸悬臂梁,受力情况如下所示,已知材料的容许正应力为80MPa。
梁截面为直径200mm的圆。
材料弹性模量为2.1e11,泊松比为0.3。
利用材料力学知识,画出结构的剪力和弯矩图,并进行强度校核,同时再采用有限元方法进行分析,与理论计算进行对比分析。
图1 结构及受力情况2、理论分析方案首先建立平衡方程:∑=0y∑A M=设A处支反力为RA,B处支反力为RB,假设初始方向为竖直向上,则:10*2-RA+20-RB=010*2*1-20*3+RB*4=0得到RA=30KN,RB=10KN。
假设梁的最左端为X轴0点,则OA段的剪力求解如下:q*x-Fx=0得到Fx=10*x,其中0<x<2,且方向向上在AC段,则2<x<5,剪力求解方程如下:10*2-RA+Fx=0得到:Fx=10KN,且方向向下。
在CB段,其中5<x<6,剪力求解方程如下:10*2-RA+20-FX=0得到FX=10KN,其中方向向上。
由上述计算可得剪力图如下所示,其中正好表示方向向上。
图2 剪力图假设梁的最左端为X轴0点,则弯矩图的求解过程如下所示:OA段:10*x*x/2-Mx=0得到Mx=5*x^2,其中方向为顺时针。
AC 段:10*2*(1+x)-RA*x-Mx=0得到:Mx==20-10xCB段:Mx=RB*(6-x)得到MX=60-10x由上述计算可知弯矩图如下所示,图3 弯矩图由图3可知,梁的最大正弯矩为Mc=10KN*m最大负弯矩为Ma=20KN*m 。
其中弯曲应力计算公式如下所示:3max max max max max 32d M W M I y M Z πσ=== 所以如上所示梁结构的最大弯曲应力发生在截面A 处,按照如上公式计算,知最大应力为25.478MPa ,材料许用正应力为80MPa ,此时安全系数为3.14,材料满足强度要求。
ANSYS 上机例题---变截面梁1 问题描述例:如图,一悬臂梁长1L m =,梁截面为实心圆截面,其中D 1200mm =,D2150mm =。
受均布载荷5q kN m =, q 方向向左。
梁材质为钢材,37850kg m ρ-=⋅, 112.110E Pa =⨯, 0.3μ=,用ANSYS 软件求解其应力分布情况(不计重力)。
图1 变截面悬臂梁2 求解步骤概述:前处理1)确定分析标题 2)设置菜单偏好 3)定义单元类型 4)定义材料类型 5)创建关键点6)创建关键点之间的梁,划分网格求解7)设置约束、施加载荷 8)求解后处理9)绘制梁的变形图10)绘制梁的应力图退出A N SYS3详细操作步骤:3.1进入ANSYS10.01 新建工作目录:在D盘新建一个文件夹xuanbiliang,作为ANSYS的工作目录,ANSYS 运行中产生的中间文件和结果文件将保存在这里。
文件名不要含有中文,以免产生乱码。
2开始>程序>ANSYS>ANSYS Product Launcher3 指定工作目录File Management(默认)>Working Directory>Browse选择工作目录为步骤1中新建的文件夹xuanbiliang>run3.2前处理4 确定分析标题:Utility Menu:File>Change Title<1>键入分析标题:“xuanbiliang”<2>OK5 设置单元偏好:Main Menu:Preference<1>仅仅打开“Structural”菜单过滤<2>OK2 输入工作名xuanbiliang 36 定义单元类型:Main Menu :Preprocessor>Element Type>Add/Edit/Delete <1>Add<2>选择beam189 <3>close7 定义材料特性MainMenu :Preprocessor>MaterialProps>MaterialModels>Structure>Linear>Elastic>Isotropic<2>在EX 项输入弹性模量:2.1e11 <3>在PRXY 项输入泊松比:0.31231 Add/Edit/Delete25<3>OK1234Main Menu:Preprocessor>Material Props>Material Models > Structure>Density<1>在DENS对画框键入:7850(定义钢材密度)<2>按“OK”完成1238 定义梁的截面Preprocessor>Sections>Beam>Common Sections<1>在BeamTool下拉菜单中选择实心圆截面,截面ID为1,输入对应尺寸R1=0.100,在name栏输入jm1,该截面取名为jm1<2>点击Apply后,定义截面ID为2,输入对应尺寸R2=0.075,在name 栏输入jm2,该截面取名为jm2<3>点“OK”2 取名jm11 Common sections349 建立梁的关键点Main Menu:Preprocessor>Modeling>Create>Key points>In Active CS<1>在关键点号菜单栏键入:1(关键点编号)<2>键入关键点1的X,Y,Z坐标:0,0,0(也可以用空着不填表示0)<3>按“Apply”完成关键点1的定义同理,按下表值建立所有关键点,在输入关键点3的坐标后,按OK键(而不是Apply)。
弹性力学a n s y s求解实例详解Company number:【WTUT-WT88Y-W8BBGB-BWYTT-19998】ANSYS 上机实验报告一、题目描述如图1所示,一简支梁横截面是矩形,其面积202.0m A =,对弯曲中性轴的惯性矩451067.6m I zz -⨯=,高m h 2.0=,材料的pa E 11101.2⨯=,横向变形系数3.0=μ。
该梁的自重就是均布载荷N q 4000=和梁中点处的集中力N F 2000=,试讨论在均布荷载作用下,简支梁的最大挠度。
二、问题的材料力学解答由叠加法可知:梁上同时作用几个载荷时,可分别求出每一载荷单独作用时的变形,把各个形变叠加即为这些载荷共同作用时的变形。
在只有均布载荷q 作用时,计算简支梁的支座约束力,写出弯矩方程,利用EI M dxw d =22积分两次,最后得出: 铰支座上的挠度等于零,故有0=x 时,0=w ,因为梁上的外力和边界条件都对跨度中点对称,挠曲线也应对该点对称。
因此,在跨度中点,挠曲线切线的斜率等于零,即:2l x =时,0=dx dw ,把以上两个边界条件分别代入w 和0=dxdw 的表达式,可以求出243ql C -=,0=D ,于是得转角方程及挠曲线方程为: x ql x q x ql EIw ql x q x ql EI dx dw EI 2424122464343332--=--==θ (1) 在跨度中点,挠曲线切线的斜率等于零,挠度为极值,由(1)中式子可得:即EIql w q c 3845)(4-=。
在集中力F 单独作用时,查材料力学中梁在简单载荷作用下的变形表可得EIFl w F c 48)(3-=。
叠加以上结果,求得在均布载荷和集中力共同作用下,梁中点处的挠度是EIFl EI ql w w w F c q c c 483845)()(34--=+=,将各参数代入得m w c 410769.0-⨯=三、问题的ansys 解答建立几何模型此问题为可采用Beam 分析,所以该几何模型可用线表示。
实验三简支梁的变形分析实验目的:了解和掌握简支梁的变形分析的方法和步骤。
实验内容:完成工字梁端面受力分析。
图1 是一工字梁受力简图,工字梁型号为32a,其跨度为1.0m,求其在集中力P1和P2作用下O点的挠度。
该工字梁材料的弹性模量为220GPa,泊松比为0.3,集中力P1=8000N,P2=5000N。
要求采用自顶向下的建模方法即采用3D体素建立起几何模型。
图1 工字梁受力简图该问题属于梁的弯曲问题。
由于该工字梁属于标准型材,在分析过程中选择图2所示的几何模型,通过选择相应的梁单元进行求解,这样就简化了3D模型复杂的建模过程和求解步骤。
图2 几何模型实验步骤:⒈定义工作文件名和工作标题1)选择Utility Menu→File→Change Jobname 命令,出现Change Jobname对话框,在[/FILNAM] Enter new jobname 输入栏中输入工作文件名exercise3,并将New log and error files 设置为Yes,单击【OK】按钮关闭该对话框。
2)选择Utility Menu→File→Change Title命令,出现Change Title对话框,在[/TITLE]Enter new title 栏中输入I BEAM SUBJECTED TO CONCENTRATED FORCE,单击【OK】按钮关闭该对话框。
⒉定义单元类型1)选择Main Menu→Preprocessor→ElementType→Add/Edit/Delete命令,出现ElementTypes 对话框,单击【Add】按钮, 出现Library of ElementTypes对话框。
2)在Library of ElementTypes复选框中选择Structural Beam 2D elastic 3,在Element type reference number 输入栏中输入1,如图3所示,单击【OK】按钮关闭该对话框。