品质部工作流程图
- 格式:docx
- 大小:48.74 KB
- 文档页数:3
品质部工作流程图1 . 进料工作流程进料:收到仓库的送检通知单,准备验收;查看产品的检验报告:要求供应商提供产品检验报告;判定:检查产品检验报告上的各指标是否符合要求;合格:报告合格再抽样检验; 不合格:通知品管主管;知会仓库,退货:在送检通知单填写不合格;交予仓库,退货处理; 知会采购部:与采购部沟通该供应商提供该批次产品的问题;抽检合格:抽检合格,填写送检单,交予仓库;入仓:仓库接到送检单,安排入仓;存档:所有文件检验记录存档。
2 . 生产过程工作流程原料投产:原料投入生产;巡检:生产过程中,现场QC对各个车间进行巡查,抽检;检验合格:继续一道工序;检验不合格:通知主管;通知有关人员:品管主管和生产主管决定不合格半成品返工还是报废;报废:对有问题的成品进行销毁,并对该次事件提出合理的整改建议;整改意见:相关人员对该次事件进行原因分析,提出整改意见;成品:半成品经过合格工序生产完成;检验:对成品抽样检验各指标;入仓:检验合格产品在放行单上签字,入仓保存;存档:把各项检验记录,检查记录,整改意见书等保存起来。
3 . 出货工作流程出货:接到仓库部通知准备出货;检验:对照出货通知,核对产品名称,规格,标签;通知相关人员:检验不合格货品通知相关人员;重新发货:重新按要求发货;出货:产品检验报告交予物流部,出货;存档:把相关文件存档以备查。
4 . 新产品研发工作流程开始:客户特别要求或者公司计划研制新产品;各项资料的准备:客户的要求,市场的口味要求,工艺流程图的制定等;试产前会议:试产前,召开内部会议,讨论资料的准备状况,试产需要注意事项;开始试产:跟踪试产生产现场,提出不良问题要点;新产品检验:检验产品的各指标,是否符合要求;分析:分析对于不合格原因,收集各人员关于新产品建议,提出改善对策;效果确认:根据改善对策重新试产,逐项确认效果;新产品调查:组织相关人员对新研制产品进行品尝调查;存档:保存各种记录文件。
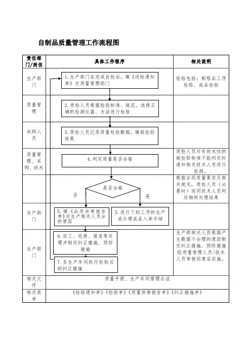
自制品质量管理工作流程图
责任部
门/岗位
具体工作程序相关说明
生产部门检验包括:制程品工序检验、成品检验
质量管理
采购人员
质量管理、采购、技术质检人员对有技术性的被检验标准不能判定时通知相关技术人员进行
检测。
根据合同质量要求及相关规定,质检人员(必要时)连同技术人员判定物料处理结果
生产部门
生产部门生产部相关人员根据产生数据不合理的原因制定纠正措施、预防措施经质量管理人员/技术人员审核同意后实施。
相关文
件
质量手册、生产车间管理办法
相关表单
《检验通知单》《检验单》《质量异常报告单》《纠正措施单》
1.生产部门在完成自检后,填《送检通知
单》交质量管理部门
2.质检人员根据检验标准、规范,选择正
确的检测仪器、方法进行检验
3.质检人员记录质量检验数据,填报检验
结果
是否合格
5.填《品质异常报告
单》交生产相关人员分
析原因
否是
4.判定质量是否合格
6.返工、返修、报废等处
理并制定纠正措施、预防
措施
7.各生产车间执行检验后
的纠正措施
5.进行下到工序的生产
或办理成品入库手续。
佛山耐堡日用品有限公司作业指导书文件编号:NB-QC-WI-004版本:A/01文件名称﹕品质部运作流程图生效日期:2012年03月07日页码:第1页,共1页厂内制造零件(胶件、五金件、滤芯外购物料实验室货仓填写《报检单》IQC根据《进料检验作业指导书》进行检验填写《来料退货通知书》,贴《退货条》将物料提交各部门进行会审,必要时出示《供应商问题联络书》要求改善合格填写《来料抽查记录》,贴《合格条》入仓五金、塑件QC根据《样板测试作业指导书》《首件作业指导书》《巡查作业指导书》进行检查及测试五金、塑胶QC知会生产主管、领班要求其改善,出示《零配件巡查报告》《首检/巡查报告》货品贴《QC退货条》必要时出示《品质改善联络书》要求改善车间返工合格五金、塑胶QC填写《QC首检、巡查报告》生产部门将合格品入仓组装部装配根据《产品测试作业指导书》对产品进行测试合格出示测试报告并将结果反馈给委托部门出合格报告给委托部门IPQC按《首件检查作业指导书》《巡查作业指导书》进行检查及测试合格IPQC填写《QC首检/巡查报告》生产部门将合格品入仓IPQC知会生产主管、拉长要求其改善,出示《QC首件/巡查报告》货品贴《QC退货条》必要时出示《品质改善联络书》要求改善QA根据《抽查作业指导书》及《统计抽样作业指导书》进行检查及测试合格车间返工出示《产品出厂检验报告,若返工产品则出示《返工后抽查报告》贴QA放行条,等候客方QC检验及出货出货该批货曾被QA退货出示《产品返工通知书》必要时出示《品质改善联络书》要求改善车间返工将该批货封存召集QC、开发部、生产部会议研究并制定特殊处理方案YesNOYesNONOYesYesYesNONOYesNOYesp 佛山耐堡日用品有限公司文件名称: 品质部运作流程图件编号: NB-QC-WI-004本: A效日期:07/03/2012码: 共1页分发代号﹕编制(修订): 张建军日期: 2012年3月7日审核: 日期:批准: 日期:版本修订次数修订页码修订内容简要修订人。
品质部样件工作流程1 目的规范模具样件发货后至模具发货前各项工作均按流程进行操作。
2 范围本程序适用于公司所有模具样件及模具发货的各相关部门。
3 归口管理部门品质部4 职责权限4.1项目部:传递模具样件及模具发货前相关顾客信息;4. 2技术部、装配部:负责对样件及模具异常信息进行书面的反馈和整改;4.3品质部:品质部负责检验、判定模具样件及模具的质量。
5 标准程序5.1检验部门对样件进行检验,同时对模具进行初检,产生《样件检验单》和《模具初检单》。
5.2检验部门召开会议,讨论整改时间节点,项目部将时间安排作为新的一列加入进度表。
5.3当对问题点有异议时,装配部及技术部第一时间将反馈意见以书面形式通知检验部,以取得检验部的确认。
如果没有反馈自行决定不整改,检验部将按未整改来处理。
产生《装配部整改反馈》及《技术部整改反馈》,同时检验部产生《未整改管理措施》。
6、工作流程生产过程管理程序1 目的本程序目的是对与生产过程有关质量的因素,包括人员、设备、材料、操作方法、作业环境进行有效的控制和管理。
确保生产过程的每个工序按规定的方法在受控状态下进行。
2 范围本程序规定了过程控制的内容和办法。
本程序适用于对生产过程进行有效的控制、产品标识与追溯、工作环境之管理。
3 引用文件LY-QP-023 《采购管理程序》LY-QP-030 《文件和资料控制程序》LY-QP-029 《不合格品控制程序》LY-QP-032 《产品搬运、贮存、包装与防护管理程序》LY-QP-009 《产品标识和可追溯性程序》4 术语和定义工作环境: 指影响员工作业或产品品质之设备条件,包含温度、湿度、防尘、空气污染、震动、安全卫生等要项,是无形的,其管制是通过新增或改善设施来达到改善、提高的。
5 职责5.1 生产部是本程序的归口管理部门,负责编制生产作业计划及其生产调度工作,负责设备维修和管理。
5.2 技质部工艺组负责编制各类工艺规程、技艺评定准则和必要的作业指导书.5.3 技质部品检组负责生产过程各工序制件的专检;并且对过程中不合格品进行标识和记录.5.4 采购部负责为生产过程提供合格的原材料和辅料。
1、品质部门职责⑴制订品质检验标准⑵执行试产、进料、制程、成品的品质检验与管控⑶进行制程品质异常分析、改善措施的追踪验证⑷客户抱怨与退货处理、原因分析及改善措施的拟定⑸参与评估供应商品质管控能力⑹校正与控制量规、检验仪器⑺制定培训计划⑻品质信息的收集、反馈2、部门组织构架图仪校塑胶电木电线五金支架陶瓷包装材料品质部SQC品保QE工程师IQC组QA组品检FQA组出货检验IPQC组电木塑胶制一课制二课插头课押出组3.工作职责及能力要求职务工作范围、内容所需具备的能力备注品质主管1、对所属人员的教育培训2、执行状况的稽核3、协助制造部门建立不良产品的纠正和预防措施.中专以上学历,至少3年以上品质管理工作经验,熟悉品质管理运作程序。
熟练电脑操作. 对本公司产品有一定的了解。
有较强的识图能力,了解ISO体系。
IQC 1、免检供货商申请。
2、供应商异常回复追踪验证。
3、进料检验18周岁以上,高中以上文化程度,无色盲,会简单的量具使用及保养,具有一定的沟通、协调能力.有一年以上的工作经验,会使用.对本公司产品有一定的了解.有一定的识图能力.熟知进料检验的流程. 会电脑知识IPQC 1、现场首末件检验确认,巡检。
2、问题点的反馈,品质异常改善对策的追踪确认。
3、各工序半成品的检验。
18周岁以上,初中以上文化程度,会简单的量具使用及保养,熟悉抽检方法及对制程不良的处理.对本公司产品有一定的了解.有一定的识图能力,熟知制程检验的流程.OQC 出货产品的检验及填写检验报告18周岁以上,高中以上文化程度,会使用简单的量具,熟悉所有出货产品的品质要求. 对本公司产品有一定的了解有一定的识图能力.QA 1、出货稽查2、协助QE工作3、所有量具的使用及点检、保养、校正。
20周岁以上,中专以上文化程度,会使用现有所有量具仪器及其点检、保养、校验,会电脑知识. 对本公司产品有一定的了解。
有较强的识图能力.SQC 1、品质记录的统计(包括周统计、月统计、年统计的品质状况)2、品质所需物品的请购、领用、发放3、技术文件及管理文件的整理、索引保存4、文件及表单的打印及收发18周岁以上,高中以上文化程度,电脑操作熟练,日常报表及统计图的制作.对QC七大手法有相当的了解.QE 1、新产品开发阶段的品质策划、检验标准的制定 .2、客诉及退货的处理。
品质部样件工作流程1 目的规模具样件发货后至模具发货前各项工作均按流程进行操作。
2 围本程序适用于公司所有模具样件及模具发货的各相关部门。
3 归口管理部门品质部4 职责权限4.1项目部:传递模具样件及模具发货前相关顾客信息;4. 2技术部、装配部:负责对样件及模具异常信息进行书面的反馈和整改;4.3品质部:品质部负责检验、判定模具样件及模具的质量。
5 标准程序5.1检验部门对样件进行检验,同时对模具进行初检,产生《样件检验单》和《模具初检单》。
5.2检验部门召开会议,讨论整改时间节点,项目部将时间安排作为新的一列加入进度表。
5.3当对问题点有异议时,装配部及技术部第一时间将反馈意见以书面形式通知检验部,以取得检验部的确认。
如果没有反馈自行决定不整改,检验部将按未整改来处理。
产生《装配部整改反馈》及《技术部整改反馈》,同时检验部产生《未整改管理措施》。
6、工作流程生产过程管理程序1 目的本程序目的是对与生产过程有关质量的因素,包括人员、设备、材料、操作方法、作业环境进行有效的控制和管理。
确保生产过程的每个工序按规定的方法在受控状态下进行。
2 围本程序规定了过程控制的容和办法。
本程序适用于对生产过程进行有效的控制、产品标识与追溯、工作环境之管理。
3 引用文件LY-QP-023 《采购管理程序》LY-QP-030 《文件和资料控制程序》LY-QP-029 《不合格品控制程序》LY-QP-032 《产品搬运、贮存、包装与防护管理程序》LY-QP-009 《产品标识和可追溯性程序》4 术语和定义工作环境: 指影响员工作业或产品品质之设备条件,包含温度、湿度、防尘、空气污染、震动、安全卫生等要项,是无形的,其管制是通过新增或改善设施来达到改善、提高的。
5 职责5.1 生产部是本程序的归口管理部门,负责编制生产作业计划及其生产调度工作,负责设备维修和管理。
5.2 技质部工艺组负责编制各类工艺规程、技艺评定准则和必要的作业指导书.5.3 技质部品检组负责生产过程各工序制件的专检;并且对过程中不合格品进行标识和记录.5.4 采购部负责为生产过程提供合格的原材料和辅料。