整流桥的接线方式
- 格式:doc
- 大小:10.00 KB
- 文档页数:1
编辑:DD
摘要:ASEMI单相整流桥电路图,隐藏着智慧力量的钥匙
针脚KBPC3510W如何接线?看ASEMI工程原理找方法!单相整流桥电路图及原理你知道吗?ASEMI单相整流桥电路图,是隐藏着智慧力量的钥匙,强元芯课堂的专业指导让你对单相整流桥电路图的原理了如指掌。
桥式整流电路是使用最多的一种整流电路。
这种电路,只要增加两只二极管口连接成"桥"式结构,便具有全波整流电路的优点,而同时在一定程度上克服了它的缺点。
桥式整流电路的工作原理如下图所示:
ASEMI品牌单相整流桥电路图所展示的内部电路结构是,由四颗高性能进口GPP镀金工艺整流芯片组成一个桥式整流电路,并由高纯度铜材质镀锡引脚连接引出,并用耐高温绝缘性好的高品味Sio2(二氧化硅)硅胶封装起来,四个引脚分别连接交流输入端与正负极输出端。
ASEMI品牌整流桥堆的电路工作状态图下图:
针脚KBPC3510W整流桥台湾ASEMI品牌选用先进台湾健鼎测试线,确保每一颗产品都进过严苛的检验环节,100%的保证出厂良品率。
产品生产工艺精湛,品质好,稳定性高,所以用过ASEMI品牌产品的客户都愿意坚持使用,不愿意再更换别的品牌。
台湾ASEMI品牌12年专业专注高压整流桥领域,行业新旗帜业界新代表,ASEMI,值得您点赞。
ASEMI-整流桥KBJ2510的工作伏安特性曲线图,参数图,峰值浪涌电流名词解释以强元芯ASEMI这款KBJ2510这一款整流桥为例,这类适用于电源的整流桥大部分采用的是桥式整流,桥式整流桥的作用就是能够通过二极管的单向导通的特性将电平在零点上下浮动的交流电转换为单向的直流电。
下图是一个三相整流桥电路图:通常在25A1000电源中采用的整流桥,我们都会选择KBU2510,接下来就一起了解一下这款型号的电性参数与详细的安装尺寸大小。
KBJ2510整流桥主要参数下图为KBU2510这款整流桥的参数规格书,电性数据有很多类目,比较重要的数据如有反向耐电压、正向最大电流以及峰值浪涌电流等类目,从图中我们可以看到这款整流桥的全部重要的参数数据:下面来学习一下专业名词反向耐电压,最大正向电流,峰值浪涌电流的具体参数意义以及选择整流桥的普遍规则。
反向耐电压:KBJ2510整流桥的反向耐压可以达到1000V的高压。
什么是反向耐压呢?我们知道电路电压在电源负周期时会对二极管芯片形成反向作用电压,可承受多大反向电压的冲击而不损坏就代表了该整流桥的反向耐压强度。
ASEMI这款KBJ2510就说明其最大可以承受1000V反向电压而不会被损坏,在实际电路应用当中可以适应绝大多数的设计要求。
正向最大电流:KBJ2510整流桥的正向最大电流为25安培。
按照电源行业工程设计选型惯例,实际工作电流一般不超过整流桥正向最大电流的3分之1,也就是说8安培以下的电路都可以选择该款产品。
峰值浪涌电流:这个参数对于应用后端接线圈的电路环境显得尤为重要,这种电路开机瞬间的电流叠加线圈产生电场,会放大开机瞬间的冲击电流值,如果抗浪涌电流不足够的话容易将整流桥击穿。
ASEMI这款KBJ2510正向浪涌电流达到400A,可以很好的保护桥堆不被损坏。
12m10整流桥管脚定义全文共四篇示例,供读者参考第一篇示例:12m10整流桥是一种常见的整流电路元件,其管脚定义对于整个电路的正常运行至关重要。
在实际应用中,准确理解和正确连接12m10整流桥的管脚是至关重要的。
下面我们将详细介绍12m10整流桥的管脚定义及其作用。
我们需要了解一下12m10整流桥的结构。
12m10整流桥由4个二极管组成,通常是在一个方形的外壳中。
在实际连接时,我们将根据其不同的管脚来正确地连接到电路中。
我们来看一下12m10整流桥的四个管脚。
通常来说,12m10整流桥的管脚可以按照以下方式进行定义:两个管脚作为输入端,另外两个管脚作为输出端。
在这四个管脚中,有两个管脚标记为正极(+),另外两个标记为负极(-)。
根据这些标记,我们可以很容易地将12m10整流桥正确地连接到电路中。
接下来,我们将详细介绍12m10整流桥的每个管脚的作用和定义。
首先是正极(+)管脚,这两个管脚一般用来连接电源的正极。
在实际应用中,我们通常将正极(+)管脚连接到电源的正极上以提供电源给整个电路。
正极(+)管脚在整流电路中起到了关键的作用,确保电流的正确流动。
接着是负极(-)管脚,这两个管脚一般用来连接电源的负极。
和正极(+)管脚相反,负极(-)管脚通常连接到电源的负极上。
通过连接至负极,电流可以顺利地流回电源,形成完整的电路。
负极(-)管脚同样扮演着非常重要的角色。
除了连接至电源,12m10整流桥的管脚还有其他作用。
输出端管脚可以连接至负载,将整流后的电流传送至负载。
负载可以是电阻、电机或其他电子设备,通过连接至输出端管脚,负载可以得到需要的电流。
第二篇示例:12m10整流桥是一种常用的整流器元件,常用于电子电路中,可以将交流电转换成直流电。
在实际应用中,为了更好地理解和使用12m10整流桥,了解其管脚定义是非常必要的。
本文将针对12m10整流桥的管脚定义进行详细介绍。
12m10整流桥一般有四个引脚,分别为正整流脚、负整流脚、输入交流脚和输出直流脚。
电磁炉改电焊机的具体方法将电磁炉改装成电焊机的步骤指南电磁炉因其加热效率高而被广泛使用,但它也可以被改装成一个功能强大的电焊机,用于多种焊接应用。
以下是将电磁炉改装成电焊机的详细分步指南:材料准备:电磁炉降压变压器(输入 220V,输出 12V-24V)整流桥连接线电焊钳接地线眼罩和手套(安全装备)步骤 1:拆除电磁炉断开电磁炉的电源。
使用螺丝刀或撬棒,小心地拆卸电磁炉外壳。
卸下主板和风扇,露出电磁线圈。
步骤 2:连接降压变压器将降压变压器的输入端连接到电磁炉的电源线。
将变压器的输出端连接到整流桥的输入端。
步骤 3:连接整流桥整流桥由四个二极管组成,以正向连接排列。
将整流桥的正极 (+) 连接到电磁线圈的一端。
将整流桥的负极 (-) 连接到电磁线圈的另一端。
步骤 4:连接电焊钳将电焊钳的正极线连接到整流桥的正极 (+) 端子。
将电焊钳的负极线连接到整流桥的负极 (-) 端子。
步骤 5:连接接地线接地线至关重要,可防止触电危险。
将接地线连接到电磁炉的金属外壳或房屋接地系统。
步骤 6:测试电焊机重新组装电磁炉外壳并连接电源。
戴上眼罩和手套,以保护自己免受电弧和紫外线伤害。
将电焊钳连接到工件并启动电磁炉。
调整变压器输出电压以获得所需的电弧长度和焊接强度。
注意事项:在操作过程中务必小心,因为电焊机涉及高电流和电压。
始终穿戴合适的安全装备,包括眼罩、手套和防护服。
在通风良好的区域使用电焊机,因为焊接过程会产生烟雾和气体。
定期检查电焊机接线,并确保所有连接牢固可靠。
仅使用与电焊机兼容的电焊条和焊剂。
在尝试焊接任何工件之前,先练习在废料上进行焊接,以完善您的技术。
通过按照这些步骤,您可以将电磁炉成功改装成一台功能齐全的电焊机,用于各种焊接项目,从家庭维修到轻型金属加工。
两项小悍机电源搯头接法
案例一:
电焊机其中三根红线是380V的输入线。
2、三组黄线是交流电到整流桥的接线。
3、四条红黑线是将整流过后的直流电来给电容进行充电,并且连接到下面电源板。
4、将其中两根导线连接到继电器,可以用来控制继电器。
5、其中黑色软管包裹着的线是用来给220V变压器供电的,并且还连接着变压器。
6,如果是220V就一火一零。
接地线在配电箱里有专用接地端子。
案例二:
220v电焊机插头,应是三孔插头(既带接地线的),接家庭用电时注意首先检查三孔插头接地线端是否可靠连接,确认后可直接插入使用即可。
若220v电焊机插头不是三孔插头(既不带接地线的),而是两眼插头或仅有两根线,就必须找出电焊机的接地线或接地端子,先引出接地线并可靠连接(可在潮湿地面插入钢钎连接或连接到比较潮湿的下水地漏金属上),然后插上电源开始使用。
还需注意电焊机标称电流与家庭用电插头标称电流值匹配,这样可保证使用安全。
380V电焊机三相线就是火线接电源ABC三相,电焊机零线接电源中性线(N线),电焊机地线接电源地线(PE线。
20A整流桥型号RS2006M四个引脚如何接线?
桥式整流器的四个引脚如何接线呢?
桥式整流器的应用领域是非常广泛的,所以越来越多的受到工程设计青睐。
如果是缺乏经验的话,就有工程会疑问桥式整流器的四个引脚该如何接线?作所周知桥式整流器有四个引脚分别是两个正极输入端和正负极两个引脚输出端,那么问题来了,四个引脚在电路中如何接线呢?交流输入端是不区分正负极性,一般标注交流或者AC的符号,桥式整流器正极对应接负载的正极输入端,负极对应接负载的负极输出端。
ASEMI桥式整流器旗下所有产品全部采用,当今世界最先进技术GPP镀金工艺芯
片制造而成,稳定性与可靠性十分保障;内部框架与镀锡引脚都是采用高纯度99.99%
无氧铜材料,环保进口的环氧树脂黑胶的绝缘性是所有封胶材料中最好的,可防止高压
冲击保障电路安全。
一切都只是为了保障ASEMI桥式整流器的馨石品质。
怀揣一颗进取之心,ASEMI桥式整流器成立至今励志做到行业标杆,树民族品牌更好品质的桥式整流器旗帜,所以现在出口欧美等市场的桥式整流器非他莫属。
专业:电气工程及其自动化姓名:沖产丿、象实验报告学号:日期:地点:教2-115课程名称:电力电子技术______________________ 指导老师: ___________ 成绩: ___________________实验名称:三相桥式全控整流及有源逆变电路实验实验类型: - 同组学生姓名:一、实验目的(1)熟悉三相桥式全控整流及有源逆变电路的接线及工作原理。
(2)了解集成触发器的调整方法及各点波形。
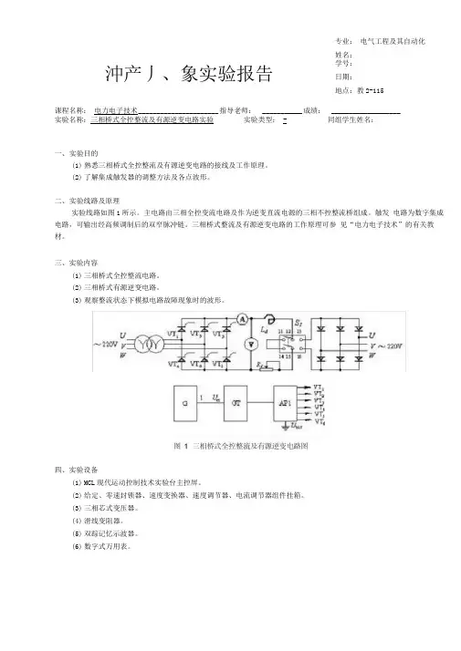
二、实验线路及原理实验线路如图1所示。
主电路由三相全控变流电路及作为逆变直流电源的三相不控整流桥组成。
触发电路为数字集成电路,可输出经高频调制后的双窄脉冲链。
三相桥式整流及有源逆变电路的工作原理可参见“电力电子技术”的有关教材。
三、实验内容(1)三相桥式全控整流电路。
(2)三相桥式有源逆变电路。
(3)观察整流状态下模拟电路故障现象时的波形。
四、实验设备(1)MCL现代运动控制技术实验台主控屏。
(2)给定、零速封锁器、速度变换器、速度调节器、电流调节器组件挂箱。
(3)三相芯式变压器。
(4)滑线变阻器。
(5)双踪记忆示波器。
(6)数字式万用表。
五、实验方法1接线与调试(1)按图4-7接线,未上主电源之前,检查晶闸管的脉冲是否正常。
打开电源开关,给定电压Ug有电压显示。
(2)用示波器观察双脉冲观察孔,应有间隔均匀,相互间隔60。
的幅度相同的双脉冲。
(3)检查相序,用示波器观察 1,2单脉冲观察孔,1脉冲超前2”脉冲60 °,则相序正确,否则,应调整输入电源。
(4)用示波器观察每只晶闸管的控制极,阴极,应有幅度为1V〜2V的脉冲。
注:将面板上的 Ublf (当三相桥式全控变流电路使用I组桥晶闸管VT1〜VT6时)接地,将I组桥式触发脉冲的六个按键设置到“接通”。
(5)将给定器输出Ug接至Uct端,调节偏移电压 Ub,在Uct=0时,使a=150o。
此时的触发脉冲波形如图2所示。
图2触发脉冲与锯齿波的相位关系2、三相桥式全控整流电路(1)按图1接线,将开关“ S”拨向左边的短接线端,给定器上的“正给定”输出为零(逆时针旋到底);合上主电路开关,调节给定电位器,使a角在30°〜90。
目录1.引言 (1)2.原理 (1)3、触发脉冲 (5)4 、保护电路 (5)5、应用举例 (9)6、简单的仿真 (10)7、小结 (11)参考文献 (12)三相桥式全控整流电路1.引言整流电路就是把交流电能转换为直流电能的电路。
大多数整流电路由变压器、整流主电路和滤波器等组成。
它在直流电动机的调速、发电机的励磁调节、电解、电镀等领域得到广泛应用。
整流电路通常由主电路、滤波器和变压器组成。
20世纪70年代以后,主电路多用硅整流二极管和晶闸管组成。
滤波器接在主电路与负载之间,用于滤除脉动直流电压中的交流成分。
变压器设置与否视具体情况而定。
变压器的作用是实现交流输入电压与直流输出电压间的匹配以及交流电网与整流电路之间的电隔离(可减小电网与电路间的电干扰和故障影响)。
整流电路的种类有很多,有半波整流电路、单相桥式半控整流电路、单相桥式全控整流电路、三相桥式半控整流电路、三相桥式全控整流电路等。
2.原理其原理图如图1所示。
图1 三相桥式全控整流电路原理图习惯将其中阴极连接在一起的3个晶闸管(VT1、VT3、VT5)称为共阴极组;阳极连接在一起的3个晶闸管(VT4、VT6、VT2)称为共阳极组。
此外,习惯上希望晶闸管按从1至6的顺序导通,为此将晶闸管按图示的顺序编号,即共阴极组中与a、b、c三相电源相接的3个晶闸管分别为VT1、VT3、VT5,共阳极组中与a、b、c三相电源相接的3个晶闸管分别为VT4、VT6、VT2。
从后面的分析可知,按此编号,晶闸管的导通顺序为 VT1-VT2-VT3-VT4-VT5-VT6。
1)、 整流电路的负载为阻感负载。
假设将电路中的晶闸管换作二极管,这种情况也就相当于晶闸管触发角α=0o 时的情况。
此时,对于共阴极组的3个晶闸管,阳极所接交流电压值最高的一个导通。
而对于共阳极组的3个晶闸管,则是阴极所接交流电压值最低(或者说负得最多)的一个导通。
这样,任意时刻共阳极组和共阴极组中各有1个晶闸管处于导通状态,施加于负载上的电压为某一线电压。
开关电源烧整流桥,开关管维修开关电源是现代电子设备中常见的一种电源类型,它具有高效率、小体积和稳定输出电压等优点。
然而,由于电源内部的复杂电路和高压工作环境,偶尔会发生一些故障,比如整流桥或开关管烧毁的情况。
在这篇文章中,我们将为大家介绍开关电源的整流桥和开关管的维修方法,以帮助大家解决这类问题。
首先,让我们来了解一下开关电源中的整流桥。
整流桥是开关电源中的关键部件,它负责将交流输入电压转换为直流输出电压。
当整流桥损坏时,会导致开关电源无法正常工作。
通常来说,当我们发现开关电源输出电压异常或无输出时,首先要怀疑整流桥出现了问题。
那么,如何判断整流桥是否损坏呢?一种简单的方法是使用万用表来进行测量。
将万用表调到直流电压测量档位,钳住开关电源输出端的正负极,然后将电源接通,读取万用表上的电压数值。
如果显示为零伏或极低的电压值,那么可以基本确定整流桥损坏了。
接下来,我们将介绍整流桥的维修方法。
一种常见的情况是整流桥上的单个二极管或多个二极管烧毁。
此时,我们需要使用万用表将整流桥的二极管逐个测量。
首先,将万用表调到二极管测量档位,然后用红表笔接触整流桥的接线端子,用黑表笔分别接触每个二极管的引脚。
如果万用表显示的电流值是接近无穷大的(即无导通状态),则说明该二极管烧毁了。
在确定了损坏的二极管后,我们需要将它们进行更换,并确保接线端子的焊接牢固。
除了整流桥,开关管也是开关电源中常见的故障部件。
开关管是用来控制开关电源开关状态的元件,一旦损坏,将无法实现电源的正常开关操作。
当开关电源出现连续断电、电流异常或工作不稳定等问题时,我们可以怀疑开关管存在问题。
为了维修开关管,我们首先需要确认其损坏情况。
类似于整流桥的测试方法,我们可以使用万用表的二极管测量功能来检测开关管。
将万用表调至测量二极管档位,用红表笔接触开关电源的输出端正脚,然后用黑表笔接触开关管的引脚。
如果测量结果显示开关管处于导通状态(即电流值接近零伏特),则说明开关管损坏了。
整流桥的接线方法整流桥是桥式整流电路的实物产品,那么实物产品该如何应用到实际电路中呢?一般来讲整流桥4个脚位都会有明显的极性说明,工程设计电路画板的时候已经将安装方式固定下来了,那么在实际应用过程中只需要,对应线路板的安装孔就好了。
下面我们就工程画板时的方法也就是整流桥电路接法介绍给大家。
整流桥接法整流桥连接方法主要分两种情况来理解,一个是实物产品与电路图的对应方式。
如上图所示:左侧为桥式整流电路内部结构图,B3作为整流正极输出,C4作为整流负极输出,A1与A2共同作为交流输入端。
右侧为整流桥实物产品图样式,A1与A2集成在了中间位置,正负极在最外侧。
实际运用中我们只需要将实物C4负极脚位对应连接电路图C4点,实物B3正极脚位与电路图B3相连接。
上诉方式即为整流桥实物产品与电路原理图的连接方式。
整流桥连接方式第二个则是对于实物产品在电路中的接法。
一般来说现在大多数电路采用高压整流方式居多,下面我们就重点介绍下高压整流桥的电路接法。
整流桥前端是交流220V输入,进入整流桥AC交流端,由正极直流输出连接负载用电器正极,经负载用电器负极连接整流桥负极形成回路,完成整个电源整流的路径。
以上就是ASEMI对于整流桥接法的两个方面介绍正、负极性全波整流电路及故障处理如图9-24所示是能够输出正、负极性单向脉动直流电压的全波整流电路。
电路中的T1是电源变压器,它的次级线圈有一个中心抽头,抽头接地。
电路由两组全波整流电路构成,VD2和VD4构成一组正极性全波整流电路,VD1和VD3构成另一组负极性全波整流电路,两组全波整流电路共用次级线圈。
图9-24 输出正、负极性直流电压的全波整流电路1.电路分析方法关于正、负极性全波整流电路分析方法说明下列2点:(1)在确定了电路结构之后,电路分析方法和普通的全波整流电路一样,只是需要分别分析两组不同极性全波整流电路,如果已经掌握了全波整流电路的工作原理,则只需要确定两组全波整流电路的组成,而不必具体分析电路。
整流桥安全操作及保养规程整流桥作为一种电子元件,常见于各种电源电路中。
它是将交流电转换为直流电的关键部件。
为了确保整流桥的正常工作,必须遵守严格的安全操作规程及保养措施。
本文将对整流桥的安全操作及保养进行详细介绍。
整流桥的安全操作规程1.严禁在电源电路开启状态下拆卸整流桥或进行维修操作。
在对整流桥进行维修或更换时,必须先断开电源,并确认电容器已经充分放电。
另外,在使用多个整流桥时,必须确保它们的接线正确。
2.在将整流桥连接到电源电路之前,必须仔细检查连线,以确保不会出现反接或短路。
在电源电路开启之前,还需要检查整流桥的冷却装置是否工作正常。
3.使用整流桥的电源电路必须配备过流保护装置,以防止整流桥中的电流超过其额定值。
在使用整流桥时,还需注意其最大电压和最大电流的额定值。
4.在实验室或工业环境中使用整流桥时,必须戴上适当的防静电手套。
如果不小心触摸到整流桥电极,可能会导致器件失效或损坏。
5.在使用整流桥时,必须遵循生产商的操作说明书和安全规程。
如有任何不明确的操作步骤或安全提示,应该咨询相关专业人士或生产商。
整流桥的保养措施1.定期检查整流桥的环境温度,确保其工作在允许范围内。
如果整流桥过热,需要及时检查冷却系统是否正常工作,并检查散热质量。
2.定期检查整流桥的外观,确认其没有破损,腐蚀或氧化。
如果发现这些情况,需要及时更换整流桥并进行清理保养。
3.对于使用时间较长的整流桥,建议定期检查电阻特性和器件状态。
如果峰值反向电压超过额定值,需要及时更换整流桥。
4.在操作整流桥时,应当避免撞击或强震。
在移动或运输整流桥时,必须使用合适的防震措施和包装。
5.整流桥需要定期更换电解电容器,以保证其电容值和工作性能的稳定。
同时,还应该定期更换风扇滤网和清理散热器。
结论整流桥是电源电路中不可或缺的组成部分。
它的安全操作和保养至关重要,以确保电路安全,延长整流桥的使用寿命。
在对整流桥进行维修或更换时,务必谨慎操作,按照正确的方法进行。
实验编号实验报告书实验项目:三相桥式全控整流及实验所属课程: 电力电子技术基础课程代码:面向专业: 自动化学院(系): 物理与机电工程学院自动化系实验室: 电机与拖动代号: 4262012年10 月20 日一、实验目的:1.熟悉MCL-01, MCL-02组件。
2.熟悉三相桥式全控整流及有源逆变电路的接线及工作原理。
3.了解集成触发器的调整方法及各点波形。
二、实验内容:1.三相桥式全控整流电路2.三相桥式有源逆变电路3.观察整流或逆变状态下,模拟电路故障现象时的波形。
三、实验主要仪器设备:1.MCL系列教学实验台主控制屏。
2.MCL—01组件。
3.MCL—02组件。
4.MEL-03可调电阻器。
5.MEL-02芯式变压器6.二踪示波器7.万用表三相桥式全控整流及有源逆变电路实验线路图及接线图四、实验示意图:五、实验有关原理及原始计算数据,所应用的公式:三相桥式全控整流电路的原理一般变压器一次侧接成三角型,二次侧接成星型,晶闸管分共阴极和共阳极。
一般1、3、5为共阴极,2、4、6为共阳极。
(1)2管同时通形成供电回路,其中共阴极组和共阳极组各1,且不能为同1相器件。
(2)对触发脉冲的要求:1)按VT1-VT2-VT3-VT4-VT5-VT6的顺序,相位依次差60︒。
2)共阴极组VT1、VT3、VT5的脉冲依次差120︒,共阳极组VT4、VT6、VT2也依次差120︒。
3)同一相的上下两个桥臂,即VT1与VT4,VT3与VT6,VT5与VT2,脉冲相差180︒。
(3)Ud一周期脉动6次,每次脉动的波形都一样,故该电路为6脉波整流电路。
(4)需保证同时导通的2个晶闸管均有脉冲,可采用两种方法:一种是宽脉冲触发一种是双脉冲触发(常用)(5)晶闸管承受的电压波形与三相半波时相同,晶闸管承受最大正、反向电压的关系也相同。
三相桥式全控整流电路实质上是三相半波共阴极组与共阳极组整流电路的串联。
在任何时刻都必须有两个晶闸管导通才能形成导电回路,其中一个晶闸管是共阴极组的,另一个晶闸管是共阳组的。
实验三三相桥式全控整流及有源逆变电路实验一.实验目的1.熟悉MCL-31A, MCL-33组件。
2.熟悉三相桥式全控整流及有源逆变电路的接线及工作原理。
3.了解集成触发器的调整方法及各点波形。
二.实验内容1.三相桥式全控整流电路2.三相桥式有源逆变电路3.观察整流或逆变状态下,模拟电路故障现象时的波形。
三.实验线路及原理实验线路如图4-9所示。
主电路由三相全控变流电路及作为逆变直流电源的三相不控整流桥组成。
触发电路为数字集成电路,可输出经高频调制后的双窄脉冲链。
三相桥式整流及有源逆变电路的工作原理可参见“电力电子技术”的有关教材。
四.实验所需挂件及附件五.实验方法1.按图接线,未上主电源之前,检查晶闸管的脉冲是否正常。
(1)打开MCL-31A电源开关,给定电压有电压显示。
(2)用示波器观察MCL-33的脉冲观察孔,应有间隔均匀,相互间隔60o的幅度相同的双脉冲。
(3)检查相序,用示波器观察“1”,“2”脉冲观察孔,“1”脉冲超前“2”脉冲600,则相序正确,否则,应调整输入电源。
(4)用示波器观察每只晶闸管的控制极,阴极,应有幅度为1V—2V的脉冲。
注:将面板上的Ublf(当三相桥式全控变流电路使用I组桥晶闸管VT1~VT6时)接地,将I组桥式触发脉冲的六个开关均拨到“接通”。
(5)将给定器输出Ug接至MCL-33面板的Uct端,调节偏移电压Ub,在Uct=0时,使α=150o。
2.三相桥式全控整流电路按图4-9接线,S拨向左边短接线端,将Rd调至最大(450Ω)。
合上主电源,调节Uct,使α在30o~90o范围内,用示波器观察记录α=30O、60O、90O 时,整流电压u d=f(t),晶闸管两端电压u VT=f(t)的波形,并记录相应的Ud和交流输入电压U2数值。
3.三相桥式有源逆变电路断开电源开关后,将S拨向右边的不控整流桥,调节Uct,使α仍为150O左右。
合上主电源,调节Uct,观察α=90O、120O、150O时, 电路中u d、u VT的波形,并记录相应的Ud、U2数值。
整流桥一般有4个引出端,其中交流输入端、直流输出端各两个。
采用判定二极管的方法,即可检测整流桥的质量,具体操作方法如下:1.用指针万用表检测半桥将指针万用表置R×1k挡,测量半桥组件内部的两只二极管的正、反向电阻值,即可判别其性能好坏。
2.用指针万用表检测全桥1)分别测量“+”极与两个“~”极、“-”极与两个“~”之间各整流二极管的正、反向电阻值(与普通二极管的测量方法相同),如果测试到其中一只二极管的正、反向电阻值均为零或均为无穷大,则可判断该二极管已被击穿或开路损坏。
2)将万用表置R×10kΩ挡,测试两个“~”极之间的正、反向电阻值,正常时阻值均应很大,否则说明全桥组件中有一只或多只二极管被击穿或漏电。
3)将万用表的量程开关拨至R×1k挡,红表笔接“-”极,黑表笔接“+”极,如果此时测出的正向电阻值略比单只二极管正向电阻值大,则说明被测全桥组件正常;若正向电阻值接近单只二极管的正向电阻值,则说明该全桥组件中有一只或两只二极管被击穿;若正向电阻值较大,且比两只二极管的正向电阻值大很多,则表明该全桥组件中的二极管有正向电阻变大或有开路的二极管。
3.用数字万用表检测整流全桥1)将万用表置于二极管挡,依顺序测量全桥组件的“~”、“-”、“+”脚之间的正、反向压降。
通常,对于一只性能完好的全桥组件,各二极管的正向压降均在0.52~ 0.54V范围内,而在测反向压降时万用表应显示溢出符号“1”。
2)将万用表置于二极管挡,测量全桥组件的两个“~”极之间和“+”极与“-”之间的电压。
若在测量两个“~”极之间的电压时,数字万用表显示溢出符号“1”,而测得“+”极与“-”极之间的电压在1V左右,则说明被测全桥组件的内部无短路现象。
电磁炉维修经验1.电磁炉无论有什么故障,在更换元件后,一定不要急于接上线盘试机,否则会引起烧坏IGBT和保险管,甚至整流桥。
应该在不接线盘的情况下,通电测试各点电压,比如5V、12V、20V(有的18V、22V),和驱动电路输出的波型(正常是方波),也可以用数字万用表20V档测试(正常电压不断波动)。
整流桥的接线方法
整流桥是一种常见的电子器件,其作用是将交流电转化为直流电。
在整流桥的接线中,有四个输入端子和两个输出端子。
具体的接线方法如下:
1. 将交流电源的两个输出端与整流桥的两个输入端子相连,可以视为将整流桥与交流电源并联连接。
2. 将整流桥的另外两个输入端子与负载电阻相连,用来消耗输出的电流。
3. 连接负载电阻的另一端与整流桥的一个输出端子相连,实际上就是将负载电阻与整流桥串联连接。
4. 将整流桥的另外一个输出端与地线相连,实现电路的接地。
通过以上的接线方法,整流桥就可以将交流电源的电流转换为直流电流,并通过连接的负载电阻进行消耗和利用。
整流桥的接线方法要注意确保正确连接,以避免电路短路等问题的发生。
二极管整流桥的接线方法
二极管整流桥的接线,这活儿得讲究,就像给手机充电一样,不能马虎。
咱们来聊聊怎么搞定它。
你得瞅瞅那整流桥,就像看老朋友一样,先看看它有没有磕碰。
摸摸它的表面,是不是光滑?颜色怎么样?这可是个细节活儿,别小看了这个检查步骤。
得找根细长的导线,这玩意儿叫连线,就像你和女朋友约会时用的口红一样,得挑个好点的。
线要直,别弯弯曲曲的,这样电流才能顺畅地走。
然后,把连线插进整流桥的两个接口,就像你给手机充了电之后,再插上耳机听歌一样,这时候可不能急。
要慢慢来,确保每一根线都插得稳稳当当。
接下来是最重要的一步——测试!就像你终于买到了心仪的衣服,穿上去试了一下,看看合不合适,行不行。
你得用万用表测测电流,确保一切都正常。
要是电流不稳或者有异常,那可就得赶紧调整了。
别忘了给整流桥加上保护措施,就像你出门前给手机加个壳儿一样,防止意外发生。
比如,可以用电阻或者保险丝来保护电路。
别忘了定期检查整流桥,就像你定期给手机做保养一样,这样才能确保它一直能正常工作。
要是发现问题,要及时处理,就像你发现手机卡住了一样,赶紧找人修一修。
二极管整流桥的接线虽然看起来简单,但也不能掉以轻心。
就像你谈恋爱一样,需要用心经营,才能让关系长久。
所以,一定要认真对待每一步,确保电路安全、稳定运行。
KBPC系列的正方形整流全桥各个引脚如何去接?
1.排列方向特殊的那个引脚是直流输出的正极,和他对角的是直流输出的负极。
其余两个引脚就是交流电压的输入端。
2.外形是圆形的或长方形的整流全桥: 整流桥堆里面有四个二极管。
四个引脚,长脚的是直流输出+ ,和其相对的是直流输出- ,剩余的两个是交流~ 输入端。
3.半桥:里面封装有2个二极管,得使用次级带中心抽头的双绕组变压器。
测量方法:
使用万能表来测量,就可以分别出极性。
先找出交流端,四个脚中,有两个正反向都不通电的,就是两个交流端了。
剩余两个端,一个方向能通电,反向不能通电,那通电的那种接法,电源正极(指针表是黑笔,数字表是红笔)接的是桥堆直流的负端。