压敏电阻器的型号命名及含义
- 格式:doc
- 大小:62.00 KB
- 文档页数:4
压敏电阻的型号及参数选用SJ1152-82部颁标准中压敏电阻器的型号命名分为四部分,各部分的含义见表1。
表1 压敏电阻器的型号命名及含义第一部分用字母“M” 表示主称为敏感电阻器。
第二部分用字母“Y” 表示敏感电阻器为压敏电阻器。
第三部分用字母表示压敏电阻器的用途的特征。
第四部分用数字表示序号,有的在序号的后面还标有标称电压、通流容量或电阻体直径、电压误差、标称电压等。
例如:MYL1-1(防雷用压敏电阻器)MY31-270/3(270V/3kA普通压敏电阻器)>M——敏感电阻器M——敏感电阻器Y——压敏电阻器Y——压敏电阻器L——防雷用31——序号1-1——序号270——标称电压为270V3——通流容量为3kA压敏电阻是一种以氧化锌为主要成份的金属氧化物半导体非线性电阻元件;电阻对电压较敏感,当电压达到一定数值时,电阻迅速导通。
由于压敏电阻具有良好的非线特性、通流量大、残压水平低、动作快和无续流等特点。
被广泛应用于电子设备防雷。
主要参数1、残压:压敏电阻在通过规定波形的大电流时其两端出现的最高峰值电压。
2、通流容量:按规定时间间隔与次数在压敏电阻上施加规定波形电流后,压敏电阻参考电压的变化率仍在规定范围内所能通过的最大电流幅值。
3、泄漏电流:在参考电压的作用下,压敏电阻中流过的电流。
4、额定工作电压:允许长期连续施加在压敏电阻两端的工频电压的有效值。
而压敏电阻在吸收暂态过电压能量后自身温度升高,在此电压下能正常冷却,不会发热损坏。
压敏电阻的不足:(1)寄生电容大压敏电阻具有较大的寄生电容,一般在几百至几千微微法的范围。
在高频信号系统中会引起高频信号传输畸变,从而引起系统正常运行。
(2)泄漏电流的存在压敏电阻的泄漏电流指标既关系到被保护电子系统的正常运行,又关系到压敏电阻自身的老化和使用寿命。
压敏电阻的损坏形式:(1)当压敏电阻在抑制暂态过电压时能量涠疃ㄈ萘渴保姑舻缱杌嵋蚬榷鸹担饕硐治搪贰⒖贰?br /> MYL表示防雷型压敏电阻MYE表示高负荷型压敏电阻,也有厂家用MYT表示通用型,MYL表示防雷型.选用方法(一般情况)1、压敏电压值应大于实际电路的电压峰值,一般为:U1mA =K1×/K2×K3× UCU1mA ---- 压敏电压UC ---- 电路直流工作电压(交流时为有效值)K1 ---- 电源电压波动系数,一般取1.2K2 ---- 压敏电压误差,一般取0.85K3 ---- 老化系数,一般取0.9交流状态下,应将有效值变为峰值,即扩大√2倍,实际应用中可参考此公式通过实验来确定压敏电压值。
压敏电阻的型号及选用方法SJ1152-82部颁标准中压敏电阻器的型号命名分为四部分,各部分的含义见表1。
表1 压敏电阻器的型号命名及含义第一部分用字母“M” 表示主称为敏感电阻器。
第二部分用字母“Y” 表示敏感电阻器为压敏电阻器。
第三部分用字母表示压敏电阻器的用途的特征。
第四部分用数字表示序号,有的在序号的后面还标有标称电压、通流容量或电阻体直径、电压误差、标称电压等。
例如:MYL1-1(防雷用压敏电阻器)MY31-270/3(270V/3kA普通压敏电阻器)M——敏感电阻器M——敏感电阻器Y——压敏电阻器Y——压敏电阻器L——防雷用31——序号1-1——序号270——标称电压为270V3——通流容量为3kA压敏电阻是一种以氧化锌为主要成份的金属氧化物半导体非线性电阻元件;电阻对电压较敏感,当电压达到一定数值时,电阻迅速导通。
由于压敏电阻具有良好的非线特性、通流量大、残压水平低、动作快和无续流等特点。
被广泛应用于电子设备防雷。
主要参数:1、残压:压敏电阻在通过规定波形的大电流时其两端出现的最高峰值电压。
2、通流容量:按规定时间间隔与次数在压敏电阻上施加规定波形电流后,压敏电阻参考电压的变化率仍在规定范围内所能通过的最大电流幅值。
3、泄漏电流:在参考电压的作用下,压敏电阻中流过的电流。
4、额定工作电压:允许长期连续施加在压敏电阻两端的工频电压的有效值。
而压敏电阻在吸收暂态过电压能量后自身温度升高,在此电压下能正常冷却,不会发热损坏。
压敏电阻的不足:(1)寄生电容大压敏电阻具有较大的寄生电容,一般在几百至几千微微法的范围。
在高频信号系统中会引起高频信号传输畸变,从而引起系统正常运行。
(2)泄漏电流的存在压敏电阻的泄漏电流指标既关系到被保护电子系统的正常运行,又关系到压敏电阻自身的老化和使用寿命。
压敏电阻的损坏形式:(1)当压敏电阻在抑制暂态过电压时能量超过其额定容量时,压敏电阻会因过热而损坏,主要表现为短路、开路。
电阻器的命名规则有哪些?(一)、固定电阻器的型号命名方法:国产电阻器的型号命名由三部分或四部分构成,名部分的主要含义见表1。
表 1 国产电阻器的型号命名及含义第一第二部分:部分第三部分:类型或额定功率电阻体资料第四部分:序:主称号字母含义字母含义数字或字含义数字额定功率母C 堆积膜或高 1 一般0.125 1/8W频瓷 2 一般或阻燃F 复合膜 3 或 C 超高频0.25 1/4WH 合成碳膜 4 高阻I 玻璃釉膜 5 高温0.5 1/2W J 金属膜7 或 J 精细N 无机实心8 高压R 电阻器S 有机实心旷神怡特别(如熔断型 1 1W 用个位数或无等)数字表示T 碳膜G 高功率2 2WU 硅碳膜L 丈量X 线绕T 可调3 3WX 小型Y 氧化膜C 防潮5 5WY 被釉O 玻璃膜B 不燃性10 10W第一部分为字头符号,用字母“R”表示电阻器为产品主称。
第二部分用字母表示电阻器的电阻体资料。
第三部分往常用数字或字母表示电阻器的类型,也有的电阻器用该部分的数字来表示额定功率。
第四部分用数字表示生产序号,以差别该电阻器的外形尺寸及性能指标。
比如:TJ75 (精细金属膜电阻器)RT10 (一般碳膜电阻器)R ——电阻器(第一部分)R ——电阻器J ——金属膜(第二部分)T——碳膜7 ——精细(第三部分) 1 ——一般型5 ——序号(第四部分)0 ——序号RX28 (阻燃型线绕电阻器)RJ 90-B 0.5 (0.5W 否则性金属膜熔断电阻器)R ——电阻器RJ ——金属膜电阻器X——线绕9 ——熔断型2 ——阻燃型0-B 0.5 ——不燃性、额定功率为 0.5W8 ——序号(二)压敏电阻器的型号命名方法SJ1152-82 部颁标准中压敏电阻器的型号命名分为四部分,各部分的含义见表 2 。
表 2 压敏电阻器的型号命名及含义第一部分:主称第二部分:类型第三部分:用途或特点字母含义字母含义字母含义无一般型D 通用B 赔偿用C 消磁用E 消噪用M敏感Y压敏G 过压保护用电阻器电阻器H 灭弧用K 高靠谱用L 防雷用M 防静电用N 高能型P 高频用第四部分:序号用数字表示序号,有的在序号的后边还标有标称电压通流容量或电阻体直径、标称电压、电压误差等。
压敏电阻上标⽰的各参数是什么意思?
压敏电阻上标⽰的各参数是什么意思?
压敏电阻是⼀种具有⾮线性伏安特性的电阻器件,主要⽤于在电路承受过压时进⾏电压钳位,吸收多余的电流以保护敏感器件。
英⽂名称叫“Voltage Dependent Resistor”简写为“VDR”, 或者叫做“Varistor"。
我们收到的压敏电阻产品上,⼀般会有印制产品尺⼨;产品电压;各种安规认证标识。
那么压敏电阻产品上各类标⽰参数代表什么意思呢?我们举例说明压敏电阻10D 471K
压敏电阻10D471K,在10后⾯加上D指代产品尺⼨外径,把K移在后是指代±10%的压敏电压范围。
压敏电阻10D 471K 是指产品直径10mm尺⼨,K是±10%的压敏电压范围,471就是压敏电压是470V。
以此推类压敏电阻14D 471K是指产品直径14mm尺⼨,K是±10%的压敏电压范围,471就是压敏电压是470V。
压敏电阻器与普通电阻器不同,它是根据半导体材料的⾮线性特性制成的。
压敏电阻器⼴泛地应⽤在家⽤电器及其它电⼦产品中,起过电压保护、防雷、抑制浪涌电流、吸收尖峰脉冲、限幅、⾼压灭弧、消噪、保护半导体元器件等作⽤。
压敏电阻型号及参数简介压敏电阻是一种特殊的电阻器件,其电阻值在外力作用下会发生明显变化。
压敏电阻广泛应用于电子设备中的过压保护电路和电压测量电路中。
本文将介绍一些常见的压敏电阻型号及其参数。
型号一: RMOZ-15•额定电压: 15V•最大电压: 18V•额定电流: 10mA•电阻范围: 10Ω - 100ΩRMOZ-15是一种常见的15V额定电压的压敏电阻。
它适用于电源过压保护和测量电路中。
在额定电流10mA下,其电阻范围为10Ω - 100Ω。
型号二: MPZJ20•额定电压: 20V•最大电压: 25V•额定电流: 5mA•电阻范围: 50Ω - 1000ΩMPZJ20是一种额定电压为20V的压敏电阻。
它广泛应用于电子设备中的过压保护电路。
在额定电流5mA下,其电阻范围为50Ω - 1000Ω。
型号三: VGRX-10•额定电压: 10V•最大电压: 12V•额定电流: 20mA•电阻范围: 10Ω - 500ΩVGRX-10是一种额定电压为10V的压敏电阻。
它常用于电子设备中的过压保护和电压测量电路中。
在额定电流20mA 下,其电阻范围为10Ω - 500Ω。
型号四: ZINC-5D•额定电压: 5V•最大电压: 6V•额定电流: 50mA•电阻范围: 100Ω - 10000ΩZINC-5D是一种额定电压为5V的压敏电阻。
它适用于电子设备中的过压保护和电压测量电路。
在额定电流50mA下,其电阻范围为100Ω - 10000Ω。
型号五: YH-14•额定电压: 14V•最大电压: 16V•额定电流: 30mA•电阻范围: 1Ω - 1000ΩYH-14是一种14V额定电压的压敏电阻。
它常用于电子设备中的过压保护和电压测量电路中。
在额定电流30mA下,其电阻范围为1Ω - 1000Ω。
结论以上介绍了一些常见的压敏电阻型号及其参数。
压敏电阻不仅在电源过压保护和电压测量电路中发挥重要作用,还在其他电子设备的故障保护电路中广泛应用。
压敏电阻型号及选用方法
一、压敏电阻的型号
目前常用的压敏电阻型号有普通型、膜结构型、薄膜结构型、贴片结
构型、聚合物结构型等几种。
1、普通型压敏电阻:该类压敏电阻主要由金属箔片和压敏材料两部
分组成,金属箔片用于增加表面积,以便于更好的传递电流;压敏材料就
是压敏材料,正常工作时,金属箔片经由压敏材料间的表面接触作用形成
电导路,随着压力的变化,其电阻值也随之而变化。
它具有表面电阻低,
价格低等优点,缺点是容易产生接触点腐蚀,电阻变化率低,对振动和温
度变化也敏感,受噪声影响较大等。
2、膜结构型压敏电阻:这类压敏电阻主要由压敏材料和金属包覆膜
组成,金属包覆膜是一种特殊形式的绝缘材料,其压力变化引起压敏材料
表面形变,从而产生电阻变化。
(聚氨酯膜、环氧树脂膜、氟塑料膜等)
该类压敏电阻具有高精度、低失效率、高温稳定性等特点,适用于低频及
高精度应用,在轻触性应用中也有一定用处。
3、薄膜结构型压敏电阻:这类压敏电阻主要由薄膜(主要是金属膜)和压敏材料组成,薄膜提供电阻,压敏材料发挥扭曲作用,使薄膜形变而
变化电阻值。
什么是“压敏电阻”“压敏电阻是中国大陆的名词,意思是"在一定电流电压范围内电阻值随电压而变",或者是说"电阻值对电压敏感"的阻器。
相应的英文名称叫“Voltage Dependent Resistor”简写为“VDR”。
压敏电阻器的电阻体材料是半导体,所以它是半导体电阻器的一个品种。
现在大量使用的"氧化锌"(ZnO)压敏电阻器,它的主体材料有二价元素(Zn)和六价元素氧(O)所构成。
所以从材料的角度来看,氧化锌压敏电阻器是一种“Ⅱ-Ⅵ族氧化物半导体”。
在中国台湾,压敏电阻器是按其用途来命名的,称为"突波吸收器"。
压敏电阻器按其用途有时也称为“电冲击(浪涌)抑制器(吸收器)”。
压敏电阻电路的“安全阀”作用压敏电阻有什么用?压敏电阻的最大特点是当加在它上面的电压低于它的阀值"UN"时,流过它的电流极小,相当于一只关死的阀门,当电压超过UN时,流过它的电流激增,相当于阀门打开。
利用这一功能,可以抑制电路中经常出现的异常过电压,保护电路免受过电压的损害。
应用类型不同的使用场合,应用压敏电阻的目的,作用在压敏电阻上的电压/电流应力并不相同,因而对压敏电阻的要求也不相同,注意区分这种差异,对于正确使用是十分重要的。
根据使用目的的不同,可将压敏电阻区分为两大类:①保护用压敏电阻,②电路功能用压敏电阻。
保护用压敏电阻(1)区分电源保护用,还是信号线,数据线保护用压敏电阻器,它们要满足不同的技术标准的要求。
(2)根据施加在压敏电阻上的连续工作电压的不同,可将跨电源线用压敏电阻器可区分为交流用或直流用两种类型,压敏电阻在这两种电压应力下的老化特性表现不同。
(3)根据压敏电阻承受的异常过电压特性的不同,可将压敏电阻区分为浪涌抑制型,高功率型和高能型这三种类型。
★浪涌抑制型:是指用于抑制雷电过电压和操作过电压等瞬态过电压的压敏电阻器,这种瞬态过电压的出现是随机的,非周期的,电流电压的峰值可能很大。
SJ1152-82部颁标准中压敏电阻器的型号命名分为四部分,各部分的含义见表1。
表1 压敏电阻器的型号命名及含义第一部分用字母“M” 表示主称为敏感电阻器。
第二部分用字母“Y” 表示敏感电阻器为压敏电阻器。
第三部分用字母表示压敏电阻器的用途的特征。
第四部分用数字表示序号,有的在序号的后面还标有标称电压、通流容量或电阻体直径、电压误差、标称电压等。
例如:压敏电阻是一种以氧化锌为主要成份的金属氧化物半导体非线性电阻元件;电阻对电压较敏感,当电压达到一定数值时,电阻迅速导通。
由于压敏电阻具有良好的非线特性、通流量大、残压水平低、动作快和无续流等特点。
被广泛应用于电子设备防雷。
主要参数:1、残压:压敏电阻在通过规定波形的大电流时其两端出现的最高峰值电压。
2、通流容量:按规定时间间隔与次数在压敏电阻上施加规定波形电流后,压敏电阻参考电压的变化率仍在规定范围内所能通过的最大电流幅值。
3、泄漏电流:在参考电压的作用下,压敏电阻中流过的电流。
4、额定工作电压:允许长期连续施加在压敏电阻两端的工频电压的有效值。
而压敏电阻在吸收暂态过电压能量后自身温度升高,在此电压下能正常冷却,不会发热损坏。
压敏电阻的不足:(1)寄生电容大压敏电阻具有较大的寄生电容,一般在几百至几千微微法的范围。
在高频信号系统中会引起高频信号传输畸变,从而引起系统正常运行。
</P< p>(2)泄漏电流的存在压敏电阻的泄漏电流指标既关系到被保护电子系统的正常运行,又关系到压敏电阻自身的老化和使用寿命。
压敏电阻的损坏形式:(1)当压敏电阻在抑制暂态过电压时能量超过其额定容量时,压敏电阻会因过热而损坏,主要表现为短路、开路。
MYL表示防雷型压敏电阻MYE表示高负荷型压敏电阻,也有厂家用MYT表示通用型,MYL表示防雷型.选用方法(一般情况):1、压敏电压值应大于实际电路的电压峰值,一般为:U1mA =K1×/K2×K3× UCU1mA ---- 压敏电压UC ---- 电路直流工作电压(交流时为有效值)K1 ---- 电源电压波动系数,一般取1.2K2 ---- 压敏电压误差,一般取0.85K3 ---- 老化系数,一般取0.9交流状态下,应将有效值变为峰值,即扩大√2倍,实际应用中可参考此公式通过实验来确定压敏电压值。
电阻器的命名规则大全(一)固定电阻器的型号命名方法:国产电阻器的型号命名由三部分或四部分组成,名部分的主要含义见表1。
表 1 国产电阻器的型号命名及含义第一部分:主称第二部分:电阻体材料第三部分:类别或额定功率第四部分:序号字母含义字母含义数字或字母含义数字额定功率R 电阻器 C 沉积膜或高频瓷1 普通 0.1251/8W用个位数或无数字表示2普通或阻燃 F 复合膜 3 或 C 超高频 0.251/4WH 合成碳膜 4 高阻 I 玻璃釉膜 5 高温 0.5 1/2WJ 金属膜 7或J 精密 N无机实心 8 高压 1 1W S 有机实心旷神怡特殊(如熔断型等) T 碳膜 G 高功率 2 2WU 硅碳膜 L 测量 X 线绕 T 可调 3 3WY氧化膜X 小型 C 防潮 5 5W O 玻璃膜Y 被釉 B不燃性10 10W第一部分为字头符号,用字母“R ”表示电阻器为产品主称。
第二部分用字母表示电阻器的电阻体材料。
第三部分通常用数字或字母表示电阻器的类别,也有的电阻器用该部分的数字来表示额定功率。
第四部分用数字表示生产序号,以区别该电阻器的外形尺寸及性能指标。
例如:TJ75(精密金属膜电阻器) RT10(普通碳膜电阻器) R ——电阻器(第一部分) R ——电阻器 J ——金属膜(第二部分) T ——碳膜 7——精密(第三部分)1——普通型 5——序号(第四部分)0——序号RX28(阻燃型线绕电阻器) RJ 90-B 0.5 (0.5W 不然性金属膜熔断电阻器)R ——电阻器 RJ——金属膜电阻器X ——线绕 9——熔断型 2——阻燃型 0-B 0.5——不燃性、额定功率为0.5W8——序号(二)压敏电阻器的型号命名方法SJ1152-82部颁标准中压敏电阻器的型号命名分为四部分,各部分的含义见表2。
表 2 压敏电阻器的型号命名及含义第一部分:主称第二部分:类别第三部分:用途或特征第四部分:序号字母含义字母含义字母含义 M敏感电阻器Y压敏电阻器无普通型用数字表示序号,有的在序号的后面还标有标称电压通流容量或电阻体直径、标称电压、电压误差等。
电阻器的命名规则有哪些?(一)、固定电阻器的型号命名方法:国产电阻器的型号命名由三部分或四部分组成,名部分的主要含义见表1。
表 1 国产电阻器的型号命名及含义第一部分为字头符号,用字母“R”表示电阻器为产品主称。
第二部分用字母表示电阻器的电阻体材料。
第三部分通常用数字或字母表示电阻器的类别,也有的电阻器用该部分的数字来表示额定功率。
第四部分用数字表示生产序号,以区别该电阻器的外形尺寸及性能指标。
例如:TJ75(精密金属膜电阻器)RT10(普通碳膜电阻器)R——电阻器(第一部分)R——电阻器J——金属膜(第二部分)T——碳膜7——精密(第三部分)1——普通型5——序号(第四部分)0——序号RX28(阻燃型线绕电阻器)RJ 90-B 0.5 (0.5W不然性金属膜熔断电阻器)R——电阻器RJ——金属膜电阻器X——线绕9——熔断型2——阻燃型0-B 0.5——不燃性、额定功率为0.5W8——序号(二)压敏电阻器的型号命名方法SJ1152-82部颁标准中压敏电阻器的型号命名分为四部分,各部分的含义见表2。
表 2 压敏电阻器的型号命名及含义第一部分用字母“M”表示主称为敏感电阻器。
第二部分用字母“Y”表示敏感电阻器为压敏电阻器。
第三部分用字母表示压敏电阻器的用途的特征。
第四部分用数字表示序号,有的在序号的后面还标有标称电压、通流容量或电阻体直径、电压误差、标称电压等。
例如:MYL1-1(防雷用压敏电阻器)MY31-270/3(270V/3kA普通压敏电阻器)M——敏感电阻器M——敏感电阻器Y——压敏电阻器Y——压敏电阻器L——防雷用31——序号1-1——序号270——标称电压为270V3——通流容量为3kA(三)热敏电阻器的型号命名方法:新标准(SJ1155-82部颁标准)中热敏电阻器的型号命名分为四部分,各部分的含义见表3。
第一部分为字母符号,用字母“M”表示主称为敏感电阻器。
第二部分用字母表示敏感电阻器的类别,“Z”表示正温度系数热敏电阻器,“F”表示负温度系数热敏电阻器。
压敏电阻符号作者:宇顺电子|来源:公司生产过的所有压敏电阻规格型号| 浏览次数:23压敏电阻是用于防雷,防浪涌等产品中的,它的符号标志有例如:ZOV 5D151K 型号定义为:ZOV是压敏电阻的品牌,5是压敏电阻的直径φ5mm ,D字母直径,271是压敏电压,270V,K表示精度为10%。
但是不用作用的压敏电阻用不同字母符号表示,以下我们会讲到压敏电阻符号的字母意义。
压敏电阻的型号命名及含义。
一部分:主称第二部分:类别第三部分:用途或特征第四部分:序号字母含义字母M敏感电阻Y压敏电阻普通型用数字表示序号,有的在序号的后面还标有标称电压通流容量或电阻体直径、标称电压、电压误差等,以下是各类压敏电阻符号表示的意义。
D通用B补偿用C消磁用E消噪用G过压保护用H灭弧用K高可靠用L防雷用M防静电用N高能型P高频用S元器件保护用T特殊型W稳压用Y环型Z组合型如在电路图中看到或者在采购单中看到以上字母符号就第一部分用字母“M”表示主称为敏感电阻。
第二部分用字母“Y”表示敏感电阻器为压敏电阻。
第三部分用字母表示压敏电阻的用途的特征。
第四部分用数字表示序号,有的在序号的后面还标有标称电压、通流容量或电阻体直径、电压误差、标称电压等。
例如:MYL1-1(防雷用压敏电阻器)MY31-470/3(470V/3kA普通压敏电阻器)Y—压敏电电阻L—防雷用压敏电阻是一种限压型保护器件。
利用压敏电阻的非线性特性,当过电压出现在压敏电阻的两极间,压敏电阻可以将电压钳位到一个相对固定的电压值,从而实现对后级电路的保护。
压敏电阻的主要参数有:压敏电压、通流容量、结电容、响应时间等。
国内外压敏电阻型号及参数国内外压敏电阻型号及参数压敏电阻220V电压的电路国内型号:MYG14K471(对应的国外型号:US 470NR-14D)MYG05K471(对应的国外型号:US 470NR-5D)22V左右的电路国内型号:MYG14K470(对应的国外型号:US 470NR-14D)MYG05K470(对应的国外型号:US 470NR-5D)。
压敏电阻型号及参数压敏电阻百科名片压敏电阻“压敏电阻"是中国大陆的名词,意思是在一定电流电压范围内电阻值随电压而变,或者是说"电阻值对电压敏感"的阻器。
英文名称叫“Voltage Dependent Resistor”简写为“VDR”, 或者叫做“Varistor"。
压敏电阻器的电阻体材料是半导体,所以它是半导体电阻器的一个品种。
现在大量使用的"氧化锌"(ZnO)压敏电阻器,它的主体材料有二价元素(Zn)和六价元素氧(O)所构成。
所以从材料的角度来看,氧化锌压敏电阻器是一种“Ⅱ-Ⅵ族氧化物半导体”。
在中国台湾,压敏电阻器称为"突波吸收器",有时也称为“电冲击(浪涌)抑制器(吸收器)”。
目录[隐藏]1、压敏电阻电路的“安全阀”作用2、压敏电阻的应用类型3、保护用压敏电阻的基本性能4. 压敏电阻的基本参数1、压敏电阻电路的“安全阀”作用2、压敏电阻的应用类型3、保护用压敏电阻的基本性能4. 压敏电阻的基本参数[编辑本段]1、压敏电阻电路的“安全阀”作用压敏电阻有什么用?压敏电阻的最大特点是当加在它上面的电压低于它的阀值" UN"时,流过它的电流极小,相当于一只关死的阀门,当电压超过UN时,流过它的电流激增,相当于阀门打开。
利用这一功能,可以抑制电路中经常出现的异常过电压,保护电路免受过电压的损害。
[编辑本段]2、压敏电阻的应用类型不同的使用场合,应用压敏电阻的目的,作用在压敏电阻上的电压/电流应力并不相同,因而对压敏电阻的要求也不相同,注意区分这种差异,对于正确使用是十分重要的。
压敏电阻压敏电阻“压敏电阻"是中国大陆的名词,意思是在一定电流电压范围内电阻值随电压而变,或者是说"电阻值对电压敏感"的阻器。
英文名称叫“Voltage Dependent Resistor”简写为“VDR”, 或者叫做“Varistor"。
压敏电阻器的电阻体材料是半导体,所以它是半导体电阻器的一个品种。
现在大量使用的"氧化锌"(ZnO)压敏电阻器,它的主体材料有二价元素(Zn)和六价元素氧(O)所构成。
所以从材料的角度来看,氧化锌压敏电阻器是一种“Ⅱ-Ⅵ族氧化物半导体”。
在中国台湾,压敏电阻器称为"突波吸收器",有时也称为“电冲击(浪涌)抑制器(吸收器)”。
1、压敏电阻电路的“安全阀”作用压敏电阻有什么用?压敏电阻的最大特点是当加在它上面的电压低于它的阀值"UN"时,流过它的电流极小,相当于一只关死的阀门,当电压超过UN时,流过它的电流激增,相当于阀门打开。
利用这一功能,可以抑制电路中经常出现的异常过电压,保护电路免受过电压的损害。
2、压敏电阻的应用类型不同的使用场合,应用压敏电阻的目的,作用在压敏电阻上的电压/电流应力并不相同,因而对压敏电阻的要求也不相同,注意区分这种差异,对于正确使用是十分重要的。
根据使用目的的不同,可将压敏电阻区分为两大类:①保护用压敏电阻,②电路功能用压敏电阻。
保护用压敏电阻(1)区分电源保护用,还是信号线,数据线保护用压敏电阻器,它们要满足不同的技术标准的要求。
(2)根据施加在压敏电阻上的连续工作电压的不同,可将跨电源线用压敏电阻器区分为交流用或直流用两种类型,压敏电阻在这两种电压应力下的老化特性表现不同。
(3)根据压敏电阻承受的异常过电压特性的不同,可将压敏电阻区分为浪涌抑制型,高功率型和高能型这三种类型。
★浪涌抑制型:是指用于抑制雷电过电压和操作过电压等瞬态过电压的压敏电阻器,这种瞬态过电压的出现是随机的,非周期的,电流电压的峰值可能很大。
电子保护器件贴片压敏电阻型号大全电子保护器件贴片压敏电阻型号大全硕凯电子(Sylvia)1、贴片压敏电阻产品简述压敏电阻是一种用得最多的限压器件。
压敏电阻有碳化硅压敏电阻和氧化锌压敏电阻。
常用的是氧化锌(ZnO)压敏电阻,它主要是以氧化锌为原料,添加多种微量金属氧化物,经混合成型,烧结装配而成的一种过压保护器件,它的外面包封环氧树脂(可添加颜料)。
压敏电阻分为贴片压敏电阻和插件压敏电阻,现在我们介绍的主要是用于防静电的贴片压敏电阻。
2、贴片压敏电阻型号大全(1)名称:0402封装封装:0402产品系列:0402封装规格:SC0402ML080M、SC0402ML120M、SC0402ML180K、SC0402ML240K、SC0402ML330K、SC0402ML390K(2)名称:0603封装封装:0603产品系列:0603封装规格:SC0603ML080M、SC0603ML120M、SC0603ML180K、SC0603ML240K、SC0603ML330K、SC0603ML390K(3)名称:0402低容系列封装:0402产品系列:0402低容系列规格:SC0402E005M18、SC0402E010M18、SC0402E030M18、SC0402E050M05、SC0402E050M09、SC0402E100M05、SC0402E220M05(4)名称:0603低容系列封装:0603产品系列:0603低容系列规格:SC0603E005M18、SC0603E010M18、SC0603E030M18、SC0603E050M05、SC0603E050M09、SC0603E100M05、SC0603E220M05(5)名称:ESD0402,ESD0603超低容0.2PF封装:0603产品系列:ESD0402,ESD0603超低容0.2PF系列规格:ESD0402E002M05、ESD0603E002M05(6)名称:SC0805排阻低容系列封装:0805产品系列:SC0805排阻低容系列规格:SC0805E100M05、SC0805E330M05、SC0805E500M05、SC0805E150K18(7)名称:0805封装封装:0805产品系列:0805封装规格:SC0805ML080M、SC0805ML120M、SC0805ML180K、SC0805ML240K、SC0805ML330K、SC0805ML390K(8)名称:1206封装封装:1206产品系列:1206封装规格:SC1206ML080M、SC1206ML120M、SC1206ML180K、SC1206ML240K、SC1206ML330K、SC1206ML390K、SC 1206ML470K、SC1206ML560K(9)名称:1210封装封装:1210产品系列:1210封装规格:SC1210ML180K、SC1210ML240K、SC1210ML330K、SC1210ML390K、SC1210ML470K、SC1210ML560K、SC 1210ML680K(10)名称:1812封装封装:1812产品系列:1812封装规格:SC1812ML180K、SC1812ML240K、SC1812ML330K、SC1812ML390K、SC1812ML470K、SC1812ML560K、SC 1812ML680K(11)名称:2220封装封装:2220产品系列:2220封装规格:SC2220ML180K、SC2220ML240K、SC2220ML330K、SC2220ML390K、SC2220ML470K、SC2220ML560K、SC2220ML680K3、小结有关硕凯贴片压敏电阻的各种型号主要是以上这些系列,后期有新产品另作更新!谢谢您的查阅!。
压敏电阻缩写压敏电阻是一种能够在电路中起到防止过压、过流的重要作用的器件。
它的英文全称是Varistor,中文名称则是“压敏电阻器”,其中“压敏”指的是压电效应和电阻效应相结合的特点。
下面将对压敏电阻的缩写进行详细介绍。
1.VARVAR是Varistor的缩写,通常用于压敏电阻的规格型号中。
例如,常用的大功率压敏电阻型号之一是V250LA20A,其中V代表Varistor,250代表该压敏电阻的额定电压为250V,LA代表可控硅(Thyristor)的表示符号,20代表该压敏电阻的额定能量为20J,A代表压敏电阻的封装形式为轮廓型。
2.MOVMOV全称为Metal Oxide Varistor,中文名称为金属氧化物压敏电阻器。
它是一种采用金属氧化物材料制成的压敏电阻器,能够以非线性特性防止过压的破坏。
MOV主要用于电压调节和过电压保护等场合。
具体来说,它将电路中的电源电压分压降低,使负载获得合适的电压,同时如果电源电压过高时,则会立即对高压进行瞬间放电,以保护电路的正常运行。
3.TVRTVR的全称为Transient Voltage Suppressor,中文名称为瞬变电压抑制器。
它是一种采用二极管结构的压敏电阻器,能够在出现瞬间电压过高时迅速击穿,保护设备免受电压过载的损伤。
TVR通常用于降低电磁干扰和电路电压调节等场合。
比如,在计算机、通讯设备等高敏感度的电子产品中,采用TVR可以起到很好的过电压保护作用。
4.VDRVDR的全称为Voltage Dependent Resistor,中文名称为电压依赖型电阻器。
它是一种特殊的压敏电阻器,能够在电路中自动变化阻值,以实现电路的电压调节和过电压保护等功能。
VDR的原理是利用材料的电场依赖性,使阻值随电源电压的变化而变化。
因此,VDR具有快速响应、高灵敏度、低功耗等优点。
5.PTCPTC的全称为Positive Temperature Coefficient,中文名称为正温度系数电阻器。
压敏电阻命名规则压敏电阻(Varistor)是一种非线性电阻器件,其电阻值随电压的变化而变化。
它主要用于电子电路中的过压保护和电压调节等应用,具有快速响应、高能量吸收和大功率放散等特点。
压敏电阻由于其独特的工作原理和广泛的应用领域,因此在命名规则方面也有一定的规定和约定。
压敏电阻的命名通常采用"MOV"作为标识,即Metal Oxide Varistor的缩写。
这是因为压敏电阻的主要材料是金属氧化物,如锌氧化物(ZnO)等。
采用这种命名方式可以方便区分其他类型的电阻器件。
在压敏电阻的命名中,通常会包含一些关键参数,如电压等级、直径和封装形式等。
例如,一个压敏电阻的型号为MOV-10D431K,其中"10D"表示电压等级为10V,"431"表示直径为4.3mm,"K"表示封装形式为K形。
在压敏电阻的命名中,还会根据其具体应用场景来进行命名。
例如,有些压敏电阻被用于电源线过压保护,其型号中会包含"P"字母,如MOV-20P471K,其中"P"表示电源线过压保护。
在压敏电阻的命名中,还会根据其参数值进行命名。
例如,有些压敏电阻的电压等级超过了1000V,这时可以使用三位数来表示,如MOV-101,表示电压等级为100V。
除了上述规则外,压敏电阻的命名还会根据不同厂家的不同习惯而有所差异。
有些厂家会在型号中加入自己的代号,以便于识别和区分,如MOV-10D431K(ABC),其中"ABC"表示该压敏电阻是由ABC厂家生产的。
需要注意的是,压敏电阻的命名规则并没有统一的标准,不同厂家可能会有不同的命名方式。
因此,在选择和使用压敏电阻时,应该仔细查阅相关的规格书和数据手册,并根据具体的应用需求来选择合适的型号和参数。
总结起来,压敏电阻的命名规则主要包括标识、关键参数、应用场景和参数值等方面。
国内外压敏电阻型号及参数压敏电阻(Varistor)是一种能够根据电压变化来改变电阻值的电子元器件。
它是由非线性材料制成,常用于电子电路中的保护装置,可以帮助抵御过电压和过电流引起的损坏。
国内外的压敏电阻型号及参数有很多,下面将介绍一些常见的压敏电阻型号及其参数。
1.国内型号(1)元器件压敏二极管(大昌电子压敏电阻)──型号:A320K公称直径:14mm公称厚度:8mm最大额定电压:95V公称电阻值:320Ω最大脉冲能量:3500J直流1mA电压值:53V公称容量:500pF(2) 拜尔(Vishay)──型号:MOV-20DxxxK / 34DxxxK / 40DxxxK最大额定电压范围:20V~1150V公称径直尺寸:20mm / 34mm / 40mm最大脉冲能量:J(范围取决于型号)(3) 貌格(Littelfuse)──型号:V145HE2 / V390HE2 / V320LA4P 最大额定电压范围:130V~680V公称直径尺寸:14mm / 20mm最大脉冲电流:8/20μs,4000A/10/1000μs,200A2.国外型号(1) Honeywell──型号:MOV / MOV-14DxxxK最大额定电压范围:11V~1100V公称直径尺寸:14mm最大脉冲能量:J(范围取决于型号)(2) KEMET──型号:RD Series / VS Series最大额定电压范围:14V~860V公称直径尺寸:10mm / 14mm / 20mm最大脉冲能量:J(范围取决于型号)(3) Bourns──型号:MOV / MOV-20DxxxK / MOV-14DxxxK最大额定电压范围:11V~1100V公称直径尺寸:14mm / 20mm最大脉冲能量:J(范围取决于型号)以上只是一部分常见的压敏电阻型号及参数,电子市场上还有很多其他压敏电阻的型号和参数。
在选择压敏电阻时,需要根据具体的电路需求、工作环境和保护要求来确定最合适的型号和参数。
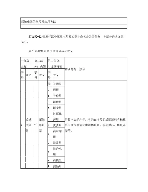
压敏电阻器的型号命名及含义
一部分:主称
第二部分:类别
第三部分:用途或特征
第四部分:序号
字母
含义
字母
含义
字母
含义
M
敏感
电阻器
Y
压敏
电阻器
无
普通型
用数字表示序号,有的在序号的后面还标有标称电压通流容量或电阻体直径、标称电压、电压误差等。
D
通用
B
补偿用
C
消磁用
E
消噪用
G
过压保护用
H
灭弧用
K
高可靠用
L
防雷用
M
防静电用
N
高能型
P
高频用
S
元器件保护用
T
特殊型
W
稳压用
Y
环型
Z
组合型
第一部分用字母“M” 表示主称为敏感电阻器。
第二部分用字母“Y” 表示敏感电阻器为压敏电阻器。
第三部分用字母表示压敏电阻器的用途的特征。
第四部分用数字表示序号,有的在序号的后面还标有标称电压、通流容量或电阻体直径、电压误差、标称电压等。
例如:
MYL1-1(防雷用压敏电阻器)
MY31-270/3(270V/3kA普通压敏电阻器)
M——敏感电阻器
M——敏感电阻器
Y——压敏电阻器
Y——压敏电阻器
L——防雷用
31——序号
1-1——序号
270——标称电压为270V
3——通流容量为3kA
压敏电阻是一种以氧化锌为主要成份的金属氧化物半导体非线性电阻元件;电阻对电压较敏感,当电压达到一定数值时,电阻迅速导通。
由于压敏电阻具有良好的非线特性、通流量大、残压水平低、动作快和无续流等特点。
被广泛应用于电子设备防雷。
主要参数:
1、残压:压敏电阻在通过规定波形的大电流时其两端出现的最高峰值电压。
2、通流容量:按规定时间间隔与次数在压敏电阻上施加规定波形电流后,压敏电阻参考电压的变化率仍在规定范围内所能通过的最大电流幅值。
3、泄漏电流:在参考电压的作用下,压敏电阻中流过的电流。
4、额定工作电压:允许长期连续施加在压敏电阻两端的工频电压的有效值。
而压敏电阻在吸收暂态过电压能量后自身温度升高,在此电压下能正常冷却,不会发热损坏。
压敏电阻的不足:(1)寄生电容大压敏电阻具有较大的寄生电容,一般在几百至几千微微法的范围。
在高频信号系统中会引起高频信号传输畸变,从而引起系统正常运行。
</P< p> (2)泄漏电流的存在压敏电阻的泄漏电流指标既关系到被保护电子系统的正常运行,又关系到压敏电阻自身的老化和使用寿命。
压敏电阻的损坏形式:(1)当压敏电阻在抑制暂态过电压时能量超过其额定容量时,压敏电阻会因过热而损坏,主要表现为短路、开路。
MYL表示防雷型压敏电阻
MYE表示高负荷型压敏电阻,也有厂家用MYT表示通用型,MYL表示防雷型.
选用方法(一般情况):
1、压敏电压值应大于实际电路的电压峰值,一般为:
U1mA =K1×/K2×K3× UC
U1mA ---- 压敏电压
UC ---- 电路直流工作电压(交流时为有效值)
K1 ---- 电源电压波动系数,一般取1.2
K2 ---- 压敏电压误差,一般取0.85
K3 ---- 老化系数,一般取0.9
交流状态下,应将有效值变为峰值,即扩大√2倍,实际应用中可参考此公式通过实验来确定压敏电压值。
</P< p>
2、通流量
实际应用中,压敏电阻器所吸收的浪涌电流应小于压敏电阻的最大峰值电流,以延长产品的使用寿命。
压敏电阻的检测。
用指针式万用表的R×1k挡测量压敏电阻两引脚之间的正、反向绝缘电阻,均为无穷大,否则,说明漏电流大。
若所测电阻很小,说明压敏电阻已损坏,不能使用。
编辑本段螺丝型号中的英文说明
P是指头型是PAN头;A是指尖尾牙,B是指平尾牙,即PA圆头尖嘴钢牙,PB圆
头平嘴钢牙。
自攻类: ◆圆头自攻螺丝PA ◆圆头平尾自攻螺丝PB ◆
圆头割尾自攻螺丝PT ◆圆头带介自攻螺丝PWA ◆圆头带介平尾自攻PWB ◆圆头带介割尾自攻PWT ◆沉头自攻螺丝KA ◆沉头平尾自攻螺丝KB ◆
沉头割尾自攻螺丝KT ◆半沉头自攻螺丝OA ◆大头自攻螺丝BA ◆大头
平尾自攻螺丝BB ◆大扁头自攻螺丝TA ◆大扁头平尾自攻螺丝TB ◆大
扁头割尾自攻螺丝TT ◆薄头自攻螺丝CA ◆薄头平尾自攻螺丝CB ◆杯
头内六角自攻HA ◆干壁钉/墙板钉/纤维钉机丝类::: ◆圆头机牙螺丝PM ◆圆头带介机牙螺丝PWM ◆大扁头机牙螺丝TM ◆沉头机牙螺丝KM ◆半沉头机牙螺丝OM ◆大头机牙螺丝BM ◆薄头机牙螺丝CM ◆杯头机
牙螺栓HM。