500kV变电站继电保护讲义
- 格式:ppt
- 大小:3.69 MB
- 文档页数:151
实用文档500kV变电站电气二次部分介绍及保护配置葛磊电力系统继电保护的基本知识一、电力系统继电保护的作用:1、电力系统的故障类型:电力系统故障可分为:单相接地故障 D(1)、两相接地故障 D(1.1)、两相短路故障 D(2)、三相短路故障 D(3)、线路断线故障2、电力系统故障产生的原因:外部原因:雷击,大风,地震造成的倒杆,线路覆冰造成冰闪,线路污秽造成污闪;内部原因:设备绝缘损坏,老化;系统中运行,检修人员误操作。
3、电力系统的不正常工作状态:电力系统不正常工作状态:电力系统中电气设备的正常工作遭到破坏,但未发展成故障。
如:电力设备过负荷,如:发电机,变压器线路过负荷;电力系统过电压;电力系统振荡;电力系统低频,低压。
二、继电保护的基本任务:继电保护装置的基本任务是当电力系统中的电力元件发生故障时,向运行值班人员及时发出警告信号,或者向所控制的断路器发出跳闸命令,以终止这些事件发展。
三、电力系统对继电保护的基本要求:(四性)1、选择性:电力系统故障时,使停电范围最小的切除故障的方式。
2、快速性:电力系统故障对设备人身,系统稳定的影响与故障的持续时间密切相关,故障持续时间越长,设备损坏越严重;对系统影响也越大。
因此,要求继电保护快速的切除故障。
3、灵敏性:继电保护装置在它的保护范围内(一般指末端)发生故障和不正常工作状态的反应能力。
4、可靠性:①保护范围内发生故障时,保护装置可靠动作切除故障,不拒动。
②保护范围外发生故障和正常运行时,保护可靠闭锁,不误动。
四、继电保护的几个名词解释:1、双重化配置:为了满足可靠性及运行维护的需要,500KV线路保护应按两套“独立”能瞬时切除线路全线各类故障的主保护来配置。
其中“独立”的含义:各套保护的直流电源取自不同的蓄电池;各套保护用的电流互感器、电压互感器的二次侧各自独立;各套保护分别经断路器的两个独立的跳闸圈出口;套保护拥有独立的保护通道(或复用通道);各套保护拥有独立的选相元件;2、主保护:满足系统稳定和设备安全的要求,能以最快的速度有选择性的切除电力设备及输电线路故障的保护。
浅谈500kV变电站变压器的继电保护问题摘要:500kV变压器的工作电压高,容量大,在电网中占有十分重要的地位,一旦变压器出现问题或者继电保护出现故障则会引起主变停电,从而造成重要的经济损失。
因此,在变压器出现故障是要尽快进行故障查找,并进行故障排除。
基于此,本文就500kV变电站变压器的继电保护问题进行分析。
关键词:故障类型;继电保护;变压器;500kV继电保护动作从字意上理解可以认为是继电保护的操作流程,是动作后继电器接点状态及发生变化的规律,接点变化将原先不导通的开关跳闸回路进行导通,形成了开关跳闸现象和模式。
在继电保护工作中,主要是通过四项基本要求进行工作的,即灵活性、速动性、连环性、灵敏性。
一、常见的500kV变压器故障类型500kV变电站的主变压器在运行过程中,容易受到多方面因素的影响,出现一系列问题。
较常出现的故障类型如下:1)在设备长时间处于超负荷运转的状态下,极易导致设备受到不同程度的损害,进而直接对设备的运行效率及运行质量构成不良影响。
针对这一情况,便应从设备监测的方向着手,如采取过负荷保护装置进行安装,在设备出现超负荷运转现象的情况下可充分发挥监测功能,如负荷到达所设定的保护上限时,设备可自行发出相应的警报信号,以提示工作人员对设备负荷做出调整。
2)对于大型变压器而言,出现过励磁现象的可能性相对较高。
针对这一现象,可通过安装过电压保护装置、过励磁保护装置的方式进行处理,另外还可自行进行还上限设置,以使过励磁现象出现时可自动引起自动跳闸装置。
3)针对油箱压力过大、变压器油温过高、绕组温度过高、冷却系统故障等方面的故障问题,进行处理的过程中应当严格以变压器相关标准规范为依据,实施相应的保护装置安装,使该装置能够在出现上述故障的情况下发出相应信号,或直接进行自动跳闸。
另一方面,为使故障造成的损失可得到最大化降低,首先,可采用复合电压起动的过电流对内部短路、相应母线及出现部分进行负责,并将其作为后备;其次,还可采用总联差动保护对变压器绕组、绕组匝间短路予以保护。
一、距离保护的基本工作原理距离保护是通过测量被保护线路始端电压和线路电流的比值而动作的一种保护,这个比值被称为测量阻抗。
用来完成这一测量任务的元件称为阻抗继电器。
在线路正常运行时的测量阻抗称为负荷阻抗,其值较大;当系统发生短路时,测量阻抗等于保护安装处到短路点之间的线路阻抗,其值较小,而且故障点越靠近保护安装处,其值越小。
当测量阻抗小于预先规定的整定阻抗时,保护动作。
因为在短路时的测量阻抗反映了短路点到保护安装点之间距离的长度,所以称这种原理的保护为距离保护,有时也称之为阻抗保护。
阻抗继电器是距离保护的核心元件,其主要作用是测量短路点到保护安装点之间的阻抗,并与整定阻抗值进行比较,以确定保护装置是否应该动作。
二、变压器纵差动保护的基本原理变压器纵差动保护通常采用环流法接线,图(1)示出了双绕组变压器纵差动保护的单相原理接线图。
是将被保护元件两侧(高、低压)的电流互感器二次侧,靠近被保护元件的两端连在一起。
然后,将差动保护继电器并联到两电流互感器上。
变压器纵差动保护在原理上是比较简单的,但在实现时应考虑变压器高、低压两侧电流的大小和相位不同。
首先考虑对两侧电流进行相位补偿,然后进行数值补偿,才能保证正常运行和外部短路时流入继电器的电流在理想状态时等于零。
此外,还应考虑变压器励磁涌流的影响和其他一些使不平衡电流增大的原因。
三、断路器失灵保护的基本工作原理断路器失灵保护又称后备接线。
在同一发电厂或变电所内,当断路器拒绝动作时,它能以较短时限切除与拒动断路器连接在同一母线上所有电源之路的断路器,将断路器拒动的影响限制到最小。
断路器失灵保护保护由启动元件、时间元件、闭锁元件和跳闸出口元件等部分组成。
起动元件由该组母线上所有连接元件的保护出口继电器和故障判别元件构成。
只有在故障元件的保护装置出口继电器动作后不返回(表示继电保护动作,断路器为跳开),同时在保护范围内仍然存在故障且故障判别元件处于动作状态时,起动元件才动作。
探讨500kV变电站变压器运行及继电保护措施摘要:社会进程不断加快,电网在社会与人们的工作生活中占据着重要地位,其作用在于不仅能够有效提升人们的物质生活质量,并且能够为经济活动提供良好的保障。
在实际的基础性电力系统运行过程中,变压器扮演中关键性角色,一旦在电力系统运行过程中出现任何问题或者故障,则将严重损害电力系统的运行。
故此,电力工作人员应高度重视变电器管理的重要性,并且采用科学的继电保护措施,确保电力工程的正常运行。
在对变电站进行保护的过程中,既要确保精准的供电技能,又要优化细节工作。
本文针对500kV变电站为案例进行深入探讨,以期能够确保变电站的安全高效运行。
关键词:500kV变电站;变压器运行;继电保护;措施研究不同的时代电力事业呈现不一样的特征,社会经济发展新形势使供电单位面临着新的挑战与压力。
基于此种背景下,500kV变电站在电力系统的运行中发挥巨大的作用。
随着变电站数量的持续增加,变压器作为变电站的关键性运行设备,直接影响着变电站运行的安全性与稳定性。
故此,电力人员应全面了解变压器运行的基本原理,运用合理的继电保护措施,优化500kV变电站运行模式。
在保证500kV变电站基本功能的正常运行下,提升其运行效率,以便于充分满足当前的社会需求。
1 概述500kV变压器出现故障的几种类型在当前的电力系统中,500kV变电站的主变压器在实际的运行中,极易受到外界因素影响而发生各种故障与问题。
电力工作人员应对这些问题提高警惕,并深入探究与解决这些问题,进而保证电力系统的正常运行。
为了能够在一定程度上减小变压器因出现故障导致的各种损失,应合理分析与探究变压器频繁出现的各种故障,并且及时找到准确的解决故障的方法,以提升变压器设备运行的整体效率。
故此,笔者通过对500kV变电站主变压器中较易出现的故障进行科学分类,总结出以下三点:①变电设备由于长期超负荷工作运行,导致严重损害或者伤害变电设备,对变电设备的工作效率与工作质量产生严重的影响;②针对一些较大型号的变压器来说,由于受到外界因素的影响,容易出现励磁现象,进而导致电力设备受到严重磨损;③变电设备极易出现变压器温度升高以及油箱压力大等问题,阻碍变电设备的正常运行。
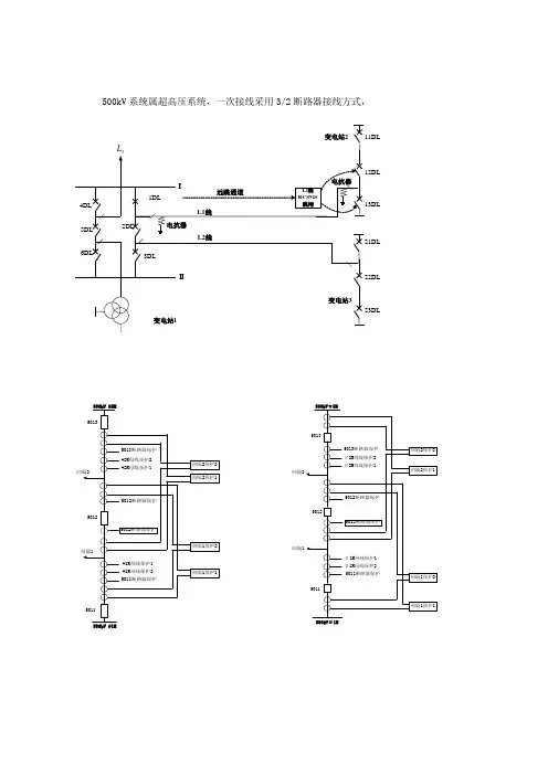
500kV系统属超高压系统,一次接线采用3/2断路器接线方式,间隔2间隔1这两大特点决定了500kV系统在保护设置上有其特殊的要求。
第一、系统稳定问题提出的要求:超高压系统传送功率大,稳定运行要求高,为保证系统稳定运行,要求保护动作要快速,如近距离故障,要求切除故障时间不超过0.1秒,远距离故障切除故障时间不超过0.15秒,保护整组动作时间应在工频1-2个周波,即20-40毫秒。
第二、线路分布电容的影响:在一般高压线路上,线路的分布电容通常可以忽略不计。
但在超高压长线路上,就必须考虑分布电容及电容电流明显增大所产生的各种影响。
如影响线路短路时的暂态过程,产生高频暂态分量;影响线路两侧各序电流的相位和幅值;非全相运行时影响线路两侧电流的幅值和相位,在单相重合闸过程中导致潜供电流增大,影响电弧熄灭和重合闸的时间等。
第三、其它如重负荷长线路对保护灵敏度的影响;为提高500kV系统稳定水平的串联补偿电容对线路阻抗的影响,对距离保护,负序、零序方向元件的影响等;在超高压长距离线路上,为限制工频过电压,补偿线路无功功率,抑制潜供电流的并联电抗器对继电保护测量阻抗、电流大小、电流相位、电流波形、功率方向的影响。
第四、一次主接线采用3/2断路器接线型式,由于一个回路接着两台断路器,一台中间断路器又连着两个回路,就使得继电保护及二次回路变得复杂,如继电保护如何设置、电流如何引入、失灵保护如何设置、重合闸如何设置、二次线如何划分单元等问题均要针对3/2接线的特点进行特殊设计。
第五、超高压系统主保护和后备保护的配置要求:1)、根据超高压电网的特点,以及各种故障概率统计,一般要求实现主保护双重化,应设置两套完整、独立的全线速动主保护和较完善的后备保护,并应装设必要的辅助保护(失灵保护、重合闸、短线保护等)。
2)、线路重合闸方式一般以单重方式为主,但对于有条件使用检同期三相重合闸的线路,应该优先采用三相重合闸方式,或采用综合重合闸方式。
继电保护运行交流材料2007年7月24日一、纵联保护的通道:1.专用通道:1.1专用载波通道:保护装置自配高频收发机,直接利用电力线载波通道的一相或经分频器与其他保护和稳定装置复用(一般用220KV系统,常用单频制)1.2专用光纤通道:保护装置与光、接点转换装置如POX-40E,ZSJ-900配合,直接利用OPGW的光纤芯传送保护信息(一般用于小于60KM的线路)500KV线路保护、远跳公用光、接点转换装置。
2.复用通道:2.1复用载波通道:一般载波机提供保护装置2个快速命令(A、B),2个慢速命令(C、D)主保护利用A或B命令,远跳利用C命令,稳定装置利用D命令2.2复用光纤通道:保护装置与光、接点转换装置如POX-40E,ZSJ-900配合,利用64K/S经PCM复用SDH或PDH,或利用2M/S复用SDH或PDH,保护、远跳公用光、接点转换装置POX-40E,ZSJ-900二、电流采样同步的概念:线路各侧保护装置受各自晶振的控制,以相同的频率采样。
两侧开始采样的时刻不相同。
按差动保护算法要求,参加差动运算的两侧电流量,必须是同时刻的采样值。
因此,差动保护装置必须采取措施,保证两侧同时采样或对两侧采样数据进行同步处理。
电流采样同步的方法:1.采样数据修正法:M侧在第一个采样点向N侧传送信息,含采样点的序号。
采样的时刻,N侧在收到M(1)的信息时,计算收到M(1)时刻与N侧上一个采样点的时间差△t(N2)N侧在紧随的下一采样点(N3)向M侧发送信息,含△t1的值,M(1)N3的时刻及电流数据量。
M侧在收到N3点的信息时计算收到N3与本侧上一采样点M(6)的时间差△t2,并可由此计算通道延时。
M侧用收到N3的时间—T d延时。
可知N侧N3的采样时间对应本侧的采样时间,进而确定两侧电流采样数据。
在M侧同一时标下时间差△t,即和M(4)的时间差。
M侧在进行差动计算时,将N3的电流修正△t时间所对应的角度即可。
500kv变电站主变保护继电保护配置及二次回路接线摘要500 kV超高压大型变电站中的主变压器是变电站的核心元件,主变压器的形式和参数,保护配置及检验,对电网的安全可靠运行也有着重要影响。
文章讨论了500 kV变电站主变压器选型及一次接线的选择、主变保护的配置、主变二次回路CT、PT的接线原则、主变保护的检验方法及运行过程中的注意事项。
关键词:主变压器;变压器保护;一次接线;检验AbstractMain transformer is a core component of the 500 kv EHV substation,The form and parameters of main transformer,Protection configuration and testing,have a significant impact to the safe and reliable operation of the grid.This article discuss the choice of mainly transformer in 500kv transformer substation and primary connection、configuration of mainly transformer protect、CT and PT connection principle in secondary thermal system、examine method of main transformer protection and some notes in running process.Keywords: Mainly Transformer;Transformer Protection;Primary Connection; Examine.目录1 引言 (1)2 500kv变电站主变选型 (1)2.1 容量的选择 (1)2.2 三相共体变压器与单相变压器组 (1)2.3 普通变压器与自耦变压器 (2)2.4 调压方式 (3)2.5 冷却方式的选择 (4)2.6 三次侧容量及电压的选择 (5)2.6.1 容量的选择 (5)电压的选取 (5)2.7 对损耗值的要求 (6)2.8 尺寸与质量 (7)抗短路能力 (7)阻抗参数 (7)2.11 扩建第二组变压器需考虑的问题 (8)变压器油 (9)变压器附件 (10)3 500kv变电站常用典型一次接线 (10)4 主变保护配置 (12)4.1 差动保护 (14)4.1.1 纵联差动保护 (14)4.1.2 分侧差动保护 (16)4.3 后备保护 (18)4.2.1 高压侧及中压侧相间阻抗保护分析 (18)4.2.2 低压侧过流保护 (18)4.3 过励磁保护 (19)4.3.1 原理概述 (19)4.4 变压器瓦斯保护 (22)5 主变保护二次回路CT、PT接线原则 (22)5.1 电流互感器 (22)5.2 电压互感器 (23)6 主变保护的检验方法 (24)6.1 主变压器差动保护的检验 (24)6.2 变压器瓦斯保护的检验 (25)6.2.1 瓦斯继电器的检验 (25)6.2.2 瓦斯保护的安装检验 (26)瓦斯保护的检验周期 (27)6.3 过激磁保护检验 (27)6.4 功率方向保护的检验 (27)7 运行中的注意事项 (28)8 结束语 (29)参考文献: (29)引言变压器是变电站最重要的电气设备之一,它的安全可靠运行关系到变电站乃至电网的安全稳定。
500kV变电站变压器运行及继电保护研究摘要:如今电力能源需求量不断提升,对电力企业的供电时效性与稳定性提出了更高要求。
在变电站运行过程中,必须做好变压器检修与维护工作,确保变压器安全稳定运行,以满足社会生产生活对电力能源的需求。
本文对500kV变电站变压器运行及继电保护进行分析,为相关运维工作提供指导。
关键词:变电站变压器;运行;继电保护引言随着电力企业的降损增效意识的不断增强,电力网电能损耗的计算和分析工作越来越受到重视。
变电站作为电力网的重要组成部分,其经济运行水平直接关系到电网企业的经济效益。
1 500kV变电站中变压器的结构组成变电站变压器是整个电网系统的重要组成部分,主要由变压器主体装置、变压油料、内置铁芯、调压装置及冷却保护装置等配件构成。
其中,内置铁芯与配套的绕线圈组属于核心部件。
内置铁芯由导磁性较强的硅钢片组成,依靠硅钢片的导磁属性与空间排列形式,形成闭合回路。
内置铁芯配套的绕线圈组是由铝线或铜线按照一定规则缠绕形成的高、低压侧绕组。
2 500kV变电站变压器问题绕组闸间短路故障的处理措施,在变压器运行过程中,绕组匝间短路故障是非常普遍的故障,对变压器的正常运行非常不利,所以,当变压器出现绕组匝间短路的故障时,要采取有效的措施对其进行处理。
绕组匝间短路故障的出现主要是因变压器中有水分渗入或者变压器油管中有杂物而造成的变压器短路。
所以,在处理绕组匝间短路故障时要根据造成故障出现的原因,对变压器及其油管、绕线圈进行定期的检查和维修,同时也要对变压器进行定期的更新,从而使得变压器能够始终保持良好的状态,能够安全、稳定的运行。
3 500kV变电站变压器问题的措施3.1常规维护在变压器常规维护过程中,要严格检查变压器设备和附属配套设备,具体检查内容包括:变压器是否存在漏油问题;变压器油是否需要更换;变压器运行状态是否出现异常响动;变压器油油位是否正常;变压器运行温度是否正常等。
另外,严格检查气体继电器所添加的油料,判断油位是否满足标准要求。
第五章 500KV系统继电保护一、保护简介1、线路保护(1)500KV沁获I、II线路:一套为光纤电流差动保护,光纤中传输电流、电压信号,主保护为分相电流差动保护,后备保护有距离保护和零序方向保护,具备重合闸功能及故障录波和故障测距功能;两条线路保护用的光电转换数字接口设备安装在一面独立的柜中,安装在通信机房,采用屏蔽双绞电缆与PCM设备相联,保护柜和光/电转换接口柜均带有光纤接线盒。
保护与光电转换及数字接口的连接采用单模光纤连接。
另一套为允许式高频距离保护,可以实现高频保护和距离保护的投退切换,投入高频保护时以阻抗元件作为测量单元,利用高频通道传输允许跳闸信号,投入距离保护时以距离和零序方向元件为快速主保护,后备保护有反映相间故障距离保护和反映接地故障的零序保护。
安装在继电器小间的保护装置与安装在通信机房的载波机通过光纤联接。
(2)500KV远跳装置:当线路对端出现线路过电压、电抗器内部短路或断路器失灵等故障、本侧收到远方跳闸信号时,由本侧远方跳闸就地判别装置根据收信逻辑及就地判据出口跳开本端断路器;当线路本端过电压,装置经延时跳开本端断路器;当本端过电压保护动作,本端断路器又在跳开位置,则启动远方跳闸装置,通过对端远方跳闸就地判别装置跳开对端断路器;就地判据应采用综合电流变化量元件、零序电流量元件及综合电压变化量元件、零序电压量元件。
远跳装置的光电转换数字接口设备安装在一面独立的柜中,安装在通信机房,采用屏蔽双绞电缆与PCM设备相联,远跳装置柜和光/电转换接口柜均带有光纤接线盒,远跳与光电转换及数字接口采用单模光纤连接连接。
2、母线保护我厂两条500KV母线分别配置两套母线保护,一套为国产许继产品,具有比率制动特性的分相瞬时值电流差动保护,具备充电保护、失灵及死区保护和故障录波功能;另一套为进口ABB生产,保护功能配置与国产母线保护相同。
3、断路器保护我厂一期六台500KV断路器分别配置了断路器保护装置,两台中间断路器5012、5022配有自动重合闸、断路器失灵保护、三相不一致保护、死区保护及充电保护;其它四台断路器5011、5013、5021、5023配有数字式短引线保护装置、自动重合闸、断路器失灵保护、三相不一致保护、死区保护及充电保护。