监控工程验收表
- 格式:xlsx
- 大小:27.37 KB
- 文档页数:3
视频监控验收表格(可以直接使用,可编辑实用优秀文档,欢迎下载)视频安防监控系统分项工程质量验收记录表编号:视频监控安全文明施工方案一. 工程概况二、文明施工、安全生产工程依据依据国家和地方制定的与建设工程有关的法律法规、规范规程、标准条文,公司贯彻质量、环境、职业健康安全管理体系文件,以及有关安全管理制度,对该工程进行文明施工、安全生产管理。
具体文件如下:1、《中华人民共和国和建筑法》2、《中华人民共和国合同法》3、《建设工程安全生产管理条例》4、《职业健康安全管理体系规范》(GB/T280011-2001)5、《建设工程施工合同》6、《建筑施工安全检查评分准》7、《建筑现场临时用电安全技术规范》(JGJ46-88)8、《建筑施工高处作业安全技术规范》(JGJ80-91)9、《建筑机械使用安全技术规程》(JGJ33-2001)三. 安全生产组织管理体系及职责1、施工安全目标及安全文明生产组织机构1.1安全文明生产是施工项目重要的控制目标之一,也是衡量施工项目管理水平的重要标志。
我公司一向重视安全生产,并把它作为施工中的重要任务。
1.2组织机构建立安全生产文明施工领导小组,由项目经理任组长,技术负责人为副组长,安全员、施工员、材料员、后勤管理员等为组员,明确岗位责任,奖罚兑现。
(安全文明生产组织机构详见下图)。
安全文明生产组织机构项目经理:负责文明施工现场全面工作;技术负责人:负责文明施工方案编制,督促方案的严格实施;专职安全员:负责现场安全及环境管理的日常工作、治安综合治理工作; 施工员:负责施工文件资料、卫生保健; 材料员:负责材料堆放、施工现场;各班组长:负责现场宿舍、宣传、环境保护。
2、文明生产制度1)成立以项目经理为组长的现场文明施工领导小组,负责该工程的文明施工管理工作,并结合实际情况制定文明施工管理细则,并组织实施。
2)严格按政府安全管理部门有关文明施工的各项规定,根据业主和公司要求,结合工地实际情况,制定工地安全生产、文明施工制度的奖罚办法。
监控工程验收单监控工程验收单一、项目背景本次监控工程验收单是针对某工程项目的监控系统进行验收,旨在确保监控工程符合规范和要求,保证项目的安全和顺利运行。
本文档详细介绍了验收的相关内容和细化的步骤。
二、验收前准备工作1. 确定验收的主要内容和标准;2. 准备验收所需的文件和资料,包括设计图纸、合同书、施工记录等;3. 提前通知相关人员参与验收,并确保验收环境的准备工作完成。
三、验收流程1. 验收前准备1.1 确认监控系统设计是否符合规范要求;1.2 检查监控设备的合格证书和相关资质;1.3 核对施工单位和设备供应商的相关证件;1.4 确认监控工程按照设计图纸和合同要求进行施工。
2. 硬件设备验收2.1 核对监控设备清单与实际设备是否一致;2.2 检查设备安装位置是否符合设计要求;2.3 检查设备的接线是否正确无误;2.4 对设备进行功能测试,确保其正常工作;2.5 检查设备的外观是否完好;2.6 检查设备的标识是否齐全。
3. 软件系统验收3.1 核对监控系统软件版本和功能是否符合要求;3.2 进行软件系统的安装和配置;3.3 对软件进行功能测试,确保其正常运行;3.4 检查软件系统的报警功能是否正常;3.5 检查软件系统的录像功能是否正常;3.6 检查软件系统的远程访问功能是否正常。
4. 验收报告4.1 根据验收情况编写验收报告;4.2 在验收报告中详细描述监控工程的整体情况;4.3 如果发现问题或不符合要求的地方,提出整改要求;4.4 验收报告需由相关人员签字确认。
四、验收结果及结论根据以上的验收流程和相关检查,经过全面评估,确认该监控工程的各项内容符合要求,达到规范要求和合同约定的标准。
验收结果为合格。
五、附件本文档所涉及附件如下:1. 设计图纸;2. 合同书;3. 施工记录;4. 监控设备合格证书;5. 监控设备供应商资质证书。
六、法律名词及注释本文档所涉及的法律名词及注释:1. 施工单位:指承担监控工程施工任务的单位;2. 设备供应商:提供监控设备的供应商;3. 设备合格证书:监控设备的合格性证明文件;4. 资质证书:指设备供应商的认证文件,证明其具备提供监控设备的资质。
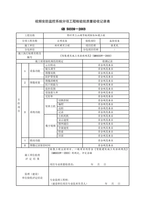
视频安防监控系统分项工程检验批质量验收记录表GB 50339-2003半球形、枪形摄像机安装检验批质量验收记录表风管系统安装检验批质量验收记录表附录J 钢结构分项工程检验批质量验收记录表J.0.1 钢结构(钢构件焊接)分项工程检验批质量验收应按表J.0.1进行记录。
表J.0.1钢结构(钢构件焊接)分项工程检验批质量验收记录J.0.2钢结构(焊钉焊接)分项工程检验批质量验收应按表J.0.2进行记录。
表J.0.2钢结构(焊钉焊接)分项工程检验批质量验收记录J.O.3钢结构(普通紧固件连接)分项工程检验批质量验收应按表J.O.3进行记录。
表J.0.3钢结构(普通紧固件连接)分项工程检验批质量验收记录J.0.4钢结构(高强度螺栓连接)分项工程检验批质量验收应按表J.0.4进行记录。
表J.0.4钢结构(高强度螺栓连接)分项工程检验批质量验收记录J.0.5钢结构(零件及部件加工)分项工程检验批质量验收应按表J.O.5进行记录。
表J.O.5钢结构(零件及部件加工)分项工程检验批质量验收记录J.O.6钢结构(构件组装)分项工程检验批质量验收应按表J.O.6进行记录。
J.0.7钢结构(预拼装)分项工程检验批质量验收应按表J.0.7进行记录。
J.0.8钢结构(单层结构安装)分项工程检验批质量验收应按表J.0.8进行记录。
表J.0.8钢结构(单层结构安装)分项工程检验批质量验收记录表J.O.9钢结构(多层及高层结构安装)分项工程检验批质量验收记录表J.O.10钢结构(网架结构安装)分项工程检验批质量验收记录J.0.11钢结构(压型金属板)分项工程检验批质量验收应按表J.O.11进行记录。
表J.0.11钢结构(压型金属板)分项工程检验批质量验收记录表J.O.12钢结构(防腐涂料涂装)分项工程检验批质量验收记录表J.0.13钢结构(防火涂料涂装)分项工程检验批质量验收记录。
智能化工程监控与管理系统分项工程质量验收记录表单位(子单位)工程名称子分部工程住宅(小区)智能化验收部位施工单位项目经理分包单位分包项目经理施工执行标准名称及编号施工质量验收规范的规定(第节)施工单位检查评定记录监理(建设)单位验收记录主控项目1表具数据自动抄收及远传系统水、电、气热(冷)表具选择系统查询统计打印费用计算断电数据保存四个月以上电源恢复数据不丢失系统时钟故障报警防破坏报警2建筑设备监控系统符合本规范第6章有关规定饮用水过滤设备报警消毒设备故障报警3公共广播与紧急广播系统符合第条的规定4住宅(小区)物业管理系统人员管理房产维修费用查询收取公共设施管理工程图纸管理家政服务电子商务远程教育远程医疗电子银行娱乐项目物业人事管理企业管理财务管理信息安全其他一般项目1表具数据自动抄收及远传系统表具采集与远传数据一致性2建筑设备监控系统园区照明时间设定控制回路开启设定灯光场景设定照度调整浇灌水泵监视控制中水设备监视控制3住宅(小区)物业管理系统房产出租管理房产二次装修管理住户投诉处理数据资料的记录、保存、查询施工单位检查评定结果专业工长(施工员)施工班组长项目专业质量检查员:年月日监理(建设)单位验收结论专业监理工程师:(建设单位项目专业技术负责人)年月日。
3
编程 符合规范要求 巡检
符合规范要求
视频安防监控系统分项工程检验批质量验收记录表
施工质量验收规范的规定
检测记录
符合规范要求
矩阵主
设备功
镜头调节 符合规范要求 厶匕
能
图像切换 符合规范要求 防护罩效果
符合规范要求 图像质 图像清晰度 符合规范要求 系统功 厶匕
能
抗干扰能力 监控范围 设备接入率
完好率
切换控制
符合规范要求 符合规范要求 符合规范要求 符合规范要求
符合规范要求 云台转动
半球形、枪形摄像机安装检验批质量验收记录表。
监控验收单视频安防监控系统工程质量验收单单位名称:
分项工程名称:
施工单位:
检测项目(主控项目):
云台转动
镜头调节
图像切换
防护罩效果
图像清晰度
抗干扰能力
监控范围
设备接入率
完好率
矩切换控制
阵编程
主巡检
机记录
主机死机
数显示速度
字联网通信
视存储速度
频检索
回放
视频安防监控系统子分部工程安全防范系统验收部位:项目经理:
检查评定记录:
云台转动:效果良好□ 满足需求□
镜头调节:效果良好□ 满足需求□
图像切换:效果良好□ 满足需求□防护罩效果:效果良好□ 满足需求□图像清晰度:效果良好□ 满足需求□抗干扰能力:效果良好□ 满足需求□监控范围:效果良好□ 满足需求□设备接入率:效果良好□ 满足需求□完好率:效果良好□ 满足需求□
矩切换控制:本系统无此项功能
阵编程:本系统无此项功能
主巡检:本系统无此项功能
机记录:本系统无此项功能
主机死机:效果良好□ 满足需求□数显示速度:效果良好□ 满足需求□字联网通信:效果良好□ 满足需求□视存储速度:效果良好□ 满足需求□频检索:效果良好□ 满足需求□
回放:效果良好□ 满足需求□
备注:
1.设备功能
2.图像质量
3.系统功能
4.联动功能
5.图像记录保存时间
检测意见:
建设方负责人签字:(签章)日期:年月日
用户方负责人签字:(签章)。
□□□□□□□□
1
2
34567
专业工长(施工员)
施工执行标准名称及编号
施工质量验收规范规定
对系统的各类摄像机、云台、防护罩、控制器、辅助电源等的安装部位、安装质量和观感质量等进行检验
智能建筑工程质量验收规范 GB50339-2003
第8.2.4条
施工单位检查评定结果
监理(建设)单位验收结论
同轴电缆的敷设、摄像机、机架、监视器等的安装质量检验应符合《民用闭路监视电视系统工程技术规范》GB 50198的有关规定系统功能检测图像质量检测监理工程师
(建设单位项目专业技术负责人):
项目专业质量检查员:系统联动功能检测
视频安防监控系统的图像记录保存时间应满足管理要求
第8.3.5条
系统整体功能检测年 月 日
视频监控系统设备安装检验批质量验收记录表
GB50339-2003
单位(子单位)工程名称分部(子分部)工程名称施工单位摄像机 台主 控 项 目
分包单位/分包项目经理第8.3.5条第8.3.5条施工单位检查评定记录
第8.2.5条
设备/台数
年 月 日
施工班组长
070501
070503/070502智能建筑住宅(小区)智能化系统
连接形式有线连接
监理(建设)单位验
收记录
项目经理
验收部位第8.3.5条第8.3.5条。
验收内容按子系统、分阶段、多层次验收方式,每个阶段验收内容如下:1)线缆验收(隐蔽工程验收)安防报警系统工程的线缆验收是指对系统的线缆安装、敷设和测试完成后进行的阶段验收,线缆验收是线缆施工和设备安装调试的工作界面,由监理组织业主、施工单位、总包方等共同参加。
线缆验收报告应包括线缆施工图、施工的实际走向、长度与规格、安装质量、以及预埋及吊顶敷设、直埋电缆、接地极等隐蔽工程,线缆测试数据等。
2)单体设备验收系统单体设备验收是指安装前的检验测试及设备安装到位、通电试验后,如分支分配器和终端等,安保系统的摄像机、探测器的验收,通常以现场安装的设备为主,单体设备验收是进行系统调试的必要条件,同时也可以对设备安装质量,性能指标、产地证明、实际数量等及时核对清点,单体设备验收可由监理组织业主、施工单位、总包方、设备供应商共同参加。
验收报告应包括:供货合同、随机资料、进口设备产地证明、设备安装施工平面图和工艺图,安装设备名称、型号规格、数量、测试数据等。
3)子系统功能验收子系统功能验收是指对调试合格的子系统及时实施功能验收,以便系统及早投入试运行,可由监理组织业主、安装单位等共同参加验收,验收报告应包括:系统功能说明(技术方案),工程承包合同、系统调试验收大纲,系统调试验收记录,系统操作手册等。
子系统功能验收是子系统可以进入试运行的必要条件,施工单位还应及时组织对人员做相应的技术培训。
4)系统联动验收系统联动验收是一种对系统的功能性验收,与子系统功能验收的区别在于,系统联动验收对象是各子系统正常运行条件下的系统间联动功能。
验收可由监理组织业主、总包方和甲方等共同参加。
以上四层验收若发现质量问题,应填写不符和项质量报告单,并立即整改,纠正不符和项,经复检合格后,参与验收者在验收报告上签章归档,以备资料整编交工。
5)系统交付验收安防报警系统交付验收应由国家有关部门和业主上级单位组成验收小组主持,业主、监理参加,验收内容如下:听取业主对项目建设的工作报告审核竣工项目移交的档案资料评审项目质量,对主要工程部位的施工质量进行复检,鉴定、对系统设计的先进性,合理性,经济性进行鉴定和评审审查系统运行操作规程,检查学习试运行情况核定收尾工程项目,对遗留问题提出处理意见检查前阶段竣工报告,签署验收鉴定书,对整个项目做出总的验收鉴定。
视频安防监控系统分项工程质
量验收记录表
(可以直接使用,可编辑实用优秀文档,欢迎下载)
视频安防监控系统分项工程质量验收报告
本验收表一式两份
表1 验收结论汇总
表2 系统试运行记录
注:1、系统试运行情况栏中,正常打“√”,不正常的在备注栏内扼要说明(包括修复日期)本监控系统已符合龙门南昆山派出所安全要求
工程造价:95000元+(因施工变动增加费用5000元)总工程造价:10万元
已收款:66000元剩下余款34000元
表2参加工程验收主要人员名单
洛阳市建筑工程质量监督站监制
洛阳市建筑工程质量监督站监制
洛阳市建筑工程质量监督站监制
溶剂型涂料分项工程质量验收记录表
钢梁制作分项工程质量验收记录表。