中式面点师五级考试实际操作内容
- 格式:pdf
- 大小:1.91 MB
- 文档页数:4
职工职业技能大赛厨师(中式面点)竞赛技术文件一、比赛方式大赛由理论考试和实际操作比赛两部分组成,理论考试采用闭卷笔试方式进行,试题以中式面点师国家职业技能标准(三级)为基础,采取从国家题库中抽取与组织专家命制相结合的方式,适当增加新知识内容,题型包括单项选择题、判断题、问答题三项。
实际操作,每人制作三款中式面点品种,包括指定面点品种、自选面点品种。
本大赛根据技术委员会制定的技术文件执行,总成绩为百分制,成绩权重设定为30%(理论考试),70%(实际操作)。
二、理论考试分值及考试规则理论考试,试题共有单项选择题50道(每题1分)、判断题20道(每题1分)、问答题2道(每题15分)共100分。
成绩权重设定为30%(理论考试)。
(一)考试前15分钟凭参赛证和身份证入场,对号入座,并将证件放在桌子左上角,全程佩戴口罩。
(二)考生一律使用黑色碳素笔在试卷上答题,与考场无关的物品,按规定存放在考场指定位置,移动电话等通信设备,关机处理。
(三)开考30分钟内考生不得擅自离场,开考30分钟后迟到考生不得擅自进入考场。
(四)遵守考场规则,考试时不准旁窥、交谈、吸烟、传递物品、严禁作弊,交卷后不得在考场附近逗留或者谈论。
(五)如遇试卷分发错误、印刷字迹模糊等问题可举手询问,不得要求监考人员解释试题。
(六)考试时间到,立即停止答卷,不得将试卷、草稿纸带出考场。
(七)服从考试工作人员管理、监督和检查,不得无理取闹,违者取消考试资格。
(八)试卷在考试结束后随即密封,阅卷完成后再拆封,统计分数。
三、实际操作比赛内容及要求(一)比赛内容中式面点:指定面点两款,自选面点一款。
1、指定品种(1)手擀面要求:干面粉500克制作成面条。
其中200克煮熟、带汤装碗(无需调味),其余生面条分成2把摆放盘中。
标准:面条粗细直径2毫米,长50厘米,粗细均匀、不连刀,面条总重量不少于650克。
(2)四平头花卷要求:干面粉500克制作成四平头花卷20个。
国家职业资格鉴定
操作技能鉴定程序化方案
《西式面点师》(五级/初级)
一、操作技能鉴定程序化方案表
上海市职业技能鉴定中心
2014 年01月
附件1:操作技能鉴定流程
附件2:操作技能鉴定鉴定项目表
附件3:操作技能鉴定鉴定试题表
附件4:操作技能鉴定试题、考位、工作人员配置表
附件5:操作技能鉴定分组安排表
附件6:操作技能鉴定成绩汇总表
《西式面点师》(五级/初级)操作技能鉴定流程△鉴定中心
《西式面点师》(五级/初级)操作技能鉴定
注:配分中包括操作过程鉴定配分20分
附件3
《西式面点师》(五级/初级)操作技能鉴定
附件4
《西式面点师》(五级/初级)操作技能鉴定
试题、考位、工作人员配置表
附件6
《西式面点师》(五级/初级)操作技能鉴定
成绩汇总表
1、评分表配分一览
A
B
2、每个试题的评分表含若干个评分项目,由考评员对每个评分项目,按评分细则评定等级(A、B、
C、D、E)。
3、计算每个试题的得分:
对每个考生,将每个试题的评分表中各评分项目的评定等级(A、B、C、D、E)输入电脑。
试题得分=∑(评分项目配分×等级比值)(试题得分为百分制)。
中式面点师初级理论复习资料一、单项选择题:1.企业进行严格的成本核算能促进企业不断提高(C)和经营服务水平。
A、管理B、质量C、技术D、成本2.中式面点工艺的最后一道工序是装盘,因此必须(D)。
A、要注意安全B、小心C、动作迅速D、把好卫生关3.所有的(A)都要经过翻转移动制品的过程。
A、烙制品B、煮制品C、蒸制品D、煎制品4.大虾制肉时需去壳挑去(B),一般切成虾丁,有时也需用刀背砸成泥状使用。
A、泥沙B、虾线C、杂质D、肠子5.下面属于公务员的职业道德规范的是(B)。
A、一视同仁B、公正廉洁C、救死扶伤D、为人师表6.图案式装盘是将成品(A)放置。
A、对称B、随意C、按动物状D、采用统一形状7.河豚毒素对人体的致死量为(B)毫克。
A、0.2B、0.5C、0.8D、1.08.以下不属于天然甜味剂的是(D)。
A、干草B、天门冬酰苯丙氨酸甲脂C、甜菊精D、糖精9.糯米又称(D),主要产于江苏南部、浙江等地。
A、籼米B、粳米C、机米D、江米10.成本系数是指(B)的比值。
A、原料加工前单位成本与加工后单位成本B、原料加工后单位成本与加工前单位成本C、原料加工前成本与加工后成本D、原料加工前成本与加工后成本11.当磁场内的(D)通过非铁质物体时,即产生无数小涡流,使锅本身自行高速发热,然后再加热锅内食物。
A、电磁B、磁力C、磁场D、磁力线12.由于鱼肉含有较多的蛋白质和(A),固容易腐败变质。
A、水分B、脂肪C、维生素D、无机盐13.下列中不能在烹饪储藏室存放的是(B)。
A、水果罐头B、灭鼠药C、鸡蛋D、调味品14.(D)面坯的组织结构呈海绵状或蜂窝状。
A、酵母膨松B、小苏打膨松C、全蛋膨松D、化学膨松15.某产品售价45元,成本18元,此产品的成本毛利率是(D)。
A、40%B、60%C、80%D、150%16.莜麦以山西、(B)一带食用较多。
A、西藏B、内蒙古C、陕西D、河北17.圆酥的剂子宜用(C)的方法。
中式面点师初级理论复习资料一、单项选择题:1.企业进行严格的成本核算能促进企业不断提高(C)和经营服务水平。
A、管理B、质量C、技术D、成本2.中式面点工艺的最后一道工序是装盘,因此必须(D)。
A、要注意安全B、小心C、动作迅速D、把好卫生关3.所有的(A)都要经过翻转移动制品的过程。
A、烙制品B、煮制品C、蒸制品D、煎制品4.大虾制肉时需去壳挑去(B),一般切成虾丁,有时也需用刀背砸成泥状使用。
A、泥沙B、虾线C、杂质D、肠子5.下面属于公务员的职业道德规的是(B)。
A、一视B、公正廉洁C、救死扶伤D、为人师表6.图案式装盘是将成品(A)放置。
A、对称B、随意C、按动物状D、采用统一形状7.河豚毒素对人体的致死量为(B)毫克。
A、0.2B、0.5C、0.8D、1.08.以下不属于天然甜味剂的是(D)。
A、干草B、天门冬酰苯丙氨酸甲脂C、甜菊精D、糖精9.糯米又称(D),主要产于南部、等地。
A、籼米B、粳米C、机米D、江米10.成本系数是指(B)的比值。
A、原料加工前单位成本与加工后单位成本B、原料加工后单位成本与加工前单位成本C、原料加工前成本与加工后成本D、原料加工前成本与加工后成本11.当磁场的(D)通过非铁质物体时,即产生无数小涡流,使锅本身自行高速发热,然后再加热锅食物。
A、电磁B、磁力C、磁场D、磁力线12.由于鱼肉含有较多的蛋白质和(A),固容易腐败变质。
A、水分B、脂肪C、维生素D、无机盐13.下列中不能在烹饪储藏室存放的是(B)。
A、水果罐头B、灭鼠药C、鸡蛋D、调味品14.(D)面坯的组织结构呈海绵状或蜂窝状。
A、酵母膨松B、小打膨松C、全蛋膨松D、化学膨松15.某产品售价45元,成本18元,此产品的成本毛利率是(D)。
A、40%B、60%C、80%D、150%16.莜麦以、(B)一带食用较多。
A、B、C、D、17.圆酥的剂子宜用(C)的方法。
A、挖剂B、拉剂C、切剂D、剁剂18.膳食中缺钙,可患(A)。
理论知识考试模拟试卷及答案中式烹调师(五级)理论知识试卷注意事项1.考试时间:90min。
2.请首先按要求在试卷的标封处填写您的姓名、准考证号和所在单位的名称。
3.请仔细阅读各种题目的回答要求,在规定的位置填写您的答案。
4.不要在试卷上乱写乱画,不要在标封区填写无关的内容。
一二总分得分得分评分人一、判断题(第1题~第60题。
将判断结果填入括号中。
正确的填“√”,错误的填“×”。
每题0.5分,满分30分)1.烹调就是烹和调的结合。
( )2.烹的作用有许多,其中包括杀菌消毒和分解养料。
( )3.饮食业的生产加工分为面点制作和菜肴制作,统称为烹饪技术。
( )4.中国菜的特点是选料广博、切配讲究、烹调方法繁多、菜品丰富、特色鲜明。
( )5.厨师应具备的素质之一是良好的厨德。
( )6.烹饪原料按性质分类可分为动物性原料和植物性原料。
( )7.粮食类和瓜果类属于植物性原料。
( )8.常用家畜有牛、猪、羊、驴等品种。
( )9.常用家畜脏杂中猪肝主要特点是细胞成分多,质地柔软,嫩而多汁。
( )10.北京填鸭肌肉纤维之间夹杂着白色脂肪,细腻鲜亮,适用于烧烤。
( )11.鲥鱼鳞的脂肪丰富,烹制时脂肪溶化于肉,更增添鱼肉鲜嫩滋味。
( )12.卷心菜又称结球甘蓝、包心菜、圆白菜或洋白菜等。
( )13.豆腐是黄豆磨成浆,烧沸后点盐卤或石膏水(现为葡萄糖酸内醋)冷却凝结而成。
( )14.花椰菜以肥嫩、洁白、硬大、紧实、虫蛀、无损伤为好。
( )15.鱿鱼是软体动物。
海蜇是腔肠动物。
( )16.刀具根据其作用来分,一般可分为批刀、斩刀、前批后斩刀三种。
( )17.刀用完后,用洁布擦干或涂少许油,防止氧化、失去光度和锋利度。
( )18.础板用完后应刮洗干净,竖起,用洁布罩好,放通风处备用。
( )19.绞肉机用毕,必须清除馅渣,用热水清洗后吹干。
( )20.放置冰箱时,背部应离墙壁10CM以上,以保证冷凝器有良好的自然通风条件。
中式面点师初级实操考试内容第一部分:面点基础知识与技巧 (500字左右)一、面点的类型与分类面点是指用面粉、水和其他食材制作的食品,根据其制作方法和特点,可以分为多种类型。
常见的中式面点有馒头、包子、饺子、面条等。
面点的分类可以根据主要材料、制作工艺、形状等进行划分。
二、面团的制作与处理技巧制作面团是制作面点的基础工作,良好的面团质地可以影响面点的口感和品质。
制作面团时,需要注意材料的比例、混合的顺序和时间掌握。
处理面团时,要掌握好揉面、搓面、发酵等技巧,以确保面团的柔软和发酵效果。
三、面点的成型与制作技巧面点的成型是面点制作过程中非常关键的环节,熟练的成型技巧可以使面点的形状美观、口感好。
常见的成型技巧包括擀皮、包馅、捏口等,每种面点都有不同的成型方法。
熟练掌握面点的成型技巧,可以有效提高生产效率。
第二部分:中式面点制作实操 (800字左右)一、馒头的制作与技巧馒头是一种松软的中式面点,制作馒头需要注意面团的松软度和发酵的时间掌握。
首先准备好面粉和酵母等材料,按照一定比例混合,揉制成面团后,进行初次发酵。
发酵完成后,将面团重新搓揉,分割成小份并进行二次发酵。
最后,蒸制馒头至熟。
二、包子的制作与技巧包子是一种包裹馅料的面点,包子的制作需要注意皮薄馅大、馅料丰富的特点。
首先准备好包子皮和馅料,根据比例混合,并进行揉面和发酵。
发酵完成后,将面团分割成小份,擀成薄皮包入馅料,最后蒸制至熟。
三、饺子的制作与技巧饺子是一种将馅料包入饺子皮中的面点,制作饺子需要注意皮薄馅大、形状美观的特点。
首先准备好饺子皮和馅料,将面粉和水按比例混合揉制成面团。
制作饺子皮时,注意擀皮的均匀厚度和饺子皮边缘的收口技巧。
馅料制作后,将馅料包入饺子皮中,最后水煮或者蒸制至熟。
四、面条的制作与技巧面条是一种通过将面团擀成薄片,再切割成条状的面点。
制作面条需要注意面团的柔软度和切割的技巧。
首先准备好面粉和水,按照比例混合揉制成面团。
中式面点师五级测试题与答案一、单选题(共139题,每题1分,共139分)1.调制温水面坯水温过高,会形成( )的明显变性。
A、蛋白质B、矿物质C、糖D、脂肪正确答案:A2.杏仁豆腐浇的是熟凉( )。
A、糖水汁B、糖醋汁C、番茄汁D、牛奶汁正确答案:A3.违反《中华人民共和国食品安全法》规定,应当承担民事赔偿责任和缴纳罚款、罚金,其财产不足以同时支付时,( )。
A、先承担刑事法律责任B、先缴纳罚款、罚金C、先承担民事赔偿责任D、先承担行政法律责任正确答案:C4.下列面点中是用蒸制法成熟的品种是( )。
A、小米干饭B、小米粽子C、小米面饼子D、小米面煎饼正确答案:A5.面点间使用的( )必须保证每班次刷洗一次,并立于案板上。
A、地面B、桌面C、面盆D、砧墩正确答案:D6.冷水面坯的的特性是( )、韧性和延伸性。
A、黏性大B、伸展性C、有弹性D、筋性小正确答案:A7.小窝窝头的成形为塔形,壁厚以不超过( )为宜。
A、0.2cmB、0.6cmC、0.7cmD、0.5cm正确答案:A8.维生素按溶解性可分为( )维生素和水溶性维生素两大类。
A、脂溶性B、维生素BC、维生素AD、维生素C正确答案:A9.煮饭时米与水的配置为1:(2.1~2.3)的米是( )。
A、煮饭B、籼米C、粳米D、米粉正确答案:B10.电饼铛可分为上下两面铛,可同时使用,( )也可单独使用。
A、二铛B、下铛C、上铛D、一铛正确答案:B11.面点常用的和面机有( )两种类型。
A、卧式B、立式和卧式C、立式D、柜式正确答案:B12.尊师爱徒、团结协作的具体要求是:互相尊重、顾全大局、( )、加强协作。
A、相互学习B、克己奉公C、积极进取D、学法用法正确答案:A13.用籼米( )米与水的比例以1:(12~15)为宜。
A、煮粥B、米粉C、煮饭D、磨粉正确答案:A14.搓条时要用手掌跟按实( ),不能用空掌心,否则不易搓匀。
A、推搓B、擀制C、揉制D、压制正确答案:A15.( )根据油温的不同,成品可具有外酥里嫩、松发、膨胀、香脆等特点。
中式面点师国家职业标准业高级技师正规培训达规定标准学时数,并取得毕(结)业证书;2)取得本职业技师职业资格证书后,连续从事本职业工作7年以上;3)高级技工学校和大专以上本专业或相关专业毕业生取得本职业技师职业资格证书后,连续从事本职业工作3年以上。
二、考试大纲2.1、考试目的为了规范中式面点师职业技能鉴定工作,提高中式面点师职业技能水平,推动中式面点产业的发展,制定本考试大纲。
2.2、考试内容中式面点师职业技能鉴定考试内容包括理论考试和实际操作考试两部分。
2.2.1、理论考试理论考试主要测试考生对中式面点师职业技能的理论知识掌握程度,考试内容包括中式面点师的基本知识、工具、原料、制作技术、卫生与安全等方面的知识。
2.2.2、实际操作考试实际操作考试主要测试考生对中式面点师职业技能的实际操作能力,考试内容包括制作中式面点或小吃的全过程,考察考生的操作技能、工艺流程、卫生与安全等方面的能力。
2.3、考试要求2.3.1、考试时间理论考试时间为90分钟,实际操作考试时间为180分钟。
2.3.2、考试方式理论考试采用闭卷形式,实际操作考试采用开卷形式。
2.3.3、考试评分理论考试满分100分,实际操作考试满分100分,总分200分。
考试评分采用百分制,及格线为60分。
2.3.4、考试合格标准考试总分达到及格线60分及以上,且理论考试和实际操作考试均需达到及格线,方可判定为合格。
2.4、证书颁发考试合格者颁发《中式面点师》职业技能鉴定证书,证书分初级、中级、高级、技师、高级技师五个等级。
证书有效期为3年,有效期届满后需重新进行职业技能鉴定。
高级技师需要接受规定学时数的正规培训,并获得毕业证书。
同时,需要从事本职业工作5年以上,并获得本职业技师职业资格证书。
鉴定分为理论知识考试和技能操作考核,分别采用笔试和现场实际操作方式进行。
成绩均实行百分制,两项皆需达到60分及以上才能合格。
此外,技师和高级技师还需要进行综合评审,包括专业论文写作和答辩。
[模拟] 西式面点师五级(初级)技能5
试题1
一、甜圆包
第1题:
1.试题单
(1)操作条件
500g面粉等原料搅拌坯料,取360g面团制坯。
(2)操作内容
送评6只(约55g/只)。
(3)操作要求
淡棕黄色,圆形,大小一致。
甜度适中,松、软、有弹性,不粘牙。
参考答案:
评分表
“评价要素”得分=配分×等级比值。
详细解答:
试题2
二、白脱罗尔
第2题:
1.试题单
(1)操作条件
500g面粉等原料搅拌坯料,取360g面团。
(2)操作内容
送评6只(约55g/只)。
(3)操作要求
淡棕黄色,梭形,大小一致。
甜度适中,松、软、有弹性,不粘牙。
参考答案:
评分表
“评价要素”得分=配分×等级比值。
详细解答:
试题3
三、辫子包
第3题:
1.试题单
(1)操作条件
500g面粉等原料搅拌坯料,取500g面团制坯。
(2)操作内容
送评6只(约70g/只)。
(3)操作要求
淡棕黄色,三股辫子形,粗细均匀,大小一致。
甜度适中,松、软、有弹性,不粘牙。
参考答案:
评分表
“评价要素”得分=配分×等级比值。
详细解答:。
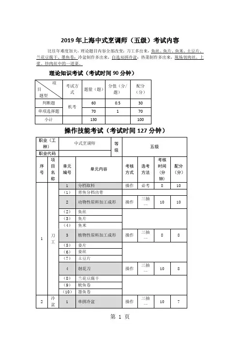
2019年上海中式烹调师(五级)考试内容比往年难度加大,理论题目内容全部改变;刀工多出来,鱼丝、鱼片、鱼米、土豆片、兰花豆腐干、墨鱼卷;冷盆制作多出来,自选双拼冷盆;热菜制作多出来,现场切肉丝、上浆、炒肉丝中的一道菜。
理论知识考试(考试时间90分钟)操作技能考试(考试时间127分钟)(1)青鱼分档出骨(2)鱼丝无图(3)鱼片无图(4)鱼米无图(5)姜片(6)姜丝(7)土豆片无图(8)兰花豆腐干无图(9)鱿鱼卷(10)墨鱼卷无图(11)馒头型白切鸡(12)桥型方腿(13)螺旋型黄瓜(14)自选,与单拼冷盆原料不重复无图(15)青椒肉丝(16)银芽肉丝(17)鱼香肉丝(18)红烧肚档(19)白汁鯿鱼(20)响油鳝糊(21)虾仁豆腐(22)炒双菇(23)麻婆豆腐(24)家常豆腐(25)椒盐排骨(26)香炸凤翼(27)咕咾肉(28)糖醋鱼块(29)芝麻鱼条(30)爆鱿鱼卷(31)酱爆鸡丁(32)肉丝豆腐羹(33)酸辣汤(34)三片汤(35)芙蓉蹄筋(36)木樨汤(37)榨菜肉丝蛋汤(38)成都蛋汤我查询了一下水发产品,希望以后不要用水发产品考试!爆鱿鱼卷、芙蓉蹄筋不能多吃!8成大餐馆不敢做水发鱿鱼添加甲醛已成潜规则http://sina 2009年04月09日16:25 武汉晨报记者汪健通讯员刘璐色泽鲜艳的水发鱿鱼,竟多是用福尔马林(甲醛)药水浸泡过,这样的鱿鱼您以后还敢吃吗?3月23日,省工商局公布省内5市食品抽查结果,其中11个不合格批次的水发食品中,大部分与甲醛有关,甲醛鱿鱼几成问题鱿鱼代名词。
6日,汉口潘先生在小蓝鲸酒店请朋友吃饭,本想点一道时下流行菜“板烧鱿鱼花”,服务员却告知所有与水发鱿鱼有关的菜,该酒店都不做。
原因是酒店对市场出售的水发鱿鱼、海参等菜肴的安全性不太放心。
据武汉餐饮协会负责人透露,目前,本地八成以上大型餐厅均是自采干鱿鱼,自发自用或是干脆不做这部分菜。
6日,记者与一位业内人士韩先生在北湖一餐馆点了一份炒鱿鱼片,感觉特别难熟透,口感如同嚼橡皮,与正规商超购买的干鱿鱼口感差别很大。
中式烹调师初级5级所属分类:烹饪类培训课时:252课时学费:2880元备注:1.本专业学费包含证书鉴定费;不含教材费用。
2.学费不含住宿费300元(需另付),床上用品及生活用品自备。
招生对象:任何对烹饪感兴趣的学生或社会人士有志于从事餐饮工作初高中毕业生、大中专院校毕业生、待业或失业人员;从事中式烹饪工作,希望能够得到系统提高,并希望获取全国通用的资格证书;授课内容:本课程从零基础入门课程开始,打好中式烹饪的基础掌握中国烹饪原料基础知识,了解常用烹饪原料的分类、品质鉴定、保管方法•了解烹调的基础知识,掌握火候、调味和原料的基本知识•有比较扎实的烹调操作的基本功•掌握挂糊、上浆、勾芡操作技能•掌握翻锅、盛装和控制油温的技能•掌握各种原料刀工成形的标准和方法,熟练进行刀工操作•掌握菜肴的原料搭配与质量要求•掌握中餐热菜烹调常用方法,•掌握基本菜品标准、调味基本方法、装盘的基本要求使学员掌握常用烹饪原料及其加工方法,烹调工具及设备、火候的掌握、油温的识别、勾芡、调味、菜肴装饰等基础知识;焯水、走油、走红、气蒸、浆糊处理、配菜、排菜等临灶准备工作,以及厨房卫生知识;通过实例介绍学习刀工操作以及焖烧类、爆炒类、炸溜类、烩汆煮类、冷菜等菜肴的制作方法。
颁发证书:通过参加《中式烹调师》职业资格鉴定考试,鉴定合格,颁发五级《中华人民共和国劳动和社会保障部职业资格证书》证书全国通用。
中式烹调师中级4级所属分类:烹饪类培训课时:300课时学费:3170元备注:1.本专业学费包含证书鉴定费;不含教材费用。
2.学费不含住宿费300元(需另付),床上用品及生活用品自备。
招生对象:有中式烹调师初级资格证书,希望进一步提高专业技能者;希望调职提薪的餐饮从业者;热爱餐饮,享受政府补贴的失业者或从业者。
授课内容:•了解中国烹饪的工艺流程及其原理•熟悉烹饪营养和食品卫生知识•掌握基本的餐饮业成本核算的方法•掌握各种原料刀工成形的标准和方法,熟练进行刀工操作•根据营养要求科学配菜,掌握菜肴的原料搭配原则和方法。
中式面点师实际操作考核须知第一篇:中式面点师实际操作考核须知中式面点师实际操作考核须知一、指定品种三种(一)提褶包子(时间为30分钟)考核要求:(一)统一提供配发面粉酵母,现场使用酵母发酵调制面团,现场提供配发猪肉馅料及调味品,现场调味。
(二)包子大小以干面粉50克做三个为标准剂量,包子做12个,成形不少于20个褶,且褶的花纹清晰、间距均匀。
(三)现场统一备好12寸白色平盘和6寸白色平盘(不得自带盘子),规定装盘形式为3.4.3序列,另外2个包子装6寸平盘供评委品尝。
(四)现场提供烤箱,蒸锅,蒸屉,案板,压面机等常规设备。
(五)不得有任何盘饰,点缀,或标记,(如xx饭店,宾馆等字样),更不可使用人工合成色素。
(二)金丝饼(时间为30分钟)考核要求:(一)可场外调制面团并可场外溜条,检录时填表说明,现场提供色拉油。
(二)所带面团所用干面不得超过1.5斤,出饼数量不得为少于12个,且色金黄,丝均匀不连丝、断丝,大小均匀。
(三)不得使用自带盘子,现场统一备好12寸白色平盘,装10个饼,装盘形为5.5型。
用6寸白色平盘装2个饼供评委品尝。
(四)(五)现场提供饼铛,烤箱,蒸锅,面板,大方钢盘等常规设备。
不得由任何盘饰,点缀样式或标记(如xx饭店,宾馆等字样),不可使用人工合成色素。
(三)榴莲酥(时间为30分钟)考核要求:(一)统一提供(配发)面粉,色拉油,酥皮油,冷柜,现场调制面团,现场提供榴莲,现场调馅。
(二)干面粉7两,调制面团,成品不得少于12个,且大小均匀,层次分明,色泽好口味佳。
(三)现场提供12寸白色平盘和6寸白色平盘(不得自带盘子),规定装盘形式为3.4.3序列,另外2个榴莲酥装6寸白色平盘供评委品尝。
(四)(五)现场提供,烤箱,蒸锅,面板,炸锅等常规设备。
不得由任何盘饰,点缀样式或标记(如xx饭店,宾馆等字样),不可使用人工合成色素。
二、自选品种一种(时间为30分钟)考核要求:(一)原料自带,入场填写原料明细表,接受检查,经允许方可带入考场。
中式面点师五级模拟题含答案一、单选题(共60题,每题1分,共60分)1、干粉灭火器(),可以用于扑灭带电设备的灭火。
A、不导热B、不导电C、不散热D、不带电正确答案:B2、河豚鱼毒素含量最高的器官是()和肝脏。
A、皮肤B、卵巢C、血液D、肾脏正确答案:B3、烤炉的温度在140~170°C时为()火,适宜烤制桃酥类品种。
A、中B、小C、微D、旺正确答案:C4、()是单一菜点所用的主料成本、配料成本及调味品成本之和。
A、主、辅料成本B、菜点总成本C、毛料成本D、单位菜点成本正确答案:A5、职业道德是人们在特定的职业活动中所应遵循的()的总和。
A、职业内容B、行为规范C、行业标准D、利益关系正确答案:B6、调制千层饼的面坯,面粉与水的比例以()为宜。
A、01:01.0B、01:01.0C、01:00.0D、1:01正确答案:C7、打蛋机使用后应将()、搅拌器等部件清洗干净。
A、蛋黄B、蛋液C、蛋桶D、蛋清正确答案:C8、制作玉米面蒸饺的要求是:皮薄馅大,(),口感鲜香,呈带有花褶的月牙形。
A、色泽金黄B、不漏馅C、馅心居中D、以上都是正确答案:D9、面点模具的生成型是将调好的坯料用模具成形后取出,再经()的方法成熟。
A、炳制B、熟制C、烙制D、烤制正确答案:B10、调制温水面坯水温过高,会形成()的明显变性。
A、脂肪B、矿物质C、糖D、蛋白质正确答案:D11、制作玉米面发糕的面坯既可以用酵面面坯,也可以用()膨松面坯。
A、化学B、物理C、擘酥D、层酥正确答案:A12、预防鲜黄花菜中毒的措施之一是用水浸泡()小时以上。
A、2B、0.5C、0.3D、0.4正确答案:A13、碳水化合物可分为()。
A、寡糖B、寡糖C、以上都是D、多糖正确答案:C14、()按材质上划分有PP塑料、玻璃、不锈钢材质三种。
A、纸杯B、烧杯C、口杯D^量杯正确答案:D15、()是将制好的皮子上馅后使之成型的一种技法。
A、叠B、拧C、包D、切正确答案:A16、冷水面坯的的特性是()、韧性和延伸性。
中式面点师五级模拟习题与答案一、单选题(共139题,每题1分,共139分)1.( )的特性是:硬度适中,色泽灰白,黏性小而涨性大,口感干而粗糙。
A、籼米B、香米C、糯米D、粳米正确答案:A2.下列属于违反厨房基本安全行为的是( )。
A、乱放刀具B、不穿工装C、戏耍D、以上均是正确答案:D3.( )的手法适用于层酥类面坯的下剂。
A、拉剂B、揪剂C、挖剂D、切剂正确答案:D4.打蛋机使用后应将( )、搅拌器等部件清洗干净。
A、蛋液B、蛋清C、蛋黄D、蛋桶正确答案:D5.微波炉产生的微波是以( )直线传播的,对物体有一定的穿透性。
A、音速B、电速C、风速D、光速正确答案:D6.传统炸油条使用的是( )。
A、化学膨松剂面坯B、发酵粉面坯C、臭粉面坯D、矾、碱、盐面坯正确答案:D7.讲究公德要求从业人员做到( ),不损害国家和集体利益。
A、操作规范B、爱岗敬业C、公私分明D、讲究数量正确答案:C8.小米——龙山米具有黏度高、甜度( )的特点。
A、大B、低C、少D、小正确答案:A9.小米——桃花米具有色黄、粒大、油润、利口、出饭率( )的特点。
A、高B、小C、低D、差正确答案:A10.制作炸馓子生坯搓条用力要一致,出条要( )。
A、粗细均匀B、粗细相间C、大小一致D、软硬一致正确答案:A11.加工面点原料的砧板要( )分开,以免交叉污染。
A、同质B、生熟C、大小D、不同质正确答案:B12.预防鲜黄花菜中毒的措施之一是用水浸泡( )小时以上。
A、0.5B、0.3C、2D、0.4正确答案:C13.面点师个人卫生规范包括( )等方面的内容。
A、身体健康的要求B、仪容仪表的要求C、操作时手的卫生D、以上都是正确答案:D14.按食品污染物的性质,食品污染的分类中不包括( )。
A、物理性污染B、生物性污染C、环境污染D、化学性污染正确答案:C15.杏仁豆腐浇的是熟凉( )。
A、牛奶汁B、番茄汁C、糖醋汁D、糖水汁正确答案:D16.使用酵母调制发酵面团,在30℃温度下,一小时内不产酸,发酵面坯不用加( )中和。
中式烹调师五级理论知识-一(总分:100.00,做题时间:90分钟)一、判断题(总题数:60,分数:30.00)1.烹调就是烹和调的结合。
( )(分数:0.50)A.正确(正确答案)B.错误解析:2.烹的作用有许多,其中包括杀菌消毒和分解养料。
( )(分数:0.50)A.正确(正确答案)B.错误解析:3.饮食业的生产加工分为面点制作和菜肴制作,统称为烹饪技术。
( )(分数:0.50)A.正确(正确答案)B.错误解析:4.中国菜的特点是选料广博、切配讲究、烹调方法繁多、菜品丰富、特色鲜明。
( )(分数:0.50)A.正确(正确答案)B.错误解析:5.厨师应具备的素质之一是良好的厨德。
( )(分数:0.50)A.正确(正确答案)B.错误解析:6.烹饪原料按性质分类可分为动物性原料和植物性原料。
( )(分数:0.50)A.正确B.错误(正确答案)解析:7.粮食类和瓜果类属于植物性原料。
( )(分数:0.50)A.正确(正确答案)B.错误解析:8.常用家畜有牛、猪、羊、驴等品种。
( )(分数:0.50)A.正确(正确答案)B.错误解析:9.常用家畜脏杂中猪肝主要特点是细胞成分多,质地柔软,嫩而多汁。
( )(分数:0.50)A.正确(正确答案)B.错误解析:10.北京填鸭肌肉纤维之间夹杂着白色脂肪,细腻鲜亮,适用于烧烤。
( )(分数:0.50)A.正确(正确答案)B.错误解析:11.鲥鱼鳞的脂肪丰富,烹制时脂肪溶化于肉,更增添鱼肉鲜嫩滋味。
( )(分数:0.50)A.正确(正确答案)B.错误解析:12.卷心菜又称结球甘蓝、包心菜、圆白菜或洋白菜等。
( )(分数:0.50)A.正确(正确答案)B.错误解析:13.豆腐是黄豆磨成浆,烧沸后点盐卤或石膏水(现为葡萄糖酸内酯)冷却凝结而成。
( )(分数:0.50)A.正确(正确答案)B.错误解析:14.花椰菜以肥嫩、洁白、硬大、紧实、虫蛀、无损伤为好。
( )(分数:0.50)A.正确B.错误(正确答案)解析:15.鱿鱼是软体动物。
2013上海中式烹调师(五级)考试注意事项自己实际考完后的经验,给准备考试的人看1.自带一个钢丝球、一点点洗洁精,那里的锅具还是自己洗一遍安心。
2.自带水淀粉,用塑料瓶装就可以了,我考试的时候是2个人公用一个勾芡碗的,因为前面一个人快,他烧的红烧类的菜肴,用沾过酱油的手勺舀勾芡碗,把里面的水淀粉都弄脏了,我正好要烧清汤,怎么办?考官不管,不给你换新的勾芡碗的,没办法只能硬着头皮随便用用了。
3.自带精制油,装在塑料瓶里,因为考试那里的油很浑浊,我们烧菜好像最后都要淋上精制油的。
浑浊的油影响菜肴美观。
4.考试的时候是分刀工和烧菜2次考试的,所以准备2个包裹,一个装刀工的材料,一个装烧菜的材料,这样去考试的时候不会拿错东西,浪费时间了。
5.准备3块抹布,1块放在刀工的包裹里,用来擦砧板、刀和最后的清洁用,清洁分也是很重要的。
2块放在烧菜的包裹里,考试的地方如果锅具太重了,可以用2块抹布端起来了。
6.准备好几张创可贴,放在刀工的包裹里,一担不小心划破手了,马上可以用了,不会把考试时间耽误。
7.自己的东西要看紧,我考试完发现掉了一把剪刀,我的一个同学掉了一把130多元的刀。
因为考试是不用剪刀的,我是备用的,考试的时候没有拿出来用过,回到家才发现没有剪刀了。
而我的一个同学刀工考好了,大概烧菜的时候掉的,也幸亏在烧菜的时候掉的,如果考刀工怎么办呢?所以自己的东西要看紧!8.炒肉丝一类菜肴,尽量第一个烧,因为我想是考4个热菜,不管你先后次序吧,肉丝刚切完,还要浆一会儿呢,但好像不行,考官看我没有把肉丝炒好,提醒过我了,这个肉丝只能是30分钟做完。
9.家里有条件的还是来送考吧,顺便看一下包裹,考完试后,考试的4个热菜和刀工的材料都会包装成塑料袋还给我们的,很多东西还要自己带回家的,准备轻便的购物车是最好的选择了。
10.厨师衣服、帽子都要带好。
11.身份证、准考证都要带好。
12.多带点餐巾纸,用来擦盘子的,因为刚洗完的盘子是湿的,如果你炸好的菜肴,会影响菜肴质量,还有擦掉刚盛完菜肴盘子周围的多余酱汁。