橡胶类零部件标准
- 格式:docx
- 大小:108.46 KB
- 文档页数:25
国家aem橡胶标准全文共四篇示例,供读者参考第一篇示例:国家AEM橡胶标准橡胶制品在现代工业生产中扮演着至关重要的角色,它们被广泛应用于汽车、航空航天、医疗保健、电子通讯等领域。
而AEM (Acrylic Elastomer)橡胶是一种优异的高温耐磨橡胶材料,具有出色的耐油性、耐化学性和耐高温性能。
为了统一AEM橡胶制品的质量和技术要求,各国纷纷制定了相应的橡胶标准,其中包括我国国家标准。
我国国家AEM橡胶标准的制定是为了促进橡胶制品行业的健康发展,保障使用者的权益,提高产品的质量和技术水平。
国家AEM橡胶标准主要包括AEM橡胶的分类、性能要求、试验方法和标志等内容。
下面我们就来详细介绍一下我国国家AEM橡胶标准的主要内容。
一、AEM橡胶的分类根据使用要求和性能指标的不同,AEM橡胶按其基础聚合物的类型和配方成分可以分为多种不同的等级。
我国国家AEM橡胶标准根据实际需求将AEM橡胶分为普通级、耐油级、耐高温级等多个不同等级,以满足不同领域对橡胶制品的需求。
二、性能要求我国国家AEM橡胶标准对AEM橡胶的物理性能、化学性能、耐油性、耐热性、耐候性等方面都做了具体的要求。
对于耐热性能要求可以包括耐高温度下的变形率、热氧老化性能、燃烧性能等;而对于耐油性能要求可以包括耐各种润滑油、汽油、柴油等介质的性能要求。
三、试验方法国家AEM橡胶标准还明确了各种性能指标的测试方法和要求,以确保测试结果的可靠性和准确性。
对于硬度测试可以采用希氏硬度计、岭氏硬度计或邵氏硬度计等不同的硬度计进行测试;而对于拉伸强度和断裂伸长率的测试可以采用万能试验机进行拉伸测试。
四、标志标准我国国家AEM橡胶标准还规定了AEM橡胶制品上需标明的生产企业名称、产品型号、批号、执行标准等信息,并要求在产品包装、说明书和产品上都做清晰的标识。
这样不仅可以帮助使用者正确选择和使用产品,还可以提高产品的信誉度和市场竞争力。
我国国家AEM橡胶标准的制定和执行对橡胶制品行业的发展起着重要的促进作用。
胶件,植绒,测试标准全文共四篇示例,供读者参考第一篇示例:胶件,植绒,测试标准是指对胶件和植绒产品进行质量检测和评价的一系列标准和方法。
胶件和植绒产品是消费品市场中常见的材料,广泛应用于服装、鞋帽、箱包等领域。
一、胶件测试标准1. 胶件的物理性能测试标准包括耐撕裂性、耐磨损性、拉伸强度等指标。
这些测试可以通过拉力试验机、磨损试验机等设备进行测试,以确保产品符合相关标准要求。
2. 胶件的耐候性测试标准包括耐高温、耐低温等指标。
通过模拟环境条件,对胶件进行加速老化测试,以评估产品的耐候性能。
3. 胶件的化学性能测试标准包括对有害物质的检测。
通过化学分析仪器,对胶件中的有害物质进行检测,以保证产品符合国家相关法规要求。
二、植绒测试标准1. 植绒的颜色牢度测试标准包括湿擦色牢度、干擦色牢度等指标。
通过模拟使用条件,对植绒产品进行颜色牢度测试,以评估产品的耐久性能。
2. 植绒的手感测试标准包括摩擦性、柔软性等指标。
通过手感评价仪等设备,对植绒产品的手感性能进行测试,以确保产品质量优良。
3. 植绒的防水性测试标准包括静压水柱试验、喷水试验等指标。
通过实验设备,对植绒产品进行防水性能测试,以评估产品的防水性能。
胶件,植绒,测试标准是对胶件和植绒产品进行质量检测和评价的重要工具,通过遵循相关标准和方法,可以确保产品质量符合要求,提升产品在市场中的竞争力。
在日常生产和质量控制中,企业应严格遵守相关测试标准,加强产品质量管理,提高产品质量和市场竞争力。
第二篇示例:胶件是一种常见的工业零部件,也是许多产品中不可或缺的组成部分。
它们在汽车、电子产品、家具等众多领域都有广泛的应用。
而植绒则是一种常用的表面处理工艺,能够给产品赋予丝绒般的触感和视觉效果。
针对这两种材料,必不可少的就是进行测试,以保证其质量和性能达到标准要求。
对于胶件而言,其主要用途是在产品中进行连接或密封。
不同的产品需要的胶件种类和性能要求也会有所不同。
对胶件进行测试是非常重要的。
零部件外观检验标准TF/UIS8.2.4-04版本号:A/0零部件外观检验标准编制:审核:批准:2009-10-15 发布 2009-10-15实施北京汇影互联科技有限公司发布目录橡胶件外观检验作业指导 1-4 钣金件外观检验作业指导 5-7电器元件外观检验作业指导 8-9PCB板外观检验作业指导 10-11电线外观检验作业指导 12-13五金件外观检验作业指导 14-15橡胶件外观检验作业指导 16-19北京汇影互联科技有限公司United Imaging Systems (Beijing) Co., Ltd.文件编号 TF/UIS8.2.4-04-01零件外观检验标准版本号 A/O生效日期年月日塑料件外观检验作业指导标题页次第页共页1、目的:掌握塑料进检验方法及标准,使塑料件外观来料更好地符合我公司的技术要求。
2、适用范围:适用于本公司对外购的所有涉及产品制造过程中使用的塑料件进籵检验。
本标准书与图纸要求相冲突时,均以图纸要求为准(无法用语言描述的缺陷,供需双方封样方法解决)。
3、塑料件的外表面应光滑平整,不得有发白、起泡、针孔、胀起、开裂、剥落、露底、流挂、积聚物、鱼磷状、碰伤、擦伤、污迹、变形、光泽不均匀等现象。
4、内容:4.1术语:1) 杂色:与本身颜色不同的杂点或混入胶料中的杂点暴露在表面上。
2) 流纹:胶料融合不佳形成条形纹路3) 缩水:由于射出压力低,使产品局部整体表面下陷。
4) 合模线:产品在成型过程中,上模和下模相闭合的线,目视及手感都有感觉。
5) 缺料:产品某个部位不饱满6) 白印:由于内应力,在产品表面产生与本色不同的白色痕迹。
7) 披锋:(毛刺)由于种种原因,产品非结构部分产生多余的料8) 封堵:应该穿透的地方由于披锋造成不通。
9) 断裂:塑料局部断开后的缺陷。
10) 拉毛:因摩擦而产生的细皮,附在注塑间表面的现象。
11) 油丝:油痕,加工原因,油污(脱模式剂)在产品表面留下的痕迹,使该部位发光并带有流动样。
上汽集团的材料标准主要包括以下几个方面:
1. 钢材标准:上汽集团在制造汽车时,会使用各种不同规格和类型的钢材。
这些钢材需要满足一定的强
度、韧性和耐腐蚀性等要求,以确保汽车的安全性和可靠性。
2. 塑料材料标准:上汽集团在制造汽车零部件时,也会使用各种塑料材料。
这些塑料材料需要满足一定
的力学性能、耐热性、耐候性、耐化学腐蚀性等要求,以确保零部件的稳定性和可靠性。
3. 橡胶材料标准:上汽集团在制造汽车零部件时,还会使用各种橡胶材料。
这些橡胶材料需要满足一定
的弹性、耐磨性、耐油性、耐候性等要求,以确保零部件的密封性和可靠性。
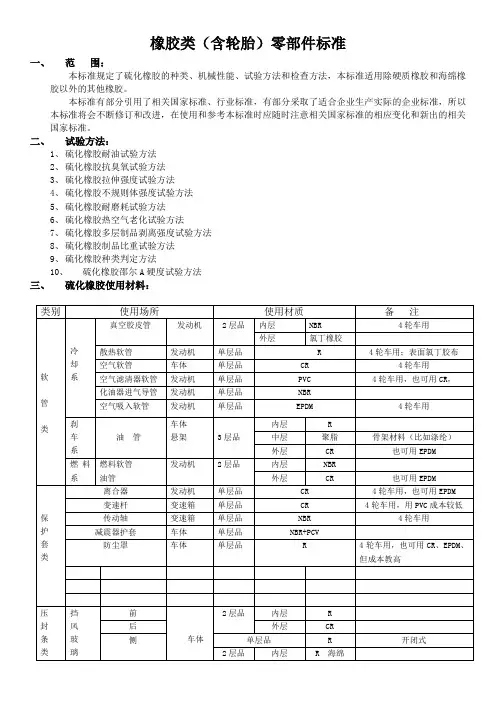
橡胶类(含轮胎)零部件标准一、范围:本标准规定了硫化橡胶的种类、机械性能、试验方法和检查方法,本标准适用除硬质橡胶和海绵橡胶以外的其他橡胶。
本标准有部分引用了相关国家标准、行业标准,有部分采取了适合企业生产实际的企业标准,所以本标准将会不断修订和改进,在使用和参考本标准时应随时注意相关国家标准的相应变化和新出的相关国家标准。
二、试验方法:1、硫化橡胶耐油试验方法2、硫化橡胶抗臭氧试验方法3、硫化橡胶拉伸强度试验方法4、硫化橡胶不规则体强度试验方法5、硫化橡胶耐磨耗试验方法6、硫化橡胶热空气老化试验方法7、硫化橡胶多层制品剥离强度试验方法8、硫化橡胶制品比重试验方法9、硫化橡胶种类判定方法10、硫化橡胶邵尔A硬度试验方法三、硫化橡胶使用材料:四、材料表示方法及性能:五、 橡胶类别判定方法:2、橡胶热分解产物颜色判定法:方法:将剪细的试样1-2g 装入试管内,在酒精灯上加热,使其试样热解,将热解出的气体及油珠分别导入盛有的四种溶液(A 、B 、C 、D 顺序),试管中,观察其颜色及油珠的沉浮情况,根据颜色及油珠的变化初步判定其胶型。
A 、B 、C 、D橡胶附注:A、B、C、D溶液配置方法如下A:取对二甲氨基笨甲醛1g,对苯二酚溶解于100ml甲醇中,加入浓盐酸(P为cm3)5ml、乙二醇10ml,用无水乙醇或乙二醇调节其密度为± g/cm3(25 O C /4 O C)。
此溶液PH值为(25 O C)。
B:取柠檬酸钠,柠檬酸1g,溴香草酚蓝 g溶于100ml甲醇和210ml水之混合液中,用甲醇或水调节密度至± g/cm3(25 O C /4 O C),此溶液PH值为(25 O C)。
C:取柠檬酸钠2g,溴酚蓝 g溶于780ml甲醇与320ml水之混合液中,调节密度至± g/cm3(25O C /4 O C),此溶液的PH值为(25 O C)D:取柠檬酸钠2g,柠檬酸 g,溴甲笨酚绿 g溶于500ml水中,用乙醇调节其密度至± g/cm3(25 O C /4 O C),此溶液PH值为(25 O C)。
新能源汽车用橡胶零部件介绍
新能源汽车的快速发展,使得橡胶零部件的需求也随之增加。
作为汽车制造的重要组成部分,橡胶零部件在新能源汽车中起到了关键的作用。
橡胶密封件是新能源汽车中不可或缺的组成部分。
它们被广泛应用于电池包、电机和控制器等关键部位,起到密封、防水和防尘的作用。
橡胶密封件的高弹性和耐高温性能,可以有效地防止能量的损耗和泄漏,保证新能源汽车的稳定运行。
橡胶悬挂件也是新能源汽车中不可或缺的部件之一。
悬挂系统对于新能源汽车的舒适性和操控性能起到了至关重要的作用。
橡胶悬挂件的优良弹性和减震性能,可以有效地吸收和减少行驶过程中的震动和冲击力,提高乘坐舒适性,并减少车辆的能量消耗。
橡胶密封圈和橡胶管道也是新能源汽车中常见的橡胶零部件。
橡胶密封圈被广泛应用于电池包、电机和控制器等关键部位,起到密封和防水的作用。
橡胶管道则用于传输液体和气体,如冷却液、制动液和空气等。
橡胶的优异耐腐蚀性和密封性能,能够确保流体的安全传输和系统的正常运行。
橡胶零部件在新能源汽车中扮演着重要角色。
它们不仅提高了新能源汽车的性能和可靠性,还减少了能源的消耗和环境污染。
随着新能源汽车市场的不断扩大,橡胶零部件的需求也将继续增长。
未来,
我们可以预见,橡胶零部件将在新能源汽车领域发挥更加重要的作用,为人们提供更加环保和高效的出行方式。
硅橡胶类检验标准件检验规范文件编号Q/AK、QM-C版本号A/0标题硅橡胶类检验标准生效日期年月日页次第1 页共2页1 目的:掌握硅橡胶类检验标准,使零部件的质量更好的符合我公司的品质要求。
2 适用范围:密封垫、O形圈、尖顶平垫等橡胶类零部件。
3 检验仪器和设备:硬度计、电子卡尺、直尺、放大镜、显微镜等。
4 检验项目及技术要求:4、1 外观:4、1、1 包装标识与实物一致,无混杂。
4、1、2 与样品一致(包括颜色、字体、大小等),不可有色差。
4、1、3 无破损、毛边、变形、脏污、切边不齐现象。
O形圈不允许存在孔隙、裂纹、气泡;表面应当光滑、清洁。
4、2 结构尺寸:所有尺寸符合图纸要求。
4、3 可靠性测试:如耐磨试验(一般50万次来回,字印可见为OK)4、4 硬度(邵氏硬度):455 GB/T531-19994、5 装配:与相应零配件配合良好。
4、6 拉伸强度:不小于11Mpa GB/T528-1998标准(参考)4、7 扯断伸长率:不小于220% GB/T528-1998标准(参考)4、8 压缩永久变形:压缩率25%(100℃*22H)不大于30% GB/T7759-1996标准(参考)4、9 热空气老化:100℃*70H,GB/T531-1999 GB/T528-1998标准(参考)5 检验方法:5、1 外观:目测法、放大镜、显微镜检测。
5、2 结构尺寸:用游标卡尺、直尺测量。
5、3 硬度:用硬度计测量。
5、4 装配:用相应零部件(阀轴、电极、阀座等)试装。
5、5 其它性能:目测法、手测法、试验法等。
6 缺陷分类(见附表)。
7 抽样方案:符合奥凯公司GB/T2828、1-2003抽样标准。
拟制李倩xx、03、05审核孙年美xx、03、05批准蒋平达xx、03、05宁海县奥凯燃气具有限公司零部件检验规范文件编号Q/AK、QM-C版本号A/0标题硅橡胶类检验标准生效日期年月日页次第2 页共2 页序号检验项目缺陷内容判定1外观包装标识与实物不一致,混料B与样品不一致(颜色、孔位、触点等)B毛边、变形、切边不齐、破损、脏污C2结构尺寸规格尺寸超出允许公差范围且影响装配B规格尺寸超出允许公差范围但不影响装配C3硬度硬度差,在要求硬度范围外B4装配手感不良,位置偏差B5其它性能撕裂强度弱,压缩易变形,不耐磨B附表拟制李倩xx、03、05审核孙年美xx、03、05批准蒋平达xx、03、05。
前言本技术规范起草部门:技术与设计部本技术规范起草人:何龙本技术规范批准人:唐在兴本技术规范文件版本:A0本技术规范于2014年8月首次发布密封结构设计技术规范1适用范围本技术规范适用于灯具外壳防护使用密封圈的静密封结构设计。
包括气密性灯具密封结构设计。
2引用标准或文件GB/T 3452.1-2005 液压气动用O形橡胶密封圈第1部分:尺寸系列及公差GB/T 3452.3-2005 液压气动用O形橡胶密封圈沟槽尺寸GB/T 6612-2008 静密封、填料密封术语JB/T 6659-2007 气动用0形橡胶密封圈尺寸系列和公差JBT 7757.2-2006 机械密封用O形橡胶圈JB/ZQ4609-2006 圆橡胶、圆橡胶管及沟槽尺寸《静密封设计技术》(顾伯勤编著)《橡胶类零部件(物料)设计规范》(在PLM中查阅)3基本术语、定义3.1密封:指机器、设备的连接处没有发生泄露的现象(该定义摘自《静密封设计技术》)。
3.2静密封: 相对静止的配合面间的密封。
密封的功能是防止泄漏。
3.3泄漏: 通过密封的物质传递。
造成密封泄漏的主要原因:(1)机械零件表面缺陷、尺寸加工误差及装配误差形成的装配间隙;(2)密封件两侧存在压力差。
减小或消除装配间隙是阻止泄漏的主要途径。
3.4接触型密封:借密封力使密封件与配合面相互压紧甚至嵌入,以减小或消除间隙的密封。
3.5密封力(或密封载荷):作用于接触型密封的密封件上的接触力。
3.6填料密封:填料作密封件的密封。
3.7接触压力:填料密封摩擦面间受到的力。
3.8密封垫片:置于配合面间几何形状符合要求的薄截面密封件。
按材质分有:橡胶垫片,金属垫片、纸质垫片、石绵垫片、塑料垫片、石墨垫片等。
3.9填料:在设备或机器上,装填在可动杆件和它所通过的孔之间,对介质起密封作用的零部件。
注:防爆产品电缆引入所指的填料在GB3836.1附录A2.2条中另有定义,指粘性液体粘接材料。
3.10 压紧式填料:质地柔软,在填料箱中经轴向压缩,产生径向弹性变形以堵塞间隙的填料。
cqi30橡胶系统评估标准概述及解释说明1. 引言1.1 概述本文旨在介绍和解释CQI30橡胶系统评估标准,以促进读者对该标准的理解和应用。
CQI30是由国际汽车工作组(IATF)和一些橡胶行业专家共同制定的一套用于评估橡胶系统质量管理体系的标准。
这个标准旨在帮助公司提高其产品质量、降低生产成本,并增强市场竞争力。
1.2 文章结构本文将分为五个主要部分来阐述CQI30橡胶系统评估标准。
首先,我们会在第二部分中给出一个简要定义和背景,以便读者对该标准有一个初步认识。
随后,第三部分将详细介绍CQI30的内容,并强调其重要性。
在第四部分中,我们将探讨该标准的具体应用与实践,并分享一些成功案例和经验总结。
最后,在第五部分中我们将进行总结,并展望未来关于CQI30橡胶系统评估标准的发展方向。
1.3 目的本文的主要目的是使读者更好地了解CQI30橡胶系统评估标准及其在橡胶行业中的重要性。
通过阐述该标准的定义、内容和应用,我们希望能够引起读者对CQI30的兴趣,并促使他们在自己的企业中开始实施或改进质量管理体系。
这将有助于提高产品质量、降低生产成本,并增强市场竞争力,为企业带来更多的商机和成功。
2. cqi30橡胶系统评估标准:2.1 定义和背景:cqi30橡胶系统评估标准是一个被广泛采用的用于评估橡胶制品生产系统质量的标准。
它由CQI(Continuous Quality Improvement)组织开发,并在全球范围内得到了许多橡胶制品制造商和供应商的广泛应用。
2.2 cqi30概述:cqi30是一套完整的评估体系,可以帮助企业对其橡胶制品生产过程进行全面而系统地评估。
该标准包括多个关键要素,如管理责任、人员培训、过程控制、测量与数据分析、持续改进等。
通过对这些要素的全面评估,企业可以识别出其现有体系中存在的问题和缺陷,并提供改进建议和指导。
2.3 cqi30标准解读:cqi30标准强调了从顾客需求开始,并沿着产品生命周期进行全方位的质量管理。
橡胶软接头用螺栓规格下载温馨提示:该文档是我店铺精心编制而成,希望大家下载以后,能够帮助大家解决实际的问题。
文档下载后可定制随意修改,请根据实际需要进行相应的调整和使用,谢谢!并且,本店铺为大家提供各种各样类型的实用资料,如教育随笔、日记赏析、句子摘抄、古诗大全、经典美文、话题作文、工作总结、词语解析、文案摘录、其他资料等等,如想了解不同资料格式和写法,敬请关注!Download tips: This document is carefully compiled by the editor. I hope that after you download them, they can help yousolve practical problems. The document can be customized and modified after downloading, please adjust and use it according to actual needs, thank you!In addition, our shop provides you with various types of practical materials, such as educational essays, diary appreciation, sentence excerpts, ancient poems, classic articles, topic composition, work summary, word parsing, copy excerpts,other materials and so on, want to know different data formats and writing methods, please pay attention!橡胶软接头在各种管道系统中起着至关重要的连接作用。
橡胶类(含轮胎)零部件标准范围:本标准规定了硫化橡胶的种类、机械性能、试验方法和检查方法,本标准适用除硬质橡胶和海绵橡胶以外的其他橡胶。
本标准有部分引用了相关国家标准、行业标准,有部分采取了适合企业生产实际的企业标准,所以本标准将会不断修订和改进,在使用和参考本标准时应随时注意相关国家标准的相应变化和新出的相关国家标准。
试验方法:1、硫化橡胶耐油试验方法2、硫化橡胶抗臭氧试验方法3、硫化橡胶拉伸强度试验方法4、硫化橡胶不规则体强度试验方法5、硫化橡胶耐磨耗试验方法6、硫化橡胶热空气老化试验方法7、硫化橡胶多层制品剥离强度试验方法8、硫化橡胶制品比重试验方法9、硫化橡胶种类判定方法10、硫化橡胶邵尔A硬度试验方法硫化橡胶使用材料:四、材料表示方法及性能:种类表示方法使用目的适用橡胶普通硫化橡胶R 在不要求耐油耐热性耐臭氧老化时,用做普通橡胶件及缓冲橡胶天然橡胶(NR、丁苯橡胶(SBR 异戊二烯橡胶(IR)耐油性硫化橡胶NBR 用于普通的耐油性橡胶、耐汽油橡胶,使用于油封等腈系橡胶(NBRCR 用于要求具有多项耐油性、耐侯性的橡胶制品氯丁二烯橡胶(CR)EPDM 用于耐天候性、耐臭氧、耐较高温度的橡胶制品,耐制动液性能优良,可做液刹皮腕三元乙丙橡胶EPDM耐热性硫化橡胶Q 用于要求耐热、耐寒性的橡胶件,使用于汽缸衬垫等硅橡胶Q氟橡胶FPM ACM 使用于要求耐热、耐油、耐老化的橡胶制品丙烯酸脂橡胶ACM耐热耐油橡胶FPM 使用于要求具有最强的耐热耐油耐化学腐蚀的橡胶氟橡胶FPM改性PVC / 使用于要求耐臭氧有一定强度的,较低弹性的制品软质PVC橡塑PVC+NBR 需要一定耐油性,耐臭氧老化性的制品备注所有橡胶件制品均要求为非污染性橡胶五、橡胶类别判定方法:1、燃烧试验法:橡胶名称燃烧特性残渣气味燃烧性自熄性火焰特征氯丁橡胶难仲等)有(慢)火焰根部呈绿色,与铜丝一起加热时绿色更明显膨胀氟橡胶极难离开火焰就灭火焰根部呈绿色,与铜丝一起加热时绿色更明显天然胶易无橙黄色火焰,喷射火花或火星,冒浓黑烟软化淌滴,起泡,残渣无粘性丁苯胶易无橙黄色火焰,喷射火花或火星,冒浓黑烟三元乙丙胶易无火焰根部呈蓝色,冒泡无烟,淌滴,烟味具有石蜡气味丁腈胶易无橙黄色火焰,喷射火花或火星,冒浓黑烟略膨胀,残渣代节,无粘性硅橡胶中等有白色,亮白色火焰白色残渣聚硫橡胶易无蓝紫色火焰,外层砖红色fS味2、橡胶热分解产物颜色判定法:方法:将剪细的试样1-2g装入试管内,在酒精灯上加热,使其试样热解,将热解出的气体及油珠分别导入盛有的四种溶液(A、B、C、D顺序),试管中,观察其颜色及油珠的沉浮情况,根据颜色及油珠的变化初步判定其胶型。
溶液附注:A、B、C、D溶液配置方法如下A :取对二甲氨基笨甲醛1g,对苯二酚溶解于100ml甲醇中,加入浓盐酸(P为cm3)5ml、乙二醇10ml,用无水乙醇或乙二醇调节其密度为土g/cm3(25 °C / 4 °C)。
此溶液PH值为(25 °C)。
B :取柠檬酸钠,柠檬酸1g,溴香草酚蓝g溶于100ml甲醇和210ml水之混合液中,用甲醇或水调节密度至土g/cm3(25 °C / 4 °C),此溶液PH值为(25 °C)。
C :取柠檬酸钠2g,溴酚蓝g溶于780ml甲醇与320ml水之混合液中,调节密度至土g/cm 3(25°C/ 4 °C),此溶液的PH值为(25 °C)D :取柠檬酸钠2g,柠檬酸g,溴甲笨酚绿g溶于500ml水中,用乙醇调节其密度至土g/cm 3(25°C / 4 °C),此溶液PH值为(25 °C)。
六、橡胶用骨架材料尼龙6与尼龙66的判定方法:七、特种橡胶其性能比较耐溶剂性 ◎ ◎ O △ O 阻燃性 ◎ O ▲ ▲ ▲ 耐臭氧性 ◎ ◎ ◎ X ◎ 耐蒸汽性 ◎ O X △ O 耐酸性 ◎ O △ O ◎ 耐碱性 ◎ ◎ △ O ◎ 耐油性 ◎ △ O O X 气密性◎▲OO△说明:◎优秀 O 良好 △ 一般 ▲ 要注意 X 差八、橡胶含量的测定:A :直接法此方法比较复杂,但精确度较高。
即使用橡胶总重量减去其他成分的重量就是纯橡胶的重量。
其他 成分如下: 1、 溶剂抽出物总质量(有机配合剂、树脂和游离硫) 。
2、 乙醇钾抽出物(油膏和蛋白质)。
3、 灰分(500-550 °C )包括全部无机配合剂4、 结合硫(全硫量减去游离硫)5、 碳黑含量6、 纤维B :热重分析法:将g 试样以丙酮一一三氯甲烷(1:1)混合液抽提4小时,烘干后将试样放入白金舟中,白金舟置于石英玻璃管中通氮气于 400 °C 热解10分钟,然后称量,失去的质量即为橡胶含量实验装置图九:关于橡胶类部分专用术语的名词解释:邵尔A 硬度:硬度是指橡胶抵抗外来压力侵入的能力,用以表示橡胶的坚硬程度。
邵尔硬度分为量软质橡胶)、B (测量半硬质橡胶)、C (测量硬质橡胶)。
拉伸强度:拉伸强度又称扯断强度或抗拉强度,是指橡胶被扯断时单位面积上所受的力,以Mpa 表示。
扯断强度是衡量橡胶机械强度的一个重要性指标,其值越大,说明橡胶的强度越好。
扯断伸长率:简称伸长率,是指橡胶被扯断时,所拉伸增加的长度和原来长度的比值,以百分率(%表示。
它是衡量橡胶塑性的一个性能指标,伸长率大即表示橡胶的质地软、塑性好。
对橡胶的使用 性能来说,它需有适当大的伸长率,但过大也不好。
回弹率:又称回弹性,或称冲击弹性、弹力,也是衡量橡胶弹性的一个重要性能指标。
用摆垂在一定的高度冲击橡胶,弹回的高度与原来的高度的比值, 就叫回弹率,以百分率(%表示,其值越大, 表明橡胶的弹性愈高。
A (测排放扯断永久变形:简称永久变形,也是衡量橡胶弹性的一个重要指标。
它是橡胶拉伸拉断后,停放一定时间(通常为 3 分钟),其变形部分所增加的长度与原来长度的比值,用百分率表示(%)。
其直越小,则橡胶的弹性就越好。
此外,也可以用压缩永久变形来衡量橡胶的弹性。
定伸强度:又称定伸强力。
是指橡胶伸长到一定长度,即伸长到100%、200%、300%、500%时,单位面积上所需的力。
以N/cm2表示。
这是衡量橡胶强韧性的一个重要力学指标,其值越大,橡胶的强忍性就越好,说明这种橡胶不易产生弹性形变。
抗撕裂性:橡胶制品在使用时,如果出现裂口,会愈撕愈大而导致最终报废。
所以抗撕裂性对橡胶制品来说也是一项很重要的力学性能指标。
抗撕裂性通常用抗撕裂值来衡量,它是指单位厚度(cm)的橡胶,在切口发生撕裂直至撕断为止所需要的力,其单位为N/cm。
当然这个值越大越好。
附着力和附着强度:橡胶制品两结合面间(如胶与布或布与布)分离时所需的力称为附着力。
附着力的大小通常以附着强度来衡量,它是以试样两结合面分离时,单位面积上所需的外力来表示,计算单位为N/cm或N/。
附着强度是衡量以棉布或其他纤维织物做骨架材料的橡胶制品中一项重要的力学性能指标,其值当然也是越大越好。
磨耗量:又称某磨耗减量,是衡量橡胶材料耐磨性的主要质量指标,它的测量和表示方法很多。
目前我国多采用阿克隆磨耗试验法,它是橡胶胶轮在一定的倾斜角度(150)和一定的负荷()作用下,与标准硬度砂轮(邵氏780)进行摩擦,测定橡胶在一定行程()内的磨损量,以cm3/ km表示。
此值愈小,则橡胶的耐磨性愈好。
脆性温度和玻璃化温度:这是测定橡胶耐寒性的质量指标。
橡胶在摄食氏零度以下就会开始硬化,弹性大大降低;随着温度的继续下降,逐渐硬化到弹性完全丧失,就象玻璃一样,又脆又硬,一敲就碎,这个温度叫玻璃化温度,是橡胶的最低使用温度。
工业上一般不测定玻璃化温度(因为时间长),而测定脆性温度。
就是把橡胶经低温冷冻一个时间后,用一定的外力冲击,橡胶开始断裂时的温度,就叫脆性温度。
脆性温度通常比玻璃化温度高些,脆性温度愈低,就表明这种橡胶的耐寒性愈好。
裂解温度:橡胶受热温度达到一定程度后,胶体就会裂解,这个温度称为裂解温度。
这是测定橡胶耐热性的一个性能指标,裂解温度愈高,这种橡胶的耐热性就愈好。
一般橡胶的实际使用温度范围,是在脆性温度与裂解温度之间。
抗膨润性:部分橡胶制品在使用中常与酸、碱、油等物质接触,这种物质使橡胶制品膨胀,表面发粘,最后制品报废。
橡胶制品抵抗酸、碱、油等作用的性能称为抗膨润性。
测量橡胶抗膨润性的方法有两种:一种是把橡胶试样侵入酸、碱、油等液体介质中,在一定温度下,经一定时间后,以其所发生的重量(或体积)膨胀率;其值愈小,则橡胶的抗膨润性就愈好。
另一种是以浸润后的拉伸强度与浸闰前的拉伸强度的比值来表示,这种表示方法叫耐酸(碱)或耐油系数;这个系数越大,则橡胶的抗膨润性就愈好。
老化系数:老化系数是衡量橡胶耐老化能力的一个性能指标,它是在一定温度、经一定时间把橡胶进行老化后,用老化后与老化前的物理力学性能(拉伸强度或拉伸强度与伸长率的乘积)的比值来表示。
老化系数大,这种橡胶的耐老化能力就好。
十、橡胶件(不含轮胎)硫化胶物理机械性能一览表:1、上述参数做零部件订立标准时参考,有必要时根据实际情况可做适当修改,上述比重项目核价可做参考•2、关于耐油试验的标准,目前钱江公司试验以汽油和乙醇做介质,不符合国标要求,国标要求用标准油,目前无参考依据;上述标准引用了部分大长江摩托车公司的标准。
3、成本比较:A 天然胶e>b>aB 丁腈胶 a >bC PVC 该性e>b>aD 三元乙丙胶b>aE PVC+NBR b>a综合比较:FPM>ACM>CSM>Q>EPDM>CR>NBR>NR>NBR+PVC>PVC备注:1、关于成本上述仅供参考,随着整个社会的供求之差异,橡胶的单位成本在随时发生变化,具体应以当时价格为准。
2、上述价格比较仅为材料价格之对比,对于具体产品的成本做比较无实际意义。
、橡胶类摩托车轮胎(含两轮及三轮)主要技术参数:1、外胎:2、内胎:4、试装与路试:5、摩托车用橡胶轮胎制品基本物理性能标准:6、轮胎重量:十二、其他有关其它内容在进一步完善中!附部分试验方法橡胶拉伸强度试验方法、试验仪器:拉力试验机应符合HG2369的规定。
其测力精度应达到B级、试样制备:1、试样制备应符合GB9865的规定2、对于哑铃状试样,在其狭小平行部位,用不影响试样物理性能的印色,印上两条平行标线每条标线应与试样中心等距离与试样长轴方向垂直,标线的粗度不应超过0.5mm。
3、测量崖哑铃状试样的厚度时,用厚度计在狭小平行部部分测量三点,一点在试样的中心部位,另两点在两条标线附近,取三点测量值的中位数作为试样的厚度值,(标准厚度应在2.0 ±.2 mm)。