内部审核检查表
- 格式:doc
- 大小:142.00 KB
- 文档页数:12
9.3:管理评审156总经理 3.是否明确了管理评审的输出?
9.3:管理评审157总经理4.是否保留形成文件的信息?作为管理评审的证据?
10.1改进总则158总经理1.是否确定的改进的时机?(顾客满意度评审后、管理评审后等?)
10.1改进总则159总经理2.是否有对改进的结果做了适当的评价?
10.2不合格和纠正措施160品管部1.当出现不合格包括投诉的不合格时,组织如何做出应对?应对方式是否合理?
10.2不合格和纠正措施161品管部2.是否确定了评价准则来评价是否需要采取措施消除不合格产生的原因?
10.2不合格和纠正措施162品管部3.组织是否保留了相关的形成文件信息?内容包括:
(1)不合格的性质以及随后采取的措施。
(2)纠正措施的结果
10.3:持续改进163总经理1.组织是否对持续改进的需求和机遇进行了识别?。
XXXX有限公司
XX/QR 8.2.2-03质量管理体系内部审核检查表
〖备注〗1:符合(合格);2:需改进;3:不符合(不合格)。
内审员:年月日
XXXX有限公司
XX/QR 8.2.2-03质量管理体系内部审核检查表
〖备注〗1:符合(合格);2:需改进;3:不符合(不合格)。
内审员:年月日
XXXX有限公司
XX/QR 8.2.2-03质量管理体系内部审核检查表
〖备注〗1:符合(合格);2:需改进;3:不符合(不合格)。
内审员:年月日
XXXX有限公司
XX/QR 8.2.2-03质量管理体系内部审核检查表
内审员:年月日
XXXX有限公司
XX/QR 8.2.2-03质量管理体系内部审核检查表
〖备注〗1:符合(合格);2:需改进;3:不符合(不合格)。
内审员:年月日
XXXX有限公司
XX/QR 8.2.2-03质量管理体系内部审核检查表
〖备注〗1:符合(合格);2:需改进;3:不符合(不合格)。
内审员:年月日。
审核准则符合说明涉及条款范围ISO9001-2015、体系文件、适用法律法规○”符合;“?”观察项;“△”一般不符合;“×”重大不符合※不符时记入证据、事实。
审核内容、证据及方法1.组织QMS覆盖范围和过程是否有缺失?2.组织QMS对标准条款是否剪裁?如有,所剪裁条款中过程确凿没有?审核记录无缺失、覆盖全面生产和服务的设计不适用,此不影响公司提供满足法律法规及顾客要求的产品最高管理者应确定与本公司质量目标和战略方向相关并影响实现质量管理体系预期结果的各种内部因素(公司的价值观、文化、知识、绩效等相关因素)和外部因素(国际、国家、地区和当地的各种法律法规、技术、竞争、文化和社会因素等)。
这些因素可以包括需要考虑的正面和负面因素或条件。
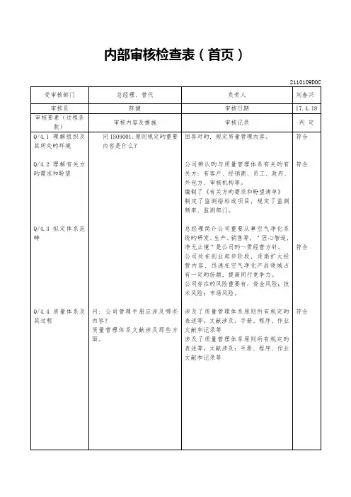
√审核发现√4.1 1.组织是否确定与其目标和战略方向相关并影响其实现质量管理体系预期结果的各种外部和内部因素?是否对这些相关信息进行监视和评审?理解组织及其环境本公司定期对这些内部和外部因素的相关信息进行监视和评审,以确保其充分和适宜。
4.2理解相关方的需求和期望1.组织是否确定了与质量管理体系有关的所有相关方?是否对这些相关方制定相关要求并进行了监视和评审?公司应确定:a)与质量管理体系有关的相关方;√b)这些相关方的要求;公司应对这些相关方及其要求的相关信息进行监视和评审,以便于理解和持续满足相关方的需求和期望。
组织应考虑以下相关方:--顾客;--最终用户或受益人;--法人,股东;--银行;--外部供应商;--雇员及其他为组织工作者;--法律法规及监管机关;--地方社区团体;--非政府组织;。
审核准则符合说明涉及条款ISO9001-2015、体系文件、适用法律法规○”符合;“?”观察项;“△”一般不符合;“×”重大不符合※不符时记入证据、事实。
审核内容、证据及方法审核记录理解相关方的需求和期望可以帮助本公司更好的建立清晰的方针和目标,做到目的明确。
质量管理体系内部审核检查表受审部门:采购部(一)接受审核人员:内审员:质量管理体系内部审核检查表受审部门:采购部(二)接受审核人员:内审员:质量管理体系内部审核检查表受审部门:计划部/仓储部(一)接受审核人员:内审员:质量管理体系内部审核检查表受审部门:计划部/仓储部(二)接受审核人员:内审员:质量管理体系内部审核检查表受审部门:品质中心(一)接受审核人员:内审员:质量管理体系内部审核检查表受审部门:品质中心(二)接受审核人员:内审员:质量管理体系内部审核检查表受审部门:品质中心(三)接受审核人员:内审员:质量管理体系内部审核检查表受审部门:品质中心(四)接受审核人员:内审员:质量管理体系内部审核检查表受审部门:品质中心(五)接受审核人员:内审员:质量管理体系内部审核检查表受审部门:品质中心(六)接受审核人员:内审员:质量管理体系内部审核检查表受审部门:品牌营销中心(一)接受审核人员:内审员:质量管理体系内部审核检查表受审部门:品牌营销中心(二)接受审核人员:内审员:质量管理体系内部审核检查表受审部门:跨境电商中心(一)接受审核人员:内审员:质量管理体系内部审核检查表受审部门:跨境电商中心(二)接受审核人员:内审员:质量管理体系内部审核检查表受审部门:B2B业务中心(一)接受审核人员:内审员:质量管理体系内部审核检查表受审部门:B2B业务中心(二)接受审核人员:内审员:质量管理体系内部审核检查表受审部门:研发中心(一)接受审核人员:内审员:质量管理体系内部审核检查表受审部门:研发中心(二)接受审核人员:内审员:质量管理体系内部审核检查表受审部门:研发中心(三)接受审核人员:内审员:质量管理体系内部审核检查表受审部门:人力资源中心(一)接受审核人员:内审员:质量管理体系内部审核检查表受审部门:人力资源中心(二)接受审核人员:内审员:质量管理体系内部审核检查表受审部门:最高管理层/管理者代表(一)接受审核人员:内审员:质量管理体系内部审核检查表受审部门:最高管理层/管理者代表(二)接受审核人员:内审员:质量管理体系内部审核检查表受审部门:最高管理层/管理者代表(三)接受审核人员:内审员:。
内部审核检查表_RBT214-2022内部审核检查表条款条款内容具体审核内容审核记录审核结果符合基本符合不符合不适用4要求4.1机构4.1.1检验检测机构应是依法成立并能够承担相应法律责任的法人或者其他组织。
1)检验检测机构的法人登记、注册证书(营业执照)文件是否由相关行政主管部门核发;2)是否处于有效期内;3)资质认定证书所用名称、地址是否与法人登记、注册文件一致;4)登记、注册文件中的经营范围是否包含检验、检测、检验检测或者相关表述;5)是否有影响其检验检测活动公正性的经营项目(诸如生产、销售等)。
检验检测机构或者其所在的组织应有明确的法律地位,对其出具的检验检测数据、结果负责,并承担相应法律责任。
体系文件中是否有规定:1)对其出具的检验检测数据、结果负责,并承担相应法律责任。
2)因检验检测机构自身原因导致检验检测数据、结果出现错误、不准确或者其他后果的,应当承担相应解释、召回报告或证书的后果,并承担赔偿责任。
3)涉及违反相关法律法规规定的,需承担相应的法律责任。
不具备独立法人资格的检验检测机构应经所在法人单位授权。
1)非独立法人检验检测机构,其所在的法人单位是否是依法成立并能承担法律责任;2)该检验检测机构在其法人单位内是否有相对独立的运行机制;3)是否能够提供所在法人单位对检验检测机构独立运作和承担法律责任的法人授权文件;4)如果所在法人单位的法定代表人不担任检验检测机构管理层的,是否由法定代表人对检验检测机构管理层进行授权。
4.1.2检验检测机构应明确其组织结构及管理、技术运作和支持服务之间的关系。
1)查看组织结构图,是否清晰表明了其管理体系的职责和相互关系;2)非独立法人的检验检测机构是否通过组织结构图表明了与其他部门的关系,说明其独立运作;3)检验检测机构是否设置质量管理、技术管理和行政管理的部门或岗位;4)查看管理体系职能分配表,是否清楚表达了三者之间的关系。
符合基本符合不符合不适用条款条款内容具体审核内容审核记录审核结果检验检测机构应配备检验检测活动所需的人员、设施、设备、系统及支持服务。
内部审核检查表内部审核检查表部门:业务课审核员: 日期:序号检查内容涉及标准条款检查方法检查结果1( 与部门主管面谈5.2 5.3 是否明确方针\目标\部门目标\职责1 2( 查阅手册、程序 5.4 5.51( 如何获取有关国家或地区法律、法规2( 询问相关法律、法规在产品实现的各环节如何体系3( 抽取3-4份合同评审记录,检查是否在签订前评审4( 如有投标,检查对标书的评审记录,中标后,合同与业务部是否对项合同、标书、订单进行了评标书是否有不一致的地方,如何解决 2 7.2 审 5( 口头订单是否进行记录并进行了评审6( 是否有产能一览表7( 是否存在网上销售,如有,产品信息、广告内容是否进行了评审检查3-4份合同更改记录,注意更改是否得到了确认,更合同更改是否按程序执行 3 7.2 改信息是否知会相关部门1( 询问部门主管顾客如何得到产品的信息,产品信息正式发布前是否进行过评审是否与顾客沟通的渠道 2( 询问如何就合同事宜与顾客沟通 4 7.2.3 3( 检查3-5份顾客来电来函及这些投诉处理的情况,是否传递相关部门并得到了解决1( 检查顾客满意调查记录,调查是否按规定进行 8.2.1是否进行了顾客满意度调查 2( 对调查结果进行了统计分析,发现的问题是否进行了5 8.4分析及采取改进措施 8.51( 检查销售人员培训计划及实施记录销售人员培训情况6 6.2.2 2( 检查销售人员,是否按规定进行了培训及考核内部审核检查表部门:采购审核员: 日期:序号检查内容涉及标准条款检查方法检查结果1( 与部门主管面谈5.2 5.3 是否明确方针\目标\部门目标\职责1 2( 查阅手册、程序 5.4 5.5是否按采购控制程序进行采购与部门主管面谈并查阅最新采购文件 2 7.4 1( 查阅是否建立合格供应商名册2( 检查新供应是否有调查表检查供应商的评定及控制情况 3( 抽查4-6家老供应商是否定期进行了评估,检查评估3 7.4.1记录是否符合评估标准(包括交货品质业绩\其它业绩),评估的结果是否按规定处理。