电子式智能电能表五位使用说明书
- 格式:pdf
- 大小:294.50 KB
- 文档页数:9
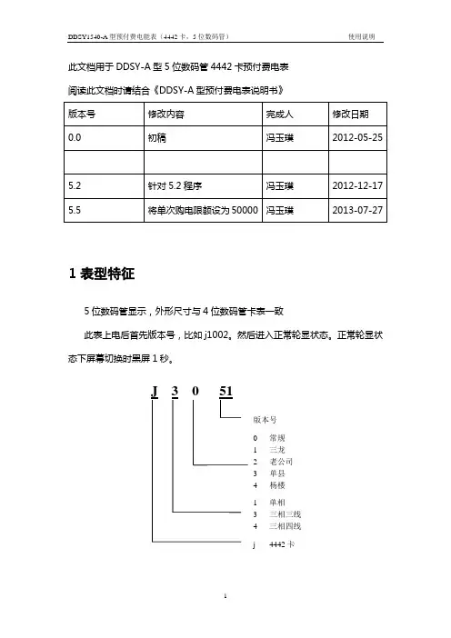
此文档用于DDSY-A 型5位数码管4442卡预付费电表1表型特征5位数码管显示,外形尺寸与4位数码管卡表一致此表上电后首先版本号,比如j1002。
然后进入正常轮显状态。
正常轮显状态下屏幕切换时黑屏1秒。
2电表状态2.1清零状态清零后电表处于清零状态,此时屏幕一直显示“00000”。
版本号 j4442卡1 单相3 三相三线4 三相四线 0 常规 1 三龙 2 老公司 3 单县 4杨楼2.2正常用电状态屏幕轮显总用电量和剩余电量。
剩余量显示最大为50000kwh,当小于10000kwh时,将显示1位小数。
总用量显示范围为99999kwh,当小于10000kwh时,将显示1位小数。
2.3超负荷显示状态当用户当前的功率值超过设定的限定功率时,将进入超负荷显示状态。
此时屏幕将显示当前功率值,例如,当功率值为11.2kw时,屏幕显示:P 11.2当用户功率值小于设定的限定功率时,将退出超负荷显示状态,进入正常用电状态。
注意:当使用调试卡上电后,此功能将失效。
2.4超负荷拉闸报警状态当超负荷显示状态持续1分钟后,电表将进入超负荷拉闸报警状态。
此时屏幕轮显“F-2”和剩余电量。
此种状态持续4分钟后,电表将恢复供电。
注意:当使用调试卡上电后,此功能将失效。
2.5断电报警状态当剩余电量减少到断电报警值时,电表将断电,并且进入断电报警状态。
此种状态下屏幕将轮显F-1和剩余电量。
注意:当使用调试卡上电后,此功能将失效。
2.6透支用电当电表的剩余量为负数,表明处于透支用电状态。
当使用临时透支用电卡设臵临时透支量后,电表走至零后将不断电,剩余量将往负的方向继续累加。
当达到设定的透支量后,电表将发生断电。
临时透支用电是在用户剩余量走到零后,来不及买电的情况下,刷入临时透支用电卡给用户应急供电。
当用户买电插表后表内的临时透支量将被清零。
当发生透支用电即剩余量为负值时,插入新购电用户卡后将冲减负的剩余量。
3插卡错误代码插卡时应将卡插入电表插卡槽中,数码管将关闭显示。
雅达DSSD3366使用说明书第一章综合介绍1.1 概述DSSD3366三相三线电子式多功能电能表采用先进技术设计的新型多功能智能电能表,具有精度高、稳定性好、布局合理、工艺先进、实用性强、功能强大、操作方便等特点,可准确、快捷地对各类电参数进行测量计算。
各项技术指标符合GB/T 17215.322—2008《0.2S级和0.5S级静止式交流有功电度表》、GB/T17215.323—2008《2级和3级静止式交流无功电度表》、DL/T614—2007《多功能电能表》等国家标准以及行业标准,其通信符合DL/T645—1997《多功能电能表通信规约》的要求。
第二章仪表主要功能2.1 分时计量本仪表可以计量正、反向有功电能,正、反向无功电能,四象限无功电能,以及A、B、C三相的分相正向有功电能;各种电能均可以按最大四种费率时段进行分时计量,得出不同费率的电能。
(默认为费率3平时段)四种时段的名称为:1(尖)、2(峰)、3(平)、4(谷)。
注:正向有功电能可设为正=正或正=正+反,反向有功电能单独计量;正向无功电能任意四象限的组合,默认Ⅰ+Ⅱ;反向无功电能任意四象限的组合,默认Ⅲ+Ⅳ2.2 最大需量本仪表可记录正、反向有功,四象限无功,正、反向无功,尖、峰、平、谷各时段的最大需量及该需量出现的日期、时间。
最大需量的积分周期和滑差步进时间可选择,需量周期可在5、10、15、30、60min中选择。
滑差式需量周期的滑差时间在1、2、3min中选择。
需量周期应为滑差时间的整数倍5倍及以上。
出厂默认设置为:最大需量周期15min,滑差步进时间为1min。
2.3 结算日(抄表日)电量按月结算,结算日一般设置为每月月末24时;自动结算日按如下次序进行操作:当前需量、电压合格率清零,当前电量不变;当前电量、电压合格率、需量写入上月数据区;上月电量、电压合格率、需量写入上上月数据区;同时进行月份电量记录和需量记录;需清次数加1。
435DDSF1352电子式电能表使用说明书安装使用说明书V1.0安科瑞电气股份有限公司申明版权所有,未经本公司之书面许可,此手册中任何段落、章节内容均不得被摘抄、拷贝或以任何形式复制、传播,否则一切后果由违者自负。
本公司保留一切法律权利。
本公司保留对本手册所描述之产品规格进行修改的权利,恕不另行通知。
订货前,请垂询当地代理商以获悉本产品的当前规格。
目录1概述 (1)2主要功能 (1)3技术参数 (1)4外形及安装尺寸 (2)5接线与安装 (2)6显示与操作 (3)7通讯协议要求 (4)1概述DDSF1352单相电子式电能表用于计量额定频率50Hz的单交流有功电能,具有电能计量、电参量测量及RS485通信等功能,性能指标符合GB/T17215.321-2008标准。
是改革传统用电体制,提高用电管理水平的理想计表。
产品符合企业标准Q31/0114000129C035-2017《导轨式安装电能表企业标准》的要求。
2仪表功能功能功能说明DDSF电能计量有功电能计量(正、反向)■无功电能计量(正、反向)■A、B、C分相正向有功电能电量测量U、I■P、Q、S、PF、F■LCD显示8位段式LCD显示、背光显示■按键编程4按键可编程通信等参数■脉冲输出有功脉冲输出■通讯通讯:RS485接口,同时支持Modbus、DL/T645-07■(■:标配;□:可选)3技术参数3.1电气特性项目DDSF1352规格测量电压参比电压220V功耗<10VA(单相)阻抗>2MΩ精度等级误差±0.2%电流输入电流10(60)A功耗<4VA(单路额定电流)精度等级误差±0.2%功率有功、无功、视在功率,误差±0.5℅电网频率45~65Hz,误差±0.2%计电能有功电能1级量无功电能2级时钟≤0.5s/d数字信号电量脉冲输出1路有功光耦输出开关量输出1路开关量输出脉冲脉冲宽度80±20ms脉冲常数1600imp/kWh通信接口与通信规约RS485口:Modbus RTU 规约/DL/T645-07规约通信地址范围Modbus RTU:1~247波特率支持1200bps~19200bps 环境工作温度-25℃~+55℃存储温度-40℃~+70℃相对湿度≤95℅(无凝露)相对湿度<2000m4外形及安装尺寸(单位:mm)DDSF1352注:直接接入的接线力矩应不大于4.0N·m5接线与安装电压电流接线示意图L N负载LL'A RS485+-B 有功2路通讯2122X1X22425404A B跳闸N DDSF1352接线图辅助功能接线示意图注:1.17、18为时钟与有功脉冲复用端子,默认为有功脉冲。
智能电表操作手册第一章智能电表概述 (3)1.1 智能电表简介 (3)1.2 智能电表的主要功能 (3)第二章智能电表安装与接线 (4)2.1 安装前的准备工作 (4)2.2 电表安装步骤 (4)2.3 接线方式及注意事项 (4)第三章智能电表操作界面 (5)3.1 显示屏操作说明 (5)3.2 功能键操作说明 (5)3.3 状态指示灯说明 (6)第四章参数设置与调整 (6)4.1 参数设置方法 (6)4.1.1 进入参数设置界面 (6)4.1.2 参数设置操作 (6)4.1.3 退出参数设置界面 (6)4.2 常用参数调整 (7)4.2.1 电价参数调整 (7)4.2.2 通讯参数调整 (7)4.2.3 负荷控制参数调整 (7)4.3 参数设置注意事项 (7)4.3.1 保证电表处于正常工作状态 (7)4.3.2 严格遵循操作流程 (7)4.3.3 记录参数设置信息 (7)4.3.4 保持参数设置的一致性 (7)4.3.5 定期检查参数设置 (7)第五章数据查询与统计 (7)5.1 实时数据查询 (7)5.1.1 查询条件 (8)5.1.2 查询结果 (8)5.1.3 数据刷新 (8)5.2 历史数据查询 (8)5.2.1 查询条件 (8)5.2.2 查询结果 (8)5.2.3 数据展示 (8)5.3 数据统计与分析 (8)5.3.1 数据统计 (8)5.3.2 数据分析 (8)5.3.3 报表输出 (8)5.3.4 报警功能 (8)第六章故障诊断与处理 (9)6.1.1 通信故障诊断 (9)6.1.2 电力故障诊断 (9)6.1.3 其他故障诊断 (9)6.2 故障处理方法 (9)6.2.1 通信故障处理 (9)6.2.2 电力故障处理 (10)6.2.3 其他故障处理 (10)6.3 维护保养建议 (10)6.3.1 定期检查 (10)6.3.2 环境保护 (10)6.3.3 防护措施 (10)6.3.4 定期培训 (10)第七章安全防护与节能 (11)7.1 安全防护措施 (11)7.1.1 操作人员要求 (11)7.1.2 设备安全防护 (11)7.2 节能措施 (11)7.2.1 电能计量管理 (11)7.2.2 用电需求侧管理 (11)7.2.3 系统优化与升级 (11)7.3 节能效果评估 (12)7.3.1 评估方法 (12)7.3.2 评估指标 (12)第八章智能电表通信功能 (12)8.1 通信接口介绍 (12)8.1.1 接口类型 (12)8.1.2 接口功能 (12)8.2 通信协议与设置 (13)8.2.1 通信协议 (13)8.2.2 通信设置 (13)8.3 通信故障处理 (13)8.3.1 故障现象 (13)8.3.2 故障原因 (13)8.3.3 故障处理方法 (13)第九章智能电表与智能家居的连接 (14)9.1 智能家居系统简介 (14)9.2 连接方法与步骤 (14)9.2.1 准备工作 (14)9.2.2 连接步骤 (14)9.3 智能家居应用场景 (14)第十章智能电表维护与管理 (15)10.1 定期检查与维护 (15)10.1.1 检查周期 (15)10.1.3 维护措施 (15)10.2 电表更换与升级 (16)10.2.1 更换条件 (16)10.2.2 更换流程 (16)10.3 管理与监控策略 (16)10.3.1 管理策略 (16)10.3.2 监控策略 (16)第一章智能电表概述1.1 智能电表简介智能电表,作为一种新型的电力信息采集与控制设备,是在传统机械式电表的基础上,融合现代电子技术、通信技术、计算机技术等多种先进技术而发展起来的。
智能电表说明书智能电表说明书1. 引言智能电表是一种利用先进的技术和通信手段实现对电力消费进行精确测量、远程监控和管理的装置。
本说明书将介绍智能电表的功能、安装和使用方法,以及常见问题解答。
2. 功能特点智能电表具有以下功能特点:- 精确测量智能电表采用先进的电能测量技术,能够精确测量电力消耗,实时显示电能使用情况。
用户可以准确了解自己的用电情况,并根据需求调整用电策略,以降低能源消耗。
- 远程监控智能电表可以通过通信网络接入智能电网系统,实现远程监控和管理。
供电公司可以实时获取用户的用电信息,识别异常用电情况,并采取相应措施解决问题。
用户也可以通过手机App等方式随时查看自己的用电情况。
- 管理功能智能电表支持多种功能,如峰谷电价策略、用电限额设定、用电报警等。
用户可以根据自己的需求进行设置,并根据电表提供的数据做出相应的调整。
这些功能旨在提高用户的用电效率和节能意识。
3. 安装方法智能电表的安装需要遵循以下步骤:1. 材料准备- 智能电表- 电表安装支架- 相关工具(如螺丝刀、电钳等)2. 断电在安装智能电表之前,需要先将电源断开以确保安全。
请关闭主断路器,并使用电测试笔确认电源已切断。
3. 移除旧电表使用电钳将旧电表与电源线解除连接。
请注意操作安全,确保自己不会触电。
4. 安装支架将电表安装支架固定在墙上或合适的位置上,确保支架牢固且水平。
5. 连接电源线使用电钳将电源线与智能电表连接。
确保连接牢固,不松动。
6. 完成安装将智能电表插入安装支架,固定好螺丝,并确保电表与支架连接稳固。
然后将电源重新接通。
4. 使用方法智能电表的使用方法非常简单:1. 电能显示智能电表的显示屏上会显示电能的使用情况,包括当前的用电功率、用电总量等。
通过观察电表上的数字或图表,用户可以了解自己的用电情况。
2. 远程查询用户可以通过手机App或网络平台查询智能电表的用电情况。
只需要打开相应的应用程序,并绑定自己的电表账号,即可随时随地了解自己家庭或企业的用电情况。
本说明书版权属深圳市科陆电子科技股份有限公司所有,未经书面许可,不得复制,传播或使用本文件及内容。
深圳市科陆电子科技股份有限公司保留所有版权。
本手册按标准配置编写,如用户发现产品与本手册不符,表示该功能未选配或该功能已升级。
本手册中的内容将定期审核,并在下一版的文件中做必要的修改,欢迎提出修改建议。
声明:深圳科陆电子科技股份有限公司保留改进说明书所有内容的权利,恕不另行通知。
安全和注意事项在试图安装、操作或维护此设备之前,请仔细阅读本手册。
以下出现在本手册中或设备上的特殊信息用来警示潜在危险或提醒操作注意事项。
附有这种安全标志示意周围存在电力危险,假若不遵照一定的指令去执行,将会导致人身伤害或死亡。
这是安全警告标记,用来警告潜在人身伤害的危险,遵照此标志的安全信息,将避免可能的伤害。
⏹本设备只能由有资质的工作人员才能进行安装和维护;⏹在维护和检修之前,设备必须断电并接地;⏹对于因不遵守本手册说明而引起的故障或伤亡,厂家不承担任何责任。
目录1概述 (1)1.1产品特点 (1)1.2应用领域 (1)2技术参数 (1)3安装 (2)3.1外型尺寸 (2)3.2安装图 (3)3.3接线图 (3)3.4安装注意事项 (4)4操作和使用 (4)4.1功能概述 (4)4.2面板格式 (4)4.3指示灯 (5)4.4LCD屏 (5)4.5显示说明 (5)4.6按键说明 (9)5通信说明 (10)5.1功能码 (10)5.2异常响应 (10)5.3实时数据寄存器 (10)5.4电能数据寄存器 (11)5.5装置参数寄存器 (12)5.6复费率参数寄存器 (13)5.7通讯参数寄存器 (13)5.8最大需量记录寄存器 (14)5.9时间寄存器 (14)5.10装置描述信息寄存器 (15)1概述1.1 产品特点DTSD720-L电子式电能表是科陆电子根据多年的电表设计经验,推出的一款全新的微型三相电能表,体积小巧,安装方便,可轻松放入各类配电箱和配电柜,集成工业通信接口,可轻松实现与各种智能配电系统的集成,极大地方便了能效管理。
智能电表使用说明一、什么是智能电表?智能电表是一种新型的电能测量仪表,与传统的电力仪表相比,智能电表具备更多的功能和特点。
智能电表内置有先进的通信技术和计算能力,可实现远程抄表、电量计费、实时监测能耗等功能。
二、智能电表的安装与连接1.安装位置选择:1.选择一个通风良好、干燥、安全的位置安装智能电表。
2.禁止将智能电表安装在高温、潮湿或易受外力破坏的地方。
3.安装位置应便于接入电源和接地。
2.连接电源:1.智能电表需要接入电源进行正常工作,确保电源线的接线正确可靠。
2.请注意电源线的极性,确保连接正确无误。
3.接入电路:1.根据需要,将智能电表与待测电路进行正确连接。
2.确保连接牢固,无松动、接触不良等问题。
三、智能电表的基本功能智能电表具备以下基本功能:1.电能计量:–智能电表可以准确测量电流、电压和功率等电能参数。
–可以实时统计用电量,并显示在电表屏幕上。
2.远程抄表:–智能电表支持远程抄表功能,无需人工上门抄表。
–通过通信技术,智能电表可以与抄表系统实现远程数据传输。
3.电量计费:–根据电能使用量,智能电表可以自动计算电费。
–可以根据不同的电价方案,灵活计费。
4.能耗监测:–智能电表可以实时监测能耗数据,并记录历史用电情况。
–用户可以通过智能电表的界面或相关应用程序查看用电趋势和能耗分析。
四、智能电表的使用注意事项1.安全用电:–在使用智能电表时,务必采取正确的电气安全措施。
–避免电路过载、短路等情况,确保用电安全。
2.定期维护:–智能电表需要定期进行维护和检修,确保正常工作。
–定期清洁电表表壳,并检查连接线路是否正常。
3.防止干扰:–智能电表的周围环境应避免有强磁场、强电磁干扰等情况。
–避免与其他电子设备过近距离摆放,以免相互干扰。
4.遵守使用规范:–在使用智能电表时,遵循相关的使用规范和管理要求。
–不得私自拆卸、改装电表,以免影响电能测量的准确性。
五、总结智能电表是一种功能强大的电能测量仪表,它可以实现远程抄表、电量计费和能耗监测等功能,为用户提供了方便和节能的服务。
使用说明书
智能电能表是在电子式电能表基础上实现电量金额化的新型电能表。
和传统电能表相比,该表具备智能计费、电费电价查询、电量记忆、实时监控、余额报警、信息远程传输等功能,广大客户可及时了解用电情况,实现消费自主透明。
操作说明;
1、如果您家安装了智能电能表,您将会领到一张够电IC卡。
2、为了保证您正常用电,我单位为新装单相费控智能电能表客户提供了10元电费的透支,在您首次开卡充值后,回去插表成功时您使用的透支金额会由电能表自动扣减。
3、您拿到IC卡后请及时到合同约定的营业厅进行充值。
4、够电后:,请您按上标识的正确插卡方向(电卡芯片向左)将IC卡插入智能电能表槽,停留至少5秒,等电能表提示“读卡成功”后(如图1),再将IC卡拔出,插卡时间不足则电费无法充入表中。
5、当智能电能表中剩余金额不足10元时,电能表报警灯会一真常亮,损醒您及时充值。
兰剩余金额不足5元时,电能表会自动断电报警,此时请将IC卡插入电能s秒后拨出可继续用电。
注意:当电费全部用完,如集您还没购电充值,您家就停电了,直到您再次购电并充入电能表,方能正常用电。
6、如果您的IC卡不慎丢失或损坏,请及时携带本人身份证复印件、您的户号或电能表号,到含国白的供电营业厅办理补卡手续。
购电卡丢失或损坏不会对您造成电费损失,宿最及时补卡该免影响后续正常用电。
单相电子式电能表使用说明书version2.1上海沪喻智能电气有限公司目录1概述 (1)2工作原理 (1)3主要特点 (1)4技术参数 (2)5主要功能 (3)6工作模式 (6)7外形尺寸 (6)8安装说明与使用 (6)9运输贮存 (7)10质量保证期 (7)11技术支持 (7)12附页:MODBUS通讯协议和寄存器地址表 (8)1概述DDSU9001系列电子式单相有功电能表(导轨)是采用专用集成电路、微电子技术以及SMT 工艺设计制造而成的高新技术产品。
它具有更高的集成度和超强的抗电磁干扰性能、宽电压范围、高可靠性、长寿命、高精度、低功耗、防窃电、体积小、便于安装等特点。
它集计量、电量控制、监测、报警、显示、RS485通讯和无线通讯(ROLA、RF)功能于一身,根据用户需求,配置灵活,实现用户的用电计量和用电信息采集存储和远程控制。
本产品用于计量额定频率为50Hz的单相交流有功电能,本产品符合国家标准符合GB/T17215.321-2008《1级和2级静止式交流有功电能表》和DL/T645—1997《多功能电能表通信规约》标准、DL/T645—2007《多功能电能表通信规约》标准。
2工作原理电能表工作时,电压、电流经过传感器件转换为采样信号通过滤波处理后送入计量模块,计量模块将能量信号转化为脉冲信号送到CPU进行电量脉冲采集,电量累计和各项计算分析处理,其结果保存在数据存中,同时CPU完成485(无线)通讯、LCD显示等功能处理。
其原理框图如下图所示:原理图3主要特点1)它集电能计量、电量控制、监测、报警、显示、RS485通讯(或无线ROLA、小无线)功能于一身,配置灵活;2)具备用于校表的有功电能脉冲输出,为无源光电隔离型OC门输出端口,脉冲宽度为80ms±20ms;波形为方波。
3)标准模数结构2P,体积小,安装方便。
4技术参数4.1型号规格说明:K:控制、RL:ROLA 通信、RF:射频通信例:DDSU9001普通电能表,通信RS485功能DDSU9001-RL 具有无线ROLA 通信功能的电能表DDSU9001-K 具有远程控制功能的电能表。
DDS858单相电子式电能表符合标准:GB/T 17215.321-2021产品安装使用前,请仔细阅读使用说明书,并妥善保管,以备查阅。
一、产品说明DDS858型单相电子式电能表采用大规模集成电路,具有外转元件少,结构简单,可靠性高,使用方便,并且有节电防窃电特点。
其性能符合GB/T17215.321-2021标准对单相电子式电能表的各项技术要求。
二、特点本产品用来计量额定电压220V、额定频率50Hz交流单相有功计量,长期工作不须作调校,采用SMT安装技术,工艺先进;并采用锰铜分流器作为电路回路,大大提高了过载能力,使实际过载能力达6倍以上,宽工作温度范围-30℃~+55℃,电能脉冲输出可扩展载波自动抄表。
2.1电能计量功能具有正反向有功电能计量功能,计量精度满足标准要求。
2.2显示功能电能测量值显示位数为5+1位,计度器显示范围:0kWh~99999.9kWh。
在到达极限值时进行归零处理。
2.3输出功能具备与所计量的电能量(有功)成正比的光脉冲输出和电脉冲输出。
12三、规格及主要技术参数1、规格型号注1.5(6)A/0.05-0.25(6)A 为互感式,需要外接互感器2、启动电流:0.004Itr (B 级),0.005Itr (A 级)3、具有防潜逻辑设计4、功耗≤2W/5V A5、环境条件:(1)标准工作温度:-20℃~45℃(2)极限工作温度:-30℃~55℃(3)相对湿度≤85%型号等级额定电压额定电流常数DDS858有功B(1)级有功A(2)级220V 1.5(6)A/0.05-0.25(6)A 6400imp/kWh 2.5(10)A/0.05-0.25(10)A 5(20)A/0.1-0.25(20)A 3200imp/kWh 10(40)A/0.2-0.5(40)A 1600imp/kWh5(60)A/0.25-0.5(60)A 15(60)A/0.48-1(60)A20(80)A/0.6-1.5(80)A 800imp/kWh30(100)A/0.8-2(100)A四、工作原理五、安装和接线:5.1安装检查5. 1.1如果发现原包装箱中产品型号或外形不符,请与供应商联系。
智能电表说明书及使用方法一、产品简介智能电表是一种新型的电力计量装置,它采用先进的电子技术和通信技术,具备自动抄表、远程抄表、数据存储等功能。
智能电表可以实时监测电能使用情况,并通过通信网络与电力公司进行数据交互,方便用户了解用电情况和电费消耗,同时也方便电力公司实现远程抄表和电能管理。
二、产品特点1. 精确计量:智能电表采用先进的电能计量技术,能够准确测量电能消耗,提供精确的用电数据。
2. 自动抄表:智能电表可以自动记录和存储用电数据,不需要人工抄表,减少了人力和时间成本。
3. 远程抄表:智能电表可以通过通信网络与电力公司实现远程抄表,方便电力公司及时获取用户用电数据。
4. 数据传输:智能电表支持多种通信方式,如GPRS、LoRa等,能够将用电数据传输到电力公司,并实现双向通信。
5. 节能环保:智能电表可以帮助用户了解电能消耗情况,提高用电意识,促使用户节约用电,减少能源浪费,达到节能环保的目的。
三、使用方法1. 安装:将智能电表安装在电力进户线路上,确保电表与电源连接正确,并确保接地良好。
2. 上电:接通电源后,智能电表会自动启动,进行自检和初始化操作。
3. 设置参数:根据实际情况,设置智能电表的相关参数,如电价、电压、电流等。
4. 显示功能:智能电表具备显示功能,可以显示当前的用电数据,如电压、电流、功率、电能等。
5. 数据查询:通过智能电表的操作界面,可以查询历史用电数据和实时用电数据,方便用户了解用电情况。
6. 数据传输:智能电表支持多种通信方式,可以通过有线或无线方式将用电数据传输到电力公司,实现远程抄表功能。
7. 数据分析:电力公司可以通过接收智能电表传输的数据,进行数据分析和统计,为用户提供用电建议和优化方案。
8. 故障排除:在使用智能电表过程中,如遇到故障或异常情况,用户可以参考说明书进行故障排除或联系售后服务。
四、注意事项1. 智能电表属于精密仪器,安装和维护时请遵守相关操作规程,以免影响使用效果。
DDSF单相电子式多费率电能表使用说明书中国电子/金蜂通信有限责任公司一、概述采用全数字化智能防窃电电能表专用芯片(AD7755或ADE7755计量芯片)技术设计的单相电子式多费率电能表,通信规约符合江苏省、湖北省电力公司的要求,它除具有电能计量功能外,还具有多费率分时计量,智能防窃电,红外和RS485接口等多种功能。
适用于居民、商店、学校等场合,是当前用电体制改革,实现电能商品化和高低峰分时计量,调整电网负荷状态的理想电能计量产品。
二、主要功能1.将完全数字化电能计量(AD7755或ADE7755)、LED电量显示、多费率分时计量,红外和RS485接口抄表等融为一体,具有极高的可靠性和合格率。
2.数字化校调表,校试简单,可接入自动验表系统进行自动验表,一次完成时钟、费率时段、工作方式、表号等设置。
3.应用专用芯片组设计,完全数字化计量,智能防窃电(进出线反接不影响正确计量并有记录),反接时反向电量单独计量。
图1 面板铭牌图4.峰、平、谷时段,三费率计时计量(也可设定为二费率)。
5.电表可设定峰、平、谷用电时段,最小时段设置为15~30分钟,最多可设定12个计量时段。
6.电能表保存12个月的电量止码。
7.每月电量在指定日期自动结帐(转存)。
8.六位一体LED交替显示时间、累计平电量、累计谷电量、累计峰电量和累计总电量等参数。
9.通过手持电脑(红外)或RS485接口可以设置、检查电能表的工作参数状态和电量。
10.停电时,自动保存数据,来电自动恢复。
11.内置日时钟,精确记录当前时间。
12.具有循环轮显和睡眠触发显示工作方式。
三、主要技术数据1. 符合国标:GB/T17215-98、GB/T15284-94标准2. 额定电压:220V3. 工作电压:65~130%(额定电压),极限工作电压400V4. 标定电流:1.5(6)A、5(20)A、5(30)A、10(40)A、10(60)A、20(80)A5. 精度:1.0;2.0级6. 日时钟精度:≤±0.5秒/日7. 额定工作频率:50Hz/60Hz8. 脉冲常数:1600,3200,6400imp/kWh9. 整机功耗:<1.0W10. 启动电流:≤0.004Ib11. 费率数:3费率,内部设定:峰(01)-费率2;平(10)-费率3;谷(11)-费率4,其它为默认费率312. 时段数:12时段,全平段13. 通信规约:《DL/T645-97》,江苏省、湖北省电力公司分时表通信规约14. 通信方式: RS485接口;红外通信,有效距离不少于4~5米15. 时钟后备电池:3V(500mAH~1000mAh)16. 外型尺寸:165mm×115mm×60mm17. 重量:0.5kg18. 工作寿命:>10年19. 数据保存:永久(无需电池)四、安装1. 电能表应安装在室内,安装在墙上或表箱内,安装时应基本保证电能表垂直,高度适中,便于观察和操作。