高企申报研发项目及高品统计表
- 格式:docx
- 大小:18.88 KB
- 文档页数:2
高企的研发费用和高品收入是如何审核的想知道你的企业能否申报高企?想了解你的企业申报高企需要达到的条件吗?想知道你的企业申报通过以后能够享受什么样的税收政策吗?想知道申报高企资质能给你的企业带来多大的好处吗?想知道如何才能申报时一次性通过吗?这是很多申报高企的企业都会考虑到的问题。
高企申报流程很全面,主要是从技术、数据以及企业内部来作为高企的在整体审核参考,下面就从这几方面来解释:1、技术层面从知识产权(知识产权申请的年限、知识产权和公司主营业务的关联度、知识产权和科技成果转化证明资料的相关性)作为基础框架进行审核。
科技成果转化(主要审核科技成果转化证明材料与知识产权的关联性、科技成果转化材料在总收入中的占比额度)等方面进行审核。
2、数据方面由税务部门对研发费用的归集(研发费用归集是否来源于八大费用、有没有过度归集人工费或者成本费)和高品收入(高品收入的占比有没有超过总收入的60%)等着重处理,以此产生了研发费用专项审计报告和高品收入专项审计报告。
3、内部结构对企业内部的人员和研发技术人员、社会保险清单做详细的了解,了解企业并不属于空壳公司,却把公司有足够的人员和资金开展研发活动,提高企业的研发科技能力。
高企申报并不像销售所说的,只需要提供几份知识产权证书或者几份销售合同就行,而是从一个整体的框架出发,一步步剖析开来,对一家企业做了大致的了解。
经过科委对研发项目立项报告和结题报告、知识产权、人员结构、科技成果转化证明材料、科技研发人员的社会保险缴纳通知单的确定。
税务对研发费用归集的数据和高品收入60%的占比做了全面的计算后。
最后双方审核的资料综合起来,得出的一致结果,是该申请认定的企业通过/未通过高企的审核,成为受同行和客户关注的高企/非高企。
高企的相关介绍就到这里了,欢迎评论,期待下期再和您分享!。
国家高新技术产业开发区企业统计表填报注意事项注意:表格中所有内容都不能空,若无相关情况,请以“——”代替。
一、表的封面务必要填列完整,尤其是负责人(QA08)、填表人(QA11)、联系电话(QA09)、填报时间(QA12)1、是否填写国家统计局一套表(QA18),通过国家统计局一套表系统上报数据的规上企业填写“1、是”,其他填写“2、否”;2、行政区划代码(QA19)采用《中华人民共和国行政区划代码》国家标准,填报县以上行政区划代码,由6位数字组成,珠海市县以上行政区划代码请参考:珠海市:400400市辖区:400401香洲区:400402斗门区:400403金湾区:400404二、企业概况表1、行业类别(QB02)和行业代码(QB03)对照新《国民经济行业分类》(GB/T4754-2011)填写,行业代码(QB03)为四位阿拉伯数字代码,文字和数字要保持对应一致;2、如企业为2012年度第二批拟认定的国家高新技术企业,在企业认定(QB11)填写“1、是”,认定高企证书编号(QB13)暂不填写认定高企证书编号(QB13);认定高企证书编号(QB13)指的是高新技术企业证书上的代码,应为GR+12位数字。
二、经济概况表1、本表中,所有经济指标按照企业2012年12月企业财务报表期末数如实填写;2、正常情况下,表中的工业总产值(QC02)与工业销售产值(QC04)相差不应太大;3、总收入(QC05)填列时应注意总和与分项之间的关系,其中高新技术产品收入(QC09)填报应与主要产品概况表中的技术领域(QE03)相吻合,属于高新技术产品的要填报高新技术产品收入;4、产品销售收入(QC07)指企业销售自行生产的产品而取得的收入,商品销售收入(QC10)指企业销售购入的其它企业产品而取得的收入,主要适用于批发零售、贸易型企业;5、规模以上工业企业综合能源消费量(煤炭、石油、天然气、电等)(QC41)只需填报“国家统计局一套表系统”的规上企业填写,规下工业企业、软件及集成电路企业、零售业企业无需填写;6、规模以上工业企业综合能源消费量(煤炭、石油、天然气、电等)(QC41)填列进行换算时:1度电=0.1229千克标准煤,1千克原煤=0.7143千克标准煤,1千克原油=1.4286千克标准煤,1千克汽油(或煤油)=1.4714千克标准煤,1千克柴油=1.4571千克标准煤,1千克石油液化气=1.7143千克标准煤;7、进出口经济指标,以千美元为单位,采用汇率参考“6.35~6.50”换算。
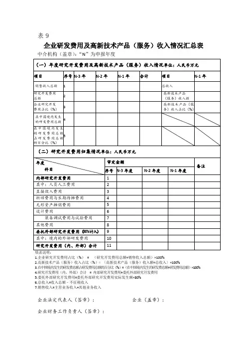
表9
企业研发费用及高新技术产品(服务)收入情况汇总表中介机构(盖章):“N”为申报年度
1.企业研究开发费用占比(%)= (研究开发费用总额÷销售收入总额)×100%
2.高新技术产品(服务)收入占比(%)= 〔高新技术产品(服务)收入额÷总收入〕×100%
3.在中国境内发生的研发费总额占研发费用总额的百分比(%)=(在中国境内发生的研发费总额÷研发费用总额)×100%
4.研究开发费用(内、外部)合计= 内部研究开发费用+委托外部研究开发费用
5.委托外部研究开发费用=委托外部研究开发费用实际发生额×80%
6.总收入=收入总额﹣不征税收入
7.销售收入=主营业务收入+其他业务收入
企业法定代表人(签章):企业(盖章):
企业财务工作负责人(签章):。
高新技术企业认定表格作为国家创新驱动发展的重要力量,高新技术企业发挥着至关重要的作用。
高新技术企业认定是对企业所创新、研发、生产的高新技术产品、技术或技术服务进行评估认定的过程。
在高新技术企业认定过程中,填写认定表格是一项重要任务。
本文旨在为读者提供高新技术企业认定表格填写的相关参考内容。
一、企业总体情况:1.企业名称:填写企业的全称。
2.企业地址:填写企业所在的具体地址。
3.企业法人代表:填写企业法人代表的姓名。
4.企业成立时间:填写企业成立具体日期。
5.企业注册资金:填写企业注册资本金,单位为人民币。
6.企业员工情况:填写企业员工的总人数。
7.企业主营业务:填写企业的主营业务内容。
二、企业创新情况:1.企业创新能力:填写企业在技术创新方面的能力,包括技术研发能力、技术攻关能力等。
2.企业技术储备:填写企业在技术领域内的储备情况,包括技术方案、技术项目等。
3.企业技术优势:填写企业在技术上的优势,包括专利技术、核心技术等。
三、企业研发情况:1.研发投入:填写企业在研发方面的投入,包括研发人员工资、设备费用、材料费用等。
2.研发成果:填写企业在研发领域所取得的成果,包括发明专利、实用新型专利等。
3.研发团队:填写企业研发团队的总人数,并说明其专业分布情况。
四、企业生产情况:1.生产规模:填写企业的生产规模,包括产值、产品种类、出口情况等。
2.生产技术:填写企业所采用的生产技术,包括自主研发技术、引进技术等。
3.产品竞争力:填写企业产品的竞争力,包括行业地位、消费评价等。
以上是高新技术企业认定表格填写的相关参考内容。
在填写认定表格时,需要注意准确、详实地填写相关信息。
只有客观、真实、准确地反映企业情况才能取得认定机构的认可。
同时,在填写认定表格的过程中,也可以结合自身情况,适当补充一些其他有利于企业认定的信息,以提高认定的成功率。
申报材料样式高新技术企业认定申请材料(封面)企业名称(盖章):×××××公司通信地址:×××××企业法人代表:×××年度:20××年企业承诺书我公司申报高新技术企业提供的《高新技术企业认定申请书》及其所有佐证材料,真实有效,并对材料的真实性承担法律责任。
若存在弄虚作假行为,按照《高新技术企业认定办法》的相关规定处理。
特此承诺。
高新技术企业认定申请材料(申报软件打印生成)企业名称(盖章):×××××公司通信地址:武汉市×××××企业法人代表:×××年度:20××年企业注册承诺书(申报软件打印生成)企业注册登记表(申报软件打印生成)企业名称:××××××××(盖章)高新技术企业认定申请书(申报软件打印生成)填报号:(企业网上注册后自动生成)企业名称(盖章):XX公司企业所在地区:湖北省XX市认定机构办公室:湖北省填报日期:20XX 年月日科技部、财政部、税务总局编制二00八年七月声明此一页填报说明此一页二、企业研究开发项目情况表(近3年执行的项目,按单一项目填报)项目编号:RD01三、上年度高新技术产品情况(按单一产品(服务)填报)五、企业年度研究开发费用结构明细表20××年度单位:万元企业填报人签字:中介机构签字(公章):日期:日期:20××年度单位:万元企业填报人签字:中介机构签字(公章):日期:日期:20××年度单位:万元企业填报人签字:中介机构签字(公章):日期:日期:六、附件清单(将提供的证明材料,在下表中列出)附件清单1、企业营业执照副本、税务登记证2、企业职工人数、学历结构以及研发人员占企业职工的比例说明3、近三个会计年度研究开发费用专项审计报告4、上年度高新技术产品(服务)收入专项审计报告5、近三个会计年度财务报表审计报告6、知识产权证明材料7、主要研究开发项目证明材料8、科技成果转化证明材料9、研究开发组织管理水平证明材料10、其它相关证明材料11、经县(市、区)级税务机关签署意见的高新技术企业认定申请信息表注:建议申报附件材料提供材料目录,每一部分子目录用彩页纸分开。
高新技术产品(服务)收入明细表20×3年度编制单位:ABC股份有限公司单位:人民币万元公司法定代表人:主管会计工作的公司负责人:公司会计机构负责人:公司盖章:ABC股份有限公司高新技术产品(服务)收入明细表编制说明20×3年度金额单位:人民币万元一、公司基本情况ABC股份有限公司(以下简称公司或本公司)系经××批准,由××发起设立,于××年×月×日在××工商行政管理局登记注册,取得注册号为××的《企业法人营业执照》,现有注册资本××元。
本公司属××行业。
经营范围:××。
主要产品或提供的劳务:××。
[本公司下设××、××等分支机构。
]二、高新技术产品(服务)收入明细表的编制基础本公司在企业会计准则框架下,按照《高新技术企业认定管理办法》和《高新技术企业认定管理工作指引》的规定编制高新技术产品(服务)收入明细表。
三、公司采用的编制原则和方法(一)产品收入产品收入是指通过技术创新、开展研发活动,形成符合《国家重点支持的高新技术领域》要求的产品的销售收入。
(二)技术性收入1.技术转让收入技术转让收入是指技术创新成果通过技术贸易、技术转让所获得的收入。
……2.技术承包收入技术承包收入是指技术项目设计、技术工程实施所获得的收入。
……3.技术服务收入技术服务收入是指利用自己的人力、物力和数据系统等为社会和本公司外的用户提供技术方案、数据处理、测试分析及其他类型的服务所获得的收入。
……4.接受委托科研收入接受委托科研收入是指承担社会各方面委托研究开发、中间试验及新产品开发所获得的收入。
……四、其他说明ABC股份有限公司二○×四年×月×日。