隐蔽致灾因素普查报告
- 格式:doc
- 大小:38.50 KB
- 文档页数:11
山东XXXXXX煤矿隐蔽致灾因素普查工作报告二О一四年十二月山东XXXXXX煤矿隐蔽致灾因素普查工作报告为进一步贯彻落实《国务院办公厅关于进一步加强煤矿安全生产工作的意见》(国办发[2013]99号)和山东省人民政府办公厅《关于贯彻国办发…2013‟99号文件进一步加强煤矿安全生产工作的实施意见》(鲁政办法[2014]4号)文件精神和要求,依据国家安全监管总局、国家煤矿安监局《关于印发煤矿地质工作规定的通知》(安监总煤调[2013]135号),矿井及时成立了领导小组,由矿长组织了生产技术、“一通三防”、机电提运、安全管理等专业技术人员,对全矿井进行了隐蔽致灾因素排查工作,对排查出的问题按照“六落实”的原则及时整改。
一、成立隐蔽致灾排查领导小组为切实做好矿井蔽致灾因素排查,特成立了排查领导小组:组长:副组长:成员:领导小组职责组长:全面负责隐蔽致灾因素排查工作的指挥及安排、监督,负责整改所需资金的落实。
副组长:协助组长工作,负责组织制定整改方案、安全技术措施,应急预案等措施,重点负责隐蔽致灾排查工作的跟踪、督促检查。
消除一切安全隐患。
成员:根据分工进行检查,同时负责督促落实整改方案及措施,确保整改质量达到规定要求。
二、矿井概况山东XXXXXX煤矿位于陶枣煤田,枣庄市薛城区邹坞镇境内,属陶枣煤田黄贝勘探区,是原甘霖井田黄贝煤矿的一部分。
2007年10月份开始技改,2010年年底通过省煤炭工业局竣工验收,2011年正式投入生产。
矿井采用立井开拓,单水平上下山开采,中央并列抽出式通风,副井进风,主井回风,矿井生产能力为30万吨/年。
批准可采煤层为:柴煤、6层、9层、12层、14层、16层、17层、18层煤。
井田面积8.8308km2,开采深度由100米至-1000米标高。
矿井现开采14、16煤层,开采标高为: -590m~-710m。
其中14煤层倾角平均为160,平均厚度为1.1m,直接顶为泥质页岩,厚度为0.8~2.2m,平均厚度为1.4m,老顶为八层灰岩,平均厚度为2.8m,直接底为砂泥岩,平均厚度为17.5m。
隐蔽致灾地质因素普查报告第一节目的、任务、要求及编写依据一、目的全面普查煤矿存在的隐蔽致灾因素,有针对性的制定措施,做的隐蔽致灾因素清晰明确,防范措施全面有效,从根本上遏制事故的发生。
二、任务查明影响煤矿生产的各种隐蔽致灾因素,为制定防止措施和做好相应的预测预报工作提供依据。
三、要求重点查明本矿的“采空区、废弃老窑(井筒)、封闭不良钻孔,断层、裂隙、褶曲,陷落柱,瓦斯富集区,导水裂缝带,地下含水体,井下火区,古河床冲刷带、天窗等不良地质体”等隐蔽致灾因素。
四、编写依据(1)《关于进一步加强煤矿安全生产工作的意见》(国办发[2013]99#)(2)《煤矿地质工作规定》(2014)(3)《煤炭煤层气地震勘探规范》MT/T97-2000(4)《煤、泥炭地质勘探规范》DZ/T0215-2002(5)《煤炭电法勘探规范》MT/T898-2000(6)《地面瞬变电磁法勘探规范》DZ/T0187-1997(7)《煤矿水害防治规定》(8)雄山常蒋煤业有限公司相关资料。
第二节矿井概况一、矿井基本情况1、位置与交通山西长治县雄山常蒋煤业有限公司位于长治市长治县城南的常蒋村东,行政区划隶属八义镇管辖。
其地理坐标:东经113°02′29″~113°03′30″,北纬35°57′59″~35°59′33″。
井田地理位置优越,交通方便,井田西距长(治)至晋(城)二级公路约3km。
村与村之间有简易公路相通,交通较为便利。
交通位置详见图。
2、地形地貌井田位于太行山脉中段西侧、长治盆地东南部边缘。
井田中部及南部有基岩出露,松散层分布也较为广泛,受剥蚀后形成众多黄土陡坎及沟壑。
地貌类型划分为低山丘陵地带。
井田内沟谷纵横,山梁绵延,沟深坡陡,地形较复杂。
总的地势为中东部高,南、北、西三面低;地形最高点位于井田中南部的山梁,海拨高程1178.7m,地形最低点位于井田西北沟谷,海拔高程约983.0m,最大相对高差195.7m。
周边区域隐蔽致灾地质因素普查治理报告煤矿2022年9月28日煤矿及周边区域隐蔽致灾地质因素普查治理报告严格落实2021年9月国家矿山安全监察局下发的《关于全面开展煤矿隐蔽致灾因素普查治理工作的通知》(矿安〔2021〕121号)及《吉林省安委会办公室关于进一步深化煤矿隐蔽致灾因素普查治理工作的通知》的文件精神,认真组织部署道清煤矿隐蔽致灾因素普查治理工作。
通矿公司对道清煤矿隐蔽致灾因素普查工作作出了具体安排部署。
一、工作开展情况(一)积极推进煤矿隐蔽致灾因素普查工作。
道清煤矿把煤矿隐蔽致灾因素作为安全专项整治三年行动及百日攻坚行动的集中攻坚工作任务,以开展安全生产大检查以及专项检查等为手段,推动道清煤矿隐蔽致灾因素普查工作保质保量完成。
(二)高效完成煤矿隐蔽致灾因素普查工作。
道清煤矿高度重视,对照《煤矿安全规程》《煤矿防治水细则》《煤矿地质工作规定》《防治煤与瓦斯突出细则》《煤矿防灭火细则》等规定要求,根据本矿的实际情况,与河北工程大学合作,2022 年1月完成了隐蔽致灾因素普查工作,并形成了报告,形成报告后我矿继续开展隐蔽致灾地质因素普查,并对报告进行补充完善,于2022年6月形成报告。
2022年9月按照《吉林省安委会办公室关于进一步深化煤矿隐蔽致灾因素普查治理工作的通知》的文件精神,进一步深化开展隐蔽致灾因素普查治理工作,查清了道清煤矿隐蔽致灾地质因素,并提出相适应的隐蔽致灾地质因素普查治理措施,为预防和消除煤矿事故提供可靠地质保障。
二、工作成效(一)水文地质致灾因素普查1、采空区致灾因素普查(1)采空区致灾因素普查成果2021年11月,为进一步查清道清煤矿采空区积水情况,本次采空区普查中对道清煤矿做了大地电磁物探,共布置了24条勘探线,共1325个物理点位,测深300-1200m,线距40m、100m,点距10m~50m,勘探区面积共1815168.9m2,本次物探的勘探区中,II、III勘探区富水性较差,未发现富水异常情况。
隐蔽致灾因素普查治理报告隐蔽致灾因素普查治理报告1. 引言本报告针对隐蔽致灾因素普查治理进行了全面调研和分析。
隐蔽致灾因素是指那些不容易被察觉但可能引发重大灾害的因素。
该报告旨在探讨隐蔽致灾因素普查治理的重要性,并提出相关的应对措施。
2. 隐蔽致灾因素的定义和分类隐蔽致灾因素是指是不容易察觉但在灾害发生时具有重大威胁的因素。
根据其性质和影响范围,我们将其分为以下几类:•自然因素–地质因素–气象因素–水文因素•人为因素–设计施工因素–建筑物老化因素–管理疏漏因素3. 隐蔽致灾因素普查治理的重要性隐蔽致灾因素普查治理对于保护人民的生命财产安全具有重要意义。
以下是隐蔽致灾因素普查治理的重要性所在:•预防未然:通过普查发现和治理隐蔽致灾因素,可以预防灾害的发生,最大程度上减少损失。
•提高安全性:普查治理可提高建筑物、基础设施和生活环境的安全性,确保人们的正常生活和工作不受干扰。
•明确责任:通过普查治理,可以找出导致隐蔽致灾因素存在的责任方,促使其采取有效措施保障公众利益。
•加强管理:普查治理可以促使相关机构加强对隐蔽致灾因素的管理和防控,提升应对灾害的能力和效率。
4. 隐蔽致灾因素普查治理的方法和步骤为了实施隐蔽致灾因素普查治理,以下是一般的方法和步骤:1.制定普查计划:制定明确的普查计划,包括调查范围、时间安排和调查人员等。
2.数据收集:收集与隐蔽致灾因素相关的数据,包括建筑物设计图纸、历史记录、装修维护记录等。
3.检查验证:对潜在的隐蔽致灾因素进行检查和验证,包括实地勘察和相关数据分析。
4.制定治理措施:根据检查验证结果,制定相应的治理措施,明确责任和实施方案。
5.治理实施:实施隐蔽致灾因素治理措施,并进行追踪监测,确保效果。
6.评估反馈:对治理效果进行评估,收集反馈意见并进行总结,以优化治理策略。
5. 隐蔽致灾因素普查治理的挑战和对策在进行隐蔽致灾因素普查治理时,可能会面临以下挑战:•数据不完备:缺乏完整的建筑、设备和基础设施数据,增加了治理工作的难度。
延安市禾草沟煤业有限公司隐蔽致灾因素普查报告编制:部门经理:副总工程师:总工程师:编制日期:2017年12月延安市禾草沟煤业有限公司隐蔽致灾因素普查报告一、普查目的及内容(一)普查目的通过开展隐蔽致灾因素普查工作,查明隐伏在煤层及其围岩内、在开采过程中可能诱发灾害的地质构造和不良地质体及其在采动应力耦合作用下形成的灾变地质体,并制定针对性防范措施,消除隐蔽致灾因素,从根本上遏制事故的发生。
(二)普查内容1.对相邻井田采空区进行普查;2.自然灾害普查;3.地表、地下含水体等水文地质情况普查;4.断层、裂隙、褶曲、冲刷带等地质构造普查;5.封闭不良钻孔普查;6.油气井及输油管路普查;7.瓦斯富集区普查;8.煤层自燃发火倾向性普查;9.煤尘爆炸倾向性普查;10.地热灾害普查。
二、隐蔽致灾因素普查领导小组(一)领导小组组长:陈义东副组长:王金国张明亮刘文辉纪章周润辉陈度军成员:安增勇张东贵王小泽李向伟芮阿智郭庆赵子葵屈海军夏书贵蒲元宏办公室设在地测部。
(二)领导小组职责1.组长职责全面负责隐蔽致灾因素普查工作的安排,组织制定隐蔽致灾因素普查工作方案,监督隐蔽致灾因素普查进展情况。
2.副组长职责协助组长抓好分管范围的隐蔽致灾因素普查具体工作,参加隐蔽致灾因素普查工作,对隐蔽致灾因素组织研究分析,制定针对性防范措施。
3.地测部职责(1)具体落实各项工作,负责对资料的收集、调查,全面查找井上下存在的隐蔽致灾因素;(2)负责隐蔽致灾因素普查工作的跟踪及监督;(3)研究制定针对性有效防范措施;(4)主持普查报告的编制。
4.安健环质部职责(1)隐蔽致灾因素普查过程中,做好安全监督工作;(2)协助生产技术部完成各项普查工作。
5.机电管理部职责做好机电系统普查工作,并参与报告的编制。
6.调度指挥中心职责做好运输系统普查工作,并参与报告的编制。
7.生产部职责做好采掘工作的普查工作,并参与报告的编制。
8.财务部职责做好资金的保障工作。
隐蔽致灾因素普查治理报告(一)隐蔽致灾因素普查治理报告1. 介绍在这份报告中,我们将重点关注隐蔽致灾因素的普查和治理工作。
隐蔽致灾因素是指潜藏在我们周围,可能引发灾害的潜在风险因素。
有效地进行隐蔽致灾因素普查和治理,将帮助我们识别并减少潜在的灾害风险。
2. 隐蔽致灾因素普查目的隐蔽致灾因素普查的目的是收集和分析潜在的灾害风险因素,以便针对性地制定治理措施,并提高社区和个人的灾害防范意识。
进行方式隐蔽致灾因素普查可以通过以下步骤进行:•制定普查计划:确定普查的范围、目标和时间表。
•地勘和调查:对目标区域进行实地勘察,收集相关的地质、气象、环境和人口数据。
•数据分析:将收集到的数据进行整理和分析,识别出潜在的隐蔽致灾因素。
•编制报告:将分析结果编制成报告,提供给相关部门和社区。
数据关联与管理•数据关联:整合不同来源的数据,并进行关联分析,以揭示因素之间的相互影响和潜在的灾害风险。
•数据管理:建立可靠的数据管理系统,确保数据的完整性和可用性,以便进行日后的分析和追踪。
3. 隐蔽致灾因素治理基础设施改进•加强基础设施建设,以适应地质、气候和环境变化带来的灾害风险增加。
•修复和加固现有基础设施,以提高其抗灾能力。
预警系统建设•建立有效的预警系统,包括灾害预警、气象预警等,及时向社区和个人发布信息,提高应对灾害的准备和应急能力。
风险意识与教育•提高社区和个人对隐蔽致灾因素的认识和了解,增强防灾意识。
•加强公众教育,提供正确的灾害防范知识和技能培训。
4. 结论隐蔽致灾因素普查治理是保障社区和个人安全的重要工作。
通过进行全面的普查和采取针对性的治理措施,我们可以减少潜在的灾害风险,并提高应对灾害的能力。
随着科技和数据分析能力的发展,我们相信隐蔽致灾因素的普查治理工作将会取得更大的成效。
5. 建议和推荐措施为了更好地进行隐蔽致灾因素普查治理工作,我们提出以下建议和推荐措施:•建立跨部门合作机制:相关部门应建立密切合作的机制,共享数据和资源,以更有效地开展普查和治理工作。
鄂尔多斯市恒泰煤炭有限公司碾盘梁一井隐蔽致灾地质因素普查报告编制:总工程师:碾盘梁一井生产技术科2017年5月目录一、绪论 (3)(一)报告编制依据和目的 (3)(二)煤矿概况 (3)二、矿井地质概况 (4)(一)矿井勘探工作 (4)(二)地层 (5)(三)地质构造 (7)三、矿井水文地质 (7)(一)矿井主要含水层(组) (7)(二)矿井充水因素 (9)(三)矿井涌水量预计 (9)(五)采空区 (10)(六)封闭不良钻孔 (11)(八)煤层系砂岩裂隙水 (11)四、矿井瓦斯地质 (12)(一)矿井瓦斯情况 (12)(二)矿井瓦斯等级鉴定情况 (12)(三)瓦斯富集区的瓦斯防治措施 (13)五、煤层自燃倾向性及爆炸性 (13)工作面防灭火措施 (13)六、存在的问题和建议 (15)一、绪论(一)报告编制依据和目的根据《煤矿地质工作规定》(2013年国家安全生产监督管理总局、国家煤矿安全监察局颁发),必须对煤矿隐蔽致灾因素进行普查。
编制本报告的主要依据,国家的规程和部分规定如下:1.《煤矿地质工作规定》(2013年颁发)2.《煤矿防治水规定》(2009年颁发)3.《煤矿安全规程》(2016年颁发)编制本报告的依据是:1、1989年12月,由内蒙古自治区煤田地质勘探公司117地质队提交《内蒙古自治区伊克昭盟东胜煤田东胜市碾盘梁井田勘探(精查)地质报告》;2、2004年1月,内蒙古煤田地质局117勘探队提交的《内蒙古自治区东胜煤田铜匠川矿区碾盘梁煤矿一井煤炭资源储量核实报告》;3、2016年以来提交的各类科研成果报告、补充勘探报告、地面物探资料、矿井采掘工程揭露的地质及瓦斯资料;4、矿井生产期间揭露的各种地质、瓦斯资料等。
编制本矿井地质报告的目的是:通过对碾盘梁一井的采空区、封闭不良钻孔、断层、裂隙、褶曲、陷落柱、瓦斯富集区、井下火区、导水裂缝带、地下含水体等隐蔽致灾地质因素进行普查,为碾盘梁一井地质灾害处理,及编制相关措施从而为预防煤矿事故提供可靠的资料。
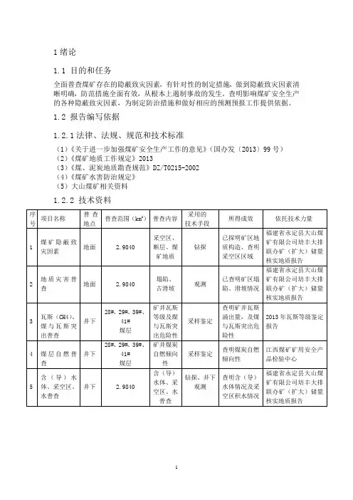
1绪论1.1 目的和任务全面普查煤矿存在的隐蔽致灾因素,有针对性的制定措施,做到隐蔽致灾因素清晰明确,防范措施全面有效,从根本上遏制事故的发生。
查明影响煤矿安全生产的各种隐蔽致灾因素,为制定防治措施和做好相应的预测预报工作提供依据。
1.2 报告编写依据1.2.1法律、法规、规范和技术标准(1)《关于进一步加强煤矿安全生产工作的意见》(国办发〔2013〕99号)(2)《煤矿地质工作规定》2013(3)《煤、泥炭地质勘查规范》DZ/T0215-2002(4)《煤矿水害防治规定》(5)大山煤矿相关资料1.2.2 技术资料1.3 煤矿概括1.3.1交通位置与自然地理大排联办矿位于永定县培丰镇境内,由大排村管辖,属培丰井田范围南部。
本矿位于永定县城区45°方向,直距约30公里,至永定县运距约46公里。
区内有一条简易公路可至培丰镇,然后与福三线相接,距龙梅铁路坎市火车站7公里,交通便利,详见交通位置图。
本区属侵蚀型低山地形,山岭、沟谷纵横交错,地形复杂,主体山脉呈南北走向。
本区属低山~丘陵区,主要山脉南北走向,本区属南亚热带季风气候,全年温热湿润,雨量充沛,四季常青。
1.3.2开采简矿及四邻关系本煤矿于1995年开始基建,于1997年开始投产。
开采煤层主要为童子岩组第一段下亚段的39、41煤层,和第三段的28、29煤层,投产之初产量较低,年交通位置图图:1-1产量1万吨,2002年经过技改,产量有所提高,2003~2004年底产量可达年产量2万吨左右,两年共采出原煤约4万吨,损失量1.8万吨。
自八十年代初以来,培丰煤矿和地方小煤窑对培丰中井田、培丰井田内储量进行了开采,近地表或浅部的煤炭资源现均已被采空。
2002年培丰煤矿就将150米水平开采完毕,培丰煤矿现在已开采至±0水平。
本矿区内F2断层上下盘和F3断层下盘之间的39、41煤层原《福建省龙永煤田培丰井田普查最终地质报告》中+250米以上水平储量已被培丰煤矿采空。
非煤矿山隐蔽致灾因素普查报告非煤矿山隐蔽致灾因素普查报告一、前言非煤矿山在我国经济建设中占有重要的地位,但由于非煤矿山的开采条件和生产环境与煤矿有很大不同,使得非煤矿山存在着更多的隐蔽致灾因素。
为了加强对非煤矿山隐蔽致灾因素的认识,提高安全生产水平,我们对某非金属矿山进行了隐蔽致灾因素普查。
二、普查目的1.掌握该非金属矿山存在的隐蔽致灾因素情况;2.分析该非金属矿山存在隐蔽致灾因素的原因;3.提出相应的防治措施,为该非金属矿山安全生产提供参考。
三、普查范围我们选择了某非金属矿山作为本次普查对象,包括该非金属矿山内部道路、井下工作面、采空区等。
四、普查方法本次普查采用现场实地勘察和访谈的方法,对矿山内部进行全面细致的检查,同时与现场工作人员进行深入交流。
五、隐蔽致灾因素分析1.煤尘爆炸危险:由于非煤矿山中存在着可燃气体和粉尘等物质,因此存在着煤尘爆炸的危险。
2.火灾危险:非金属矿物中含有大量易燃物质,如氢气、硫化氢等,这些物质一旦遇到明火或高温就会引发火灾。
3.坍塌事故:非金属矿山中岩体稳定性较差,易发生坍塌事故。
4.突水事故:非金属矿山中地下水较多,一旦发生突水事故将会给井下作业带来极大的威胁。
5.爆炸事故:非金属矿山中常用的爆破作业也存在着爆炸事故的风险。
六、原因分析1.管理不到位:该非金属矿山管理不规范,存在着安全隐患得不到及时发现和处理的问题。
2.技术水平低:该非金属矿山的技术水平较低,很多作业人员缺乏必要的安全知识和技能。
3.设备老化:该非金属矿山的部分设备已经使用多年,存在着故障率高、安全性差等问题。
4.自然环境因素:该非金属矿山所处地区气候条件较差,如雨水较多、温度较低等,这些自然环境因素也会对矿山安全生产造成影响。
七、防治措施1.加强管理:建立健全的安全管理制度,加强对作业人员的培训和考核,并定期进行安全检查和隐患排查。
2.提升技术水平:加强对作业人员的培训和技能提升,确保所有作业人员具备必要的安全知识和技能。
煤矿隐蔽致灾地质因素普查治理报告目录一、总则 (3)1.1 编制目的与依据 (4)1.2 适用范围 (4)1.3 主要术语和定义 (5)二、煤矿隐蔽致灾地质因素概述 (6)2.1 地质背景 (8)2.2 主要隐蔽致灾地质因素 (9)三、普查工作方法与技术要求 (10)3.1 普查方法选择 (12)3.2 普查技术要求 (13)3.3 普查质量控制与管理 (14)四、普查结果 (16)4.1 普查区域与范围 (16)4.2 普查样品类型与数量 (17)4.3 普查技术路线与方案 (18)4.4 普查数据分析与综合评价 (19)五、矿井地质条件分析 (21)5.1 矿田地质条件 (22)5.2 矿井地质结构 (22)5.3 主要地质灾害预测 (24)5.4 地质灾害影响因素 (25)六、治理方案 (26)6.1 灾害防治原则 (27)6.2 灾害预控措施 (28)6.3 综合治理措施 (29)6.4 灾害预警与应急救援 (30)七、治理效果评价 (32)7.1 治理效果监测 (33)7.2 对比分析 (34)7.3 治理方案调整与优化 (35)八、总结与建议 (36)8.1 普查治理工作总结 (37)8.2 存在问题与不足 (39)8.3 改进建议 (40)九、附件 (41)9.1 相关法律法规与标准 (42)9.2 技术标准与规程 (43)9.3 普查数据与图表 (43)一、总则本报告旨在详细阐述煤矿隐蔽致灾地质因素的普查治理工作,以全面识别和评估煤矿地质隐患,确保煤矿安全生产。
通过对煤矿区域地质环境、隐蔽地质构造、地下水状况等关键因素的深入分析和研究,提出相应的治理措施,为煤矿的可持续发展提供有力保障。
本报告遵循科学、全面、系统的原则,旨在为煤矿安全生产提供决策依据和技术支持。
煤矿作为重要的能源供应基地,其安全生产至关重要。
煤矿开采过程中面临着诸多地质隐患,其中隐蔽致灾地质因素是最具挑战的一类。
非煤矿山隐蔽致灾因素普查报告1. 引言在非煤矿山开采过程中,隐蔽致灾因素是造成事故和灾害的主要原因之一。
为了深入了解非煤矿山的隐蔽致灾因素情况,本次进行了普查工作。
本报告将对非煤矿山的隐蔽致灾因素进行全面、详细、完整的探讨,以期提供有效的措施和建议,确保非煤矿山安全生产。
2. 背景非煤矿山是指除了煤矿以外的各类矿石和矿物开采厂矿,如金属矿、非金属矿、化工矿等。
与煤矿相比,非煤矿山存在更多的隐蔽致灾因素,包括但不限于地质构造、采空区、爆破、尘肺病等。
2.1 地质构造地质构造是非煤矿山开采过程中的重要因素之一。
不同地质构造条件下,矿山开采的难度和风险也不同。
地质构造中可能存在的隐蔽致灾因素包括岩层断裂、地质应力、地下水压力等。
2.2 采空区采空区是矿山开采过程中形成的一种特殊地质空间。
在非煤矿山中,采空区的存在可能导致地面塌陷、沉降等灾害。
采空区的稳定性与地质条件、采矿方式、采矿深度等因素密切相关。
2.3 爆破非煤矿山中常常需要进行爆破作业,以破坏或分离矿石。
爆破作业若不规范进行,则可能导致爆炸事故、飞石伤人等隐蔽风险。
因此,爆破作业的安全管理十分重要。
2.4 尘肺病尘肺病是非煤矿山工人常见的职业病之一,特别是在破碎、磨矿等作业环节中,颗粒物悬浮浓度较高。
非煤矿山需要重视尘肺病的防治工作,包括粉尘控制、个体防护等措施。
3. 主要问题与分析针对非煤矿山的隐蔽致灾因素,进行了深入调查和分析,发现了以下主要问题:3.1 地质构造问题在非煤矿山中,地质构造问题往往是致灾因素的重要来源。
我们发现,部分矿山存在地质断层较多、地应力较大等问题。
这些问题可能导致岩体不稳定,增加了矿山事故风险。
3.2 采空区问题部分矿山在采空区的管理上存在不足,采空区稳定性较差。
一些地区出现了地面塌陷、沉降等问题,给矿山工人的生命安全和财产造成了威胁。
3.3 爆破作业问题在爆破作业管理上存在明显的不规范现象。
一些矿山在爆破作业过程中忽视了安全防范措施,存在爆炸事故、飞石伤人等风险。
“一通三防”、“地测防治水”隐蔽致灾因素自查报告****煤业有限公司隐蔽致灾因素自查报告根据集团公司和进出口公司《关于全面开展隐蔽致灾因素普查工作的通知》的要求,我矿成立了检查组,对我矿的一通三防、防治水隐蔽致灾因素进行了全面普查。
自查情况如下:一、“一通三防”方面(一)、通风系统普查**煤矿采用独立通风系统,通风方式为中央分列式,有三个井筒,主井、付井、有元河回风井,主副斜井进风、有元河风井回风,2台主扇型号为FBCDZ-8-№26、2×250kw,为抽出式通风。
矿井总进风量为5064 m3/min,矿井总回风量为5197m3/min;井下所有采区均采用分区通风,采掘工作面风量满足要求,不存在循环风、无风、微风作业,没有串联通风现象,所有局部通风地点实现了双风机双电源自动切换及“三专两闭锁”。
井下主要进回风间风门均采用阻燃风门或自动风门,矿区通风系统稳定可靠。
(二)、瓦斯灾害普查2013年矿井瓦斯等级鉴定瓦斯绝对涌出量为2.33m³/min,相对涌出量为1.10m³/t,二氧化碳绝对涌出量为2.57m³/min,相对涌出量为1.21 m³/t,为瓦斯矿井,但我矿根据上级文件精神,按高瓦斯矿井进行管理。
2015年我矿回风巷最高瓦斯浓度为0.06%,4003工作面最高瓦斯浓度为0.14%,掘进工作面最高瓦斯浓度为0.08%。
(三)、煤尘自燃发火倾向性普查2013年由煤矿设备安全技术检测中心对我矿9#煤层的煤自燃倾向性进行鉴定,依据GB/T20104-2006《煤自燃倾向性色谱吸氧鉴定法》,判定该煤层自燃倾向性等级为Ⅱ级,自燃发火期为4-6个月,类别为自燃煤层。
矿井有完善的防灭火系统,有元河风井地面建有注浆站1座,井下注浆主干管路总长度:3628米。
注浆主管路为4吋,并铺设到工作面采空区和密闭墙,注浆材料为黄泥及三相泡沫;井下设置注氮机2台,注氮管路全部铺设到工作面采空区和密闭墙;有元河风井地面建有束管监控系统,型号JSG-8,每天对井下工作面、采空区等地点进行预测预报。
适用标准隐蔽致灾要素普查报告山西平定古州冠裕煤业有限企业检查时间:二 0 一七年三月十天目录一、矿井大要 (1)二、成立矿井隐蔽致灾普查领导小组 (4)三、 2017 年生产连接状况 (5)四、荒弃老窑(井筒)和封闭不良钻孔普查状况 (6)五、断层、褶曲和露头普查状况 (8)六、塌陷柱普查状况 (9)七、瓦斯富集区普查状况 (11)八、导水裂痕带普查状况 (11)九、地下含水体普查状况 (12)十、井下火区普查状况 (18)十一、防治举措 (18)隐蔽致灾地质要素普查报告煤矿隐蔽致灾要素是在煤矿生产过程中,地面、井下依旧存在隐蔽致灾的要素,安全生产局势仍旧严重,隐蔽致灾要素的存在,在井田范围及矿井周边地区内客观存在,可是在现有技术条件下不可以直接辨别,致使防备举措针对性不强,不可以从根本上截止事故的发生,给采掘活动带来安全隐患的地质结构、瓦斯及其余有毒有害气体、含(导)水体、采空区以及煤层自燃偏向等地质要素,有可能造成煤矿安全生产事故的灾祸,所以我狂组织有关人员对煤矿隐蔽致灾要素进行了检查,对不可以确立的在生产过程中要增强物探、钻探等安全举措进行探查,保证安全生产。
为了增强我矿安全生产基础工作,做到隐蔽致灾要素清楚明确,事故防备举措全面有效,特展开此次隐蔽致灾要素普查工作,现将普查状况总结以下:第一章、矿井大要山西平定古州冠裕煤业有限企业依照晋煤重组办发(2009 )72号文件,由山西冠裕煤业有限企业、山西平定德安煤业有限企业、山西平定兴达煤业有限公司兼并重组整合而成。
采矿证号为,吞并重组后井田面积 4.2781km2 ;赞同开采 6# 、15# 煤层;吞并重组后矿井生产能力为60 万 t/a 。
该矿采纳斜井开辟,主井担负进风、提高等任务,兼安全出口;副井担负进风、行人、下料等任务,兼安全出口;回风斜井担负矿井通风,兼安全出口。
矿井通风方式为中央并列式,通风方法为机械抽出式。
采煤方法采纳倾斜长壁综采低位放顶煤所有垮落法管理顶板。
隐蔽致灾因素普查报告山西平定古州冠裕煤业有限公司调查时间:二0 一七年三月十日目录一、矿井概况 (1)二、成立矿井隐蔽致灾普查领导小组 (4)三、2017年生产衔接情况 (5)四、废弃老窑(井筒)和封闭不良钻孔普查情况 (6)五、断层、褶曲和露头普查情况 (8)六、陷落柱普查情况 (9)七、瓦斯富集区普查情况 (11)八、导水裂缝带普查情况 (11)九、地下含水体普查情况 (12)十、井下火区普查情况 (18)十一、防治措施 (18)隐蔽致灾地质因素普查报告煤矿隐蔽致灾因素是在煤矿生产过程中,地面、井下依然存在隐蔽致灾的因素,安全生产形势仍然严峻,隐蔽致灾因素的存在,在井田范围及矿井周边区域内客观存在,但是在现有技术条件下不能直接辨识,导致防范措施针对性不强,不能从根本上遏制事故的发生,给采掘活动带来安全隐患的地质构造、瓦斯及其它有毒有害气体、含(导)水体、采空区以及煤层自燃倾向等地质因素,有可能造成煤矿安全生产事故的灾害,因此我狂组织相关人员对煤矿隐蔽致灾因素进行了调查,对不能确定的在生产过程中要加强物探、钻探等安全措施进行探查,确保安全生产。
为了加强我矿安全生产基础工作,做到隐蔽致灾因素清晰明确,事故防范措施全面有效,特开展此次隐蔽致灾因素普查工作,现将普查情况总结如下:第一章、矿井概况山西平定古州冠裕煤业有限公司按照晋煤重组办发(2009)72号文件,由山西冠裕煤业有限公司、山西平定德安煤业有限公司、山西平定兴达煤业有限公司兼并重组整合而成。
采矿证号为C1400002009111220044037,兼并重组后井田面积 4.2781km2;批准开采6#、15#煤层;兼并重组后矿井生产能力为60万t/a。
该矿采用斜井开拓,主井担负进风、提升等任务,兼安全出口;副井担负进风、行人、下料等任务,兼安全出口;回风斜井担负矿井通风,兼安全出口。
矿井通风方式为中央并列式,通风方法为机械抽出式。
采煤方法采用倾斜长壁综采低位放顶煤全部垮落法管理顶板。
温宿县破城子煤业有限责任公司五号井煤矿隐蔽致灾因素普查报告温宿县破城子煤业有限责任公司五号井煤矿二0一五年元月为了进一步加强破城子煤业五号井隐蔽致灾因素排查治理工作,提高隐蔽致灾因素探测技术与装备水平和安全生产地质保障能力,深入排查深层次的分析潜在隐患和问题,切实做到煤矿灾害综合治理超前预防,实现源头治理。
特制订温宿县破城子煤业有限责任公司五号井煤矿隐蔽致灾因素普查报告如下:第一章矿井隐蔽致灾因素分析一、交通位置新疆温宿县破城子煤矿五号井位于新疆阿克苏地区温宿县的博孜墩柯尔克孜民族乡破城子山口附近。
该矿距314国道50km,距库拜公路42km,有柏油路和简易公路与上述两条国道相通,交通较为便利(见交通位置图)。
二、地形地貌矿区位于南天山南麓中段、塔里木盆地西北缘的中低山区,总体地形为北高南低,西高东低,海拔高程在+1875—+2326m之间,相对高差约441m,区内“V”字型沟谷纵横,陡崖发育,地形较复杂。
三、气象与地震本区属干旱的内陆性气候,昼夜温差大,年降雨量为400mm,年蒸发量为2400mm。
年平均气温为0℃,每年10月至翌年3月为寒冬,月平均气温在-10℃以下,3—4月为冰雪消融期,5—6月平均气温为15℃,7—9月为雨季,多雨和冰雹,易形成洪水,常伴有大风,最大风力可达8级以上。
降雪主要集中在3月,历史记载最大积雪厚度达1.6m。
本区属地震多发带。
据新疆地震局资料本区地震裂度属7度区。
四、矿区地层与构造(一)矿区地层井田及附近出露与分布的地层由老至新依次为三叠系小泉沟群,侏罗系克拉苏群和第四系地层。
各套地层分述如下:1、三叠系(1)三叠系上统小泉沟群:出露于井田北部地区,为河流三角洲相与河流相形成的巨厚层状的深灰色粉砂质页岩,夹有灰白色粗砂岩,与下伏地层呈平行不整合接触。
地层厚度大于500m。
2、侏罗系(1)侏罗系下统塔里其克组:为河流相及泥炭沼泽相形成的含煤地层,岩性为深灰色砂砾岩、煤层、粗砂岩、粉砂岩。
XXXX煤矿隐蔽致灾普查报告一、背景介绍近年来,煤矿事故频发,给劳动者的生命财产安全带来了严重威胁。
作为风险较高的行业,煤矿安全问题一直备受关注。
然而,矿区中存在一些隐蔽的致灾因素,如果不及时发现和处理,可能会引发更多的事故。
为了深入了解煤矿隐蔽致灾情况,并采取相应措施加以预防,本次进行了煤矿隐蔽致灾普查。
二、普查内容本次普查主要针对矿井的地质构造、煤与瓦斯等气体的分布及流动情况、矿井支护的完善程度、矿井通风系统的运行情况等多个方面进行了调查。
1.地质构造调查煤矿地质构造是煤矿安全的基础,通过对矿井地质构造的调查,可以了解煤层的倾角、厚度等情况,预测地表下煤层的空间分布和变形情况,为安全地开展矿井生产提供依据。
2.煤与瓦斯分布及流动调查煤与瓦斯是煤矿事故的主要危险因素,通过对矿井中瓦斯含量和流动情况的调查,可以及时掌握瓦斯的积聚情况,采取相应的防护措施,预防瓦斯爆炸事故的发生。
3.矿井支护调查矿井支护是保证矿井安全的重要环节,通过对矿井支护的调查,可以了解支护设施的完善程度,包括支架的数量、规格、安装情况等,确保支护设施能够牢固地支撑住煤层和岩层的压力,防止地面塌陷和顶板事故的发生。
4.矿井通风系统调查矿井通风是煤矿安全的重要保障,通过对矿井通风系统的调查,可以了解矿井通风的质量和效果,比如风速、风量、风向等参数的监测情况,确保矿井中有充足的氧气供应,有效地排除瓦斯等有害气体,保持矿井内空气清新。
三、普查结果分析通过对煤矿地质构造、煤与瓦斯分布及流动、矿井支护和矿井通风系统等多个方面的调查,得出了以下普查结果:1.地质构造方面根据普查结果显示,煤矿地质构造总体稳定,不存在明显的断层、倾斜等地质缺陷。
但是仍有少数矿井存在地表下煤层变形的情况,需要加强监测和加固措施,减少地面塌陷的风险。
2.煤与瓦斯分布及流动方面通过普查发现,矿井中瓦斯含量普遍较高,特别是部分工作面和回采巷道附近。
瓦斯流动情况较为复杂,存在积聚的风险区域。
白山坪矿业公司龙塘煤矿隐蔽致灾因素普查报告编制单位:龙塘煤矿生技部编制时间:二O一七年三月根据国务院办公厅关于进一步加强煤矿安全生产工作的意见国办发(2013)99 号内容中提到;关于开展煤矿隐蔽致灾因素普查要求,为从源头遏制事故,夯实安全生产工作基础,提升煤矿安全管理水平,我矿由矿长牵头,组织了矿总工程师、矿副总工程师、采矿、地质、通风、机电、测量等专业技术人员,对全矿井进行了隐蔽致灾因素普查工作,现将有关普查情况汇报如下:矿长:何满付职责:全面负责隐蔽性调查工作的指挥及安排、监督。
负责整改所需资金的落实。
副组长:王德华(矿总工程师)职责:协助组长工作,重点负责隐蔽性调查工作的跟踪、督促检查,同时负责督促落实整改方案及措施,保证整改质量达到规定要求,保证整改工作安全顺利进行。
消除一切安全隐患。
四、调查时间: 2017 年4月1 日~4月6 日参加调查人员:黄顺才、龚金灿、李顺情、曾钢、赵君辉、廖建军、张伟、彭勍波、胡建红、曹智辉、黄征斌、唐建国、曾剑、廖宁宁、彭华山、郑甫云、郑春雷。
调查路线: 1、地面调查路线:工业广场→沿煤层露头→各老窑→增禾冲煤矿风井→增禾冲煤矿老井(主井→付井)→本矿风井→回到本矿井下勘查路线:一组:主井→井底车场→水仓→配电房→水泵房→-100m北大巷→206采区→246回风巷→126回风巷→付井→地面。
二组:主井→井底车场→-300m南大巷→376采区→南翼总回风巷→地面。
调查方式:对老窑的封闭情况,井口位置、方向、深度及井下巷道和方向等进行询问、调查,走访了解记录;并对各老窑空区(老巷道)相对应地面进行踏查测量;对本矿井下涌水及泉眼情况进行现场观测;地面查阅收集老窑及采空区相关资料。
五、煤矿隐蔽致灾地质因素主要包括:采空区、废弃老窑(井筒)、封闭不良钻孔,断层、裂隙、褶曲,陷落柱,瓦斯富集区,导水裂缝带,地下含水体,井下火区,古河床冲刷带、天窗等不良地质体。
1、采空区、废弃老窑(井筒):龙塘矿井为开采方法为:走向长壁式,炮采后退式采煤,工作面绝大部分处于干燥状态,仅有局部地段出现顶板裂隙水,为滴水状态;相邻老窑情况:区内煤矿开采历史悠久,老窑分布较多,为附近居民私挖乱采,大多是沿煤层的露头斜井开拓;开采5、6、7煤层,从八十年开始,小窑逐渐增多。
一般是沿倾向掘进30~150m后,再沿煤层走向掘进,开采巷道一般不大,大多采用巷道式开采。
巷道有不同程度的坑木支护,其开采状况大都没有详细记载,现已充填封闭。
大禾冲煤矿位于竹市镇东口村十组,属镇办企业,有证但矿界不详。
矿井主井口坐标:X=2922602,Y=38396148,井口方位86°,地面标高+142.4米,其越界200余米,范围在我矿37~38勘探线之间,标高-40m,于2014年10月停产关闭。
增禾冲煤矿属耒阳市南阳镇办企业,主井口坐标:X=2920997,Y=38396511,z=+149.08米,副井口坐标:X=2920710,Y=38396340,z=+156米,风井井口坐标:X=2920288.3,Y=38396105.08,z=+149.08米,其南部已越界250米,从龙塘煤矿范围南风井井筒下部穿过,主要集中在南风井两侧,采深在+40m以上;其北部越界120米,主要集中在龙塘煤矿136采区轨道上山一带,采深已至-50m;其东部越界80米,主要集中在龙塘煤矿156采区轨道、钻孔3101之间,采深已至-46m。
经过地测及相关部门不断的努力,现已基本查明了矿区范围内的充水因素、充水方式、出水点位置与涌水量。
对矿井周边小煤矿进行了全面的调查,收集了周边小煤矿的位置、开采层位、充水情况等资料。
为矿井采掘部署提供了有力的依据,给矿井安全生产带来保障。
因此采空区、废弃老窑(井筒)均远离现生产工作面,对现生产工作面瓦斯、水患、顶板均无影响。
2、封闭不良钻孔,断层、裂隙、褶曲:根据历次勘探报告封孔资料,1965年以前施工钻孔基本采用砂浆水泵注入法全孔封闭。
1965年前施工的部分浅孔封孔质量存在问题(全部在浅部-100m以上),这些钻孔多位于采空区或未见煤,对开采基本无影响。
现矿井已开采至-300m水平,尚未发现封闭不良钻孔。
矿井今后主要开采-300m水平以下煤层,钻孔均为2012年以后施工的钻孔,封孔方法均采用纯水泥大段距水泵压入法,封至最上部煤层1煤顶板以上50m。
对各封闭钻孔并沉淀取样检查,封孔质量均较好。
龙塘矿位于郴耒煤田白沙复式向斜北段西翼南部,地层走向NE~SW,倾向E~SE,倾角一般25~35°,28线~39线附近浅部地层偶尔直立倒转。
煤层受倾向、斜交、走向三组断层切割成整块,井田构造复杂。
断层、裂隙、褶曲均填绘在工程平面图上,井田内构造复杂,褶曲构造主要有向1、、向2、向3、向4、向5、背1、背2、背3、背4,大中型断层有17条,总长17830米,每平方公里2.83条,长约3000米,经生产揭露,小型褶曲与断层发育,对生产稍有影响,由于断层的切割,影响了矿井的开拓布局和采区的划分,增加大量的回采巷道和生产环节,加大了生产成本。
破坏了顶板的完整性,加大支护难度,同时在开采中起底放顶过断层,使回采煤的含矸率、灰分上升,降低了煤炭质量。
采区工作面以褶曲为主。
接近断层、裂隙、褶曲时,采用钻机进行探测。
3、龙塘矿井无导水裂缝带、地下含水体、井下火区、古河床冲刷带、天窗等不良地质体。
4、瓦斯情况:1)、龙塘矿井瓦斯属高瓦斯矿井。
矿井瓦斯来源主要为工作面采煤和工作面放炮落煤及巷道掘进时。
整体来看,矿井正常生产落煤、巷道掘进、工作面遇断层、褶曲等地质构造带时矿井瓦斯涌出量有所增大。
2)、矿井瓦斯涌出规律及危险性分析:(1)工作面上隅角的瓦斯浓度较其它地点为高,是容易积聚瓦斯的异常地点,为防治瓦斯的重点。
(2)采掘工作面过断层、煤体裂隙发育等地质构造带时,瓦斯及其它有害气体浓度会明显增加,必须高度重视。
(3)采煤工作面放炮瓦斯涌出量增加,对安全生产的威胁较大。
(4)采煤工作面的瓦斯涌出还受大气温度、气压等环境因素的影响,特别是换季时,大气压力急剧下降,瓦斯涌出量会增加,要引起高度重视。
3)、煤的自燃倾向与煤尘爆炸危险性 :根据2015年11月25日湖南省煤炭产品质量监督检验站对矿山提煤层自燃倾向性等级为类,属不易自燃煤层。
4)、地温及冲击地压本区属正常地温区,地温梯度约为2.33/100m。
矿山在开采过程中,初次来压时间7d,砂岩类来压周期一般10~15 d,粘土岩类来压时间短,掘进巷道过程中根据不同的岩石,采取有效的支护措施,以免造成坑道变形垮塌造成安全事故。
5)、突出鉴定:2015年煤炭科学研究总院重庆研究院对我矿井田范围内的6煤层评价为不具有突出危险性。
7、富水性:6煤层煤经对岩石的水理性质煤系地层和大隆组地层分布区,由残积坡物和碎石泥砂组成透水性良好。
大冶群地层分布层,风化成黄土,粘结性好,具可塑性、透水性差。
低洼地区为砂质、亚泥土和淤泥构成,隔水性好。
8、泉眼及出水点情况:本次野外巡查,发现地面泉眼 3 个(为矿区附村民的主要饮用水源),井下涌水点 2 个(126-18m处、136-100m处)。
六、解决灾害的方案1、接近采空区、废弃老窑、钻孔,断层、裂隙、褶曲时,采用钻机进行超前探测。
2、加强瓦斯管理,特别是局部通风管理,坚决保证双风机双电源,监测监控稳定可靠。
3、选择合理的开拓方式和采煤方法,通风、防火措施,制定煤层综合治理措施。
3、龙塘矿采煤历史悠久,沿煤层露头一带浅部老采空区较多,存在大量的采空区积水,加之区内构造断裂相对较多,应注意防止断裂带水的危害;要加强水文地质工作,对断裂带导水、富水性及老窑采空区积水的调查、分析与研究工作,完善防治水基础资料,指导矿井防治水。
在采空区、废弃老窑、钻孔,断层、裂隙附近作业时,必须严格执行“预测预报、有疑必探、先探后掘、先治后采”的防治水原则,认真做好:“防、堵、疏、排、截”防治水综合治理方针,确保证矿井安全生产。
七、各隐蔽地质灾害采取的防范措施1、矿井主井、副井和风井井口均高于当地的最高洪水位标高,在雨季强降雨时来临前,清理好防洪沟,防止井口水倒灌入井下。
2、大气降水:大气降水主要可能通过周边小窑或地表裂隙渗入,对矿井构成威胁,必须保持警惕,值班人员在降大雨或大暴雨时,必须加强巡视。
3、严格执行“有疑必探,先探后掘,边探边掘,先治后采“的探防水原则。
4、雨季来临前,必须对全矿井排水系统进行一次全面隐患排查和检修,清理好主、副水仓和水沟。
确保工作水泵运行正常,备用水泵完好随时能够启动排水,检修水泵完好随时能够投入使用。
雨季排水期间必须设置专人检修排水设备(水泵、开关、供电线路及排水管路等),水泵工必须严格执行现场交接班制度,坚守岗位,按时向矿值班调度汇报井下排水情况,确保水仓有足够的容量。
5、在遇雷雨停电时,必须立即立即启动防治水应急预案,确保矿井安全。
6、瓦斯预测预报,矿每月由总工程师主持召开一次瓦斯预测预报专题例会,会议上要求各施工地点的地质构造、水文、瓦斯情况进行总结发言,对瓦斯涌出量、参数情况进行通报总结,生技部重点对下一周期采掘区域内褶曲、断层等构造区域的水文地质条件、瓦斯涌出量、瓦斯受地质构造影响情况进行分析、预测,提前制定防止瓦斯超限的措施。
7、矿每月召开至少一次瓦斯综合治理工作例会,及时研究,解决瓦斯综合治理存在的问题和隐患,保证瓦斯综合治理工作所需的人力、财力、物力。
8、坚持每旬的安全大检查制度和每月召开安全办公会议制度。
认真执行隐患排查制度和隐患整改“五落实”制度。
实行安全专管,分片负责制度,监督落实好安全隐患整改情况。
9、加强技术管理及安全投入,完善瓦斯治理技术保障及防治瓦斯基础设施。
按原煤实际产量从成本中提取。
10、严格执行瓦斯检查制度、瓦斯报表审批制度、瓦斯排放、放炮管理、盲巷管理、巷道贯通、石门揭煤、无计划停电停风等制度及措施的制定和落实执行情况。
11、制定并定期对“一通三防”作业人员进行培训,配齐通风、瓦斯检测、监测监控、防火、防尘专门队伍,所有人员必须培训并取得合格证并持证上岗,否则追究有关人员责任。
12、矿井安装KJ101监控系统并运行正常,发挥监控系统应有的作用。
采取安全监控系统对井下瓦斯实现24小时监测。
安全监测系统必须装备备用电池,停电后,必须保证正常工作时间不少于2小时。
采煤工作面实现瓦斯电闭锁,掘进工作面实行“三专两闭锁”,并实现了双风机、双电源,并能自动切换、自动分风。
13、采掘工作面设专职瓦检员24小时现场盯班,对工作面比较容易积聚瓦斯的上隅角、回风巷进行实施巡回检查、每班向调度室汇报。
14、回采工作面上隅角容易积聚瓦斯的地方,在工作面上隅角悬挂便携式瓦斯报警仪。