电镀知识讲座解析
- 格式:ppt
- 大小:280.00 KB
- 文档页数:1
电镀相关知识培训一、电镀的基本原理电镀是利用电解作用把金属离子沉积在导体表面上的一种表面处理方法。
其基本原理是利用外加电流的作用,通过电解液中的金属离子在导体表面上沉积成金属层。
具体的原理可以用法拉第定律和库仑定律来解释。
法拉第定律指出,在电流通过电解液中时,被电化学反应转换成金属沉积的速度与电流强度成正比。
库仑定律则是指出,所沉积的金属质量与电化学当量(或者是电流)成正比。
二、常见的电镀工艺1. 酸洗工艺:酸洗是电镀工艺的前一道工序,它主要是通过浸泡在酸性溶液中,去除基材上的氧化层和杂质,增加基材表面的粗糙度,提高电镀层的附着力。
2. 镀镍工艺:镀镍是一种常用的电镀工艺,它可以提高金属的硬度、耐蚀性和美观性。
镀镍一般分为化学镀镍和电镀镍两种工艺。
3. 镀铬工艺:镀铬同样是一种常用的电镀工艺,它可以提高金属的耐蚀性、硬度和光泽。
镀铬工艺中一般采用六价铬盐作为电解液,通过电解把铬沉积到基材表面上。
4. 镀锌工艺:镀锌是一种将锌镀覆在其他金属表面上的电镀工艺。
它可以提高基材的耐腐蚀性,是汽车、建筑等行业常用的表面处理方法。
三、电镀设备的操作和维护1. 电镀槽的操作:电镀槽是进行电镀操作的重要设备,操作时应注意加热、搅拌、过滤电解液,保持电解液的恒温、均匀和纯净等。
2. 电镀设备的维护:电镀设备的维护工作非常重要,包括定期清洗电镀槽、更换电解液、维护电解槽内部设备和调节电流密度等。
维护电镀设备可以保证其正常运行,延长设备的使用寿命。
四、电镀操作中的安全注意事项1. 电镀操作应该在通风良好的场所进行,以防化学气体对操作人员的影响。
2. 操作人员应佩戴防护用具,如手套、护目镜和防护服等,避免直接接触电解液和金属离子。
3. 电镀操作中应严格按照操作规程,以免发生意外事故。
电镀技术作为一种重要的表面处理方法,对于提高金属的性能和外观质量有着重要的作用。
通过本篇培训,希望能为电镀从业人员提供一些基础的知识和操作技巧,从而更好地进行电镀操作和设备的维护工作。
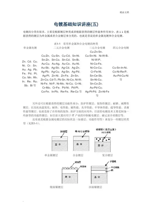
电镀基础知识讲座(五)电镀的分类有很多,主要是根据镀层种类或者根据获得的镀层性能和作用来分。
表1-1是根据获得的镀层为单金属或者合金镀层来分类的,也就是常说的单金属电镀和合金电镀。
表1-1 常用单金属和合金电镀的种类单金属电镀二元合金电镀三元合金电镀四元合金电镀Zn,Cd,Cu,Ni,Cr,Sn,Au,Ag,Pb,Fe,Pd,Pt,Co,Mn,Rh,In,Re,Ru,Sb,Bi等Cu-Zn,Cu-Sn,Cu-Cd,Sn-Ni,Sn-Zn,Sn-Co,Sn-Cd,Sn-Bi,Au-Cu,Au-Ag,Au-Co,Au-Ni,Au-Sb,Ag-Sb,Ag-Cd,Ag-Zn,Ag-Pb,Ag-Cu,Ag-Sn,Ag-Pd,Ag-Pt,Zn-Ni,Zn-Fe,Zn-Sn,Zn-Co,Cd-Ti,Pb-Sn,Ni-Co,Ni-W,Ni-Fe,Ni-P,Ni-Mo,Ni-Cu,Cr-Ni,Cr-Mo,Cr-Fe,Pd-Ni,Pd-Pt,Co-Fe,In-Pb,Re-Fe,Re-Co等Cu-Zn-Sn,Cu-Sn-Ni,Ni-W-B,Ni-W-P,Ni-Co-Fe,Ni-Co-Cu,Cr-Fe-Ni,Sn-Ce-Sb,Sn-Ni-Cu,Sn-Co-Zn,Au-Pd-Cu,Ag-Pt-Pd,Zn-Ni-Fe等Cu-Sn-In-Ni,Co-Ni-Re-P,Au-Pd-Cu-Ni等另外还可以根据获得的镀层功能性来分:防护性镀层、装饰性镀层、耐磨、减摩性镀层,以及抗高温氧化、耐热、电性能、磁性能、光学性能、半导体性能、超导性能、杀菌性能等镀层。
也就是除了在传统的装饰、防护方面的应用外,目前的电镀技术主要是制备一些新型的功能性镀层,如目前大量应用于IT产业的印制板电镀层、磁记录介质膜层等。
还有就是根据金属电镀层的实际状态(如叠层、功能作用等)来划分一些镀层的类型(见图1-1)。
单金属镀层合金镀层复合镀层缎面镍镀层沙面镍镀层装饰镀银层装饰镀铬层图1-1 常见镀层的分类电镀基本概念电镀技术又称为电沉积,是在材料表面获得金属镀层的主要方法之一。
电镀知识讲座电镀基础知识2.1 電鍍之定義電鍍(electroplating)被定義為一種電沈積過程(electrodepos- ition process),是利用電極(electrode)通過電流,使金屬附著於物體表面上,其目的是在改變物體表面之特性或尺寸。
2.2 電鍍之目的電鍍的目的是在基材上鍍上金屬鍍層(deposit),改變基材表面性質或尺寸。
例如賦予金屬光澤美觀、物品的防鏽、防止磨耗、提高導電度、潤滑性、強度、耐熱性、耐候性、熱處理之防止滲碳、氮化、尺寸錯誤或磨耗之另件之修補。
2.3 各種鍍金的方法電鍍法(electroplating) 無電鍍法(electroless plating) 熱浸法(hot dip plating) 熔射噴鍍法(spray plating)塑膠電鍍(plastic plating) 浸漬電鍍(immersion plating) 滲透鍍金(diffusion plating) 陰極濺鍍(cathode supptering)真空蒸著鍍金(vacuum plating) 合金電鍍(alloy plating)複合電鍍(composite plating 局部電鍍(selective plating) 穿孔電鍍(through-hole plating) 筆電鍍(pen plating)電鑄(electroforming)2.4 電鍍的基本知識電鍍大部份在液體(solution) 下進行,又絕大部份是由水溶液(aqueous solution)中電鍍,約有30 種的金屬可由水溶液進行電鍍, 由水溶液電鍍的金屬有:銅Cu、鎳Ni、鉻Cr、鋅Zn、鎘Cd"、鉛Pb、金Au、銀Ag、鉑Pt、鈷Co、錳Mn、銻Sb、鉍Bi、汞Hg、鎵Ga、銦In、鉈、As、Se、Te、Pd、Mn、Re、Rh、Os、Ir、Nb、W 等。
有些必須由非水溶液電鍍如鋰、鈉、鉀、鈹、鎂、鈣、鍶、鋇、鋁、La、Ti、Zr、Ge、Mo等。
电镀基础知识培训一、电镀的原理1.1 电镀的基本原理电镀是利用电解作用和电化学还原反应在导电基材表面沉积金属的工艺。
通过外加电流,金属离子在阳极上发生氧化,并通过电解液迁移到阴极上,在阴极上接受电子并还原成金属沉积在基材表面。
这一过程是一个复杂的电化学反应过程,主要包括阳极氧化反应和阴极还原反应两个过程。
1.2 电镀的影响因素电镀工艺的质量受到许多因素的影响,主要包括电流密度、电解液成分、温度、搅拌、阳极和阴极表面的处理等。
这些因素直接影响金属沉积的均匀性、致密性、附着力和成膜速度等性能。
二、电镀的分类按照电解液的成分和金属沉积的方式,电镀可分为多种类型。
常见的电镀包括镀铬、镀镍、镀铜、镀锌等。
2.1 镀铬镀铬是一种常见的电镀工艺,其主要用途是提高金属基材的耐腐蚀性和外观。
镀铬工艺一般采用六价铬盐作为电镀液,通过外加电流将铬沉积在基材表面,形成一层具有镜面效果的金属膜。
2.2 镀镍镀镍是一种通用的电镀工艺,其主要作用是增加基材的硬度、耐磨性和耐腐蚀性。
镀镍工艺一般采用镍盐作为电镀液,通过外加电流将镍沉积在基材表面,形成一层致密、均匀的金属膜。
2.3 镀铜镀铜是一种常见的电镀工艺,其主要用途是提高基材的导电性和焊接性能。
镀铜工艺一般采用铜盐作为电镀液,通过外加电流将铜沉积在基材表面,形成一层致密、均匀的金属膜。
2.4 镀锌镀锌是一种常见的防腐蚀电镀工艺,其主要作用是提高基材的抗氧化性和耐蚀性。
镀锌工艺一般采用锌盐作为电镀液,通过外加电流将锌沉积在基材表面,形成一层紧密结合的锌铁合金薄膜。
三、电镀工艺的步骤电镀工艺一般包括预处理、电镀和后处理三个步骤。
预处理包括除油、除锈、脱脂、清洗等,旨在保证基材表面的清洁度和光洁度。
电镀是将金属沉积在基材表面的过程,旨在改善基材的性能和外观。
后处理一般包括清洗、烘干、检验、包装等,旨在保证电镀层的质量和稳定性。
四、电镀工艺的质量控制电镀工艺的质量受到许多因素的影响,需要采取一系列措施进行质量控制。
電鍍第一章第二章第一節第二節第三節第四節第五節第三章第一節第二節第四章第一節第二節第三節第四節第五節第六節第七節第八節11第五章鍍鎳11第一節一般鍍鎳(暗鍍)11第二節光亮鎳12第三節高硫鎳12第四節鎳封12第五節緞面鎳12第六節高應力鎳13第七節鍍多層鎳13第八節氨基磺酸鹽鍍鎳13第九節檸檬酸鹽鍍鎳14第六章鍍鉻14第一節鍍鉻層的種類14第二節鍍鉻的陽極15第三節鍍鉻工藝15第七章其它電鍍17第八章鍍層性能測試18第一節電鍍層外觀檢驗18第二節結合力試驗18第三節電鍍層厚度的測量19第四節孔隙率的測定19第五節鍍層顯微硬度的測定19第六節鍍層內應力的測試19第七節電鍍層脆性測試19第八節氫脆性的測試20第九節鍍層焊接性能的測試20第九章電鍍層的選擇及標記21第一節對電鍍層的要求21第二節鍍層使用條件的分類21第三節電鍍層的選擇21第四節金屬鍍層的表示方式(GB-1238-76)25第五節金屬鍍層的表示方式(JISH0404)25 第十章參考文獻29電鍍第一章電鍍的定義電鍍是指在含有欲鍍金屬的鹽類溶液中﹐以被鍍基體金屬為陰極﹐通過電解作用﹐使鍍液中欲鍍金屬的陽離子在基體金屬外表沉積出來﹐形成鍍層的一種外表加工方法。
鍍層性能不同于基體金屬﹐具有新的特征。
根據鍍層的功能分為防護性鍍層﹐裝飾性鍍層及其他功能性鍍層。
第二章電鍍的全然知識第一節電鍍液1.主鹽主鹽是指鍍液中能在陰極上沉積出所要求鍍層金屬的鹽﹐用于提供金屬離子。
鍍液中主鹽濃度必須在一個適當的范圍﹐主鹽濃度增加或減少﹐在其他條件不變時﹐都會對電沉積過程及最后的鍍層組織有影響。
比方﹐主鹽濃度升高﹐電流效率提高﹐金屬沉積速度加快﹐鍍層晶粒較粗﹐溶液分散能力下落。
2.絡合劑有些情況下﹐假设鍍液中主鹽的金屬離子為簡單離子時﹐則鍍層晶粒粗大﹐因此﹐要采纳絡合離子的鍍液。
獲得絡合離子的方法是参加絡合劑﹐即能絡合主鹽的金屬離子形成絡合物的物質。
絡合物是一種由簡單化合物相互作用而形成的“分子化合物〞。
电镀基础知识讲座(一)电镀基础知识讲座(一)合格的电镀工必须懂得电镀设备的基本理论和电镀的原理,电镀工必须具备的条件,即操作方式、工艺管理、工艺规范要求,同时要能正确的对待工艺操作的规范化与产品质量密切关系,严格的说:没有严格规范操作就不可能镀出合格的电镀产品!因此要使自己能胜任电镀工这个岗位,就必须懂一点电镀设备的基本常识,通过理论上的培训,实践操作合格,这样才能真正的做合格的电镀工。
一、什么叫电镀电镀就是利用电解的方式使金属或合金沉积在工件表面,以形成均匀、致密、结合力良好的金属层的过程,就叫电镀。
简单的理解,是物理和化学的变化或结合。
普通的说:电与化学物质(化学品)的结成。
例如:一块铁板上镀上一层铜(通电在铜的镀液上)。
二、电镀必须具备什么条件:要办一个电镀设备厂,一个车间必须要有:外加的直流电源和特定电解液(或叫镀液)以及特定金属阳极组成的电解装置。
就是除了厂房、水、废水处理外,还必须有直流的整流器。
镀液通过(镀铜、镍、锌、锡、金、银)等镀种,以及镀什么镀种先择好阳极板。
如:镀镍要用镍板,镀铜要用电解铜板,但镀铬不是用铬板,而是铅锡、铅锑合金板(即不溶性阳极)。
除此外,化学镀、热镀锌等镀种通过化学反应结成的镀层是不用电镀的,一般叫化学镀镍、化学镀铜。
三、电镀工须知的电化学基础知识。
1、化学知识:自然界由物质构成的,我们经常见到的水、泥土、食盐、钢铁等都是物质。
一切物质都处在不停的运动状态。
运动是物质存在形式:例如:水蒸发成汽,遇冷变成冰块等。
物质发生运动变化的根本原因在于物质内部的矛盾性。
自然界一切物质的运动和变化叫自然现象,研究自然变化规律的科学统称自然科学。
自然变化可分化学变化和物理变化两大类,研究物理变化的科学叫物理学,研究化学变化的科学叫化学。
化学研究的内容是:物质的组成和性质,物质的变化,物质变化时发生的现象。
1原子——分子论的基本概念。
原子——分子论学说是化学的基础,其要点归纳如下:a、a、物质由分子组成,分子是维持物资组成和化学性,质的最小单位。
电镀知识详细解读(全面)一、电镀1、概念电镀就是通过电沉积的方式在工件表面镀一层或多层金属镀层,给予工件美丽的外观或特定的功能要求。
电镀时,镀层金属或其他不溶性材料做阳极,待镀的金属制品做阴极,镀层金属的阳离子在金属表面被还原形成镀层。
为排除其它阳离子的干扰,且使镀层均匀、牢固,需用含镀层金属阳离子的溶液做电镀液,以保持镀层金属阳离子的浓度不变。
电镀的目的是在基材上镀上金属镀层,改变基材表面性质或尺寸。
电镀能增强金属的抗腐蚀性(镀层金属多采用耐腐蚀的金属)、增加硬度、防止磨耗、提高导电性、润滑性、耐热性、和表面美观。
2、原理在盛有电镀液的镀槽中,经过清理和特殊预处理的待镀件作为阴极,用镀覆金属制成阳极,两极分别与直流电源的负极和正极联接。
电镀液由含有镀覆金属的化合物、导电的盐类、缓冲剂、pH调节剂和添加剂等的水溶液组成。
通电后,电镀液中的金属离子,在电位差的作用下移动到阴极上形成镀层。
阳极的金属形成金属离子进入电镀液,以保持被镀覆的金属离子的浓度。
在有些情况下,如镀铬,是采用铅、铅锑合金制成的不溶性阳极,它只起传递电子、导通电流的作用。
电解液中的铬离子浓度,需依靠定期地向镀液中加入铬化合物来维持。
电镀时,阳极材料的质量、电镀液的成分、温度、电流密度、通电时间、搅拌强度、析出的杂质、电源波形等都会影响镀层的质量,需要适时进行控制。
3、目的为了得到具有某种特性的金属层,如:硬度、光亮度、耐腐性及在电铸方面复制同样的形状.4、电镀液溶液中在阳极与阴极间金属离子移动的导电介质。
如何维护电镀液?持续的化学分析、赫氏槽电镀测试、添加化学品、去除污染物、定期净化、缺陷/次品的常规检查、物理测试5、pH值用来度量酸碱度的;pH值的范围处于0-14之间;小于7的为酸性,大于7且小于等于14的为碱性,7.0为中性。
二、基础电化学1、电镀槽2、阴极反应离子还原反应从外部电路中吸收电子典型的反应:Ni+++ 2e-→Ni (金属)2H+ + 2e-→H24H2O + 4e-→2H2 + 4(OH)-3、阳极反应金属氧化成阳离子将电子释放至外部电路典型的反应:Ni→Ni++ +2e-4OH-→O2 +2H2O + 4e-2H2O →O2 + 4H++4e-4、清洗(1)清洗的目的保障后续的镀层的结合力;得到高品质的完美镀层;镀层具有期望的各种特性。
电镀根底知识讲座(五)电镀的分类有很多,主要是根据镀层种类或者根据获得的镀层性能和作用来分。
表1-1是根据获得的镀层为单金属或者合金镀层来分类的,也就是常说的单金属电镀和合金电镀。
表1-1 常用单金属和合金电镀的种类单金属电镀二元合金电镀三元合金电镀四元合金电镀Zn,Cd,Cu,Ni,Cr,Sn,Au,Ag,Pb,Fe,Pd,Pt,Co,Mn,Rh,In,Re,Ru,Sb,Bi等Cu-Zn,Cu-Sn,Cu-Cd,Sn-Ni,Sn-Zn,Sn-Co,Sn-Cd,Sn-Bi,Au-Cu,Au-Ag,Au-Co,Au-Ni,Au-Sb,Ag-Sb,Ag-Cd,Ag-Zn,Ag-Pb,Ag-Cu,Ag-Sn,Ag-Pd,Ag-Pt,Zn-Ni,Zn-Fe,Zn-Sn,Zn-Co,Cd-Ti,Pb-Sn,Ni-Co,Ni-W,Ni-Fe,Ni-P,Ni-Mo,Ni-Cu,Cr-Ni,Cr-Mo,Cr-Fe,Pd-Ni,Pd-Pt,Co-Fe,In-Pb,Re-Fe,Re-Co等Cu-Zn-Sn,Cu-Sn-Ni,Ni-W-B,Ni-W-P,Ni-Co-Fe,Ni-Co-Cu,Cr-Fe-Ni,Sn-Ce-Sb,Sn-Ni-Cu,Sn-Co-Zn,Au-Pd-Cu,Ag-Pt-Pd,Zn-Ni-Fe等Cu-Sn-In-Ni,Co-Ni-Re-P,Au-Pd-Cu-Ni等其它还可以根据获得的镀层功能性来分:防护性镀层、装饰性镀层、耐磨、减摩性镀层,以及抗高温氧化、耐热、电性能、磁性能、光学性能、半导体性能、超导性能、杀菌性能等镀层。
也就是除了在传统的装饰、防护方面的应用外,目前的电镀技术主要是制备一些新型的功能性镀层,如目前大量应用于IT产业的印制板电镀层、磁记录介质膜层等。
还有就是根据金属电镀层的实际状态〔如叠层、功能作用等〕来划分一些镀层的类型〔见图1-1〕。
单金属镀层合金镀层复合镀层缎面镍镀层沙面镍镀层装饰镀银层装饰镀铬层图1-1 常见镀层的分类电镀根本概念电镀技术又称为电沉积,是在材料外表获得金属镀层的主要方法之一。