视频安防监控系统分项工程质量验收记录表文件
- 格式:doc
- 大小:39.00 KB
- 文档页数:2
视频安防监控系统分项工程质量验收记录一、项目概况:项目名称:xxx视频安防监控系统分项工程质量验收项目地址:xxx二、项目基本情况:本项目是针对xxx区域的视频安防监控需求所进行的分项工程,主要内容包括安装摄像头设备、布置监控中心、搭建视频传输网络等。
三、验收依据:1.相关技术标准:按照国家标准《建筑视频监控系统工程设计规范》、《建筑视频监控系统工程施工及验收规范》进行验收。
2.合同约定:根据合同约定的项目要求进行验收。
四、验收内容:1.摄像头设备安装情况:1)摄像头数量与布置位置是否符合设计要求;2)摄像头与支架是否安装牢固;3)摄像头焦距、视角设置是否合理;4)摄像头图像质量是否清晰;5)摄像头线路是否整齐、规范。
2.监控中心设备情况:1)监控中心是否按照设计方案进行布置;2)监控中心摄像头显示是否正常;3)监控中心的监控设备和服务器是否安装稳定;4)监控中心软件的视频播放是否流畅;5)监控中心设备的接地、防雷等安全性能是否符合要求。
3.视频传输网络情况:1)网络设备和摄像头的连接是否正常;2)网络传输速度和稳定性是否满足要求;3)网络设备的配置是否符合设计方案;4)网络设备的安全性能是否达标。
五、验收结果:1.摄像头设备安装情况:经过检查,摄像头数量和布置位置符合设计要求,设备安装牢固,焦距、视角设置合理,图像质量清晰,线路整齐、规范。
2.监控中心设备情况:检查发现监控中心按照设计方案进行布置,摄像头显示正常,监控设备和服务器安装稳定,软件视频播放流畅,设备接地、防雷等安全性能符合要求。
3.视频传输网络情况:检查确认网络设备和摄像头连接正常,传输速度和稳定性满足要求,网络设备配置符合设计方案,安全性能达标。
六、问题及整改要求:经过验收,发现以下问题:1.局部摄像头的视野有重叠,需要调整焦距或更改布置位置。
2.一部分监控中心设备的线路缆线有松动现象,需要重新固定。
3.部分网络设备的配置参数不符合设计要求,需要重新设置。
视频安防监控系统分项工程检验批质量验收记录表GB 50339-2003半球形、枪形摄像机安装检验批质量验收记录表风管系统安装检验批质量验收记录表附录J 钢结构分项工程检验批质量验收记录表J.0.1 钢结构(钢构件焊接)分项工程检验批质量验收应按表J.0.1进行记录。
表J.0.1钢结构(钢构件焊接)分项工程检验批质量验收记录J.0.2钢结构(焊钉焊接)分项工程检验批质量验收应按表J.0.2进行记录。
表J.0.2钢结构(焊钉焊接)分项工程检验批质量验收记录J.O.3钢结构(普通紧固件连接)分项工程检验批质量验收应按表J.O.3进行记录。
表J.0.3钢结构(普通紧固件连接)分项工程检验批质量验收记录J.0.4钢结构(高强度螺栓连接)分项工程检验批质量验收应按表J.0.4进行记录。
表J.0.4钢结构(高强度螺栓连接)分项工程检验批质量验收记录J.0.5钢结构(零件及部件加工)分项工程检验批质量验收应按表J.O.5进行记录。
表J.O.5钢结构(零件及部件加工)分项工程检验批质量验收记录J.O.6钢结构(构件组装)分项工程检验批质量验收应按表J.O.6进行记录。
J.0.7钢结构(预拼装)分项工程检验批质量验收应按表J.0.7进行记录。
J.0.8钢结构(单层结构安装)分项工程检验批质量验收应按表J.0.8进行记录。
表J.0.8钢结构(单层结构安装)分项工程检验批质量验收记录表J.O.9钢结构(多层及高层结构安装)分项工程检验批质量验收记录表J.O.10钢结构(网架结构安装)分项工程检验批质量验收记录J.0.11钢结构(压型金属板)分项工程检验批质量验收应按表J.O.11进行记录。
表J.0.11钢结构(压型金属板)分项工程检验批质量验收记录表J.O.12钢结构(防腐涂料涂装)分项工程检验批质量验收记录表J.0.13钢结构(防火涂料涂装)分项工程检验批质量验收记录。
视频安防监控系统分项工程检验批质量验收记录表
GB 50339-2003
般项目
无松动
2同一建筑物、构造物内电
线绝缘层颜色的选择
第7.2.2
条
符合规范要求
3
设备现场检查、试验、运
转
第7.2.3
条
符合规范要求
4
设备不同项导线见和导线
的距离
第7.2.4
条
符合规范要求
施工单位检查评定
结果
专业工长(施工
员)
施工班组长
检查工程主控项目、一般项目均符合《建筑电气工程施工质量验收规范》(GB50303-2002)的规定,评定合格
项目专业质量检查员:年月日
监理(建设)单位
验收结论
专业监理工程师:
(建设单位项目专业技术负责人):年月日。
SG-A137
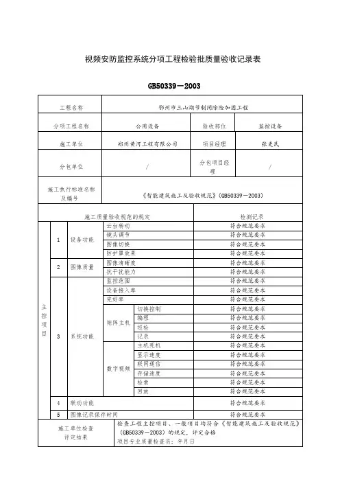
智能建筑视频安防监控系统
分项工程质量验收记录表
单位(子单位)工程名称子分部工程安全防范系统分项工程名称视频安防监控系统验收部位
施工单位项目经理
施工执行标准及编号
分包单位分包项目经理
检测项目(主控项目)检查评定记录备 注云台转动
镜头调节
图像切换
防护罩效果
2图像质量
图像清晰度
抗干扰能力
1设备功能
监控范围
设备接人率
完好率
矩阵主机切换控制编程
巡检
记录
数字视频主机死机显示速度联网通信存储速度检索
回放
4联动功能
3系统功能
5图像记录保存时间
监理(建设)单位验收结论:施工单位检测结果:
-A137
备 注
人:(签字)
年 月 日省建设厅制。
视频监控验收表格视频安防监控系统分项工程质量验收记录表编号。
_____________单位(子单位)工程名称。
_____________ 分项工程名称。
_____________施工单位。
_____________施工执行标准名称及编号。
_____________ 分包单位。
_____________检测项目:1.云台转动2.设备功能3.图像质量4.系统功能5.回放6.联动功能检查评定记录(执行本规范第8.3.5条的规定):1.云台转动:检查云台转动是否灵活,是否存在异常声音或卡顿现象。
2.设备功能:检查设备的镜头调节、图像切换和防护罩效果是否正常。
3.图像质量:检查图像清晰度和抗干扰能力是否达到要求,监控范围是否覆盖全面。
4.系统功能:检查主机切换控制、编程、巡检和记录功能是否正常,数字视频显示速度、联网通信和存储速度是否符合要求,设备接入率和完好率是否达标。
5.回放:检查图像记录保存时间是否符合要求,回放功能是否正常。
6.联动功能:检查系统的联动功能是否正常。
备注:设备抽检数量不低于20%且不少于3台。
合格率为100%时为合格。
系统功能和联动功能全部检测,符合设计要求时为合格,合格率为100%系统检测合格。
视频安防监控系统分包项目经理:_____________子分部工程验收部位:_____________项目经理:_____________安全防范系统:_____________检测意见:监理工程师签字:_____________检测机构负责人签字:_____________建设单位项目专业技术负责人)。