模具制造工艺学24
- 格式:ppt
- 大小:1.66 MB
- 文档页数:4
模具制造工艺学复习试题一、判断题:正确的打符号√,错误的打符号×。
1、零件结构的工艺性好就是指零件的结构形状在满足使用要求的前提下,按现有的生产条件能用较经济的方法加工出来 ( √ )2、表面粗糙、精度低的毛坯粗基准的选择:一般情况下,同一尺寸方向上的粗糙基准只能使用二次 ( × )3、工步是在加工表面、加工工具都不变的情况下,连续完成的那一部分工序。
( √ )4、在加工过程中直接保证的尺寸等称为封闭环。
( × )5、采用正弦精密平口钳或正弦磁力台夹具只能磨削平面或斜面 ( × )6、光整加工是最后决定零件形状和尺寸精度的加工工艺方法。
( × )7、周磨加工精度较高,适用于精磨。
( √ )8、铰孔是对中小直径未淬硬孔进行半精加工和精加工。
( √ )9、成形磨削中,凸模必须设计为镶拼结构。
( × )10、电火花成型加工适宜加工低刚度工件及微细加工。
( √ ) 11.工件加工前在机床或夹具上占有一个固定的位置称做定位。
( × )12. 在进行产品图样的工艺分析时主要对零件的结构和零件的品种进行分析。
( × )13.在零件加工过程中使金属内部变形,强度硬度提高的现象叫冷作硬化。
( √ )14.模具的生产成本包括材料费,外购件费,外协件费,设备折旧费,经营性开支等。
( √ )15. 电火花成型加工放电通道中心温度可达2000℃以上 ( × )16、电火花成型加工应用于穿孔、型腔加工、强化金属和磨削平面和圆柱面 ( √ )17、电火花线切割的尺寸精度达不到01.0 mm 。
( × ) 18、3B 编程时,对于平行于X 轴或Y 轴的直线、当X 或Y 为零时、X 、Y 值均可不写、但分隔符号必须保留。
( √ )19、模具常用的装配方法有完全互换法、修配法和调整法(√)20、绿色产品的特征是小型化、多功能、使用安全和方便、可回收利用(√)二、选择题:1、在不同的生产类型下,同一产品的工艺过程是( C )A、相同的;B、相似的;C、不同的。
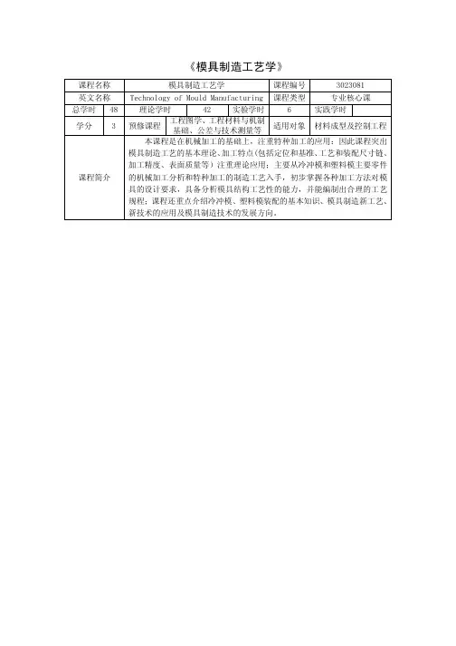
《模具制造工艺学》
课程名称 模具制造工艺学 课程编号 3023081 英文名称 Technology of Mould Manufacturing 课程类型 专业核心课 总学时 48 理论学时 42 实验学时 6 实践学时
学分 3 预修课程 工程图学、工程材料与机制
基础、公差与技术测量等
适用对象 材料成型及控制工程
课程简介
本课程是在机械加工的基础上,注重特种加工的应用:因此课程突出模具制造工艺的基本理论、加工特点(包括定位和基准、工艺和装配尺寸链、加工精度、表面质量等)注重理论应用;主要从冷冲模和塑料模主要零件的机械加工分析和特种加工的制造工艺入手,初步掌握各种加工方法对模具的设计要求,具备分析模具结构工艺性的能力,并能编制出合理的工艺规程;课程还重点介绍冷冲模、塑料模装配的基本知识、模具制造新工艺、新技术的应用及模具制造技术的发展方向。
第一章模具制造工艺规程基础知识习题一、填空题1、生产过程中为改变生产对象的、、位置和等,使其成为成品或半成品的过程称为工艺过程。
2、注射模的结构零件按其外形分为、和。
3、生产类型是指企业(或车间、工段、班组、工作地)生产专业化程度的分类称为生产类型,包括、、三种类型。
4、在工艺过程中采用的基准称为工艺基准。
可分为、、和。
5、在加工时,为了保证工件相对于和之间的正确位置(即将工件定位)所使用的基准称为定位基准。
6、时间定额包括:、、、、。
二、判断题1、确定加工余量时,采用类比法估计确定加工余量的大小的经验估计法。
多用于单件小批生产。
()2、工步是在加工表面不变,加工工具可变的情况下,所完成的那一部分工序。
()3、零件结构的工艺性好是指零件的结构形状在满足使用要求的前提下,按现有的生产条件能用较经济的方法方便地加工出来。
()4、机械加工工艺过程卡片用于大批、大量生产中的加工零件,中批生产以及单件小批生产中的某些复杂零件。
()5、在加工过程中直接保证的尺寸等称为封闭环。
()6、量具的选择主要是根据被检零件的形状和尺寸精度来决定。
()7、模具生产属于单件小批生产,适合采用分散装配。
()8、工位是组成工艺过程的基本单元。
()9、机械加工工艺过程卡片用于大批、大量生产中的加工零件,中批生产以及单件小批生产中的某些复杂零件。
()10、机械加工的最初工序只能用工件毛坯上未经加工的表面做定位基准,这种定位基准称为粗基准;粗基准一般只能使用一次。
()11、确定加工余量时,以有关工艺手册和资料所推荐的加工余量为基础,结合实际加工情况进行修正以确定加工余量的大小的查表修正法。
应用较广。
()12、机械加工中刀具的选择取决于所确定的加工方法、工件材料、与所要求的加工精度、生产率和经济性、机床类型等无关。
()13、确定加工余量时,以一定的经验资料和计算公式为依据,对影响加工余量的诸因素进行逐项的分析计算以确定加工余量的大小的分析计算法。
《模具制造工艺学》课程教学大纲(模具设计与制造专业)二OO五年十月一、课程任务本门课程是模具设计与制造专业的专业课,主要讲授机械加工工艺的基础理论,模具的常规及特种加工方法和装配工艺。
学生学完本门课程后应达到下列基本要求:1.掌握机械加工工艺的基础理论和模具制造工艺的基础知识,熟悉模具的加工工艺及装配工艺。
2.具有编制模具制造工艺规程以及分析、解决模具制造中一般工艺技术问题的能力。
3.了解模具制造新技术,新工艺及其发展。
二、教学时间分配表三、课程内容课题一绪论模具制造技术的现状与发展:我国模具制造技术的现状、模具制造技术随着制造业技术的发展而发展的状况。
模具制造工艺的任务模具生产和制造工艺的特点学习本课程的基本要求、任务和学习方法。
课题二模具机械加工基础工艺规程设计:(1)基本概念:模具的生产过程与工艺过程、模具机械加工工艺过程的组成、生产纲领与生产类型;(2)设计、制造和使用的关系:模具的精度和刚度、模具的生产周期、模具的生产成本、模具的寿命;(3)工艺规程指定的原则和步骤:工艺规程的作用与内容、制定工艺规程的原则、制定工艺规程的步骤、工艺文件的格式及应用;(4)产品图纸的工艺分析:零件的结构分析、零件的技术要求分析;(5)毛坯的设计;(6)定位基准的选择:基准的概念、工件的安装方式、定位基准的选择(粗基准的选择、精基准的选择);(7)零件工艺路线的分析与拟定:表面加工方法的选择、加工阶段的划分、工序的集中与分散、加工顺序的安排;(8)加工余量与工序尺寸的确定:加工余量的概念、加工余量的确定、工序尺寸与公差的确定;(9)工艺装备的选择:设备的选择、夹具的选择、刀具的选择、量具的选择。
模具的制造精度:(1)概述、影响模具精度的主要因素;(2)影响零件制造精度的因素:工艺系统的几何误差对加工精度的影响、工艺系统受力变形引起的加工误差、工艺系统的热变形对加工精度的影响;(3)提高加工精度的途径。
机械加工的表面质量:(1)表面质量;(2)影响表面质量的因素及改善表面质量的途径:影响加工表面几何特征的因素及其改进措施、影响表层金属力学物理性能的工艺因素及改进措施(加工表面的冷作硬化、表层金属的金相组织变化、表层金属的残余应力、表面强化工艺。
模具制造工艺学题库一、填空题1、我国模具制造总体上还存在着、、、的弊端,很多精密、复杂、大型模具因为国制造困难,不得不从国外进口。
2、模具制造工艺,就是把模具设计转化为的过程。
3、、、是模具制造的主要技术经济指标。
4、切削加工是利用切削刀具从工件(毛坯)上切去多余的材料,使零件符合图样规定的、、等方面要求的加工过程。
5、切削加工可分为和两部分6、在金属切削加工中,切除多余金属材料时,和之间的相对运动称为切削运动。
7、在切削运动中,被加工的工件上有三个依次变化着的表面:、和。
8、切削用量的三要素包括:、、。
9、普通外圆车刀的组成主要包括和。
10、高速钢按用途不同可以分为和。
11、在加工塑性材料时,在切削速度不高而又能形成带状切屑的情况下,常在前刀面处黏附一块剖面呈三角形的硬块,称为“”。
12、根据切削层金属变性特点和变形程度的不同,切屑可分为四类:、、、。
13、是组成工艺过程的基本单元,也是制定生产计划、进行经济核算的基本单元。
是组成工序的基本单元。
14、化分工序的依据是、的是否变动以及。
15、工件的装夹包括和两个过程。
16、机械产品的加工精度包括:、、。
17、模具加工的精度主要体现在的精度和相关部位的精度。
18、车刀按其用途不同,可分为、、等类型。
20、应采用同一组基准定位加工零件上尽可能多的表面,这就是原则。
21、影响切削力的因素主要包括、、等三个方面。
23、磨削力可以分解为三个相互垂直的力、和。
24、磨削加工时,在磨粒切入金属层的过程中,金属层表面会出现三种不同的变形区,分别是、、。
25、机械制造中常用的毛坯种类有、、和。
26、在金属切削变形过程中,塑性金属材料在刀具的作用下,会沿着与作用力呈45°角的方向产生剪切滑移变形。
27、孔加工中保证加工质量的关键问题是、、和问题。
28、按柄部形状分,麻花钻可分为和。
29、端铣时,根据铣刀与工件的相对位置不同,可分为、和。
30、根据铣削的切削层变化规律不同,周铣可以分为和两种方式。
第1章模具制造工艺规程的基础知识一、填空题1.生产类型是指企业(或车间、工段、班组、工作地)生产专业化的分类,包括单件生产、批量生产、大量生产三种类型。
(1-1)2.工艺规程是指规定产品和零件制造工艺过程和操作方法的工艺文件。
(1-1)3.在制订零件的机械加工工艺规程时,必须保证质量、生产率、经济性三个方面的基本要求。
(1-1)4.制订工艺规程的最基本原始资料是零件图。
(1-1)5.工艺过程是指改变生产对象的形状,尺寸、相对位置和性质等,使之成为成品、半成品的生产过程(1-1)6.工序是指一个或一组工人,在一个固定的工作地点(如机床或钳工台等),对同一个或同时对几个工件进行加工所连续完成的那部分工艺过程。
(1-1)7.划分工序的依据是工作地(设备)、加工对象是否变动、加工是否连续完成。
(1-1)8.工序是机械加工工艺过程的基本组成部分。
(1-1)9.安装是工件在机床上正确地定位和夹紧。
(1-1)10.工位是指工件在一次装夹后,工件与夹具或设备的可动部分一起,相对刀具或设备的固定部分所占据的每一个位置。
(1-1)11.铰孔适用于中小尺寸的孔的精加工,而镗孔适用大尺寸的孔的加工。
(1-2)12.铰孔、拉孔适用于直径较小的孔的精加工,淬硬的孔只能用磨削进行加工。
13.模具制造中,通常按照零件结构和工艺过程的相似性,将各种零件大致分为轴类零件、套类零件、盘环类零件、板类零件以及腔类零件等。
(1-2)14.模具零件常用的毛坯主要有锻件、铸件、半成品件、焊接件、各种型材及板料等(1-2)15.铸件毛坯适用于形状复杂的零件,锻件毛坯适用于强度要求较高,而形状比较简单的零件。
(1-2)16.对阶梯式圆凸模,如果各台阶直径相差不大,可直接采用棒料作毛坯,使毛坯准备工作简化(1-2)17.大型凸缘式模柄零件,宜采用锻件作毛坯,以节省材料和减少机械加工的工作量。
(1-2)18.在加工时,为了保证工件相对于机床和刀具之间的正确位置(即将工件定位)所使用的基准称为定位基准。
高职模具设计与制造专业《模具制造工艺学》教案设计一、教学目标1.知识目标:o学生能够掌握模具制造工艺的基本原理和常用方法。
o学生能够了解模具制造过程中材料选择、热处理、加工设备及工艺流程。
o学生能够熟悉模具制造中的质量控制标准和检测方法。
2.能力目标:o学生能够独立完成模具制造工艺方案的初步设计。
o学生能够熟练操作模具制造中的常用设备和工具。
o学生能够分析和解决模具制造过程中的简单技术问题。
3.情感态度价值观目标:o培养学生严谨细致的工作态度,注重模具制造中的安全规范。
o增强学生的团队合作精神,提高沟通协调能力。
o激发学生对模具制造技术的兴趣,鼓励创新思维。
二、教学内容4.重点内容:o模具制造工艺的基本流程。
o模具材料与热处理技术。
o模具加工设备及其操作方法。
o模具制造中的质量控制与检测。
5.难点内容:o模具制造工艺方案的优化设计。
o模具加工中的精度控制与误差分析。
o复杂模具结构的制造工艺。
三、教学方法6.讲授法:用于讲解模具制造工艺的基本原理和理论知识。
7.讨论法:组织学生分组讨论模具制造中的实际问题,促进知识内化。
8.案例分析法:通过分析典型模具制造案例,加深学生对知识的理解。
9.实验法:在实验室进行模具制造实操,提高学生的动手能力。
10.多媒体教学:利用、视频等多媒体资源,丰富教学手段,提高教学效果。
四、教学资源1.教材:《模具制造工艺学》及相关参考书。
2.教具:模具模型、加工设备示教板。
3.实验器材:模具加工机床、测量工具、刀具等。
4.多媒体资源:课件、教学视频、动画演示等。
五、教学过程六、课堂管理1.小组讨论:每组分配明确的任务,确保每位学生都参与讨论,鼓励积极发言。
2.课堂纪律:制定课堂规则,明确奖惩机制,确保课堂秩序。
3.激励措施:对表现优秀的学生给予表扬和奖励,激发学生的积极性。
七、评价与反馈1.课堂小测验:每节课后进行小测验,检查学生对知识点的掌握情况。
2.课后作业:布置与本节课内容相关的作业,要求学生按时完成并提交。
《模具制造工艺学》课程标准课程名称:《模具制造工艺学》适用专业:模具设计与制造一、课程性质1.课程的性质《模具制造工艺学》模具设计与制造专业的岗位能力核心课程。
它主要以冲压模和和塑料模的制造技术为研究对象,以精密异型加工、特种加工为教学重点的一门学科。
让学生具有较强的理论知识和实际技能,为今后的工作和学习奠定扎实的基础。
本课程要以《机械制图》、《金工实习》、《公差配合与技术测量》《机械制造基础》和《数控机床编程与操作》的学习为基础,同时与《冲压成型与模具设计》、《塑料成型工艺与模具设计》这二门课程相衔接。
二、课程目标1.总体目标通过本课程学习,使学生掌握模具加工工艺相关的零件结构工艺性分析方法,模具装配工艺性分析方法,能够进行零件加工工艺方法的选择确定和模具装配工艺方法的选择确定。
使学生形成模具零件加工工艺及模具装配工艺流程的制订,分析解决模具制造生产实际工艺问题的岗位技能。
本课程的具体能力目标:(1)具备进行模具零件结构、材料、精度的工艺性分析的能力;(2)掌握模具装配工艺性分析方法;(3)具备零件加工工艺方法的选择确定的能力;(4)具备模具装配工艺方法的选择确定的能力;(5)能够制订模具零件加工工艺及模具装配工艺流程;(6)能够进行工艺指标控制;(7)具备初步分析和解决模具制造生产实际工艺问题的能力;(8)能够承担模具加工基层生产技术管理任务。
2.知识目标(1)分析模具零件加工技术要求,如零件的结构特点、材料性能、尺寸精度、形位精度、表面精度、热处理要求等。
(2)分析模具零件加工工艺性,选择加工方法及工艺装备、设计工艺过程、确定切削用量等。
(3)掌握典型冷冲压模具和塑料模具的工作原理、结构组成、模具零部件的功用、相互间的配合关系及装配要求和方法。
(4)应用工艺编制的基本知识,制订符合技术规范的工艺文件,并评价、完善工艺方案。
3.能力目标(1)会各类模具零件工艺流程的制订方法,具有对模具各类典型零件常见加工方法正确选用的能力。
《模具制造工艺学》课程标准[课程名称]:模具制造工艺学[课程代码]:0812010[适用专业]:模具设计与制造专业[开设时间]:大二下学期[开课学时]: 72课时1.课程性质与设计思路1.1课程的性质本课程是模具设计与制造专业的一门理论性和实践性都很强的主要专业课程。
本课程的任务是培养学生掌握有关模具制造所需要的基本理论和基本方法,掌握模具设计与制造所必须具备的工艺知识,具有常用模具加工工艺规程的编制和一般复杂程度的模具加工工艺设计的能力;能应用所学知识指导生产,并具有在生产过程中发现问题、解决问题的能力;具有生产管理的能力,提高合理设计模具的能力。
1.2设计思路模具制造工艺学是高职高专模具设计与制造专业的核心专业课程,也是学生就业后从事的主要工作岗位之一。
模具制造及使用企业需要大批高素质高技能的模具设计与制造人才、工艺施工和生产管理的技术人才,因而模具设计与制造人员的素质和能力直接关系到模具生产企业的生存和发展。
本课程的功能就是培养学生掌握模具制造加工工艺的编制所需要的基本知识和方法。
通过完成本课程的学习,使学生能编制出一般复杂程度的模具加工工艺规程,初步能进行一般复杂程度的模具加工工艺设计,能应用所学知识进行生产管理,依据模具加工工艺来指导生产,使学生具有发现问题、解决问题的能力。
因此本课程在模具设计与制造专业课程中处于非常重要的地位,应当作为专业核心课程和必修课程。
本课程立足于实际能力培养,因此对课程内容的选择标准作了根本性改革,即紧紧围绕模具加工的典型工作任务选择课程内容,以更为有效的手段培养学生实际工作的能力,提高课程内容的实用性与工作任务的相关性。
模具加工的种类繁多,不同类型的模具加工方法也不尽相同。
按工序性质的不同主要有普通加工,包括车、铣、刨、磨等;还有数控加工;以及特种加工等加工方法。
经过行业专家深入、细致而系统的分析,其中最基本的、生产中应用最多的是机械加工,数控加工和特种加工。
1.铣削加工:可以用来加工平面、沟槽,螺纹、齿轮及成型表面,特别是复杂的特型面,几乎都是通过铣削加工完成的。
2.刨削加工:是以单刃刀具刨刀相对于工件做直线往复运动形式的主运动,工件作间隙性移动进给的切削加工方法。
3.行星式内圆磨削:采用行星式内圆磨削时,工件不动,砂轮除高速旋转外,砂轮轴还要围绕着固定中心作旋转运动以实现圆周进给。
4.仿形加工:是以预先制成的靠模作依据,加工时在一定压力作用下,触头与靠模工作表面紧密接触,并沿其表面移动,通过仿形机构,使刀具作同步仿形动作,从而在零件毛坯上加工出与靠模相同型面的零件。
5.常用的有仿形车,铣,刨,磨。
6.仿形车削:主要用于形状复杂的旋转曲面如凸轮、手柄、凸模,凹模型腔或型孔的成型表面的加工。
7.仿形铣削:主要用于加工非旋转体的复杂的成型表面的零件,如凸轮,凸轮轴,螺旋桨叶片,锻模,冷冲模的成型或型腔表面等。
8.仿形铣削有三种基本方式:(1)水平分行(2)垂直分行(3)沿轮廓铣削。
、9.仿形刨削:又称刨床,用于加工由直线和圆弧组成的各种形状复杂的零件或凸模,其加工精度为0.2MM,表面粗糙度为1.6—0.4um。
10.雕刻加工:是对零件,模具型腔表面或型面上的图案花纹,文字和数字的加工。
11.坐标镗床加工:是在坐标镗床上利用精密坐标测量装置,对零件的孔及孔系进行高精度的切削加工。
主要用于各类箱体,缸体和模具上的孔与孔系的精密加工。
主要附件有:万能回转工作台,中心测定器,各种镗孔夹头和镗杆等。
12.坐标镗床的精密测量装置有:(1)带校正尺的精密丝杆测量装置(2)精密刻度尺—光屏读数器坐标测量装置(3)光栅—数字显示器坐标测量装置。
13.坐标磨床:砂轮的自转,主轴的公转,及主轴的上下往复运动。
14.成型磨削:就是将复杂的成型表面分成若干个平面,圆柱面等简单的形状,然后分段磨削,并使其光滑,圆整,达到图样要求。
15.成型磨削分为两种磨削方法:(1)成型砂轮磨削法(2)夹具磨削法,有精密平口钳。
第一章、零件机械加工方法综述1.1、一般机械加工1.模具制造工艺的特点:①单件生产②制造质量高③形状复杂④材料硬度高⑤模具生产需具备专业化的生产组织形式,且该形式与其他生产方式应相适应。
2.机械加工的方法有很多种,常用方法有车削、铣削、刨削、钻削、铰削、镗削和磨削等。
3.车削及特点:车削加工是在车床上主要对回转面进行加工的方法。
车削加工的通用性好,加工精度高,表面粗糙度低,一般精车精度达IT7~IT8,表面粗糙度Ra值为1.6~0.8um。
精细车可达IT5~IT6,Ra值达0.4um,是最基本的切削加工方法之一。
4.车削的方法:①特形曲面的车削②多型腔零件的车削③对拼装式型腔的车削5.铣削加工及特点:铣削加工可以用来加工平面、沟槽、螺纹、齿轮及成形表面,特别是复杂的特性面,几乎都是通过铣削加工完成的。
铣削加工精度较高,可达IT8左右,表面粗糙度Ra值为1.6~0.8um,因此,铣削是切削加工中的重要加工方法之一,模具零件的加工中,铣削主要用来加工各种模具的型腔和型面。
铣削主要的机床是立式铣床和万能工具铣床。
当模具的型腔和型面的精度要求较高时,铣削加工一般作为中间工序,铣削后经成形磨削或火花加工等来提高加工精度。
6.模具零件的立铣加工主要有:①平面或斜面的铣削②圆弧面的铣削③复杂型腔或型面的铣削④坐标孔的铣削。
7.刨削加工及特点:刨削加工是以单刃刀具刨刀相对于工件作直线往复运动形式的主运动,工件作间隙性移动进给的切削加工方法。
在模具零件加工中,刨削主要用于零件的外形加工,刨削加工的精度为IT9~IT7,表面粗糙度值Ra为6.3~1.6um。
中小型零件主要用牛头刨床加工,如冲裁模座等。
大型零件则用龙门刨床或单臂刨床进行加工。
8.刨削的方法:㈠平面的刨削㈡曲面的刨削①按划线刨削发②成形刀具刨削法③机械装置刨削法。
9.磨削加工及特点:磨削一般作为零件制造的半精加工和精加工手段,广泛地应用在机械制造和模具制造中,磨削可以加工外圆、内孔面、平面、成形表面、螺纹及齿轮廓形等各种表面。
模具制造工艺学模具制造工艺学是一门研究模具制造过程中所需工艺及其应用的学科。
它包含了模具制造所涉及的各个环节,如模具设计、加工、组装及规格检验等。
作为一门古老而又不断更新的学科,模具制造工艺学在现代社会应用广泛,经常为各种工业制造提供支持。
在下文中我将重点介绍几个方面的知识内容。
一、模具制造的基础模具制造的基础知识包括数控加工、焊接、电火花加工、抛光等。
数控加工是目前最先进的加工技术,在模具制造中被广泛应用。
焊接技术被用来连接模具的不同部件。
电火花加工用于雕刻模具内部细节;抛光技术用于处理模具表面,以获得更好的产品质量。
这些技术都是模具制造的基石。
二、模具材料与性能模具材料的选择直接决定了模具的使用寿命和制造成本。
常用的模具材料有优质合金钢、钨钢、高速钢等。
每种材料具有不同的硬度、强度、韧性和耐磨性等性能,需要根据具体情况进行选择。
同时,模具所用的材料还需要具备良好的导热性和导电性,以保证产品的精度、平整度和光滑度。
三、模具的设计和制造规范模具的设计和制造是模具工艺学的核心内容,也是决定模具性能的重要因素之一。
模具的设计需要考虑产品的尺寸、形状、结构和使用要求等方面,同时还需要考虑模具的装配、维护和保养。
在模具制造过程中,必须严格遵守制造规范和工艺标准,以确保模具的质量和稳定性。
制造过程还需要注意材料的选择和加工工艺的优化,以提高制造效率和降低成本。
四、模具检测和维护模具检测和维护对于模具的使用寿命和产品制造质量有着至关重要的影响。
模具使用一段时间后,必须进行定期的维护和检修,以防止损坏和磨损,保证其精度和稳定性。
同时,还需要定期对模具进行检测和维护,以确保其符合使用要求。
检测重点包括几何形状、尺寸精度和表面光洁度等。
总之,模具制造工艺学是一个涵盖广泛、细节丰富的学科。
它在制造领域中扮演着重要的角色,为各种工业产业的发展提供了重要支持。
未来,随着科学技术的不断更新和发展,模具制造工艺学的应用范围将会越来越广泛,并且为制造工业提供更好的支持和服务。
模具制造工艺学知识点总结模版1、模具技术的特殊要求任务来源随机性强,计划性差;模具零件加工属于单间小批生产;模具形状复杂、加工精度高;模具零件加工过程复杂,周期长;模具零件需反复修配和调整;在加工中常有意识控制模具零件取值方向。
6、模具制造的工艺内容(考虑因素):模具设计必须满足使12、减少加工困难的方法,普通车削可加工回转体表面。
15、普通车削装夹装置有:三爪卡盘、花盘、四爪卡仿形车削:是采用仿形装置使车刀在纵向走刀的同时,又按照预定的横向轨迹走刀,通过纵向走刀和横向走刀的复合运动,完成模具零件的复杂旋转曲面的内、外形加工。
17、铣削加工包括:立式铣床和万能工具铣床的普通工,加工时仿形销作用在靠模表面上做进给运动,并使铣刀作同步仿形运动,加工出与靠模相同形状和尺寸的工件。
19、仿形铣削的加工方式的形状应与靠模型槽的形状相适应,仿形销端头的圆弧半径应小于靠模型槽的最小圆角半径,仿形销的斜角应小于靠模型槽的最小斜角。
21、普通磨削周边、断面磨削)、是以高速旋转运动的砂轮对低速运动的工件进行磨削,工件相对于砂轮作纵向往复运动。
23、成形砂轮磨削法是利用工具将砂轮修整成与工件型面完全吻合的相反型面,以此磨削工件,从而获得所需形状的加工方法。
24、成型夹具磨削法:将工件置于成型夹具上,利用夹具调整工件的位置,使工件在磨削过程中作定量移动或转动,由此获得所需形状的加工方法。
25、成形夹具磨削法中常用的夹具安装方法对工件进行加工,以达到一定形状尺寸和表面粗糙度要求的加工方法。
30、电火花成形加工的原理31、电蚀32、电火花成形加工的放电能量;绝缘介质;间隙。
33、电火花成形加工的特点:可以加工任何硬、韧、34、电火花成形加工的局限性:只能用于金属等材料;加工速度一般比较慢;存在电极损耗。
35、电火花成型加工的过程是热爆炸力、电动力和流体动力有脉冲电源、自动控制系率的单向脉冲电流,以供给电极放电所需要的能量。
模具制造工艺学基础知识总结模具制造工艺学基础知识总结模具制造工艺学一工艺过程的基本知识生产过程中为改变生产对象的形状、尺寸相对位置和性质等。
使其成为成品或半成品的过程称为工艺过程。
工序是一个或一组工人在一个工作地点对同一个或同时对几个工件进行加工所连续完成的那部分工艺过程。
工步是在加工表面和加工工具不变的情况下,所连续完成的那一部分工序。
复合工步用几把刀具或复合刀具同时加工同一工件上的几个表面进给刀具从被加工表面每切下一层金属层。
工艺规程的内容:1、工艺分析2、材料及毛坯的方式;3、工艺方案:表面加工方法加工顺序、尺寸、热处理安排4、加工余量及尺寸;5、设备、刀具、量具;6、时间定额。
生产纲领工厂制造产品(或零件)的年产量分为单件生产和成批生产。
N=Qn(1+a+b)Q-产品的生产纲领;n-每台产品中该零件的数量;a-该零件的备品率;b-该零件的废品率工序余量相邻两工序的工序尺寸之差。
是被加工表面在一道工序切除的金属层厚度。
加工总余量是毛坯尺寸与零件图的设计尺寸之差。
也称毛坯余量。
影响加工余量的因素1)被加工表面上由前道工序生产的微观不平度和表面缺陷层深度。
2)被加工表面上由前道工序生产的尺寸误差和几何形状误差。
3)前道工序引起的被加工表面的位置误差。
4)本道工序的装夹误差。
确定加工余量的方法1.经验估计法2.分析计算法3.查表修正法工艺规程内容是描述由毛坯加工成为零件的过程的工艺文件。
规定了加工顺序、选用的机床、工具和加工方法,技术条件和检验手段等内容。
作用:指导生产和组织工艺准备制定工艺规程的原则在一定的生产条件下,以最少的劳动量和最低的费用,可靠地加工出符合图纸和技术要求的零件。
体现在①技术上的先进性②经济上的合理性③有良好的劳动条件。
制定工艺规程的基本步骤⑴总装图和零件图的研究分析和工艺审查;⑵确定生产类型;⑶确定毛坯的种类和尺寸;⑷选择定位基准和主要表面的加工方法,拟定加工路线;⑸确定工序尺寸、公差和技术要求;⑹确定加工机床、工艺装备、切削用量和时间定额;⑺填写工艺文件。
第二章机械加工工艺过程成品的过程为工艺过程。
模具机械加工工艺过程:通过机械加工的方法(切削和磨削)得到成品的工艺过程。
所连续完成的那部分工艺过程。
工序是组成工艺过程的基本单元。
夹紧:工件定位后使其固定,使其保持正确位置不变的操作为夹紧。
工位:是在加工表面和加工工具不变的情况下,所连续完成的那一部分工序内容。
进给是构成工艺过程的最小单元。
产,大量生产。
基准:是用来确定生产对象上几何要素间的几何关系所依据的那些点、线、面。
用的基准。
粗加工结束后精加工前;一个车间转向另一个车间前后;重要工序加工前后;特种性能的检验(探伤、密封性检测)之前;零件加工完毕,进入装配或成品库之前。
寸、设计图上检验的测量尺寸或工艺过程中的工序尺寸等。
在零件加工过程中,将有关尺寸按一定顺序首尾相连列成封闭形式的尺寸组。
尺寸链:在机械装配或加工过程中,由相互连接的尺寸形成封闭的尺寸组为尺寸链。
尺寸链图:将尺寸链中各相应的环按大致比列,用首位相接的平箭头按顺序画出的尺寸图。
封闭环:在装配中或加工中最后形成的一环。
辅助时间:为实现工艺过程所必须进行的各种辅助动作所消耗的时间。
作业时间:基本时间和辅助时间之和称为作业时间。
基本时间:切除工序余量所消耗的时间。
准备与终结时间:工人为生产一批产品或零部件进行准备和结束工作所消耗的时间名词解释(汇总)1车削加工:是在车床上主要对回转面进行的加工。
2铣削加工:可以用来加工平面,沟槽,螺纹,齿轮,及成形表面,特别是复杂的特形面。
3刨削加工:是以单刃刀具,相对于工件做直线往复运动形式的运动,工件作间歇性移动进给的切削方法。
4仿行加工: 是以预先制成的靠模为依据,加工时在一定压力作用下,触头与靠模工作表面紧密接触,并沿其表面移动,通过仿行机构,使刀具作同步仿行动作,从而在零件毛坯上加工出与靠模相同型面的零件。
5仿行铣削:主要用于加工非旋转体的复杂的成型表面的零件。
6雕刻加工:是对零件,模具型腔表面或型面上的图案花纹,文字和数字的加工。