消防罚款自由裁量标准
- 格式:doc
- 大小:101.00 KB
- 文档页数:22
东莞市公安消防局行政处罚自由裁量标准
元以上五万元以下罚款;有违法所得的,并处没收违法所得;给他人造成损失的,依法承担赔偿责任;情节严重的,由原许可机关依法责令停止执业或者吊销相应资质、资格。
前款规定的机构出具失实文件,给他人造成损失的,依法承担赔偿责任;造成重大损失的,由原许可机关依法责令停止执业或者吊销相应资质、资格。
上五万元以下罚款
严重
造成人员伤亡,或者造成他人重大损失,或者具有其
他法定从重情节。
原许可机关依法责令停
止执业或者吊销相应资
质、资格。
消防行政处罚自由裁量消防安全是保障公众生命财产安全的一项重要工作,而消防行政处罚则是对违反相关法律法规的行为进行惩罚和约束的手段之一。
在消防行政处罚中,自由裁量权被广泛运用。
本文将探讨消防行政处罚的自由裁量权,分析其定义、适用范围与限制,并提出一些建议。
一、自由裁量权的定义自由裁量权即指公职人员在行使行政处罚权时,根据对案件的认定、情节的严重程度及相关规定的解释适用等因素,酌情决定实施行政处罚的程度和方式。
消防行政处罚的自由裁量权不仅依据于现行法律法规,还通常结合消防部门的实践经验、专业知识和公众利益等综合因素作出判断。
二、自由裁量权的适用范围自由裁量权的适用范围主要涉及消防安全违法和不按时整改等行为的处罚。
例如,对于消防设施建设不符合规范或破损的单位,消防部门可根据情节轻重决定罚款金额的多少;对于一些消防安全管理不到位、对整改工作不积极的个人或单位,可以根据实际情况决定是否采取行政拘留等严厉措施。
三、自由裁量权的限制虽然自由裁量权可以赋予行政执法机关较大的灵活性和自主性,但也存在一定的限制。
首先,自由裁量权必须在法律、法规和相关规范的框架下行使,不能超越法定范围。
其次,自由裁量权的行使要坚持公正、公平的原则,不能凭个人意志主观裁量,应根据案件事实和法律规定进行判断。
此外,自由裁量权的行使还应遵守程序正当性的要求,如透明度、公开性和听证的原则等。
四、合理运用自由裁量权的建议为了更好地发挥自由裁量权在消防行政处罚中的作用,可以考虑以下一些建议。
首先,建立健全消防执法指导手册,准确定义各类违法行为的标准和相应的处罚。
其次,加强执法人员的培训和专业知识学习,提高其对消防行政处罚法律法规的理解和应用水平。
另外,加强监督和公众参与,建立健全相应的申诉和复核机制,确保自由裁量权的合理、公正和公开行使。
综上所述,消防行政处罚自由裁量权是一项重要的法律工具,其适用范围广泛,但也需要在法律框架和一定的限制下行使。
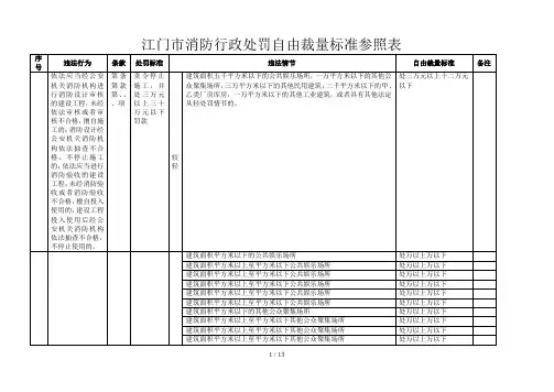
江门市消防行政处罚自由裁量标准参照表序号违法行为条款处罚标准违法情节自由裁量标准备注依法应当经公安机关消防机构进行消防设计审核的建设工程,未经依法审核或者审核不合格,擅自施工的;消防设计经公安机关消防机构依法抽查不合格,不停止施工的;依法应当进行消防验收的建设工程,未经消防验收或者消防验收不合格,擅自投入使用的;建设工程投入使用后经公安机关消防机构依法抽查不合格,不停止使用的。
第条第款第、、、项责令停止施工,并处三万元以上三十万元以下罚款较轻建筑面积五千平方米以下的公共娱乐场所,一万平方米以下的其他公众聚集场所,三万平方米以下的其他民用建筑;二千平方米以下的甲、乙类厂房库房,一万平方米以下的其他工业建筑,或者具有其他法定从轻处罚情节的。
处三万元以上十二万元以下建筑面积平方米以下的公共娱乐场所处万以上万以下建筑面积平方米以上至平方米以下公共娱乐场所处万以上万以下建筑面积平方米以上至平方米以下公共娱乐场所处万以上万以下建筑面积平方米以上至平方米以下公共娱乐场所处万以上万以下建筑面积平方米以上至平方米以下公共娱乐场所处万以上万以下建筑面积平方米以上至平方米以下公共娱乐场所处万以上万以下建筑面积平方米以下的其他公众聚集场所处万以上万以下建筑面积平方米以上至平方米以下其他公众聚集场所处万以上万以下建筑面积平方米以上至平方米以下其他公众聚集场所处万以上万以下建筑面积平方米以上至平方米以下其他公众聚集场所处万以上万以下1 / 13建筑面积平方米以上至平方米以下其他公众聚集场所处万以上万以下建筑面积平方米以下的其他民用建筑处万以上万以下建筑面积平方米以上至平方米以下其他民用建筑处万以上万以下建筑面积平方米以上至平方米以下其他民用建筑处万以上万以下建筑面积平方米以上至平方米以下其他民用建筑处万以上万以下建筑面积平方米以上至平方米以下其他民用建筑处万以上万以下建筑面积平方米以上至平方米以下其他民用建筑处万以上万以下建筑面积平方米以下的甲、乙类厂房库房处万以上万以下建筑面积平方米以上至平方米以下甲、乙类厂房库房处万以上万以下建筑面积平方米以上至平方米以下甲、乙类厂房库房处万以上万以下建筑面积平方米以上至平方米以下甲、乙类厂房库房处万以上万以下建筑面积平方米以上至平方米以下甲、乙类厂房库房处万以上万以下建筑面积平方米以上至平方米以下甲、乙类厂房库房处万以上万以下建筑面积平方米以下的其他工业建筑处万以上万以下建筑面积平方米以上至平方米以下的其他工业建筑处万以上万以下建筑面积平方米以上至平方米以下的其他工业建筑处万以上万以下建筑面积平方米以上至平方米以下的其他工业建筑处万以上万以下建筑面积平方米以上至平方米以下的其他工业建筑处万以上万以下建筑面积平方米以上至平方米以下的其他工业建筑处万以上万以下一般建筑面积超过五千平方米但不足一万平方米以下的公共娱乐场所,超过一万平方米但不足二万平方米的其他公众聚集场所,超过三万平方米但不足五万平方米的其他民用建筑;超过二千平方米但不足五千平方米的甲、乙类厂房库房,超过一万平方米但不足二万平方米的其他工业建筑。
消防自由裁量权实施方案消防自由裁量权是指消防人员在灭火救援工作中,依据自身的判断和经验,根据实际情况灵活决策和采取相应措施的权力。
为了确保消防自由裁量权的正确有效行使,需要制定相应的实施方案。
一、目标和原则1. 目标:确保消防自由裁量权的正确行使,提高灭火救援效率,保障人民群众生命财产安全。
2. 原则:(1)科学合理:根据实际情况,依据专业知识和经验判断,决策和采取措施具有科学依据。
(2)依法行使:在灭火救援工作中,遵守相关法律法规,保护公民合法权益。
(3)及时有效:快速做出决策和采取措施,确保及时扑灭火灾并救援被困人员。
(4)安全优先:在行使自由裁量权时,确保消防人员和被救援人员的安全,并最大限度减少对环境的损害。
二、自由裁量权的行使流程1. 接警和勘察(1)及时接警:接到火灾警报后,消防人员应快速出动,并在赶到现场前与其他相关部门协调,了解现场情况。
(2)现场勘察:到达火灾现场后,消防人员进行现场勘察,对火灾蔓延情况、被困人员等进行评估,并及时将情况反馈给指挥中心。
2. 自由裁量权的行使(1)判断火势:根据勘察情况,消防人员需准确判断火势大小、蔓延速度和危险程度等,以便采取相应的灭火救援措施。
(2)决策和指挥:消防人员根据判断结果,决定如何组织灭火救援工作,并指挥相关人员执行任务。
(3)调动资源:根据现场情况和需要,及时调动适当的灭火救援资源,如灭火器材、水源等。
(4)采取措施:根据火势和现场条件,消防人员决定采取灭火方式和救援措施,包括直接灭火、疏散被困人员、限制火灾蔓延等。
(5)组织协调:消防人员需根据情况及时与其他相关部门沟通和协作,共同完成灭火救援任务。
三、联系机制和控制措施1. 指挥中心联系机制:消防人员需与指挥中心保持紧密联系,及时汇报和接受指挥。
2. 监督和评估:建立监督机制,对自由裁量权的行使进行监督和评估,发现问题及时纠正和改进。
3. 记录和总结:消防人员需及时记录灭火救援过程和结果,并进行总结和反思,在事后完善方案和提高工作水平。
江西省公安行政处罚自由裁量权参照执行标准第三部分消防管理类《中华人民共和国消防法》第五十八条第一款违反本法规定,有下列行为之一的,责令停止施工、停止使用或者停产停业,并处3万元以上30万元以下罚款:(一)依法应当经公安机关消防机构进行消防设计审核的建设工程,未经依法审核或者审核不合格,擅自施工的;(二)消防设计经公安机关消防机构依法抽查不合格,不停止施工的;(三)依法应当进行消防验收的建设工程,未经消防验收或者消防验收不合格,擅自投入使用的;(四)建设工程投入使用后经公安机关消防机构依法抽查不合格,不停止使用的;(五)公众聚集场所未经消防安全检查或者经检查不符合消防安全要求,擅自投入使用、营业的。
细化标准:责令停止施工、停止使用或者停产停业,并按下列标准进行处罚:(一)违反本条第一至第四项,未经消防审核、验收或者审核、验收不合格擅自施工、投入使用的,抽查不合格,不停止施工、使用的:1、建筑面积在5000平方米以下民用建筑(其中300平方米以下公共娱乐场所,3000平方米以下其他公众聚集场所),5000平方米以下工业建筑(其中500平方米以下甲、乙类厂房库房),或符合法定从轻处罚情节的,处3万元以上10万元以下罚款;2、建筑面积在5000平方米以上1万平方米以下民用建筑(其中300平方米以上500平方米以下公共娱乐场所,3000平方米以上1万平方米以下其他公众聚集场所),5000平方米以上1万平方米以下工业建筑(其中500平方米以上2000平方米以下甲、乙类厂房库房),处10万元以上20万元以下罚款;3、建筑面积在1万平方米以上民用建筑(其中500平方米以上公共娱乐场所,1万平方米以上其他公众聚集场所),1万平方米以上工业建筑(其中2000平方米以上甲、乙类厂房库房),处20万元以上30万元以下罚款。
(二)违反本条第五项,公众聚集场所未经消防安全检查或者经检查不符合消防安全要求,擅自投入使用、营业的:1、300平方米以下公共娱乐场所,3000平方米以下其他公众聚集场所,或符合法定从轻处罚情节的,处3万元以上10万元以下罚款;2、其中300平方米以上500平方米以下公共娱乐场所,3000平方米以上1万平方米以下其他公众聚集场所,处10万元以上20万元以下罚款;3、建筑面积在500平方米以上公共娱乐场所,1万平方米以上其他公众聚集场所,处20万元以上30万元以下罚款。
消防行政处罚自由裁量权的运用与控制作者:雷逸来源:《法制与社会》2011年第21期摘要自由裁量权作为消防行政执法权力的重要内容,在行政处罚中发挥着积极作用,但也不可避免的存在着被滥用的危险。
本文分析了自由裁量权在消防行政处罚中的表现形式、积极意义,并就防止自由裁量权滥用提出了建议。
关键词消防行政处罚自由裁量权作者简介:雷逸,安徽省安庆市消防支队防火处助理工程师。
中图分类号:D926.1 文献标识码:A 文章编号:1009-0592(2011)07-161-02自由裁量权是指法律赋予国家机关在法定的权限内根据管理的实际需要和具体情况自由行使的权力。
消防行政处罚自由裁量权是指消防法律规范对执法的条件、范围、方式等虽有规定,但不详细、明确和固定,公安消防机构在依法行使处罚权时,可以自由斟酌,在一定范围内根据自己的主观意见,做出最终的具体行政处罚的权力。
自由裁量权是行政执法权力的主要组成部分,可以使行政主体灵活机动的处理法律关系,是行政机关行使行政职能,调节各类社会关系必然需要,是行政主体提高行政效率的必然要求。
一、自由裁量权在消防行政处罚中的表现形式根据我国现行消防法律法规的规定,消防行政处罚自由裁量权主要体现在以下几个方面:(一)对违法行为认定的自由裁量消防工作具有一定的专业性特点,公安消防机构在监督执法过程中,需要依据一定的法律法规、技术规范对相对人行为的性质进行认定。
其中,就包括了是否违法的认定以及属于何种违法行为的认定,后续的处罚形式和处罚额度有较大的区别。
特别是火灾隐患的认定,在立法上很难确定具体的标准,只能由公安消防机构根据实际情况自由裁量决定。
(二)对行政处罚种类的自由裁量我国现行法律法规中消防行政处罚的种类包括责令停产停业、停止施工、停止使用、警告、罚款、拘留等,选择的幅度较大。
针对同一类型的消防违法行为,可以采取多种类型的行政处罚。
例如《中华人民共和国消防法》第六十三条,“违法消防安全规定进入生产、储存易燃易爆危险品场所的”,可以处警告或者五百元以下罚款;情节严重的可以处五日以下拘留,具体选择何种处罚形式,均在于公安消防机构的自由裁量。
河南省消防行政处罚裁量标准适用规则(试行)正文:---------------------------------------------------------------------------------------------------------------------------------------------------- 河南省消防行政处罚裁量标准适用规则(试行)(2009年)第一章总则第一条为规范消防行政处罚裁量权的行使,确保消防行政处罚公平、公正,维护公民、法人和其他组织的合法权益,根据《中华人民共和国行政处罚法》、《中华人民共和国消防法》、《河南省人民政府关于规范行政处罚裁量权的若干意见》等有关规定,制定本规则。
第二条本规则所称消防行政处罚裁量权,是指公安机关消防机构在法定行政处罚权限内,对违法行为是否给予行政处罚、给予何种行政处罚和给予何种幅度处罚的自主决定权。
第三条消防行政处罚要坚持惩罚与教育相结合,综合考虑处罚执行的可行性,确保处罚行为合法、合理、公平、公正。
第四条消防行政处罚决定必须与违法行为的事实、性质、情节、危害后果等因素相一致,做到过罚相当。
第五条对违法事实、性质、情节、社会危害程度基本相同或者相似的违法行为,应当给予相同或者相似的处罚,做到同类情况相同对待。
第二章实施规则第六条根据消防行政处罚实际情况,考虑违法行为人的主观过错、违法行为的事实、情节、性质及其社会危害后果等因素,对《中华人民共和国消防法》规定的处罚项目,划分为较轻、一般、严重三个基本处罚阶次,具体适用参照《河南省消防行政处罚裁量标准》。
第七条有下列情形之一的,不予行政处罚:(一)不满十四周岁的人有违法行为的,不予行政处罚,但应责令其监护人严加管教;(二)精神病人在不能辨认或者不能控制自己行为时有违法行为的,不予行政处罚,但应责令其监护人严加看管和治疗;(三)违法行为轻微并及时纠正,没有造成危害后果的;(四)违法行为在两年内未发现的,不再给予行政处罚,但法律另有规定的除外;(五)其他依法应当不予行政处罚的。
四川省公安厅文件川公发[2009]81号四川省公安厅关于印发《四川省公安机关办理消防行政处罚案件自由裁量标准》的通知各市(州)公安局:按照四川省人民政府《关于印发<四川省规范行政处罚自由裁量权的规定>的通知》(川府函[2008]217号)要求,根据《中华人民共和国消防法》等法律法规规定,结合全省消防监督工作实际,省厅制订了《四川省公安机关办理消防行政处罚案件自由裁量标准》。
现将该《标准》印发给你们, 请遵照执行。
执行中存在的问题,请及时报告省厅。
二○○九年七月四日全省公安机关行政处罚自由裁量权裁量标准(消防部分)—2 ——3 ——4 —《中华人民共和国消防法》第五十八条:违反本法规定,有下列行为之一的,责令停止施工、停止使用或者停产停业,并处三万元以上三十万元以下罚款:(四)建设工程投入使用后经公安机关消防机构依法抽查不合格,不停止使用的;—5 —防法》第五十八条:违反本法规定,有下列行为之一的,责令停止施工、停止使用或者停产停业,并处三万元以上三十万元以下罚款:(五)公众聚集场所未经消防安全检查擅自投入使用、营业的。
—6 —元以上三十万元以下罚款:(五)公众聚集场所经检查不符合消防安全要求,擅自投入使用、营业的。
—7 ——8 ——9 —《中华人民共和国消防法》第五十九条违反本法规定,有下列行为之一的,责令改正或者停止施工,并处一万元以上十万元以下罚款:(四)工程监理单位与建设单位或者建筑施工企业串通,弄虚作假,降低消防施工质量的。
—10 —责令改正,处五千元以上一万元以下罚款责令改正,处五千元以上一万元以下罚款;对个人处警告责令改正,处五千元以上一万元以下罚款;对个人处警告责令改正,处五千元以上一万元以下罚款;对个人处警告责令改正,处五千元以上一万元以下罚款;对个人处警告责令改正,处五千元以上一万元以下罚款;对个人处警告元以下罚款;对个人处警告责令改正,处五千元以上一万元以下罚款;对个人处警告《中华人民共和国消防法》第六十四条违反本法规定,有下列行为之一,尚不构成犯罪的,处十日以上十五日以下拘留,可以并处五百元以下罚款;情节较轻的,处警告或者五百元以下罚款:(五)故意破坏或者伪造火灾现场的;擅自拆封、使用被查封的场所、部位《中华人民共和国消防法》第六十四条违反本法规定,有下列行为之一,尚不构成犯罪的,处十日以上十五日以下拘留,可以并处五百元以下罚款;情节较轻的,处警告或者五百元以下罚款:(六)擅自拆封或者使用被公安机关消防机构查封的场所、部位的。
消防行政处罚裁量导则消防行政处罚裁量导则一、背景消防安全是社会稳定和人民生命财产安全的重要保障之一。
为了加强和规范对于消防违法行为的处罚裁量,制定本《消防行政处罚裁量导则》。
二、目的本导则的目的是明确对于消防违法行为的处罚裁量标准,提高行政处罚工作的透明度和公正性。
三、适用范围本导则适用于执法机关对于消防违法行为的行政处罚。
四、术语定义1. 消防违法行为:指在消防安全管理中,违反相关法规、规章,存在安全隐患及严重违法行为的情况。
五、裁量原则对于消防违法行为的处罚裁量,应当遵循以下原则:1. 合法性原则:处罚决定必须依法合规,符合法律法规的规定。
2. 适度原则:处罚裁量应当适度、公正,符合违法行为的性质、情节和影响程度。
3. 一体化原则:处罚决定应当综合考虑违法行为的危害程度、社会影响等综合因素,不得片面、随意。
4. 预防为主原则:处罚决定应当以预防和改善消防安全状况为主,对违法行为的消化器、治理纠正和整改提出明确要求。
六、裁量指引1. 违法行为的性质和情节是确定处罚裁量的关键因素之一。
应当综合考虑以下因素:违法行为的危害程度违法行为持续时间违法行为对社会公共利益的影响违法行为对消防安全的影响2. 对于一般性的违法行为,可以采取以下行政处罚措施:警告罚款取消相关资质或许可证暂停业务关停或封闭场所拘留3. 对于严重的违法行为,不仅可以采取上述行政处罚措施,还可以考虑提起刑事诉讼,追究刑事责任。
4. 对于不同行业或领域的违法行为,可以参考相关行业或领域的标准和规范进行处罚裁量。
七、处罚决定的文书格式和内容要求1. 处罚决定应当采用正式文书形式,包括但不限于责令整改通知书、警告书、罚款通知书等。
2. 处罚决定的内容应当明确具体,包括违法行为的事实、处罚措施、裁量原则的适用依据等。
3. 处罚决定应当明确违法行为的整改要求和期限,确保整改工作的有效进行。
八、监督和评估机制1. 执法机关应当建立健全相关监督和评估机制,定期对行政处罚工作进行评估和总结。
消防处罚标准消防是保护人民生命财产安全的重要工作,而消防处罚则是对违反消防法规的行为进行惩罚和警示。
消防处罚标准的制定对于维护社会秩序、促进消防安全具有重要意义。
根据《中华人民共和国消防法》及相关法律法规,制定了以下消防处罚标准:一、对于未经消防部门审查批准,擅自设置、变更、拆除消防设施或者占用、堵塞、封闭疏散通道的单位或个人,将处以罚款,并责令限期改正;情节严重的,还将依法追究刑事责任。
二、对于违反消防安全管理规定,未建立健全消防安全制度,未进行定期消防安全检查,未进行消防演练等行为的单位或个人,将给予警告、罚款,并责令限期整改;情节严重的,还将依法追究刑事责任。
三、对于违反消防安全管理规定,超范围使用明火、违规存放易燃易爆物品,未按规定设置、使用消防器材等行为的单位或个人,将给予警告、罚款,并责令限期整改;情节严重的,还将依法追究刑事责任。
四、对于违反消防安全管理规定,未按规定进行消防设施设备维护保养、未按规定进行消防设施设备定期检查检测等行为的单位或个人,将给予警告、罚款,并责令限期整改;情节严重的,还将依法追究刑事责任。
五、对于阻碍、干扰消防执法人员依法履行职务的单位或个人,将给予警告、罚款,并依法追究刑事责任。
六、对于其他危害消防安全的行为,根据情节轻重给予相应的警告、罚款,并责令限期整改;情节严重的,将依法追究刑事责任。
消防处罚标准的制定和执行,对于加强消防安全管理、减少火灾事故具有重要意义。
各级消防部门应当严格依法执行处罚标准,加强对消防安全管理工作的监督和检查,确保消防安全工作的有效开展,为人民群众的生命财产安全提供有力保障。
同时,广大市民也应当增强消防安全意识,自觉遵守消防法规,共同营造良好的消防安全环境。
消防行政处罚自由裁量:消防行政处罚自由裁量1. 引言消防行政处罚自由裁量是指消防部门在处理消防违法行为时,根据具体情况自由决定处罚力度和方式的一种行政操作。
在消防管理工作中,消防行政处罚是维护社会公共安全和保护人民生命财产安全的重要手段之一。
本文将介绍关于消防行政处罚自由裁量的相关概念、其存在的必要性和运用的原则。
2. 概念消防行政处罚自由裁量是指消防部门根据消防法规和相关法律,根据违法事件的性质、情节等因素,自由决定处罚的力度和方式。
消防行政处罚自由裁量的基本原则是以事实为依据,根据法律法规进行合理、公正、公平的裁量。
3. 必要性3.1 弹性处理消防行政处罚自由裁量的存在,使消防部门能够根据违法行为的不同特点,灵活选择处罚方式和力度。
这样可以更好地适应不同情况下的处理需求,提高处罚效果。
3.2 强化法律效果消防行政处罚自由裁量的存在,可以使违法者认识到消防法规的严肃性和后果的严重性。
通过给予适度的处罚,对违法行为起到警示作用,增强法律的威慑力。
3.3 审慎判断消防行政处罚自由裁量能够让执法人员在处理案件时,根据具体情况进行审慎判断,确保处理结果的合理性和公正性。
这样可以最大程度地保证处罚决定的效果和权威性。
4. 运用原则4.1 公平原则消防行政处罚自由裁量应该遵循公平原则,即处罚力度和方式应该依法依规公正公平,不偏袒任何一方。
消防部门在决定处罚时,应客观公正地评估违法行为的性质和情节,做出合理的处罚决定。
4.2 规范原则消防行政处罚自由裁量应该遵循规范原则,即处罚决定应该符合消防法规和相关法律的规定。
消防部门在行使自由裁量权时,应明确法律法规的约束,并在处理过程中履行相应的程序和流程。
4.3 鉴别原则消防行政处罚自由裁量应该遵循鉴别原则,即要根据违法行为的具体情况进行判断和区别处理。
不同性质、情节的违法行为应采取相应的处罚方式和力度,避免轻重不当的情况发生。
4.4 合理原则消防行政处罚自由裁量应该遵循合理原则,即处罚决定应符合合理性标准。
消防处罚标准
消防安全是一项重要的社会责任,对于违反消防法规的行为,必须进行相应的
处罚。
为了维护社会秩序和保障人民生命财产安全,制定了一系列的消防处罚标准,以便对违规行为进行惩处和警示。
以下是对于违反消防法规的处罚标准的详细介绍。
一、未按规定进行消防设施检查和维护的单位或个人,将被处以警告并责令限
期整改。
若逾期未整改的,将按日处以一定金额的罚款,直至整改为止。
二、擅自占用、堵塞、封闭、挪用消防设施、设备和疏散通道的单位或个人,
一经查实将被处以罚款,并责令限期恢复原状。
情节严重者,将面临吊销相关经营许可证的处罚。
三、违反消防安全管理规定,造成火灾事故的单位或个人,将面临高额罚款,
并可能被追究刑事责任。
同时,相关责任人员将被追究行政和刑事责任。
四、私自擅自设置、使用易燃易爆物品的单位或个人,将被处以罚款,并责令
限期清理。
情节严重者,将面临吊销相关经营许可证的处罚。
五、拒不配合消防检查、阻碍执法人员履行职务的单位或个人,将被处以罚款,并可能面临行政拘留处罚。
六、其他违反消防法规的行为,将根据具体情况进行处罚,包括但不限于罚款、责令整改、吊销相关经营许可证、追究刑事责任等。
以上是对于违反消防法规的处罚标准的详细介绍,希望广大单位和个人能够严
格遵守消防法规,增强消防安全意识,做到预防为主,防范于未然。
同时,消防部门也将加大监督执法力度,严格依法处罚,确保社会的消防安全。
让我们共同努力,营造一个安全、和谐的社会环境。
公共管理Public Management 消防行政处罚自由裁量权的控制辛蟠泽\陈文超2(1.沧州市人民检察院;2.沧州市消防支队,河北沧州061000)摘要:消防行政处罚是消防行政执法中的重要一环,对于打击消防违法行为,引导社会公众履行消防安全法定职责,对维护公共安全有着重要作用。
在实施消防行政处罚中,合理运用自由裁量权,防止权利滥用,有利于最大限度地维护公共消防安全和社会公平与正义,实现法律效果与社会效果的统一。
本文通过对消防行政处罚自由裁量权内涵和表现形式的分析,提出有效控制自由裁量权的原则和方法。
关键词:行政处罚;自由裁量权;控制;主观状态中图分类号:D922.l l文献标识码:A1消防行政处罚自由裁量权的内涵消防行政处罚自由裁量权作为自由 裁量权的一种具体形式,在内涵和功能 上虽有其自身的特征,但也遵循自由裁 量权的一般规律。
我国最早关于行政自 由裁量的论述是王珉灿先生:凡法律没 有详细规定,行政机关在处理具体事务 时,可以依照自己的判断采取适当的方 法的,是裁量的行政措施;罗豪才先生 在其主编的《行政法学》中认为,行政 自由裁量权是指在法律规定的条件下,行政机关根据其合理判断,决定作为或 者不作为,以及如何作为的权利;姜明 安先生则认为,行政自由裁量权是指法 律、法规赋予行政机关在行政管理中根 据立法目的和公平合理原则,自行判断 行为条件,自行选择行为方式和自由做 出行政决定的权利。
以上几个关于自 由裁量的定义可以看出,虽然各国对自 由裁量权的具体理解不同,但有一点是 共通的,即自由裁量权是一种选择权,那么我们可以说消防行政处罚自由裁量 权即消防救援机构在处理消防违法行为 的过程中,在法定标准下依据自身的理 性认识和评判标准,行使选择权的权利。
主要包括法律条文使用条件的确认、程 序的选择、适用,选择处罚种类和幅度,做出具体行政行为的时限等。
2消防行政处罚自由裁量权的表现形式2.1对违法行为法律条款适用上的自由裁量消防救援机构在处罚同一种类的违法事实时,可以适用不同的条款。
河北省消防行政执法自由裁量权实施办法(试行)第一章总则第一条为了规范行使消防行政执法自由裁量权,确保消防行政执法公正、公平,依据《中华人民共和国消防法》、《中华人民共和国行政处罚法》等法律法规和有关规范性文件,结合本省实际,制定本办法。
第二条本办法所称的消防行政执法自由裁量权是指公安机关消防机构在法律、法规规定的原则和范围内,对做出具体行政行为的时限、违法事实性质及情节轻重的认定和适用行政处罚的种类、幅度等有选择余地的处置权力。
第三条公安机关消防机构行使消防行政执法自由裁量权要坚持合法、公正、公平、合理的原则。
第二章自由裁量的要求第四条实施消防行政处罚必须以事实为根据,与违法行为的性质、情节以及社会危害程度相当。
对于违法性质、情节、社会危害程度相同或相似的案件,适用的法律依据、处罚种类及处罚幅度应当相同或相似。
第五条公安机关消防机构在做出行政处罚前,应当对违法的主体、事实、性质、情节和社会危害程度进行认真调查,准确把握不予处罚或者从轻、减轻、从重处罚的情节,坚持处罚与教育相结合的原则,公正、合理地做出行政处罚决定。
第六条有下列情形之一的,不予行政处罚:(一)不满十四周岁的人有违法行为的,不予行政处罚,但应责令其监护人严加管教;(二)精神病人在不能辨认或者不能控制自己行为时有违法行为的,不予行政处罚,但应责令其监护人严加看管和治疗;(三)违法行为轻微并及时纠正,没有造成危害后果的;(四)其他依法应当不予行政处罚的。
第七条有下列情形之一的,应当依法从轻或者减轻处罚:(一)已满十四周岁不满十八周岁的人有违法行为的;(二)主动消除或者减轻违法行为危害后果的;(三)受他人胁迫、诱骗实施违法行为的;(四)配合公安机关消防机构查处违法行为有立功表现的;(五)其他依法应当从轻或者减轻处罚的。
第八条有下列情形之一的,应当从重处罚:(一)一年内因同类违法行为受到两次以上消防行政处罚的;(二)造成较严重后果的;(三)其他依法应当从重处罚的。
消防行政处罚裁量标准消防行政处罚裁量标准一、引言消防行政处罚是指消防机构对违反消防法律法规及相关规定的单位和个人进行的法律制裁。
为了维护社会公共安全,保障人民群众生命财产安全,消防行政处罚必须依法进行,并且要科学、合理、公正。
二、处罚依据消防行政处罚的依据主要包括以下法律法规:1. 《消防法》2. 《行政处罚法》3. 《消防行政处罚裁量基准》4. 相关消防行政规章和规范性文件以上法律法规明确了消防行政处罚的范围、程序、种类及其裁量标准,消防机构在实施行政处罚时应当依据这些依据进行操作。
三、处罚种类消防行政处罚的种类一般包括以下几种:1. 警告2. 限期改正3. 罚款4. 暂扣许可证5. 吊销许可证6. 其他行政处罚不同的违法行为将会根据情节和后果的严重程度来决定具体的处罚种类。
四、处罚力度消防行政处罚的力度主要体现在处罚金额或者许可证的吊销等措施上。
1. 罚款金额通常根据违法行为的具体情节和社会危害程度来决定,一般会有一个处罚额度的范围,以便消防机构在裁量时有一定的自由裁量权。
2. 许可证的暂扣和吊销则是对于违法行为严重的单位进行的惩罚措施,一般需要经过合法程序和相关的听证程序。
消防机构在实施行政处罚时应当依据法律法规规定,根据违法行为的具体情节和后果来决定处罚力度,确保处罚公正和合理。
五、裁量标准案例以下是一些常见的消防行政处罚案例以供参考:1. 对于未按照规定进行消防设施的维护保养、消防安全检查等情况,可以根据违法行为的严重程度给予警告或者限期改正的处理。
2. 对于未按照规定进行火灾隐患排查整治、疏散措施等情况,可以根据违法行为的后果严重程度给予罚款或者暂扣许可证的处理。
3. 对于存在严重违法行为,例如长期不整改消防隐患、拒不接受消防执法检查等情况,可以考虑吊销许可证等严厉措施进行处罚。
六、。
南通市消防行政处罚裁量标准第一章总则第一条为了正确适用消防法律、法规和规章,规范公安机关消防机构行政处罚裁量行为,根据《中华人民共和国行政处罚法》、《中华人民共和国消防法》(以下简称《消防法》)、《江苏省消防条例》等有关法律和公安部有关规章的规定,结合我市实际,制定本标准。
第二条本标准适用于南通市各级公安机关消防机构依照《中华人民共和法国消防法》和《江苏省消防条例》实施的消防行政处罚。
公安派出所实施消防行政处罚参照本标准执行。
第三条上级公安机关消防机构有权对下级公安机关消防机构违法或者不当的行政处罚予以纠正或者撤销。
第二章行政处罚裁量的原则第四条行使行政处罚裁量权应当遵循公正、公平、公开的原则,遵循过罚相当和处罚与教育相结合的原则,依法维护公民、法人和其他组织的合法权益,确保行政处罚自由裁量权行使的合法性、合理性。
第五条同一执法主体在同一时期,对同一类违法主体实施的性质相同、情节相近或者相似、危害后果基本相当的消防安全违法行为,在处罚裁量时,适用的处罚种类应当基本一致,处罚幅度应当基本相当。
第六条有两个以上应当给予行政处罚的违法行为的,应当适用相应的法律条款,分别决定,合并执行。
对违法行为人的同一违法行为,不得给予两次以上罚款的行政处罚。
第七条违法行为人有下列情形之一的,应当按照本标准从轻或者减轻处罚:(一)主动消除或者减轻消防安全违法行为危害后果的;(二)已满14周岁不满18周岁的公民实施消防安全违法行为的;(三)尚未完全丧失辨认或者控制自己行为能力的精神病人实施消防安全违法行为的;(四)受他人胁迫实施消防安全违法行为的;(五)配合公安机关消防机构查处消防安全违法行为,有立功表现的;(六)主动投案,向公安机关消防机构如实交待自己的违法行为的;(七)违反程序性规定,但建筑、场所无火灾隐患或未违反消防技术标准的;(八)其他依法应当从轻、减轻处罚情形的。
依照前款规定从轻处罚的,应当在法定处罚种类之内选择较轻的种类或者按照本标准下降一个梯次处罚款,但罚款不能低于法定最低数额。
减轻处罚的,可以在法定处罚种类和幅度范围以下适用更轻的处罚种类或者更低的处罚幅度,但罚款额度最低不得低于法定幅度下限的百分之三十。
第八条违法行为人有下列情形之一的,应当选择较重的处罚阶次:(一)一年内因同一种消防安全违法行为受到两次以上消防行政处罚的;(二)拒不整改或者整改不力,违法行为处于持续状态的;(三)拒绝、阻碍或者以暴力威胁消防执法人员的;(四)隐匿、销毁违法行为证据的;(五)违法行为情节恶劣,造成人身死亡或者严重社会影响的;(六)对举报人、证人打击报复的;(七)发生火灾事故后逃匿或者瞒报、谎报的;(八)存在两个以上消防安全违法行为,不能立即改正且构成重大火灾隐患的;(九)虚假备案或恶意备案,规避备案检查、消防审核和验收的;(十)具有其他依法应当从重处罚情形的。
依照前款规定从重处罚的,应当在法定处罚种类之内选择较重的种类,或者按接近本标准规定相应梯次的最高幅度处罚款,或者按照本标准上调一个梯次并按接近该梯次较低幅度处罚款,但罚款不能超过法定最高数额。
第九条违法行为人有下列情形之一的,不予处罚:(一)不满14周岁的公民实施消防安全违法行为的;(二)精神病人在不能辨认或者控制自己行为时实施消防安全违法行为的;(三)消防安全违法行为在两年内未被发现的,法律另有规定的除外;(四)下列消防安全违法行为轻微并及时纠正,没有造成危害后果的:1、两处以下消防器材或者消防安全标志未保持完好有效,当场改正的;2、室外消火栓、水泵接合器配件缺失或损坏,但不影响使用,且当场改正的;3、消火栓箱内配套器材缺失或损坏未超过三处,当场改正的;4、防火门因配件缺失或损坏导致启闭不正常未超过两处,当场改正的。
(五)其他依法不予处罚情形的。
前款第四项中两年的期限,从违法行为发生之日起计算;违法行为有连续或者继续状态的,从行为终了之日起计算。
具有不予处罚情形,已经受理、登记的,应当使用公安行政处罚决定书,写明违法情况以及不予行政处罚的事实和依据,有违法所得和非法财物的,应当予以追缴或者收缴。
对违法行为轻微并当场改正完毕,依法可以不予行政处罚的,可以口头责令改正,不制发《责令改正通知书》,但应在《消防监督检查记录》备注栏详细注明。
第二章行政处罚裁量的标准第十条根据《消防法》第五十八条第一款第一、三项规定实施处罚的,责令停止施工、停止使用或者停产停业,并按照以下标准处罚款:(一)建筑总面积大于二万平方米小于四万平方米的体育场馆、会堂,公共展览馆、博物馆的展示厅处三万元罚款,总面积大于四万平方米的,在前述规定基础上,每增加一万平方米,罚款额度上调一万元;(二)建筑总面积大于一万五千平方米小于三万平方米的民用机场航站楼、客运车站候车室、客运码头候船厅处三万元罚款,总面积大于二万平方米的,在前述规定基础上,每增加一万平方米,罚款额度上调一万元;(三)建筑总面积大于一万平方米小于一万五千平方米的宾馆、饭店、商场、市场处三万元罚款,总面积大于一万五千平方米的,在前述规定基础上,每增加五千平方米,罚款额度上调一万元;(四)建筑总面积大于二千五百平方米小于五千平方米的影剧院,公共图书馆的阅览室,营业性室内健身、休闲场馆,寺庙、教堂处三万元罚款,总面积大于五千平方米的,在前述规定基础上,每增加二千五百平方米,罚款额度上调一万元;(五)建筑总面积大于二千五百平方米小于一万平方米的医院的门诊楼,大学的教学楼、图书馆、食堂,劳动密集型企业的生产加工车间处三万元罚款,总面积大于一万平方米的,在前述规定基础上,每增加五千平方米,罚款额度上调一万元;(六)建筑总面积大于一千平方米小于五千平方米的医院的病房楼,劳动密集型企业的员工集体宿舍、托儿所、幼儿园的儿童用房,儿童游乐厅等室内儿童活动场所,养老院、福利院,疗养院的病房楼,中小学校的教学楼、图书馆、食堂,学校的集体宿舍处三万元罚款,总面积大于五千平方米的,在前述规定基础上,每增加二千五百平方米,罚款额度上调一万元;(七)建筑总面积大于五百平方米小于一千平方米的歌舞厅、录像厅、放映厅、卡拉0 K厅、夜总会、游艺厅、桑拿浴室、网吧、酒吧,具有娱乐功能的餐馆、茶馆、咖啡厅处三万元罚款,总面积大于一千平方米的,在前述规定基础上,每增加五百平方米,罚款额度上调一万元;(八)建筑总面积小于一万平方米的国家机关办公楼、电力调度楼、电信楼、邮政楼、防灾指挥调度楼、广播电视楼、档案楼处三万元罚款,总面积大于一万平方米的,在前述规定基础上,每增加五千平方米,罚款额度上调一万元;(九)单体建筑面积大于四万平方米小于五万平方米的公共建筑建筑处三万元罚款,总面积大于五万平方米的,在前述规定基础上,每增加五千平方米,罚款额度上调一万元;(十)建筑总面积小于一万五千平方米高度超过五十米的公共建筑处三万元罚款,总面积大于一万平方米的,在前述规定基础上,每增加五千平方米,罚款额度上调一万元;(十一)建筑总面积小于五千平方米的大型发电、变配电工程处三万元罚款,总面积大于五千平方米的,在前述规定基础上,每增加二千五百平方米,罚款额度上调一万元;(十二)建筑总面积小于四千平方米的生产、储存、装卸易燃易爆危险物品的工厂处三万元罚款,总面积大于四千平方米的,在前述规定基础上,每增加一千平方米,罚款额度上调一万元;(十三)建筑总面积小于一千五百平方米的生产、储存、装卸易燃易爆危险物品的仓库处三万元罚款,总面积大于一千五百平方米的,在前述规定基础上,每增加五百平方米,罚款额度上调一万元;(十四)总建筑面积小于八千平方米的火灾危险性为丙1类的厂房处三万元罚款,总面积大于八千平方米的,在前述规定基础上,每增加一千平方米,罚款额度上调一万元;(十五)总建筑面积小于四千平方米的火灾危险性为丙1类的仓库处三万元罚款,总面积大于四千平方米的,在前述规定基础上,每增加五百平方米,罚款额度上调一万元;(十六)建筑总面积小于五百平方米的易燃易爆气体和液体充装站、供应站、调压站处三万元罚款,总面积大于五百平方米的,在前述规定基础上,每增加一百平方米,罚款额度上调一万元;(十七)总容积小于五千立方米的甲乙类液体、气体储罐处三万元罚款,总容积大于五千立平方米的,在前述规定基础上,每增加一千立方米,罚款额度上调一万元;(十八)总容积小于一万立方米火灾危险性为丙1类的液体储罐处三万元罚款,总容积大于一万立平方米的,在前述规定基础上,每增加一万立方米,罚款额度上调一万元;(十九)三级普通加油站或加油加气站处三至六万元罚款,二级普通加油站或加油加气站处六至九万元罚款,一级普通加油站或加油加气站处九至十二万元罚款。
第十一条根据《消防法》第五十八条第一款第二、四项实施处罚的,责令停止施工、停止使用或者停产停业,不符合技术标准、设计文件或违反消防技术标准强制性要求三条以下的,处三万元罚款,超过三条的,每增加一条,罚款额度上调一万元。
第十二条根据《消防法》第五十八条第一款第五项实施处罚的,责令停止施工、停止使用或者停产停业,并按照以下标准处罚款:(一)建筑总面积小于四万平方米的体育场馆、会堂、客运车站候车室、客运码头候船厅处三万元罚款,总面积大于四万平方米的,在前述规定基础上,每增加一万平方米,罚款额度上调一万元;(二)建筑总面积小于一千平方米的公共娱乐场所处三万元罚款,总面积大于一千平方米的,在前述规定基础上,每增加五百平方米,罚款额度上调一万元;(三)建筑总面积小于一万五千平方米的饭店、商场、市场、宾馆处三万元罚款,总面积大于一万五千平方米,在前述规定基础上,每增加二千五百平方米,罚款额度上调一万元;第十三条根据《消防法》第五十八条第二款实施处罚的,责令限期改正,建筑总面积小于一千平方米的,处三千元以下罚款,总面积大于一千平方米的,每增加一千平方米,罚款额度上调五百元。
第十四条据《消防法》第五十九条实施处罚的,责令限期改正或停止施工,并按照以下标准处罚款:(一)建筑总面积小于二万平方米或装修面积小于五千平方米,且存在一处不符合技术标准、设计文件或违反二条以下消防技术标准强制性要求的,处一万元罚款,不符合技术标准或设计文件超过一处或违反消防技术标准强制性要求超过二条的,每增加一处(条),罚款额度上调五千元,处罚金额不超过三万元;(二)建筑总面积二万平方米以上五万平方米以下或装修面积五千平方米以上一万平方米以下,且存在一处不符合技术标准、设计文件或违反二条以下消防技术标准强制性要求的,处三万元罚款,不符合技术标准或设计文件超过一处或违反消防技术标准强制性要求超过二条的,每增加一处(条),罚款额度上调五千元,处罚金额不超过七万元;(三)建筑总面积五万平方米以上或装修面积一万平方米以上,且存在一处不符合技术标准、设计文件或违反二条以下消防技术标准强制性要求的,处七万元罚款,不符合技术标准或设计文件超过一处或违反消防技术标准强制性要求超过二条的,每增加一处(条),罚款额度上调五千元。