润滑油MSDS表
- 格式:doc
- 大小:13.00 KB
- 文档页数:1
润滑油安全技术说明书(MSDS)第一部分:化学品名称化学品中文润滑油化学品俗名:机油化学品英文 lubricating oil英文名称:Lube oil技术说明书1279 CAS No。
:8002—05-9公司名称:宁德市蕉城区宁庆润滑油有限公司公司地址:福建省宁德市蕉城区单石碑汽配街119号联系电话:0593-******* 9058926第二部分:成分/组成信息有害物成分:无含量:100%第三部分:危险性概述危险性类别:侵入途径:健康危害:急性吸入,可出现乏力、头晕、头痛、恶心,严重者可引起油脂性肺炎。
慢接触者,暴露部位可发生油性痤疮和接触性皮炎。
可引起神经衰弱综合征,呼吸道和眼刺激症状及慢性油脂性肺炎。
有资料报道,接触石油润滑油类的工人,有致癌的病例报告。
环境危害:燃爆危险:本品可燃,具刺激性.第四部分:急救措施皮肤接触:脱去污染的衣着,用大量流动清水冲洗.就医。
眼睛接触:提起眼睑,用流动清水或生理盐水冲洗.就医。
吸入:迅速脱离现场至空气新鲜处。
保持呼吸道通畅。
如呼吸困难,给输氧。
如呼吸停止,立即进行人工呼吸。
就医。
食入:饮足量温水,催吐。
就医.第五部分:消防措施危险特性:遇明火、高热可燃。
有害燃烧产物:一氧化碳、二氧化碳.灭火方法:消防人员须佩戴防毒面具、穿全身消防服,在上风向灭火。
尽可能将容器从火场移至空旷处.喷水保持火场容器冷却,直至灭火结束。
处在火场中的容器若已变色或从安全泄压装置中产生声音,必须马上撤离。
灭火剂:雾状水、泡沫、干粉、二氧化碳、砂土.第六部分:泄漏应急处理应急处理:迅速撤离泄漏污染区人员至安全区,并进行隔离,严格限制出入。
切断火源。
建议应急处理人员戴自给正压式呼吸器,穿防毒服。
尽可能切断泄漏源。
防止流入下水道、排洪沟等限制性空间。
小量泄漏:用砂土或其它不燃材料吸附或吸收。
大量泄漏:构筑围堤或挖坑收容.用泵转移至槽车或专用收集器内,回收或运至废物处理场所处置。
第七部分:操作处置与储存操作注意事项:密闭操作,注意通风.操作人员必须经过专门培训,严格遵守操作规程.建议操作人员佩戴自吸过滤式防毒面具(半面罩),戴化学安全防护眼镜,穿防毒物渗透工作服,戴橡胶耐油手套.远离火种、热源,工作场所严禁吸烟。
润滑油MSDS
1. 总览
润滑油材料安全数据表(MSDS)是对润滑油产品的化学成分、物理和化学性质、危险性评估及安全措施等信息进行详细描述的文档。
本文档旨在提供有关该润滑油产品的MSDS内容。
2. 化学成分
该润滑油产品的化学成分包括但不限于以下组分:
- 基础油:(提供基本润滑性能)
- 添加剂:(提供各种性能改进和特殊功能)
3. 物理和化学性质
- 外观:(润滑油产品的外观特征)
- 颜色:(润滑油产品的颜色特征)
- 气味:(润滑油产品的气味特征)
- 粘度:(润滑油产品的粘度范围)
- 点火点:(润滑油产品的点火点温度)
4. 危险性评估
本润滑油产品的危险性评估结果如下:
- 火灾爆炸危险性:(描述润滑油产品对火灾和爆炸的危险性)- 健康危害:(描述润滑油产品对人体健康的潜在危害)
- 环境影响:(描述润滑油产品对环境的潜在影响)
5. 安全措施
为确保安全使用该润滑油产品,请注意以下安全措施:
- 储存要求:(润滑油产品的储存要求)
- 使用注意事项:(使用该润滑油产品时应注意的事项)
- 废弃物处理:(废弃该润滑油产品时的处理方法)
- 紧急情况处理:(在紧急情况下,使用该润滑油产品时应采
取的措施)
6. 制造商信息
制造商信息如下:
- 公司名称:(润滑油产品制造商的公司名称)
- 联系方式:(润滑油产品制造商的联系方式)
- 急救(润滑油产品制造商提供的急救电话)
以上为润滑油MSDS的简要内容概述,详细信息请参阅相关润滑油产品的具体MSDS文档。
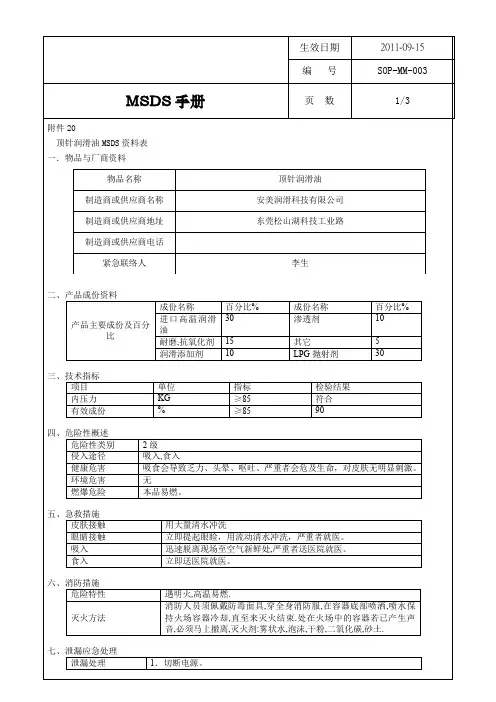
生效日期2011-06-10编号SOP-MM-003MSDS手册页数1/1附件20顶针润滑油MSDS资料表一、中文名:QIKO顶针润滑油有害物成分:烷类含量:50% CAS NO:106-97-8二、理化性质外观与性状: 清澈透明液体。
熔 点: -138.4℃ 沸点:-0.5℃密 度: 相对密度(水=1)0.58 临界温度:151.9℃蒸汽压: 106.39/0℃)闪点:-60溶解性: 良好引燃温度:287℃主要用途:工业燃料工业源料及气雾剂行业抛射剂。
三、稳定性和反应活性稳定性: 稳定。
禁配物:强氧化剂卤素。
分解产物:燃烧分解产物一氧化碳、二氧化碳。
聚合危害:不能出现四、毒理学资料急性毒性:主要表现为头痛、头晕、嗜睡、恶心、严重时可出现昏迷。
亚急性和慢性素毒性:轻微头晕刺激性:轻微致敏性:轻微致突变性:轻微致畸性:轻微致癌性:不适用五、危险性概述危险性类别:第2.1类易燃气体侵入途径:吸入健康危害:低毒类环境危险:轻微燃爆危险:易燃易爆六、急救措施皮肤接触:以大量清水冲洗。
眼睛接触:以大量清水冲洗。
如仍觉疼痛或红肿,立刻延医诊治。
吸入:迅速脱离现场至空气新鲜处,保暖并休息,保持吸道通畅,呼吸困难时输氧,呼吸停止时,立即进行人工呼吸,就医。
食入:如果吞食,不必迫使呕吐,迅速到医院就医。
危险特性:遇明火高热能引起燃烧爆炸,若遇高热容器内压增大,有开裂和爆炸的危险。
有害燃烧产物:没有。
灭火方法及灭火剂:干粉、二氧化碳或1211。
灭火注意事项:当此喷雾罐受热时,可能爆裂。
七、减火措施通用灭火剂:1.泡沫、水雾、化学干粉、二氧化碳;2.大火时,建议使用泡沫或水雾喷洒进行减火。
减火时可能遭遇之特殊危害:若发生火灾,则属于轻微火灾危害。
特殊减火程序:1.以水雾冷却暴露火场的储糟或容器;2.安全情况下将容器搬离火场;3.远离储贮槽两端。
消防人员之特殊防护设备:消防人员必须穿戴全身式化学防护衣及自携式空气呼吸器(必要时外加搞闪火铝质被外套)八、泄漏应急处置迅速撤离泄漏污染区人员至上风处,并隔离直至气体散尽,切断火源,应急处理人员戴自给正压式呼吸器,穿一般消防防护服,切断气源,喷雾状水稀释,溶解、抽排(室内)或强力通风(室外),如有可能,将漏出气相用排风机送至空旷地方,漏气容器不能再用,且要经过技术处理以清除可能剩下的气体。
食品级润滑油MSDS信息一、产品概述本文档提供了关于食品级润滑油的物质安全数据表(MSDS)信息。
食品级润滑油是一种专为在食品加工和处理过程中使用的润滑油。
它具有符合食品安全标准的特性,确保在使用过程中不会对食品造成污染。
二、产品成分食品级润滑油的成分如下:- 基础油:(请提供基础油的类型和比例)- 添加剂:(请提供添加剂的类型和比例)三、物理和化学性质以下是食品级润滑油的主要物理和化学性质:- 外观:(请描述外观特征)- 气味:(请描述气味特征)- 粘度:(请提供粘度范围)- 闪点:(请提供闪点温度)- 燃烧性:(请说明燃烧特性)四、健康与安全信息食品级润滑油的健康与安全信息如下:- 吸入:(请提供吸入的健康影响)- 食入:(请提供食入的健康影响)- 眼部接触:(请提供眼部接触的健康影响)- 皮肤接触:(请提供皮肤接触的健康影响)- 应急措施:(请提供应急处理建议)五、环境信息食品级润滑油的环境信息如下:- 生物累积性:(请说明是否具有生物累积性)- 水生生物毒性:(请提供水生生物毒性的相关信息)- 生态效应:(请提供对环境的潜在影响)六、处置信息以下是食品级润滑油的处置信息:- 处理方法:(请提供正确的处理方法)- 废弃物处理:(请提供废弃物处理的建议)七、运输信息食品级润滑油的运输信息如下:- 运输分类:(请提供运输分类)- 运输注意事项:(请提供运输过程中的注意事项)八、法规信息食品级润滑油的法规信息如下:- 相关法规:(请列出适用的相关法规)以上为食品级润滑油的物质安全数据表(MSDS)信息。
请妥善保管并按照相关法规和建议使用、处置润滑油。
如有疑问,请联系相关部门获取进一步的信息和指导。
食品级润滑油的MSDS报告概述本文档提供了食品级润滑油的MSDS(安全数据表)报告。
该报告旨在提供有关润滑油的安全使用和处理的信息。
产品标识- 产品名称:食品级润滑油- 产品型号:[填写产品型号]- 制造商:[填写制造商名称]- 原产地:[填写原产地]成分信息- 主要成分:[填写主要成分]- 其他成分:[填写其他成分]物理与化学特性- 外观:[填写润滑油的外观,如液体、固体等]- 颜色:[填写润滑油的颜色]- 气味:[填写润滑油的气味]- 熔点:[填写润滑油的熔点]- 沸点:[填写润滑油的沸点]- 相对密度:[填写润滑油的相对密度]- 溶解性:[填写润滑油的溶解性]- 粘度:[填写润滑油的粘度]健康与安全信息- 对皮肤的影响:[填写润滑油对皮肤的影响信息]- 对眼睛的影响:[填写润滑油对眼睛的影响信息]- 吸入危害:[填写润滑油的吸入危害信息]- 摄入危害:[填写润滑油的摄入危害信息]- 急救措施:[填写润滑油的急救措施]环境信息- 对水环境的影响:[填写润滑油对水环境的影响信息] - 对土壤的影响:[填写润滑油对土壤的影响信息]- 处理方法:[填写润滑油的处理方法]操作与储存- 操作注意事项:[填写润滑油的操作注意事项]- 储存要求:[填写润滑油的储存要求]法规信息- 法规合规性:[填写润滑油的法规合规性信息]- 标签要求:[填写润滑油的标签要求]总结本文档提供了食品级润滑油的MSDS报告,包含了产品的成分信息、物理与化学特性、健康与安全信息、环境信息、操作与储存要求以及法规信息。
该报告旨在帮助用户了解润滑油的安全使用和处理方法。
请注意,本报告的内容仅供参考,具体操作和使用润滑油时,建议遵循制造商提供的具体说明和安全指南。
润滑油安全技术说明书MSDS第一部分:化学名称化学品中文:润滑油化学品俗名:机油化学品英文:lubricating英文名称:Lube oiloil第二部分:成分/组成信息有害物成分:无含量:100%第三部分:危险性概述危险性类别:无侵入途径:健康危害:急性吸入,可出现乏力、头晕、头痛、恶心,严重者可引起油脂性肺炎;慢接触者,暴露部位可发生油性痤疮和接触性皮炎;可引起神经衰弱综合征,呼吸道和眼刺激症状及慢性油脂性肺炎;有资料报道,接触石油润滑油类的工人,有致癌的病例报告;环境危害:燃爆危险:本品可燃,具刺激性;第四部分:急救措施皮肤接触:脱去污染的衣着,用大量流动清水冲洗;就医;眼睛接触:提起眼睑,用流动清水或生理盐水冲洗;就医;吸入:迅速脱离现场至空气新鲜处;保持呼吸道通畅;如呼吸困难,给输氧;如呼吸停止,立即进行人工呼吸;就医;食入:饮足量温水,催吐;就医;第五部分:消防措施危险特性:遇明火、高热可燃;有害燃烧产物:一氧化碳、二氧化碳;灭火方法:消防人员须佩戴防毒面具、穿全身消防服,在上风向灭火;尽可能将容器从火场移至空旷处;喷水保持火场容器冷却,直至灭火结束;处在火场中的容器若已变色或从安全泄压装置中产生声音,必须马上撤离;灭火剂:雾状水、泡沫、干粉、二氧化碳、砂土;第六部分:泄漏应急处理应急处理:迅速撤离泄漏污染区人员至安全区,并进行隔离,严格限制出入;切断火源;建议应急处理人员戴自给正压式呼吸器,穿防毒服;尽可能切断泄漏源;防止流入下水道、排洪沟等限制性空间;小量泄漏:用砂土或其它不燃材料吸附或吸收;大量泄漏:构筑围堤或挖坑收容;用泵转移至槽车或专用收集器内,回收或运至废物处理场所处置;第七部分:操作处置与储存操作注意事项:密闭操作,注意通风;操作人员必须经过专门培训,严格遵守操作规程;建议操作人员佩戴自吸过滤式防毒面具半面罩,戴化学安全防护眼镜,穿防毒物渗透工作服,戴橡胶耐油手套;远离火种、热源,工作场所严禁吸烟;使用防爆型的通风系统和设备;防止蒸气泄漏到工作场所空气中;避免与氧化剂接触;搬运时要轻装轻卸,防止包装及容器损坏;配备相应品种和数量的消防器材及泄漏应急处理设备;倒空的容器可能残留有害物;储存注意事项:储存于阴凉、通风的库房;远离火种、热源;应与氧化剂分开存放,切忌混储;配备相应品种和数量的消防器材;储区应备有泄漏应急处理设备和合适的收容材料;第八部分:接触控制/个体防护中国MACmg/m3:未制定标准前苏联MACmg/m3:未制定标准TLVTN:未制定标准TLVWN:未制定标准监测方法:工程控制:密闭操作,注意通风;呼吸系统防护:空气中浓度超标时,必须佩戴自吸过滤式防毒面具半面罩;紧急事态抢救或撤离时,应该佩戴空气呼吸器;眼睛防护:戴化学安全防护眼镜;身体防护:穿防毒物渗透工作服;手防护:戴橡胶耐油手套;其他防护:工作现场严禁吸烟;避免长期反复接触;第九部分:理化特性外观与性状:油状液体, 淡黄色至褐色, 无气味或略带异味;pH:熔点℃:无资料相对密度水=1:〈1沸点℃:无资料相对蒸气密度=1:无资料分子式:分子量:230-500闪点℃:76 爆炸上限%V/V:无资料引燃温度℃:248 爆炸下限%V/V:无资料溶解性:主要用途:用于机械的摩擦部分, 起润滑、冷却和密封作用;其它理化性质:第十部分:稳定性和反应活性稳定性:无记录禁配物:强氧化剂;避免接触的条件:聚合危害:无记录分解产物:无记录第十一部分:毒理学资料急性毒性:LD50:无资料LC50:无资料亚急性和慢性毒性:刺激性:致敏性:致突变性:致畸性:致癌性:第十二部分:生态学资料生态毒理毒性:生物降解性:非生物降解性:生物富集或生物积累性:其它有害作用:无资料;第十三部分:废弃处置废弃物性质:废弃处置方法:处置前应参阅国家和地方有关法规;建议用焚烧法处置;废弃注意事项:第十四部分:运输信息危险货物编号:无资料UN编号:无资料包装标志:包装类别:Z01包装方法:无资料;运输注意事项:运输前应先检查包装容器是否完整、密封,运输过程中要确保容器不泄漏、不倒塌、不坠落、不损坏;严禁与氧化剂、食用化学品等混装混运;运输车船必须彻底清洗、消毒,否则不得装运其它物品;船运时,配装位置应远离卧室、厨房,并与机舱、电源、火源等部位隔离;公路运输时要按规定路线行驶;第十五部分:法规信息法规信息化学危险物品安全管理条例 1987年2月17日国务院发布,化学危险物品安全管理条例实施细则化劳发1992 677号,工作场所安全使用化学品规定 1996劳部发423号等法规,针对化学危险品的安全使用、生产、储存、运输、装卸等方面均作了相应规定;第十六部分:其他信息无资料。
MSDS-03润滑油MSDS润滑油安全技术说明书MSDS 第一部分化学品名称第九部分理化特性第二部分成分/组成信息第十部分稳定性和反应活性第三部分危险性概述第十一部分毒理学资料第四部分急救措施第十二部分生态学资料第五部分消防措施第十三部分废弃处置第六部分泄漏应急处理第十四部分运输信息第七部分操作处置与储存第十五部分法规信息第八部分接触控制/个体防护第十六部分其他信息第一部分:化学品名称化学品中文名润滑油化学品俗名: 机油称:化学品英文名lubricating英文名称: Lube oil称: oil技术说明书编1279CAS No.:码:生产企业名称:地址:生效日期:第二部分:成分/组成信息有害物成分含量 CAS No.第三部分:危险性概述健康危害: 急性吸入,可出现乏力、头晕、头痛、恶心,严重者可引起油脂性肺炎。
慢接触者,暴露部位可发生油性痤疮和接触性皮炎。
可引起神经衰弱综合征,呼吸道和眼刺激症状及慢性油脂性肺炎。
有资料报道,接触石油润滑油类的工人,有致癌的病例报告。
燃爆危险: 本品可燃,具刺激性。
第四部分:急救措施皮肤接触: 脱去污染的衣着,用大量流动清水冲洗。
就医。
眼睛接触: 提起眼睑,用流动清水或生理盐水冲洗。
就医。
-- 1 - 1 -吸入: 迅速脱离现场至空气新鲜处。
保持呼吸道通畅。
如呼吸困难,给输氧。
如呼吸停止,立即进行人工呼吸。
就医。
食入: 饮足量温水,催吐。
就医。
第五部分:消防措施危险特性: 遇明火、高热可燃。
有害燃烧产物: 一氧化碳、二氧化碳。
灭火方法: 消防人员须佩戴防毒面具、穿全身消防服,在上风向灭火。
尽可能将容器从火场移至空旷处。
喷水保持火场容器冷却,直至灭火结束。
处在火场中的容器若已变色或从安全泄压装置中产生声音,必须马上撤离。
灭火剂:雾状水、泡沫、干粉、二氧化碳、砂土。
第六部分:泄漏应急处理应急处理: 迅速撤离泄漏污染区人员至安全区,并进行隔离,严格限制出入。
切断火源。
材料安全數據表3#潤滑油#第一部分:化學品名稱潤滑油第二部分:成分/組成資訊1)產品識別:產品名: 合成油脂化學名: 潤滑油脂分子式: 不適用CAS號碼: 不適用2)成分:成分CAS NO. %PAO 68037-01-04 70—9012SHA 106-14-9 5—15LIOH 9003-28-5 5—15第三部分:危險概述入侵渠道:眼睛和皮膚接觸長期接觸後果:可能會導致皮膚或眼睛紅腫第四部分:急救方式眼睛接觸:用清水衝洗15分鐘,然後就醫皮膚接觸:用肥皂水衝洗吸入:不適用第五部分:消防措施滅火方法:乾粉滅火器/水/二氧化碳/沙/土滅火程式:在密封環境中滅火時,須穿戴呼吸設備第六部分:洩露應急處理關閉洩漏源, 用土,沙進行吸收第七部分:操作處置與儲存搬運時要輕裝輕卸,防止包裝及容器損壞。
儲存於陰涼,通風的地方,遠離火種熱源。
3#潤滑油#第八部分:接觸控制和個人防護對通風性的要求:無特殊要求呼吸保護:不適用保護手套: 防油其他保護設備:不適用第九部分:理化性質物理狀態: 半固體油脂外觀及氣味: 白色油脂, 有油的氣味沸點:不適用蒸壓:不適用蒸氣濃度:不適用揮發率:不適用密度:0.93 蒸發率:不適用溶水性:不溶於水冰點:不適用PH:不適用第十部分:穩定性穩定第十一部分:毒性理學資料無資料第十二部分:生態學資料燃燒後生成物:二氧化碳,一氧化碳和硫化物第十三部分:廢棄處理請合法的廢棄物公司處理第十四部分:運輸嚴禁與氧化劑,食用化學品等混裝,混運。
第十五部分:控制資料無第十六部分:補充資料工廠名稱:XXXX工廠地址:XXXX工廠電話:XXXX。
润滑油安全技术说明书MSDS第一部分:化学名称化学品中文:润滑油化学品俗名:机油化学品英文:lubricating oil 英文名称:Lube oil技术说明书:CAS No.:NA第二部分:成分/组成信息有害物成分:无含量:100%第三部分:危险性概述危险性类别:无侵入途径:健康危害:急性吸入,可出现乏力、头晕、头痛、恶心,严重者可引起油脂性肺炎。
慢接触者,暴露部位可发生油性痤疮和接触性皮炎。
可引起神经衰弱综合征,呼吸道和眼刺激症状及慢性油脂性肺炎。
有资料报道,接触石油润滑油类的工人,有致癌的病例报告。
环境危害:燃爆危险:本品可燃,具刺激性。
第四部分:急救措施皮肤接触:脱去污染的衣着,用大量流动清水冲洗。
就医。
眼睛接触:提起眼睑,用流动清水或生理盐水冲洗。
就医。
吸入:迅速脱离现场至空气新鲜处。
保持呼吸道通畅。
如呼吸困难,给输氧。
如呼吸停止,立即进行人工呼吸。
就医。
食入:饮足量温水,催吐。
就医。
第五部分:消防措施危险特性:遇明火、高热可燃。
有害燃烧产物:一氧化碳、二氧化碳。
灭火方法:消防人员须佩戴防毒面具、穿全身消防服,在上风向灭火。
尽可能将容器从火场移至空旷处。
喷水保持火场容器冷却,直至灭火结束。
处在火场中的容器若已变色或从安全泄压装置中产生声音,必须马上撤离。
灭火剂:雾状水、泡沫、干粉、二氧化碳、砂土。
第六部分:泄漏应急处理应急处理:迅速撤离泄漏污染区人员至安全区,并进行隔离,严格限制出入。
切断火源。
建议应急处理人员戴自给正压式呼吸器,穿防毒服。
尽可能切断泄漏源。
防止流入下水道、排洪沟等限制性空间。
小量泄漏:用砂土或其它不燃材料吸附或吸收。
大量泄漏:构筑围堤或挖坑收容。
用泵转移至槽车或专用收集器内,回收或运至废物处理场所处置。
第七部分:操作处置与储存操作注意事项:密闭操作,注意通风。
操作人员必须经过专门培训,严格遵守操作规程。
建议操作人员佩戴自吸过滤式防毒面具(半面罩),戴化学安全防护眼镜,穿防毒物渗透工作服,戴橡胶耐油手套。