干粉式灭火器型号
- 格式:doc
- 大小:23.50 KB
- 文档页数:2
8kg手提式干粉灭火器技术参数手提式干粉灭火器是常见的家用和商用灭火设备,它能够有效地减少火灾事故造成的损失。
在选择合适的手提式干粉灭火器时,需要了解其技术参数,以便确保其能够应对各种火灾情况。
本文将就8kg 手提式干粉灭火器的技术参数进行详细介绍,帮助读者更好地了解该产品。
1.灭火器型号:8kg手提式干粉灭火器的型号为MP8KG。
这是一个常见的规格,适用于家庭、办公室、商店和工厂等不同场所。
2.灭火器压力:8kg手提式干粉灭火器的工作压力为14bar。
这个参数是指灭火器内部的压力,足够的压力可以确保灭火器在使用时能够迅速喷射出灭火剂。
3.灭火器容量:8kg手提式干粉灭火器的容量为8千克。
这个参数表示了灭火器内装的灭火剂的重量,重量越大,灭火器的使用次数就越多。
4.灭火器喷射时间:8kg手提式干粉灭火器的喷射时间为≥20s。
这个参数是指在灭火器使用时,其可以持续喷射的时间,20秒的喷射时间可以确保用户有足够的时间将火灾扑灭。
5.灭火器喷射距离:8kg手提式干粉灭火器的喷射距离为≥4m。
这个参数是指灭火器能够喷射到的最远距离,4米的喷射距离可以确保用户在较远的距离内使用灭火器。
6.灭火器适用火灾:8kg手提式干粉灭火器适用于A、B、C类火灾。
A类火灾是固体物质火灾,B类火灾是液体火灾,C类火灾是气体火灾,这个参数说明了该灭火器能够应对的火灾类型。
7.灭火器外壳材质:8kg手提式干粉灭火器的外壳材质为碳钢。
外壳材质的选择对于灭火器的耐用性和安全性有很大的影响,碳钢是一种常见的且具有较好的耐磨性和耐腐蚀性的材质。
8.灭火器使用温度范围:8kg手提式干粉灭火器的使用温度范围为-20℃~+55℃。
这个参数说明了灭火器能够在什么样的温度范围内正常工作,这对于户外使用的场合尤为重要。
除了以上的技术参数之外,8kg手提式干粉灭火器还具有其他一些性能特点,如易于使用、携带方便、维护简单等。
同时,在购买和使用手提式干粉灭火器时,用户还应该注意以下几点:1.注意查看灭火器的制造日期和有效期限,确保使用的灭火器处于有效期内。
常用灭火器分类灭火器是一种常见的灭火工具,根据其不同的工作原理和适用场景,可以分为多种型号和型号。
本文将介绍常用的灭火器分类,以帮助人们更好地选择适合的灭火器应对不同的火灾情况。
干粉灭火器干粉灭火器是最常见的一种灭火器,适用于多种火灾,包括可燃固体、液体和气体。
其主要成分是干粉,通过窒息和化学抑制火灾。
干粉灭火器分为ABC型和BC型两种。
ABC型适用范围更广,可以灭火A、B、C三种类型的火灾,而BC型则主要用于B、C类火灾。
水基灭火器水基灭火器主要是以水为灭火介质,适用于可燃固体火灾。
水基灭火器分为常规水基灭火器和水膜灭火器两种。
常规水基灭火器适用范围较窄,需注意不可用于电器火灾;而水膜灭火器通过形成水膜覆盖可燃物表面,有效隔离氧气,达到灭火效果。
CO2灭火器CO2灭火器利用二氧化碳作为灭火介质,适用于B类火灾,尤其适合用于液体和电器火灾。
CO2灭火器通过排放大量的二氧化碳,使空间内氧气浓度降低,达到灭火效果。
但需注意使用时要避免二氧化碳对人体的危害。
泡沫灭火器泡沫灭火器是一种多用途的灭火器,通过灭火剂形成泡沫,有效灭火并降低火灾续燃的可能性。
泡沫灭火器适用于A、B类火灾,如可燃液体和固体。
泡沫灭火器的灭火效果较好,且对周围环境损害较小。
气溶胶灭火器气溶胶灭火器是近年来逐渐兴起的一种新型灭火器,采用固定独立发生器将灭火剂释放为微粒状气态,形成一种残留时间较长的灭火效果。
气溶胶灭火器适用于可燃固体和油类火灾,具有灭火效果持久和环保无污染等优点。
结语通过以上介绍,我们了解到灭火器有多种型号和型号,每种类型的灭火器都有其适用场景和特点。
在选择使用灭火器时,应根据火灾类型和实际情况选择合适的灭火器,以确保灭火效果最大化,并注意灭火器的使用方法和注意事项,确保安全有效地进行火灾应对。
愿本文对大家在日常生活和工作中的火灾防范起到一定的帮助和启发。
灭火器的型号及规格参考文本In The Actual Work Production Management, In Order To Ensure The Smooth Progress Of The Process, And Consider The Relationship Between Each Link, The Specific Requirements Of EachLink To Achieve Risk Control And Planning某某管理中心XX年XX月灭火器的型号及规格参考文本使用指引:此安全管理资料应用在实际工作生产管理中为了保障过程顺利推进,同时考虑各个环节之间的关系,每个环节实现的具体要求而进行的风险控制与规划,并将危害降低到最小,文档经过下载可进行自定义修改,请根据实际需求进行调整与使用。
1、二氧化碳灭火器①手提式二氧化碳灭火器标记示例:规格:分为2公斤、3公斤、5公斤、7公斤4种②推车式二氧化碳灭火器标记示例:规格:分为12(20)24kg三种。
2、干粉灭火器①手提贮压式干粉灭火器标记示例:规格:分为1、2、(3)、4、5、(6)、8和10kg 八种。
②推车式干粉灭火器(贮压式,充装ABC干粉灭火剂)标记示例:注:充装BC干粉时省略L符号规格:分为(20)、25、35、50、70种100Kg六种。
3、泡沫灭火器①手提式机械泡沫灭火器标记示例:规格分为3L、(4L)、6L、9L四种注:㈠预混型,机械泡沫灭火剂原液与清水,预先按比例混合后,一起装入灭火器内。
㈡分装型:机械泡沫灭火剂原液与清水,在灭火器内分别封装,在使用时两种液体才按比例混合㈢贮压式灭火器装有显示内部压力的装置(压力表)②推车式化学泡沫灭火器(略)请在此位置输入品牌名/标语/sloganPlease Enter The Brand Name / Slogan / Slogan In This Position, Such As Foonsion。
灭火器灭火器是由简体、器头、喷嘴等部件组成,借助驱动压力可将所充装的灭火剂喷出,达到灭火的目的。
灭火器由于结构简单、操作方便、轻便灵活、使用广泛,是扑救各类初期火灾的重要消防器材。
灭火器的种类很多,按其移动方式可分为:手提式和推车式;按驱动灭火剂的动力来源可分为:储气瓶式、储压式、化学反应式;按所充装的灭火剂划分有:泡沫灭火器、干粉灭火器、卤代烷灭火器、二氧化碳灭火器、酸碱灭火器、清水灭火器等。
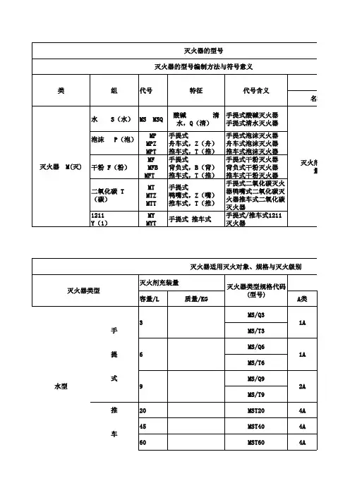
我国灭火器的型号编制是由类、组、特征代号和主参数四个部分组成。
类、组、特征代号用汉语拼音字母表示具有代表性的字头。
主参数是灭火剂的充装量。
其型号编制方法见表6—2表6—2 各种灭火器的型号编制方法三、干粉灭火器干粉灭火器以液态二氧化碳或氮气作为动力,将灭火器内干粉灭火药剂喷出而进行灭火。
干粉灭火器适用扑救石油、可燃液体、可燃气体、可燃固体物质的初期火灾。
这种灭火器由于灭火速度快、灭火效力高,广泛应用于石油化工企业。
干粉灭火器按充入的干粉药剂分类,有碳酸氢钠干粉灭火器,也称BC干粉灭火器;磷酸铵盐干粉灭火器,也称ABC干粉灭火器;按加压方式分类有储气瓶式和储压式;按移动方式分类有手提式和推车式。
(一)手提式干粉灭火器手提式干粉灭火器按充装的干粉药剂量,有1、2、3、4、5、6、8、10kg 等8 种其型号有MF1、MF2、MF3、MF4、MF5、MF6、MFS、MFl0。
其技术性能参数如表6—6。
表6—6 手提式干粉灭火器的技术性能1.构造(1) 储气瓶式干粉灭火器主要有简体、器盖、储气瓶、喷射装置组成。
筒体的充装干粉药剂的容器,其水压试验压力为2.4~3.0MPa,由1.2~2.0mm厚的钢板焊接制成;器盖是密封筒体的盖子,在其上部装有开启机构和喷嘴或喷射软管,下部有出粉管,出气管;储气瓶是充装二氧化碳驱动气体的容器,其设计压力为14.7~17.0MPa,水压试验压力为22.5~25.0MPa。
喷射装置由出粉管、喷射软管和喷嘴组成。
各类火灾使用的灭火器型号是火灾是人类社会面临的重要问题之一,如果不得到有效的控制和处理,其破坏力不可想象。
灭火器是消防的重要装备之一,它能够在发生火灾的时候及时灭火或者控制火势,有效保护人类的生命财产安全。
不同的火灾类型需要不同类型的灭火器来控制火灾,下面让我们来了解一下各种常见的火灾使用的灭火器型号。
一.干粉灭火器干粉灭火器是常见的灭火器之一,可用于灭烟灶油和燃气火灾,其特点是灭火快速,灭火效果显著。
同时干粉灭火器还适用于汽车火灾、服务器点火等多种场合,被公认为是一种全能型的灭火器。
干粉灭火器其容器内充满了高压干粉,压力范围一般在1.4-2.5MP,把干粉喷向火源,不仅冷却燃烧过程中产生的热量,还对燃烧过程中产生的自由基非常有效,可以快速的灭火。
二.二氧化碳灭火器二氧化碳灭火器可以用于灭烟灶油燃气火灾等场合,同时也适合于发电厂、实验室、计算机机房等场合。
这种灭火器容器内装的是液态二氧化碳,通过喷出液态二氧化碳,使氧气分子被排挤出去,熄灭被灭火器覆盖的区域内的火源,这种灭火器的优点是不污染,不留残留物。
三.泡沫灭火器泡沫灭火器是用于油类火灾和草地火灾的一种灭火装置,它采用泡沫作为灭火介质,通过喷出泡沫,冷却燃烧过程中的热量和灭化燃烧过程中的自由基,从而达到灭火的目的。
泡沫灭火器携带方便,操作简单,灭火效果显著。
四.水灭火器水灭火器是应捕捉火源通过喷出阔喷雾或喷直喷射流向火源喷射水来降低火源温度,来冷却火源,快速灭火。
目前水灭火器主要适用于草地火灾和固体物体火灾等,但由于它能扩散到所有位置,因此具有较强的损伤性。
五.臭氧灭火器臭氧作为具有杀菌消毒作用的氧化剂来控制唯一的氧气,达到灭火的目的。
这种灭火器主要适用于木材、塑料、橡胶及化学物质的火情,不仅能快速灭火,还能在一定程度上消毒灭菌、预防二次爆炸等问题。
六.无水气体灭火器无水气体灭火器可以使用三种不同的气体,分别是冷却剂、进入式和分子筛。
它们的共同点是它们并不会使用任何水,因此它们被认为是肯定的灭火工具,适用于各种场合,不仅能够快速灭火,还能在很大程度上减少因灭火造成的二次损害。
附录A 建筑灭火器配置类型、规格和灭火级别基本参数举例表A.0.1 手提式灭火器类型、规格和灭火级别
续表 A.0.1
表A.0.2 推车式灭火器类型、规格和灭火级别
附录B 建筑灭火器配置设计图例
表B.0.1 手提式、推车式灭火器图例
表B.0.2 灭火剂种类图例
续表 B.0.2
表B.0.3 灭火器图例举例
附录C 工业建筑灭火器配置场所的危险等级举例表C 工业建筑灭火器配置场所的危险等级举例
续表C
续表C
附录D 民用建筑灭火器配置场所的危险等级举例表D 民用建筑灭火器配置场所的危险等级举例
续表D
附录E 不相容的灭火剂举例
表E 不相容的灭火剂举例
附录F 非必要配置卤代烷灭火器的场所举例
表F.0.1 民用建筑类非必要配置卤代烷灭火器的场所举例
表F.0.2 工业建筑类非必要配置卤代烷灭火器的场所举例
续表F.0.2。
ABC干粉灭火器使用说明ABC干粉灭火器有手提式和推车式两种,干粉灭火器是利用氮气气体或二氧化碳气体作动力,将筒内的干粉喷出灭火的。
干粉灭火剂是一种干燥的、易于流动的微细固体粉末,由能灭火的基料和防潮剂、流动促进剂、结块防止剂等添加剂组成。
主要用于扑救可燃气体和电气设备、石油、有机溶剂等易燃液体的初起火灾。
干粉灭火器规格:FMZ1;FMZ2;FMZ3;FMZ4;FMZ5;FMZ8;FMZ20;FMZ35;FMZ50;FMZ70。
按充装物质的不同又可分为碳酸氢钠干粉灭火器和磷酸铵盐干粉灭火器两种。
干粉灭火器主要技术参数:规格:MFZL1;MFZL2;MFZL3;MFZL4;MFZL5;MFZL8;MFZ35灭火级别:A B C喷射滞后时间(s)≤10喷射剩余率(%)≤15使用温度(℃)-20℃~+55℃工作压力(Mpa) 1.2试验压力(Mpa) 2.1干粉灭火器适用范围和使用方法碳酸氢钠干粉灭火器适用于易燃、可燃液体和气以及带电设备的初起火灾;磷酸铵盐干粉灭火器除可用于上述几类火灾外,还可用于扑救固体物质火灾。
但都不适宜扑救轻金属燃烧的火灾。
灭火时,先拨去保险销,一只手握住喷嘴,另一手提起提环(或提把),按下压柄就可喷射。
扑救地面油火时,要采取平射的姿势,左右摆动,由近及远,快速推进。
如在使用前,先将筒体上下颠倒几次,使干粉松动,然后再开气喷粉,则效果更佳。
手提式ABC干粉灭火器维护保养和检查1、平时应放置在干燥通风的地方,防止干粉受潮变质;还要避免日光曝晒和强辐射热,以防失效。
2、存放环境温度在—10~55度C之间。
3、进行定期检查,如发现干粉结块或气量不足,应及时更换灭火剂或充气。
4、一经打开启用,不论是否用守,都必须进行再充装,充装时不得变换品种。
5、灭火器每隔五年或每次再充装前,应进行水压试验,以保证耐压强度,检验合格后方可继续使用。
推车式干粉灭火器的使用方法和维护保养与手提式干粉灭火器相同。
常用灭火器种类及使用方法一、干粉灭火器 - 种类:干粉灭火器通常分为ABC干粉灭火器和BC干粉灭火器两种。
- 使用方法: - 1. 确保灭火器拉销完好,尖端指向火焰。
- 2. 站立位置,压把位于手握末端,使灭火器成倒立状。
- 3. 按压把手把,喷嘴对准火源处,向根部喷射斜向,左右摇臂,直至火灭。
二、二氧化碳灭火器- 种类:二氧化碳灭火器主要有2kg、5kg两种型号。
- 使用方法: - 1. 确保把手完好,指向火焰。
- 2. 向操作杆拉出,灭火器拉索出。
- 3. 向左旋开关,在靠近火源处逐渐推入开关,持续操作至火灭。
三、水基灭火器 - 种类:水基灭火器常见为4L压力水、9L水和6L泡沫水三种。
- 使用方法: - 1. 灭火器拧紧盖子,检查压力表,确保压力正常。
- 2. 拔下保险拉环,提起枪头对准火源。
- 3. 不断扳动开关,在火源表面环绕形成喷射覆盖,约20s停止。
四、二氧化碳灭火球 - 种类:二氧化碳灭火球多为1.2kg和2.3kg两种。
- 使用方法: - 1. 放置在易燃品周边,可手动轻撞触发系统。
- 2. 自动蔓延至火源处,使火灾扩散区域内阻止烟滚燃持,火灾会迅速熄灭。
五、泡沫灭火器 - 种类:主要包括2L、6L泡沫灭火器。
-使用方法: - 1. 灭火器提杆拧紧,保险拉环拔开,按手柄即可使用。
- 2. 喷射模式保持平稳向火源开喷至泡沫覆盖,连续维持压扳至火灭。
六、其它种类灭火器 - 种类:还有如液化气灭火器、氢气灭火器、自动火警系统等多种种类。
- 使用方法:按照不同类型灭火器的规定方法,操作使用。
以上便是常用灭火器的种类及使用方法,希望对您在灭火时有所帮助。
愿您在生活中保持警觉,安全第一!。
灭火器型号
一、4公斤干粉灭火器:
1、型号:MFZ/ABC4
2、意义:手提式干粉灭火器;
3、压力要求:不低于1.0MPa;
二、8公斤干粉灭火器:
1、型号:MFZ8型
三、35公斤干粉灭火器:
1、型号:MFTZL35
四、使用说明
1、灭火级别:2A 55B;
2、灭火剂ABC干粉(磷酸二氢铵53%);(硫酸铵25%)
3、使用温度:-20℃—+55℃;
4、水压试验压力2.1MPa;
5、驱动气体N2 1.2MPa(20℃);
6、灭火剂量:4±0.08kg。
五、注意事项:
1、灭火器应放置在干燥无腐蚀气体场所,不得火烤、爆晒。
2、经常检查灭火器内部压力,发现压力表指针低于绿区应补充驱动气体;
3、拆卸灭火器前,应先旋松器头螺帽,待卸压后方可拆卸。
4、灭火器的维修应由专业部门承担;
5、灭火器一经开启,必须按规定要求时行再充装;
6、灭火器每次再充装前,必须进行2.1MPa水压试验,合格后方可使用。
六、使用方法
1、拨出保险栓;
2、将喷口对准火焰根部;
3、按下压把扫射;
七、适用范围
1、普通固体材料火;
2、可燃液体火;
3、气体和蒸气火;
2011-7-1。
干粉灭火器型号规格干粉灭火器型号规格1、手提贮压式干粉灭火器规格:分为1、2、3、4、5、6、8和10kg八种。
2、推车式干粉灭火器(贮压式,充装ABC式)规格:分为20、25、35、50、70、100kg六种。
干粉灭火器型号规格怎么看根据国家标准,灭火器型号应以汉语拼音大写字母和阿拉伯数字标于筒体。
例如,“mfl2”指的是2kg ABC干粉灭火器。
第一个字代表便携式灭火器。
第二个字母代表灭火剂的种类(F为干粉灭火剂,即BC干粉,T为二氧化碳灭火剂,Y 为卤代烷烃灭火剂,P为泡沫灭火剂,SQ为水灭火剂),后面的阿拉伯数字代表灭火剂的重量或体积,一般单位为每千万元或升。
在我国,通常根据灭火剂的种类、灭火器的重量、加压方式三种分类方法进行分类。
干粉灭火器如何使用1、使用前,检查灭火器的压力是否在正常工作压力范围内。
2、将灭火器的指针置于绿色区域。
灭火器的压力表分为三个颜色区域。
黄色表示压力充足,绿色表示压力正常,红色表示压力有压力。
3、将灭火器抬到远离火源的适当位置,倒置数次,使筒内的干粉松散。
4、然后将喷嘴对准燃烧最剧烈的地方,拉出安全销并按下手柄。
5、打开灭火器时,左手握住灭火器中部,将喷嘴对准火焰根部,右手拔掉保险卡,旋转开启旋钮,打开气瓶,1-4秒干粉就会喷出。
使用干粉灭火器有哪些注意事项1、首先使用干粉灭火器时,要定期检查它的压力,正常情况下,压力位于绿色区域是正常的,反之如果压力在黄色或红色区域都属于不正常,说明压力过大或过小,都会影响灭火器的正常使用,要及时维修的。
此外灭火器的有效期为1至2年,过期就需要更换。
2、其次干粉灭火器要放在干燥的地方,不能离火源或热源很近,否则易产生爆炸危险。
而且灭火器每次使用后,需要送到维修单位检查,进行充装或维修。
3、接着灭火器不管是使用过还是未开封的,只要超过有效期,就需要送到相关单位进行检测压力。
其中手提式和推车式干粉灭火器只要满了一年就要重新做试压检测了。
灭火器命名规则
国家标准规定,灭火器型号应以汉语拼音大写字母和阿拉伯数字标于筒体,如“MF2”等。
其中第一个字母M代表灭火器第二个字母代表灭火剂类型
(F是干粉灭火剂、FL是磷铵干粉、T是二氧化碳灭火剂、Y是卤代烷灭火剂、P是泡沫、QP是轻水泡沫灭火剂、SQ是清水灭火剂),后面的阿拉伯数字代表灭火剂重量或容积,一般单位为每千克或升。
拔掉保险销
滅火器每月定期檢查記錄表
註:
1.附件項目(乾粉、泡沫、CO2):提把、壓板、高壓皮管、壓力表、噴嘴握柄、固定皮
帶環、瓶頭閥、固定螺帽、插梢。
2.檢查項目若為是"V",若為否"X。
4kg干粉灭火器技术参数
4kg干粉灭火器技术参数如下:
1.灭火剂种类:根据上面提到的分类,4kg干粉灭火器可以使用BC干粉灭火剂或ABC干粉灭火剂。
具体种类需要根据灭火器型号和适用场景来确定。
2.灭火器结构:4kg干粉灭火器通常采用手提式或推车式结构。
手提式灭火器便于携带,适用于较小范围的火灾扑救;推车式灭火器适用于较大场所,移动方便。
3.驱动气体:二氧化碳是常用的驱动气体,用于驱动干粉灭火器喷射。
二氧化碳在常温下工作压力为1.5MPa。
4.喷射性能:4kg干粉灭火器的喷射距离一般在10米左右,喷射时间取决于灭火器结构和喷嘴设计。
喷射速率一般在30-60秒内。
5.适用范围:4kg干粉灭火器适用于生产车间、办公室、物资仓库、油库、变配电房、电缆隧道、电缆井、矿井、港口码头、机场机库、石油化工生产及贮存等场所高效扑救A、B、C、E类火灾及烷基D类火灾等。
6.型号编制:根据GB16668-2010《干粉灭火系统及部件通用技术条件》规定,4kg干粉灭火器型号编制方法如下:ZF □□□–□–□。
其中,□代表相应参数,如类别代号、特征代号、主参数(干粉充装质量,kg)、灭火剂种类、灭火剂粒径等。
请注意,具体技术参数可能因不同厂家和型号而有所差异。
在选购干粉灭火器时,请根据实际需求和场所选择合适的产品。
请问MFABC4这是干粉灭火器的型号,每个字母代表什么意
思?
展开全文
灭火器的型是按照《消防产品型号编制方法》的规定编制的
它由类、组、特征代号及主要参数几部分组成
类、组、特征代号用大写汉语拼音字母表示
一般编在型号首位,是灭火器本身的代号
通常用“M”表示。
目前我国灭火器的结构特征有手提式(包括手轮式)、推车式、鸭嘴式、舟车式、背负式五种
其中型号分别用S、T、Z、Z、B
而具体你的MF/ABC4灭火器型号
MF表示的是干粉灭火器,形式号缺省表示是手提示的
即手提式干粉灭火器。
而/后面的分别是灭火器药剂及载量
ABC表示的是磷酸铵盐干粉,可能比较难记,可以换一种说法
这种灭火剂是适用于扑救A类(固体)、B类(液体)、C类(气体)火灾的
而4表示的是灭火器是4公斤的
总体来说
你这只灭火器是4公斤的手提式磷酸铵盐(或称ABC)干粉灭火器
希望对你有所帮助。
[此文档可自行编辑修改,如有侵权请告知删除,感谢您的支持,我们会努力把内容做得更好]灭火器种类及分类1、二氧化碳灭火器①手提式二氧化碳灭火器详解灭火器规格型号灭火器的几大种类标记示例:规格:分为2公斤、3公斤、5公斤、7公斤4种②推车式二氧化碳灭火器详解灭火器规格型号灭火器的几大种类标记示例:规格:分为12(20)24kg三种。
2、干粉灭火器①手提贮压式干粉灭火器详解灭火器规格型号灭火器的几大种类标记示例:规格:分为1、2、(3)、4、5、(6)、8和10kg八种。
②推车式干粉灭火器(贮压式,充装ABC干粉灭火剂)详解灭火器规格型号灭火器的几大种类标记示例:注:充装BC干粉时省略L符号规格:分为(20)、25、35、50、70种100Kg六种。
干粉灭火剂:50%的磷酸二氢胺、25%的硫酸铵(氮气充压)3、泡沫灭火器手提式机械泡沫灭火器详解灭火器规格型号灭火器的几大种类标记示例:规格分为3L、(4L)、6L、9L四种注:1、预混型,机械泡沫灭火剂原液与清水,预先按比例混合后,一起装入灭火器内;2、分装型:机械泡沫灭火剂原液与清水,在灭火器内分别封装,在使用时两种液体才按比例混合;3、贮压式灭火器装有显示内部压力的装置(压力表)。
4、灭火剂:AFFF,是水成膜泡沫灭火剂(又叫泡沫灭火剂)的英文缩写,它的组成是碳氢表面活性剂、氟碳表面活性剂、阻燃剂和助剂(氮气充压)水基型灭火器又分为:水基型泡沫灭火器(适用于AB类火灾)、水基型喷雾灭火器(适用于ABCEF类火灾)。
(厂区不使用的灭火器):洁净气体灭火器一种是七氟丙烷灭火剂:它的灭火机理是在高温下通过灭火剂的热分解产生含氟的自由基,与燃烧反应过程中产生支链反应的氢离子、氢氧根离子、氧离子活性自由基发生气相作用,从而抑制燃烧过程中化学反应来实施灭火,灭火速度极快。
另一种是IG541,是氮气、氩气和二氧化碳以52:40:8的体积比例混合而成的一种灭火剂,它的三个组成成分均为大气基本成分。
类组代号特征代号含义主要参数名称单位灭火器M(灭)水S(水)MSMSQ酸碱清水,Q(清)手提式酸碱灭火器手提式清水灭火器灭火剂充装量L泡沫P(泡)MPMPZMPT手提式舟车式,Z(舟)推车式,T(推)手提式泡沫灭火器舟车式泡沫灭火器推车式泡沫灭火器L干粉F(粉)MFMFBMFT手提式背负式,B(背)推车式,T(推)手提式干粉灭火器背负式干粉灭火器推车式干粉灭火器kg二氧化碳T(碳)MTMTZMTT手提式鸭嘴式,Z(嘴)推车式,T(推)手提式二氧化碳灭火器鸭嘴式二氧化碳灭火器推车式二氧化碳灭火器kg1211Y(1)MYMYT手提式推车式手提式推车式1211灭火器kg(2)灭火器配置设计图例灭火器适用灭火对象、规格与灭火级别灭火器类型灭火剂充装量灭火器类型规格代码(型号)灭火级别及使用对象容量/L质量/kgA类B类C类D类E类ABCE水型手提式3MS/Q31A×××××MS/T3 55B6MS/Q61A×MS/T6 55B9MS/Q92A×MS/T9 89B推车20 MST20 4A ×××××注:①O表示“适用对象”;▲表示“精密仪器设备不宜选用”;×表示“不用”。
灭火器类型适用性注:①新型的添加了能灭B类火灾的添加剂的水型灭火器具有B类灭火级别,可灭B类火灾。
②化学泡沫灭火器已淘汰;目前抗溶泡沫灭火器常用机械泡沫类型灭火器。
③D类火灾在我国目前还没有定型的灭火器产品,可采用干砂或铸铁屑末来替代。
灭火器检查内容灭火器的维修与报废期限。
推车式干粉灭火器35型标准这推车式干粉灭火器35型啊,就像是个超级英雄,守护着咱们的安全呢。
它的重量那可是有标准的哦。
你想啊,要是太轻了,里面的干粉不够,真遇到火灾了,那可咋整呀?就像个小娃娃,还没长大就被拉去打仗,肯定不行。
要是太重了呢,推起来累死人,那也不合适。
这35型的重量,就是经过精心考量的,刚刚好,就像给它量身定制了一套合适的衣服。
再说说它的压力标准。
这个压力就像是灭火器的精气神。
压力合适的时候,它就像个充满活力的小青年,随时准备冲锋陷阵。
要是压力不够呢,就像个没吃饱饭的小可怜,喷粉的时候有气无力的,那可不能有效地扑灭火灾。
压力太大也不行哦,就像个脾气暴躁的家伙,容易出危险。
所以啊,这压力的标准得严格遵守,这样咱们的灭火器才能在关键时刻靠得住。
还有它的干粉质量标准。
干粉就像是灭火器的武器弹药。
这干粉的质量得好呀,要是质量不好,就像拿了一把破剑去打仗,能行吗?好的干粉,细腻均匀,就像面粉一样,但是可不能吃哦。
它的灭火能力可强啦,遇到火苗就像小怪兽遇到奥特曼,一下子就能把火给制住。
这推车式干粉灭火器35型的喷射距离也有标准呢。
喷射距离得合适,要是太短了,就像个近视眼,只能看到眼前的火,远处的火就没办法了。
要是太长了呢,又不好控制,就像个调皮的孩子,到处乱跑。
合适的喷射距离,能让消防员或者咱们普通人在安全的距离内有效地灭火。
它的操作也得符合标准。
操作简单易懂才好,毕竟不是每个人都是灭火专家。
就像玩游戏一样,得有个简单的操作指南,让大家一学就会。
这样在紧急时刻,谁都能快速上手,把这个“灭火英雄”派上用场。
咱们得把这些标准都牢记在心呀。
这可不是小事儿,这关系到咱们的生命财产安全呢。
就像家里养的小宠物,得好好照顾它,让它随时保持最佳状态,这样在火灾这个大恶魔来的时候,它就能大显身手啦。
希望大家都能重视起来,可别小瞧了这个推车式干粉灭火器35型的标准哦。
干粉式灭火器型号
我们常用的干粉灭火器以液态二氧化碳或氮气作为动力,将灭火器内干粉灭火药剂喷出而进行灭火。
今天我国灭火器的型号编制是由类、组、特征代号和主参数四个部分组成。
类、组、特征代号用汉语拼音字母表示具有代表性的字头。
主参数是灭火剂的充装量。
干粉灭火器按充入的干粉药剂分类,有碳酸氢钠干粉灭火器,也称BC干粉灭火器;磷酸铵盐干粉灭火器,也称ABC干粉灭火器;按加压方式分类有储气瓶式和储压式;按移动方式分类有手提式和推车式。
手提式干粉灭火器
手提式干粉灭火器按充装的干粉药剂量有1、2、3、4、5、6、8、10kg等8种。
其型号有MF1、MF2、MF3、MF4、MF5、MF6、MFS、MFl0。
M代表灭火器,F代表干粉,而数字代表充入干粉剂的重量。
手提式干粉灭火器的使用方法是灭火时,可手提或肩扛灭火器奔向火场,在燃烧处5m左右,选择上风位置,一手紧握喷粉胶管,一手打开开启装置喷射。
若是外挂式储气瓶干粉灭火器,操作者提起储气瓶上的开启提环;内置式储气瓶或储压式,操作者应先将开启把上的保险销拨下,然后将开启压把压下。
MFT型推车式干粉灭火器
MFT型推车式干粉灭火器按干粉灭火剂充装量分有20、25、35、50、70、100kg 6种;按加压气体储气方式分有储气瓶式和储压式两
种;按干粉灭火药剂种类分有碳酸氢钠干粉灭火器和磷酸铵盐干粉灭火器。
推车式干粉灭火器的使用方法是将灭火器推到起火地点,一人迅速打开喷粉胶管转盘,使喷粉软管完全展开,紧握喷枪对准燃烧处;另一人则迅速拨下保险销,提起拉环,使干粉药剂喷出。
干粉灭火器适用扑救石油、可燃液体、可燃气体、可燃固体物质的初期火灾。
这种灭火器由于灭火速度快、灭火效力高,广泛应用于石油化工企业。
警示:干粉灭火器扑救可燃、易燃液体火灾时,应对准火焰根部扫射。
如被扑救的液体火灾呈流淌状燃烧,应对准火焰根部由近而远,并左右扫射,直至把火焰全部扑灭;如可燃液体在容器内燃烧,应对准火焰根部左右晃动扫射,使干粉雾流覆盖容器开口表面。
切不能将喷嘴直接对准液面喷射,防止喷流冲击力将可燃液体溅出容器造成火势蔓延扩大。