岩石普氏分类对照表
- 格式:docx
- 大小:44.13 KB
- 文档页数:7
岩石普氏硬度系数表按普氏硬度系数划分的硬度等级针对不同矿石硬度,它们的用途也各不相同,比如以下几种矿石:1、砂岩石英含量较高,在砂石生产线中应用较为广泛,在生产中要解决石粉的问题。
2、河卵石河卵石也是一种优质的的制砂原料,在强度、粒型、色度方面,是替代天然砂的最佳选择。
3、石英砂岩石英砂岩是制砂的优质原材料,无论在强度还是粒型上都能达到甚至优于天然砂。
4、石灰石在砂石生产线中可同时作为砂、石子的原材料,同时石粉还可以再利用。
5、花岗岩石英含量高,硫化物含量低的花岗岩是制砂的优质原材料,但要解决粉的问题。
6、玄武岩玄武岩制成的砂搀在混凝土里,可以使混凝土重量减轻,但仍很坚固,同时有隔音、隔热等特点,是高层建筑轻质混凝土的良好骨料。
鹅卵石制砂机用于各种中等硬度固体物料的细碎,在水泥工业中,细碎石灰石、石膏、熟料、混合材等。
还可细碎磷化钙、白云石、珍珠岩矿等。
能广泛用于建材、化肥、采矿及耐火材料等工业部门。
鹅卵石制砂机主要性能特点:鹅卵石制砂机具有产品粒度细,破碎比大,产量高,采用高铬耐磨材质为磨损件,更换容易,便于检修,运转平稳等特点。
推广应用各单位均取得了明显的经济效益。
各种硬度的对应关系:莫氏硬度布氏硬度维氏硬度洛氏硬度(HRC)肖氏硬度5 285 300 28.5 426 524 609 56.0 737 620 800 63.3 868 ---- 1150 ---品名水泥熟料高炉矿渣钢渣石膏煤矸石石灰石500-650 550-700 500-600 60-100 220-330 250-400 显微硬度(HV)洛氏硬度50-58 52-60 50-55 <20 20-36 24-42 (HRC)备注:显微硬度HV值,是根据黑色金属硬度对照表中洛氏硬度HRC值推算的,供参考。
物料硬度(欧版梯形磨粉机)李固成网载于2014/6/25。
土壤及岩石(普氏)分类表岩体类别在编写原则中,关于岩土爆破工程的土壤及岩石分类仍按建设部《全国统一建筑工程基础定额》中的土壤及岩石(普氏)分类表执行。
2003年颁布实施的国家标准《建设工程工程量清单计价规范》GB50500-2003规定采用的就是上述《土壤及岩石分类表》,1988年《全国统一城镇控制爆破工程、硐宝大爆破工程预算定额》也是采用此分类表。
因此,编制全国统一爆破工程消耗量定额也决定采用该分类表。
该表已为国内建筑工程与爆破界所公认,不仅可以确定工程所在岩石的开挖方法、判断岩石爆破的难易程度,而且可以作为计算承包工程单价、编制招投标的依据。
建国以来,我国科技工作者对岩石在分类分级进行过大量工作。
如东北工学院,科学院工程地质研究所等。
东北大学进行了岩石可爆性与稳定性的研究,提出了分级方法。
其中岩石的可爆性分级是以能量平衡为准则,根据标准条件下爆破漏中体积、大块率、小块率、平均合格率试验数据以及岩石波阻抗,计算出岩石可爆性指数,提出分级表。
共分为:易爆、中等可爆、难爆、很难爆、极端难爆五个等级。
虽经过冶金部组织通过技术鉴定,但未成为全国公认的分级表,未能推广纳入爆破定额。
但可供研究参考。
我国工程地质科学工作者(科学院地质所等)为了建立统一评价工程岩爆稳定性的分级标准,为岩土工程建设的勘察、设计、施工和编制定额提供必要的基本依据,经过多年研究并制定颁布了我国工程岩体分级标准(GB50218-94)。
不仅可以确定爆破岩体的基本质量级别,还可用于判断岩体爆破的难易程度。
(岩体基本质量级别分为Ⅰ、Ⅱ、Ⅲ、Ⅳ、Ⅴ)级,岩石坚硬程度的定性划分为硬质岩,软质岩两类5级;岩体完整程度的定性划分为:完整、较完整、较破碎、极破碎五级。
(可参考现代公路工程爆破P.79-88)。
土壤及岩石(普氏)分类表土壤及岩石(普氏)分类表摘自中国工程爆破协会网协会副理事长周家汉的(《全国统一爆破工程消耗量定额》编制工作会议上的讲话)岩体类别在编写原则中,关于岩土爆破工程的土壤及岩石分类仍按建设部《全国统一建筑工程基础定额》中的土壤及岩石(普氏)分类表执行。
在露天、地下、硐室、水下等石方爆破工程中,都有岩体分类问题。
在过去的爆破定额中,均采用前苏联的土壤及岩石分类表(普氏岩石强度系数)把土壤和岩石共划分为五级:Ⅰ-Ⅳ为土壤类;Ⅴ为松石(软石);Ⅵ-Ⅷ为次坚石;Ⅸ- X为普坚石;Ⅺ-ⅩⅥ为特坚石,每一级都有土壤岩石名称和物理力学性质指标。
在爆破工程的预算定额中过去均采用后四段,即松石、次坚石、普坚石和特坚石,而且已往已有较多的定额参考资料。
2003年颁布实施的国家标准《建设工程工程量清单计价规范》GB50500-2003规定采用的就是上述《土壤及岩石分类表》,1988年《全国统一城镇控制爆破工程、硐宝大爆破工程预算定额》也是采用此分类表。
因此,编制全国统一爆破工程消耗量定额也决定采用该分类表。
该表已为国内建筑工程与爆破界所公认,不仅可以确定工程所在岩石的开挖方法、判断岩石爆破的难易程度,而且可以作为计算承包工程单价、编制招投标的依据。
建国以来,我国科技工作者对岩石在分类分级进行过大量工作。
如东北工学院,科学院工程地质研究所等。
东北大学进行了岩石可爆性与稳定性的研究,提出了分级方法。
其中岩石的可爆性分级是以能量平衡为准则,根据标准条件下爆破漏中体积、大块率、小块率、平均合格率试验数据以及岩石波阻抗,计算出岩石可爆性指数,提出分级表。
共分为:易爆、中等可爆、难爆、很难爆、极端难爆五个等级。
虽经过冶金部组织通过技术鉴定,但未成为全国公认的分级表,未能推广纳入爆破定额。
但可供研究参考。
我国工程地质科学工作者(科学院地质所等)为了建立统一评价工程岩爆稳定性的分级标准,为岩土工程建设的勘察、设计、施工和编制定额提供必要的基本依据,经过多年研究并制定颁布了我国工程岩体分级标准(GB50218-94)。
岩石普氏硬度人们在长期的实践中认识到,有些岩石不容易破坏,有一些则难于破碎。
难于破碎的岩石一般也难于凿岩,难于爆破,则它们的硬度也比较大,概括的说就是比较坚固。
因此,人们就用岩石的坚固性这个概念来表示岩石在破碎时的难易程度。
坚固性的大小用坚固性系数来表示又叫硬度系数,也叫普氏硬度系数(f值)。
坚固性系数f=R/100 (R单位kg/cm2)式中R——为岩石标准试样的单轴极限抗压强度值。
通常用的普氏岩石分及法就是根据坚固性系数来进行岩石分级的。
如:①极坚固岩石f=15~20(坚固的花岗岩,石灰岩,石英岩等)②坚硬岩石f=8 ~10(如不坚固的花岗岩,坚固的砂岩等)③中等坚固岩石f=4 ~6 (如普通砂岩,铁矿等)④不坚固岩石f=0.8~3 (如黄土、仅为0.3)矿岩的坚固性也是一种抵抗外力的性质,但它与矿岩的强度却是两种不同的概念。
强度是指矿岩抵抗压缩,拉伸,弯曲及剪切等单向作用的性能。
而坚固性所抵抗的外力却是一种综合的外力。
(如抵抗锹,稿,机械碎破,炸药的综合作用力)。
还有一种常用硬度分级叫莫氏硬度,是表示矿物硬度的一种标准。
1812年由德国矿物学家莫斯首先提出。
莫氏硬度:应用划痕法将棱锥形金刚钻针刻划所试矿物的表面而发生划痕,用测得的划痕的深度分十级来表示硬度:滑石(talc) 1(硬度最小)石膏(gypsum) 2方解石(calcite) 3萤石(fluorite) 4磷灰石(apatite) 5正长石(feldspare) 6石英(quartz) 7黄玉(topaz) 8刚玉(corundum) 9金刚石(diamond) 10(硬度最大)教你如何用WORD文档(2012-06-27192246)转载▼标签:杂谈1. 问:WORD 里边怎样设置每页不同的页眉?如何使不同的章节显示的页眉不同?答:分节,每节可以设置不同的页眉。
文件――页面设置――版式――页眉和页脚――首页不同。
2. 问:请问word 中怎样让每一章用不同的页眉?怎么我现在只能用一个页眉,一改就全部改了?答:在插入分隔符里,选插入分节符,可以选连续的那个,然后下一页改页眉前,按一下“同前”钮,再做的改动就不影响前面的了。
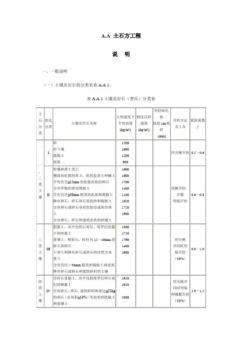
A.A 土石方工程说明一、一般说明(一)土壤及岩石的分类见表A.A-1。
表A.A-1土壤及岩石(普氏)分类表(二)土石方体积应按挖掘前的天然密实体积计算。
如需按天然密实体积折算时,应按表A.A-2系数计算。
表A.A-2土石方体积折算系数表(三)挖土方平均厚度应按自然地面测量标高至设计地坪标高间的平均厚度确定。
基础土方、石方开挖应按基础垫层底表面标高至交付施工场地标高确定;无交付施工场地标高时,应按自然地面标高确定。
(四)“土石方回填”项目中的“夯填”适用于沟槽回填、室内回填。
(五)土石方场外运输应按本章有关项目计算。
(六)桩间挖土方工程量不扣除桩所占体积,按每根桩增加普工0.6工日计算。
(七)土石方均未包括在地下水位以下施工的排水费用。
二、土方工程(一)建筑物场地厚度≤±30cm的挖、填、运、找平,应按A.A.1中平整场地项目计算。
厚度>±30cm的竖向布置挖土或山坡切土,应按A.A.1中挖土方项目计算,按竖向布置(超过30cm的挖、填土方,用方格网控制挖填至设计标高就叫按竖向布置挖填土方)进行挖填土方时,不得再计算平整场地的工程量。
(二)挖基础土方包括带形基础、独立基础及设备基础、人工挖孔桩等的挖方,满堂基础按挖土方项目计算。
(三)挖土方、沟、槽定额均按干湿土综合编制。
(四)沟槽、基坑深度超过6m时,按深6m定额乘以系数1.2计算;超过8m以外者,按深6m定额乘以系数1.6计算。
(五)机械挖运淤泥时,按机械挖运土方定额乘以系数1.5。
(六)有关项目的说明1.“平整场地”项目适用于建筑场地厚度≤±30cm的挖、填、运、找平。
应注意:(1)可能出现厚度≤±30cm的全部是挖方或全部是填方,需外运土方或借土回填时,在工程量清单项目中应描述弃土运距(或弃土地点)或取土运距(或取土地点),这部分的运输不包括在“平整场地”项目内。
(2)不论机械或人工平整场地,均按本项目计算。
土壤及岩石(普氏)分类表摘自中国工程爆破协会网协会副理事长周家汉的(《全国统一爆破工程消耗量定额》编制工作会议上的讲话)岩体类别在编写原则中,关于岩土爆破工程的土壤及岩石分类仍按建设部《全国统一建筑工程基础定额》中的土壤及岩石(普氏)分类表执行。
在露天、地下、硐室、水下等石方爆破工程中,都有岩体分类问题。
在过去的爆破定额中,均采用前苏联的土壤及岩石分类表(普氏岩石强度系数)把土壤和岩石共划分为五级:Ⅰ-Ⅳ为土壤类;Ⅴ为松石(软石);Ⅵ-Ⅷ为次坚石;Ⅸ- X为普坚石;Ⅺ-ⅩⅥ为特坚石,每一级都有土壤岩石名称和物理力学性质指标。
在爆破工程的预算定额中过去均采用后四段,即松石、次坚石、普坚石和特坚石,而且已往已有较多的定额参考资料。
2003年颁布实施的国家标准《建设工程工程量清单计价规范》GB50500-2003规定采用的就是上述《土壤及岩石分类表》,1988年《全国统一城镇控制爆破工程、硐宝大爆破工程预算定额》也是采用此分类表。
因此,编制全国统一爆破工程消耗量定额也决定采用该分类表。
该表已为国内建筑工程与爆破界所公认,不仅可以确定工程所在岩石的开挖方法、判断岩石爆破的难易程度,而且可以作为计算承包工程单价、编制招投标的依据。
建国以来,我国科技工作者对岩石在分类分级进行过大量工作。
如东北工学院,科学院工程地质研究所等。
东北大学进行了岩石可爆性与稳定性的研究,提出了分级方法。
其中岩石的可爆性分级是以能量平衡为准则,根据标准条件下爆破漏中体积、大块率、小块率、平均合格率试验数据以及岩石波阻抗,计算出岩石可爆性指数,提出分级表。
共分为:易爆、中等可爆、难爆、很难爆、极端难爆五个等级。
虽经过冶金部组织通过技术鉴定,但未成为全国公认的分级表,未能推广纳入爆破定额。
但可供研究参考。
我国工程地质科学工作者(科学院地质所等)为了建立统一评价工程岩爆稳定性的分级标准,为岩土工程建设的勘察、设计、施工和编制定额提供必要的基本依据,经过多年研究并制定颁布了我国工程岩体分级标准(GB50218-94)。
一、人工土石方1、1、土壤分类:详见“土壤、岩石分类表”表列I、II类为定额中一、二类土壤(普通土);III类为定额中三类土壤(坚土);W类为定额中四类土壤(砂砾坚土)。
人工挖土方、地槽、地坑定额深度最深为6M,超过6M 时,可另作补充定额。
2、2、人工土方定额是按干土编制的,如挖湿土时,人工乘以系数1.18。
干湿土的划分,应根据地质勘测资料以地下常水位为准划分,地下常水位以上为干土,以下为湿土。
人工土方定额,深度在8M以内时,按6M以内的相应项目基价乘系数1.15;深度在10M以内时,乘系数1.30。
3、3、本定额未包括地下水位以下施工的排水费用,发生时另行计算。
4、4、本定额未包括工作以外运输路面维修、养护、城区环保清洁费、挖方、填方区的障碍清理,铲草皮、挖淤泥、堰塘排水等内容,发生时应另行计算。
5、5、在有挡土板支撑下挖土方时,按实挖体积,人工乘以系数1.43。
6、6、挖桩间土方时,按实挖体积(扣除桩体占用体积),人工乘以系数1.50。
7、7、场地按竖向布置挖填土方时,不再计算平整场地的工程量。
8、8、石方爆破定额是按炮眼法松动爆破编制的,不分明炮、闷炮。
但闷炮的履盖材料应另行计算。
9、9、石方爆破定额是按电雷管导电起爆编制的,如采用火雷管爆破时,雷管应换算,数量不变。
扣除定额中的胶质导线,换为导火索,导火索的长度按每个雷管2.12M计二、机械土石方1、1、岩石分类,详见“土壤、岩石分类表”表列V类为定额中松石;W—训类为定额中次坚石;IX、X、类为定额中普坚石;XI、XH类为物坚石。
2、2、推土机推土、推石碴,铲运机铲运土重车上坡时,如果坡度大于5%时,3、3、汽车、人力车,重车上坡降效因素,已综合在相应的运输定额项目中,不再另行计算。
4、4、机械挖土石方工程量,按施工组织设计分别计算机械和人工挖土工程量。
无施工组织设计时可按机械挖土方90%,人工挖土方10%计算,(人工挖土部分按相应定额项目人工乘系数2.0)。
普氏岩石分类级别坚硬程度岩石特征普氏系数f单向抗压强度R/MPa内摩擦角松散系数KⅠ极硬岩石极硬、极致密和人性最大的石英岩和玄武岩,及其他特坚硬的岩石20 200 87082.2Ⅱ很硬岩石很硬的花岗岩、石英斑岩硅质页岩,比上述石英岩略弱的石英岩,最硬的砂岩和石灰岩15 150 86112.2Ⅲ硬岩石花岗岩(紧密的)、花岗质岩石,很硬的砂岩和石灰岩,石英质矿脉,很硬的砾岩,很硬的铁矿石10 100 84182.2Ⅲ硬岩石石灰岩(坚硬的),不硬的花岗岩,硬的砂岩,硬大理岩,黄铁矿,白云岩8 80 82182.0Ⅳ相当硬的岩石普通砂岩,铁矿石 6 60 80322.0Ⅳ相当硬的岩石砂质页岩,片状砂岩 5 50 78412.0Ⅴ中硬岩石硬质粘土质片岩,不坚硬的砂岩和石灰岩,软的砾岩4 40 75582.0Ⅴ中硬岩石各种不坚硬的页岩、致密的泥灰岩 3.0 30 71341.8Ⅵ相当软的岩石软片岩、软质灰岩,白垩、岩盐、石膏、冻结土、无烟煤,普通泥灰2.0 20 63261.6~1.7岩,破碎的砂岩、胶结的卵石和砂砾岩,掺石土Ⅵ相当软的岩石碎石土,破碎的页岩,结块的卵石和碎石,坚硬的煤,硬化粘土1.5 56191.4~1.5Ⅶ软岩石致密的粘土、中硬的煤,硬的冲积土,粘土质土壤1.0 45001.3~1.4Ⅶ软岩石轻砂质粘土,黄土、砾石,软煤(f=0.6~1)0.8 38401.25~1.35Ⅷ土质岩石腐殖土、泥煤,轻砂质粘土,湿砂0.6 35001.2~1.3Ⅸ松软岩石砂、岩屑、小砾石、堆积土,松散土,开采出的煤0.5 30581.1~1.2Ⅹ流沙性岩石流砂,沼泽土,含水黄土,其他含水土壤(f=0.1~0.3)0.3 16421.05注:引自《采矿工程设计手册》煤炭工业出版社,2003.5。
土壤分类表(普氏)一、人工土石方1、土壤分类:详见“土壤、岩石分类表”。
表列Ⅰ、Ⅱ类为定额中一、二类土壤(普通土);Ⅲ类为定额中三类土壤(坚土);Ⅳ类为定额中四类土壤(砂砾坚土)。
人工挖土方、地槽、地坑定额深度最深为6M,超过6M时,可另作补充定额。
2、人工土方定额是按干土编制的,如挖湿土时,人工乘以系数1.18。
干湿土的划分,应根据地质勘测资料以地下常水位为准划分,地下常水位以上为干土,以下为湿土。
人工土方定额,深度在8M以内时,按6M 以内的相应项目基价乘系数1.15;深度在10M以内时,乘系数1.30。
3、本定额未包括地下水位以下施工的排水费用,发生时另行计算。
4、本定额未包括工作以外运输路面维修、养护、城区环保清洁费、挖方、填方区的障碍清理,铲草皮、挖淤泥、堰塘排水等内容,发生时应另行计算。
5、在有挡土板支撑下挖土方时,按实挖体积,人工乘以系数1.43。
6、挖桩间土方时,按实挖体积(扣除桩体占用体积),人工乘以系数1.50。
7、场地按竖向布置挖填土方时,不再计算平整场地的工程量。
8、石方爆破定额是按炮眼法松动爆破编制的,不分明炮、闷炮。
但闷炮的履盖材料应另行计算。
9、石方爆破定额是按电雷管导电起爆编制的,如采用火雷管爆破时,雷管应换算,数量不变。
扣除定额中的胶质导线,换为导火索,导火索的长度按每个雷管2.12M计算。
二、机械土石方1、岩石分类,详见“土壤、岩石分类表”。
表列Ⅴ类为定额中松石;Ⅵ—Ⅷ类为定额中次坚石;Ⅸ、Ⅹ、类为定额中普坚石;Ⅺ、Ⅻ类为物坚石。
2、推土机推土、推石碴,铲运机铲运土重车上坡时,如果坡度大于5%时,其运距按坡度区段斜长乘以下列系数计算。
3、汽车、人力车,重车上坡降效因素,已综合在相应的运输定额项目中,不再另行计算。
4、机械挖土石方工程量,按施工组织设计分别计算机械和人工挖土工程量。
无施工组织设计时可按机械挖土方90%,人工挖土方10%计算,(人工挖土部分按相应定额项目人工乘系数2.0)。
土壤及岩石(普氏)分类表在露天、地下、硐室、水下等石方爆破工程中,都有岩体分类问题。
在过去的爆破定额中,均采用前苏联的土壤及岩石分类表(普氏岩石强度系数)把土壤和岩石共划分为五级:Ⅰ-Ⅳ为土壤类;Ⅴ为松石(软石);Ⅵ-Ⅷ为次坚石;Ⅸ- X为普坚石;Ⅺ-ⅩⅥ为特坚石。
定额分类普氏分类土壤及岩石名称天然湿度下平均容重极限压碎强度用轻钻孔机钻进1m开挖方法及工具紧固系数Kg/m3 Kg/cm2 min f一、二类土壤Ⅰ砂1500--用尖锹开挖0.5~0.6 砂壤土1600腐殖土1200泥炭600Ⅱ轻壤土和黄土类土1600--用锹开挖并少数用镐开挖0.6~0.8潮湿而松散的黄土,软的盐渍土和碱土1600平均15MM以内的松散而软的砾石1700含有草根的密实腐殖土1400--用尖锹开挖并少数用镐开挖0.6~~0.8含有直径在30MM以内根类的泥炭和腐殖土1100掺有卵石、碎石和石屑的砂和腐殖土1650含有卵石、或碎石杂质的胶结成块的填土1750含有卵石、碎石和建筑料杂质的砂壤土1900三类土壤Ⅲ肥粘土其中包括石炭纪、侏罗纪的粘土和冰粘土1800--用尖锹并同时用镐和撬棍开挖(30%)0.81~1.0重壤土、粗砾石、粒径为15-40MM的碎石或卵石1750干黄土和掺有碎石或卵石的自然含水量黄土1790含有直径大于30MM根类的腐殖土或泥炭1400掺有碎石或卵石和建筑碎料的土壤1900四类土壤Ⅳ土含碎石重粘土,其中包括石炭纪、侏罗纪的硬粘土1950 --用尖锹并同时用镐和撬棍开挖1.0~1.5含有碎石、卵石、建筑碎料和重达25kg的顽石(总体积10%以内)等杂质的肥粘土和重壤土1950冰碛粘土,含有重量在50kg以内的巨砾,其含量为总体积10%以内2000 泥板岩2000 不含或含有重量达10kg的顽石1950松石Ⅴ含有重量在50kg以内的巨砾(占体积10%以上)的冰碛石2100小于200 -部分用手凿工具、部分用爆破米开挖1.5~1.2 矽藻岩和软白垩岩1800胶结力弱的砾岩1900各种不坚实的版岩2600石膏2200次坚石Ⅵ凝灰岩、和浮石1100200~400 3.5用风镐的爆破法来开挖2~4 灰岩多孔和裂隙严重的石灰岩和介质石灰岩1200中等硬变的片岩2700中等硬变的泥灰岩2300Ⅶ石灰石胶结的带有卵石和沉积岩的砾石2200400~600 6.0 用爆破方法开挖 4~6 风化的和有大裂缝的粘土质砂岩2000坚实的泥板岩2800坚实的泥灰岩2500Ⅷ砾质花岗岩2300600~800 8.5 用爆破方法开挖 6~8 泥灰质石灰岩2300粘土质砂岩2200砂质云片岩2300硬石膏2900普坚石Ⅸ严重风化的软弱的花岗岩、片麻岩和正长岩2500800~1000 11.5 用爆破方法开挖 8~10 滑石化的蛇纹岩2400致密的石灰岩2500含有卵石、沉积岩的碴质胶结的砾岩2500砂岩2500砂质石灰灰质片岩2500普坚石Ⅹ白云石27001000~ 2000 15.0用爆破方法开挖10~12 坚固的石灰岩2700大理岩2700 石灰岩质胶结的致密砾石2600 坚固的砂质片岩2600特坚石Ⅺ粗花岗岩28001200~ 1400 18.5用爆破方法开挖12~14 非常坚硬的白云岩2900蛇纹岩2600石灰质胶结的含有火成岩之卵石的砾石2800石英胶结的坚固砂岩2700粗粒正长岩2700Ⅻ具有风化痕迹的安山岩和玄武岩27001400~ 1600 22.0用爆破方法开挖14~16 片麻岩2600非常坚固的石灰岩2900硅质胶结的含有火成岩之卵石的砾岩2900粗石岩2600ⅩⅢ中粒花岗岩31001600~ 1800 27.5用爆破方法开挖16~18 坚固耐用的片麻岩2800辉绿岩2700玢岩2500坚固的粗面岩2800中粒正长岩2800ⅩⅥ非常坚硬的细粒花岗岩33001800~ 2000 32.5用爆破方法开挖18~20 花岗岩麻岩2900闪长岩2900高硬度的石灰岩3100坚固的玢岩2700ⅩⅤ安山岩、玄武岩、坚固的负页岩31002000~ 2500 46.0用爆破方法开挖20~25 高硬度的辉绿岩和闪长岩2900坚固的辉长岩和石英岩2800ⅩⅥ拉长玄武岩和橄榄玄武岩3300大于2500小于60用爆破方法开挖大于 25。