转子动平衡标准
- 格式:doc
- 大小:43.50 KB
- 文档页数:2
转子动平衡标准转子动平衡是指在旋转机械设备中,通过对转子进行合理设计和精密加工,使其在高速旋转过程中不产生过大的振动和不平衡力,以确保设备的安全运行和性能稳定。
转子动平衡标准是对转子动平衡质量进行评定和规范的依据,对于各类旋转机械设备的设计、制造和维护具有重要意义。
首先,转子动平衡标准的制定是基于对转子动平衡的理论研究和实践经验总结的基础上进行的。
标准的制定需要考虑到转子的类型、结构、工作条件、旋转速度等因素,以及对振动和不平衡力的限制要求,因此标准的制定需要充分考虑到各种因素的综合影响,以确保标准的科学性和实用性。
其次,转子动平衡标准的内容主要包括对转子动平衡质量的评定要求和测试方法的规定。
在转子动平衡质量的评定要求方面,标准通常包括对转子不平衡量的限制要求,以及对不同转子类型和工作条件下的不平衡量的分类和标准数值的规定。
在测试方法的规定方面,标准通常包括对转子动平衡测试的设备、工艺和程序的要求,以及对测试结果的评定和处理方法的规定。
另外,转子动平衡标准的应用范围涵盖了各种旋转机械设备,包括发动机、电机、风机、泵等。
这些设备在工作过程中需要保持稳定的运行状态,因此对转子动平衡的要求非常严格。
标准的制定和应用可以有效地指导和规范旋转机械设备的设计、制造和维护,提高设备的安全性和可靠性。
最后,转子动平衡标准的国际化和标准化是当前的发展趋势。
随着全球经济一体化的进程,各国之间的贸易和合作日益频繁,因此需要建立统一的转子动平衡标准,以便更好地满足全球市场的需求。
同时,国际化的标准化还可以促进技术的交流和共享,推动转子动平衡技术的进步和发展。
总的来说,转子动平衡标准是对转子动平衡质量进行评定和规范的依据,具有重要的指导意义和实际应用价值。
标准的科学制定和有效应用可以有效地提高旋转机械设备的安全性和可靠性,促进技术的进步和发展。
因此,我们应该重视转子动平衡标准的研究和应用,不断完善和推广标准化工作,为旋转机械设备的发展做出更大的贡献。
转子动平衡国家标准转子动平衡是指在旋转机械中,为了减少振动和噪音,提高设备运行的稳定性和安全性,需要对转子进行动平衡处理。
转子动平衡国家标准是对转子动平衡技术和方法进行规范,以确保转子动平衡的有效性和可靠性。
本文将对转子动平衡国家标准进行介绍和解析,以便读者更好地理解和应用该标准。
首先,转子动平衡国家标准主要包括了转子动平衡的基本原理、技术要求、平衡方法和平衡设备等内容。
其中,转子动平衡的基本原理是通过在转子上添加试重块,使得转子在旋转时振动达到最小值,从而实现动平衡。
技术要求包括了对转子质量、转子几何形状、转子支撑刚度和转子支撑阻尼等方面的要求。
平衡方法则是指在实际操作中,如何根据转子的振动特性和试重块的位置来进行动平衡处理。
平衡设备则是指用于进行转子动平衡处理的设备和工具,包括平衡机、试重块和测量仪器等。
其次,转子动平衡国家标准的制定和实施对于提高转子动平衡的技术水平和标准化程度具有重要意义。
通过遵循国家标准,可以确保转子动平衡处理的准确性和可靠性,减少设备运行过程中的振动和噪音问题,延长设备的使用寿命,提高设备的安全性和稳定性。
同时,国家标准的实施也有利于促进转子动平衡技术的发展和推广,提高行业内从业人员的技术水平和专业素养,推动整个行业的健康发展。
最后,作为转子动平衡的从业人员,我们应当深入学习和理解转子动平衡国家标准,严格按照标准要求进行转子动平衡处理,确保设备运行的稳定性和安全性。
同时,我们也应当积极参与国家标准的修订和完善工作,提出自己的意见和建议,为转子动平衡国家标准的不断提高贡献自己的力量。
总之,转子动平衡国家标准是对转子动平衡技术和方法进行规范的重要文件,对于提高转子动平衡的技术水平和标准化程度具有重要意义。
我们应当深入学习和理解该标准,严格按照标准要求进行转子动平衡处理,为设备运行的稳定性和安全性贡献自己的力量。
转子动平衡标准转子动平衡是指旋转机械在运转过程中,通过对转子进行动平衡处理,使得旋转机械在高速旋转时减少振动,提高设备的稳定性和安全性。
转子动平衡标准是指对转子动平衡的要求和规定,是保证转子动平衡质量的重要依据。
首先,转子动平衡标准应包括转子动平衡的基本原理和方法。
在进行转子动平衡时,需要根据转子的结构特点和工作条件,选择合适的动平衡方法,如静平衡和动平衡。
静平衡是指在转子静止状态下,通过在转子上加质量或去除质量的方法,使得转子在旋转时不产生振动。
动平衡是指在转子旋转状态下,通过在转子上加质量或去除质量的方法,使得转子在高速旋转时减少振动。
了解这些基本原理和方法,对于制定转子动平衡标准具有重要意义。
其次,转子动平衡标准应包括转子动平衡的要求和指标。
转子动平衡的要求和指标是衡量转子动平衡质量的重要标准,包括平衡质量等级、振动限值、平衡精度等指标。
平衡质量等级是指根据转子的工作条件和使用要求,确定转子动平衡的质量等级,如精度等级和平衡质量等级。
振动限值是指在转子工作时,允许的最大振动值,超过振动限值将影响设备的安全性和稳定性。
平衡精度是指在进行转子动平衡时,实现的平衡质量和振动限值之间的关系,是衡量转子动平衡质量的重要指标。
最后,转子动平衡标准应包括转子动平衡的检测和评定方法。
转子动平衡的检测和评定方法是保证转子动平衡质量的重要手段,包括平衡试验、振动测试和平衡精度评定等方法。
平衡试验是指在进行转子动平衡后,对转子进行试验,验证转子的平衡质量和振动限值是否符合要求。
振动测试是指对转子进行振动测试,获取转子的振动数据,分析转子的振动特性和振动分布。
平衡精度评定是指根据平衡试验和振动测试的结果,对转子的平衡质量和振动限值进行评定,判断转子动平衡的质量是否符合标准要求。
总之,转子动平衡标准是保证转子动平衡质量的重要依据,包括转子动平衡的基本原理和方法、转子动平衡的要求和指标、转子动平衡的检测和评定方法等内容。
转子动平衡标准转子动平衡是指在旋转机械设备中,通过调整转子的质量分布,使得转子在高速旋转时减小振动,提高设备的运行稳定性和安全性。
转子动平衡标准是对转子动平衡工艺和质量要求的规范,对于保证设备正常运行和延长设备寿命具有重要意义。
一、转子动平衡的重要性。
转子动平衡是旋转机械设备运行过程中必须要解决的问题,因为转子在高速旋转时会产生不平衡力,导致设备振动加剧,甚至引发设备故障和事故。
而转子动平衡可以有效减小振动,降低设备的损耗,提高设备的可靠性和安全性,因此具有非常重要的意义。
二、转子动平衡的标准要求。
1. 质量分布均匀,转子的质量分布应该均匀,避免出现过重或过轻的部分,以减小不平衡力的产生。
2. 振动限制,转子在动平衡后的振动应该符合国家标准或设备制造商的要求,以保证设备在运行时振动不超出允许范围。
3. 动平衡精度,动平衡的精度应该符合设备制造商的要求,通常要求在动平衡后能够达到设备的设计要求。
4. 动平衡工艺,动平衡应该采用科学的工艺方法,包括动平衡设备的选择、试重计算、平衡质量计算等,以保证动平衡的有效性和可靠性。
5. 动平衡记录,对于动平衡的过程和结果应该进行记录,以便后续的跟踪和分析。
三、转子动平衡的方法。
1. 静平衡,通过在转子上加装试重块,使得转子在静止状态下达到平衡,通常适用于小型转子。
2. 动平衡,通过在动平衡机上进行动平衡试重,使得转子在高速旋转状态下达到平衡,适用于大型转子和高速转子。
3. 精密动平衡,采用精密的动平衡设备和工艺,以达到更高的动平衡精度要求。
四、转子动平衡的影响因素。
1. 转子结构,转子的结构形式和材料会影响动平衡的难易程度和效果。
2. 质量分布,转子的质量分布不均匀会导致不平衡力的产生,影响设备的运行稳定性。
3. 转子转速,转子的转速越高,不平衡力产生的影响越大,对动平衡的要求也越高。
4. 动平衡工艺,动平衡工艺的科学性和可靠性会直接影响动平衡的效果。
五、转子动平衡的应用领域。
转子动平衡标准国标转子动平衡是指转子在运转过程中,转子的质量分布和转动惯量分布使得转子的转动轴线与转子的质心轴线不重合,从而引起转子在高速旋转时产生的振动。
为了保证转子的正常运转,减少振动对设备的影响,提高设备的运行可靠性和安全性,必须对转子进行动平衡处理。
而国标对于转子动平衡的要求和标准进行了明确的规定,以确保转子动平衡的质量和效果。
国标对于转子动平衡的要求主要包括以下几个方面:1. 转子动平衡的分类,国标根据转子的质量和转动惯量的分布情况,将转子动平衡分为静平衡和动平衡两种类型。
静平衡是指转子的质量分布使得转子的质心轴线与转动轴线重合,而动平衡则是指转子的质量和转动惯量的分布使得转子的质心轴线与转动轴线不重合。
根据国标的规定,静平衡适用于低速转子,而动平衡适用于高速转子。
2. 转子动平衡的质量等级,国标对于转子动平衡的质量等级进行了具体的划分,分为G等级、F等级、E等级和D等级。
其中,G等级是指对于一般要求的转子动平衡,F等级是指对于较高要求的转子动平衡,E等级是指对于更高要求的转子动平衡,而D等级则是指对于最高要求的转子动平衡。
不同的质量等级对应着不同的转子动平衡质量要求和标准。
3. 转子动平衡的检验方法,国标对于转子动平衡的检验方法进行了详细的规定,包括使用平衡机进行动平衡处理、采用动平衡仪进行现场动平衡、使用动平衡校正仪进行动平衡调整等。
这些检验方法的规定,旨在确保转子动平衡的质量和效果。
4. 转子动平衡的质量评定标准,国标规定了转子动平衡的质量评定标准,包括动平衡质量的评定方法、动平衡质量的评定标准和动平衡质量的评定结果等。
这些评定标准的规定,对于评定转子动平衡的质量和效果具有重要的指导意义。
总之,国标对于转子动平衡的要求和标准进行了明确的规定,包括转子动平衡的分类、质量等级、检验方法和质量评定标准等方面。
遵循国标的规定,对转子进行动平衡处理,不仅可以保证转子的正常运转,减少振动对设备的影响,提高设备的运行可靠性和安全性,还可以提高设备的使用寿命,降低设备的维护成本,提高设备的经济效益。
风电转子动平衡标准
风电转子动平衡标准是指在风电机组的运行过程中,为了保证转子的平衡性和稳定性,制定的一系列标准和要求。
其目的是为了保证风电机组的运行效率和安全性,同时也是保障风电机组长期稳定运行的一项重要措施。
风电转子动平衡标准主要包括以下几个方面:
1. 转子质量分布均匀性要求:风电转子的质量分布均匀性是保证转子平衡性的重要因素之一。
在进行动平衡前,需要对转子进行质量分布测试,以确定转子的质量分布情况。
通常情况下,转子质量分布的不均匀性应该小于5%。
2. 转子动平衡精度要求:在进行转子动平衡时,需要根据转子的实际情况来确定动平衡精度。
通常情况下,对于直径小于2
米的转子,其动平衡精度应该小于等于0.5g.mm;对于直径大
于2米的转子,其动平衡精度应该小于等于1.0g.mm。
3. 转子振动限值要求:在风电机组运行过程中,转子振动是一个不可避免的问题。
为了保证风电机组的安全性和运行效率,需要对转子振动进行限制。
通常情况下,对于直径小于2米的转子,其振动限值应该小于等于1.5mm/s;对于直径大于2米
的转子,其振动限值应该小于等于3.0mm/s。
4. 转子动平衡测试方法:在进行转子动平衡测试时,需要采用合适的测试方法和设备。
通常情况下,可以采用静态平衡测试和动态平衡测试相结合的方法进行转子动平衡测试。
以上就是风电转子动平衡标准的主要内容,通过严格遵守这些标准和要求,可以有效地保证风电机组的运行效率和安全性。
同时,在进行风电机组维护和检修时,也需要对转子进行定期检测和维护,以保证风电机组长期稳定运行。
转子g2.5动平衡标准
转子g2.5动平衡标准是指在转子平衡实验中,要求转子的不平衡量不超过转子质量的 2.5%。
该标准通常用于规定转子在设计和制造过程中的平衡精度,以确保转子在实际使用中能够正常、稳定地运转,减小振动和磨损,提高机器使用寿命和可靠性。
为了达到转子g2.5动平衡标准,需要在转子制造过程中采取一系列措施,如选择合适的材料、精确的加工工艺、严格的检测手段等。
此外,还应在转子上设置合理的配重,以调整转子的重心位置,使其尽可能接近转子的中心,减小不平衡量。
转子g2.5动平衡标准的实施可以带来多方面的益处。
首先,它可以提高机器的运转效率,减少能源浪费。
其次,它可以减小机器的振动和磨损,延长机器的使用寿命。
此外,它还可以降低机器的噪音和热耗,提高机器的稳定性和可靠性。
最后,它可以提高机器的生产效率和产品质量,为企业带来更多的经济效益。
总之,转子g2.5动平衡标准是保证转子正常、稳定运转的重要指标之一。
在转子设计和制造过程中,应采取一系列措施来达到这一标准,以提高机器的使用寿命和可靠性,降低企业的生产成本和维修成本。
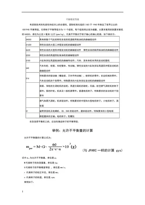
转子动平衡标准文档编制序号:[KKIDT-LLE0828-LLETD298-POI08]平衡精度等级考虑到技术的先进性和经济上的合理性,国际标准化组织(ISO)于1940年制定了世界公认的ISO1940平衡等级,它将转子平衡等级分为11个级别,每个级别间以倍为增量,从要求最高的到要求最低的G4000。
单位为公克×毫米/公斤(gmm/kg),代表不平衡对于转子轴心的偏心距离。
如下表所示:G4000具有单数个气缸的刚性安装的低速船用柴油机的曲轴驱动件G1600刚性安装的大型二冲程发动机的曲轴驱动件G630刚性安装的大型四冲程发动机的曲轴驱动件弹性安装的船用柴油机的曲轴驱动件G250刚性安装的高速四缸柴油机的曲轴驱动件G100六缸和多缸高速柴油机的曲轴传动件;汽车、货车和机车用的发动机整机G40汽车车轮、轮毂、车轮整体、传动轴,弹性安装的六缸和多缸高速四冲程发动机的曲轴驱动件G16特殊要求的驱动轴(螺旋桨、万向节传动轴);粉碎机的零件;农业机械的零件;汽车发动机的个别零件;特殊要求的六缸和多缸发动机的曲轴驱动件商船、海轮的主涡轮机的齿轮;高速分离机的鼓轮;风扇;航空燃气涡轮机的转子部件;泵的叶轮;机床及一般机器零件;普通电机转子;特殊要求的发动机的个别零件燃气和蒸汽涡轮;机床驱动件;特殊要求的中型和大型电机转子;小电机转子;涡轮泵G1磁带录音机及电唱机、CD、DVD的驱动件;磨床驱动件;特殊要求的小型电枢精密磨床的主轴;电机转子;陀螺仪在您选择平衡机之前,应该先确定转子的平衡等级。
举例:允许不平衡量的计算允许不平衡量的计算公式为:(与JPARC一样的计算 gys)式中m per为允许不平衡量,单位是g;M代表转子的自身重量,单位是kg;G代表转子的平衡精度等级,单位是mm/s;r 代表转子的校正半径,单位是mm;n 代表转子的转速,单位是rpm。
举例如下:如一个电机转子的平衡精度要求为级,转子的重量为0.2kg,转子的转速为1000rpm,校正半径20mm,则该转子的允许不平衡量为:因电机转子一般都是双面校正平衡,故分配到每面的允许不平衡量为0.3g。
动平衡标准-iso1940-1-2003动平衡是指在旋转机械中,通过对转子进行动平衡处理,使得转子在高速旋转时能够保持稳定,并减少振动和噪音。
动平衡标准ISO1940-1-2003是国际上广泛采用的动平衡标准,旨在规定转子在不同工况下的振动限值,以保证转子的正常运行和安全性。
动平衡标准ISO1940-1-2003主要包括了三个部分:转子的质量分级、振动限值和平衡质量的计算方法。
首先,转子的质量分级是指将转子按照其质量大小进行分类,以便于对转子进行合理的平衡设计。
其次,振动限值是指在不同工况下,转子所允许的最大振动值。
根据不同的旋转速度和转子类型,ISO1940-1-2003给出了相应的振动限值表,以便于工程师在设计和制造转子时能够参考和遵守。
最后,平衡质量的计算方法是指根据转子的质量分布和振动限值,计算出转子所需要的平衡质量,并确定平衡质量的位置。
动平衡标准ISO1940-1-2003的适用范围非常广泛,几乎包括了所有旋转机械,例如电机、风机、泵等。
在这些机械中,振动是一种常见的问题,不仅会影响机械的正常运行,还会对机械的寿命和可靠性产生不利影响。
因此,严格遵守ISO1940-1-2003标准的要求,对于确保机械的安全性和稳定性具有重要意义。
动平衡的目的是通过在转子上增加或减少质量,使得转子的质心与转轴中心重合,从而消除或减小振动。
在进行动平衡处理时,首先需要将转子放置在一个平衡机上,并在旋转时测量转子的振动情况。
根据测量结果,可以判断转子的不平衡情况,并确定需要添加或减少的平衡质量。
平衡质量的计算方法是根据转子的质量分布和振动限值,利用数学公式进行计算,并确定平衡质量的位置。
在计算平衡质量时,需要考虑转子的形状、质量和旋转速度等因素,以确保平衡效果的准确性和稳定性。
动平衡标准ISO1940-1-2003的制定和实施,对于提高转子的平衡质量和减小振动具有重要意义。
遵守ISO1940-1-2003标准的要求,可以确保转子在高速旋转时能够保持稳定,减少振动和噪音,提高机械的运行效率和可靠性。
电动机转子动平衡标准电动机转子动平衡是指在转子转动时,使转子的质量中心与转轴的几何轴线重合,同时使转子在转动时不产生振动。
电动机转子动平衡的标准是为了保证电动机在运行过程中能够稳定可靠地工作,减少振动和噪音,延长电动机的使用寿命。
电动机转子动平衡标准的制定是为了保证电动机在设计、制造和使用过程中的安全性、可靠性和稳定性。
根据国家标准和行业规范,电动机转子动平衡标准主要包括以下几个方面:1. 质量不平衡的限制,电动机转子的质量不平衡是指转子的质量中心与转轴的几何轴线不重合,导致转子在转动时产生振动。
根据国家标准,电动机转子的质量不平衡应控制在一定范围内,以确保电动机在运行时不产生过大的振动。
2. 转子动平衡的方法,电动机转子动平衡的方法主要包括静平衡和动平衡两种。
静平衡是指在转子静止时,通过在转子上添加或去除质量来使转子的质量中心与转轴的几何轴线重合;动平衡是指在转子转动时,通过在转子上添加或去除质量来使转子的质量中心与转轴的几何轴线重合。
3. 平衡质量等级,根据国家标准,电动机转子的平衡质量等级分为G等级、F等级和H等级。
其中,G等级是最高精度要求,适用于高速旋转的转子;F等级是一般精度要求,适用于中速旋转的转子;H等级是较低精度要求,适用于低速旋转的转子。
4. 平衡质量的检测方法,电动机转子的平衡质量可以通过静平衡试验和动平衡试验来进行检测。
静平衡试验是在转子静止时,通过测量转子的质量中心和转轴的几何轴线的偏差来确定转子的质量不平衡;动平衡试验是在转子转动时,通过振动传感器和相位检测仪来测量转子的振动情况,从而确定转子的质量不平衡。
5. 平衡质量的修正方法,一旦确定了电动机转子的质量不平衡,就需要采取相应的修正方法来进行平衡。
修正方法主要包括在转子上添加平衡块或去除多余质量,以达到转子的动平衡要求。
电动机转子动平衡标准的制定和执行,可以有效地提高电动机的运行效率和稳定性,减少振动和噪音,延长电动机的使用寿命。
平衡精度等级考虑到技术的先进性和经济上的合理性,国际标准化组织(ISO)于1940年制定了世界公认的ISO1940平衡等级,它将转子平衡等级分为11个级别,每个级别间以倍为增量,从要求最高的到要求最低的G4000。
单位为公克×毫米/公斤(gmm/kg),代表不平衡对于转子轴心的偏心距离。
如下表所示:G4000具有单数个气缸的刚性安装的低速船用柴油机的曲轴驱动件G1600刚性安装的大型二冲程发动机的曲轴驱动件G630刚性安装的大型四冲程发动机的曲轴驱动件弹性安装的船用柴油机的曲轴驱动件G250刚性安装的高速四缸柴油机的曲轴驱动件G100六缸和多缸高速柴油机的曲轴传动件;汽车、货车和机车用的发动机整机汽车车轮、轮毂、车轮整体、传动轴,弹性安装的六缸和多缸高速四冲程发动机的G40曲轴驱动件特殊要求的驱动轴(螺旋桨、万向节传动轴);粉碎机的零件;农业机械的零件;G16汽车发动机的个别零件;特殊要求的六缸和多缸发动机的曲轴驱动件商船、海轮的主涡轮机的齿轮;高速分离机的鼓轮;风扇;航空燃气涡轮机的转子部件;泵的叶轮;机床及一般机器零件;普通电机转子;特殊要求的发动机的个别零件燃气和蒸汽涡轮;机床驱动件;特殊要求的中型和大型电机转子;小电机转子;涡轮泵G1磁带录音机及电唱机、CD、DVD的驱动件;磨床驱动件;特殊要求的小型电枢精密磨床的主轴;电机转子;陀螺仪在您选择平衡机之前,应该先确定转子的平衡等级。
举例:允许不平衡量的计算允许不平衡量的计算公式为:(与JPARC一样的计算 gys)式中m per为允许不平衡量,单位是g;M代表转子的自身重量,单位是kg;G代表转子的平衡精度等级,单位是mm/s;r 代表转子的校正半径,单位是mm;n 代表转子的转速,单位是rpm。
举例如下:如一个电机转子的平衡精度要求为级,转子的重量为0.2kg ,转子的转速为1000rpm ,校正半径20mm , 则该转子的允许不平衡量为:因电机转子一般都是双面校正平衡,故分配到每面的允许不平衡量为0.3g 。
上海正峰工业有限公司
转子动平衡量测试标准
一.目的:订定本公司之转子动平衡量测试标准。
二.适用范围:
“南荣”微电脑均衡机。
三.权责部门:
品保部IQC
四.检验标准:以图面为依据。
五.测试方法:
5-1准备一300mg之黏土。
5-2取预量测机型之标准转子,放上动平衡机调整同步转速。
5-3将黏土配置在转子矽钢片左侧(将黏土尽量压平),调整右平面分离,使右边仪表之值降至最小,然后调整左修正量使左边仪表之值为3.0 5-4将黏土取下配置在转子矽钢片右侧(将黏土尽量压平),调整左平面分离,使左边仪表之值降至最小,然后调整右修正量使右边仪表之值为3.0 5-5将标准转子取下,此时已完成机台之设定。
5-6将预测试转子放上机台即可测试,而仪表上之读值每0.01即代表1mg。
5-7测试出之数据依附件“转子特性一览表”之最大不平衡配重来判定。
5-8黏土之重量与修正量调整之大小,可依转子机型调整,不一定要用上述的值,只要能算出读值所代表之重量即可,其算法如下:
仪表上之读值每0.01=(黏土重量/修正量调整之大小)*0.01------mg
例如:黏土重量500mg,修正量调整为2.5
则仪表上之读值每0.01=(500/2.5)*0.01=2mg
六.不合格品之处置:参“不合格品处置办法”。
七.本标准经呈核准后实施,修改时亦同。
核准:拟案:
转子特性一览表。
电机转子动平衡标准电机转子动平衡是指在电机运行时,转子在转动过程中所受到的离心力和惯性力的平衡状态。
电机转子动平衡的不良状态会导致电机振动加剧,噪音增大,甚至影响电机的使用寿命和安全性能。
因此,电机转子动平衡标准的制定和执行对于电机的正常运行至关重要。
首先,电机转子动平衡标准需要明确转子的动平衡等级。
动平衡等级通常分为G等级、F等级、E等级和D等级,其中G等级为最低等级,D等级为最高等级。
不同等级的转子动平衡标准对应着不同的振动限值和平衡精度要求,以确保电机在运行时的振动和噪音处于可接受范围内。
其次,电机转子动平衡标准还需要规定动平衡的方法和工艺要求。
动平衡的方法通常包括静平衡和动平衡两种,而动平衡又可分为静态平衡和动态平衡。
在进行动平衡时,需要根据转子的结构和质量分布情况选择合适的平衡方法,并严格执行标准规定的平衡工艺要求,确保平衡效果达到标准要求。
另外,电机转子动平衡标准还应包括对平衡设备和平衡人员的要求。
平衡设备需要具备相应的精度和稳定性,以确保平衡过程中的测量和调整能够准确可靠。
平衡人员需要经过专业培训和持证上岗,具备丰富的平衡实践经验和良好的职业素养,以保证平衡作业的安全和质量。
最后,电机转子动平衡标准还应包括对平衡结果的验证和记录要求。
平衡结果的验证需要通过精密仪器进行振动测量和分析,以确保转子的振动水平符合标准要求。
同时,还需要对平衡过程和结果进行详细记录和归档,以便日后的追溯和分析。
总之,电机转子动平衡标准的制定和执行对于保障电机运行的稳定性和可靠性具有重要意义。
只有严格执行标准要求,选择合适的平衡方法和工艺,配备专业的平衡设备和人员,才能够确保电机转子在运行时达到良好的动平衡状态,减少振动和噪音,延长电机的使用寿命,保障生产安全。
转子g2.5动平衡标准摘要:1.引言2.转子g2.5 的概述3.转子g2.5 的动平衡标准4.动平衡标准的应用5.结论正文:1.引言在机械制造领域,转子是旋转机械设备的核心部件,它的平衡性能直接影响到设备的运行稳定性和寿命。
因此,动平衡是转子制造过程中的重要环节。
本文将介绍转子g2.5 的动平衡标准。
2.转子g2.5 的概述转子g2.5 是指直径为2.5 英寸的转子。
在机械制造中,转子通常是指旋转轴上安装的一系列组件,用于转换或传递动力。
转子g2.5 动平衡是指在制造过程中,通过特定方法检测和消除转子质量的不平衡,以确保其在高速旋转时具有较好的稳定性。
3.转子g2.5 的动平衡标准动平衡标准主要分为两类:静态平衡和动态平衡。
静态平衡是指在静止状态下,通过测量和计算转子各部分的质量,确定其不平衡量,并通过加重或减重的方法使其达到平衡。
静态平衡适用于低速旋转的转子。
动态平衡是指在旋转状态下,通过测量和计算转子各部分的惯性力,确定其不平衡量,并通过加重或减重的方法使其达到平衡。
动态平衡适用于高速旋转的转子。
对于转子g2.5,通常采用动态平衡标准,因为其在实际应用中通常处于高速旋转状态。
4.动平衡标准的应用动平衡标准在转子g2.5 的制造过程中具有重要意义。
通过动平衡,可以有效降低转子在高速旋转过程中产生的振动和噪音,提高设备的运行稳定性和使用寿命。
同时,动平衡还可以减小轴承的磨损,降低设备的维护成本。
5.结论综上所述,转子g2.5 的动平衡标准对于保证旋转设备的运行稳定性和寿命具有重要作用。
转子动平衡标准转子动平衡是指在运转时,转子的质量分布和转动轴线之间的关系达到一定的要求,使得转子在高速旋转时不会产生过大的振动和噪音,保证设备的安全稳定运行。
转子动平衡标准是对转子动平衡质量进行评定和检验的依据,是保证转子动平衡质量的重要技术文件。
转子动平衡标准主要包括以下几个方面的内容:1. 转子动平衡的基本原理和要求,转子动平衡是通过改变转子的质量分布,使得转子的质心与转动轴线重合,达到动平衡状态。
转子动平衡要求在设计、制造和安装过程中严格按照相关标准和规范进行,确保转子在运行时不会产生不必要的振动和噪音。
2. 转子动平衡的分类和标准,根据转子的结构和用途不同,转子动平衡可分为静平衡和动平衡。
静平衡是指转子在静止状态下的平衡,动平衡是指转子在运转状态下的平衡。
转子动平衡标准根据国家标准和行业标准进行制定,对于不同类型的转子有相应的平衡标准,确保转子动平衡质量的可靠性和稳定性。
3. 转子动平衡的检测方法和要求,转子动平衡的检测是保证转子动平衡质量的重要环节,主要包括静平衡和动平衡的检测方法和要求。
静平衡检测主要通过静平衡试验台进行,动平衡检测主要通过动平衡机进行,确保转子在制造和安装过程中达到设计要求的平衡质量。
4. 转子动平衡的标准化管理,转子动平衡标准化管理是指对转子动平衡过程中的各项技术要求和管理措施进行规范化和标准化,确保转子动平衡质量的稳定性和可靠性。
标准化管理涉及到转子动平衡的设计、制造、安装和维护等全过程,对转子动平衡质量进行全面管理和控制。
5. 转子动平衡的应用和推广,转子动平衡标准的制定和实施,对于提高设备的运行效率和安全性具有重要意义。
通过转子动平衡标准的应用和推广,可以有效减少设备的振动和噪音,延长设备的使用寿命,提高设备的生产效率和品质。
综上所述,转子动平衡标准是对转子动平衡质量进行评定和检验的依据,是保证设备安全稳定运行的重要技术文件。
通过严格执行转子动平衡标准,可以有效提高设备的运行效率和安全性,促进设备制造和维护技术的进步和发展。
转子动平衡的计算标准分为以下两种情况:
针对已经确定了转子平衡等级的情况,平衡质量的计算公式为:m=m'G1G2*G3,其中m'为初始不平衡量,G1、G2、G3分别为转子的平衡精度等级。
对于未确定平衡等级的转子,需要先进行初始平衡,即通过静平衡法或其他方法使得转子在静止状态下达到平衡。
然后再进行振动信号的测量,通过测量结果进行平衡质量的分析与计算。
在计算过程中,需要注意振动信号的测量需要使用振动传感器进行测量,常见的振动参数有振动加速度、振动速度和振动位移。
同时,对于不同等级的平衡精度要求,其允许不平衡量计算公式不同。
例如,允许不平衡量的计算公式为:m=m'G1G2*G3,其中m'为允许不平衡量,G1、G2、G3分别为转子的平衡精度等级。
总之,转子动平衡的计算标准需要根据具体情况来确定,包括转子的平衡等级、振动参数以及平衡精度要求等因素。
转子动平衡标准转子动平衡是指在旋转机械设备中,通过对转子进行调整,使其在运转过程中不产生过大的振动,从而保证设备的安全运行和性能稳定。
转子动平衡标准是对转子动平衡过程中所需遵循的技术规范和要求的总称,其制定的目的是为了保证转子动平衡的有效性和可靠性,同时也为了确保设备在使用过程中能够达到预期的效果。
转子动平衡标准的制定是基于旋转机械设备的特点和要求,同时也考虑了工程实践中的经验总结和技术发展的最新成果。
在转子动平衡标准中,通常包括了对于动平衡质量等级的要求、动平衡方法和技术规范、动平衡设备的要求和检定等内容。
这些内容的制定是为了引导和规范转子动平衡的实施过程,确保其能够达到预期的效果。
在转子动平衡标准中,动平衡质量等级是其中的重要内容之一。
动平衡质量等级的确定对于转子动平衡的实施具有重要的指导意义。
一般来说,动平衡质量等级是根据设备的使用要求和性能指标来确定的,不同的设备和要求可能对应不同的动平衡质量等级。
因此,在实际的转子动平衡过程中,需要根据具体的要求和标准来确定动平衡质量等级,并据此来进行动平衡的实施和评定。
另外,转子动平衡标准中还包括了动平衡方法和技术规范的要求。
动平衡方法是指在转子动平衡过程中所采用的具体方法和步骤,而技术规范则是对于动平衡过程中所需遵循的技术要求和规定。
这些内容的制定是为了引导和规范转子动平衡的实施过程,确保其能够达到预期的效果。
在实际的转子动平衡过程中,需要严格按照标准中的要求来进行动平衡的实施和评定,以确保其能够达到预期的效果。
此外,动平衡设备的要求和检定也是转子动平衡标准中的重要内容之一。
动平衡设备是用于进行转子动平衡的工具和设备,其性能和精度对于动平衡的实施具有重要的影响。
因此,在转子动平衡标准中,通常会对动平衡设备的性能和精度进行具体的要求和检定,以确保其能够满足动平衡的实施要求,并能够保证动平衡的有效性和可靠性。
总的来说,转子动平衡标准是对转子动平衡过程中所需遵循的技术规范和要求的总称,其制定的目的是为了保证转子动平衡的有效性和可靠性,同时也为了确保设备在使用过程中能够达到预期的效果。
平衡精度等级
考虑到技术的先进性和经济上的合理性,国际标准化组织(ISO)于1940年制定了世界公认的
ISO1940平衡等级,它将转子平衡等级分为11个级别,每个级别间以2.5倍为增量,从要求最高的G0.4到要求最低的G4000。
单位为公克×毫米/公斤(gmm/kg),代表不平衡对于转子轴心的偏心距离。
如下表所示:
G4000 具有单数个气缸的刚性安装的低速船用柴油机的曲轴驱动件
G1600 刚性安装的大型二冲程发动机的曲轴驱动件
G630 刚性安装的大型四冲程发动机的曲轴驱动件弹性安装的船用柴油机的曲轴驱动件
G250 刚性安装的高速四缸柴油机的曲轴驱动件
G100 六缸和多缸高速柴油机的曲轴传动件;汽车、货车和机车用的发动机整机
G40 汽车车轮、轮毂、车轮整体、传动轴,弹性安装的六缸和多缸高速四冲程发动机的曲轴驱动件
G16 特殊要求的驱动轴(螺旋桨、万向节传动轴);粉碎机的零件;农业机械的零件;汽车发动机的个别零件;特殊要求的六缸和多缸发动机的曲轴驱动件
G6.3 商船、海轮的主涡轮机的齿轮;高速分离机的鼓轮;风扇;航空燃气涡轮机的转子部件;泵的叶轮;机床及一般机器零件;普通电机转子;特殊要求的发动机的个别零件
G2.5 燃气和蒸汽涡轮;机床驱动件;特殊要求的中型和大型电机转子;小电机转子;涡轮泵
G1 磁带录音机及电唱机、CD、DVD的驱动件;磨床驱动件;特殊要求的小型电枢
G0.4 精密磨床的主轴;电机转子;陀螺仪
在您选择平衡机之前,应该先确定转子的平衡等级。
举例:允许不平衡量的计算
允许不平衡量的计算公式为:
(与JPARC一样的计算 gys)式中m per为允许不平衡量,单位是g;
M代表转子的自身重量,单位是kg;
G代表转子的平衡精度等级,单位是mm/s;
r 代表转子的校正半径,单位是mm;
n 代表转子的转速,单位是rpm。
举例如下:
如一个电机转子的平衡精度要求为G6.3级,转子的重量为0.2kg,转子的转速为1000rpm,校正半径20mm,则该转子的允许不平衡量为:
因电机转子一般都是双面校正平衡,故分配到每面的允许不平衡量为0.3g 。
目前T0转动部分重量大约为180Kg (包括电机转子、旋变转子、轴承等回转体)不包括为166Kg 。
按照180Kg ,转速3000rpm ,G1.0标准,校正半径为220mm ,
360m =180 1.0102 3.142203000
per ⨯⨯⨯⨯⨯⨯=2.61g (允许不平衡量在220mm 处为2.61g )
或者简单计算公式:(试验过可行,gys )
M ----- 转子质量 单位kg
G ------精度等级选用 单位 g.mm/kg
r ------校正半径 单位mm
n -----工件的工作转速 单位 rpm
m------不平衡合格量 单位g
m=9549.M.G/r.n
G 则要根据你所做转子定精度等级
动平衡计算
四个基本参数
1.平衡精度等级. G
2.转子重量 M (Kg)
3.转子速度: n (rpm)
4.转子最大半径 R (mm)
计算公式:
1 .允许偏心距,e= 9550 * G / n ,(μm)
2. 允许残余不平衡质量,m= e * M / 2R ,(g)
斩波器的允许偏心距为e=9550/3000=3.18μm。
e= 9550 * G / n 与上面公式一样 为360102G n
π⨯⨯得到。