空调系统风道设计word文档
- 格式:doc
- 大小:337.50 KB
- 文档页数:19
中国矿业大学徐海学院本科生毕业设计姓名:学号:学院:中国矿业大学徐海学院专业:热能与动力工程设计题目:某建筑物空调系统设计专题:指导教师:职称:讲师2019 年6月徐州中国矿业大学徐海学院毕业设计任务书专业年级学号学生姓名任务下达日期:2019年10 月14 日毕业设计日期:2019年12月30 日至2019年6 月7日毕业设计题目:某建筑物空调系统设计毕业设计专题题目:毕业设计主要内容和要求:指导教师签字:郑重声明本人所呈交的毕业设计,是在导师的指导下,独立进行研究所取得的成果。
所有数据、图片资料真实可靠。
尽我所知,除文中已经注明引用的内容外,本毕业设计的研究成果不包含他人享有著作权的内容。
对本论文所涉及的研究工作做出贡献的其他个人和集体,均已在文中以明确的方式标明。
本论文属于原创。
本毕业设计的知识产权归属于培养单位。
本人签名:日期:中国矿业大学徐海学院毕业设计指导教师评阅书指导教师评语(①基础理论及基本技能的掌握;②独立解决实际问题的能力;③研究内容的理论依据和技术方法;④取得的主要成果及创新点;⑤工作态度及工作量;⑥总体评价及建议成绩;⑦存在问题;⑧是否同意答辩等):成绩:指导教师签字:年月日中国矿业大学徐海学院毕业设计评阅教师评阅书评阅教师评语(①选题的意义;②基础理论及基本技能的掌握;③综合运用所学知识解决实际问题的能力;③工作量的大小;④取得的主要成果及创新点;⑤写作的规范程度;⑥总体评价及建议成绩;⑦存在问题;⑧是否同意答辩等):成绩:评阅教师签字:年月日中国矿业大学徐海学院毕业设计答辩及综合成绩摘要本论文针对教一南教学楼进行空调系统设计。
主要设计内容如下:首先,对教一南教学楼进行了冷负荷和湿负荷的计算,得出空调系统总的负荷;其次,通过各种空调系统进行分析比较,风机盘管加新风系统布置灵活,节能效果好,既能满足室内新风量又可以满足室内温度需求,确定了空调系统方案;第三,利用热力学原理计算的冷负荷进行教室的气流组织,得出各层的总风量及各教室的风量分配方案,并根据计算结果对新风机组和风机盘管进行选型;第四,结合平面结构图,合理布置风管和水管,绘制了风路系统和水路系统布置简图;最后,对风系统和水系统进行阻力计算,并进行风机和水泵选型。
通风与空调工程施工方案编制人: .审核人: .审批人: .一.工程概况:1.建筑工程概况:本工程为中国银行河南省分行办公楼改造,地下一层为设备房及金库,地上一层主要为休闲等候区、开放式柜台服务区、配钞区、清分区、交接区等,二层为休闲等候区、营业区及开放式办公区,三----十一层为开放式办公、小办公室、会议室及培训室,十二层为餐厅及配套。
总建筑面积19824.41㎡.2.空调通风工程概况:2.1空调工程包括空调水系统、送排风系统、空调系统、制冷系统的管道系统及设备安装。
2.2制冷系统由负一层制冷机房内两台冷水机组(冷源)及板式换热器(热源由市政供热管网供给)组成,由顶层膨胀水箱定压,2.3一二层常年营业区由配电房屋面的两台模块风冷式冷热水热泵机组提供独立冷热源。
与大楼中央空调系统利用转化阀门进行冷源切换。
2.41—12层空调系统采用一次泵变流量两管制闭式循环系统,末端使用两管制风机盘管,不另设新风系统。
2.5负一层通风根据设计要求相关规定,详见设计施工图纸,电梯机房及卫生间设置排风系统。
二.编制依据:1.施工图纸NT-01-----NT-23,2.《通风空调工程施工质量验收规范》(GB50243-2002)3.国标《管道与设备绝热》08R4184.国标《风阀选用安装》07K1205.国标《室内管道支吊架》05R417-16.国标《金属非金属风管支吊架》08K1327. 《建筑安装分项工程施工工艺规程》(DBJ/T01-26-2003)8.各种选用图集。
三.施工程序:1.空调系统安装流程:施工准备→风管及部件加工→风管及部件的中间验收→风管系统安装→风管系统严密性试验→风机盘管安装→空调水系统管路安装→管路严密性及强度试验→管道冲洗→管道防腐与绝热→风管系统测试与调整→机房设备安装→机房管道安装→各设备单机试运行→系统空负荷联动试运行→中间交接→负荷联动试运行→竣工验收。
3.机房设备安装流程:基础验收及设备验收→吊装就位→找平找正→螺栓孔浇灌→找平→垫铁点固→二次浇灌→清洗吹扫→设备压力试验→防腐保温→单机试运转→中间交接→联动试运转→竣工验收四.施工方法:(一)相关技术要求:1. 设备基础预埋:对于风机、水泵、水箱、机组,等设备到货后核对好尺寸,协调土建进行基础施工,同时作基础预埋,并按设计及施工规范要求施工。
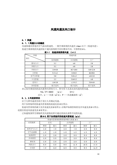
风速风道及风口设计6.1 风速6.1.1风速大小的确定风速指通风管道内空气流动的速度。
一般空调系统的风速在14m/s以下(低速风道)。
低速空调系统的风速因处于通风系统的不同位置而不同,可参照表6-1。
若已知空调房间的送风量和风管的尺寸,即可用下式求出该风道内的风速。
V=L/(F×3600) (m/s) (6-1)式中,L——风量(m3/h);F——风道截面积(m2)6.1.2风速查表法以下几种风速表有助于设计人员确定风速。
用于各种场所的低速风管系统的流速见表6-2所示。
低速风管系统的最大允许流速见表6-3所示。
以噪声标准控制的允许风速见表6-4所示。
逗留区的送风流速见表6-5所示。
已知建筑条件空调场所及风道情况即可通过查表法求得不同的风速。
表6-4 以噪声标准控制的允许风速(m/s)6.2风道6.2.1风道截面积的确定当空调房间送风量为已知时,确定送风管道截面尺寸的方法有两种:假定风速法和比 阻法,假定速度法比较常用,现介绍之。
首先应已知空调送风量(参照前述的方法),然后根据建筑物的空调送风系统查出风速值(假定风道中的风速,再通过下式计算出风道面积。
最后确定风道的管径(圆管直径或矩形管道的边长)。
风道截面积计算公式F=L/(v ×3600) m 2 (6-2)式中 L--风量 m 3/h v--风速 m/sF--风道面积 m 2例如:某空调系统送风量L=7200m 3/h ,属工业空调,现安装一主风管,试确定其风管尺寸。
假定风速,查表6-1可知,工厂空调系统主风道风速推荐值为6~9m/s ,现取8m/s 。
风道面积可计算求F=L/v ×3600=7200/8×3600=0.25 m 2 若采用圆形风管,其直径可由下式计算出πFd 4=m (6-3)式中 π——圆周率 π=3.14F ——风管面积 m 2D=0.56m=560 mm 若采用方形风管,其边长应为 25.0==F A =500 mm若采用矩形风道,管道的长短边尺寸可参考表6-7选用。
可编辑修改精选全文完整版风道设计规范编制校对审核版本日期目录1. 目的、介绍 (3)2.引用标准 (3)3 风道开发流程图 (4)3.1设计流程图 (4)3.2 设计输入 (4)4详细设计 (5)4.1 风道的设计 (5)4.1.1 注意要点 (5)4.1.2 风道的分类 (5)4.1.3风道中的压力损失 (6)4.1.3.1沿程压力损失 (6)4.1.3.2局部压力损失 (7)4.1.4出风量 (8)4.1.5 风道的安装 (8)4.1.5.1风道之间连接 (8)4.1.5.2 风道的安装定位 (10)4.1.6 材料选用 (12)4.2 出风口的设计 (12)4.2.1 出风口的介绍 (12)4.2.2 出风口的详细结构与分类 (12)4.2.3出风口整车布置 (14)4.2.4 材料的选用 (17)5.模拟分析 (17)5.1 风速分析 (17)5.2 风量分析 (17)5.3 风阻分析 (18)5.4 出风口风速方向 (18)5.5 样件测试结果 (19)6.附录 (19)1.目的、介绍目的:本规范描述了一般风道设计开发流程,用于指导风道的开发设计,本规范仅适用于多种类型汽车设计功能:在整个汽车空调系统中,风道和出风口组成空调的通风系统,担负着将经过处理(温度调节,湿度调节,净化)的气流送到汽车驾驶舱内,以完成驾驶舱内通风,制冷,加热,除霜除雾,净化空气等的功能。
2.引用标准根据客户的目标市场确定整车要满足哪些国家或地方法规,一般规定:国家/政府/行业法规要求中华人民共和国国家标准汽车风窗玻璃除霜系统的性能要求及试验方法,GB 11556-94中华人民共和国国家标准汽车风窗玻璃除雾系统的性能要求及试验方法,GB 11555-94FCC相关标准要求GMW3037 乘用车最大制冷性能验证试验3 风道开发流程图3.1设计流程图在风道3D数据设计完成后面增加模拟分析及台架试验分析过程;3.2 设计输入风道设计需要输入暖风空调的相关系统参数,具体要求如下表单位mm2名称暖风机器出口除霜管道(前)侧除霜风道吹脚风道吹面风道截面积7000 5000 2000 3000 40004详细设计4.1 风道的设计4.1.1 注意要点1)由于风道都是与仪表板本体形成总成,为了节省仪表板下的空间,而又能够满足风道的截面积,所以风道的布置尽量跟着仪表板的大面趋势来做断面布置。
汽车空调出风口及风道设计方案目录第1 章风道及出风口介绍 (4)1.1 风道介绍 (4)1.2 出风口介绍 (5)1.3 相关法规/ 标准要求 (6)1.3.1国家/ 政府/ 行业法规要求 (6)1.3.2FCC 相关标准要求 (6)第2 章风道及出风口设计规范 (7)2.1 风道及出风口结构 (7)2.1.1 风道结构 (7)2.1.2 出风口结构 (7)2.1.3 出风口及风道实例 (8)2.1.4 材料 (8)2.2 风道及出风口整车布置 (8)2.2.1 风道整车布置 (8)2.2.2 出风口整车布置 (9)2.3 通风性能 (10)2.3.1 风道中的压力损失 (10)2.3.2 出风量 (10)2.3.3 通风有效面积 (11)2.4 出风口水平叶片布置方式 (12)2.4.1 叶片数量 (12)2.4.2 叶片尺寸要求 (12)2.5.3 叶片间距 (13)2.5 出风口垂直叶片布置方式 (13)2.5.1 叶片数量 (13)2.5.2 叶片尺寸要求 (13)2.5.3 叶片间距 (13)2.6 气流性能 (13)2.6.1 气流方向性 (13)2.6.2 泄漏量 (17)2.7 出风口手感 (17)2.7.1 拨钮操作力 (17)2.7.2 拨轮操作力 (17)第3 章试验验证与评估 (18)3.1 设计验证流程 (18)3.2 设计验证的内容与方法 (18)第4 章附录 (19)4.1 术语和缩写 (19)4.2 设计工具 (19)4.3 参考 (19)第1 章风道及出风口介绍在整个汽车空调系统中,风道和出风口组成空调的通风系统,担负着将经过处理(温度调节,湿度调节,净化)的气流送到汽车驾驶舱内,以完成驾驶舱内通风,制冷,加热,除霜除雾,净化空气等的功能。
图 1 某车型空调通风系统及周围环境结构爆炸图1.1 风道介绍风道连接空调器与出风口,是空调系统中制冷和制热空气的通道。
目前空调系统由空调厂商提供,作为空调系统一部分的风道设计,需汽车整车设计部门做匹配设计,车厢内的空气流场与温度场不仅与车厢结构以及空调制冷系统有关,还与空调风道的结构形状密切相关。
第6章风管系统的设计6.1 风管选材与形式本空调设计送风管及回风管所用材料均为镀锌钢板,其优点是使用寿命较长,摩擦阻力小,加工简单,制作快速方便,可工厂预制也可现场临时制作;缺点:受加工设备限制,厚度不宜超过1.2mm。
风管断面一般采用圆形和矩形两种形式,本本空调设计风系统设计全部采用矩形风管的形式,便于制作与建筑结合配合。
6.2 风管尺寸的确定风管尺寸的确定采用假定流速法逐段计算风管截面积,然后根据风管截面积参照常规尺寸表选择合适的风管尺寸。
1、采用假定流速法计算,管内风速的选取决定了风管截面的尺寸,两者之间的关系如下:S=G/3600V(6.1)式中 S――风管截面积(m2);G――风管内风量( m3/h);V――风管内风速(m/h),一般做设计时候,空调送风主管风速不宜大于6m/h,支管风速不宜大于3m/h。
具体风速可参照下表:表6.1低速风管内的风速室内允许噪声级dB(A)主管风速(m/s)支管风速(m/s)新风入口(m/s) 25~353~4≤2335~504~72~3 3.550~656~92~54~4.565~858~125~852、根据风管截面积参照风管常规尺寸表选择合适的风管尺寸,标准矩形风管的规格查阅《中央空调设计手册》6.3 风口设计选型6.3.1 风口的分类通风空调风口按型式分类可分为:百叶风口、散流器、喷口、条缝型风口、旋流风口孔板风口等。
风口型式的选择需根据房间功能及气流组织选择合适的风口类型。
一般情况下,在吊顶高度为2~4米的通风系统中,厂选用百叶风口或者散流器;在一般的侧送风的系统中常选用百叶风口;在空间比较大的展厅、体育馆、多功能厅、大堂等一般采用喷口送风或者旋流风口送风。
6.3.2 风口尺寸的确定风口尺寸的选择同样采用假定流速法计算选择,根据风口的风量及推荐流速,确定出风口的所需截面积,参照风口的基本规格,选择合适的风口尺寸。
风口风速选择参照下表表6.2 风口风速参照表应用场所盘形送风口顶棚送风口侧送风口广播室 3.0~4.5 4.0~4.5 2.5医院疗房 4.0~4.5 4.5~5.0 2.5~3.0饭店房间、会客室 4.0~5.0 5.0~6.0 2.5~4.0百货公司、剧场 6.0~7.5 6.2~7.5 5.0~7.0教室、图书馆、办公室 5.0~6.0 6.0~7.5 3.5~4.5注:标准风口的规格查阅《中央空调设计手册》6.3.3 风口的布置1、送风口布置间距:办公室取2.5~3.5m;商场、娱乐产所取4~6m。
(完整word版)外墙空调风道施工方案外墙空调风道施工方案1. 引言本文档旨在提供一份外墙空调风道施工方案,以确保施工过程顺利进行并符合相关要求。
2. 施工准备在进行风道施工前,需要进行以下准备工作:- 确定施工区域:根据需求确定外墙空调风道的位置和长度。
- 清理施工区域:将施工区域清理干净,确保没有障碍物和垃圾。
- 准备施工材料和设备:准备好所需的风道材料、工具和设备。
3. 施工步骤风道施工包括以下步骤:1. 定位和标注:根据设计图纸,在外墙上标出风道的位置,确保准确性和一致性。
2. 预留开孔:使用适当的工具,在标注位置预留空调风道的开孔。
3. 安装风道:根据设计要求,将风道逐段安装在开孔处,并确保连接牢固。
4. 密封处理:在风道连接处进行密封处理,以防止漏风或渗水。
5. 确认安装质量:确保风道安装位置准确,连接牢固,无明显缺陷。
6. 结束清理:清理施工现场,清除施工材料和垃圾。
4. 安全措施在进行外墙空调风道施工时,需要注意以下安全措施:- 工作人员需佩戴必要的个人防护装备,如安全帽、手套和口罩。
- 确保施工现场周围的安全警示标志醒目可见。
- 对施工区域进行周边隔离,以防止非工作人员进入。
- 确保施工现场的通风良好,避免有害气体积聚。
5. 施工验收施工完成后,需要进行验收以确保施工质量符合要求:- 检查风道的安装位置和连接质量。
- 测试风道是否密封良好,无漏风现象。
- 确认风道没有明显的缺陷或损坏。
- 核实施工过程中遵守了相关安全规定。
6. 总结本文档提供了一份外墙空调风道施工方案,涵盖了施工准备、施工步骤、安全措施和施工验收等内容。
通过遵循该方案,可确保外墙空调风道的安装质量和施工过程的顺利进行。
XXXX空调通风系统安装工程施工组织设计建设单位:编制单位:编制日期:年月日目录一、编制依据 ............................................ - 3 -二、施工内容 ............................................ - 3 -三、施工方案 ............................................ - 3 -(一)设备运输方法 ................................................. - 3 -(二)热泵机组的安装 ............................................... - 4 -(三)水泵安装 ..................................................... - 5 -(四)空调机组的安装 ............................................... - 6 -(五)空调室外机组的安装 ........................................... - 6 -(六)风机盘管的安装 ............................................... - 7 -(七)风机的安装 ................................................... - 8 -(八)风管及其部件的制作安装........................................ - 9 -(九)空调冷媒系统安装方法及技术措施............................... - 13 -(十)机房管道安装 ................................................ - 22 -(十一)空调水系统管道冲洗、试压................................... - 25 - (十二)管道防腐与保温 ............................................ - 27 - (十三)系统调试和试运行 .......................................... - 30 - 四、劳动力安排、进度计划、施工机具........................... - 36 -五、质量控制措施 ....................................... - 38 -六、安全防护措施 ....................................... - 48 -七、成品保护措施 ....................................... - 53 -八、降低成本措施 ....................................... - 54 -九、文明施工管理、环境保护措施.......................... - 54 -一、编制依据《民用建筑热工设计规范》(GB50176-93)《公共建筑节能设计标准》(GB50189-2005)《实用供热空调设计手册》(第二版)《民用建筑供暖通风与空气调节设计规范》(GB50736-2012)《云南省民用建筑节能设计标准》(DBJ53/T-39-2011)《通风与空调工程施工质量验收规范》(GB50304-2012)《建筑给水排水及采暖工程施工质量验收规范》(GB50242-2002)《建筑设计防火规范》(GB50016-2006)《旅游饭店星级的划分与评定》(GB/T14308-2010)《通风与空调工程施工质量验收规范》(GB50234-2002)二、施工内容本工程包含1#楼、2#楼、3#楼、4#楼的中央空调系统、平时通风系统、热水系统的安装。
XXXXXX有限公司风道设计规范编制:校对:审核:批准:2017- - 发布 2017- - 实施前言本规范的主要目的在于提高汽车乘坐的舒适性以及汽车空调系统的通风性能。
1、范围本文件适用于XXXXXX有限公司本部乘用车仪表板风道总成(以下简称风道总成),事业部/分子公司遵照执行。
2、规范性引用文件GB 11555-2009 汽车风窗玻璃除霜和除雾系统的性能要求及试验方法GB 11556-2009 汽车风窗玻璃除霜系统的性能要求及试验方法3、术语和定义新风口:指将车外新鲜空气导入车内部的部件。
新风过度风道:指从新风口道HV AC入风口中间的进风管道。
前风道:指输送前HV AC入风口之间的进风管道。
后风道:指输送后HV AC入风口之间的进风管道。
本指南适用于汽车仪表板风道总成系列,一般包括除霜风管总成、吹面风道总成、及包覆风道表面泡棉等系列。
全车风道总成的功能为:运输暖风机吹出的风,保证吹出来的风在风道中按要求的截面积、要求的风速、风量和要求的方向且以最小的压力损失吹到驾驶室及前挡风玻璃和前排侧玻璃;材料性能满足以下要求;GB 8410 - 2006 《汽车内饰材料的燃烧特性》GB/T 30512-2014 《汽车禁用物质要求》GB/T 27630-2011 《乘用车内空气质量评价指南》4、概述在整个汽车空调系统中,风道和出风口组成空调通风系统,担负着将经过处理(温度调节,湿度调节,精华)的气流送到汽车驾驶舱内,以完成驾驶舱内通风,制冷,加热,除霜除雾,净化空气等的功能。
风道连接空调器与出风口,是空调系统中制冷和制热空气的通道。
目前空调系统由空调厂商加工设计,车厢内的空气流场与温度流场不仅与车厢结构以及空调制冷系统密切相关。
风道的布置走向、风道占用空间(截面积)以及风道中空气的流速等均影响车厢内的制冷效果,影响系统的经济性和外观造型。
5、主要设计内容1、配合样件测量2、根据点云逆向初步设计3、确定风道布置方式和安装方式4、确定风道的成型加工方式5、建立三维数模6、根据造型改动要求修改风道设计7、进行二维图设计8、与模具厂及制造商进行协调,修改设计6、设计规范6.1 材料选择风道总成部件常用材料见表1,实际设计时可根据需要适当调整。
空调系统风道的设计1.确定空调系统风道形式,合理布置风道,并绘制风道系统轴测图,作为水力计算草图。
2.在计算草图上进行管段编号,并标注管段的长度和风量。
管段长度一般按两管件中心线长度计算,不扣除管件(如三通、弯头)本身的长度。
3.选定系统最不利环路,一般指最远或局部阻力最多得环路。
4.根据造价和运行费用的综合最经济的原则,选择合理的空气流速。
根据经验总结,风管内的空气流速可按P111表6.3确定。
5.根据给定风量和选定流速,逐段计算管道断面尺寸,并使其符合表6.1所列的矩形风管统一规格。
然后根据选定了的断面尺寸和风量,计算出风道内实际流速。
通过矩形风管的风量G可按下式计算: G=3600abυ (m3/h) 式中 a,b-分别为风管断面净宽和净高,m。
6.计算风管的沿程阻力根据沿程阻力计算公式:∆Py=∆pyl 查《风管单位长度沿程压力损失计算表》求出单位长度摩擦阻力损失∆py,再根据管长l,计算出管段的摩擦阻力损失。
7.计算各管段局部阻力根据局部阻力计算公式: ∆Pj=ζ×υ2ρ/2 查《局部阻力系数ζ计算表》取得局部阻力系数ζ值,求出局部阻力损失。
8.计算系统的总阻力,∆P=∑(∆p yl +∆Pj )。
9.检查并联管路的阻力平衡情况。
10.根据系统的总风量、总阻力选择风机。
假定流速法,你可以看看空调简明手册参数都可以查中央空调风管设计1)镀锌铁皮风管:防火等级A级(不燃),一般在现场制作,安装成本高,用时多;适用于大型的风管制作,一般从外部进行保温处理,使用时期长;2)铝塑复合风管:防火等级B1级(难燃),现场裁切,安装便利,适用于各种场合;3)高分子板:防火等级B1级(难燃),现裁切粘贴,施工方便,由于材质本身较软,适用于局部较短的风管制作;4)保温配套软管:防火等级B1级(难燃),用于成型风管难以安装的情况下,由于阻力大,单管使用长度不超过 2m。
对于小型中央空调系统,一般采用20㎜厚铝塑复合风管,如采用镀锌铁皮风管,板材厚度要求见下表:板材厚度(㎜)矩形风管的长边b或圆形风管直径D0.5D(b)≤3200.6320<D(b)≤6300.75630<D(b)≤100011000<D(b)≤20001.22000<D(b)≤40002.风速设计:确定风管内的合理流速,在输送空气量一定的情况下,增大流速可使风管断面积减小,制作风管所消耗的材料,制作费用等降低,但同时也会增加空气流经风管的流动阻力和气流噪声,增大空调系统的运行费用;减小风速则可降低输送空气的动力损耗,节省空调系统的运行费用,降低气流噪声,但却增加风管制作消耗的材料及制作费用;因此需要选取一个合理的经济流速。
施工组织设计第一节工程概况第二节项目班子组成为保障工程工期和工程质量,公司决定成立“海口地王商贸中心空调施工”项目经理部;项目经理由具有丰富施工经验和组织指挥能力的人员担任,统一组织、管理、协调。
下设专业的技术、质检、安全、物资等部门,配备相关专业工程师层层把关,全方位控制工程进度计划,技术质量、安检和日常管理工作。
第三节施工方案一、现场准备1、施工管理组织为保障工程工期和工程质量,项目经理由具有丰富施工经验和组织指挥能力的人员担任,统一组织、管理、协调。
下设专业工种的技术、质检、安全、物资等部门,配备相关专业工程师层层把关,全方位控制工程进度计划,技术质量、安检和日常管理工作。
2、劳动力组织根据本工程实际情况合理组织劳动力,本工程开工后我公司计划分为三个阶段开展施工作业,同时结合各工序段的特点,劳动力计划安排具体情况如下:1)3、主要施工机械设备列表工作前,必须认真熟悉机械构造、性能、用途和操作方法。
传动部分润滑油应充足,传动应灵活,机械零部件无缺损或松动。
5、临时供电、供水:电源、水源由业主提供具体的位置,从指定位置架设临时线路,配备配电箱,敷设临时用水管线。
6、清理施工范围内的各种障碍物。
二、技术准备1、组织各专业施工管理人员及技工,认真熟悉施工图。
详细了解工程性质、规模、工程服务对象及系统的工作原理,了解系统的设计参数、工作方式及系统的划分和组成,为图纸会审作好充分准备。
2、按各专业施工图的设计要求明确选用国标、院标、图集和其他技术资料,同时根据设计图纸的要求对设备及配件的生产厂家“产品说明书中”的规格型号、尺寸进行认真核对。
3、参考土建图:复核结构施工图、建筑施工图中的板、柱、地面、楼面、墙、屋面的预留洞、预埋铁件,设备基础和支吊架位置与主要尺寸。
4、参考其他安装专业施工图:对其他安装专业的管道走向、坐标与本专业之间的交叉配合应进行综合校核,在各类管道密集处应绘出管线平面图和剖面图。
5、施工顺序:根据本工程的特点进行分段管理的流水作业段,实行分段管理工作面,平行流水施工为主、交叉施工为辅。
3。
I汽车风道通用设计规范3。
1. 风道系统设计需考虑的因素在汽车风道系统设计时,要保证将其制冷和采暖设备的出风均匀地送入车厢内.在满足该使用效果的前提下,尽可能地做到结构简单,制造方便,与车内内饰设计及附件相协调。
风道系统设计时,需考虑以下因素:1. 必须考虑车身总布置设计、内饰造型设计以及底盘设计中和风道设计相关的情况;2。
由于汽车车厢空间有限,空调汽车的风道压力损失问题较为严重,因此在设计、布置风道时,应特别注意风道中的压力损失;3。
要考虑风道各支管路之间的风量平衡,各支管路之间的空气流动的压力损失差值不得超过15%,并要详细计算各支管路的沿程阻力损失;4. 必须将风道的气流噪声控制在允许的范围内,因此要对风道的风速进行控制。
通常出风口风速控制在6。
5~11m/s,新风入口处风速5~6m/s,主风道风速5。
5~8m/s,支风道风速4~5.5m/s,过滤器风速1~1.5m/s;5. 风道不能有大的泄漏点,以保证空调系统功能的发挥;6。
对风道要进行隔热保温处理,以减少空气在风道输送过程中的冷、热量损失,并防止低温风道表面结露。
常用的保温材料有聚苯乙烯泡沫塑料、玻璃棉、聚氨脂泡沫塑料等,为了防止火灾,车外风道最好用泡沫石棉隔热,并用石棉布包扎;3.2. 风道中的压力损失由于汽车车室内部的空气流动受有限的车厢空间的限制,汽车空调风道的压力损失问题较为严重,风道压力损失是由沿程压力损失和局部压力损失两部分组成。
3.2。
1。
风道沿程压力损失风道沿程压力损失是空气沿风道管壁流动时,由空气与管壁之间的摩擦、空气分子与分子之间的摩擦而产生。
风道单位长度的沿程压力损失p m (又称比摩阻)的计算式如下: 2412ρυλs m R p = 式中:λ——摩擦阻力系数;ν——风道内空气的平均速度(m/s);R S ——风道的水力半径(m);R S =A/P ;A -—风道的过流横截面面积(m 2);P --风道的周长(m );摩擦阻力系数λ是雷诺数Re 和管壁粗糙度n 的函数。
第一章、工程概况本工程位于广州市南沙区广隆管理区环岛西路,由广州城建开发南沙房地产有限公司投资兴建成,广州瀚华建筑设计公司设计,广州城建开发工程监理有限公司监理。
本项目工程总建筑面积11.04 万m2,范围包括商住楼、综合楼及G型别墅,其中地下室为共用建筑现积28196㎡,商住楼建成筑面积20268.34㎡首层商业群楼建筑面积4962.3㎡,综合楼建筑面积42498.4㎡,G型别墅建筑面积14538.91㎡。
为搞好滨海花园三期H型住宅、K型办公楼、G型住宅、J型综合楼建安工程空调通风系统分项工程的施工,全面贯彻落实施工企业ISO9001:2000体系,保证工程的顺利实施,确保质量量、保证工期,圆满地完成整个工程,我们根据业主提供的广州瀚华建筑设计公司设计的设计图纸,特制定以下施工组织设计方案,并严格按此方案执行。
本工程的通风空调系统包括空调、通风、机械防烟、机械排风系统、自然排烟系统、及机械加压送风系统、自然补风、机械补风系统。
第二章、工程特点1、综合性强、配合协调要求高,风、水、电、消防、弱电各系统安装工程及土建装修基本上同时进行,各专业之间叉作业,工作面重叠,且估计不可避免的设计变更修改,对各专业、各系统协调工作要求相当高,协调工作量十分大,各方须互相配合协作,方可确保工程顺利实施。
2、质量要求高、工期要求严格本工程质量按国家建筑安装工程现行施工验收规范及质量检验评定为标准,以设计图纸、施工说明书等技术文件为依据进行施工,保证工程质量达到合格工程质量标准。
本工程的工期是硬性工期,只能提前,所以必须要对整个工程进度作出周密细致的安排,确保工程能提前完工。
第三章、工程难点多专业,多工种在同一空间位置布管和布线,施工难度大,要花相当多精力与心血保证各专业工种的管线布置合理、有序、整齐。
系统的技术要求高,竣工资料和文件严格按照科学技术档案案卷构成的要求执行。
产品保护,由于工程规模大、层面多,各施工单位人员素质高低不同,要各施工单位的管理人员共同努力,花大力气教育和管理好全体现场施工人员,做好产品保护。
/zykt/2/2.1.html第8章空调系统风道设计§8.1风道设计的基本知识一、道的布置原则风道布置直接与工艺、土建、电气、给排水等专业关系密切,应相互配合、协调一致。
1.空调系统的风道在布置时应考虑使用的灵活性。
2.风道的布置应符合工艺和气流组织的要求。
3.风道的布置应力求顺直,避免复杂的局部管件。
4.风管上应设置必要的调节和测量装置(如阀门、压力表、温度计、风量测定孔、采样孔等)或预留安装测量装置的接口。
5.风道布置应最大限度地满足工艺需要,并且不妨碍生产操作。
6.风道布置应在满足气流组织要求的基础上,达到美观、实用的原则。
二、管材料的选择用作风管的材料有薄钢板、硬聚氯乙烯塑料板、玻璃钢板、胶合板、铝板、砖及混凝土等。
需要经常移动的风管—大多采用柔性材料制成各种软管,如塑料软管、金属软管、橡胶软管等。
薄钢板有普通薄钢板和镀锌薄钢板两种,厚度一般为0.5~1.5m m 左右。
对于有防腐要求的空调工程,可采用硬聚氯乙烯塑料板或玻璃钢板制作的风管。
硬聚氯乙烯塑料板表面光滑,制作方便,但不耐高温,也不耐寒,在热辐射作用下容易脆裂。
所以,仅限于室内应用,且流体温度不可超过-10~+60℃。
以砖、混凝土等材料制作风管,主要用于与建筑、结构相配合的场合。
为了减少阻力、降低噪声,可采用降低管内流速、在风管内壁衬贴吸声材料等技术措施。
三、风管断面形状的选择风管断面形状:圆形断面的风管—强度大、阻力小、消耗材料少,但加工工艺比较复杂,占用空间多,布置时难以与建筑、结构配合,常用于高速送风的空调系统;矩形断面的风管—易加工、好布置,能充分利用建筑空间,弯头、三通等部件的尺寸较圆形风管的部件小。
为了节省建筑空间,布置美观,一般民用建筑空调系统送、回风管道的断面形状均以矩形为宜。
常用矩形风管的规格如下表所示。
为了减少系统阻力,进行风道设计时,矩形风管的高宽比宜小于6,最大不应超过10。
表8-1矩形风管规格§8.2风道设计的基本任务进行风道设计时应统筹考虑经济、实用两条基本原则。
1.确定风管的断面形状,选择风管的断面尺寸。
2.计算风管内的压力损失,最终确定风管的断面尺寸,并选择合适的通风机。
风管的压力损失△P由沿程压力损失△P y和局部压力损失△P j两部分组成:△P=△P y+△P j(P a)(一)沿程压力损失的基本计算公式沿程压力损失是由于空气本身的粘滞性及其与管壁间的摩擦而产生的沿程能量损失,又称为摩擦阻力损失。
长度为l(m)的风管沿程压力损失可按下式计算:△P y=△p y l(P a)△p y—单位管长沿程压力损失,也称为单位管长摩擦阻力损失,P a/m。
△p y=λ/d e×υ2ρ/2(P a)式中ρ—空气密度,标准状况下ρ=1.2k g/m3;υ—风管内空气的平均流速,m/s;d e—风管的当量直径,m,圆形风管的当量直径d e=d,d为风管直径;矩形风管的当量直径d e=2a b/(a+b),a、b分别为矩形风管的两个边长;λ—摩擦阻力系数:1/√λ=-2l o g(K/3.71d e+2.51/R e√λ)式中K—风管内壁的当量绝对粗糙度,各种材料的粗糙度如下表:8-2各种材料的粗糙度表R e—雷诺数:R e=υd e/νν—空气的运动粘度,标准状况下,ν=15.06×10-6m2/s。
风管的沿程压力损失可按上述诸公式进行计算,也可查阅附录13以及有关设计手册中《风管单位长度沿程压力损失计算表》进行计算:标准尺寸的圆形断面薄钢板风管计算表见附录13-1;标准尺寸的矩形断面薄钢板风管计算表见附录13-2;非标准尺寸的矩形断面薄钢板风管计算表见附录13-3。
(二)局部压力损失的基本计算公式局部压力损失△P j是空气流经风管中的管件及设备时,由于流速的大小和方向变化以及产生涡流而造成比较集中的能量损失。
风管的局部压力损失计算公式如下:△P j=ζ×υ2ρ/2(P a)式中ζ—局部阻力系数;υ—ζ与之对应的断面流速。
影响局部阻力系数ζ的主要因素有:管件形状、壁面粗糙度以及雷诺数。
附录14中载有各种各样管件的局部阻力系数ζ计算表,可供设计时选用。
§8.3风道设计计算的方法与步骤一.风道水力计算方法风道的水力计算是在系统和设备布置、风管材料、各送、回风点的位置和风量均已确定的基础上进行的。
风道水力计算方法比较多,如假定流速法、压损平均法、静压复得法等。
对于低速送风系统大多采用假定流速法和压损平均法,而高速送风系统则采用静压复得法。
1.假定流速法假定流速法也称为比摩阻法。
这种方法是以风道内空气流速作为控制因素,先按技术经济要求选定风管的风速,再根据风管的风量确定风管的断面尺寸和阻力。
这是低速送风系统目前最常用的一种计算方法。
2.压损平均法压损平均法也称为当量阻力法。
这种方法以单位管长压力损失相等为前提。
在已知总作用压力的情况下,取最长的环路或压力损失最大的环路,将总的作用压力值按干管长度平均分配给环路的各个部分,再根据各部分的风量和所分配的压力损失值,确定风管的尺寸,并结合各环路间的压力损失的平衡进行调节,以保证各环路间压力损失的差值小于15%。
一般建议的单位长度风管的摩擦压力损失值为0.8~1.5P a/m。
该方法适用于风机压头已定,以及进行分支管路压损平衡等场合。
3.静压复得法静压复得法的含义是,由于风管分支处风量的出流,使分支前后总风量有所减少,如果分支前后主风道断面变化不大,则风速必然下降。
风速降低,则静压增加,利用这部分“复得”的静压来克服下一段主干管道的阻力,以确定管道尺寸,从而保持各分支前的静压都相等,这就是静压复得法。
此方法适用于高速空调系统的水力计算。
<<返回二.风道水力计算步骤以假定流速法为例:1.确定空调系统风道形式,合理布置风道,并绘制风道系统轴测图,作为水力计算草图。
2.在计算草图上进行管段编号,并标注管段的长度和风量。
管段长度一般按两管件中心线长度计算,不扣除管件(如三通、弯头)本身的长度。
3.选定系统最不利环路,一般指最远或局部阻力最多的环路。
4.选择合理的空气流速。
风管内的空气流速可按下表确定。
表8-3空调系统中的空气流速(m/s)5.根据给定风量和选定流速,逐段计算管道断面尺寸,然后根据选定了的风管断面尺寸和风量,计算出风道内实际流速。
通过矩形风管的风量:G=3600a bυ(m3/h)式中:a,b—分别为风管断面净宽和净高,m。
通过园形风管的风量:G=900πd2υ(m3/h)式中:d—为圆形风管内径,m。
6.计算风管的沿程阻力根据风管的断面尺寸和实际流速,查阅查阅附录13或有关设计手册中《风管单位长度沿程压力损失计算表》求出单位长度摩擦阻力损失△p y,再根据管长l,进一步求出管段的摩擦阻力损失。
7.计算各管段局部阻力按系统中的局部构件形式和实际流速υ,查阅附录14或有关设计手册中《局部阻力系数ζ计算表》取得局部阻力系数ζ值,再求出局部阻力损失。
8.计算系统的总阻力,△P=∑(△p y l+△P j)。
9.检查并联管路的阻力平衡情况。
10.根据系统的总风量、总阻力选择风机。
<<返回三.风道设计计算实例某公共建筑直流式空调系统,如图所示。
风道全部用镀锌钢板制作,表面粗糙度K=0.15m m。
已知消声器阻力为50P a,空调箱阻力为290 P a,试确定该系统的风道断面尺寸及所需风机压头。
图中:A.孔板送风口600×600;B.风量调节阀;C.消声器;D.防火调节法;E.空调器;F.进风格栅[解]1.绘制系统轴测图,并對各管段进行编号,标注管段长度和风量。
2.选定最不利环路,逐段计算沿程压力损失和局部压力损失。
本系统选定管段1—2—3—4—5—6为最不利环路。
3.列出管道水力计算表8-4,并将各管段流量和长度按编号顺序填入计算表中。
4.分段进行管道水力计算,并将结果均列入计算表8-4中。
管段1—2:风量1500m3/h,管段长l=9m沿程压力损失计算:初选水平支管空气流速为4m/s,风道断面面积为:F’=1500/(3600×4)=0.104m2取矩形断面为320×320m m的标准风管,则实际断面积F=0.102m2,实际流速υ=1500/(3600×0.102)=4.08m/s根据流速 4.08m/s,查附录13,得到单位长度摩擦阻力△p y=0.7P a/m,则管段1—2的沿程阻力:△P y=△p y×l=0.7×9=6.3P a局部压力损失计算:该管段存在局部阻力的部件有孔板送风口、连接孔板的渐扩管、多叶调节阀、弯头、渐缩管及直三通管。
孔板送风口:已知孔板面积为600×600m m,开孔率(即净孔面积比)为0.3,则孔板面风速为υ=1500/(3600×0.6×0.6)=1.16m/s根据面风速 1.16m/s和开孔率0.3,查附录14序号35,得孔板局部阻力系数ζ=13,故孔板的局部阻力△p j1=13×(1.2×1.162)/2=10.5P a渐扩管:渐扩管的扩张角α=22.5°,查附录14序号4,得ζ=0.6,渐扩管的局部阻力△p j2=0.9×(1.2×4.082)/2=5.99P a多叶调节阀:根据三叶片及全开度,查附录14序号34,得ζ=0.25,多叶调节阀的局部阻力△p j3=0.25×(1.2×4.082)/2=2.5P a弯头:根据α=90°,R/b=1.0,查附录14序号9,得ζ=0.23,弯头的局部阻力△p j4=0.23×(1.2×4.082)/2=2.3P a渐缩管:渐缩管的扩张角α=30°<45°,查附录14序号7,得ζ=0.1,渐缩管的局部阻力△p j5=0.1×(1.2×4.082)/2=1P a直三通管:根据直三通管的支管断面与干管断面之比为0.64,支管风量与总风量之比为0.5,查附录14序号19,得ζ=0.1,则直三通管的局部阻力△P j6=0.1×(1.2×5.22)/2=1.6P a(取三通入口处流速)该管段局部阻力:△P j=△p j1+△p j2+△p j3+△p j4+△p j5 +△P j6=10.5+5.99+2.5+2.3+1+1.6=23.89P a该管段总阻力△P1-2=△P y+△P j=6.3+23.89=30.19P a管段2—3:风量3000m3/h,管段长l=5m,初选风速为5m/s。
沿程压力损失计算:根据假定流速法及标准化管径,求得风管断面尺寸为320×500m m,实际流速为 5.2m/s,查得单位长度摩擦阻力△p y=0.8P a/m,则管段2—3的沿程阻力△P y=△p y×l=0.8×5=4.0P a局部压力损失计算:分叉三通:根据支管断面与总管断面之比为0.8,查附录14序号21,得ζ=0.28,则分叉三通管的局部阻力△P j=0.28×(1.2×6.252)/2= 6.6P a.(取总流流速)该管段总阻力△P2-3=△P y+△P j=4.0+6.6=10.6P a管段3—4:风量4500m3/h,管段长l=9m,初选风速为6m/s。