屋面工程量计算规则
- 格式:doc
- 大小:57.00 KB
- 文档页数:3
第六章屋盖工程说明本章根据各种屋架、瓦材屋面、彩钢板屋面、钢筋砼屋面、砼檐沟、预应力天沟、保温隔热、屋面排水、屋面水箱等标准图集的常用做法编制(选型的图集编号见相应项目)了综合定额,还编制了配套使用的屋面檐沟卷材、刚性、涂膜防水层单项定额。
凡设计选型做法同本定额者,可直接套用,不同者按定额规定换算。
一、主要项目综合内容如下:l、屋架:钢筋砼屋架、钢木屋架现场制作、安装;钢屋架及金属构件加工厂制作、场外运输、安装、油漆。
2、瓦材屋面:屋面基层(屋面板或木椽子挂瓦条)、瓦屋面、屋脊(水泥彩瓦屋面的屋脊封山未综合在屋面内,应另列项目计算)。
3、C、Z轻钢檩条:檩条制作和螺栓安装、场内外运输、檩条之间拉条制安、油漆等。
4、预制板屋面:空心板制安、场内外运输、板底抹灰、预制板面上水泥砂浆或细石砼找平层。
5、现浇板(包括平、有梁、无梁、斜板)屋面:砼、模板、水泥砂浆找平层、板底抹灰。
6、钢筋砼檐沟、挑檐:砼、模板、沟内细石砼找坡、沟内底及侧面抹灰、板底抹灰。
7、屋面水箱:砌水箱脚、砼、钢筋、模板、水箱内、外抹灰、爬梯制安、油漆等。
二、金属构件均考虑在加工厂制作,定额中已综合了15公里的场外运输和单件重在0.5吨内的场内运输,单件重在0.5吨以上的场内运输按省估价表的规定及相应项目执行。
三、C、Z型轻钢檩条定额内综合了圆钢拉杆(螺栓连结)的制作安装,含量与设计不符应调整。
四、经建设单位认可使用轮胎式起重机或汽车式起重机安装的项目、单层厂房屋盖系统构件必须在跨外安装、履带式起重机安装点高度超过20米的安装应按省估价表第七章的规定执行。
五、砼构件、金属构件安装所需的脚手架费用已包括在相应项目单价中,预制砼构件的场内、外运输及安装损耗已包括在含量中,均不得另计。
六、钢屋架单榀重量在0.5吨以下者,应执行轻型钢屋架定额。
七、钢筋砼屋面基层为分预制板、现浇板;现浇钢筋砼檐沟分为底板、侧板、挑檐三部分,均应分别计算,板底抹灰已按苏J9501有关项目选型编制,板底刷涂料以带括号的形式列出了含量;屋面基层上的找平层分为水泥砂浆、细石砼应分别套用,设计找平层的品种、厚度不同,单价应换算,不设置找平层应扣除。
屋面工程量计算规则及公式1.面积计算屋面工程的面积计算是最基本的工程量计算。
常见的屋顶形状有平面、斜面和曲面等,不同形状的屋顶面积计算方法有所不同。
以下是一些常见情况的计算公式:平面屋顶面积计算:面积=长度×宽度斜面屋顶面积计算:面积=整个斜面的平面面积曲面屋顶面积计算:面积=整个曲面的平面面积2.瓦片计算如果屋顶采用瓦片覆盖,瓦片的数量计算是非常重要的。
瓦片数量的计算公式如下:瓦片数量=屋面面积/单个瓦片的面积+浪费面积其中,浪费面积是考虑到瓦片的裁剪和安装需要留出一定的浪费面积。
3.防水层计算在屋面工程中,防水层是非常重要的一部分。
防水层的计算包括防水材料的数量和面积计算。
防水层面积的计算公式如下:防水层面积=屋面面积+管道、暗槽等局部部位的面积防水材料的数量计算需要根据具体的材料规格和施工要求进行。
4.细部构件计算细部构件是指屋顶上的一些边角、排水系统、通风管道等零部件。
细部构件的计算包括数量计算和规格计算。
数量计算根据实际需要进行,规格计算需要根据设计要求进行。
5.屋面下垂计算屋面下垂是指屋面的边沿向下延伸的部分,它的计算需要根据具体的设计要求进行。
常见的计算公式如下:下垂面积=下垂长度×下垂宽度下垂面积是用来计算所需材料数量的基础。
总之,屋面工程量计算是屋面施工过程中非常重要的一个环节。
通过合理的计算规则和公式,可以准确确定材料的数量和规格,从而提高施工的效率和质量。
在实际应用中,还需要根据具体的工程要求和实际情况灵活运用这些计算规则和公式。
屋面及屋面防水工程量计算规则一、瓦、型材屋面(一)瓦屋面,按设计图示尺寸以斜面积计算。
不扣除房上烟囱、风帽底座、风道、小气窗、斜沟等所占面积,小气窗的出檐部分也不增加面积;天窗出檐与屋面重叠部分的面积,应并入屋面工程量计算。
(二)GRC屋面、镀锌铁皮屋面,按实铺面积计算。
(三)仿古屋面铺望瓦、铺瓦工程量按屋面图示设计尺寸,以实铺面积计算;不扣除脊所占面积,过垄脊计算屋面工程量时,应扣除过垄脊所占面积,过垄脊面积以一匹折腰瓦弧长两边各加一匹续折腰瓦长度为过垄脊宽度乘过垄脊长度计算。
(四)屋脊(包括过垄脊)工程量以延长米计算,应扣除吻(兽)、中堆(宝顶)、垂脊头和爪角尖(爪角叶子)的底座所占长度。
脊的做法、用料和脊本身高度不同时,应分别计算工程量。
(五)钉瓦钉、檐头附件的工程量,按延长米计算;硬山、悬山建筑算至博风外皮,爪角部分按外吊檐板外边线长度计算。
(六)披水梢垄按延长米计算,由沟头外皮算至正脊中心线。
(七)博脊长度算至挂尖外皮。
(八)脊、吻(兽)、中堆(宝顶)、垂脊头、爪叶子均按“个”计算。
(九)锤灰泥塑、脊(贴塑)按“m2”计算。
(十)墙帽按墙中心线以“延长米”计算。
(十一)檐头抹扇形瓦头、火连圈的工程量,以“延长米”计算。
(十二)玻璃钢瓦屋面、金属压型钢板屋面、阳光板屋面按实铺面积计算。
(十三)膜结构屋面,按设计图示尺寸以需要覆盖的水平面积计算。
二、屋面、地面防水(一)屋面卷材、涂膜防水,按设计图示尺寸以面积计算。
斜屋顶(不包括平屋顶找坡)按斜面积计算,平屋顶按水平投影面积计算;不扣除房上烟囱、风帽底座、风道、屋面小气窗和斜沟所占面积;屋面女儿墙、山墙、天窗、变形缝、天沟等处的弯起部分应按图示尺寸(如图纸无规定时,女儿墙和缝弯起高度可按 300mm、天窗可按500mm)计算,并入屋面工程量内。
(二)地面防水,按主墙间净空面积计算。
扣除凸出地面的构筑物、设备基础等所占面积,不扣除间壁墙及单个0.3m2以内的柱、垛、烟囱和孔洞所占面积。
屋面及防水工程工程工程量计算规则1.屋面材料计算规则:屋面材料计算主要包括瓦片、木材、钢材等的数量计算。
计算时需考虑材料的尺寸、面积和浪费率等因素。
2.屋面人工计算规则:屋面人工计算主要包括瓦工、木工等的工时计算。
计算时需考虑工种、工作内容和工时等因素。
3.屋面设备计算规则:屋面设备计算主要包括起重机、吊篮等的数量计算。
计算时需考虑设备的使用频率和工作效率等因素。
4.屋面工程量综合计算规则:根据屋面的设计要求、材料要求和施工工艺要求等因素,综合计算出屋面的总工程量。
1.防水材料计算规则:防水材料计算主要包括防水涂料、防水卷材等的数量计算。
计算时需考虑材料的尺寸、面积和浪费率等因素。
2.防水人工计算规则:防水人工计算主要包括防水工、焊接工等的工时计算。
计算时需考虑工种、工作内容和工时等因素。
3.防水设备计算规则:防水设备计算主要包括焊接机、喷涂机等的数量计算。
计算时需考虑设备的使用频率和工作效率等因素。
4.防水工程量综合计算规则:根据防水的设计要求、材料要求和施工工艺要求等因素,综合计算出防水的总工程量。
三、常见计算方法和公式1.屋面瓦片材料计算公式:屋面瓦片数量=屋面面积/单片瓦片面积×浪费率2.屋面瓦工人工计算公式:屋面瓦工工时=屋面面积/日人均施工面积×单片瓦工工时3.防水涂料材料计算公式:防水涂料数量=防水面积/每平方米涂料用量×浪费率4.防水工人工计算公式:防水工工时=防水面积/日人均施工面积×单平方米工时以上是屋面及防水工程工程量计算规则的基本内容,希望能对您有所帮助。
屋面工程量的计算规则屋面、防水、保温及防腐工程章前说明一、本章包括屋面、防水、保温、排水、变形缝与止水带、耐酸防腐等内容。
二、屋面(一)设计屋面材料规格与定额规格(定额未注明具体规格的除外)不同时,可以换算,其他不变。
(二)彩钢压型板屋面檩条,定额按间距1~1.2m编制,设计与定额不同时,檩条数量可以换算,其他不变。
三、防水(一)定额防水项目不分室内、室外及防水部位,使用时按设计做法套用相应定额。
(二)卷材防水的接缝、收头、附加层及找平层的嵌缝、冷底子油等人工、材料,已计入定额中,不另行计算。
(三)细石混凝土防水层,使用钢筋网时,按有关章节规定计算。
四、保温(一)本节定额适用于中温、低温及其恒温的工业厂(库)房保温工程,以及一般保温工程。
(二)保温层种类和保温材料配合比,设计与定额不同时可以换算,其他不变。
(三)混凝土板上保温和架空隔热,适用于楼板、屋面板、地面的保温和架空隔热。
(四)立面保温,适用于墙面和柱面的保温。
(五)本节定额不包括保护层或衬墙等内容,发生时按相应章节套用。
(六)隔热层铺贴,除松散保温材料外,其他均以石油沥青作胶结材料。
松散材料的包装材料及包装用工已包括在定额中。
(七)墙面保温铺贴块体材料,包括基层涂沥青一遍。
五、变形缝断面定额取定如下:建筑油膏、聚氯乙烯胶泥30mm×20mm;油浸木丝板150mm×25mm;木板盖板200mm×25mm;紫铜板展开宽450mm;氯丁橡胶片宽300mm;涂刷式氯丁胶贴玻璃纤维布止水片宽350mm;其他均为150mm×30mm。
设计与定额不同时,变形缝材料可以换算,其他不变。
六、耐酸防腐(一)整体面层定额项目,适用于平面、立面、沟槽的防腐工程。
(二)块料面层定额项目按平面铺砌编制。
铺砌立面时,相应定额人工乘以系数 1.30,块料乘系数 1.02,其他不变。
(三)花岗石板以六面剁斧的板材为准。
如底面为毛面者,每10m2定额单位耐酸沥青砂浆增加0.04m3。
屋面及防水工程工程量计算规则1.面积计算:计算屋面面积时,通常按照水平投影面积进行计算,即将屋面平面投射到水平面上,计算投影面积。
根据屋面形状的不同,可以将其分为矩形、三角形、梯形、多边形等不同的区域计算方式。
2.周长计算:计算屋面周长时,通常按照屋面外边缘进行测量,通过测量不同边长相加来计算周长。
3.坡度、高度计算:屋面坡度可以通过测量屋顶的高度变化来计算,一般以竖直高度变化与水平距离的比例来表示。
同时,还需计算屋面高度,即屋顶最高点到基准面的垂直距离。
4.设置计算:屋面工程中,通常需要计算不同的设置,如设备设置、通风口设置、排水口设置等。
这些设置需要按照设计要求进行传统计算。
5.斜线计算:屋面斜线计算是计算屋面斜边长度时的方法,通常使用勾股定理来计算。
1.防水面积计算:计算防水工程的面积时,通常按照实际施工图纸上的标注进行计算,包括垂直面积和水平面积两部分。
其中,垂直面积通常体现在墙面上,水平面积体现在地面或屋面上。
2.材料用量计算:计算防水工程的材料用量时,需要根据设计要求和标准计算涂料、胶水、防水卷材等材料的用量。
计算时需要考虑到施工技术要求,例如涂料的涂布率、卷材的重叠要求等。
3.边角用量计算:防水工程中的边角通常是施工现场需要特殊处理的部位,需要计算边角材料的用量。
边角材料的用量计算通常是根据设计要求和标准进行计算。
4.排水量计算:防水工程中的排水量计算通常是指通过排水口排出的水量。
计算排水量时需要考虑到设计要求和标准,例如排水口的数量和尺寸、排水管道的斜度和直径等。
5.砂浆、胶水用量计算:防水工程中,砂浆和胶水通常用于修补或粘接防水材料,需要计算其用量。
计算时需要考虑到施工要求,例如砂浆的厚度、胶水的厚度和涂布率等。
以上是屋面及防水工程工程量计算规则的一些基本内容,实际计算时需要根据具体的项目要求和图纸设计进行计算。
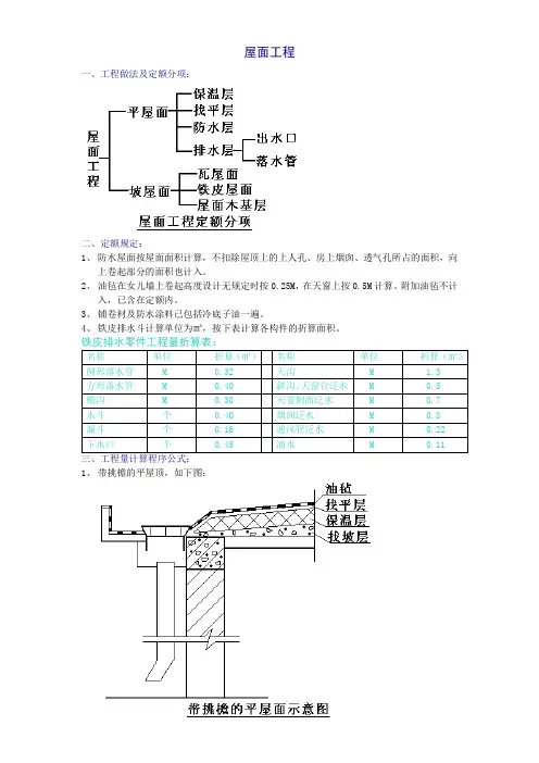
屋面工程一、工程做法及定额分项:二、定额规定:1、防水屋面按屋面面积计算,不扣除屋顶上的上人孔、房上烟囱、透气孔所占的面积,向上卷起部分的面积也计入。
2、油毡在女儿墙上卷起高度设计无规定时按0.25M,在天窗上按0.5M计算。
附加油毡不计入,已含在定额内。
3、铺卷材及防水涂料已包括冷底子油一遍。
4、铁皮排水斗计算单位为㎡,按下表计算各构件的折算面积。
1、带挑檐的平屋顶,如下图:A、屋面找坡层工程量:体积(V)=屋顶建筑面积×平均铺厚度即=屋顶建筑面积×〖最薄处厚度+1/2×[找坡长度×坡度系数]〗=?立方附:式中最薄处厚度——按施工图规定。
找坡长度——两面找坡时即铺宽度的一半。
坡度系数——按施工图规定(例如:最薄处30MM,找2%的坡)B、屋面保温层工程量:体积(V)=屋顶建筑面积×铺厚度=?立方C、找平层工程量:屋顶建筑面积(不含挑檐)=?㎡+挑檐面积=外墙外边线长(L外)×檐宽+4×檐宽2=?㎡+栏板立面面积=〖外墙外边线长(L外)+8×檐宽〗×栏板高=?㎡D、防水层工程量:同找平层=?㎡E、排水系统工程量:镀锌铁皮落水管计算展开面积,其他材料则按不同管径计算长度。
□A镀锌铁皮落水管工程量:〖落水管截面周长(M)×[±0.00至檐板底高度(H)+室内外高差(H差)-0.2]+水斗、下水口展开面积(0.85㎡)〗×道数=?㎡附:0.2——出水口至室外地坪距离及水斗高度,约200mm水斗、下水口展开面积——规定此面积为0.85㎡道数——落水管的道数,从屋顶平面图中可查到。
□B镀锌铁皮落水管油漆工程:同上面积=?㎡□C铸铁出水口工程量:以个计,每道落水管一个(有的出水口也用塑料管,要注意分清)。
有的屋面做法是先做一道屋面隔气层,即在屋面板上抹水泥砂浆找平层,刷冷底子油一度,沥青隔气层一层,然后再做找坡层、保温层等,此时公式中要增加项目:硬基上找平,隔气层。
屋面及防水工程量计算规则一、工程量计算规则(一)屋面1瓦屋面、波纹瓦屋面、型材屋面、玻璃钢瓦屋面、卷材屋面、涂膜屋面(包括挑檐部分)工程量按设计图示尺寸的水平投影面积乘以附表1中的屋面延尺系数以m2计算(图示见附图一),不扣除屋面上烟囱、风帽底座、屋面小气窗、斜沟及0∙3m2以内孔洞所占面积,屋面小气窗出檐与屋面重叠部分的面积亦不增加。
2 .天窗出檐与屋面重叠部分的面积,并入相应屋面工程量内计算。
瓦屋面出檐口的尺寸应按设计规定计算,如设计无规定时,除了小青瓦按5cm计算外,其它瓦应按7cm计算。
3 .卷材、涂膜屋面中弯起部分按设计规定计算;如设计无规定时,变形缝、女儿墙应按弯起30cm计算;天窗部分应按弯起50cm计算,并入相应屋面工程量内。
4,涂膜屋面的油膏嵌缝、玻璃布盖缝、屋面分格缝以延长m计算。
5.铁皮落水管、檐沟、泛水、水斗、雨水口等排水构件以设计尺寸按展开面积计算。
如设计图无尺寸时,可按附表2铁皮排水单体零件工程量折算表计算。
落水管的长度应按水斗下口以下的长度计算。
6,铸铁落水管应区别不同管径按设计尺寸以延长m计算。
雨水口、水斗、弯头所占位置不扣除,另按个计算。
7 .塑料落水管(PVC)应区别不同管径按设计尺寸以延长m计算。
塑料雨水口、弯头(PVC)所占位置不扣除,应另按个计算。
8 .不锈钢落水管按设计尺寸以延长m计算。
(二)防水防潮工程1.防水防潮层工程量均按设计图示尺寸以m2计算。
应扣除凸出地面的构筑物,设备基础等所占的面积,不扣除附墙柱、垛、附墙烟囱及单个面积在0.3m2以内的孔洞所占面积。
平面与立面连接处高在30cm以内者按其展开面积计算,并入相应平面定额项目工程量内,超过30cm时,按相应立面定额项目计算。
(三)变形缝1 .嵌缝工程量按不同材料的嵌绛体积以m3计算。
2 .卷材、油毡、胶合板、铁皮、木板、橡胶板等盖缝均按设计的展开面积以m2计算。
彩钢板、铝塑板盖缝按长度以延长m计算。
屋面工程量计算规则和公式屋面工程量计算规则是什么?可以使用哪些公式?请看本店铺整理的文章。
1、平屋面工程量⑴屋面面积;⑵找平层;⑶保温层;⑷屋面卷材防水;⑸铁皮;⑹UPVC雨水斗;⑺铸铁落水口⑻UPVC弯头;⑹排水管。
2、屋面工程量计算方法⑴屋面面积瓦屋面、型材屋面(包括挑檐部分)均按设计图示尺寸水平投影面积乘以屋面坡度系数(见屋面坡度系数表)以斜面积计算。
①不扣除房上烟囱、风帽底座、风道、屋面小气窗和斜沟等所占面积。
②屋面小气窗出檐与屋面重叠部分的面积不增加,但天窗出檐部分重叠的面积计入相应的屋面工程量内。
③瓦屋面的出线、披水、稍头抹灰、脊瓦加腮等工、料均不另计算。
⑵屋面防水面积屋面卷材防水、屋面涂膜防水按设计图示尺寸按面积以平方米计算。
①斜屋顶(不包括平屋顶找坡)按图示尺寸的水平投影面积乘以屋面坡度延尺系数按斜面积以平方米计算,平屋顶按水平投影面积计算,由于屋面泛水引起的坡度延长不另考虑。
②不扣除房上烟囱、风帽底座、风道、屋面小气窗和斜沟所占面积,其根部弯起部分不另计算。
③屋面的女儿墙、伸缩缝和天窗等处的弯起部分,并入屋面工程量内。
天窗出檐部分重叠的面积应按图示尺寸,以平方米计算,并入卷材屋面工程内。
如图纸未注明尺寸,伸缩缝、女儿墙可按25cm,天窗处按50cm计算。
④涂膜屋面的工程量计算同卷材屋面。
涂膜屋面的油膏嵌缝、玻璃布盖缝、屋面分隔缝,以延长米计算。
⑶屋面抹水泥砂浆找平层的工程量与卷材屋面相同。
⑷屋面保温层的工程量与卷材屋面相同。
⑸屋面工程量中铁皮、UPVC雨水斗,铸铁落水口,铸铁、UPVC 弯头、短管,铅丝网球按个计算。
⑹屋面排水管按设计图示尺寸以展开长度计算。
如设计未标注尺寸,以檐口下皮算至设计室外地平以上15cm为止,下端与铸铁弯头连接者,算至接头处。
屋面及防水工程量计算规则
1.定义工程范围:首先,需要明确工程的范围和要求。
这包括屋面和
防水的具体区域、类型和材料要求等。
例如,屋顶的面积和类型(平屋顶、斜屋顶、屋脊等),防水材料的种类(如沥青纸、PVC、TPO等)。
2.测量屋顶面积:使用适当的测量工具(如测量带、激光测距仪)测
量屋顶的面积。
根据屋顶形状的不同,可以将其划分成不同的区域进行测量,然后将这些测量结果加总。
确保考虑到屋顶突出物(如烟囱、通风口)和其他特殊区域。
3.计算材料需求:根据屋顶的面积和具体要求,计算所需的屋面材料。
这包括屋顶瓦片、水泥、沥青纸、防水膜等。
通常,材料供应商会提供每
平方米或每平方英尺的材料需求,可以根据这些数据计算所需的材料数量。
4.估算人工需求:根据工程的规模和复杂程度,估算所需的施工人员
数量。
考虑到工作的难度和时间限制,确定每个工种(如屋面工人、防水
技术员)所需的人员数量。
还需要考虑到屋顶高度和工作的安全性问题,
以确保有足够的人力资源完成工程。
5.考虑其他因素:除了材料和人力需求,还需要考虑其他因素,如工
程的预算、工期和工作计划。
这些因素应考虑在内,以确保工程的顺利进
行和按时完成。
总之,屋面及防水工程量计算规则有助于确保工程的准确测量、材料
和人力资源的有效使用。
这些规则可以根据具体的工程要求和标准进行调
整和修改,以满足不同类型的项目。
屋面及防水工程工程量计算规则屋面及防水工程量计算规则是指在建筑施工中,根据设计图纸和建筑方案,按照一定的计算规则和标准,对屋面及防水工程的数量进行精确计算的过程。
正确的工程量计算能够确保工程资金的合理使用,有利于施工单位进行合理的工程配料和施工进度的安排,从而提高工程质量和效益。
1.屋面面积计算规则:根据建筑设计图纸和方案,将屋顶按照不同的形状和结构分块,计算每个块的面积,并累加得到总的屋面面积。
常用的计算方法有简单图形的面积计算公式、复杂结构的分块计算法等。
2.防水材料量计算规则:根据设计方案和屋面的特点,计算所需的防水材料的消耗量。
防水材料可以包括涂料、沥青、高分子材料等。
计算规则应考虑材料的厚度、宽度、长度以及重叠部分的计算方法,确保防水效果和材料的利用率。
3.雨水系统计算规则:根据设计图纸和建筑方案,计算雨水系统所需的雨水管道的长度、角度、弯头数量、支撑件数量等。
计算规则应考虑雨水系统的排水能力、安全性和使用寿命,确保排水畅通和防止渗漏。
4.屋面挡水计算规则:根据屋面的形状和结构,计算挡水的长度和材料消耗量。
挡水可以是金属、塑料或橡胶等材料,计算规则应包括挡水的宽度、高度、倾斜角度以及横向和纵向的延伸长度等。
5.屋面保温计算规则:根据设计要求和所选保温材料的性能,计算保温材料的消耗量。
保温材料可以是聚苯板、硅酸盐板、岩棉板等,计算规则应考虑保温材料的厚度、面积、接缝处理以及固定方式等。
6.外墙防水计算规则:根据设计要求和外墙的特点,计算外墙防水材料的消耗量。
外墙防水材料可以是涂料、胶带、抹灰等,计算规则应考虑外墙的高度、曲线和平面形状,确保防水效果和材料的利用率。
7.防水层厚度计算规则:根据设计要求和建筑材料的性能,计算防水层的厚度。
计算规则应考虑防水层的强度、柔韧性和耐候性,确保防水层的功能和使用寿命。
此外,屋面及防水工程量计算规则还应包括材料的浪费量计算、施工过程中的人工工时计算和机械设备的使用量计算等内容。
屋面工程量计算规则在建筑施工中,屋面工程是一个非常重要的部分,它直接关系到建筑物的防水、保温和美观等功能。
在进行屋面工程施工前,需要对工程量进行准确的计算,以确保施工过程中的材料和人力资源的合理利用。
下面将介绍屋面工程量计算的一般规则和方法。
1. 屋面面积的计算。
屋面面积是屋面工程量计算的基础,通常采用平方米作为计量单位。
在计算屋面面积时,需要考虑到建筑物的实际形状,包括平面形状和坡度等因素。
一般来说,可以将屋面分成几何图形进行计算,如矩形、三角形、梯形等,然后将各部分的面积相加得到总面积。
2. 材料的计算。
在屋面工程中,常用的材料包括瓦片、防水材料、保温材料等。
在进行材料的计算时,需要考虑到材料的规格和损耗率等因素。
通常情况下,可以按照设计要求和实际施工情况确定每种材料的用量,然后进行总量的计算。
3. 人工的计算。
除了材料外,屋面工程中还需要考虑到人工的计算。
人工的计算通常包括施工人员的工时和工资等因素。
在进行人工计算时,需要考虑到施工的难易程度、工种和工作量等因素,以确定所需的人工资源。
4. 设备的计算。
在一些大型的屋面工程中,还需要考虑到设备的计算。
设备的计算通常包括施工所需的机械设备、工具和安全设备等。
在进行设备计算时,需要考虑到施工的特点和要求,以确定所需的设备资源。
5. 其他因素的考虑。
除了上述的基本规则外,屋面工程量计算还需要考虑到其他因素,如施工过程中可能出现的损耗、浪费和变更等。
在进行工程量计算时,需要对这些因素进行合理的估算和补偿,以确保施工过程中的顺利进行。
总之,屋面工程量计算是一个复杂而又重要的工作,它直接关系到施工的质量和进度。
在进行工程量计算时,需要充分考虑到各种因素,以确保计算的准确性和合理性。
只有这样,才能保证屋面工程施工的顺利进行,达到设计要求和施工标准。
斜屋面、工程量计算规则及公式2017—09—20广联达客服1、平屋面工程量(1)屋面面积;(2)找平层;(3)保温层;(4)屋面卷材防水;(5)铁皮;(6)UPVC雨水斗;(7)铸铁落水口;(8)UPVC弯头;(9)排水管.2、屋面工程量计算方法(1)屋面面积瓦屋面、型材屋面(包括挑檐部分)均按设计图示尺寸水平投影面积乘以屋面坡度系数(见屋面坡度系数表)以斜面积计算。
①不扣除房上烟囱、风帽底座、风道、屋面小气窗和斜沟等所占面积。
②屋面小气窗出檐与屋面重叠部分的面积不增加,但天窗出檐部分重叠的面积计入相应的屋面工程量内。
③瓦屋面的出线、披水、稍头抹灰、脊瓦加腮等工、料均不另计算。
(2)屋面防水面积屋面卷材防水、屋面涂膜防水按设计图示尺寸按面积以平方米计算。
①斜屋顶(不包括平屋顶找坡)按图示尺寸的水平投影面积乘以屋面坡度延尺系数按斜面积以平方米计算,平屋顶按水平投影面积计算,由于屋面泛水引起的坡度延长不另考虑。
②不扣除房上烟囱、风帽底座、风道、屋面小气窗和斜沟所占面积,其根部弯起部分不另计算。
③屋面的女儿墙、伸缩缝和天窗等处的弯起部分,并入屋面工程量内.天窗出檐部分重叠的面积应按图示尺寸,以平方米计算,并入卷材屋面工程内。
如图纸未注明尺寸,伸缩缝、女儿墙可按25cm,天窗处按50cm计算。
④涂膜屋面的工程量计算同卷材屋面。
涂膜屋面的油膏嵌缝、玻璃布盖缝、屋面分隔缝,以延长米计算。
(3)屋面抹水泥砂浆找平层的工程量与卷材屋面相同(4)屋面保温层的工程量与卷材屋面相同.(5)屋面工程量中铁皮、UPVC雨水斗,铸铁落水口,铸铁、UPVC弯头、短管,铅丝网球按个计算.(6)屋面排水管按设计图示尺寸以展开长度计算。
如设计未标注尺寸,以檐口下皮算至设计室外地平以上15cm为止,下端与铸铁弯头连接者,算至接头处.。
坡屋面工程量计算规则一、屋面工程瓦屋面、金属压型板(包括挑檐部分)均按水平投影面积乘以屋面坡度系数,以平方米计算。
不扣除房上烟囱、风帽底座、风道、屋面小气窗,斜沟等所占面积,屋面小气窗的出檐部分亦不增加面积。
二、屋面防水工程1.卷材屋面按图示尺寸的水平投影面积乘以规定的坡度系数以平方米计算。
但不扣除房上烟囱、风帽底座、风道、屋面小气窗和斜沟所占的面积,屋面的女儿墙、伸缩缝和天窗等处的弯起部分,按图示尺寸并入屋面工程量计算。
如图纸无规定时,伸缩缝、女儿墙的弯起部分可按250mm计算,天窗弯起部分可按500mm计算。
2。
涂膜屋面的工程量计算同卷材屋面。
涂膜屋面的油膏嵌缝、玻璃布盖缝、屋面分格缝,另列项目以延长米计算.3。
屋面刚性防水按设计图示尺寸以面积计算,不扣除房上烟囱、风帽底座及小于0.3m2以内孔洞所占面积。
三、屋面排水工程1.铁皮排水按图示尺寸以展开面积计算。
咬口和搭接等已计入定额项目中,不另计算。
2。
铸铁、PVC水落管区别不同直径按图示尺寸以延长米计算,雨水口、水斗、弯头、短管以个计算。
注:1。
两坡排水屋面面积为屋面水平投影面积乘以延长系数C;2。
四坡排水屋面斜脊长度=A×D(当S=A时);3。
沿山墙泛水长度=A×C;4。
B=玻屋面高度。
坡屋面和平屋面的划分以坡度大小而定,平屋面并不是绝对的平,也是有坡度的,只是很小而已,否则无法排出屋面积水。
现在尚无法规严格界定,防水界认为坡度大于10%(5°48’)即为坡屋面。
屋面坡度小于5%(2°54’)系为平屋面.为什么坡度界定大于10%,因为10%的坡度可以作构造防水,采用金属板材.如果小于10%的坡,不能作构造防水,只能全封闭防水.如果使用小块瓦防水,坡度应大于30%(16°45’),否则雨水从瓦缝中倒灌.坡度小于5%为平屋面理由是哪些?平屋面可以上人,不须防备滑跌,人可以在上走动,小于2%的坡度的屋面,可用作运动场、晒场、蓄水池、舞场等。
第六章屋盖工程
说明
本章根据各种屋架、瓦材屋面、彩钢板屋面、钢筋砼屋面、砼檐沟、预应力天沟、保温隔热、屋面排水、屋面水箱等标准图集的常用做法编制(选型的图集编号见相应项目)了综合定额,还编制了配套使用的屋面檐沟卷材、刚性、涂膜防水层单项定额。
凡设计选型做法同本定额者,可直接套用,不同者按定额规定换算。
一、主要项目综合内容如下:
l、屋架:钢筋砼屋架、钢木屋架现场制作、安装;钢屋架及金属构件加工厂制作、场外运输、安装、油漆。
2、瓦材屋面:屋面基层(屋面板或木椽子挂瓦条)、瓦屋面、屋脊(水泥彩瓦屋面的屋脊封山未综合在屋面内,应另列项目计算)。
3、C、Z轻钢檩条:檩条制作和螺栓安装、场内外运输、檩条之间拉条制安、油漆等。
4、预制板屋面:空心板制安、场内外运输、板底抹灰、预制板面上水泥砂浆或细石砼找平层。
5、现浇板(包括平、有梁、无梁、斜板)屋面:砼、模板、水泥砂浆找平层、板底抹灰。
6、钢筋砼檐沟、挑檐:砼、模板、沟内细石砼找坡、沟内底及侧面抹灰、板底抹灰。
7、屋面水箱:砌水箱脚、砼、钢筋、模板、水箱内、外抹灰、爬梯制安、油漆等。
二、金属构件均考虑在加工厂制作,定额中已综合了15公里的场外运输和单件重在0.5吨内的场内运输,单件重在0.5吨以上的场内运输按省估价表的规定及相应项目执行。
三、C、Z型轻钢檩条定额内综合了圆钢拉杆(螺栓连结)的制作安装,含量与设计不符应调整。
四、经建设单位认可使用轮胎式起重机或汽车式起重机安装的项目、单层厂房屋盖系统构件必须在跨外安装、履带式起重机安装点高度超过20米的安装应按省估价表第七章的规定执行。
五、砼构件、金属构件安装所需的脚手架费用已包括在相应项目单价中,预制砼构件的场内、外运输及安装损耗已包括在含量中,均不得另计。
六、钢屋架单榀重量在0.5吨以下者,应执行轻型钢屋架定额。
七、钢筋砼屋面基层为分预制板、现浇板;现浇钢筋砼檐沟分为底板、侧板、挑檐三部分,均应分别计算,板底抹灰已按苏J9501有关项目选型编制,板底刷涂料以带括号的形式列出了含量;屋面基层上的找平层分为水泥砂浆、细石砼应分别套用,设计找平层的品种、厚度不同,单价应换算,不设置找平层应扣除。
八、屋面防水层与基层分离,屋面防水层中的卷材、刚性、涂膜防水层应分别计算按单项定额执行。
空心板屋面与周边的天沟梁(或屋面因梁)相交板缝内灌注
油膏(或干铺卷材)应按单项定额执行,挑檐处的卷材收头材料己含在屋面中,不再另计。
九、油毡卷材屋面不包括天沟、泛水、屋脊、檐口等处的附加层在内,其附加层应另行计算按单项定额执行,其它卷材屋面均包括附加层。
十、屋盖后浇板带按第五章相应项目执行,但每10平方米板带面积应增加1:3水泥砂浆找平层58.83元。
十一、板底净高超过3.60米,砼屋面板所需模板支撑增加费按第五章相应项目执行。
十二、天沟侧板外侧面如设计镶贴块料面层时,应按省估价表相应项目执行,同时扣除侧板外侧抹灰。
十三、天棚面刷乳胶漆、涂料应以相应项目招号内的含量按第四章相应单项定额执行。
工程量计算规则
一、木屋架、钢筋砼屋架、天窗架按立方米计算。
钢屋架按吨计算。
瓦材屋面(不包括檩木)、彩钢板屋面按屋面水平投影面积乘屋面坡度系数(系数见附表)的斜面积以平方米计算,不扣除风道、风帽底座和小气窗所占面积,屋顶小气窗出檐与屋面重叠部分面积并人屋面工程量内,平瓦屋面挑出沿口的瓦出线已综合考虑在定额含量内,不得另计。
二、木檩条、钢筋砼檩条按立方米计算,钢檩条按吨计算。
封檐板按檐口外围尺寸以延长米计算。
搏风板按设计斜长,单坡加300毫米、双坡加500毫米后以延长米计算。
三、钢筋砼屋面
l、空心板、现浇板(包括平、肋形板)、保温层、防水层均以墙中心线面积分别计算,应扣除0.3平方米以上孔洞、突出屋面的楼梯、水箱间等所占的面积(但不扣设在屋面上的架空水箱所占面积),现浇肋形板遇有后浇板带时,应扣除后浇板带所占面积。
2、后浇板带按净面积计算。
3、现浇无梁板按板外围面积计算;现浇拱形板按板展开面积计算。
4、现浇屋面斜板按斜面积计算。
5、大型屋面板按板的外围水平投影面积计算。
四、现浇肋形板、肋形斜板的肋梁按第四章规定计算。
五、彩钢板屋面的屋脊、泛水、天沟、包墙转角、山头以延长米计算。
六、屋面检修木盖板以个计算。
七、现浇砼檐沟、天沟底板及挑檐板均按设计底板面积以平方米计算。
檐沟、天沟侧板以设计外侧板长度乘设计内口净高以平方米计算。
预应力天沟按图示长度计算。
八、彩钢板屋面按水平投影面积乘坡度系数以平方米计算,彩钢板天沟按设计外围尺寸以延长米计算。
九、C、Z型轻钢檩条以吨计算。
十、屋面各种防水层均以墙中心线面积计算;挑檐、檐沟各种防水层均按图示展开面积(宽度算至檐口梁外侧顶面)以平方米计算;檐沟侧板镶贴块料面层接块料面层的建筑尺寸(各块料面层+粘贴砂浆厚度=25毫米)面积计算。
十一、屋面防水层遇有天窗处的起弯面积应并入屋面工程内计算。
起弯高度以图示展开尺寸计算,如图纸无规定时,天窗起弯高度按500毫米计算。
女儿墙、伸缩缝处起弯面积已含在定额内,不另外计算。
十二、屋顶水箱以个为单位计算,定额中已将钢筋综合在内,不得另计。
十三、屋面变形缝按延长米计算;排气孔按个计算。
十四、屋面镀锌铁皮、铸铁、PVC排水管按檐口滴水处至设计室外地坪的高度,以延长米计算。
镀锌铁皮檐口处伸长部分(即马腿弯伸长)、勒脚和泄水口的弯起均不增加,但水落管遇到外墙腰线(需弯起的)按每条腰线增加25厘米计算;沿沟、天沟、斜沟、泛水、落水管长度均按图示尺寸以延长米计算。
水斗、女儿墙弯头、铸铁落水口(带罩)均按只计算。
十五、阳台PVC斜三通水落管按只计算。
十六、水泥砂浆粉挂瓦条按屋面水平投影乘坡度系数以平方米计算。
屋面坡度延长米系数表。