BADesign桥梁辅助设计软件功能介绍
- 格式:docx
- 大小:370.58 KB
- 文档页数:8
公司名称主要功能(分类)
浙江蓝城建筑设计有
BADesign绘图
限公司
WYCAD辅助画图+信息管理+计算
RBCAD(铁路桥梁)绘图
BridgeWise绘图
Bentley(北京)桥梁设计大师(Bridge Master)绘图+计算
西安方舟交通科技有
桥梁通(Bridge Expert)绘图+计算
限责任公司
昆山路通软件技术有
桥绘通(桥梁绘图设计工具)绘图
限公司
优点缺点
1.与Excel数据交互
计算功能待完善2.有钢束快速制图工具
1.图形使用.dwg格式,便于交流
2.与桥梁博士对接较好,可自动生成桥梁博士
模型
3.内置小程序模块,方便进行具体的计算
1.运算部分用FORTRAN语言编写,运算效率较
计算功能待完善高
1.可以导出midas模型和桥梁博士模型计算功能待完善支持BrIM
1.桥梁通(上部)和同公司的桥梁通CAD一体
化结合
2.用户只须输入几个控制数据即可完成设计的
过程,并且直接进入CAD绘图
3.标准参数库强大,而且在不断扩充中,用户
也可以自己扩充
1.绘图图元采用的是CAD内置的图元,便于交
计算功能待完善流
2.自动设计、批量出图、自动工程量统计。
桥梁工程中的设计软件与应用桥梁工程作为建筑工程的重要组成部分,对于交通运输的顺畅和城市发展的推动具有重要作用。
在桥梁的设计与施工过程中,设计软件的应用显得尤为重要。
设计软件能提供更准确、高效的设计方案,优化工程结构,提高工程质量,并降低工程成本。
本文将探讨桥梁工程中常用的设计软件以及其应用。
首先,我们来介绍一种常用的桥梁设计软件——大型桥梁通用设计软件。
这种软件集成了桥梁结构设计、计算、分析和优化等功能,能够满足大型桥梁工程的设计需求。
通过该软件,设计师可以针对不同的桥梁类型和功能需求,进行合理的统一设计,达到统一标准的效果。
例如,在软件中,设计师可以选择适当的桥型、梁型和基础形式,系统自动完成结构的设计计算,从而提高设计效率。
除了通用设计软件,桥梁工程还常用到桥梁动力响应分析软件。
在桥梁的设计过程中,考虑桥梁在不同荷载下的动态响应非常重要。
通过桥梁动力响应分析软件,设计师可以对桥梁结构在不同工况下的振动响应进行分析。
软件能够根据实际情况,考虑风荷载、地震荷载等因素,对桥梁结构的振动响应进行合理研究。
这不仅可以保证桥梁的安全可靠性,还可以提高工程质量。
值得一提的是,桥梁工程中的设计软件也在不断创新与发展。
近年来,随着三维建模技术的成熟和发展,桥梁建模与分析软件越来越受到重视。
传统的二维设计方法难以满足工程实际需要,而三维建模技术则可以更加真实地展现桥梁的形态和内部构造,更准确地进行计算分析。
同时,三维建模技术也能够辅助优化桥梁结构,提高工程的经济性。
因此,三维建模软件在桥梁工程中的应用前景广阔。
在桥梁设计软件的应用中,有一项尤为重要,那就是参数化设计。
参数化设计是近年来桥梁设计领域的重大突破和创新。
通过定义一组参数,设计师可以快速生成不同类型和规模的桥梁方案,提高设计效率和灵活性。
同时,参数化设计也能够根据不同情况进行方案的优化选择,达到最佳的结构设计效果。
这在大型桥梁工程设计中尤为重要,可以有效降低工程的成本和周期。
桥码软件桥码软件是由武汉市桥码科技有限公司开发的一款适用于桥梁设计的综合性软件,适用于公路桥梁和铁路桥梁,将桥梁工程的总体设计,结构计算和绘图功能融为一体,桥码软件采用的云计算技术和SQL数据库管理系统,仿照工厂生产线的模式,将桥梁设计的各个工序建立成流水作业体系。
桥码软件的每一个数据输入窗体均为用户提供定制模板功能,采用标准模板为用户定制个性化的参数,并提供箱梁预应力自动布束功能。
各个窗体的数据输入非常简便快捷,只需要一分钟就可以绘出箱梁预应力图。
桥码软件的结构计算和绘图共用一套数据,一键形成结构计算数据,还可以一键输出桥梁博士数据接口文件(*dbs文件)。
方便用户对计算结构的准确性进行验证和比对一功能桥码软件2013版现阶段具有以下核心功能:桥码软件支持的上部结构:包括所有类型的混凝土箱形梁,包括异形、变宽、变高、变箱室。
下部结构包括:各类柱式桥墩,以及各式桥台。
(1)绘桥型图;(2)绘支座平面图;(3)绘桩位平面图,生成桩位坐标表;(4)绘墩台结构图;(5)绘箱梁结构图;(6)绘箱梁钢筋图;(7)绘箱梁预应力图;(8)绘承台钢筋图;(9)绘桩基钢筋图;(10)绘墩台三维模型(AutoCAD 3d Solid格式);(11)绘预应力束三维模型;(12)上部结构计算。
(提供一键输出“桥梁博士”数据功能,用户可以用桥码软件进行计算,用桥梁博士验证,方便用户对计算结果进行比对)二技术支持●桥码软件技术支持体系:桥码软件有一整套完备的技术支持方案,对用户提出的各种疑难问题及时、准确的回答;●软件及时升级维护:业内标准改变、软件功能更新发生软件版本升级后,我们将第一时间将最新版本通过网络途径送交您手上,并详细讲解升级原因及使用方法;●网络平台强力支持:访问武汉市桥码科技有限公司门户网站,在这里您将得到海量的专业知识,软件应用技巧,还可以和我们的技术工程师通过网络进行交流;1.桥码软件官方网站为用户提供在线解答。
目录软件安装方法 (3)一、系统要求 (3)二、安装目录 (3)三、运行库安装 (3)四、软件使用环境 (5)五、安装完成 (5)六、开始使用 (6)七、对话框操作基础 (7)软件出图设置 (9)一、开打设置面板 (9)二、设置字体样式 (9)三、设置标注样式 (10)四、设置图层 (11)五、设置钢筋 (11)六、设置钢束 (12)七、其他设置 (12)软件安装方法一、系统要求1.操作系统为XP或Win7(32位)2.运行平台为AutoCAD2010及以上版本。
二、安装目录一定要安装在AutoCAD相同目录下。
图示为AutoCAD默认目录,如果您的CAD安装不是默认该目录,请手动修改安装路径。
图一.安装目录必须是AutoCAD2010的安装目录三、运行库安装1.安装到最后一页会提示是否安装 VS2008运行库及加密锁运行库(CodeMeterRuntime)。
如果是第一次安装,则保持两个都打勾安装;如果以前安装过,则无需重新安装,应该去掉打勾。
图二.非首次安装,需要的运行库可以不安装(再装一次也没关系)2.在Win7(32位)下安装VS2008需要管理员权限,如果没有以管理员权限运行,则安装会失败。
如果安装失败,用户可以找到安装目录下的“Runtime”目录中的“vcredist_x86.exe”手动选择管理员权限安装安装。
图三.Win7(32)下由于没有管理员权限VS2008运行库安装失败界面3.VS2008安装是显示示意图需要的运行库,CodeMeterRuntime则是加密狗运行库。
四、软件使用环境如果是正式用户,请插上软件加密狗;如果不是则必须在联网情况下使用。
五、安装完成安装完成后,启动AutoCAD会增加两个工具栏和一个桥梁设计工具面板图四.安装完成后增加右侧面板和两个工具栏图五.工具栏提供快速工具图六.桥梁结构设计工具六、开始使用1.选择某个结构类型(如等高连续梁),在该项目上点击右键可以增加一个该类型结构,2.该类型结构需要输入的数据分为做个内容块列出,用户可根据需要从前依次输入数据。
中国桥梁网计算机辅助桥梁设计能极大地提高设计人员的效率,减轻设计人员的劳动强度,由于目前计算机辅助桥梁设计方面的专业设计软件较少,因此希望本文对桥梁计算机辅助设计软件WYCAD功能的介绍,能对桥梁设计人员能有所帮助。
一、WYCAD简介WYCAD采用Visual C++面向对象语言进行软件的开发,采用windows平台操作系统,结合对话框及数据文件方式,操作简单灵活。
绘制的图形格式采用AutoCAD的DWG格式。
WYCAD采用项目管理的方式管理一个桥梁设计的全部主要信息,便于整座桥梁各个部件进行数据交换。
WYCAD功能目前主要有简支梁(板)桥、连续刚构桥、斜拉桥、拱桥、下部构造及一些实用小程序等模块。
二、主要功能介绍1、全桥总体信息模块WYCAD采用建立新项目的方式开始一座桥梁的设计,然后填写全桥的总体信息,然后根据全桥的总体信息进行桥梁各个部件的设计计算及绘图。
全桥总体信息包含:路线走向、桥台类型、水流方向、0号桥台台口桩号、分幅或整幅桥、桥轴线与设计线距离、桥面横坡、桥面总宽、水位信息、竖曲线信息、地面线信息、桥跨布置子对话框、桥台子对话框信息等。
如果用于施工图设计还需填写支座信息。
桥跨布置方式是按照简直梁板(引桥)配斜拉桥、刚构或拱桥等其中一种(主桥)也可以全部为简直梁板方式为原则进行布置的。
2、简支梁(板)桥模块首先填写空心板或T梁的横截面信息及桥宽方向梁板布置方式及荷载标准,根据对话框生成的数据进行内力计算、预应力钢束估索,然后打开预应力信息及普通钢筋信息对话框检查或调整估索生成的预应力、普通钢筋信息,确认后就进行承载能力极限状态及正常使用极限状态计算,调出计算结果查看主要指标是否满足规范或设计者要求,不满足则根据计算书中的建议调整截面或预应力、普通钢筋信息,满足则进行绘图工作,绘出一般构造、预应力钢束布置及普通钢筋构造图。
简支空心板是按部分预应力或全预应力设计的,分先张法及后张法构件两种张拉类型。
公路桥梁计算机辅助设计系统桥梁通CAD8.0沈月强编著2001年6月于西安内容提要《公路桥梁计算机辅助设计系统》——桥梁通CAD8.0,主要用于公路桥梁初步设计和施工图设计阶段的设计,符合我国现行公路测设技术标准和规范,能直接投入生产应用。
用户仅需对桥梁结构输入一些必要的参数,计算机即可自动完成对桥梁下部结构的设计、计算、验算、复核,生成详细的计算书,并绘制桥梁方案图和细部施工设计图纸,计算钢筋明细和材料数量。
对桥梁进行多方案比选,优化设计,以降低工程造价。
前言1986年,随着国家863计划的启动,中交第一公路勘察设计研究院作为主要参加单位承担国家七五重点科技攻关项目《高等级公路路线综合优化CAD系统》,1991年该项目荣获交通部科技进步一等奖。
其中,课题组负责并圆满的完成了该项目中的《中小桥下部计算与绘图模块》课题的开发,该系统硬件为Apollo工作站,操作系统AEGIS。
课题组主持完成的《高等级公路简支梁桥下部CAD系统》、《公路中小桥型布置图CAD》两项成果分别于1991、1993年获得陕西省工程设计优秀软件一等奖。
作为主要研制人员承担的《公路中小桥涵计算机辅助设计系统》1995年获陕西省科技进步三等奖,该系统硬件为PC 机,操作系统MS—DOS。
今天,我们隆重向您推出面向Win95&Win98&NT平台的公路桥梁计算机辅助设计系统——桥梁通CAD6.2。
该系统不仅面对任务设计和修改,并且可作为桥梁图库、标准图以及通用设计图的工具软件,为您的标准化工作奠定基础,使您从事设计茅塞顿开、得心应手,棋高一着。
桥梁通CAD是桥梁工程技术人员的理想设计工具。
再次感谢您选择了桥梁通CAD 。
桥梁通CAD课题组2001.6目录使用桥梁通CAD注意事项 (1)桥梁通CAD 功能简介表 (4)桥梁通CAD辅助计算工具功能表 (7)桥梁通CAD系统特点 (9)第1章术语和按钮 (10)1.1 工程管理 (10)1.2 窗体 (11)1.3 其他按钮功能 (11)1.4 编辑或选择 (14)第2章绘制图框 (15)2.1 概述 (15)2.2 图框数据输入或修改 (15)2.2.1 控制数据: (16)2.2.2 公用数据: (16)2.2.3 图框格式一数据: (17)2.2.4 图框格式二数据: (18)第3章AutoCAD R14绘图平台辅助命令 (21)3.1概述 (21)3.2 辅助命令 (21)3.2.1创建新的钢筋编号: (21)3.2.2修改钢筋属性: (22)3.2.3工程数量表刷新: (22)3.2.4钢筋大样删除: (22)第4章盖梁计算与绘图 (23)4.1概述 (23)4.2功能 (23)4.2.1计算与绘图共同部分 (23)4.2.2计算部分 (23)4.2.3绘图部分 (24)4.3编制原理 (25)4.3.1计算部分 (25)4.3.2绘图部分 (25)4.4用户界面 (26)4.5如何进行盖梁设计 (26)4.5.1样板文件的使用 (26)4.5.2建立用户工程文件名 (26)4.5.3输入盖梁尺寸 (26)4.5.4输入上部横断面数据 (27)4.5.5输入设计数据 (27)4.5.6生成盖梁离散图 (28)4.5.7输入盖梁材料 (28)4.5.8进入设计检查 (29)4.5.9浏览和打印盖梁计算书 (29)4.5.10生成弯矩、剪力包络图和裂缝配筋图 (30)4.5.11生成钢筋构造图的钢筋数据 (31)4.5.12输入或修改钢筋数据 (31)4.5.13 钢筋数据和钢筋横断面数据说明 (34)4.6工程应用及示例 (38)4.6.1工程应用 (38)4.6.2示例 (38)第5章桩柱式桥墩计算与绘图 (46)5.1概述 (46)5.2功能 (46)5.2.1验算截面5个 (46)5.2.2荷截包括以下8种 (46)5.2.3内力组合 (46)5.2.4布载方式3种 (46)5.2.5基桩计算 (46)5.2.6位移计算 (47)5.2.7输出的表格有以下20类 (47)5.3算法说明 (47)5.3.1设计规范及标准 (47)5.3.2内力计算 (48)5.3.3结构设计 (48)5.4用户界面 (48)5.5如何进行桩柱桥墩设计 (49)5.5.1样板文件的使用 (49)5.5.2建立用户工程文件名 (49)5.5.3输入基本尺寸 (50)5.5.4输入上部横断面数据 (50)5.5.5 输入设计数据 (51)5.5.6 生成桩柱离散图 (52)5.5.7输入桩柱材料 (52)5.5.8输入水位数据 (53)5.5.9输入地质资料数据: (53)5.5.10进入设计检查 (55)5.5.11浏览和打印桩柱式桥墩计算书 (56)5.5.12生成桩柱一般构造图 (57)5.5.13生成挡块钢筋构造图 (57)5.5.14生成系梁钢筋构造图 (58)5.5.15生成桩柱钢筋构造图 (58)5.6工程应用及示例 (59)5.6.1桩柱桥墩基本尺寸 (59)5.6.2桩柱材料 (60)5.6.3横断面 (60)5.6.4设计数据 (60)5.6.5水位数据 (61)5.6.6地质资料 (61)5.6.7浏览计算书 (62)5.6.8绘制一般构造图和钢筋构造图 (62)第6章重力式U型桥台计算与绘图 (66)6.1概述 (66)6.2功能 (66)6.2.1验算以下4个截面 (66)6.2.2单项荷载包括以下14种 (66)6.2.3内力组合包括以下8种 (67)6.2.4布载考虑以下4种 (67)6.2.5设计荷载 (67)6.2.6计算结果输出表格有8类,它们分别为 (68)6.2.7台身制作材料 (69)6.2.8浮力计算 (69)6.2.9基础形式:矩形截面,U形截面。
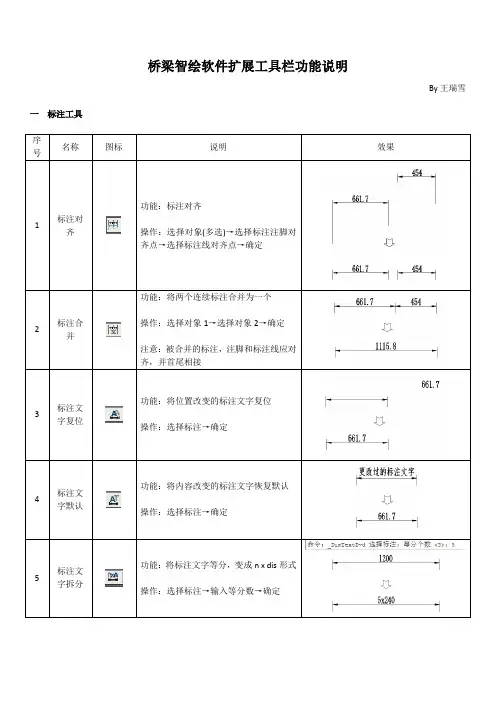
桥梁智绘软件扩展工具栏功能说明By 王瑞雪一 标注工具功能:标注对齐 操作:选择对象→选择标注注脚对齐点→选择标注线对齐点→确定功能:将两个连续标注合并为一个操作:选择对象注意:被合并的标注,注脚和标注线应对齐,并首尾相接功能:将位置改变的标注文字复位操作:选择标注→确定功能:将内容改变的标注文字恢复默认操作:选择标注→确定功能:将标注文字等分,变成形式操作:选择标注→输入等分数→确定功能:将标注反转操作:选择标注→确定二 文字工具 文字一维运算功能:对数字进行加减乘数运算。
数字可包含前缀或后缀,进行运算时应忽略相应的前缀或后缀。
数字可以是里程桩号,桩号操作文本框内应为空。
操作:单击按钮弹出对话框→进行运算设置→选择需要修改的文本→确定1、 功能设置 (1)(2)2、 执行效果 (1) (2)文字二维运算功能:对两列数进行四则运算操作:单击按钮弹出对话框→进行运算设置→选择第一列数字→选择第二列数字→单击输出位置→确定主要应用场景:在据文字增加前缀功能:文字增加前缀操作:输入前缀→选择文字→确定文字增加后缀功能:文字增加后缀操作:输入后缀→选择文字→确定文字删除前缀功能:文字删除前缀操作:输入前缀→选择文字→确定文字删除后缀功能:文字删除后缀操作:输入后缀→选择文字→确定文字等行间距功能:使得文字对齐,且行间距相等操作:选择文字确定文字按行合并功能:横向合并文字操作:选择文字文字水平左对功能:文字水平左对齐操作:选择文字确定文字水平中对功能:文字水平中对齐操作:选择文字确定文字水平右对功能:文字水平右对齐操作:选择文字确定文字竖向上对功能:文字竖向上对齐操作:选择文字确定文字竖向中对功能:文字竖向中对齐操作:选择文字确定文字竖向下对功能:文字竖向下对齐操作:选择文字确定文字竖排复制功能:将中竖向排列的文本复制到剪贴板中,Excel 单元格中操作:选择文字Excel 中进行粘贴操作文字横排复制功能:将中横向排列的文本复制到剪贴板中,Excel 单元格中操作:选择文字排列顺序Excel(1)选择竖向排列时(2)选择水平排列时文字逐个复制功能:Excel 中按照点选的次序粘贴成一列操作:逐次点选文字→确定→在中进行粘贴操作文字按列粘贴功能:复制Acad 中的一列内容操作:在中单击按钮→框选定文字按行粘贴文字逐个粘贴单行文字选择功能:选定包含指定字符串的文字操作:输入包含的字符串→输入包含方式→选择对象(多选)→确定表格文字更新功能:表格格式刷操作:见右侧流程1、复制Excel 中的表格区域2、在Acad 中菜单栏→编辑→选择性粘贴→AutoCAD 图元→T(键盘输入) →确定3、点击,点击CAD中的Table表格,再点击需要调整格式的表格三选择工具保存选择对象功能:将选中的一系列对象保存起来(存入容器操作:单击图标→选中对象→确定恢复选择对象功能:选中将容器操作:单击图标保存选择对象功能:将选中的一系列对象保存起来(存入容器操作:单击图标→选中对象→确定恢复选择对象功能:选中将容器操作:单击图标四 图层工具 显示当前图层功能:仅显示当前选中的图层操作:选择位于该图层上的一个对象→确定冻结当前图层功能:关闭当前选中的图层操作:选择位于该图层上的一个对象→确定显示所有图层功能:显示所有图层操作:单击按钮五 曲线工具功能:获得曲线过某一定点的垂线操作:选择曲线→选择定点→输入垂直直线长度→确定功能:曲线被其交线打断操作:选择需要打断的曲线→选择相交的直线→确定功能:不打断曲线,绘制出等分线) 操作:选择曲线→输入等分数→输入垂线长度→确定功能:获得曲线长度操作:选择曲线→选择需要更改的文字→确定功能:获得曲线长度,并在曲线附近输出长度数值操作:输入文字高度→选择曲线(可多选)→确定注意:不支持功能:获得曲线段长度,并在命令行输出长度数值操作:选择曲线→选择起点→选择终点→确定功能:多义线反向操作:选择多义线→确定功能:选定曲线上一点,获得距离该点距离为操作:选择曲线→选择起始点→输入距离→是否输出跨径→确定注意:曲线是有方向的,沿曲线正向输入正直,否则应输入负值,距离终点不在曲线上时将会报错功能:合并多条收尾相接的曲线,与相同操作:选择直线、圆弧或多义线(多选)→确定功能:在两条边界曲线中插入一定数量的曲线操作:选择对象→输入新对象数量→是否水平曲线→是否插入点加密→确定注意:不支持六 其他功能:绘制折断线操作:点击起点→点击终点→输入比例→确定功能:绘制折断双线操作:点击起点→点击终点→输入比例→确定功能:绘制折断曲线操作:点击起点→点击终点→输入比例→确定功能:使图形操作:选择图形对象→确定功能:对选中的数据求和操作:选择对象结果的输出点功能:对选中的数据求和操作:选择对象需要修改的文字→确定功能:单根长和根数,获得总长、总重、单位重操作:框选钢筋直径数据列→框选钢筋单根长数据列→框选钢筋数量数据列→选择总长对齐点→选择单位重对齐点→选择总重对齐点→选择钢筋总重对齐点→确定功能:绘制钢筋箭头标注操作:(多选)→输入箭头比例→选择箭头偏向(点选)→输入箭头方向→确定功能:改变钢筋点直径操作:径→确定 功能:定数量的钢筋点操作:输入插入钢筋点的数量→确定 功能:等间距复制钢筋点操作:点位置→选择复制方向→输入间距→确定 功能:将结果输出到命令行操作:选择面域→确定功能:标示出截面形心位置操作:选择面域→确定功能:计算混凝土梁冲击系数操作:点击按钮→设置参数→选择面域→计算1 功能:标注钢束大样操作:选择钢束→选择参照线→选择标注对齐点→确定2功能:生成钢束表格操作:点击“选择钢束”(逐次点选)→在对话框中修改钢束参数和特性→点击“生成表格”→点击表格输出位置对话框样式:输出表格样式:。
目录软件安装方法 (2)一、系统要求 (2)二、安装目录 (2)三、运行库安装 (2)四、软件使用环境 (4)五、安装完成 (4)六、开始使用 (5)七、对话框操作基础 (6)软件出图设置 (8)一、开打设置面板 (8)二、设置字体样式 (8)三、设置标注样式 (9)四、设置图层 (10)五、设置钢筋 (10)六、设置钢束 (11)七、其他设置 (11)软件安装方法一、系统要求1.操作系统为XP或Win7(32位)2.运行平台为AutoCAD2010及以上版本。
二、安装目录一定要安装在AutoCAD相同目录下。
图示为AutoCAD默认目录,如果您的CAD安装不是默认该目录,请手动修改安装路径。
图一.安装目录必须是AutoCAD2010的安装目录三、运行库安装1.安装到最后一页会提示是否安装 VS2008运行库及加密锁运行库(CodeMeterRuntime)。
如果是第一次安装,则保持两个都打勾安装;如果以前安装过,则无需重新安装,应该去掉打勾。
图二.非首次安装,需要的运行库可以不安装(再装一次也没关系)2.在Win7(32位)下安装VS2008需要管理员权限,如果没有以管理员权限运行,则安装会失败。
如果安装失败,用户可以找到安装目录下的“Runtime”目录中的“vcredist_x86.exe”手动选择管理员权限安装安装。
图三.Win7(32)下由于没有管理员权限VS2008运行库安装失败界面3.VS2008安装是显示示意图需要的运行库,CodeMeterRuntime则是加密狗运行库。
四、软件使用环境如果是正式用户,请插上软件加密狗;如果不是则必须在联网情况下使用。
五、安装完成安装完成后,启动AutoCAD会增加两个工具栏和一个桥梁设计工具面板图四.安装完成后增加右侧面板和两个工具栏图五.工具栏提供快速工具图六.桥梁结构设计工具六、开始使用1.选择某个结构类型(如等高连续梁),在该项目上点击右键可以增加一个该类型结构,2.该类型结构需要输入的数据分为做个内容块列出,用户可根据需要从前依次输入数据。
桥梁方案师软件介绍1. 软件概述桥梁方案师软件是一款专门为桥梁工程师和设计师打造的工具,旨在帮助用户快速准确地设计和计算桥梁结构的方案。
该软件具备强大的功能和简洁的界面,能够满足不同类型的桥梁设计需求,并在设计过程中提供全面的支持和实用的工具。
2. 功能特点2.1 桥梁设计与计算功能桥梁方案师软件提供了全面的桥梁设计与计算功能,包括桥梁静力分析、动力分析、变温度效应分析、脱荷效应分析等。
用户可以根据具体的桥梁类型和设计要求,选择相应的分析功能进行计算。
软件支持各类桥梁结构(如梁桥、拱桥、斜拉桥等)的设计和计算,帮助用户更好地理解和掌握桥梁的结构特点。
2.2 图形化界面桥梁方案师软件采用直观友好的图形化界面,使用户能够轻松地进行桥梁设计和计算。
用户可以通过鼠标和键盘操作,快速绘制桥梁模型、设定材料参数、加载边界条件等。
软件提供了丰富的图形绘制和编辑工具,用户可以方便地修改模型、查看分析结果,并进行必要的调整和改进。
2.3 桥梁模型与分析结果展示桥梁方案师软件支持三维桥梁模型的建立和展示,用户可以通过旋转、缩放、平移等操作来查看模型的各个方面和细节。
软件可生成详细的桥梁分析结果报告,包括结构应力、变形、振动频率等信息,以帮助用户评估桥梁设计的合理性和安全性。
2.4 多种计算方法与标准支持桥梁方案师软件集成了多种桥梁计算方法和国际标准,包括常规静力弹性分析、非线性分析、动力响应分析、热膨胀分析等。
用户可以根据具体需求选择不同的计算方法和标准,进行高效准确的桥梁设计和计算。
3. 使用场景桥梁方案师软件适用于桥梁工程师和设计师的日常工作,可广泛应用于以下场景: - 桥梁设计:可用于各类桥梁的初步设计、优化设计和施工图设计,提供全面的设计与计算功能。
- 结构分析:可用于桥梁结构的静力分析、动力分析和非线性分析,帮助用户评估结构的安全性和稳定性。
- 方案比较:可用于不同方案的比较和评估,帮助用户选择最佳的桥梁设计方案。
桥梁设计软件在公路桥梁工程设施中的功能与应用随着现代技术的发展,计算机软件在公路桥梁工程设计和施工中发挥着越来越重要的作用。
桥梁设计软件以其强大的功能和高效的应用,使得公路桥梁工程设施的设计、分析和施工变得更加精确、有效和便捷。
本文将探讨桥梁设计软件在公路桥梁工程设施中的功能与应用。
首先,桥梁设计软件具有强大的计算与分析功能。
传统的桥梁设计需要进行大量的手工计算和试验,费时费力且容易出错。
而桥梁设计软件可以通过模型建立、参数输入和计算等功能,自动完成复杂的结构计算和分析工作。
它可以准确地计算各种荷载下桥梁结构的应力、变形和稳定性等,确保设计满足安全和性能要求。
同时,软件可以通过图形显示和数据报表等方式,直观地展示计算结果,方便设计人员进行评估和调整。
其次,桥梁设计软件提供了丰富的设计工具和选项。
根据不同的桥梁类型和设计需求,软件可以提供多种设计工具和选项,如拓扑优化、截面设计、受力分析和施工工艺优化等。
通过这些工具和选项,设计人员可以根据具体情况进行参数调整和优化设计,以达到最佳的结构性能和经济性。
此外,软件还可以根据国家和行业标准,自动生成符合规范要求的设计方案和施工图纸,减少人工操作和错误。
再次,桥梁设计软件提供了可视化的建模和展示功能。
设计人员可以通过软件进行三维建模和有限元分析,快速模拟和验证桥梁结构的性能。
软件还可以将模型转化为图形化的可视化效果,使得设计人员可以清晰地观察桥梁结构的变形和应力分布等。
这种可视化的建模和展示方式,不仅使得设计人员更好地理解桥梁结构的特点和问题,同时也方便与他人进行交流和合作,提高设计效率和质量。
此外,桥梁设计软件还具有数据管理和协同设计功能。
在大型公路桥梁工程项目中,设计涉及到大量的数据和设计团队之间的协作。
桥梁设计软件可以通过数据库和云计算等技术,实现数据的集中管理和共享。
设计人员可以随时随地访问和更新设计数据,实现数据的一致性和实时性。
同时,软件还可以提供设计团队之间的协同工作环境,通过权限设置和版本控制等功能,确保设计的准确性和完整性。
BADesign桥梁辅助设计软件一.软件主要功能1)桥型布置图2)桥位平面图3)桩位坐标图4)墩台构造图(支持花瓶墩)5)板梁布置图(空心板、T梁、小箱梁)6)等高连续梁构造钢束图(含曲线桥、变宽桥)7)变高连续梁构造钢束图(含曲线桥)8)其他辅助制图工具二、各主要功能介绍:1、桥位平面图:按大地坐标和实际尺寸在图纸中绘制,该图与桥型布置图中的平面图类似,参见桥型布置图。
2、桥型布置图包括立面图、总体表、平面图、断面图。
程序提供用户控制的数据:①立面平面线形:平曲线,竖曲线,地面线;可输CAD中选择线作为输入;②桥面布置:人行道、机动车道、隔离带、栏杆等,可控制是否分幅,防撞栏杆是否包边等;③上部结构类型:空心板、T梁、小箱梁、连续梁;如果是前三种,程序可根据结构宽度自动进行板梁布置,并确定湿接缝宽度;④下部结构类型:桥墩可选择盖梁柱式(支持L盖梁、倒T盖梁),柱式墩,花瓶墩等;基础可以是桩柱系梁、承台、扩大基础;桥台可选择桩柱式、重力桩基式;道路信息布跨信息桥型图绘制3、桩位坐标图:绘制墩台桩基平面并给出桩位坐标表。
4、桥墩桥墩有盖梁柱式墩、柱式墩、花瓶墩5、桥台桥台有轻型桩基桥台、重力式桩基桥台6、划板图:①、空心板、T梁、小箱梁板梁布置图②、适应曲线、变宽、斜交等各种情况,③、既能自动划分板梁,也可输入板宽控制板梁划分。
④、用户可绘制划板线,程序根据用户划板绘制划板图。
空心板划板图界面空心板划板图绘制小箱梁T梁划板图界面小箱梁划板图绘制7、等高连续梁(支持变宽):①、支持断面形式:直腹板、斜腹板、圆弧底板②、支持曲线连续梁,及变宽连续梁曲线连续梁立面平面变宽连续梁平面③、连续梁钢束a)绘制钢束图平面、立面、大样及钢束表格;b)输出所有钢束断面或任意钢束断面;c)可添加删除钢束,钢束可从CAD中直接选取多义线;d)可通过修改数据达到修改钢束线形的目的;e)可控制端部形式。
曲线连续梁钢束平面输出所有断面8、变高连续梁:①、梁底按抛物线型设置;②、箱梁整体浇筑③、箱梁节段浇筑,输出立面图及节段信息④、连续梁钢束a)绘制钢束图平面、立面、大样及钢束表格;b)输出所有钢束断面或任意钢束断面;c)可添加删除钢束,钢束可从CAD中直接选取多义线;d)可通过修改数据达到修改钢束线形的目的;e)可控制端部形式。
用户使用说明书楼宇自控管理信息系统目录1.登录Sign in2.主菜单简介Main menu.3.警情处理Alarm processing4.离在线刷新Off line refresh5.报警查询Alarm searchGREA T-BA管理软件实际属于一种软件的管理平台针对一些大中型小区、商务楼开发的一种多功能管理软件使:使用人管理起来更方便、便捷。
1.登录Sign in点击计算机桌面中图标点击后软件进入下一界面如图所示。
此时需输入用户名、密码及验证码,用户名和密码均输入admin即可验证码因每次开软件的时候都会不一样所以一定要根据软件提示的验证码进行输入输入完毕后点击确认即可进入下一界面如图所示。
此时软件已经登陆完成此时点击软件右上角运行即可。
点击后需等待2-4分钟因为软件正在获取设备的状态。
状态获取完成后软件进入主菜单显示如图所示。
此时则代表软件以正确进入主菜单。
2.主菜单简介Main menu.软件进入后每一个按钮所代表的功能都是不一样的以下是功能显示栏,如图。
第一个选项是首页(首页代表默认显示界面)第二个选项是楼内给水系统第三个选项是车库给排水系统第四个选项是泵房给排水系统第五个选项是漏点跳闸系统第六个选项是离在线第二个选项至第六个选项都是显示设备的运行、故障、停止…..等界面。
软件进入后中心则代表显示界面如图所示。
3.警情处理Alarm processing在使用过程中如遇到软件设备或故障报警则在下角双击报警条则会在显示界面中显示哪里报的警另软件中会做出相应的提示如图标变红、变黄等在报警状态下点击报警处理,在报警处理选项栏中选择已通知如果是设备故障那么就选择故障按钮如果在确认是误报的情况下则点击误报按钮即可。
点击后在接着点击报警确认即可。
4.离在线刷新Off line refresh刷新离在线功能是在软件中刷新查看DDC多路报警模块是否在线如不在线是否哪里有故障或是DDC未曾安装。
在软件右上角点击记录按钮接着选择到离在线刷新选项按钮,点击后软件将自动进入到离在线刷新界面。
一、桥梁智绘软件安装说明:
先安装AutoCAD2010,再安装桥梁智绘软件和加密锁程序,安装完毕,打开AutoCAD2010,设置一下字体,即可使用。
二、电脑安装了桥梁智绘软件后,若二条工具栏没有显示:
操作如下:在CAD命令行中输入menuload,点回车,浏览,选择桥梁智绘软件安装目录下的TX-BADesign.cuix。
例如,C : \ Program Files \BridgeWise 2014 \TX-BADesign.cuix(默认安装路径)并选择加载。
三、有的电脑Windows系统安装了桥梁智绘软件后,打开AutoCAD2010,设置字体后,会跳出一个对话框:
请操作如下:打开桥梁智绘软件安装目录下的Program Files \ BridgeWise 2014 \Tx-Option. xml (右点)\属性\安全\编辑\添加\everyone \确定\Everyone的权限\允许□打√\确定。
BADesign桥梁辅助设计软件
.软件主要功能
1)桥型布置图
2)桥位平面图
3)桩位坐标图
4)墩台构造图(支持花瓶墩)
5)板梁布置图(空心板、T梁、小箱梁)
6)等高连续梁构造钢束图(含曲线桥、变宽桥)
7)变高连续梁构造钢束图(含曲线桥)
8)其他辅助制图工具
、各主要功能介绍:
1、桥位平面图:按大地坐标和实际尺寸在图纸中绘制,该图与桥型布置图
中的平面图类似,参见桥型布置图。
2、桥型布置图
包括立面图、总体表、平面图、断面图。
程序提供用户控制的数据:
①立面平面线形:平曲线,竖曲线,地面线;可输CAD中选择线作为输入;
②桥面布置:人行道、机动车道、隔离带、栏杆等,可控制是否分幅,防撞栏
杆是否包边等;
③上部结构类型:空心板、T梁、小箱梁、连续梁;如果是前三种,程序可根
据结构宽度自动进行板梁布置,并确定湿接缝宽度;
④下部结构类型:桥墩可选择盖梁柱式(支持L盖梁、倒T盖梁),柱式墩,
花瓶墩等;基础可以是桩柱系梁、承台、扩大基础;桥台可选择桩柱式、重力桩基式;
3、桩位坐标图:
绘制墩台桩基平面并给出桩位坐标表
4、桥墩
桥墩有盖梁柱式墩、柱式墩、花瓶墩
TPS d.l1
I __________ ,
血J [BMrh
旧■一I
曲:
i ■1- vet.
n事从*・』阳匕* • Rf
■ 3"TlV-tlll
■€ ISV19>W *44 貿J-iRPi «B4*** •«道路信息布跨信息
桥型图绘制
5、桥台
桥台有轻型桩基桥台、重力式桩基桥台
①、空心板、T梁、小箱梁板梁布置图
②、适应曲线、变宽、斜交等各种情况,
③、既能自动划分板梁,也可输入板宽控制板梁划分。
④、用户可绘制划板线,程序根据用户划板绘制划板图
・n
6、划板图:
空心板划板图界面空心板划板图绘制
小箱梁T梁划板图界面小箱梁划板图绘制
7、等高连续梁(支持变宽):
①、支持断面形式:直腹板、斜腹板、圆弧底板
曲线连续梁立面平面
③、连续梁钢束
a)绘制钢束图平面、立面、大样及钢束表格;
b)输出所有钢束断面或任意钢束断面;
c)可添加删除钢束,钢束可从CAD中直接选取多义线;
d)可通过修改数据达到修改钢束线形的目的;
e)可控制端部形式。
*忙II
J---------
②、支持曲线连续梁,及变宽连续梁
1^—亠
■B- *
-------- 1
----- r --------
11 a lb ----- L一/ 1 —3=
1U-广” ------- « --------- ------------ j 1 ii------------- ----------- —
--- - -- W
!
■ 口 = - - -n - U ■ u pN
—_!
变宽连续梁平面筑j J, 2馳,「1,0(1
I
卜1 I
戸干
8、变高连续梁:
① 、梁底按抛物线型设置; ② 、箱梁整体浇筑
③ 、箱梁节段浇筑,输出立面图及节段信息
④ 、连续梁钢束
a ) 绘制钢束图平面、立面、大样及钢束表格;
b ) 输出所有钢束断面或任意钢束断面;
c ) 可添加删除钢束,钢束可从 CAD 中直接选取多义线;
d ) 可通过修改数据达到修改钢束线形的目的;
e )
可控制端部形式。
.f — --------------- ZZT ---------- ---------
8、其他快速工具:
①、与Excel表格数据的交互;
②、CAD文字与剪贴板数据的交互;
③、布跨等的曲线操作;
④、选择集的保持和取出;
④、其他辅助快速工具结语:桥梁设计中的许多工作可以通过计算机来完成。
以后我们会陆续推出桥梁设计的其他模块功能,逐步涵盖桥梁设计的各个方面。
希望您对我们的工作给予支持,并多提宝贵意见。
看似短暂的一生,其间的色彩,波折,却是纷呈的,深不可测的,所以才有人拼尽一切阻隔,在路漫漫中,上下而求索。
不管平庸也好,风生水起也罢,其实谁的人生不是顶着风雨在前行,都在用平凡的身体支撑着一个看不见的灵魂?
有时候行到风不推身体也飘摇,雨不流泪水也湿过衣衫,而让我们始终坚持的除了一份信念:风雨总会过去,晴朗总会伴着彩虹挂在天边。
一定还有比信念还牢固的东西支撑着我们,那就是流动在心底的爱,一份拳拳之爱,或许卑微,却是我们执著存在这个世界上,可以跨越任何险阻的勇气、力量和最美丽的理由。
人生的途程积累了一定的距离,每个人都成了哲学家。
因为生活会让我们慢慢懂得:低头是为了抬头,行走是为了更好地休憩,不阅尽沧桑怎会大度,没惯见成败怎会宠辱不惊,不历经
纠结怎会活得舒展?
看清才会原谅,有时的无动于衷,不是不屑,不是麻木,而是不值得。
有时痛苦,不是怕失去,不是没得到,而是因为自私,不肯放手,不是自己的,也不想给。
人生到最后,有的人把自己活成了富翁,有的人却一无所有。
梭罗说:一个人富裕程度如何,要看他能放下多少东西。
大千世界,我们总是想要的太多,以为自己得到的太少。
是啊,一个贫穷的人怎么会轻易舍得抛下自己的所有呢?到了一定年龄,
才会明白一个人对物质生活的过多贪求,反而让自己的心灵变得愈加贫穷。
人生到了最后,其实活出的只是一个灵魂的高度,清风明月,花香草色,便是一袖山水,满目清澈。
放下从前,放下过去,从容地走入当下,和自己的内心交流,和自己的灵魂对话,听时光走过的声音,嗅闻它御风而过的芳香........................................
如果兜兜转转了大半个人生的你,此刻依然觉得自己很贫穷,那么愿一无所有的你,
看似短暂的一生,其间的色彩,波折,却是纷呈的,深不可测的,所以才有人拼尽一切阻隔,在路漫漫中,上下而求索。
不管平庸也好,风生水起也罢,其实谁的人生不是顶着风雨在前行,都在用平凡的身体支撑着一个看不见的灵魂?
有时候行到风不推身体也飘摇,雨不流泪水也湿过衣衫,而让我们始终坚持的除了一份信念:风雨总会过去,晴朗总会伴着彩虹挂在天边。
一定还有比信念还牢固的东西支撑着我们,那就是流动在心底的爱,一份拳拳之爱,或许卑微,却是我们执著存在这个世界上,可以跨越任何险阻的勇气、力量和最美丽的理由。
人生的途程积累了一定的距离,每个人都成了哲学家。
因为生活会让我们慢慢懂得:低头是为了抬头,行走是为了更好地休憩,不阅尽沧桑怎会大度,没惯见成败怎会宠辱不惊,不历经
纠结怎会活得舒展?
看清才会原谅,有时的无动于衷,不是不屑,不是麻木,而是不值得。
有时痛苦,不是怕失去,不是没得到,而是因为自私,不肯放手,不是自己的,也不想给。
人生到最后,有的人把自己活成了富翁,有的人却一无所有。
梭罗说:一个人富裕程度如何,要看他能放下多少东西。
大千世界,我们总是想要的太多,以为自己得到的太少。
是啊,一个贫穷的人怎么会轻易舍得抛下自己的所有呢?到了一定年龄,
才会明白一个人对物质生活的过多贪求,反而让自己的心灵变得愈加贫穷。
人生到了最后,其实活出的只是一个灵魂的高度,清风明月,花香草色,便是一袖山水,满目清澈。
放下从前,放下过去,从容地走入当下,和自己的内心交流,和自己的灵魂对话,听
时光走过的声音,嗅闻它御风而过的芳香......
如果兜兜转转了大半个人生的你,此刻依然觉得自己很贫穷,那么愿一无所有的你,。