《建筑工程施工质量评价标准》(评分表格)
- 格式:doc
- 大小:688.50 KB
- 文档页数:54
表4.2.3施工现场质量保证条件评分表表5.1.3地基及桩基工程性能检测评分表表5.2.3地基及桩基工程质量记录评分表表5.3.3地基及桩基工程尺寸偏差及限值实测评分表表5.4.3地基及桩基工程观感质量评分表表6.1.3结构工程性能检测评分表表6.2.3结构工程质量记录评分表……………………………………………………………精品资料推荐…………………………………………………续表6.2.3结构工程质量记录评分表6.3.3 结构工程尺寸偏差及限值实测评分表表6.4.3结构工程观感质量评分表表7.1.3屋面工程性能检测评分表表7.2.3屋面工程质量记录评分表表7.3.3屋面工程尺寸偏差及限值实测评分表表7.4.3屋面工程观感质量评分表表8.1.3装饰装修工程性能检测评分表表8.2.3 装饰装修工程质量记录评分表表8.3.3装饰装修工程尺寸偏差及限值实测评分表表8.4.3装饰装修工程观感质量评分表安装工程实际工作量分配表表9.1.3 建筑给水排水及采暖工程性能检测评分表表9.1.6建筑给排水及采暖工程质量记录评分表表9.1.9建筑给水排水及采暖工程尺寸偏差及限值实测评分表表9.1.12 建筑给水排水及采暖工程观感质量评分表表9.2.3建筑电气安装工程性能检测评分表表9.2.6 建筑电气安装工程质量记录评分表表9.2.9建筑电气安装工程尺寸偏差及限值实测评分表表9.2.12 建筑电气安装工程观感质量评分表表9.3.3通风与空调工程性能检测评分表表9.3.6通风与空调工程质量记录评分表表9.3.9通风与空调工程尺寸偏差及限值实测评分表表9.3.12通风与空调工程观感质量评分表表9.4.3电梯安装工程性能检测评分表表9.4.6电梯安装工程质量记录评分表表9.4.9电梯安装工程尺寸偏差及限值实测评分表表9.4.12电梯安装工程观感质量评分表表9.5.3智能建筑工程性能检测评分表表9.5.6智能建筑工程质量记录评分表表9.5.9智能建筑工程尺寸偏差及限值实测评分表表9.5.12智能建筑工程观感质量评分表表10.1.5工程结构质量综合评价表表10.2.5单位工程质量综合评价表表10.3.1单位工程质量各项目评价得分汇总表工程施工现场质量管理及质量责任制度审查表表3-1工程主要工序明细表表3-2地基及桩基工程性能检测评分表表4-17。
表4.1.1地基与基础工程性能检测项目及评分表4.2.1地基与基础工程质量记录项目及评分表4.3.1地基及基础工程允许偏差项目及评分表4.4.1地基与基础工程观感质量项目及评分表5.1.1混凝土结构工程性能检测项目及评分表5.1.3混凝土结构工程质量记录项目及评分表5.1.5混凝土结构工程允许偏差项目及评分表5.1.7混凝土结构工程观感质量项目及评分表5.2.1钢结构工程性能检测项目及评分表5.2.3钢结构工程质量记录项目及评分表5.2.5钢结构工程允许偏差项目及评分表5.2.7钢结构工程观感质量项目及评分表5.3.1砌体结构工程性能检测项目及评分表5.3.3砌体结构工程质量记录项目及评分表5.3.5砌体结构工程允许偏差项目及评分表5.3.7砌体结构工程观感质量项目及评分屋面工程性能检测项目及评分屋面工程质量记录项目及评分表6.3.1屋面工程允许偏差项目及评分屋面工程观感质量项目及评分表7.1.1装饰装修工程性能检测项目及评分表7.2.1装饰装修工程质量记录项目及评分表7.3.1装饰装修工程允许偏差项目及评分表7.4.1装饰装修工程观感质量项目及评分表8.1.1给水排水及供暖工程性能检测项目及评分表8.1.3给水排水及供暖工程质量记录项目及评分表8.1.5给水排水及供暖工程允许偏差项目及评分表8.1.7给水排水及供暖工程观感质量项目及评分表8.2.1电气工程性能检测项目及评分表8.2.3电气工程质量记录评分表表8.2.5电气工程允许偏差项目及评分表8.2.7电气工程观感质量项目及评分通风与空调工程性能检测项目及评分通风与空调工程质量记录项目及评分通风与空调工程允许偏差项目及评分通风与空调工程观感质量项目及评分电梯安装工程性能检测项目及评分电梯工程质量记录项目及评分表8.4.5电梯工程允许偏差项目及评分表8.4.7电梯工程观感质量项目及评分表8.5.1智能建筑工程性能检测项目及评分表8.5.3智能建筑工程质量记录项目及评分表8.5.5智能建筑工程允许偏差项目及评分智能建筑工程观感质量项目及评分燃气工程性能检测项目及评分表8.6.3燃气工程质量记录项目及评分表8.6.5燃气工程允许偏差项目及评分燃气工程观感质量项目及评分建筑节能工程性能检测项目及评分表9.2.1建筑技能工程质量记录项目及评分。
表4.2.3施工现场质量保证条件评分表表5.1.3地基及桩基工程性能检测评分表表5.2.3地基及桩基工程质量记录评分表表5.3.3地基及桩基工程尺寸偏差及限值实测评分表表5.4.3地基及桩基工程观感质量评分表表6.1.3结构工程性能检测评分表表6.2.3结构工程质量记录评分表表6.3.3 结构工程尺寸偏差及限值实测评分表表6.4.3结构工程观感质量评分表表7.1.3屋面工程性能检测评分表表7.2.3屋面工程质量记录评分表表7.3.3屋面工程尺寸偏差及限值实测评分表表7.4.3屋面工程观感质量评分表表8.1.3装饰装修工程性能检测评分表表8.2.3 装饰装修工程质量记录评分表表8.3.3装饰装修工程尺寸偏差及限值实测评分表表8.4.3装饰装修工程观感质量评分表安装工程实际工作量分配表表9.1.3 建筑给水排水及采暖工程性能检测评分表表9.1.6建筑给排水及采暖工程质量记录评分表表9.1.9建筑给水排水及采暖工程尺寸偏差及限值实测评分表表9.1.12 建筑给水排水及采暖工程观感质量评分表表9.2.3建筑电气安装工程性能检测评分表表9.2.6 建筑电气安装工程质量记录评分表表9.2.9建筑电气安装工程尺寸偏差及限值实测评分表表9.2.12 建筑电气安装工程观感质量评分表表9.3.3通风与空调工程性能检测评分表表9.3.6通风与空调工程质量记录评分表表9.3.9通风与空调工程尺寸偏差及限值实测评分表表9.3.12通风与空调工程观感质量评分表表9.4.3电梯安装工程性能检测评分表表9.4.6电梯安装工程质量记录评分表表9.4.9电梯安装工程尺寸偏差及限值实测评分表表9.4.12电梯安装工程观感质量评分表表9.5.3智能建筑工程性能检测评分表表9.5.6智能建筑工程质量记录评分表表9.5.9智能建筑工程尺寸偏差及限值实测评分表表9.5.12智能建筑工程观感质量评分表表10.1.5工程结构质量综合评价表表10.2.5单位工程质量综合评价表表10.3.1单位工程质量各项目评价得分汇总表工程施工现场质量管理及质量责任制度审查表表3-1。
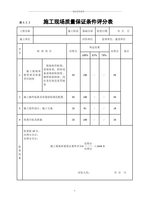
施工现场质量保证条件评分表
地基及桩基工程性能检测评分表
地基及桩基工程质量记录评分表
地基及桩基工程尺寸偏差及限值实测评分表
地基及桩基工程观感质量评分表
结构工程性能检测评分表
结构工程尺寸偏差及限值实测评分表
结构工程观感质量评分表
屋面工程尺寸偏差及限值实测评分表
屋面工程观感质量评分表
装饰装修工程性能检测评分表
装饰装修工程质量记录评分表
装饰装修工程尺寸偏差及限值实测评分表
装饰装修工程观感质量评分表
建筑给水排水及采暖工程尺寸偏差及限值实测评分表
建筑给水排水及采暖工程观感质量评分表
建筑电气安装工程性能检测评分表
建筑电气安装工程质量记录评分表
建筑电气安装工程尺寸偏差及限值实测评分表
建筑电气安装工程观感质量评分表
通风与空调工程性能检测评分表
通风与空调工程质量记录评分表
通风与空调工程尺寸偏差及限值实测评分表
通风与空调工程观感质量评分表
电梯安装工程性能检测评分表
电梯安装工程质量记录评分表
电梯安装工程尺寸偏差及限值实测评分表
电梯安装工程观感质量评分表
电梯安装工程观感质量评分
智能建筑工程性能检测评分表
智能建筑工程质量记录评分表
智能建筑工程尺寸偏差及限值实测评分表
智能建筑工程观感质量评分表
单位工程质量各项目评价得分汇总表。
表4.2.3施工现场质量保证条件评分表表5.1.3地基及桩基工程性能检测评分表表5.2.3地基及桩基工程质量记录评分表表5.3.3地基及桩基工程尺寸偏差及限值实测评分表表5.4.3地基及桩基工程观感质量评分表表6.1.3结构工程性能检测评分表表6.2.3结构工程质量记录评分表建筑工程施工质量评价标准(表格)续表6.2.3结构工程质量记录评分表6.3.3 结构工程尺寸偏差及限值实测评分表表6.4.3结构工程观感质量评分表表7.1.3屋面工程性能检测评分表表7.2.3屋面工程质量记录评分表表7.3.3屋面工程尺寸偏差及限值实测评分表表7.4.3屋面工程观感质量评分表表8.1.3装饰装修工程性能检测评分表表8.2.3 装饰装修工程质量记录评分表表8.3.3装饰装修工程尺寸偏差及限值实测评分表表8.4.3装饰装修工程观感质量评分表安装工程实际工作量分配表表9.1.3 建筑给水排水及采暖工程性能检测评分表表9.1.6建筑给排水及采暖工程质量记录评分表表9.1.9建筑给水排水及采暖工程尺寸偏差及限值实测评分表表9.1.12 建筑给水排水及采暖工程观感质量评分表表9.2.3建筑电气安装工程性能检测评分表表9.2.6 建筑电气安装工程质量记录评分表表9.2.9建筑电气安装工程尺寸偏差及限值实测评分表表9.2.12 建筑电气安装工程观感质量评分表表9.3.3通风与空调工程性能检测评分表表9.3.6通风与空调工程质量记录评分表表9.3.9通风与空调工程尺寸偏差及限值实测评分表表9.3.12通风与空调工程观感质量评分表表9.4.3电梯安装工程性能检测评分表表9.4.6电梯安装工程质量记录评分表表9.4.9电梯安装工程尺寸偏差及限值实测评分表表9.4.12电梯安装工程观感质量评分表表9.5.3智能建筑工程性能检测评分表表9.5.6智能建筑工程质量记录评分表表9.5.9智能建筑工程尺寸偏差及限值实测评分表表9.5.12智能建筑工程观感质量评分表表10.1.5工程结构质量综合评价表表10.2.5单位工程质量综合评价表表10.3.1单位工程质量各项目评价得分汇总表工程施工现场质量管理及质量责任制度审查表表3-1工程主要工序明细表表3-2地基及桩基工程性能检测评分表表4-17。
表4.1.1地基与基础工程性能检测项目及评分表4.2.1地基与基础工程质量记录项目及评分表4.3.1地基及基础工程允许偏差项目及评分表4.4.1地基与基础工程观感质量项目及评分表5.1.1混凝土结构工程性能检测项目及评分表5.1.3混凝土结构工程质量记录项目及评分表5.1.5混凝土结构工程允许偏差项目及评分表5.1.7混凝土结构工程观感质量项目及评分表5.2.1钢结构工程性能检测项目及评分表5.2.3钢结构工程质量记录项目及评分表5.2.5钢结构工程允许偏差项目及评分表5.2.7钢结构工程观感质量项目及评分表5.3.1砌体结构工程性能检测项目及评分表5.3.3砌体结构工程质量记录项目及评分表5.3.5砌体结构工程允许偏差项目及评分表5.3.7砌体结构工程观感质量项目及评分屋面工程性能检测项目及评分屋面工程质量记录项目及评分表6.3.1屋面工程允许偏差项目及评分表7.4.3屋面工程观感质量项目及评分表7.1.1装饰装修工程性能检测项目及评分表7.2.1装饰装修工程质量记录项目及评分表7.3.1装饰装修工程允许偏差项目及评分表7.4.1装饰装修工程观感质量项目及评分表8.1.1给水排水及供暖工程性能检测项目及评分表8.1.3给水排水及供暖工程质量记录项目及评分表8.1.5给水排水及供暖工程允许偏差项目及评分表8.1.7给水排水及供暖工程观感质量项目及评分表8.2.1电气工程性能检测项目及评分表8.2.3电气工程质量记录评分表表8.2.5电气工程允许偏差项目及评分表8.2.7电气工程观感质量项目及评分通风与空调工程性能检测项目及评分通风与空调工程质量记录项目及评分通风与空调工程允许偏差项目及评分通风与空调工程观感质量项目及评分电梯安装工程性能检测项目及评分电梯工程质量记录项目及评分表8.4.5电梯工程允许偏差项目及评分表8.4.7电梯工程观感质量项目及评分表8.5.1智能建筑工程性能检测项目及评分表8.5.3智能建筑工程质量记录项目及评分表8.5.5智能建筑工程允许偏差项目及评分智能建筑工程观感质量项目及评分燃气工程性能检测项目及评分表8.6.3燃气工程质量记录项目及评分表8.6.5燃气工程允许偏差项目及评分燃气工程观感质量项目及评分建筑节能工程性能检测项目及评分表9.2.1建筑技能工程质量记录项目及评分。
表4.2.3施工现场质量保证条件评分表表5.1.3地基及桩基工程性能检测评分表表5.2.3地基及桩基工程质量记录评分表表5.3.3地基及桩基工程尺寸偏差及限值实测评分表表5.4.3地基及桩基工程观感质量评分表表6.1.3结构工程性能检测评分表表6.2.3结构工程质量记录评分表表6.3.3 结构工程尺寸偏差及限值实测评分表表6.4.3结构工程观感质量评分表表7.1.3屋面工程性能检测评分表表7.2.3屋面工程质量记录评分表表7.3.3屋面工程尺寸偏差及限值实测评分表表7.4.3屋面工程观感质量评分表表8.1.3装饰装修工程性能检测评分表表8.2.3 装饰装修工程质量记录评分表表8.3.3装饰装修工程尺寸偏差及限值实测评分表表8.4.3装饰装修工程观感质量评分表安装工程实际工作量分配表表9.1.3 建筑给水排水及采暖工程性能检测评分表表9.1.6建筑给排水及采暖工程质量记录评分表表9.1.9建筑给水排水及采暖工程尺寸偏差及限值实测评分表表9.1.12 建筑给水排水及采暖工程观感质量评分表表9.2.3建筑电气安装工程性能检测评分表表9.2.6 建筑电气安装工程质量记录评分表表9.2.9建筑电气安装工程尺寸偏差及限值实测评分表表9.2.12建筑电气安装工程观感质量评分表表9.3.3通风与空调工程性能检测评分表表9.3.6通风与空调工程质量记录评分表表9.3.9通风与空调工程尺寸偏差及限值实测评分表表9.3.12通风与空调工程观感质量评分表表9.4.3电梯安装工程性能检测评分表表9.4.6电梯安装工程质量记录评分表表9.4.9电梯安装工程尺寸偏差及限值实测评分表表9.4.12电梯安装工程观感质量评分表表9.5.3智能建筑工程性能检测评分表表9.5.6智能建筑工程质量记录评分表表9.5.9智能建筑工程尺寸偏差及限值实测评分表表9.5.12智能建筑工程观感质量评分表表10.15工程结构质量综合评价表表10.2.5单位工程质量综合评价表表10.3.1单位工程质量各项目评价得分汇总表工程施工现场质量管理及质量责任制度审查表表3-1。
表4.1.1
地基与基础工程性能检测项目及评分
表4.2.1
地基与基础工程质量记录项目及评分
表4.3.1
地基及基础工程允偏差项目及评分
表4.4.1
地基与基础工程观感质量项目及评分
表5.1.1
混凝土结构工程性能检测项目及评分
表5.1.3
混凝土结构工程质量记录项目及评分
表5.1.5
混凝土结构工程允偏差项目及评分
表5.1.7
混凝土结构工程观感质量项目及评分
表5.2.1
钢结构工程性能检测项目及评分
表5.2.3
钢结构工程质量记录项目及评分
表5.2.5
钢结构工程允偏差项目及评分
表5.2.7
钢结构工程观感质量项目及评分
表5.3.1
砌体结构工程性能检测项目及评分
表5.3.3
砌体结构工程质量记录项目及评分
表5.3.5
砌体结构工程允偏差项目及评分
表5.3.7
砌体结构工程观感质量项目及评分
表6.1.1
屋面工程性能检测项目及评分
表6.2.1
屋面工程质量记录项目及评分
表6.3.1
屋面工程允偏差项目及评分
表6.4.1
屋面工程观感质量项目及评分
表7.1.1
装饰装修工程性能检测项目及评分
表7.2.1
装饰装修工程质量记录项目及评分
表7.3.1
装饰装修工程允偏差项目及评分
表7.4.1
装饰装修工程观感质量项目及评分
表8.1.1
给水排水及供暖工程性能检测项目及评分
表8.1.3
给水排水及供暖工程质量记录项目及评分。
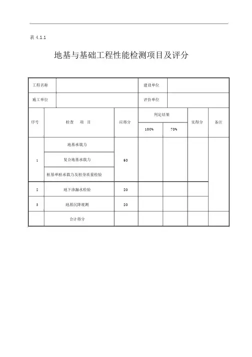
表 4.1.1地基与基础工程性能检测项目及评分工程名称建设单位施工单位评价单位判定结果序号检查项目应得分实得分备注100%70%地基承载力1复合地基承载力60桩基单桩承载力及桩身质量检验2地下渗漏水检验203地基沉降观测20合计得分性能检测项目分值40 分。
应得分合计:核实得分合计:查实得分合计应得分合计×40=地基与基础工程性能检测得分=结果评价人员:年月日表 4.2.1地基与基础工程质量记录项目及评分工程名称施工单位序号材料合格证、进场验1收记录及复试报告建设单位评价单位判定结果检查项目应得分实得分备注100%70%钢筋、水泥、外加剂合格证、进场验收记录及复试报告,混凝土进场塌落度测试记录预制桩合格证及进场验收记录、桩强30度试验报告防水材料合格证、进场验收记录及复试报告地基处理、验槽、钎探施工记录预制桩接头施工记录打(压)桩及试桩施工记录2施工灌注桩成孔、钢筋笼、混凝土灌注30记录桩浇筑施工记录防水层施工记录及隐蔽工程验收记录有关地基材料配合比试验报告3施工40试验压实系数、桩体及桩间土干密度试验报告钢筋连接试验报告混凝土试件强度评定报告预制桩龄期及试件强度试验报告防水材料配合比试验报告合计得分质量记录项目分值40 分。
核应得分合计:实得分合计:查地基与基础工程质量记录得分结果实得分合计=应得分合计×40=评价人员:年月日表 4.3.1地基及基础工程允许偏差项目及评分工程名称建设单位施工单位评价单位判定结果序号检查项目应得分实得分备注100%70%天然地基标高及基槽尺寸偏差复合地基桩位偏差180打(压)桩桩位偏差灌注桩桩位偏差2防水卷材、塑料板搭接宽度偏差20合计得分允许偏差项目分值10 分。
核应得分合计:实得分合计:查实得分合计地基与基础工程允许偏差得分= 应得分合计×10=结果评价人员:年月日表 4.4.1地基与基础工程观感质量项目及评分工程名称建设单位施工单位评价单位判定结果序号检查项目应得分实得分备注100%70%地基、标高、表面平整、边坡复合地基180桩头、桩顶标高、场地桩基平整表面质量、细部处理(施2地下防水工缝、变形缝、穿墙管、20预埋件、孔口、坑池等)合计得分核观感质量项目分值10 分。
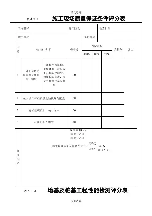
表4.2.3 施工现场质量保证条件评分表
表5.1.3 地基及桩基工程性能检测评分表
表5.2.3 地基及桩基工程质量记录评分表
表5.3.3 地基及桩基工程尺寸偏差及限值实测评分表
表5.4.3 地基及桩基工程观感质量评分表
表6.1.3 结构工程性能检测评分表
表6.2.3 结构工程质量记录评分表
表6.3.3 结构工程尺寸偏差及限值实测评分表
表6.4.3结构工程观感质量评分表
表7.1.3 屋面工程性能检测评分表
表7.2.3 屋面工程质量记录评分表
表7.3.3 屋面工程尺寸偏差及限值实测评分表
表7.4.3 屋面工程观感质量评分表
表8.1.3 装饰装修工程性能检测评分表
表8.2.3 装饰装修工程质量记录评分表
表8.3.3 装饰装修工程尺寸偏差及限值实测评分表
表8.4.3 装饰装修工程观感质量评分表
安装工程实际工作量分配表
表9.1.3 建筑给水排水及采暖工程性能检测评分表
表9.1.6 建筑给排水及采暖工程质量记录评分表
表9.1.9建筑给水排水及采暖工程尺寸偏差及限值实测评分表
表9.1.12 建筑给水排水及采暖工程观感质量评分表
表9.2.3 建筑电气安装工程性能检测评分表
表9.2.6 建筑电气安装工程质量记录评分表
表9.2.9 建筑电气安装工程尺寸偏差及限值实测评分表
表9.2.12 建筑电气安装工程观感质量评分表
表9.3.3 通风与空调工程性能检测评分表
表9.3.6 通风与空调工程质量记录评分表。
表4.2.3施工现场质量保证条件评分表
表5.1.3地基及桩基工程性能检测评分表
表5.2.3地基及桩基工程质量记录评分表
表5.3.3地基及桩基工程尺寸偏差及限值实测评分表
表5.4.3地基及桩基工程观感质量评分表
表6.1.3结构工程性能检测评分表
表6.2.3结构工程质量记录评分表
表6.3.3 结构工程尺寸偏差及限值实测评分表
表6.4.3结构工程观感质量评分表
表7.1.3屋面工程性能检测评分表
表7.2.3屋面工程质量记录评分表
表7.3.3屋面工程尺寸偏差及限值实测评分表
表7.4.3屋面工程观感质量评分表
表8.1.3装饰装修工程性能检测评分表
表8.2.3 装饰装修工程质量记录评分表
表8.3.3装饰装修工程尺寸偏差及限值实测评分表
表8.4.3装饰装修工程观感质量评分表
安装工程实际工作量分配表
表9.1.3 建筑给水排水及采暖工程性能检测评分表
表9.1.6建筑给排水及采暖工程质量记录评分表
表9.1.9建筑给水排水及采暖工程尺寸偏差及限值实测评分表
表9.1.12 建筑给水排水及采暖工程观感质量评分表
表9.2.3建筑电气安装工程性能检测评分表
表9.2.6 建筑电气安装工程质量记录评分表
表9.2.9建筑电气安装工程尺寸偏差及限值实测评分表
表9.2.12 建筑电气安装工程观感质量评分表
表9.3.3通风与空调工程性能检测评分表
表9.3.6通风与空调工程质量记录评分表
表9.3.9通风与空调工程尺寸偏差及限值实测评分表
表9.3.12通风与空调工程观感质量评分表
表9.4.3电梯安装工程性能检测评分表
表9.4.6电梯安装工程质量记录评分表
表9.4.9电梯安装工程尺寸偏差及限值实测评分表
表9.4.12电梯安装工程观感质量评分表
表9.5.3智能建筑工程性能检测评分表
表9.5.6智能建筑工程质量记录评分表
表9.5.9智能建筑工程尺寸偏差及限值实测评分表
表9.5.12智能建筑工程观感质量评分表
表10.1.5工程结构质量综合评价表
表10.2.5单位工程质量综合评价表。