电气设备实验报告_500KVA
- 格式:doc
- 大小:58.50 KB
- 文档页数:1
电气设备安装实验报告(4篇)电气设备安装实验报告(通用4篇)电气设备安装实验报告篇1一、实训目的:实训是机械学生不可缺少的实训环节,学校安排本次实训是在学生完成所有基础课、技术基础课后进行的。
实训的目的在于通过在实训基地的实践,使学生能将所学的理论和实践相结合,巩固所学的专业知识,培养实践操作技能,建立电工电子应用的概念。
本次的实训要提高自己对社会的认知能力,让自己迅速适应社会,跟上电子信息前进的步伐。
通过理论与实践的相结合、学校与社会相沟通,进一步提高学生的思想觉悟、业务水平,尤其是观察、分析解决问题的实际工作能力,以便培养自己成为能够主动适应神会主义现代化建设需要的高素质的复合型人才。
二、实训设备十字改锥、一字改锥、尖嘴钳、剥线钳、万用表、热继电器、导线若干、交流接触器三、实训内容:5周周二1、电动机的点动控制电路老师讲解原理、连接电路的方法和步骤,自己实践操作①、实训目的:(1)学会三相异步电动机的点动控制的接线和操作方法;(2)了解交流接触器的工作原理和构造;(3)了解按钮开关的构造与作用;(4)掌握三相电动机点动控制的工作原理、安装及操作方法;(5)掌握交流接触器常开、常闭触头在电路中的应用;(6)通过对三相异步电动机点动线路的实际操作过程,掌握由电气原理图变换成实际电路接线图的知识;(7)理解点动控制线路的概念。
②、实训元件:十字改锥、一字改锥、尖嘴钳、剥线钳、万用表、热继电器、导线若干、交流接触器③、点动控制原理:当按下启动按钮SB后,接触器KM的吸引线圈通电,常开主触点闭合,电动机定子绕组接通三相电源,电动机启动。
松开启动按钮,接触器线圈断电,主触点分开切断三相电源,电动机停止4、实训过程:(1)按点动控制线路进行安装接线,接线是先接主电路,后接控制电路;(2)线路接好后,对照电路原理图仔细检查;(3)先自己用万用表测试电路是否通畅,有没有出现短路的可能!然后找老师进行电路连接核对;(4)实训完毕,切断实验线路三相交流电源,拆除电路;(5)收拾实验台,整理工具后。
500kV超高压配电装置特殊试验1 概述GEW系统设备为积木式结构,主要由断路器、隔离开关、接地开关、快速接地开关、电流互感器、电压互感器、避雷器、母线、套管等(见照片1-9)部分组成。
其中的气体绝缘母线是一种气体绝缘的输电管道,外壳与导体的截面为同轴柱结构,导体与外壳通过三角形绝缘子或盘式绝缘子(气室分隔处)连接,其空间充一定压力的SF6气体。
绝缘子位于外壳内部,外壳通过法兰联接,这样可以最大限度保证外壳的电气连通性及等电位性。
气体绝缘母线的另一个重要的优点是电容比电缆的小,因而即使长距离输电,也不需要无功补偿。
2 工程概况福建宁德核电站一期1、2号机GIS系统设备由新东北电气(沈阳)高压开关有限公司生产,是引进瑞士ABB高压技术有限公司ELK3型550KV GIS技术而设计的,本次试验共4台机组,12个间隔。
包括36台断路器,96台隔离开关,108台接地开关,96台电流互感器,20台电压互感器,12台避雷器,1300多米母线。
GIL系统设备由苏州-阿海珐公司生产,三相回路的长度分别约为500米、400米和500米。
由于本次试验从开关站外出线套管处加压,GIL耐压试验的同时必须连同GIS设备一同试验,七类设备整体完成交接试验时,单次试验回路最长约900米,试验回路负载大。
目前国内外均无整体交接相关规程和标准,试验难度大,试验过程的控制复杂,既要满足交接试验规程要求,又要兼顾各类设备不同特性参数和现场试验条件的限制。
试验必须有序多次进行,整个流程是按照试验电压由高到低顺序操作,加压点选择在开关站500KV出线侧套管处。
本次的试验项目主要有:GEW系统整体耐压试验;PT励磁特性和误差校准试验;CT误差校准试验;SF6罐式避雷器系统运行电压和持续运行电压下的全电流、泄露电流试验。
3 GEW系统设备主要电气参数3.1 GIS系统主要设备3.1.1 断路器额定电压:550 kV额定电流: 4000 A 机械稳定性操作:10000次/5000次额定短路开断电流:63 kA灭弧室电寿命:大于20次峰值耐受电流:171 kA噪音水平:距断路器最近部位2米,高1.5米处不大于110dB(A)开断时间:≤40 ms分闸时间:≤30 ms 合闸时间:≤70 ms 额定操作顺序:O-0.3s-CO-180s-CO合分时间(金属短接时间):≤50 ms重合闸无电流间隔时间:0.3s,可调分合闸不同期性极间同极断口间分闸不同期性:≤2.5ms≤1.5ms合闸不同期性:≤4ms≤2ms3.1.2 母线额定电压:550 kV最高工作电压:550 kV额定频率:50 Hz额定电流:母线电流4000 A;进线电流4000 A;出线电流4000 A额定短路开断电流:63 kA额定动稳定电流(峰值):171 kA额定热稳定电流及其持续时间额定值:63/3 kA.s额定工频耐受电压:相对地(1min)(kV) 740;断口间(1min)(kV)740+315;零表压下相对地(5min) 1.3倍相电压;零表压下开关断口间(5min) 1.3倍相电压额定雷电冲击耐受电压:相对地(1.2/50μs)(kV) 1675;断口间(1.2/50μs)(kV) 1675+450额定操作冲击耐受电压:相对地(250/2500μs)(kV) 1300;断口间(250/2500μs)(kV) 1300+450设备温升30K 大修周期?20 年3.1.3 PT电磁式电压互感器原边额定电压:500/√3 kV局部放电:≤5 pC负载功率因素cos 0.8 低压线圈绝缘水平:工频1min 耐压(kV);二次线圈2kV;匝间4.5kV 副边额定电压:100/√3 V;输出容量:75 VA准确级0.2/0.2/3P/3P3.1.4 CT电流互感器额定频率:50 Hz额定一次电流:2/4/0.3 kA额定二次电流:1 A额定输出容量:30/20/15 VA 准确限值系数:30/60 仪表保安系数:10标准准确级:0.2S/5P60/0.2/T;PY/5P30/0.53.1.5 SF6罐式无间隙氧化锌避雷器系统标称电压:500 kV 避雷器额定电压:420/444 kV 避雷器标称放电电流:20 kA避雷器冲击残压(kV):陡波冲击残压(1/5μs); ≤1075/1137;雷电冲击残压(8/20μs); ≤1046/1106;操作冲击残压(30/60μs); ≤858/907 冲击通流容量试验:雷电冲击通流(kA) 100;大电流冲击耐受(4/10μs)(2次) 2电流冲击耐受试验:耐受长持续时间电流冲击18 次不击穿;2000A 压力释放等级(kA) 63 爬电比距(mm/kV) 31 额度电压:420KV持续工作电压:336KV3.2 GIL系统母线充气压力:3.5bar报警压力:3.1bar最小压力:2.9bar系统额定电压:500kV额定电压:550kV 额定频率:50 Hz额定电流:2000 A额定工频耐受电压(kV rms):740kV额定雷电冲击耐受电压(kV peak):1550kV额定操作冲击耐受电压(kV peak):1175 kV 额定短时耐受电流:63kA,3s零气压5分钟工频耐受电压(kV rms):1.1×550/√3kV额定峰值耐受电流(kA):170kA壳体电阻:5.2μΩ/m导体电阻:6.8μΩ/m母线电感:0.21μH/m母线电容:54 pF/m4试验前的准备工作将试验设备吊装放置在离GIS出线套管大于12米以上的平整夯实地面上,试验设备(电抗器)放置点的地面进行夯实处理,设备底座与地面用枕木架空隔离,确保电抗器(高度约12m,重量54t,底面积直径为3m)不发生倾斜;试验设备占地面积不小于400m2(见照片10)。
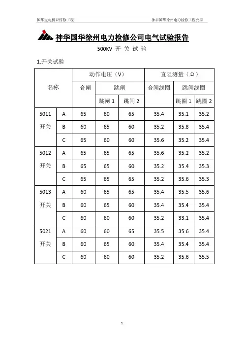
500KV 开关试验1.开关试验
500KV 开关试验
2.检修人员及使用仪器
3.试验结论:合格
4.试验人员:谢文杰、满建国、高西亮
5011开关电流互感器特性试验1.试验项目
注:另附试验报告
2.检修人员及使用仪器
3.试验结论:合格
4.试验人员:谢文杰、满建国、高西亮
5012开关电流互感器特性试验1.试验项目
注:另附试验报告
2.检修人员及使用仪器
3.试验结论:合格
4.试验人员:谢文杰、满建国、高西亮
5013开关电流互感器特性试验1.试验项目
注:另附试验报告
2.检修人员及使用仪器
3.试验结论:合格
4.试验人员:谢文杰、满建国、高西亮
5021开关电流互感器特性试验1.试验项目
注:另附试验报告
2.检修人员及使用仪器
3.试验结论:合格
4.试验人员:谢文杰、满建国、高西亮
5022开关电流互感器特性试验1.试验项目
注:另附试验报告
2.检修人员及使用仪器
3.试验结论:合格
4.试验人员:谢文杰、满建国、高西亮
5023开关电流互感器特性试验1.试验项目
注:另附试验报告
2.检修人员及使用仪器
3.试验结论:合格
4.试验人员:谢文杰、满建国、高西亮。
500kVA变压器额定电流简介变压器是电力系统中的关键设备之一,用于改变电压的大小以满足不同电气设备的需求。
额定电流是变压器的重要参数之一,表示变压器能够安全稳定地传输的电流大小。
本文将介绍500kVA变压器的额定电流及其相关内容。
500kVA变压器500kVA变压器是一种容量为500千伏安(kVA)的变压器。
它是一种中型变压器,常用于中小型工业厂房、商业大楼和住宅小区等场所。
该容量的变压器通常由铁芯和绕组组成。
额定电流额定电流是指在额定频率和额定温升下,变压器能够安全稳定地传输的电流。
对于500kVA变压器来说,其额定电流常常由变压器的额定容量和额定电压来确定。
额定容量额定容量是指变压器能够连续供应的功率大小。
对于500kVA变压器来说,其额定容量为500千伏安乘以额定电压。
额定电压额定电压是指变压器额定输入电压和输出电压的数值。
对于500kVA变压器来说,其额定电压一般为高压侧和低压侧的额定电压。
额定电流的计算对于500kVA变压器的额定电流计算,可以通过以下公式得到:额定电流 = 额定容量 / (根号3 × 额定电压)其中,根号3是表示三相系统的系数,通常约等于1.732。
例如,假设500kVA变压器的额定容量为500千伏安,高压侧额定电压为11千伏,低压侧额定电压为0.4千伏,则可计算出额定电流为:额定电流= 500 / (1.732 × 11) ≈ 25.6安(A)因此,500kVA变压器的额定电流约为25.6安。
额定电流的意义额定电流是指变压器能够安全传输的电流大小。
在设计和运行电力系统时,了解变压器的额定电流非常重要,有以下几点意义:保护设备和线路额定电流的准确计算能够确保系统中的设备和电缆能够在其额定电流范围内正常运行。
如果额定电流超过了设备和线路的额定值,可能导致设备过载、线路过热甚至损坏。
合理规划系统容量通过了解变压器的额定电流,可以合理规划系统的容量。
根据负荷需求和变压器的额定电流,可以选择合适容量的变压器来满足电力系统的需求,避免过载或电力供应不足的问题。
水电站500kV高压设备耐压试验研究摘要:目前我国现代化建设的不断发展,城乡居民与工业生产的需求越来越大,对于电力供应稳定性的要求越来越高,如何为用户提供更加优质的电力服务已经成为有关单位十分重要的研究课题之一,本论文对高压电气设备绝缘耐压技术进行了详细阐述与分析,希望可以起到参考作用。
关键词:水电站;500kV高压设备;耐压试验;研究1针对高压电气设备绝缘耐压性能的检测技术1.1直流耐压试验直流耐压试验,属于破坏性试验,试验过程中会对设备产生一定程度的损害,为检测设备在高压试验下承受的最大电压峰值。
便于确定设备的使用范围和选择设备的量程。
直流耐压试验所需要的试验设备通常有着比较大的体积,相比一般性试验来说,纹波系数明显较高,稳定性较差。
在相关技术与设备不断发展的过程中,传统的试验方法已经无法满足新的试验需求。
1.2介质损耗角试验在交变电场作用下,电介质内流过的电流相量和电压相量之间的夹角(功率因数角Φ)的余角δ称为介质损耗角。
介质损耗测试仪:介质损耗测试仪是一种新颖的测量介质损耗角正切值(tgδ)和电容值(Cx)的智能化仪器。
可以在工频高压下,现场测量各种绝缘材料、绝缘套管、电力电缆、电容器、互感器、变压器等高压设备的介质损耗角正切值(tgδ)和电容值(Cx)。
工作原理在交流电压作用下,电介质要消耗部分电能,这部分电能将转变为热能产生损耗。
这种能量损耗叫做电介质的损耗。
当电介质上施加交流电压时,电介质中的电压和电流间存在相角差Ψ,Ψ的余角δ称为介质损耗角,δ的正切tgδ称为介质损耗角正切。
tgδ值是用来衡量电介质损耗的参数。
仪器测量线路包括一标准回路(Cn)和一被试回路(Cx)。
标准回路由内置高稳定度标准电容器与测量线路组成,被试回路由被试品和测量线路组成。
测量线路由取样电阻与前置放大器和A/D转换器组成。
通过测量电路分别测得标准回路电流与被试回路电流幅值及其相位等,再由单片机运用数字化实时采集方法,通过矢量运算便可得出试品的电容值和介质损耗正切值。
电气设备安装实验报告电气设备安装实验报告范文(精选6篇)在经济飞速发展的今天,报告的用途越来越大,报告包含标题、正文、结尾等。
我们应当如何写报告呢?以下是小编为大家收集的电气设备安装实验报告范文(精选6篇),欢迎大家借鉴与参考,希望对大家有所帮助。
电气设备安装实验报告1一、实训目的:实训是机械学生不可缺少的实训环节,学校安排本次实训是在学生完成所有基础课、技术基础课后进行的。
实训的目的在于通过在实训基地的实践,使学生能将所学的理论和实践相结合,巩固所学的专业知识,培养实践操作技能,建立电工电子应用的概念。
本次的实训要提高自己对社会的认知能力,让自己迅速适应社会,跟上电子信息前进的步伐。
通过理论与实践的相结合、学校与社会相沟通,进一步提高学生的思想觉悟、业务水平,尤其是观察、分析解决问题的实际工作能力,以便培养自己成为能够主动适应神会主义现代化建设需要的高素质的复合型人才。
二、实训设备十字改锥、一字改锥、尖嘴钳、剥线钳、万用表、热继电器、导线若干、交流接触器三、实训内容:5周周二1、电动机的点动控制电路老师讲解原理、连接电路的方法和步骤,自己实践操作①、实训目的:(1)学会三相异步电动机的点动控制的接线和操作方法;(2)了解交流接触器的工作原理和构造;(3)了解按钮开关的构造与作用;(4)掌握三相电动机点动控制的工作原理、安装及操作方法;(5)掌握交流接触器常开、常闭触头在电路中的应用;(6)通过对三相异步电动机点动线路的实际操作过程,掌握由电气原理图变换成实际电路接线图的知识;(7)理解点动控制线路的概念。
②、实训元件:十字改锥、一字改锥、尖嘴钳、剥线钳、万用表、热继电器、导线若干、交流接触器③、点动控制原理:当按下启动按钮SB后,接触器KM的吸引线圈通电,常开主触点闭合,电动机定子绕组接通三相电源,电动机启动。
松开启动按钮,接触器线圈断电,主触点分开切断三相电源,电动机停止4、实训过程:(1)按点动控制线路进行安装接线,接线是先接主电路,后接控制电路;(2)线路接好后,对照电路原理图仔细检查;(3)先自己用万用表测试电路是否通畅,有没有出现短路的可能!然后找老师进行电路连接核对;(4)实训完毕,切断实验线路三相交流电源,拆除电路;(5)收拾实验台,整理工具后。
电气试验报告一、试验目的本次电气试验的主要目的是对电气设备的性能、安全性和可靠性进行检测和评估,以确保其在正常运行条件下能够稳定工作,预防潜在的故障和事故,保障电力系统的安全稳定运行。
二、试验对象本次试验的对象包括变压器、开关柜、电缆、避雷器等电气设备。
三、试验设备及工具1、兆欧表:用于测量绝缘电阻。
2、直流电阻测试仪:测量绕组的直流电阻。
3、高压试验变压器:进行耐压试验。
4、继电保护测试仪:检测继电保护装置的性能。
5、示波器:观察电压、电流的波形。
6、万用表:测量电压、电流、电阻等基本参数。
四、试验项目及结果1、绝缘电阻测试对变压器、开关柜内的母线、电缆等进行了绝缘电阻测试。
测试结果表明,各设备的绝缘电阻值均符合相关标准要求,表明设备的绝缘性能良好。
变压器高压侧对低压侧及地的绝缘电阻值为_____兆欧,低压侧对高压侧及地的绝缘电阻值为_____兆欧。
开关柜内母线的绝缘电阻值均大于_____兆欧,电缆的绝缘电阻值也在规定范围内。
2、直流电阻测试对变压器的绕组进行了直流电阻测试。
测试结果显示,各绕组的直流电阻值平衡,符合产品技术要求,表明绕组没有断路、短路等故障。
变压器高压绕组的直流电阻值为_____欧姆,低压绕组的直流电阻值为_____欧姆。
3、耐压试验对开关柜内的绝缘子、避雷器等进行了耐压试验。
试验过程中,未出现击穿、闪络等现象,表明设备能够承受规定的电压,绝缘性能可靠。
开关柜内绝缘子的耐压试验电压为_____千伏,持续时间_____分钟,避雷器的动作电压为_____千伏。
4、继电保护测试对继电保护装置进行了动作特性、整定值等测试。
测试结果表明,继电保护装置动作准确、可靠,能够在故障发生时及时切断电路,保护设备和人员的安全。
过流保护的整定值为_____安培,动作时间为_____毫秒;速断保护的整定值为_____安培,动作时间为_____毫秒。
5、开关柜操作试验对开关柜进行了分合闸操作试验,检查操作机构的灵活性、可靠性以及联锁装置的正确性。
500kva变压器功率因数【原创版】目录1.500kva 变压器的容量和功率2.功率因数对变压器的影响3.如何提高变压器的功率因数4.500kva 变压器在不同功率因数下的运行情况正文一、500kva 变压器的容量和功率500kva 变压器是一种具有 500 千伏安容量的变压器,它可以在电网中承担很大的负荷。
变压器的功率是指在单位时间内转换的能量,其单位为瓦特(W)。
对于 500kva 变压器,其功率为 500 千瓦(kW)。
二、功率因数对变压器的影响功率因数是电路中一个重要的概念,它反映了电路中有用功率与视在功率之间的比例关系。
功率因数的取值范围为 0-1,当功率因数为 1 时,表示电路中的能量全部被有效利用;而当功率因数小于 1 时,表示电路中存在一定程度的无功功率,这将导致电网中的能量浪费。
对于 500kva 变压器,其功率因数越接近 1,表示其能量利用率越高,电路中的能量损耗越小。
反之,如果功率因数小于 1,变压器的效率就会降低,电网中的能量损耗也会增加。
三、如何提高变压器的功率因数提高 500kva 变压器的功率因数,可以从以下几个方面入手:1.优化电路设计:通过合理选择变压器的磁路结构和线圈参数,以减小磁化电流,降低无功功率。
2.减少线路损耗:通过提高输电线路的质量和优化线路布局,降低线路损耗,从而提高变压器的功率因数。
3.加装无功补偿设备:在变压器的输出端加装无功补偿装置,如电容器等,以补偿电网中的无功功率,提高功率因数。
四、500kva 变压器在不同功率因数下的运行情况当 500kva 变压器满载运行时,根据不同的功率因数,其输出功率和无功功率会有所不同。
以下是一些具体数据:- 功率因数为 1 时,有功功率为 501.050kW,无功功率为 0kVar;- 功率因数为 0.8 时,有功功率为 500.840kW,无功功率为 30kVar;- 功率因数为 0.6 时,有功功率为 500.630kW,无功功率为 40kVar;- 功率因数为 0.2 时,有功功率为 500.210kW,无功功率为 49kVar。
竭诚为您提供优质文档/双击可除500kv变电站实习报告篇一:电力公司220KV变电站实习报告社会实践报告实践目的:在家乡电力公司的一座新建的220KV乡镇变电站进行参观实习,为以后进入社会工作打基础。
实践地点:十堰市竹溪县守金店220KV变电站。
实践时间:20XX年2月15日——3月15日实践方式:在竹溪县守金店220KV变电站参观实习,并收集资料。
实践内容:大学生的实践活动包括两大类:一类是教学计划内的实践环节,包括生产实习、社会调查、军事训练、劳动教育、模拟实验、毕业设计(论文)等;另一类是教学计划外的第二课堂,包括校园文化活动、勤工助学、社会考察等。
其中,生产实习作为教学与生产实践相结合的纽带,对创新人才的培养发挥着重要的作用。
作为电气自动化专业的学生,我们的生产实习主要是在现场直接认识和学习电力生产的整个过程,了解各设备的结构和运行状况。
所以在大学的最后一个假期,我来到家乡电力公司的一座新建的220KV乡镇变电站进行参观实习。
在去220KV乡镇变电站进行参观实习前,我认真查阅各种资料,做好了参观实习的充分准备:一、变电所变电所是联系发电厂和电力用户的中间环节,起着电压变换和分配电能的作用。
根据变电所在电力系统中的地位和作用不同,变电所可分为枢纽变电所、中间变电所、区域变电所和终端变电所。
其中枢纽变电所位于电力系统的枢纽点,汇集有多个电源(发电厂或其他电力网),连接电力系统的高压和中压,电压等级在330kV以上,负责向区域变电所和中间变电所供电。
当其停电时,将引起电力系统解列甚至瘫痪。
中间变电所位于枢纽变电所和区域变电所之间,使长距离输电线路分段,其高压侧以交换潮流为主,起功率交换作用。
它一般汇集2~3路电源,电压等级在220~330kV之间。
除了通过功率外,它还降压向当地用户供电,当其停电时将使区域电网解列。
区域变电所负责向某一地区城市供电,高压侧电压等级一般为110kV或220kV,低压侧电压等级一般为110kV或35kV。
500kV超高压配电装置特殊试验[摘要] 福建宁德核电站一期1、2号机GEW开关站/超高压配电装置系统由GIS和GIL两个系统组成,开关站(GIS)通过气体绝缘金属封闭输电母线(GIL)与核电站1号、2号、3号、4号机组主变高压侧出线套管相连接。
四组出线(宁德一、宁德二、笠里一、笠里二)通过架空线与电网相连接。
其优点是:结构小型化、运行可靠性高、运行安全性好、电磁兼容性好、安装周期短、维护方便、检修周期长、传输容量大。
对于近海空气盐分高、湿度大的运行环境,GEW与其它开关设备和传统输电方式相比,在运行维护成本和长期安全运行方面都有显著的优点。
现场交接试验在于检查GEW系统总体安装后的绝缘性能是否完好,验证是否存在各种隐患(如生产质量、安装错误,装卸、运输、储存和安装调试中的损坏,内部是否清洁,存在异物等)导致的内部故障。
本文主要介绍福建宁德核电站一期1、2号机GEW系统现场交接试验。
[关键词] 气体绝缘母线开关设备试验1 概述GEW系统设备为积木式结构,主要由断路器、隔离开关、接地开关、快速接地开关、电流互感器、电压互感器、避雷器、母线、套管等(见照片1-9)部分组成。
其中的气体绝缘母线是一种气体绝缘的输电管道,外壳与导体的截面为同轴柱结构,导体与外壳通过三角形绝缘子或盘式绝缘子(气室分隔处)连接,其空间充一定压力的SF6气体。
绝缘子位于外壳内部,外壳通过法兰联接,这样可以最大限度保证外壳的电气连通性及等电位性。
气体绝缘母线的另一个重要的优点是电容比电缆的小,因而即使长距离输电,也不需要无功补偿。
2 工程概况福建宁德核电站一期1、2号机GIS系统设备由新东北电气(沈阳)高压开关有限公司生产,是引进瑞士ABB高压技术有限公司ELK3型550KV GIS技术而设计的,本次试验共4台机组,12个间隔。
包括36台断路器,96台隔离开关,108台接地开关,96台电流互感器,20台电压互感器,12台避雷器,1300多米母线。
电气设备掌握的设计与接线实习一、试验目的:由于继电——接触器电气掌握系统线路简洁、价格低廉,多年来在各种各样生产机械的电气掌握体统领域中应用较为广泛。
一个电气掌握系统的设计要涉及到多方面的问题,包括对根本元器件的生疏与选择,电气原理及线路图的绘制,线路的布置,工艺的设计,系统的调试等等。
一个电气掌握系统的设计也就是一项系统工程,其间不但需要认真做好每个环节的工作,还要将各个环节协调好,才能是设计出的电气掌握系统安全高效地运行。
二、试验内容:对典型机床的电气掌握设备进展系统设计,制作和调试。
包括对元器件的生疏,线路图的绘制,线路的连接,系统的调试等。
1.生疏元器件1)熔断器熔断器是一种构造简洁、使用便利、价格低廉的保护电器。
主要用作电路或用电设备的短路保护,有时对FU严峻过载也可起到保护作用。
熔断器的熔体图1.熔断器的图形及文字符号串联在被保护电路中,当电路正常工作时,熔体中通过的电流不会使其熔断;当电路发生短路或严峻过载时,熔体中通过的电流很大,使其发热,当温度到达熔点时熔体瞬间熔断,FR切断电路,起到保护作用。
我们此次实习中使用的是螺旋式熔断器, 其图形及文字符号如图 1 所示。
2) 热继电器利用热继电器可对连续运行的电动机实施过载及断相保护,可防止因过热而损坏电动机的绝缘材料。
由于热继电器中发热元件有热惯性,在电路中不能作瞬时保护,更不能作短路保护,因此,它不同于过电流继电器和熔断器。
热继电器中产生热效应的发热元件,应 FR FR (a) 发热元件 〔b 〕常闭触点图2.热继电器的发热元件和触点的图形符号串联在电动机绕组电路中,这样,热继电器便能直接反映电动机的过载电流。
其接触点应串联在掌握电路中,一般有常开和常闭两种,作过载保护用时常使用其常闭触点串联在掌握电路中。
热继电器的发热元件、触点的图形符号和文字符号如图 2 所示。
3〕按钮按钮是一种构造简洁,使用广泛的手动主令电器,在低压掌握电路中,用来发出手动指令远距离掌握其他电器,再由其他电器去掌握主电路或转移各种信号,也可以直接用来转换信号电路和电器连锁电路等。
500kVxx站空载母线投切试验报告一.前言隔离开关投切空载母线,是变电站运行的正常操作,由于用隔离开关进行开、合母线转移电流的过程,燃弧时间长,重燃次数多,同时,隔离开关投切的空载母线回路参数小,将在设备上产生高频震荡过电压。
隔离开关投切空载母线产生的高频震荡过电压的特点是:过电压频率高,重燃次数多,持续时间长,该过电压对变电站的一、二次设备都将产生一定的影响。
目前,在国内已多次发现,在500KV变电站用隔离开关进行投切空载母线的操作时,发生避雷器频繁动作、CT套管滑闪放电、保护回路击穿、保护误动等现象。
由于隔离开关投切空载母线产生的高频震荡过电压频率高,且持续时间长,给测量带来困难,以往在我省500KVXX站和500KVXX站的调试中,在进行隔离开关投切空载母线时,所产生的高频暂态过电压都曾给测试设备造成一定的损坏,这次为进行500KVxx变电站空载母线投切试验,我们进行了充分的准备,在确保测试设备安全的条件下,记录高频暂态过电压的震荡过程。
二.依据标准2.1 DL/T 620-1997《交流电气装置的过电压保护和绝缘配合》2.2 DL 486-92《交流高压隔离开关订货技术条件》2.3 DL 408-91《电业安全工作规程》2.4 500kVxx变电站工程设计说明书三.试验主结线和设备参数3.1试验主结线进行空载母线投切试验时的系统运行方式和试验主结线如图1所示,其中,50136刀闸、50112刀闸处于分断位置,5012开关、50122刀闸、50121刀闸处于合闸位置,5013617接地刀闸合闸,501227、501217、5011617、501167、501367接地刀闸分闸。
以联变作电源,对母线送电。
用50116隔离开关作为操作刀闸,远动操作投切母线段,。
以线路CT作为被投切母线侧的电压测点,联变500KV侧套管作为投切母线电源侧的电压测点。
3.2主要设备参数3.2.1隔离开关的主要参数产品型号:GW17-500DW最高运行电压:550kV额定电流:3150A动稳定电流:125kA热稳定电流:50kA(3S)制造厂家:平顶山高压开关厂四.试验及其过电压测量4.1测量用主要仪器投切空载母线所产生的高频暂态过电压,具有很高的震荡频率,可达数百或上兆赫兹,而燃弧时间又长,以秒计算。