微机原理课程设计波形发生器
- 格式:docx
- 大小:594.06 KB
- 文档页数:18
波形发生器设计一.摘要本文以AT89C51单片机为核心,采用C语言的编程方法,外加DAC0832数模转换模块与集成运放模块,构成了函数波形发生器。
可产生方波、三角波、正弦波、锯齿波等多种波形,波形的频率可用程序改变,并可根据需要选择输出波形。
其中运用软硬件结合的方法实现设计功能,具有线路简单、结构紧凑、性能优越等特点。
关键词:51单片机;DAC;函数波形发生器二.设计要求1.产生正弦波、方波、三角波;2.幅度可以设定;3.出频率能达到1MHZ。
4. 发挥部分(自选)三.设计目的1、巩固、加深和扩大单片机应用的知识面,提高综合及灵活运用所学知识解决实际课题设计的能力。
2、培养针对课题需要,选择和查阅有关手册、图表及文献资料的能力,提高组成系统、编程、调试的动脑动手能力。
3、通过对课题设计方案的分析、选择、比较,熟悉运用单片机系统开发、软硬件设计的方法内容及步骤。
4,掌握各个接口芯片(如0832等)的功能特性及接口方法,并能运用其实现一个简单的单片机应用系统功能器件。
四.设计方案波形发生器的实现方法通常有以下几种:方案一:采用模拟电路搭建函数信号发生器,它可以同时产生方波、三角波、正弦波。
但是这种模块产生的不能产生任意的波形(例如梯形波),并且频率调节很不方便。
方案二:采用锁相式频率合成器,利用锁相环,将压控振荡器(VCO)的输出频率锁定在所需频率上,该方案性能良好,但难以达到输出频率覆盖系数的要求,且电路复杂。
方案三:采用AT89S52单片机和DAC0832芯片,直接连接键盘和显示。
该种方案主要对AT89S52单片机的各个I/O口充分利用。
P1口是连接键盘, P2口接显示电路,P0口连接DAC0832输出波形。
这样总体来说,能对单片机各个接口都利用上,而不在多用其它芯片,从而减小了系统的成本。
也对按照系统便携式低频信号发生器的要求所完成。
占用空间小,使用芯片少,低功耗。
综合考虑,方案三各项性能和指标都优于其他几种方案,能使输出频率有较好的稳定性,充分体现了模块化设计的要求,而且这些芯片及器件均为通用器件,在市场上较常见,价格也低廉,样品制作成功的可能性比较大,所以本设计采用方案三。
目录目录 01.1波形发生器的进展状况 01.2国内外波形发生器产品比较 (1)5.1 主流程图 (6)5.2正弦波仿真图 (6)5.4 方波仿真图 (7)1.波形发生器概况在电子工程、通信工程、自动控制、遥测控制、测量仪器、仪表和运算机等技术领域,常常需要用到各类各样的信号波形发生器。
随着集成电路的迅速进展,用集成电路可很方便地组成各类信号波形发生器。
用集成电路实现的信号波形发生器与其它信号波形发生器相较,其波形质量、幅度和频率稳固性等性能指标,都有了专门大的提高。
1.1波形发生器的进展状况波形发生器是能够产生大量的标准信号和用户概念信号,并保证高精度、高稳固性、可重复性和易操作性的电子仪器。
函数波形发生器具有持续的相位变换、和频率稳固性等长处,不仅能够模拟各类复杂信号,还可对频率、幅值、相移、波形进行动态、及时的控制,并能够与其它仪器进行通信,组成自动测试系统,因此被普遍用于自动控制系统、震动鼓励、通信和仪器仪表领域。
在70 年代前,信号发生器主要有两类:正弦波和脉冲波,而函数发生器介于两类之间,能够提供正弦波、余弦波、方波、三角波、上弦波等几种常常利用标准波形,产生其它波形时,需要采用较复杂的电路和机电结合的方式。
那个时期的波形发生器多采用模拟电子技术,而且模拟器件组成的电路存在着尺寸大、价钱贵、功耗大等缺点,而且要产生较为复杂的信号波形,则电路结构超级复杂。
同时,主要表现为两个突出问题,一是通过电位器的调节来实现输出频率的调节,因此很难将频率调到某一固定值;二是脉冲的占空比不可调节。
到了二十一世纪,随着集成电路技术的高速进展,出现了多种工作频率可过GHz 的DDS 芯片,同时也推动了函数波形发生器的进展,2003 年,Agilent 的产品33220A能够产生17 种波形,最高频率可达到20M,2005 年的产品N6030A 能够产生高达500MHz 的频率,采样的频率可达1.25GHz。
波形发生器课程设计下载一、课程目标知识目标:1. 学生能理解波形发生器的原理与功能,掌握基本的波形类型及其特性;2. 学生能运用所学知识,分析并描述波形发生器在电子技术中的应用;3. 学生了解波形发生器的技术参数,能够根据需求选择合适的波形发生器。
技能目标:1. 学生能够独立操作波形发生器,进行基本的波形设置与调整;2. 学生通过实践操作,培养动手能力,提高解决问题的技能;3. 学生能够运用波形发生器进行简单的信号发生与处理,具备初步的信号分析能力。
情感态度价值观目标:1. 学生培养对电子技术的兴趣,提高学习积极性,树立科学研究的信心;2. 学生通过合作学习,培养团队协作精神,增强沟通与交流能力;3. 学生了解波形发生器在我国科技发展中的应用,增强国家认同感,树立正确的价值观。
本课程针对高中电子技术课程,结合学生特点,注重理论与实践相结合,旨在培养学生的动手能力、创新思维和团队协作能力。
通过本课程的学习,学生能够掌握波形发生器的相关知识,提高电子技术水平,为后续电子技术学习打下坚实基础。
二、教学内容1. 波形发生器原理- 介绍波形发生器的定义、分类及工作原理;- 分析不同类型波形发生器的特点及适用场景。
2. 常见波形类型及其特性- 振荡电路原理,正弦波、方波、三角波等基本波形产生方法;- 分析各波形的特点、应用领域及优缺点。
3. 波形发生器的技术参数- 介绍频率、幅度、失真度等关键技术参数;- 讲解如何根据实际需求选择合适的波形发生器。
4. 实践操作- 搭建简单波形发生器电路,观察并分析波形;- 学会使用波形发生器进行信号发生与处理。
5. 波形发生器的应用- 分析波形发生器在电子技术领域的应用案例;- 探讨波形发生器在我国科技发展中的作用。
教学内容依据课程目标,结合教材相关章节,按照以下进度安排:第1课时:波形发生器原理及分类;第2课时:常见波形类型及其特性;第3课时:波形发生器的技术参数;第4课时:实践操作(搭建波形发生器电路);第5课时:波形发生器的应用。
教师批阅波形发生器设计摘要波形发生器是一种常用的信号源,广泛地应用于电子电路、自动控制系统和教学实验等领域。
函数信号发生器是一种能够产生多种波形,如三角波、锯齿波、矩形波(含方波)、正弦波的电路。
函数信号发生器在电路实验和设备检测中具有十分广泛的用途。
通过对函数波形发生器的原理以及构成分析,可设计一个能变换出三角波、正弦波、方波的函数波形发生器。
目前使用的信号发生器大部分是函数信号发生器,且特殊波形发生器的价格昂贵。
所以本设计使用的是DAC0832芯片构成的发生器,可产生三角波、方波、正弦波等多种特殊波形和任意波形,波形的频率可用程序控制改变。
在单片机上加外围器件距阵式键盘,通过键盘控制波形频率的增减以及波形的选择,并用了LCD显示频率大小。
在单片机的输出端口接DAC0832进行D/A转换,再通过运放进行波形调整,最后输出波形接在示波器上显示。
本设计具有线路简单、结构紧凑、价格低廉、性能优越等优点。
本设计制作的波形发生器,可以输出多种标准波形,如方波、正弦波、三角波、锯齿波等,还可以输出任意波形,如用鼠标创建的一个周期的非规则波形或用函数描述的波形等,输出的波形的频率、幅度均可调,且能脱机输出。
设计的人机界面不但清晰美观,而且操作方便。
关键词:波形发生器;DAC0832;单片机;波形调整教师批阅目录一、设计目的及意义............................................................................. - 3 -1.1设计目的 (3)1.2设计意义 (3)二、方案论证......................................................................................... - 4 -2.1设计要求 (4)2.2方案论证 (4)三、硬件电路设计................................................................................. - 5 -3.1设计思路、元件选型 (5)3.2原理图 (5)3.3主要芯片介绍 (6)3.4硬件连线图 (10)四、软件设计....................................................................................... - 10 -4.1锯齿波的产生过程 (11)4.2三角波产生过程 (13)4.3方波的产生过程 (14)4.4正弦波的产生过程 (16)4.5通过开关实现波形切换和调频、调幅 (18)五、调试与仿真................................................................................... - 20 -5.1仿真结果 (21)六、总结 ............................................................................................... - 22 -七、参考文献:................................................................................... - 23 -教师批阅一、设计目的及意义1.1设计目的(1)利用所学微机的理论知识进行软硬件整体设计,锻炼学生理论联系实际、提高我们的综合应用能力。
1.设计题目:波形发生电路2.设计任务和要求:要求:设计并用分立元件和集成运算放大器制作能产生方波和三角波波形的波形发生器。
基本指标:输出频率分别为:102HZ 、103HZ;输出电压峰峰值VPP≥20V3.整体电路设计1)信号发生器:信号发生器又称信号源或振荡器。
按信号波形可分为正弦信号、函数(波形)信号、脉冲信号和随机信号发生器等四大类。
各种波形曲线均可以用三角函数方程式来表示,如三角波、锯齿波、矩形波(含方波)、正弦波。
通过模拟电子技术设计的波形发生器是一个不需要外加输入信号,靠自身振荡产生信号的电路。
2)电路设计:整体电路由RC振荡电路,反相输入的滞回比较器和积分电路组成。
理由:a)矩形波电压只有两种状态,不是高电平,就是低电平,所以电压比较器是它的重要组成部分;b)产生振荡,就是要求输出的两种状态自动地相互转换,所以电路中必须引入反馈;c)输出状态应按一定的时间间隔交替变化,即产生周期性变化,所以电路中要有延迟环节来确定每种状态维持的时间。
RC振荡电路:即作为延迟环节,又作为反馈电路,通过RC充放电实现输出状态的自动转换。
反相输入的滞回比较器:矩形波产生的重要组成部分。
积分电路:将方波变为三角波。
3)整体电路框图:为实现方波,三角波的输出,先通过 RC振荡电路,反相输入的滞回比较器得到方波,方波的输出,是三角波的输入信号。
三角波进入积分电路,得出的波形为所求的三角波。
其电路的整体电路框图如图1所示:图14)单元电路设计及元器件选择 a ) 方波产生电路根据本实验的设计电路产生振荡,通过RC 电路和滞回比较器时将产生幅值约为12V 的方波,因为稳压管选择1N4742A (约12V )。
电压比较电路用于比较模拟输入电压与设定参考电压的大小关系,比较的结果决定输出是高电平还是低电平。
滞回比较器主要用来将信号与零电位进行比较,以决定输出电压。
图3为一种滞回电压比较器电路,双稳压管用于输出电压限幅,R 3起限流作用,R 2和R 1构成正反馈,运算放大器当u p >u n 时工作在正饱和区,而当u n >u p 时工作在负饱和区。
波形发生器单片机课程设计一、课程目标知识目标:1. 让学生理解波形发生器的基本原理,掌握单片机在波形发生器中的应用;2. 学会使用编程软件进行单片机程序设计,实现常见波形的生成;3. 了解波形发生器的性能指标,如频率、幅度、相位等,并能进行简单计算。
技能目标:1. 培养学生运用所学知识,设计并实现波形发生器单片机程序的能力;2. 提高学生动手实践能力,能够独立完成波形发生器的硬件连接与调试;3. 培养学生团队协作能力,通过小组合作完成课程设计。
情感态度价值观目标:1. 培养学生对单片机及电子技术的兴趣,激发学生的学习热情;2. 培养学生严谨的科学态度,注重实验数据的真实性,遵循实验操作规范;3. 培养学生的创新意识,鼓励学生勇于尝试,不断优化波形发生器设计。
分析课程性质、学生特点和教学要求:1. 课程性质:本课程属于电子技术领域,涉及单片机原理、编程及硬件设计;2. 学生特点:学生已具备一定的电子技术基础,熟悉单片机的基本操作,具有一定的编程能力;3. 教学要求:注重理论与实践相结合,强调动手实践,培养学生解决实际问题的能力。
二、教学内容1. 波形发生器原理:介绍波形发生器的功能、分类及其在电子技术中的应用,重点讲解单片机波形发生器的原理及组成。
教材章节:《单片机原理与应用》第四章第三节2. 单片机程序设计:讲解如何使用编程软件(如Keil)进行单片机程序设计,实现常见波形(如正弦波、方波、三角波等)的生成。
教材章节:《单片机原理与应用》第五章3. 硬件设计与连接:介绍波形发生器硬件电路的设计方法,包括单片机、晶振、滤波器等元件的选型与连接。
教材章节:《电子电路设计》第二章4. 波形发生器性能指标:讲解波形发生器的主要性能指标,如频率、幅度、相位等,并进行简单计算。
教材章节:《电子测量与仪器》第三章5. 实践操作与调试:指导学生进行波形发生器硬件连接、程序下载和调试,确保波形发生器正常工作。
教材章节:《单片机原理与应用》第六章6. 课程设计:要求学生以小组为单位,设计并实现一个具有特定功能的波形发生器,完成课程设计报告。
.信息工程学院课程设计报告设计题目: 波形发生器的设计名称: 微机原理与接口课程设计班级: 1002姓名:学号:设计时间: 至指导教师:评语:评阅成绩: 评阅教师:目录一.引言 (3)二.设计目的 (3)三.原理说明 (4)四. 硬件设计 (7)五. 设计原理 (10)六. 程序编译 (12)1. 输出方波的子程序 (12)2. 输出三角波子程序 (13)3. 输出锯齿波子程序 (15)4. 输出正弦波子程序 (16)5. 输出梯形波子程序 (18)七.调试方法与结果 (20)八.心得体会 (23)一.引言波形发生器是一种常用的信号源,广泛的应用于电子电路、自动控制系统和教学实验等领域,是现代测试领域内应用最为广泛的通用仪器之一。
在研制、生产、测试和维修各种电子元件、部件以及整机设备时,都需要有信号源。
由它产生不同频率不同波形的电压、电流信号并加到被测器件或设备上,用其他仪器观察。
测量被测仪器的输出响应,以分析确定它们的性能参数。
信号发生器是电子测量领域中最基本、应用最为广泛的一类电子仪器。
它可以产生多种波形信号,如锯齿波、三角波、梯形波等,因而广泛应用于通信、雷达、导航、宇航等领域。
本次课程设计使用的8086和DAC0832构成的发生器可产生三角波,波形的周期可用程序改变,并可根据需要选择单极性输出或双极性输出,具有线路简单、结构紧凑、性能优越等特点。
此设计给出了源代码,通过仿真测试,其性能指标达到了设计要求。
二.设计目的1、掌握DAC0832与PC机的接口方法。
2、掌握D/A转换应用程序设计方法。
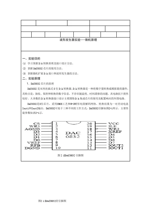
三.原理说明1.知识简介:DAC0832当今世界在以电子信是8位分辨率的D/A转换集成芯片,与微处理器完全兼容,这个系列的芯片以其价格低廉、接口简单、转换控制容易等优点,在单片机应用系统中得到了广泛的应用。
这类D/A转换器由8位输入锁存器,8位DAC寄存器,8位D/A转换电路及转换控制电路构成。
2.DAC0832的引脚及功能:DAC0832是8分辨率的D/A转换集成芯片。
微机课程设计报告-波形发生器南京信息工程大学《微机原理与接口技术I 综合实验》设计报告设计课题:波形发生器专业班级:09测控(1)班学生姓名:高云学生学号:20091341035指导教师:杨常松成绩:二○一二年五月十日波形发生器一、设计目的1.微机原理与接口技术是一门实践性很强的课程。
课程设计教学环节十分重要。
通过课程设计,使用微处理器芯片及其它典型的接口芯片,设计微处理器应用的典型接口电路,加深对微处理器、典型接口芯片特性的理解,掌握微处理器接口电路设计的初步方法,并进行一定的编程训练,加强微机应用的工程实践能力;2.掌握波形发生器的逻辑功能和工作原理,设计出电路图,分析并设计硬件连接图,掌握波形发生器的设计方法。
并对各种元器件的功能和应用有所了解,对其在电路中的作用进行分析,充分掌握电路设计流程以及电路设计过程中应注意的事项。
二、设计要求1.设计出的波形发生器能够产生方波,通过键盘控制可以改变输出信号的频率和幅度,输出信号在0~5v连续可调。
2.使用8086处理器以及8255A,DAC0832两个芯片。
8255A作为主机与DAC0832之间的接口,8255A的A口作为数据输出口,在工作方式0输出。
DAC0832作为数据转换接口将数字信号变成模拟信号输出,DAC0832的CS-,WR1-,,WR2-,,XFER-均接地,ILE接高电平即工作在直通方式。
DAC0832DAC0832是8位分辨率D/A转换集成芯片,与处理器完全兼容,具有价格低廉,接口简单,转换控制容易等优点,在微机应用系统中得到广泛的应用。
D/A转换器由八位输入锁存器、八位DAC寄存器、八位D/A转换电路以及转换电路构成。
DAC0832输出是电流型的,但实际应用中往往需要电压输出信号,所以还必须一个外接的运算放大器转换称电压。
其引脚如下图1所示:图1:DAC0832引脚图• D0~D7:八位数据输入线• ILE:数据锁存允许控制信号输入线,高电平有效• CS: 片选信号输入线,低电平有效• WR1:输入寄存器的写选通信号,低电平有效• XFER:数据传送控制信号输入线,低电平有效• WR2:DAC寄存器写选通输入线,低电平有效• IOUT1:电流输出线。
波形发生器的设计1.设计目的(1)掌握用集成运算放大器构成正弦波、方波和三角波函数发生器的设计方法。
(2)学会安装与调试由分立器件与集成电路组成的多级电子电路小系统。
2.设计任务设计一台波形信号发生器,具体要求如下:(1)输出波形:正弦波、方波、三角波。
(2)频率范围:3Hz -30Hz ,30Hz -300Hz ,300Hz -3KHz ,3KHz -30KHz 等4个波段。
(3)频率控制方式:通过改变RC 时间常数手控信号频率。
(4)输出电压:方波峰—峰值V U pp 24≤;三角波峰-峰值V 8U pp =,正弦波峰-峰V 1U pp >。
3.设计要求(1)完成全电路的理论设计(2)参数的计算和有关器件的选择(3)PCB 电路的设计(4)撰写设计报告书一份;A3 图纸2张。
报告书要求写明以下主要内容:总体方案的选择和设计 ;各个单元电路的选择和设计;PCB 电路的设计4、参考资料(l )李立主编. 电工学实验指导. 北京:高等教育出版社,2005(2)高吉祥主编. 电子技术基础实验与课程设计. 北京:电子工业出版社,2004(3)谢云,等编著.现代电子技术实践课程指导.北京:机械工业出版社,2003目录一. 设计的方案的选择与论证 (3)1.1 设计方案 (3)1.1.1 设计方案1 (3)1.1.2 设计方案2 (4)1.1.3 设计方案3 (5)1.2 方案选择 (6)二. 单元电路的设计 (6)2.1 方案设计 (6)2.1.1 正弦波电路 (6)2.1.2 方波电路 (11)2.1.3 三角波电路 (12)2.2 参数的选择 (13)三、仿真 (14)3.1 软件介绍 (14)3.2 仿真的过程与结果 (15)四、PCB制版 (15)4.1 软件简介 (15)4.2 PCB电路板设计步骤 (20)五、总结与心得 (21)六、附录 (22)6.1 材料清单 (22)6.2 原理图 (23)6.3 PCB板图 (24)七、参考文献 (25)一.设计方案的选择与论证产生正弦波、三角波、方波的电路方案有多种。
微机原理课程设计波形发生器基本要求:(1)通过按键选择波形,波形选择〔方波、三角波〕。
8255 A 和0832(2)通过按键设定波形的频率,同时波形频率在数码管上显示。
8255A(3)频率设定后,通过8253精确计时来设置波形宽度大小,比方方波的占空比。
(4)8259A产生中断,用示波器显示输出波形。
附加要求:(1)通过按键可以增大或者降低频率;(2)显示正弦波。
目录一理论部分1.1 课程设计的目的 (2)1.2 课程设计要求与内容 (2)1.3 总体设计方案 (2)(1)设计思想及方案论证 (2)(2)总体设计方案框图 (3)1.4 系统硬件设计 (4)1.5 系统软件设计 (5)二实践部分2.1 系统硬件原理简介 (6)2.2 程序调试 (9)2.3 软件系统的使用说明 (9)三课程设计结果分析3.1 实验结果 (10)3.2 结果分析 (11)四课程设计总结 (11)五附录5.1源程序及说明 (12)波形发生器一 理论部分1.1 课程设计的目的〔1〕综合模拟电子线路、数字电子技术和微机原理等多门专业基础课程的知识,使学生对以电脑为核心的通信、测量或控制系统有个全面了解和实践的过程。
〔2〕掌握常规芯片的使用方法、掌握简单微型电脑应用系统软硬的设计方法,进一步锻炼同学们在微型电脑应用方面的实际工作能力,强化本学科内容并扩展知识面。
〔3〕体验分析问题、提出解决方案、通过编程等手段实现解决方案、不断调试最终到达设计要求的全过程。
〔4〕培养学生的创造力和对专业的适应性。
1.2 课程设计的内容和要求1、通过按键选择波形,波形选择〔方波、三角波、正弦波〕。
8255 A 和08322、通过按键设定波形的频率,同时波形频率在数码管上显示。
8255A3、频率设定后,通过8253精确计时来设置波形宽度大小,比方方波的占空比。
4、8259A 产生中断,用示波器显示输出波形。
5、通过按键可以增大或者降低频率;6、画出电路原理图,说明工作原理,编写程序及程序流程图。
微机原理课程设计波形发生器波形发生器是微机原理课程设计的一个重要内容,它是一种能够产生各种复杂波形信号的电子设备。
在微机原理课程设计中,波形发生器的设计和实现是一个非常有挑战性的任务。
本文将详细介绍波形发生器的标准格式文本。
一、引言波形发生器是一种能够产生各种复杂波形信号的电子设备,它在各个领域中都有广泛的应用,如通信、测量、音频处理等。
在微机原理课程设计中,波形发生器的设计和实现是一个非常重要的任务,它能够帮助学生更好地理解和应用微机原理的相关知识。
二、设计目标本次波形发生器的设计目标是实现一个能够产生多种波形信号的电子设备。
具体要求如下:1. 支持产生正弦波、方波、三角波等常见的基本波形信号;2. 支持调节波形的频率、幅度和相位等参数;3. 支持输出波形信号的显示和保存。
三、设计原理波形发生器的设计原理主要包括以下几个方面:1. 信号发生器:使用定时器模块产生一个基准频率的方波信号,通过改变定时器的计数值来调节频率。
2. 波形生成:通过对基准信号进行变换和处理,生成不同的波形信号。
例如,通过改变方波的占空比来产生三角波信号,通过加入谐波成分来产生正弦波信号。
3. 参数调节:通过用户界面或控制面板,实现对波形的频率、幅度和相位等参数进行调节。
4. 输出显示:将生成的波形信号通过示波器或其他显示设备进行输出显示,并能够保存波形数据。
四、设计步骤波形发生器的设计步骤如下:1. 确定所需波形信号的类型和参数范围,如频率范围、幅度范围等。
2. 设计信号发生器模块,包括定时器的设置和计数值的调节。
3. 设计波形生成模块,根据所需波形信号的类型和参数,进行相应的变换和处理。
4. 设计参数调节模块,实现对波形的频率、幅度和相位等参数进行调节。
5. 设计输出显示模块,将生成的波形信号通过示波器或其他显示设备进行输出显示,并能够保存波形数据。
6. 进行模块的集成和测试,确保波形发生器能够正常工作并满足设计要求。
电子技术课程设计说明书摘要:函数信号发生器是一种能够产生多种波形,如方形、三角波、正弦波的电路。
函数信号发生器在电路实验和设备检测中具有十分广泛的用途。
通过对函数信号发生器的原理以及构成分析,可设计一个能变换出方波、三角波、正弦波的函数发生器。
本课题采用集成芯片555定时器制作方波-三角波-正弦波函数发生器的设计方法,经过Multisim 12仿真得出了方波、三角波、正弦波、方波-三角波转化及三角波-正弦波转化的波形图。
关键词:函数信号发生器、 555定时器、Multisim 12目录一.课程设计的目标和设计的任务 (1)1.1 设计培养的目标 (1)1.2 设计任务 (1)1.3 课程设计的要求及技术指标 (1)二.函数发生器的总方案及原理框图 (2)2.1 电路设计原理框图 (2)2.2 函数发生器的总方案 (2)三.各部分电路设计 (3)3.1 电源电路 (3)3.1.1 LM7812的介绍 (3)3.1.2 LM7912的介绍 (3)3.1.3 电源工作原理 (3)3.2 方波发生电路 (4)3.2.1 555定时器的介绍 (4)3.2.2 方波发生电路的工作原理 (4)3.3 方波-三角波转换电路 (5)3.3.1 UA741型运算放大器的介绍 (5)3.3.2 方波-三角波转换电路的工作原理 (5)3.4 三角波-正弦波转换电路的工作原理 (6)四.电路仿真 (7)4.1 电路仿真原理图 (7)4.2 万用表测电压 (7)4.3 方波发生电路的仿真 (7)4.4 方波-三角波发生电路的仿真 (8)4.5 三角波-正弦波转换电路的仿真 (8)4.6 方波-三角波-正弦波发生电路仿真 (9)五. Altium Designer制图 (10)5.1 Altium Designer绘制原理图 (10)5.2 PCB布线图 (10)六.电路的安装与调试 (12)6.1 电源的安装与调试 (12)6.2 方波发生电路的安装与调试 (12)6.3 方波-三角波转换电路的安装与调试 (12)6.4 三角波-正弦波转换电路的安装与调试 (12)6.5 总电路的安装与调试 (12)6.6 安装中出现的问题 (12)七.电路的实验结果 (13)7.1 电源电路的实验结果 (13)7.2 实测方波 (13)7.3 实测三角波 (13)7.4 实测正弦波 (13)7.5 实验中出现的问题 (14)八.总结 (15)九.参考文献 (16)附录(仪器仪表清单) (17)一.课程设计的目标和设计的任务1.1 设计培养的目标1.总体目标:本课程的目标是让学生在掌握模拟和数字电子技术的基础上,通过典型实践题目的设计与实现,使其加深对模拟和数字电子技术知识的理解,初步掌握现代电子系统的设计方法,培养分析、解决实际问题的能力,提高工程设计的技能。
二○一四~二○一五学年第一学期信息科学与工程学院自动化系课程设计报告课程名称:微机原理及应用课程设计班级:自动化1204班*名:**学号:************指导教师:***时间:2014.12.28题目:函数发生器1的设计1.设计任务用8086做控制器,利用DAC0832设计一个函数发生器,能分别产生方波、阶梯波(每阶梯1V)、锯齿波(正向或负向)和三角波,并利用按键选择(自行定义)输出波形同时将当前输出波形代号显示在LED上:0为方波、1为阶梯波、2为锯齿波、3为三角波。
2.设计要求波形输出幅值和频率不限(可根据需要考虑增加调频调幅功能),通过8255A 进行按键选择。
3.设计内容3.1系统方案的设计与选择:(1)数字按键的实现可以通过8255的输入输出端口,定义方式0工作方式,C 口低四位输入信号,B口输出信号,通过按键改变C口电平信号,使输入信号改变,并在在B口输出不同信号,在数码管上显示不同数字;(2)波形的产生则使用8086与DAC0832连接,通过8086给DAC0832输入不同数字信号,在DAC0832的输出端输出波形,波形的观察使用一个放大器连接模拟示波器显示。
3.2系统框图:3.3系统基本介绍:此方案是通过并行接口芯片8255A和8086计算机的硬件连接,并通过8086控制DAC0832产生波形相应波形,通过8255A输出信号控制数码管显示不同数字。
8255A的C端口有四个按键,按下相应的按键,使输入低电平。
①按下第一个按键显示数字0,在示波器上产生方波;②按下第二个按键显示数字1,产生阶梯波;③按下第三个按键显示数字3,产生锯齿波;④按下第四个按键显示数字4,产生三角波。
3.4模块功能介绍:8255A:D0~D7口与8086数据端连接,PB0~PB6与七段共阴极数码管相连接以显示数字,PC0~PC4连接四个按键,实现输入电平的改变。
A0、A1接地址线A1、A2,CS端连接74ls138的片选端。
目录1 引言 (1)1.1 课程设计的目的 (1)1.2 课程设计的内容 (1)2 EDA、VHDL、FPGA简介 (2)2.1 EDA技术 (2)2.2 硬件描述语言——VHDL (2)2.3 FPGA简介 (4)3 系统设计 (6)3.1 VHDL程序语言基本设计 (6)3.2 波形发生器设计 (7)3.3 四选一数据选择器设计 (8)3.4 程序设计 (9)3.5 主要函数语句分析设计 (9)3.6 系统顶层文件 (10)4系统仿真 (12)结束语 (14)致谢 (15)参考文献 (16)附录 (17)1 引言波形发生器又称信号源或振荡器,在生产实践和科技领域中有着广泛的应用。
它能够产生多种波形,如三角波、锯齿波、矩形波(含方波)、正弦波等,在电路实验和设备检测中具有十分广泛的用途。
例如在通信、广播、电视系统中,都需要射频(高频)发射,这里的射频波就是载波,把音频(低频)、视频信号或脉冲信号运载出去,就需要能够产生高频的振荡器。
在工业、农业、生物医学等领域内,如高频感应加热、熔炼、淬火、超声诊断、核磁共振成像等,都需要功率或大或小、频率或高或低的信号发生器。
本设计采用VHDL来设计制作多功能信号发生器。
该信号发生器可以产生锯齿波、三角波、方波等波形。
1.1 课程设计的目的本次设计的目的就是在掌握EDA实验开发系统的初步使用基础上,了解EDA技术,在掌握所学的计算机组成与结构课程理论知识的同时,通过对多功能波形发生器的设计,进行理论与实际的结合,提高与计算机有关设计能力,提高分析、解决计算机技术实际问题的能力。
通过课程设计深入理解计算机结构与控制实现的技术,达到课程设计的目标。
1.2 课程设计的内容应用MAX+PLUSⅡ平台,使用VHDL硬件描述语言实现的多功能波形发生器的设计与实现, 根据输入信号的选择可以输出方波、三角波、正弦波和阶梯波4种信号,并且可以通过MAX+PLUSⅡ输出各种波形的仿真图。
微机实验及课程设计课程设计报告题目:参数可调波形发生器院(系):自动化专业:自动化姓名:学号:实验地点:计算机516室起讫时间:2012.09.19—2012.10.17 同组人员:储海辉评定成绩:评阅教师:一、目的意义通过课程设计,充分理解微型计算机接口技术课程知识,并具备一定接口编程能力。
1.基本要求:编制一个参数在线可调的波形发生程序,由D /A 输出,构成参数在线可调的波形发生器,并用示波器观察波形。
(1)函数波形可选f(t)=asin(bt),其中a 、b参数在线可调(亦可自己选择,但要求至少2个参数可调且调节很明显);(2)参数调节采用如下两种方式之一:两个可调电位器输出通过A /D 转换后作为可调参数、参数通过实验系统上的键盘实时修改;(3)精确时间,开关选择标准信号输出(a=2V, b=100πRAD/s,即50Hz 正弦波),精度0.1ms 以上。
2.进一步设计要求:(1)分别采用两种参数调节方式在线调节参数;(2)产生周期性三次可调函数f(t)=at 3+bt 2+ct+d 。
二、软硬件平台1. 硬件环境:微型计算机(Intel x86系列CPU )一台,清华科教仪器厂TPC —2003A 微机接口试验系统一台,模拟示波器一台。
2. 软件环境:1) Windows XP 操作系统,编辑、汇编、链接和调试程序;2) TPC —2003A 集成开发环境软件一套及实验系统电子版资料。
三、方案分析1.函数分析波形函数f(t)=asin(bt)为正弦函数,a 表示幅值,b 表示角频率。
变换a 、b 实际上是基础函数fo(t)=sin (t )做纵向和横向伸缩变换。
同时,正弦函数是连续函数。
2.硬件需求分析首先,微机处理、输出、输入的是数字信号,本实验中需要我们输出连续波形为模拟量,故需要设计数模转换电路。
实验中查用DAC0823进行8位数模转换。
其次,在输入设计中需要采用电位器输出,电位器输出为模拟电压信号,计算机处理前需进行模数转换。
微机原理课程设计波形发生器基本要求:(1)通过按键选择波形,波形选择(方波、三角波)。
8255 A 和0832(2)通过按键设定波形的频率,同时波形频率在数码管上显示。
8255A(3)频率设定后,通过8253精确计时来设置波形宽度大小,比如方波的占空比。
(4)8259A产生中断,用示波器显示输出波形。
附加要求:(1)通过按键可以增大或者降低频率;(2)显示正弦波。
目录一理论部分1.1 课程设计的目的 (2)1.2 课程设计要求与内容 (2)1.3 总体设计方案 (2)(1)设计思想及方案论证 (2)(2)总体设计方案框图 (3)1.4 系统硬件设计 (4)1.5 系统软件设计 (5)二实践部分2.1 系统硬件原理简介 (6)2.2 程序调试 (9)2.3 软件系统的使用说明 (9)三课程设计结果分析3.1 实验结果 (10)3.2 结果分析 (11)四课程设计总结 (11)五附录5.1源程序及说明 (12)波形发生器一 理论部分1.1 课程设计的目的(1)综合模拟电子线路、数字电子技术和微机原理等多门专业基础课程的知识,使学生对以计算机为核心的通信、测量或控制系统有个全面了解和实践的过程。
(2)掌握常规芯片的使用方法、掌握简单微型计算机应用系统软硬的设计方法,进一步锻炼同学们在微型计算机应用方面的实际工作能力,强化本学科内容并扩展知识面。
(3)体验分析问题、提出解决方案、通过编程等手段实现解决方案、不断调试最终达到设计要求的全过程。
(4)培养学生的创造力和对专业的适应性。
1.2 课程设计的内容和要求1、通过按键选择波形,波形选择(方波、三角波、正弦波)。
8255 A 和08322、通过按键设定波形的频率,同时波形频率在数码管上显示。
8255A3、频率设定后,通过8253精确计时来设置波形宽度大小,比如方波的占空比。
4、8259A 产生中断,用示波器显示输出波形。
5、通过按键可以增大或者降低频率;6、画出电路原理图,说明工作原理,编写程序及程序流程图。
1.3 总体设计方案(1)设计思想及方案论证由于要求达到模拟信号波形发生,因此要由D/A 转换芯片0832来来完成此项任务,由8253形成波形的主要做法是:先输出一个下限电平,将其保持t 然后输出一个稍高的电平,在保持t ,然后重复此过程,因此需要延长0832输入数据的时间间隔来改变频率。
如图1信号发生波形图所示。
0832输入的数据的延时可以通过软件完成,也可以通过硬件完成。
由于实验要求输出的波的频率可以改变,且精确,所以选用硬件延时硬件延时主要由计时器8253和中断控制器8259来实现。
由8253输出的方波的高低电平,来触发8259的IR0端,8259给CPU 中断信号,CPU 中断来执行相应的中断子程序,中断子程序为向0832输出数据的程序,通过选择此程序可以产生锯齿波,方波,正弦波。
由于0832产生的方波的频率可以控制,所以每次中断执行波形发生程序的时间间隔可以精确控制。
以此来控制输出的波形频率。
最后通过8255驱动LED 数码显示管,实现对输入的频率的显示,由键盘直接输入波形频率,通过LED 数码显示管显示。
+5V0V 图1 信号发生波形图(2)总体设计方案框图总体设计就是先由8255驱动LED显示输入的频率,再通过8253定时中断,中断的子程序来执行输出,输出的信号经过信号发生器形成波形。
图2硬件简图硬件设计电路图图3 硬件设计电路图XD7 XD6 XD5 XD4 XD3 XD2 XD1 XD0XIOW XIOR IOY0 XA2 INTR XD7 XD6XD5 XD4 XD3 XD2 XD1 XD0 XD7 XD6 XD5 XD4 XD3 XD2 XD1 XD0 XD7 XD6 XD5 XD4 XD3 XD2 XD1 XD0XIOR IOY3 XA3 XA2 XIOW IOY2软件设计流图图4软件设计流图二实践部分2.1系统硬件原理简介(一)可编程并行I/O接口芯片8255A8255A可编程并行I/O接口芯片,为40个引脚的双列直插芯片8255A具有3个相互独立的输入/输出通道端口,三种工作方式。
方式0——基本输入输出方式;方式1——选通输入/出方式;方式2——双向选通输入/输出方式;图5 8255A引脚图引脚功能:RESET:复位信号,高电平有效,所有内部寄存器(包括控制寄存器)均被清除,所有I/O 口均被置成输入方式。
RD:读命令信号输入,低电平有效,用来控制数据由8255A读WR:写命令信号输入,地点平有效,用来控制写到8255ACS:片选信号输入,通过译码器与地址总线相连D0~D7:三态双向数据总线,8255与CPU数据传送的通道,实现8位数据的读/写操作,控制字和状态信息也通过数据总线传送。
(二)可编程定时/计数器Intel8253Intel8253是一种能够完成定时和计数的芯片,8253内部有3个16位计数器通道,通过对他们编程,每个计数器可以按照6种工作方式工作,并且都可以按2或10进制格式进行计数,最高频率为2HZ。
8253还可以用于许多其他场合,比如可作编程方波发生器,分频器等。
图6 8253引脚图引脚功能:1、数据缓冲总线数据总线缓冲器是8253与系统总线相连时使用的接口电路,它由8位双相三态缓冲器构成,CPU用输入输出指令对8253进行读写操作的信息都由8位数据总线传输:(1)CPU在对8253进行初始化编程时,向他写入控制字。
(2)CPU向某一计时器写入计数初值。
(3)从计数器读出计数值。
2、读写控制逻辑读写控制逻辑接受系统控制总线送来的输入信号,经由组合后形成控制信号,对各部分操作进行控制。
可接受的信号有:(1)CS片选,低电平有效,由数据总线经由IO端口译码电路产生。
只有CS低电平时,CPU 才能对8253进行读写操作。
(2)RD读信号,低电平有效,当RD位地电平时,表示CPU正在读取所选定的计数器的通道的内容。
(3)WR写信号,低电平有效。
当WR为低电平时,表示CPU正在将计数器初值写入所选中的通道口中,或者将控制字写入内部寄存器中。
(4)A1A2 端口选择信号,改变它的值,来选择8253内三个计数器通道。
如果8253和与8位数据总线的微机相连,只要将A1A0分别与地址总线相联。
如果系统采用的是8086CPU,则数据总线为16位,传输数据时,总是将低8位数据送往偶地址,将高8位送往奇地址。
3、计数器8253内部包含三个完全相同俄计数器定时器通道,对3个通道的操作是完全独立的。
每个通道都包含1个8位的控制字寄存器,1个16位的减寄存器,和一个锁存器,执行部件是一个16位的减法计数器。
每个通道工作时,对输入到CLK引脚上的脉冲按2进制或10 进制格式进行计数。
每当输入一个时钟脉冲,计数器减1,当计数器的值减为0时从,从OUT引脚输出一个脉冲信号。
GATE引脚上的门控制信号,决定他是否允许计数。
(三)可编程中断控制器8259A8259A是8086/8088系列的可编程中断控制器,8259A为28个引脚的双列直插芯片。
图7 8259A引脚图主要功能:(1)据8级优先级控制,通过联级可以扩展到64级优先控制。
(2)每一级中断可由程序单独屏蔽或允许。
(3)可提供中断类型号传送给CPU。
(4)可以通过编程选择多种不同工作方式。
引脚功能:D7-D0:双向数据线,三态,与数据总线相连。
IR7-IR0:外设的中断请求信号输入端,输入,中断请求:可以是电平触发,或者边缘触发。
RD:读命令信号,输入,低电平有效,用来控制数据由8259A读WR:写命令信号,输入,地点平有效,用来控制写到8259CS:片选信号,输入,通过译码器与地址总线相连INT:向CPU发出中断请求信号,输出,与CPU的INTR相连INTA:CPU给8259A的中断响应信号,输入。
(四)D/A转换器DAC0832NSC公司生产的DAC0832,是一种内部带有数据输入寄存器的8位D/A转化器,采用CMOS工艺制成,芯片内部R-2R梯形电阻网络,用于对参考电压产生的电压进行分流,完成模数转换,转换结果以一组差动电流I OUT1、I OUT2输出。
引脚的功能:V REF :参考电压输入端。
根据需要一定大小的电压,由于它是转换的基准,要求数值正确,稳定性好。
V CC:工作电压输入端。
A GAN为模拟地,D GAN为数字地。
在模拟电路中,所有的模拟地要连在一起然后将模拟地,数字地连接到一个公共接地点。
DI7-DI0:数据输入。
可直接连接到数据总线。
I OUT1I OUT2:互补的电流输出端。
为了输出模拟电压,需加转换电路。
图8 DAC0832引脚图2.2程序调试由于此次课程设计涉及内容较多程序较长,所以不适合采用整体调试的方式。
因此,采用先逐次调试独立功能模块,再调试组合模块,最后调试整体程序的方法。
具体过程如下所示:1、调试0832产生三种波形程序2、调试输入频率计算计数初值程序3、调试8253输出方波程序4、调试8259产生中断响应程序5、调试8255通过LED显示数据程序6、调试输入频率计算计数初值并通过LED显示数据程序7、调试8253使8259产生中断的程序8、调试整体程序2.3 软件系统的使用说明通过键盘输入要输出的波形的频率,然后选择输出的波形,LED数码显示管上可以显示输入的频率,模拟示波器显示DAC0832 AUTO端口输出的波形。
三课程设计结果分析3.1 实验结果图9 程序运行截图图10 矩形波图11 三角波图12 正弦波3.2 结果分析运行程序时,分别产生100HZ、500HZ、1000HZ、1500HZ、1600HZ的波形,结果发现100HZ--1500HZ的波形频率与所设定的频率一致或有极小的偏差,但从1600HZ开始误差逐渐变大,远远偏离所设定的频率,且小于所设定频率。
究其原因是:执行中断程序的时间与中断周期的比值越来越大,或者说随着频率增大执行中断响应的时间对输出波形频率的影响越大。
所以,频率越高误差越大。
改进方式:精简中断服务程序,减小程序执行时间;在0832输出端加上倍频器,减小0832的输出频率,以此降低误差。
四课程设计总结在这次实习中,我巩固了微机课中所学的知识,了解了各种芯片的的用法,各个接口的名称和功能。
进一步锻炼了在微型计算机应用方面的实际工作能力,强化了对微机原理学科内容的认识并扩展了知识面。
通过设计实验,使我掌握了模拟量输入/输出通道的设计,常用控制程序的设计方法,数据处理及非线性补偿技术,以及数字控制器的设计方法。
本设计从几个基础的部分着手总结综合运用各种资料最后完成一个数字信号发生器系统。
通过这次课程设计使我懂得了理论与实际相结合的重要性,只有把所学的理论知识与实践相结合起来,从理论中得出结论,才是真正的知识,才能提高自己的实际动手能力和独立思考的能力。