ansys三维梁结构分析
- 格式:doc
- 大小:1.46 MB
- 文档页数:5
ANSYSWorkbench梁壳结构谱分析(二)模态分析ANSYS Workbench梁壳结构谱分析(二)模态分析1 概述模态分析是动力学分析基础,如响应谱分析、随机振动分析、谐响应分析等都需要在模态分析基础上进行。
模态分析简而言之就是分析模型的固有特性,包括频率、振型等。
模态分析求解出来的频率为结构的固有频率,与外界的激励没有任何关系,不管有无外界激励,结构的固有频率都是客观存在的,它只与刚度和质量有关,质量增大,固有频率降低,刚度增大,固有频率增大。
一般情况,当外界的激励频率等于固有频率时,结构抵抗变形能力小,变形很大(产生共振原因);当外界激励频率大于固有频率时,动刚度(动载荷力与位移之比)大,不容易变形;当外界激励频率小于固有频率时,动刚度主要表现为结构刚度;当外界激励频率为零时,动刚度等于静刚度。
2 模态分析该模型框架采用Beam188单元模拟,外表面采用Shell181单元模拟。
该结构的总重量为800kg,分析时将其他附件的质量均布在框架上。
边界条件为约束机柜与地面基础连接螺栓处的6个自由度(Remote Displacement)。
具体建模过程详见《ANSYS Workbench梁壳结构谱分析(一)梁壳建模》或点击下方阅读原文获取。
模态分析详细过程如下:(1)划分网格:单击【Mesh】,右键【Insert】=Sizing,设置【Scope】→【Geometry】=选取所有部件,【Definition】→【Type】→【Element Size】=20。
单击【Mesh】,右键【Generate Mesh】生成网格。
(2)边界条件:单击【Modal (B5)】,右键【Insert】→【Remote Displacement】,设置【Scope】→【Geometry】=分别选择框架4个立柱,并分别按照如下操作:【Definition】→【Define By】=Components,【X Component】=0mm,【YComponent】=0mm,【Z Component】=0mm,【X Remotion】=0°,【Y Remotion】=0°,【Z Remotion】=0°,其余默认。
1楼层浇筑过程仿真分析/PREP7!定义单元类型、实常数、截面参数ET,1,BEAM188ET,2,SHELL63MP,EX,1,3.25E10 !定义C40混泥土材料属性MP,PRXY,1,0.17MP,DENS,1,2800MP,EX,2,3.0E10 !定义C30混泥土材料属性MP,PRXY,2,0.17MP,DENS,2,2800MP,EX,3,3.0E10MP,PRXY,3,0.167MP,DENS,3,2800SECTYPE,1,BEAM,RECT !框架柱截面特性,设定为矩形截面梁SECDATE,1,1 !梁宽1,高1SECTYPE,2,BEAM,RECT !外框架梁截面特性SECDATA,0.3,0.5SECTYPE,3,BEAM,RECT !内框架梁截面特性SECDATA,0.4,0.7SECTYPE,4,BEAM,RECT !次梁截面特性SECDATE,0.2,0.4R,2,0.2 !定义楼板及外墙厚度R,3,0.3 !定义筒体单元实常数!建模K,3000,22,8,72k,4000,1000K,,KFILL,1,12KGEN,5,1,12,,,4 KGEN,11,1,60,,,,3!建立框架柱模型*DO,I,1,541,60L,I,I+60*ENDDOLGEN,3,1,10,1,8,,,2 LGEN,2,1,30,1,,16,,48 LGEN,2,1,10,1,,8,,24 LGEN,2,21,30,1,,8,,24 LGEN,2,1,80,1,28,,,7 LATT,1,,1,,4000,,1 LESIZE,ALL,2 LMESH,ALLLSEL,U,,,ALL!建立外环梁模型L,61,65L,65,89L,89,92L,92,68L,68,72L,72,120L,120,109L,109,61LGEN,10,161,168,1,,,3,60 LATT,1,,1,,4000,,2 LESIZE,ALL,2 LMESH,ALLLSEL,U,,,ALL!建立内框架梁模型L,63,111L,85,89L,89,113L,70,118L,92,96L,92,116LGEN,10,241,246,1,,,3,60 LATT,1,,1,,3000,,3 LESIZE,ALL,2 LMESH,ALLLSEL,U,,,ALL!建立次梁模型L,62,110L,64,112L,69,117L,97,108L,73,77L,80,84L,90,102L,91,103LGEN,10,301,309,1,,,3,60 LATT1,,1,,3000,,4 LESIZE,ALL,2 LMESH,ALLALLS!建立楼层板模型*DO,I,61,64A,I,I+1,I+13,I+12*ENDDOAGEN,4,1,4,1,,4,,12*DO,I,68,71,1A,I,I+1,I+13,I+12*ENDDOAGEN,4,17,20,1,,4,,12*DO,I,89,91,1A,I,I+1,I+13,I+12*ENDDOAGEN,10,1,35,1,,,3,60 A,653,656,644,641 AATT,2,2,2AESIZE,ALL,2AMESH,ALLASEL,U,,,ALL!建立外墙模型并划分网格*DO,I,61,64,1A,I,I+1,I+61,I+60*ENDDO*DO,I,89,91,1A,I,I+1,I+61,I+60*ENDDO*DO,I,68,71,1A,I,I+1,I+61,I+60*ENDDO*DO,I,109,112,1A,I,I+1,I+61,I+60*ENDDO*DO,I,116,119,1A,I,I+1,I+61,I+60*ENDDO*DO,I,61,97,12A,I,I+12,I+72,I+60*ENDDO*DO,I,65,77,12A,I,I+12,I+72,I+60*ENDDO*DO,I,68,80,12A,I,I+12,I+72,I+60*ENDDO*DO,I,72,108,12A,I,I+12,I+72,I+60*ENDDOAGEN,9,352,382,,,,3,60 AATT,3,2,2AESIZE,ALL,2 AMESH,ALLASEL,U,,,ALL!建立筒体模型A,53,56,656,653A,41,44,644,641AATT,1,3,2ESIZE,1,0MSHAPE,0,2DMSHKEY,1AMESH,ALLASEL,U,,,1A,41,53,653,641A,44,56,656,644AATT,1,3,2ESIZE,1,0MSHAPE,0,2DMSHKEY,1AMESH,ALLNUMMRG,ALLNUMCMP,ALLALLSELSA VEFINISH!至此,模型已经全建立完毕!进入求解模块/SOLUANtYPE,STATICDELTIM,0.1,0.05,0.2AUTOTS,ONNLGEOM,ONPRED,ONLNSRCH,ONNSEL,S,LOC,Z,0D,ALL,ALLACEL,,,10!开始施工过程的模拟ESEL,ALLEKILL,ALLESEL,ALLNSEL,ALLD,ALL,ALL!首先修建柱子和梁,同事再修建楼板!将柱、梁和楼板所属的单元激活,并删除其全部约束ESEL,S,TYPE,,1NSLE,SNSEL,R,LOC,Z,0,3ESLN,R,1EALIVE,ALLNSLE,SDDELE,ALL,ALLALLSESEL,S,MAT,,2NSLE,SNSEL,R,LOC,Z,0,3ESLN,R,1EALIVE,ALLNSLE,SDDELE,ALL,ALLALLSNSEL,R,LOC,Z,0D,ALL,ALLNSEL,ALLESEL,ALLSOLVE!激活第二至第十层的柱、梁和楼板单元*DO,I,2,10,1ESEL,S,TYPE,,1NSLE,SNSEL,R,LOC,Z,3*(I-1),3*IESLN,R,1EALIVE,ALLNSLE,SDDELE,ALL,ALLALLSESEL,S,MAT,,2NSLE,SNSEL,R,LOC,Z,3*(I-1),3*IESLN,R,1EALIVE,ALLNSLE,SDDELE,ALL,ALLNSEL,ALLESEL,ALLSOLVE*ENDDO!至此,梁、柱和楼板施工完毕!以下进行外墙及隔墙的施工ESEL,S,MAT,,3 NSLE,SNSEL,R,LOC,Z,0,3 ESLN,R,1 EALIVE,ALL NSLE,S DDELE,ALL,ALL ALLSESEL,S,MAT,,1 NSLE,SNSEL,R,LOC,Z,0,3 ESLN,R,1 EALIVE,ALL NSLE,S DDELE,ALL,ALL ALLSNSEL,S,LOC,Z,0 DDELE,ALL,ALL NSEL,ALL ESEL,ALL SOLVE!激活第二至第十层的墙面单元*DO,I,2,10,1ESEL,S,MAT,,3NSLE,SNSEL,R,LOC,Z,3*(I-1),3*I ESLN,R,1EALIVE,ALLNSLE,SDDELE,ALL,ALLALLSESEL,S,MAT,,1NSLE,SNSEL,R,LOC,Z,3*(I-1),3*I ESLN,R,1EALIVE,ALLNSLE,SDDELE,ALL,ALLNSEL,ALLESEL,ALLSOLVE*ENDDOFINISH!求解过程结束!进入通用后处理器查看结果/POST1PLNSOL,U,XPLNSOL,U,yPLNSOL,U,zPLNSOL,S,XPLNSOL,S,YPLNSOL,S,Z!查看柱子和梁的轴力,剪力和弯矩ESEL,S,TYPE,,1ETABLE,IF,SMISC,1 !定义轴力单元列表1 ETABLE,JF,SMISC,7 !定义轴力单元列表2 ETABLE,II,SMISC,2 !定义剪力单元列表1 ETABLE,JI,SMISC,8 !定义剪力单元列表2 ETABLE,IM,SMISC,6 !定义弯矩单元列表1 ETABLE,JM,SMISC,12 !定义弯矩单元列表2 PLETAB,IF,NOA V !显示轴力单元列表1 PLETAB,JF,NOA V !显示轴力单元列表2 PLETAB,II,NOA V !显示剪力单元列表1 PLETAB,JI,NOA V !显示剪力单元列表2 PLETAB,IM,NOA V !显示弯矩单元列表1 PLETAB,JM,NOA V !显示弯矩单元列表2 FINISH2.斜拉桥三维仿真分析/filname,cable-stayed bridge,1 keyw,pr_struc,1/prep7!定义单元类型!定义材料属性mp,ex,1,3.5e10mp,prxy,1,0.17mp,dens,1,2500mp,ex,2,10e15mp,prxy,2,0mp,dens,2,0mp,ex,3,1.9e10mp,prxy,3,0.25mp,dens,3,1200mp,damp,3,0.5!定义实常数!定义实常数r,1,25.6,5.46,546.133,16,1.6r,2,16,29.417,15.394,3.4,4.7r,3,54,364.5,162,6,9r,4,40,213.3,83.3,5,8r,5,1,1/12,1/12,1,1r,6,0.012,0.012 !索的!创建节点和单元!建立主梁节点/view,1,1,1,1/angle,1,270,xm,0/replot*do,i,1,59 !此循环用于建立主梁的半跨节点x=-174*2+(i-1)*6 !最左端x=174*2,x=0左边的节点x坐标值,间距为6y1=-14 !桥面宽28米,故左边节点为-14y2=14 !桥面宽28米,故右边节点为-14n,3*(i-1)+1,x !建立主梁节点3*(i-1)+1为节点号n,3*(i-1)+2,x,y1 !以下两行建立桥面两边节点n,3*i,x,y2 !能想出这种建模命令的绝对是编程高手,哈哈*enddo !完全可以先建立端部的三个节点,然后用这三个节点在x 方向上复制59份,间距为6!建立主梁单元type,1real,1mat,1*do,i,1,58,1 !以下循环建立建立桥面中线主梁单元j=3*(i-1)+1e,j,j+3*enddo!建立鱼刺刚横梁type,1real,5mat,2j2=3*ie,j,j1e,j,j2*enddo!建立半跨主塔i=59*3 !变量用于记录桥面的节点数,即至此已经建立了59*3个节点了,用于指导以后设定节点的编号n,i+1,-174,-10,-30 !以下两行记录塔脚节点n,i+2,-174,10,-30n,i+3,-174,-15 !以下两行用于建立与桥面齐高的主塔节点n,i+4,-174,15*do,j,1,5,1 !以下循环用于建立索塔在桥面以上的节点k=i+4+jn,k,-174,0,60+(j-1)*18*enddo!建立下索塔单元type,1real,4mat,1e,i+1,i+3 !以下用于建立主塔在桥面以下的两根塔柱单元e,i+2,i+4!建立中索塔单元type,1real,3mat,1e,i+3,i+5 !以下用于建立倒Y分叉点到桥面间的两根塔柱单元e,i+4,i+5!建立上索塔单元type,1real,2mat,1*do,j,1,4,1 !以下用于建立倒Y分叉点以上的塔柱单元k=i+4+je,k,k+1*enddo!建立与塔的倒Y分叉点链接的索单元type,2real,6mat,3e,i+5,89e,i+5,90!建立主塔倒Y分叉点以上第一个张拉点连接的索单元*do,j,1,8,1!此循环用于建立主塔倒Y分叉点以上第一个张拉点连接的所有索单元,共32个e,i+6,89+3*je,i+6,89-3*je,i+6,90+3*je,i+6,90-3*j!建立与主塔的其他三个张拉点连接的单元*do,k,1,3,1*do,j,1,7,1e,i+6+k,113+(k-1)*21+3*j !一共有28个索单元连接在每个张拉点上e,i+6+k,65-(k-1)*21-3*je,i+6+k,114+(k-1)*21+3*je,i+6+k,66-(k-1)*21-3*j*enddo*enddo!生成全桥模型节点i=i+9 !记录半跨的所有节点数nsym,x,i,all !用映射法直接建立另半跨节点esym,,i,all !用映射法直接建立另半跨单元nummrg,all !合并所有节点和单元!建立索塔连接横梁单元type,1real,5mat,2j=ii=i-9n,1000,-174e,1000,i+3e,1000,i+4n,2000,174e,2000,i+3+je,2000,i+4+j!施加主塔的四个脚上的全约束nsel,s,loc,z,-30d,all,allallsel!在左桥端施加y,z约束nsel,s,loc,x,-348 !仅给左端主梁施加约束nsel,r,loc,y,0d,all,uyd,all,uzallsel!在右桥端施加y约束nsel,s,loc,x,348 !仅给右端主梁施加约束nsel,r,loc,y,0d,all,uyallselnumcmp,all!施加重力场acel,,,9.8!耦合节点,耦合跨中由于对称而重复的单元节点以及两主塔上塔横梁和主梁的重合节点,cpintf,uzcpintf,rotxcpintf,rotz!成桥状态的确定!静力的初步计算!直接进行静力计算/solusolvefinish!得到最大位移为1.288m,由于偏差太大需要重新计算(与事实不符)!修改实常数后重新计算:令r,6,0.012,0.012,即给索以预应变0.012/solu !为了将计算应力用于下面的动力分析,这里打开预应力和集中质量设置开关lumpm,onpstres,onsolvefinish!求得最大位移为0.0329m,说明已经达到成桥状态要求,(与事实不符)!模态分析!分析设置/soluantype,2!MODOPT,LANB,20!EQSLV,SPARMXPAND,10, , ,0LUMPM,1PSTRES,1MODOPT,LANB,20,0,100, ,OFFUPCOORD,1,ON !更新模型计算坐标,目的是为了将预应力效应准确的应用能够到模态分析上来!分析设置完毕solvefinish!激励耦合分析!恢复成桥静力计算结果RESUME, cable-stayedbridge,db, !路径:utility menu>file>resume jobname.db!生成地震激励向量,将记事本格式的地震波数据调入到工作目录下,并执行以下命令*DIM,aay1,ARRAY,2,50,1*DIM,aaz1,ARRAY,2,50,1*CREATE,ansuitmp*VREAD,aay1(1,1),'tjx','txt',' ',50(e9.3,e11.3)/INPUT,ansuitmp*CREATE,ansuitmp*VREAD,aaz1(1,1),'tjy','txt',' ',50(e9.3,e11.3)*END/INPUT,ansuitmp!输入车辆激励波,Z=1000*cos(10*t).车子跨越一个单元的时间为0.1秒(速度216公里/小时),全桥共696米,历时11.6秒,纵向共116个单元,117个节点n=117 !定义向量维数*dim,fcar,array,n !定义车载荷向量*do,i,1,n,1 !以下循环为生成车载荷数据,即向“farc”矩阵中写入数据tt=(i-1)*0.1fcar(i)=1000*cos(10*tt)*enddo!输入风载荷激励p=50*sin(1.5*t)。
本章介绍桥梁结构的模拟分析。
桥梁是一种重要的工程结构,精确分析桥梁结构在各种受力方式下的响应有较大的工程价值。
模拟不同类型的桥梁需要不同的建模方法,分析内容包括静力分析、动荷载响应分析、施工过程分析等等。
在本章中着重介绍桁架桥、刚架桥和斜拉桥三种类型桥梁。
内容 提要 第6章 ANSYS 桥梁工程应用实例分析本章重点结构分析具体步骤结构静力分析 桁架结构建模方法 结构模态分析本章典型效果图6.1 引言ANSYS通用有限元软件在土木工程应用分析中可发挥巨大的作用。
我们用它来分析桥梁工程结构,可以很好的模拟各种类型桥梁的受力、施工工况、动荷载的耦合等。
ANSYS程序有丰富的单元库和材料库,几乎可以仿真模拟出任何形式的桥梁。
静力分析中,可以较精确的反应出结构的变形、应力分布、内力情况等;动力分析中,也可精确的表达结构的自振频率、振型、荷载耦合、时程响应等特性。
利用有限元软件对桥梁结构进行全桥模拟分析,可以得出较准确的分析结果。
本章介绍桥梁结构的模拟分析。
作为一种重要的工程结构,桥梁的精确分析具有较大的工程价值。
桥梁的种类繁多,如梁桥、拱桥、钢构桥、悬索桥、斜拉桥等等,不同类型的桥梁可以采用不同的建模方法。
桥梁的分析内容又包括静力分析、施工过程模拟、动荷载响应分析等。
可以看出桥梁的整体分析过程比较复杂。
总体上来说,主要的模拟分析过程如下:(1) 根据计算数据,选择合适的单元和材料,建立准确的桥梁有限元模型。
(2) 施加静力或者动力荷载,选择适当的边界条件。
(3) 根据分析问题的不同,选择合适的求解器进行求解。
(4) 在后处理器中观察计算结果。
(5) 如有需要,调整模型或者荷载条件,重新分析计算。
桥梁的种类和分析内容众多,不同类型桥梁的的分析过程有所不同,分析侧重点也不一样。
在这里仅仅给出大致的分析过程,具体内容还要看具体实例的情况。
6.2 典型桥梁分析模拟过程6.2.1 创建物理环境建立桥梁模型之前必须对工作环境进行一系列的设置。
基于ANSYS吊车支撑梁的分析设计及优化研究ANSYS是基于有限元理论的大型通用有限元分析软件。
它广泛应用于工程设计、结构仿真、材料分析、热力学分析等领域。
在工程设计中,吊车支撑梁作为一个承受重载的重要结构零件,需要经过分析设计及优化研究,确保其高效、安全、可靠。
通过ANSYS分析,在进行吊车支撑梁设计时,需要首先建立模型。
模拟吊车支撑梁几何尺寸、材料性质以及负荷情况等,生成三维有限元模型。
同时,需要确定边界条件,包括支撑条件、连接方式、边缘约束等。
然后通过加工工艺处理模型进行悬挂,获得吊车支撑梁的负荷合理分布。
在分析设计和优化研究方面,ANSYS提供了多种解决方案。
其中,结构力学分析是最常用的分析方法。
它能够模拟材料弹性、塑性、损伤和破坏等现象,并计算出各种应力、位移、变形等物理量。
通过仿真分析,可以评估吊车支撑梁的强度、刚度、稳定性等性能指标,为后续优化研究提供基础。
优化研究的目标是通过改变设计参数,提高吊车支撑梁的性能,降低成本,减少材料浪费等。
ANSYS提供了一系列的优化工具,包括灵敏度分析、优化算法、参数化设计等。
在吊车支撑梁的设计优化中,可以利用其中的优化算法,通过最大化性能、最小化成本等目标函数,自动寻找最优解。
同时,可以通过参数化设计,设置设计变量进行批量优化研究,以寻找全局最优解。
在吊车支撑梁的分析设计及优化研究中,ANSYS是重要的工具。
它不仅提供了准确的仿真分析,而且提供了强大的优化研究功能,为用户节约了时间和成本,帮助设计者更好的实现优化设计。
数据分析是管理和决策过程中的重要工具。
在日常生活和商业领域中,收集和分析数据可以帮助我们获得有关趋势、模式和行为的深入理解。
以下是一些相关数据及其分析。
1. 消费者调查数据消费者调查数据是管理营销战略的关键工具。
其中最重要的指标是消费者满意度。
通过分析这些数据,可以了解顾客对产品或服务的评价,可以帮助商家制定改善产品或服务的策略。
另外,还可以了解产品或服务所占市场份额,这可以为商家的营销战略提供依据。
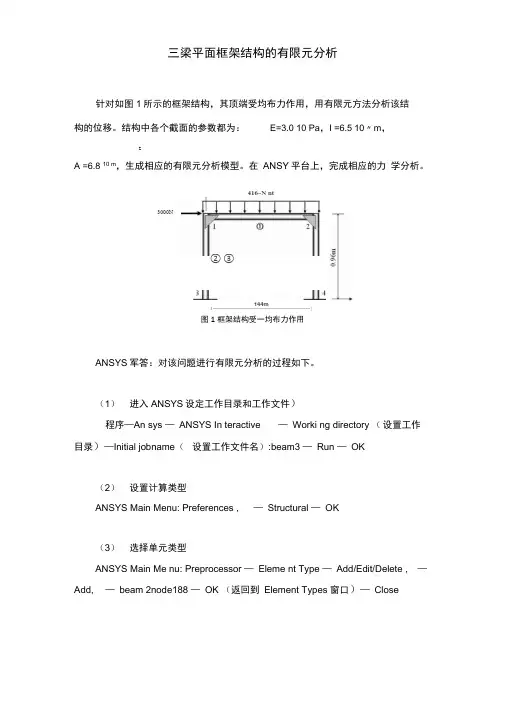
三梁平面框架结构的有限元分析针对如图1所示的框架结构,其顶端受均布力作用,用有限元方法分析该结构的位移。
结构中各个截面的参数都为:E=3.0 10 Pa,I =6.5 10〃m,2A =6.8 10 m,生成相应的有限元分析模型。
在ANSY平台上,完成相应的力学分析。
416~N nt3000N② ③144mI ------------------------------------------------------------------------------------------ |图1框架结构受一均布力作用ANSYS军答:对该问题进行有限元分析的过程如下。
(1)进入ANSYS设定工作目录和工作文件)程序—An sys —ANSYS In teractive —Worki ng directory (设置工作目录)—Initial jobname(设置工作文件名):beam3 —Run —OK(2)设置计算类型ANSYS Main Menu: Preferences , —Structural —OK(3)选择单元类型ANSYS Main Me nu: Preprocessor —Eleme nt Type —Add/Edit/Delete , —Add, —beam 2node188 —OK (返回到Element Types 窗口)—CloseCross-sectional area:6.8e-4 (梁的横截面积)—OK —Close八 Library of Element Types Library of Element TypesElement type referenc ■亡 number(4)定义材料参数ANSYS Mai n Me nu: Preprocessor — Material Props — Material Models —Structural — Lin ear — Elastic — Isotropic: EX:3e11 ( 弹性模量)—OKANSYS Main Menu: Preprocessor — Real Constants , — Add/Edit/Delete —Add — Type 1 Beam3 — OK — Real Constant Set No: 1 ( 第 1 号实常数),Ry finite 戟『気2 node 1882 node 188Canttl—鼠标点击该窗口右上角的“ ”来关闭该窗口。
ANSYS---工字钢梁结构静力分析一工字钢梁,两端均为固定端,其截面尺寸为:m d m c m b m a m l 03.0,02.0,2.0,16.0,0.1=====试建立该工字钢梁的三维实体模型,并在考虑重力的情况下对其进行结构静力分析。
其他已知参数如下:弹性模量E= 206GPa ;泊松比3.0=u ;材料密度3/7800m kg =ρ;重力加速度2/8.9s m g =;作用力Fy 作用于梁的上表面沿长度方向中线处,为分布力,其大小Fy=-5000N 。
一、确定工字钢梁截面各点。
二、将各点连接。
三、做出截面图。
四、建立三维实体。
五、网络划分六、施加位移约束(端面施加)。
七、选择施力节点。
八、施加载荷。
九、云图。
结果:S O L U T I O N O P T I O N SPROBLEM DIMENSIONALITY. . . . . . . . . . . . .3-DDEGREES OF FREEDOM. . . . . . UX UY UZANAL YSIS TYPE . . . . . . . . . . . . . . . . .STATIC (STEADY-STA TE)GLOBALL Y ASSEMBLED MA TRIX . . . . . . . . . . .SYMMETRICL O A D S T E P O P T I O N SLOAD STEP NUMBER. . . . . . . . . . . . . . . . 1TIME AT END OF THE LOAD STEP. . . . . . . . . . 1.0000NUMBER OF SUBSTEPS. . . . . . . . . . . . . . . 1STEP CHANGE BOUNDARY CONDITIONS . . . . . . . . NOINERTIA LOADS X Y ZACEL . . . . . . . . . . . . 0.0000 9.8000 0.0000PRINT OUTPUT CONTROLS . . . . . . . . . . . . .NO PRINTOUTDA TABASE OUTPUT CONTROLS. . . . . . . . . . . .ALL DATA WRITTEN FOR THE LAST SUBSTEP。
0 前言利用ANSYS分析钢筋混凝土结构时,其有限元模型主要有分离式和整体式两种模型。
这里结合钢筋混凝土材料的工作特性,从模型建立到非线性计算再到结果分析的全过程讲述了利用ANSYS进行钢筋混凝土结构分析的方法与技巧,并以钢筋混凝土简支梁为例,采用分离式有限元模型,说明其具体应用。
1 单元选取与材料性质1. 1 混凝土单元ANSYS中提供了上百种计算单元类型,其中Solid65单元是专门用于模拟混凝土材料的三维实体单元。
该单元是八节点六面体单元,每个节点具有三个方向的自由度( UX , UY , UZ) 。
在普通八节点线弹性单元Solid45 的基础上,该单元增加了针对于混凝土的材性参数和组合式钢筋模型,可以综合考虑包括塑性和徐变引起的材料非线性、大位移引起的几何非线性、混凝土开裂和压碎引起的非线性等多种混凝土的材料特性。
使用Solid65 单元时,一般需要为其提供如下数据:1)、实常数(Real Constants) :定义弥散在混凝土中的最多三种钢筋的材料属性,配筋率和配筋角度。
对于墙板等配筋较密集且均匀的构件,一般使用这种整体式钢筋混凝土模型。
如果采用分离式配筋,那么此处则不需要填写钢筋实常数。
2)、材料模型(Material Model) :在输入钢筋和混凝土的非线性材料属性之前,首先必须定义钢筋和混凝土材料在线弹性阶段分析所需的基本材料信息,如:弹性模量,泊松比和密度。
3)、数据表(Data Table) :利用数据表进一步定义钢筋和混凝土的本构关系。
对于钢筋材料,一般只需要给定一个应力应变关系的数据表就可以了,譬如双折线等强硬化(bilinear isotropic hardening)或随动硬化模型( kinematic hardening plasticity)等。
而对于混凝土模型,除需要定义混凝土的本构关系外,还需要定义混凝土材料的破坏准则。
在ANSYS中,常用于定义混凝土本构关系的模型有:1)多线性等效强化模型(Multilinear isotropic hardening plas2ticity ,MISO模型),MISO模型可包括20条不同温度曲线,每条曲线可以有最多100个不同的应力-应变点;2)多线性随动强化模型(Multilinear kinematic hardening plas2ticity ,MKIN 模型),MKIN 模型最多允许5个应力-应变数据点;3)Drucker2Prager plasticity(DP)模型。
AnsysWorkbench工程实例之——梁单元静力学分析本文可能是您能在网络上搜索到的关于Ansys Workbench梁单元介绍最详细全面的文章之一。
梁单元常用于简化长宽比超过10的梁与杆模型,比如建筑桁架、桥梁、螺栓、杠杆等。
Workbench中的梁单元有Beam188(默认)与Beam189两种,Beam188无中节点,Beam189有中节点。
在全局网格设置下,梁单元的中节点设置Element MIdside Nodes默认为dropped(无中节点),即默认使用Beam188单元,如果改为kept(有中节点),则将改变为Beam189单元。
类型单元形状中节点自由度形函数Beam188 3D梁无 6 线性Beam189 3D梁有 6 二次Beam188Beam1891 梁单元分析概要1.1 建模与模型导入线框模型可在DM中创建,也可导入stp/igs等模型。
以下分别介绍通过DM创建与通过CAD软件创建导入过程。
1.1.1 梁线体的创建方法1,简单的线体模型可以在DM中创建,一般在XY平面绘制草图或点,再通过Concept——Lines From Sketches、Lines From Points或3D Curve等创建。
区别在于Lines From Sketches是提取草图所有的线条,如果线条是相连接的,提取的结果为一个线几何体。
Lines From Points或3D Curve用于将草图的点(可以是草图线条的端点)连接成为线体,结合Add Frozen选项,可以创建多个线几何体。
操作3次后多个线条可以通过From New Part功能组合为一个几何体,组合后两条线共节点,相当于焊接在一起。
选中后右击方法2,通过CAD软件创建后导入。
如果读者使用的是creo建模,可在草图中创建点,退出草图后选择基准——曲线——通过点的曲线。
操作3次后输出时需要注意,可另存为stp或igs格式,在输出对话框中必须勾选基准曲线和点选项。
ANSYS结构分析基础篇一、总体介绍进行有限元分析的基本流程:1.分析前的思考1)采用哪种分析(静态,模态,动态...)2)模型是零件还是装配件(零件可以form a part形成装配件,有时为了划分六面体网格采用零件,但零件间需定义bond接触)3)单元类型选择(线单元,面单元还是实体单元)4)是否可以简化模型(如镜像对称,轴对称)2.预处理1)建立模型2)定义材料3)划分网格4)施加载荷及边界条件3.求解4.后处理1)查看结果(位移,应力,应变,支反力)2)根据标准规范评估结构的可靠性3)优化结构设计高阶篇:一、结构的离散化将结构或弹性体人为地划分成由有限个单元,并通过有限个节点相互连接的离散系统。
这一步要解决以下几个方面的问题:1、选择一个适当的参考系,既要考虑到工程设计习惯,又要照顾到建立模型的方便。
2、根据结构的特点,选择不同类型的单元。
对复合结构可能同时用到多种类型的单元,此时还需要考虑不同类型单元的连接处理等问题。
3、根据计算分析的精度、周期及费用等方面的要求,合理确定单元的尺寸和阶次。
4、根据工程需要,确定分析类型和计算工况。
要考虑参数区间及确定最危险工况等问题。
5、根据结构的实际支撑情况及受载状态,确定各工况的边界约束和有效计算载荷。
二、选择位移插值函数1、位移插值函数的要求在有限元法中通常选择多项式函数作为单元位移插值函数,并利用节点处的位移连续性条件,将位移插值函数整理成以下形函数矩阵与单元节点位移向量的乘积形式。
位移插值函数需要满足相容(协调)条件,采用多项式形式的位移插值函数,这一条件始终可以满足。
但近年来有人提出了一些新的位移插值函数,如:三角函数、样条函数及双曲函数等,此时需要检查是否满足相容条件。
2、位移插值函数的收敛性(完备性)要求:1)位移插值函数必须包含常应变状态。
2)位移插值函数必须包含刚体位移。
3、复杂单元形函数的构造对于高阶复杂单元,利用节点处的位移连续性条件求解形函数,实际上是不可行的。
第七章--a n s y s梁单元分析和横截面形状要点Error! Hyperlink reference not valid.Error! Hyperlink referencenot valid.第七章梁分析和横截面形状Error! Hyperlink reference not valid.Error! Hyperlink reference not valid.7.1 梁分析概况梁单元用于生成三维结构的一维理想化数学模型。
与实体单元和壳单元相比,梁单元求解效率更高。
本章的内容只适用于 BEAM44(三维变截面单元)和另两种有限元应变单元 BEAM188 和 BEAM189 (三维梁单元)。
这些梁单元与ANSYS 的其他梁单元相比,提供了更健壮的非线性分析能力,显著地改进了截面数据定义功能和可视化特性。
参阅《ANSYS Elements Reference》中关于 BEAM44、BEAM188 和 BEAM189 单元的描述。
注意--如要对 BEAM44 单元采用本章论述的横截面定义功能,必须清楚不能应用这些功能来定义斜削的截面。
此外,本章所述的后处理可视化功能不能应用于 BEAM44 单元。
注意--用户定义横截面功能可能不能应用CDWRITE命令。
Error! Hyperlink reference not valid.Error! Hyperlink reference not valid.7.2 何为横截面横截面定义为垂直于梁轴的截面的形状。
ANSYS提供有11种常用的梁横截面库,并支持用户自定义截面形状。
当定义了一个横截面时,ANSYS 建立一个9节点的数值模型来确定梁的截面特性(Iyy,Izz 等),并求解泊松方程得到扭转特征。
图7-1是一个标准的Z型横截面,示出了截面的质心和剪切中心,以及计算得到的横截面特性。
图7-1 Z型横截面图横截面和用户自定义截面网格将存储在横截面库文件中。
基于ANSYS的工字梁结构的强度分析和优化1.初始模型设计:图1 分析要求初始模型截面选择为工字梁截面,初始模型的截面尺寸设置为100mm*68mm*4.5mm,初始模型主要是根据题目要求,结合相关经验初步给以梁的形状和尺寸。
然后再本文的要求下进行分析,并进行尺寸参数的优化,保证满足强度,同时梁的质量要最小,在ansys中建立初始模型,如下所示。
图2 ansys模型初始截面尺寸与形状,同时将矩形的长和宽设置为参数,后续用于优化设计。
图3 参数化模型2.初始尺寸下的有限元分析有限元网格如下,显示了截面图4 有限元网格模型模型为简支梁,所有左端固定,右端放开横向和转动自由度,在跨中加载重物载荷80*9.8=784N图5 载荷约束进行分析,在上述载荷下,梁的最大组合应力云图如下,最大应力为11.11MPa,许用应力为160MPa,初始设计满足强度要求,但是初始设置安全系数较大,存在较大优化空间。
图6 应力结果对初始设计进行优化,优化变量为矩形截面的长和宽,优化目标为质量最小,同时最大应力小于160MPa。
采用响应面优化方法进行优化分析,模块如下:图7 响应面优化首先进行DOE设置:设置参数的优化范围,厚度优化范围设置为2mm到10mm。
DOE 方法设置为CCD,高度要脚宽的范围设置为20mm到100mm。
图8 优化区间设置生成所有设计点,并求解,最终设计点结果如下所示图9 采样点然后生成响应面,响应面生成方法为Kriging,响应面的GOD拟合曲线如下所示,所有设计点都落在GOD曲线上,可以认为响应面拟合精度较高。
图10 GOD曲线梁质量的响应面如下所示,响应面为线性,说明参数变化线性影响质量,和实际情况吻合图11 响应面3D图最后进行优化:目标函数设置如下所示,图12 目标函数设置在响应面上选取10000个设计点进行优化分析,求解最有解,最后优化结果:图13 优化结果对尺寸进行取值,则最终优化结果为t=2mm,高度为45mm,脚宽为21mm,对上述优化后的尺寸进行校核分析,应力云图如下所示,最大应力为154.36MPa,满足要求。
梁的截面和方向问题
自定义梁的截面形状如图
建立梁的模型如下:
全局显示梁的显示为:
由此可以看出,默认情况下梁规定的正方向为Z轴的正向!
关于2D/3D梁的说明:
1、单元坐标系X轴由节点i,j连线方向确定由i指向j;
对于两节点确定的beam单元,若方向角theta=0,则单元坐标系y轴默认平行于整体坐标系的x-y平面;
2、若单元坐标系x轴与整体坐标系z轴平行,则单元坐标系y轴默认平行整体坐标系的y轴,z轴由右手法则判定;
3、若用户希望自己来控制单元绕单元坐标系x轴的转动角,则可以通过方向角theta或第三个节点k来实现,i,j,k确定一个平面,单元坐标系的z轴就在该平面内。
Ansys结构分析单元类型ansys结构分析单元类型决定单元的自由度设置,如:(1)结构单元有6个自由度(2)单元形状:六面体,三角形等(3)维数:二维、三维(4)位移形函数:线形、二次函数。
本文按单元的特点将结构分析单元分为:线单元、管单元、实体单元、壳单元、接触单元、特殊单元六大类。
2.1线单元线单元主要有:杆单元、梁单元。
2.1.1杆单元杆单元主要用于桁架和网格计算。
属于只受拉、压力的线单元。
主要用于模拟弹簧,螺杆,预应力螺杆,薄膜桁架等模型。
其主要的类型有:(1)LINK1是个二维杆单元,可刚作桁架、连杆或弹簧;(2)LINK8是个三维杆单元,可用作桁架、缆索、连杆、弹簧等模型;(3)LINK10是个三维仅受拉伸或压缩杆单元,可用于将整个钢缆作为一个单元来模拟的钢缆静力。
2.1.2梁单元梁单元主要用于框架结构计算。
属于既受拉、压力,又有弯曲应力的线单元。
主要用于模拟螺栓,薄壁管件,C型截面构件,角钢或细长薄膜构件。
其主要的类型有:(1)BEAM3是个二维弹性粱单元,可用于轴向拉伸、压缩和弯曲单元;(2)BEAM4是个三维弹性梁单元,可用于轴向拉伸、压缩、扭转和弯曲单元;(3)BEAM54是个二维弹性渐变不对称梁单元,可用于分析拉伸、压缩和弯曲功能的单轴向单元;(4)BEAM44是个三维渐变不对称梁单元,可用于分析拉伸、压缩、扭转和弯曲功能的单轴单元;(5)BEAMl88是个三维线性有限应变梁单元,可用于分析从细长到中等粗短的梁结构;(6)BEAMl89是个三维二次有限应变梁单元,可刚于分析从细长到中等粗短的梁结构。
2.2管单元(1)PIPE16是三维弹性直管单元,可用于分析拉压、扭转和弯曲的单轴向单元。
(2)PIPE17是三维弹性T形管单元,可用于分析拉压、扭转和弯曲T形管单轴单元。
(3)PIPEl8是弹性弯管单元(肘管),可用于分析拉伸、压缩、扭转和弯曲性能的环形单轴单元。
(4)PIPE20是个塑性直管单元,可用于分析拉压、弯曲和扭转的单轴单元。
ANSYS梁结构受力分析介绍ANSYS是一款功能强大的工程仿真软件,可用于多种工程领域的仿真分析,包括结构、流体、电磁和系统仿真。
在结构仿真方面,ANSYS可用于实现复杂的受力分析,帮助工程师设计更具稳定性和安全性的结构。
本文将介绍如何使用ANSYS进行梁结构受力分析。
环境准备在进行梁结构受力分析前,需要先准备好以下环境:•安装ANSYS软件•准备梁结构的CAD模型步骤导入CAD模型将准备好的梁结构CAD模型导入到ANSYS软件中。
在ANSYS主界面上,选择“File”->“Import”->“Geometry”->“From File”选项,选择对应的CAD文件进行导入。
定义材料属性在ANSYS软件中,需要对材料的物理性质进行定义,以便进行受力分析。
在ANSYS主界面上,选择“Engineering Data”->“Material Libraries”选项,可以在材料库中选择对应的材料属性进行定义。
若需要自定义材料属性,则选择“Add”选项,输入材料密度、弹性模量等相关参数,即可添加自定义材料属性。
定义边界条件在进行梁结构受力分析前,需要确定结构的受力边界条件。
在ANSYS软件中,选择“Modeling”->“Analysis Settings”->“Define Loads”选项,可以定义梁结构受力的边界条件。
具体的边界条件包括:•约束条件:对某些点或线进行约束,避免发生移动或旋转现象;•荷载条件:施加上升、下降、顺时针或逆时针扭矩力等负载形式。
进行受力分析在定义好材料属性和边界条件后,即可进行受力分析。
在ANSYS软件中,选择“Modeling”->“Solution”->“Solve”选项,即可进行受力分析计算。
在计算完成后,可以通过“Solution”->“Results”选项查看分析结果。
分析结果解读在查看分析结果时,需要关注以下几个方面:•不同点和线上的应力和变形情况:可以通过选中不同的点或线,查看其在不同负载情况下的应力和变形情况;•材料本身的应力和变形情况:可以通过选择材料,查看其在不同负载情况下的应力和变形情况;•结构总体稳定性:根据分析结果,判断结构在不同负载情况下的稳定性,以便对结构进行优化和改进。
ANSYS-3D实体模型实例实验二三维实体结构的分析前面的实训练习中,是采用先生成节点,然后连接节点生成元素的方法来建立有限元模型的,它适用于结构比较简单的零件。
但是对于一些复杂结构,如果还是采用上面的方法建立有限元模型,不但非常繁琐,而且容易出错,甚至在有些情况下几乎是不可能的。
因此,本实训中将介绍三维实体结构的有限元分析。
一、问题描述图25所示为一工字钢梁,两端均为固定端,其截面尺寸为,l,1.0m,a,0.16m,b,0.2m,c,0.02m,d,0.03m。
试建立该工字钢梁的三维实体模型,并在考虑重力的情况下对其进行结构静力分析。
其他已知参数如下:图25 工字钢结构示意图u,0.3弹性模量(也称杨式模量) E= 206GPa;泊松比;32,,7800kg/mg,9.8m/s材料密度;重力加速度;作用力Fy作用于梁的上表面沿长度方向中线处,为分布力,其大小Fy=-5000N 二、实训目的本实训的目的是使学生学会掌握ANSYS在三维实体建模方面的一些技术,并深刻体会ANSYS软件在网格划分方面的强大功能。
三、结果演示图26单元类型库对话框使用ASSYS 8。
0软件对该工字钢梁进行结构静力分析,显示其节点位移云图。
四、实训步骤(一)ASSYS8.0的启动与设置与实训1第一步骤完全相同,请参考。
(二)单元类型、几何特性及材料特性定义图27 单元类型对话框1定义单元类型。
点击主菜单中的“Preprocessor>Element Type>Add/Edit/Delete”,弹出对话框,点击对话框中的“Add…”按钮,又弹出一对话框(图26),选中该对话框中的“Solid”和“Brick8node 45”选项,点击“OK”,关闭图26对话框,返回至上一级对话框,此时,对话框图28 材料特性参数对话框中出现刚才选中的单元类型:Solid45,如图27所示。
点击“Close”,关闭图27所示对话框。
课程分析
COURSE ANALYSIS
题目:三维梁结构分析
系别:机械工程系
专业:机械设计制造及自动化
学制:四年
姓名:
学号:
导师:
20 14 年6 月8 日
分析1:三维梁结构分析
姓名: 班级: 学号:
一、概述
此次分析的模型为三维梁结构,梁结构如图所示,最上端(红色)为m R 4.0=圆截面,其余横截面积为m m 5.05.0⨯矩形。
此模型的弹性模量为GPa E 150=,泊松比为25.0,材料密度为32600m Kg =ρ。
模型的约束情况为底部四个支撑点完全约束,其所受载荷作用在顶端两点,力的方向在YZ 平面,与Y 成︒30角,且模型自重不可忽略。
据此条件求梁的最大应力及最大变形。
(可采用188Beam 单元模拟)
二、模型及约束情况
下面介绍模型的创建及约束的施加。
1、模型创建
通过观察模型的结构特征,可以现创建两个m
4⨯
5
⨯的长方体
m5
m
叠加,再将第二个长方体沿m
5⨯面内的对角线分割,并删除上半部
m5
分,然后对这两个体求和,再分别将体单元和面单元删除。
这样就只剩下线单元。
最后再将剩下的线补充加上。
如下图所示。
2、材料定义
模型创建完成后,再定义材料的单元类型、弹性模量、泊松比及密度。
通过tion
sec分别定义m
=圆截面及m
R4.0
5.0⨯矩形截面。
定
m5.0
义完之后,分别将这两个截面应用到相应的梁上。
3、网格划分
通过meshtool工具设置网格划分尺寸及网格划分命令。
打开形状因子,结果如下图所示。
4、约束及载荷施加
按照要求在模型底部四个支撑点施加完全约束,在顶部两个点施加N F N F y z 3031,1750-=-=的载荷,在Z 方向施加重力加速度28.9s m kg g ⋅=。
结果如下图所示。
5、模型求解
完成上述定义之后,即可进行模型求解。
三、分析结果
通过模型求解可查看分析结果如下图所示。
1、变形量分析
从图中可以看出最大变形量为m4
⨯。
.1-
76
10
2、应力分析
从图中可以看出最大应力为Pa
6
.1⨯。
10
86。